衡量金属材料物理性能的指标名称、符号、基本单位及其含义说明
- 格式:pdf
- 大小:202.15 KB
- 文档页数:6
金属的物理性能包括哪些内容?含义各是什么?金属的物理性能主要包括比重(密度)、熔点、热膨胀性、导热性、导电性和磁性等。
(1)密度:密度是物体质量和其体积的比值。
它的单位为克/立方厘米(g/cm³)。
在体积相同的情况下,物体的密度越大,质量也越大。
(2)熔点:金属从固态向液体状态转变时的熔化温度称为熔点。
熔点一般用摄氏温度(℃)表示。
(3)热膨胀性:热膨胀性是指金属材料受热时,体积会增大,冷却时则收缩的一种性能。
热膨胀的大小一般由线膨胀系数表示。
(4)导热性:导热性是指金属材料在加热或冷却时传导热能的性能,一般由导热系数表示。
导热系数的单位为千卡/米·时·℃。
(5)导电性:导电性是指金属材料传导电流能力的性能。
(6)磁性:金属能导磁的性能称为磁性。
具有导磁能力的金属都能被磁铁吸引。
金属的机械性能主要包括哪些内容?含义各是什么?金属材料的机械性能主要包括强度、弹性、塑性、硬度、韧性、疲劳强度等。
(1)强度:强度是指材料在静载荷作用下抵抗变形和破坏的能力。
强度的单位为帕斯卡(Pa)(牛顿/毫米²)。
根据载荷作用在材料上的不同,强度又可分为抗拉强度、抗压强度、抗弯强度、抗扭强度和抗剪强度五种。
(2)弹性:金属材料在外力作用下产生变形,当外力去除后,变形消失,材料恢复原状的性能称为弹性。
(3)塑性:金属材料在外力作用下产生变形而不破坏,当外力去除后,仍能使变形保留下来的性能称为塑性。
塑性是用长度延伸率(δ)和断面收缩率(ψ)这两个指标来表示的。
(4)硬度:硬度是指金属材料表面抵抗比它硬的物体压入引起塑性变形的能力。
在实际生产中,最常用的硬度试验方法有布氏硬度试验和洛氏硬度试验两种。
(5)韧性:金属材料抵抗冲击载荷而不致破坏的性能称为韧性。
(6)疲劳强度:金属材料在无数次交变载荷作用下而不致破坏的最大应力称为疲劳强度。
金属材料机械性能的指标及意义介绍材料在一定温度条件和外力作用下,抵抗变形和断裂的能力称为材料的力学性能。
锅炉、压力容器用材料的常规力学性能指标主要包括:强度、硬度、塑性和韧性等。
(1)强度强度是指金属材料在外力作用下对变形或断裂的抗力。
强度指标是设计中决定许用应力的重要依据,常用的强度指标有屈服强度σS或σ0.2(国外用Re表示)和抗拉强度σb(国外用Rm表示),高温下工作时,还要考虑蠕变极限σn和持久强度σD。
(2)塑性塑性是指金属材料在断裂前发生塑性变形的能力。
塑性指标包括:伸长率δ,即试样拉断后的相对伸长量;断面收缩率ψ,即试样拉断后,拉断处横截面积的相对缩小量;冷弯(角)α,即试件被弯曲到受拉面出现第一条裂纹时所测得的角度。
(3)韧性韧性是指金属材料抵抗冲击负荷的能力。
韧性常用冲击功Ak和冲击韧性值αk表示。
Αk值或αk值除反映材料的抗冲击性能外,还对材料的一些缺陷很敏感,能灵敏地反映出材料品质、宏观缺陷和显微组织方面的微小变化。
而且Ak对材料的脆性转化情况十分敏感,低温冲击试验能检验钢的冷脆性。
表示材料韧性的一个新的指标是断裂韧性δ,它是反映材料对裂纹扩展的抵抗能力。
(4)硬度硬度是衡量材料软硬程度的一个性能指标。
硬度试验的方法较多,原理也不相同,测得的硬度值和含义也不完全一样。
最常用的是静负荷压入法硬度试验,即布氏硬度(HB)、洛氏硬度(HRA、HRB、HRC)、维氏硬度(HV),其值表示材料表面抵抗坚硬物体压入的能力。
而肖氏硬度(HS)则属于回跳法硬度试验,其值代表金属弹性变形功的大小。
因此,硬度不是一个单纯的物理量,而是反映材料的弹性、塑性、强度和韧性等的一种综合性能指标。
在断裂力学基础上建立起来的材料抵抗裂纹扩展断裂的韧性性能称为断裂韧性。
(Kic,Gic)常用的35CrMo在850℃油淬,550℃回火后,机械性能如下:σb≥980MPa;σs≥835MPa;δ5≥12%;ψ≥45%;AK≥63J35CrMoA的性能应该更加优良稳定。
金属材料的使用性能1. 密度(比重):材料单位体积所具有的质量,即密度=质量/体积,单位为g/cm3。
2. 力学性能: 金属材料在外力作用下表现出来的各种特性,如弹性、塑性、韧性、强度、硬度等。
3. 强度: 金属材料在外力作用下抵抗变形和断裂的能力。
屈服点、抗拉强度是极为重要的强度指标,是金属材料选用的重要依据。
强度的大小用应力来表示,即用单位面积所能承受的载荷(外力)来表示。
4. 屈服点: 金属在拉力试验过程中,载荷不再增加,而试样仍继续发生变形的现象,称为“屈服”。
产生屈服现象时的应力,即开始产生塑性变形时的应力,称为屈服点,用符号σs表示,单位为MPa。
5. 抗拉强度: 金属在拉力试验时,拉断前所能承受的最大应力,用符号σb表示,单位为MPa。
6. 塑性: 金属材料在外力作用下产生永久变形(去掉外力后不能恢复原状的变形),但不会被破坏的能力。
7. 伸长率: 金属在拉力试验时,试样拉断后,其标距部分所增加的长度与原始标距长度的百分比,称为伸长率。
用符号δ,%表示。
伸长率反映了材料塑性的大小,伸长率越大,材料的塑性越大。
8. 韧性: 金属材料抵抗冲击载荷的能力,称为韧性,通常用冲击吸收功或冲击韧性值来度量。
9. 冲击吸收功: 试样在冲击载荷作用下,折断时所吸收的功。
用符号A?k表示,单位为J 。
10. 硬度: 金属材料的硬度,一般是指材料表面局部区域抵抗变形或破裂的能力。
根据试验方法和适用范围的不同,可分为布氏硬度和洛氏硬度等多种。
布氏硬度用符号HB表示:洛氏硬度用符号HRA、HRB或HRC表示。
部分常用钢的用途(一)各牌号碳素结构钢的主要用途:1.牌号Q195,含碳量低,强度不高,塑性、韧性、加工性能和焊接性能好。
用于轧制薄板和盘条。
冷、热轧薄钢板及以其为原板制成的镀锌、镀锡及塑料复合薄钢板大量用用屋面板、装饰板、通用除尘管道、包装容器、铁桶、仪表壳、开关箱、防护罩、火车车厢等。
盘条则多冷拔成低碳钢丝或经镀锌制成镀锌低碳钢丝,用于捆绑、张拉固定或用作钢丝网、铆钉等。
常见的金属材料力学性能一. 金属材料相关概念任何机械零件或工具,在使用过程中,往往要受到各种形式的外力作用;这就要求金属材料必须具有一种承受机械载荷而不超过许可变形或不被破坏的能力;这种能力就是金属材料的力学性能;诸如金属,1.2 刚度刚度是指金属材料在外力载荷作用下抵抗弹性变形的能力;对于机械零件要求较高的尺寸稳定性时,需要考虑刚度指标;1.3 硬度硬度是指材料表面抵抗比它更硬的物体压入的能力;几种常用金属材料力学性能一览表材料牌号屈服强度σs/MPa 抗拉强度σb/MPa45 350-550 550-700SKD61 490-685 685-985Cr12MoV 450-650 650-970P20350-550 550-860 S45C/S50C 350-560 560-750Unimax 350-580 580-885SKH51 485-680 680-960注:1.上表中材料的强度数值仅供参考,在不同的热处理工艺及环境下其对应的强度值不同;二.材料的失效与许用应力通常将材料的强度极限与屈服极限统称为材料的极限应力,用σu 表示;对于脆性材料强度极限为其唯一强度指标;对于塑性材料,其屈服应力小于强度极限,通常以屈服应力作为极限应力;为了机械零件使用的安全性,对于机械构件要有足够的强度储备;因此,实际是使用的最大应力值必须小于材料的极限应力;最大使用应力称为许用应力,用σ表示;许用应力与极限应力的关系如下:σ=, σu式中,n为大于1的因数,称为安全因数;对于塑性材料n为1.5-2.5,σu=σs;对于脆性材料n为3.0-7.0,σu=σb;2.1 强度条件σmax=max≤σ式中,F,机械零件所承受的最大载荷作用力,单位N;A,承受载荷作用的面积,单位mm²;σ,材料的许用应力,单位MPa;。
金属材料的物理性能金属材料是工程材料中的重要一类,它们具有良好的导电、导热、机械性能和较高的强度,因此在工业生产和日常生活中得到了广泛的应用。
金属材料的物理性能是指金属材料在物理方面所具有的性能特点,包括密度、导电性、导热性、热膨胀系数等。
本文将对金属材料的物理性能进行详细介绍,以便读者对金属材料有更深入的了解。
首先,密度是金属材料的一个重要物理性能指标。
密度是指单位体积的质量,通常用ρ表示。
金属材料的密度一般较大,一般在6-8g/cm³之间,铁、铝、铜等常见金属的密度分别为7.87g/cm³、2.7g/cm³、8.96g/cm³。
密度的大小直接影响着金属材料的质量和重量,因此在工程设计中需要充分考虑金属材料的密度。
其次,金属材料的导电性和导热性也是其重要的物理性能之一。
金属材料中的自由电子可以在金属内部自由传导,因此金属具有良好的导电性和导热性。
导电性是指金属材料导电的能力,通常用电导率来表示。
铜是一种优良的导电材料,其电导率为58.0×10^6S/m。
导热性是指金属材料导热的能力,通常用热导率来表示。
银是一种优良的导热材料,其热导率为429W/(m·K)。
导电性和导热性的大小直接影响着金属材料在电子器件和热传导器件中的应用。
此外,金属材料的热膨胀系数也是其重要的物理性能之一。
热膨胀系数是指单位温度升高时,材料单位长度的增加量,通常用α表示。
金属材料的热膨胀系数一般较大,铝的线膨胀系数为23.1×10^-6/℃。
热膨胀系数的大小对金属材料在温度变化下的应力和变形具有重要影响。
总的来说,金属材料的物理性能是其在物理方面所具有的性能特点,包括密度、导电性、导热性、热膨胀系数等。
这些物理性能直接影响着金属材料的使用性能和应用范围,因此在工程设计和材料选择中需要充分考虑金属材料的物理性能。
希望本文对读者对金属材料的物理性能有所帮助,谢谢阅读。
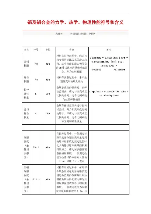
㈠物理性能指标密度符号:γ单位:kg/m3或g/cm3涵义说明:密度是金属材料的特性之一,它表示某种金属材料单位体积的质量,不同金属材料的密度是不同的。
在机械制造业上,通常利用“密度”来计算零件毛坯的质量(习惯上称质量)。
金属材料的密度也直接关系到由它所制成的零件或构件的质量或紧凑程度,这点对于要求减轻机件自重的航空和宇航工业制件具有特别重要的意义㈡弹性指标弹性模量符号:E 单位Mpa; 切削模量符号:G 单位Mpa涵义说明:金属材料在弹性范围内,外力和变形成比例地增加,即应力与应变成正比例关系时(胡克定律),这个比例系数就称为弹性模量。
根据应力,应变的性质通常又分为:弹性模量(E)和切削模量(G),弹性模量的大小,相当于引起物体单位变形时所需应力的大小,所以,它在工程技术上是衡量材料刚度的指标,弹性模量越大,刚度也越大,亦即在一定应力作用下,发生的弹性变形越小。
任何机器零件,在使用过程中,大都处于弹性状态,对于要求弹性变形较小的零件,必须选用弹性模量大的材料比例极限符号:σ(R P)单位Mpa 涵义说明:指伸长与负荷成正比地增加,保p持直线关系,当开始偏离直线时的应力称比例极限,但此位置很难精确测定,通常把能引起材料试样产生残余变形量为试样原长的0.001%或0.003%、0.005%、0.02%时的应力,规定为比例极限弹性极限符号:σ单位Mpa 涵义说明:这是表示金属材料最大弹性大的指标,e即在弹性变形阶段,试样不生产塑性变形时所能承受的最大应力,它和σp一样也难精确测定,一般多不进行测定,而以规定的σp数值代替之㈢强度性能指标强度极限符号:σ单位Mpa涵义说明:指金属材料受外力作用,在断裂前,单位面积上所能承受的最大载荷抗拉强度符号:σ(R m)单位Mpa 涵义说明:指外力是拉力时的强度极限,它是b衡量金属材料强度的主要性能指标抗弯强度符号:σ(σw)单位Mpa 涵义说明:指外力是弯曲力时的强度极限bb抗压强度符号:σ(σy)单位Mpa涵义说明:指外力是压力时的强度极限,压缩bc试验主要适用于低塑性材料,如铸铁等抗剪强度符号:τ单位Mpa 涵义说明:指外力是剪切力时的强度极限抗扭强度符号:τ单位Mpa涵义说明:指外力是扭转力时的强度极限b屈服点符号:σ单位Mpa 涵义说明:金属材料受载荷时,当载荷不再增加,但金s属材料本身的变形,却继续增加,这种现象叫做屈服,产生屈服现象时的应力,叫屈服点屈服强度符号:σ单位Mpa 涵义说明:金属材料屈服现象时,为便于测量,通常0.2按其产生永久残余变形量等于试样原长0.2%时的应力作为“屈服强度”,或称“条件屈服极限”持久强度符号:σ(h)单位Mpa涵义说明:指金属材料在一定的高温条件下,b/时间经过规定时间发生断裂时的应力,一般所指的持久强度,是指在一定温度下,试样经十万小时后的破断强度,这个数值,通常也是用外推力的方法取得的蠕变极限符号:σ变形量(%)/时间(h)单位Mpa涵义说明:金属材料在高温环境下,即使所受应力小于屈服点,也会随着时间的增长而缓慢地产生永久变形,这种现象叫做蠕变,在一定的温度下,经一定时间,金属材料的蠕变速度仍不超过规定的数值,此时所能承受的最大应力,称为蠕变极限㈣硬度性能指标布氏硬度(GB/T231-1984)符号:HBS或HBW 单位Kgf/mm2涵义说明:用淬硬小钢球或硬质合金球压入金属材料表面,以其压痕面积除加在钢球上的载荷,所得之商,以相应的实验压力,经规定保持时间后即为金属材料的布氏硬度数值。
一.金属材料物理性能1.密度(指金属材料单位体积的质量).符号:ρ;单位:kg/m³(g/cm³)2.熔点(指金属材料从固态向液态转变时的熔化温度.单位:℃3.导电性(指金属材料传导电流的性能).是衡量金属导电性能的指标,通常用电阻率和导电率来表示.电阻率的符号为ρ,单位为Ω•M;电导率的符号为γ(或σ)单位为S/M。
电阻率和电导率的关系式:γ=1/ρ)4.导热性(指金属材料传导热量的性能,通常用热导率(导热系数)来衡量。
符号为λ(或K)。
单位为W/(M•K)5.热膨胀性。
指金属材料受热后产生体积增大的性能。
通常用线膨胀系数来衡量。
符号为ai.单位为K^-1.二. 金属材料的化学性能.1.耐腐蚀性(指金属材料抵抗各种介质(如大气。
水蒸气。
其它有害气体及酸。
碱。
盐等)侵蚀的能力。
2.抗氧化性(指金属材料在高温条件下抵抗气化作用的能力)3.化学稳定性(指金属材料耐腐蚀性和抗氧化性的总和。
金属材料在高温下的化学稳定性又称热稳定性)三.金属材料的力学性能(机械性能)。
1.极限强度(指金属材料抵抗外力破坏作用的能力)单位:MPa(或N/mm²)强度按外力作用的不同可分为A.抗拉强度(抗张强度):代号σb.指外力是拉力时的极限强度.B.抗压强度:代号σbc.指外力是压力时的极限强度.C.抗弯强度:代号σbb.指外力与材料轴线垂直,并在作用后使材料呈弯曲时的极限强度. D.抗剪强度:代号σξ.指外力与材料轴线垂直,并在材料呈剪切作用时的极限强度.2.屈服点.规定残余伸长应力和规定非比例伸长应力A.屈服点(物理屈服强度)(指金属材料在受外力到某一程度时,其变形(伸长)突然增加很大时的材料抵抗外力的能力.代号:σs;单位:MPa(或N/mm²)B.规定残余伸长应力(屈服强度,条件屈服强度)(指金属材料在卸除拉力后,标距部分残余伸长力达到规定数值的应力;当规定数值为0.2%时,其代号写成σr0.2)代号:σr;单位:MPa(或N/mm²)C.规定非比例伸长应力(指金属材料在受拉力过程中,标距部分非比例伸长率达到规定数值时的应力;当规定数值为0.01%时,其代号写成σp0.01.3.弹性极限(指金属材料在受外力(拉力)到某一极限时,若除去外力,其变形(伸长)即消失,恢复原状.弹性极限是指金属材料抵抗这一限度的外力的能力.代号:σe;单位:MPa(或N/mm²)4.伸长率(延伸率)(指金属材料受外围(拉力)作用断裂时,伸长的长度与原来长度的百分比,伸长率按试棒长度的不同分为:①短试棒求得的伸长率,代号为δ5,试棒的标距等于5倍直径.②长试棒求得的伸长率,代号为δ10,试棒的标距等于10倍直径.代号:δ;单位:%5.断面收缩率(收缩率)(指金属材料受拉力作用时断裂时,断面缩小的面积和原有断面积的百分比.代号:Ψ;单位:%6.硬度(指材料抵坑硬的物体压入自己表面的能力)硬度按测定方法的不同分为以下几种:①布氏硬度(指以一定的负荷把一定直径的淬硬钢球或硬质合金球压于材料表面,保持规定时间后,卸除负荷,测量材料表面的压痕,按公式来计算硬度大小.代号:HB;单位:无②洛氏硬度(指以一定的负荷把淬硬钢球或顶角为120°圆锥形金刚石压入器压入材料表面,然后以材料表面上凹坑的深度来计算硬度大小.代号:HR;单位:无洛氏硬度有多种标尺,常见的有:A标尺C:代号HRC,采用1471.1N(150kgf)总负荷和金刚石压入器求得的硬度;它适用于调质钢.淬火钢等较硬材料的硬度测定.B标尺A:代号HRA,采用588.4N(60kgf)总负荷和金刚石压入器求得的硬度;它适用于表面淬火钢.渗碳钢.硬质合金等较硬材料的硬度测定.C标尺B:代号HRB,采用980.7N(100kgf)总负荷和以直径1.588mm淬硬钢球为压入器求得的硬度;它适用于有色金属.退火钢.正火钢等较软材料的硬度测定.D标尺F:代号HRF,采用588.4N(60kgf)总负荷和以直径为1.588mm的淬硬钢球为压入器求得的硬度,它适用于薄钢板.退火铜合金等试件和硬度测定.③维氏硬度(指以一定的负荷把120°方锥形金刚石压入器压入材料表面,保持规定时间后卸除负荷,测量材料表面的压痕对角线平均长度,按公式来计算硬度大小.④表面洛氏硬度(试验原理与洛氏硬度一样,它主要用于测定钢材表面经渗碳.氮化等处理的表面层硬度及薄小试件的硬度.代号HR;单位:无表面洛氏硬度也有多种标尺:A标尺15N:代号HR15N,采用147.1N(15kgf)总负荷和金刚石压入器求得的硬度.B标尺30N:代号HR30N,采用294.2N(30kgf)总负荷和金刚石压入器求得的硬度.C标尺45N:代号HR45N,采用441.3N(45kgf)总负荷和金刚石压入器求得的硬度.D标尺15T:代号HR15T,采用147.1N(15kgf)总负荷和以直径1.588mm淬硬钢球为压入器求得的硬度.E标尺30T:代号HR30T,采用294.2N(30kgf)总负荷和以直径1.588mm淬硬钢球为压入器求得的硬度.F标尺45T:代号HR45T,采用441.3N(45kgf)总负荷和以直径1.588MM淬硬钢球为压入器求得的硬度.6.冲击吸收功和冲击韧性①冲击吸收功(冲击功)(用一定形状和尺寸的材料试样在冲击负荷作用下折断时所吸收的功.代号:A(KU)(AKV);单位:J②冲击韧性(冲击值)(将冲击吸收功除以试样试样缺口底部处横截面积所得的商.代号aKU或Akv;单位:J/CM²注:AKU和aKU分别表示用夏比U形缺口试样求得的冲击功或冲击值,AKV和aKV分别表示用夏比V形缺口求得的冲击功或冲击值.三. 金属材料工艺性能1.铸造性.(可铸性)指金属材料能用铸造的方法获得合格铸件的性能.铸造性主要包括流动性,收缩性和偏析.流动性是指液态金属充满铸模的能力;收缩性是指铸件凝固时,体积收缩的程度;偏析是指金属在冷却凝固的过程中,因结晶先后差异而造成金属内部化学成分和组织的不均匀性.2.可锻性指金属材料在压力加工时,能改变形状而不产生裂纹的性能.它包括在热态或冷态下能够进行锤锻,轧制,拉伸,挤压等加工.可锻性的好坏主要与金属材料的化学成分有关.3.切削加工性(可切削性,机械加工性)指金属材料被刀具切削加工后而成为合格工件的难易程度.切削加工性好坏常用加工后工件的表面粗糙度,允许的切削速度以及刀具的磨损程度来衡量.它与金属材料的化学成分,力学性能,导热性及加工硬化程度等诸多因素有关.通常是用硬度和韧性作切削加工性好坏的大致判断.一般来讲,金属材料的硬度愈高愈难切削;硬度虽不高,但韧性大,切削也较困难. 4.焊接性指金属材料对焊接加工的适应性能.主要是指在一定的焊接工艺条件下,获得优质焊接接头的难易程度.它包括两个方面的内容:一是结合性能,即在一定的焊接工艺条件下,一定的金属形成焊接缺陷的敏感性;二是使用性能,即在一定的焊接工艺条件下,一定的金属焊接接头对使用要求的适用性.5.热处理①退火指金属材料加热到适当温度,保持一定时间,然后缓慢冷却的热处理工艺.常见的退火工艺有:再结晶退火,去应力退火,球化退火,完全退火等.退火的目的:主要是降低金属材料的硬度,提高塑性,以利切削加工或压力加工;减少残余应力;提高组织和成分的均匀化;或为后热处理作好组织准备等.②正火指将钢材或钢件加热到Ac3或Acm(钢的上临界点温度)以上30~50℃,保温适当时间后,在静止的空气中冷却的热处理工艺.正火的目的:主要是提高低碳钢的力学性能,改善切削加工性;细化晶粒;消除组织缺陷;为后道热处理作好组织准备等.③淬火指将钢件加热到Ac3或Ac1(钢的下临界点温度)以上某一温度,保持一定时间,然后以适当的冷却速度,获得马氏体(或贝氏体)组织的热处理工艺.常见的淬火工艺有盐浴淬火,马氏体分级淬火,贝氏体等温淬火,表面淬火和局部淬火等.淬火的目的:使钢件获得所需的马氏体组织,提高工件的硬度,强度和耐磨性;为后道热处理作好组织准备等.④回火指钢件经淬硬后,再加热到Ac1以下的某一温度,保温一定时间,然后冷却到室温的热处理工艺.常见的回火工艺有:低温回火,中温回火,高温回火和多次回火等.回火的目的:主要是消除钢件在淬火时所产生的应力;使钢件具有高的硬度和耐磨性外,并具有所需要的塑性和韧性等.⑤调质指将钢材或钢件进行淬火及回火的复合热处理工艺.适用于调质处理的钢称调质钢.它一般是指中碳结构钢和中碳合金结构钢,如45,40Cr钢等.⑥化学热处理指金属或合金工件置于一定温度的活性介质中保温,使一种或几种元素渗入它的表层,以改变其化学成分,组织和性能的热处理工艺.常见的化学热处理工艺有:渗碳,渗氮,碳氮共渗,渗铝,渗硼等.化学热处理的目的:主要是提高钢件表面的硬度,耐磨性,搞蚀性,抗疲劳强度和抗氧化性等.⑦固溶处理:指将合金加热到高温单相区恒温保持,使过剩相充分溶解到固溶体中后快速冷却,以得到过饱和固溶体的热处理工艺.固溶处理的目的:主要是改善钢和合金的塑性和韧性;为沉淀硬化处理作好准备等.⑧沉淀硬化(析出强化)指金属在过饱和固溶体中溶质原子偏聚区和(或)由之脱溶出微粒弥散分步于基体中而导致硬化的一种热处理工艺.如奥氏体沉淀不锈钢在固溶处理后或经冷加工后,在400~500℃或700~800℃进行沉淀硬化处理,可获得很高的强度.⑨时效处理:指合金工件经固溶处理,冷塑性变形或铸造,锻造后,在较高的温度放置或室温保持,其性能,形状,尺寸随时间而变化的热处理工艺.若采用将工件加热到较高温度,并较长时间进行时效处理的时效处理工艺.若采用将工件加热到较高温度,并较长时间进行时效处理的时效处理工艺,称为人工时效处理;若将工件放置在室温或自然条件下长间间存放而发生的时效现象,称为自然时效处理.时效处理的目的:消除工件内应力,稳定组织和尺寸,改善机械性能等.⑩淬透性:指在规定条件下,决定钢材淬硬深度和硬度分布的特性.钢材淬透性与差,常用淬硬层深度来表示.淬硬层深度越大,则钢的淬透性越好.钢的淬透性主要取决于它的化学成分,特别是含增大淬透性的合金元素及晶粒度,加热温度和保温时间等因素有关.淬透性好的钢材,可使钢件整个截面获得均匀一致的力学性能以及可选用钢件淬火应力的淬火剂,以减少变形和开裂.⑾临界直径(临界淬透直径)临界直径是指钢材在某种介质中淬冷后,心部得到全部马氏体或50%马氏体组织时的最大直径,一些钢的临界直径一般可以通过油中或水中的淬透性试验来获得.⑿二次硬化某些铁碳合金(如高速钢)须经多次回火后,才进一步提高其硬度.这种硬化现象,称为二次硬化,它是由于特殊碳化物析出和(或)由于残余奥氏体转变为马氏体或贝氏体所致. ⒀回火淬性指淬火钢在某些温度区间回火或从回火温度缓慢冷却通过该温度区间的脆化现象.回火脆性可分为第一类回火脆性和第二类回火脆性.第一类回火脆性又称不可逆回火淬性,主要发生在回火温度为250~400℃时,在重新加热脆性消失后,重复在此区间回火,不在发生脆性第二类回火脆性又称可逆回火脆性,发生的温度在400~650℃,当重新加热脆性消失后,应迅速冷却,不能在400~650℃区间长时间停留或缓冷,否则会再次发生脆化现象.回火脆性的发生与钢中所含合合元素有关,如锰,铬,硅,镍,会产生回火脆性倾向,而钼,钨有减弱回火脆性倾向.。
金属材料力学性能代号含义名称代号单位含义抗拉强度σb MPa 或 N/mm^2材料试样受拉力时,在拉断前所承受的最大应力.抗压强度σbc MPa 或 N/mm^2材料试样受压力时,在压坏前所承受的最大应力.抗弯强度σbb MPa 或 N/mm^2材料试样受弯曲力时,在破坏前所承受的最大应力.抗剪强度τMPa 或 N/mm^2材料试样受剪力时,在剪断前所承受的最大剪应力.抗扭强度τb MPa 或 N/mm^2材料试样受扭转力时,在扭断前所承受的最大剪应力屈服点σs MPa 或 N/mm^2材料试样在拉伸过程中,负荷不增加或开始有所降低而变形继续发生的现象称为屈服.屈服时的最小应力称为屈服点和屈服极限.屈服强度σ0.2MPa 或 N/mm^2材料试样在拉伸过程中, 负荷不增加或开始有所降低而变形继续发生的现象称为屈服.对某些屈服现象不明显的金属材料, 测定屈服点比较困难,为便于测量,通常按其产生永久变形量等于试样原长0.2%时的应力称为屈服度或条件屈服强度.弹性极限σcσc 材料能保持弹性变形的最大应力. 真实弹性极限难以测定, 实际规定按永久变形为原长的0.005%时的应力值表示.比例极限σp MPa 或 N/mm^2在弹性变形阶段, 材料所承受的和应变能保持正比的最大应力,称比例极限.σp与σc两数值很接近,一般常互相通用.弹性模量E MPa 或 N/mm^2在比例极限的范围内, 应力与应变成正比时的比例常数,衡量材料刚度的指标.E=σ/ε ε——试样纵向线应变.切变模量G MPa 或 N/mm^2在比例极限的范围内, 应力与应变成正比时的比例常数,衡量材料刚度的指标.G=τ/γ γ——试样切应变.泊松比μ在弹性范围内, 试样横向线应变与纵向线应变的比值.μ=|ε/ε'|ε'= -με, ε'——试样横向线应变.疲劳极限σ-1MPa 或 N/mm^2材料试样在对称弯曲应力作用下, 经受一定的应力循环数数 N 而仍不发生断裂时所能承受的最大应力.对钢来说,如应力循环 N 达 10^6-10^7仍不发生断裂时,则可认为随循环次数的增加,将不再发生疲劳断裂,因此常采用 N=(0.5~1)x10^7为基数,确定钢的疲劳极限.蠕变极限σ(1/10^4),σ(1/10^5),σ(0.2/200)...MPa 或 N/mm^2在一定温度下(通常在高温下)和恒定载荷作用下,材料在规定的时间(使用期间)内的蠕变变量或蠕变速度不超过某一规定值的最大应力.符号右下角的分数中, 分子表示规定的变形量的百分数,分母表示产生该变形量所经历的时间(小时).σ(1/10^4) 表示在10000小时产生 1% 变形量的应力,有时在符号的右上角标明试验温度.DVM蠕变极限DVM MPa 或 N/mm^2加载后观测25-35小时, 可允许的伸长速度为10x10^(-14)%/小时的应力.持久极限σ(b/10^4),σ(b/10^5),σ(b/200)MPa 或 N/mm^2在一定温度下(通常在高温下), 材料在恒定载荷作用时, 材料在一定时间(使用期间)内材料破坏时的应力.符号右下角的分数中,分母表示时间(小时).有时在符号的右上角标明试验温度.伸长率(延伸率)δ,δ5,δ10%δ 材料试样被拉断后, 标距长度的增加量与原标距长度之百分比.δ5 试样的标距等于 5 倍直径时的伸长率.δ10 试样的标距等于 10 倍直径时的伸长率.断面收缩率ψ%材料试样在拉断后, 其断裂处横截面积的缩减量与原横截面积的百分比.收缩率和伸长率均用来表示材料塑料的指标冲击韧性值αku ,或 αkv J/cm^2金属材料对冲击负荷的抵抗能力称为韧性, 通常都是以大能量的一次冲击值 (αku ,或 αkv)作为标准的.它是采用一定尺寸和形状的标准试样,在摆锤式一次冲击试验机上来进行试验, 试验结果以冲断试样上所消耗的功( Aku ,或 Akv)与断口处横截面积(F)之比来衡量.冲击功Aku ,或 Akv J 金属材料对冲击负荷的抵抗能力称为韧性, 通常都是以大能量的一次冲击值 (αku ,或 αkv)作为标准的.它是采用一定尺寸和形状的标准试样,在摆锤式一次冲击试验机上来进行试验. Aku,或Akv是冲断试样所消耗的功.布氏硬度HB( HBS 或HBW )kgf/mm^2(一般不标注)硬度是指金属抵抗硬的物体压入其表面的能力.用淬硬小钢球或硬质合金球压入金属表面, 保持一定时间待变形稳定后卸载, 以其压痕面积除加加在钢球上的载荷,所得之商,即为金属的布氏硬度数值.洛氏硬度C 级HRC用1471N 载荷, 将顶角为 120°的圆锥形金刚石的压头,压入金属表面,取其压痕的深度来计算硬度的大小,即为金属的HRC硬度.HRC用来测量HB=230-700的金属材料,主要用于测定淬火钢、调质钢等较硬的金属材料(GB230-83)洛氏硬度A 级HRA用 588.4N 载荷和顶角为 120°的圆锥形金刚石的压头所测定出来的硬度, 一般用来测定硬度很高或硬而薄的金属材料, 如碳化物、硬质合金或表面淬火层,HRA用来测量HB>700金属材料.洛氏硬度B 级HRB用980.7N 载荷和直径为 1.59mm(1/16in)的淬硬钢球所测得的硬度.主要用于测定HB=60-230这一类较软的金属材料,如软钢、退火钢、正火钢、铜、钼等有色金属表面洛氏硬度HRN,HRT试验原理同前面洛氏硬度, 不同的是试验载荷较轻,HRN的压头是顶角为 120°金刚石圆锥体,HRT的压头是直径为1.5875mm 的淬硬钢球.二者的载荷均为15kgf、30kgf 和 45kgf.二者的标注分别为HRN15、HRN30、HRN45和HRT15、HRT30、HRT45.表面洛氏硬度只适用于钢材表面层硬度, 以及较薄、较小试件的硬度测定,数值较准确(见GB1818-79)HRN=100-100tHRT=100-100tt——表示主载荷与初载荷两次加载的压痕深度的差值,mm.维氏硬度HV N/mm^2用49.03-980.7N以内的载荷,将顶角为136°的金刚石四方角锥体压头压入金属的表面, 以其压痕面积除载荷所得之商,即为维氏硬度值.HV 只适用测定很薄(0.3-0.5mm)的金属材料、金属薄镀层或化学热处理后的表面层硬度(如镀铬、渗碳、氮化、碳氮共渗层等)(见GB4340-84)HV=2P/d^2.sin(136/2)=0.1891P/d^2P——压头上的负荷,Nd——压痕对角线长度,mm肖氏硬度HS 以一定重量的冲头, 从一定的高度落于被测试样的表面,以其冲头的回跳高度表示硬度的度量.适用于测定表面光滑的一些精密量具或不易搬动的大型机件.。
金属材料的热物理性能包括金属材料的性能的物理知识点
金属材料的性能可分为使用性能和工艺性能(又称为加工性能)。
使用性能包括:
1、物理性能(比重、熔点、导电性、导热性、热膨胀性、磁性等);
2、物理性能(耐腐蚀性、耐氧化性等);
3、机械或力学性能(强度、塑性、硬度、韧性、疲劳强度等)。
工艺性能(加工性能):
1、铸造性能;
2、锻造性能;
3、焊接性能;
4、切削加工性能;
5、弯曲;
6、热处理性能等。
1、比重:比重是一种物体的重量与同体积的水的重量的比值,常用符号表示,以克/厘米为单位。
2、熔点:金属和合金从固体状态向液体状态转变时的熔化温度叫做熔点。
3、导电性:金属传导电流的性能叫做导电性。
衡量金属导电性能的指标是导电率(又叫导电系数)和电阻率(又叫电阻系数),导电率与电阻率互成反比,导电率越大,则电阻越小。
4、导热性:金属传导热量的性能叫导热性。
它反映了金属在加热和冷却时的导热能力,在金属中银和铜的导热性最好。
5、热膨胀性:金属温度升高时,产生体积胀大的现象,称为热膨胀性。
用热膨胀系数a表示,它的单位是:毫米/毫米?℃或1/℃,即金属温度每升高1℃其单位长度所伸长的长度(毫米)。
6、磁性:金属被磁场磁化或吸引的性能叫磁性,用导磁率()表示。
感谢您的阅读!。
杨氏模量百科名片杨氏模量(Young's modulus)是描述固体材料抵抗形变能力的物理量。
一条长度为L、截面积为S的金属丝在力F作用下伸长ΔL。
F/S叫胁强,其物理意义是金属数单位截面积所受到的力;ΔL/L叫胁变其物理意义是金属丝单位长度所对应的伸长量。
胁强与胁变的比叫弹性模量:即。
ΔL是微小变化量。
目录概述杨氏模量,它是沿纵向的弹性模量,也是材料力学中的名词。
1807年因英国医生兼物理学家托马斯·杨(Thomas Young, 1773-1829) 所得到的结果而命名。
根据胡克定律,在物体的弹性限度内,应力与应变成正比,比值被称为材料的杨氏模量,它是表征材料性质的一个物理量,仅取决于材料本身的物理性质。
杨氏模量的大小标志了材料的刚性,杨氏模量越大,越不容易发生形变。
杨氏弹性模量是选定机械零件材料的依据之一是工程技术设计中常用的参数。
杨氏模量的测定对研究金属材料、光纤材料、半导体、纳米材料、聚合物、陶瓷、橡胶等各种材料的力学性质有着重要意义,还可用于机械零部件设计、生物力学、地质等领域。
测量杨氏模量的方法一般有拉伸法、梁弯曲法、振动法、内耗法等,还出现了利用光纤位移传感器、莫尔条纹、电涡流传感器和波动传递技术(微波或超声波)等实验技术和方法测量杨氏模量。
简介英文名称:modulus of elasticity定义:材料在弹性变形阶段,其应力和应变成正比例关系(即符合胡克定律),其比例系数称为弹性模量。
单位:牛每平方米。
意义:弹性模量可视为衡量材料产生弹性变形难易程度的指标,其值越大,使材料发生一定弹性变形的应力也越大,即材料刚度越大,亦即在一定应力作用下,发生弹性变形越小说明:又称杨氏模量。
弹性材料的一种最重要、最具特征的力学性质。
是物体弹性t变形难易程度的表征。
用E表示。
定义为理想材料有小形变时应力与相应的应变之比。
E以单位面积上承受的力表示,单位为牛/米^2。
模量的性质依赖于形变的性质。
情感语录
1.爱情合适就好,不要委屈将就,只要随意,彼此之间不要太大压力
2.时间会把最正确的人带到你身边,在此之前,你要做的,是好好的照顾自己
3.女人的眼泪是最无用的液体,但你让女人流泪说明你很无用
4.总有一天,你会遇上那个人,陪你看日出,直到你的人生落幕
5.最美的感动是我以为人去楼空的时候你依然在
6.我莫名其妙的地笑了,原来只因为想到了你
7.会离开的都是废品,能抢走的都是垃圾
8.其实你不知道,如果可以,我愿意把整颗心都刻满你的名字
9.女人谁不愿意青春永驻,但我愿意用来换一个疼我的你
10.我们和好吧,我想和你拌嘴吵架,想闹小脾气,想为了你哭鼻子,我想你了
11.如此情深,却难以启齿。
其实你若真爱一个人,内心酸涩,反而会说不出话来
12.生命中有一些人与我们擦肩了,却来不及遇见;遇见了,却来不及相识;相识了,却来不及熟悉,却还要是再见
13.对自己好点,因为一辈子不长;对身边的人好点,因为下辈子不一定能遇见
14.世上总有一颗心在期待、呼唤着另一颗心
15.离开之后,我想你不要忘记一件事:不要忘记想念我。
想念我的时候,不要忘记我也在想念你
16.有一种缘分叫钟情,有一种感觉叫曾经拥有,有一种结局叫命中注定,有一种心痛叫绵绵无期
17.冷战也好,委屈也罢,不管什么时候,只要你一句软话,一个微笑或者一个拥抱,我都能笑着原谅
18.不要等到秋天,才说春风曾经吹过;不要等到分别,才说彼此曾经爱过
19.从没想过,自己可以爱的这么卑微,卑微的只因为你的一句话就欣喜不已
20.当我为你掉眼泪时,你有没有心疼过。