取土器
- 格式:doc
- 大小:249.00 KB
- 文档页数:2
手工取土钻的使用说明好嘞,今天咱们来聊聊手工取土钻的使用说明。
说起手工取土钻,可能有人会想:“这玩意儿到底是干啥的?”别急,咱慢慢来。
它就是用来在土里打洞的,听起来挺简单的吧?但真要用起来,那可就有讲究了。
拿出手工取土钻,瞧瞧这造型,圆圆的,看起来像个大玩具。
别小看它,功能可不一般。
它的上面有个手柄,底下是钻头。
要是你想在花园里种花、种树,或是给植物打个根洞,没它可不行哦。
用手工取土钻,你就能轻松把土挖开,给植物留个好家园。
这种工具就像个土匪,专门来“抢”土。
嘿,想想都觉得有意思。
你得找个地方,心里想想你要挖的那个洞大概有多深。
通常来说,种花不需要太深,几寸就够了。
先在地上标个点,想象一下,这个地方能长出美丽的花儿,心里是不是美滋滋的?然后,握紧手柄,准备开始吧。
哎,别急,先深吸一口气,调动一下小宇宙,放松手腕,别太用力,一会儿手会酸的。
开始的时候,慢慢转动手柄,感觉就像在搅拌什么美味的东西,呼呼,钻头就能轻松地插入土里。
当你感觉土壤有点硬的时候,嘿嘿,别着急,继续用力。
土壤就像一块巧克力,外面硬,里面软,得用点力气才能挖出来。
真是个有趣的比喻吧!慢慢地,你会发现,随着手里的力量,土壤一点一点被挖开,心里那个成就感,简直不能更爽了。
每挖一层土,心里都想着:“这下我的小花就有家了!”不过,挖土的时候可别忘了,土壤里面可能藏着小石头、根茎啥的,挖着挖着,嘿,有时候会被“咯噔”一下,别慌,继续挖。
只要手里的工具在,万事皆可搞定。
就算遇到点小麻烦,咱也得保持一颗平常心,不就像人生一样吗?遇到挫折,咱也要微笑面对。
快到目的地的时候,别忘了看看周围,感受一下大自然的气息。
呼吸新鲜空气,听听鸟儿的歌唱。
用手工取土钻不仅能挖土,还能让你更亲近自然,多好呀。
谁说动手做事就不能享受生活呢?当你终于挖好了一个合适的洞,心里别提多高兴了。
轻轻松松把土壤放回去,看看那个小洞,心里有种说不出的满足。
像是看着自己亲手栽下的小树苗,满心期待着它将来长成参天大树,嘿,这就是生活的乐趣。
土壤取样器具各个部件的作用是什么土壤取样器具也叫土土壤取样器原状根部取样钻套件,因为该工具是由不同的部件组成的,另外还会配有一些工作中需要的配件,在不使用的时候,这些部件会被拆卸后整齐的摆放在铝箱,只有在使用的时候才会组装在仪器,供原状根部土壤取样使用,那么土壤取样器具套件中,除了它都包含了哪些部件呢,这些部件的作用都是什么呢?土壤取样器具主要包含的部件有钻头体、连接杆、击打手柄、击打锤、固定扳手、卷尺、刮土刀、十字螺丝刀、手套,这些部件平时会放在专用的铝箱中,因此体积小,非常便于户外携带。
其中钻头体主要承担的是钻土的工作,有了它在取土的过程中,会少很多的阻力;而连接杆则是连接钻头体、击打手柄的部件,它们之间采用螺纹连接,拆卸方便快捷;固定扳手、十字螺丝刀也就是用于安装土壤取样器具或者是拆卸土壤取样器具而使用;击打锤则可以将根钻打击进入土壤,从而更好的进行土壤取样;刮土刀顾名思义就是用于刮土的刀具,可用于采样后的仪器清理;卷尺和手套则是取样的过程中,需要用到的实用工具。
土壤取样器具可拆卸式的设计,一方面可以减少该工具的体积,工作的时候,更方便操作人员携带,因此即使在野外工作,也不会存在什么问题。
而箱体中齐全而实用的工具和配件等,则让土壤取样器具在应用的过程中,更加顺畅,有效提高了原状根部土壤取样的效率和效果,而且针对于不同深度的土壤采样,土壤取样器具还能够更换钻头体、拆卸延长杆,灵活方便应对不同深度的土层取样,因此可以说土壤取样器具是开展户外原状根部土壤取样的好帮手。
该TPLQ土壤取样器/螺旋取土钻的螺旋曲面刀口使取土更加轻松,土样不易掉下,取土头、接管和手柄之间用螺纹连接,拆卸方便快捷,体积小便于户外携带。
可大大提高对土壤研究的效率。
TPLQ土壤取样器概述:TPLQ土壤取样器的螺旋取土钻用于松软土壤地区钻取1–2米以内的扰动土样或钻挖1–2米深孔。
取土钻则是这些领域中采集土壤样本的主要工具之一。
取土器的基本技术参数1. 直径取土器的内外径尺寸(图7-4)是否合理,关系到土样的质量。
若直径过小取上来的是扰动土样,若过大则给施工带来不便。
设计取土器直径时,一般应考虑下列因素:(1) 取土方法取土时土样与取土筒内壁产生摩擦,而造成土样边缘扰动,此扰动的宽度与取土方法有关。
采用压入法或击入法扰动带宽度一般在10mm左右。
(2) 土层性质扰动带的宽度与土层性质有关,对于软土、黄土等易于扰动的土层,宜采用直径较大的取土器;反之,对于砂性土等扰动小的土层,可采用直径较小的取土器。
(3) 配合环刀直径目前土试验所用环刀直径有:61.5mm、64mm和80mm几种,土样直径除去扰动带宽度,还应稍大于环刀直径。
2. 面积比(Ar)面积比,系指取土器最大断面与土样断面之比的百分数。
(7-1)式中:Dw--取土器管靴外径,mm;De--取土器管靴内径,mm。
面积比越小,则土样所受的扰动程度就越小,要使面积比小,关键是减少取土器壁厚,但取土器太薄容易产生变形或破裂。
目前常用的取土器面积比是根据土样种类而选用的。
对一般粘性土和老粘性土可选用面积比小于30%,壁厚小于6mm的对开式取土器;而软粘土可选用面积比小于20%,壁厚为3~4mm的取土器。
3. 内间距比(Ci)内间距比即取土筒内径与刃口处内径之差对刃口处内径之比的百分数。
内间距比是取土器内侧与土样间摩擦力的标志,摩擦力的作用使土样周围发生扰动,并阻止土样进入。
故内间距比过小,将造成扰动宽度增加,若内间距比过大,摩擦力小,提取时,土样容易由土样筒内脱落。
(7-2)式中:Ds--取土筒内径,mm。
实践证明,在软粘土中取土器的内间距比以0.5%~1.0%为宜;一般粘性土以1.0%~1.5%为宜;老粘性土以1.3%~1.5%为宜。
4. 外间距比(C0)外间距比系指取土器筒靴外径与取土筒外径之差对于取土筒外径之比的百分数。
外间距比是取土器外侧与土壤摩擦力的标志。
外间距比大,取土器易于进入土层,但太大将会增大其破土面积,增加面积比。
取土器选用汇总表
摘要:
一、前言
二、取土器的分类与特点
三、取土器的选用原则
四、常见取土器的性能比较
五、我国取土器的应用现状与发展趋势
六、总结
正文:
一、前言
随着我国基础建设的不断推进,取土器在各类工程项目中得到了广泛应用。
为了更好地选择适合工程需求的取土器,本文对取土器的选用进行了汇总分析。
二、取土器的分类与特点
1.按工作原理分类:螺旋式、冲击式、振动式等。
2.按结构特点分类:手持式、车载式、拖挂式等。
三、取土器的选用原则
1.根据土壤特性选择:不同类型的土壤需要选用不同类型的取土器。
2.考虑工程需求:工程规模、施工条件、土方量等因素影响取土器的选用。
3.综合性能比较:在满足基本需求的基础上,权衡各取土器的性能优势。
四、常见取土器的性能比较
1.螺旋式取土器:效率高、适应性强,但对土壤湿度要求较高。
2.冲击式取土器:适用于硬质土壤,但能耗较高。
3.振动式取土器:对土壤湿度适应性好,但适用范围有限。
五、我国取土器的应用现状与发展趋势
1.应用现状:各类取土器在不同工程领域得到了广泛应用,技术水平不断提高。
2.发展趋势:高效、环保、智能化为主要发展方向。
六、总结
本文通过对取土器的分类、特点、选用原则及性能比较的分析,为工程单位选择合适的取土器提供了参考。
取土器工作原理范文土器是一种常见的烧结器皿,主要用于辅助建筑和制作砖块。
它是由高岭土或粘土制成的一种弹性材料,通过烧结工艺在高温下进行加工,使其具有一定的强度和耐用性。
土器的工作原理涉及到它的原料选择、成型、烧结和性能表现等方面。
首先,土器的工作原理涉及到原料的选择。
高岭土和粘土是常见的原料之一,它们具有一定的粘结性、塑性和可塑性,可以被制作成各种形状和尺寸的器皿。
原料的选取与土器最终的性能和用途密切相关。
其次,土器的工作原理涉及到原料的成型。
原料在制作土器过程中,经历了混合、加水、筛选等步骤,使其具备一定的塑性和可塑性。
然后,原料经过挤压、拉伸、轧制等工艺进行成型,制作成各种形状和尺寸的模具。
成型的过程中需要注意原料的湿度和温度,以保证成型品的质量和稳定性。
第三,土器的工作原理涉及到原料的烧结。
土器制作完毕后,需要将其置于高温环境下进行加工,使其成为坚硬的陶瓷制品。
烧结的过程中,原料的水分被蒸发和燃烧,同时原料中的有机物和氧化物等也会发生一系列的化学反应,使土器的成分重新排列和结合,提高其强度和耐热性。
最后,土器的工作原理涉及到其性能表现。
土器具有一定的强度和耐用性,可以适应不同的应用场景。
它可以用于建筑材料的制作,如砖块、地砖等;也可以用于制作容器和器皿,如陶罐、陶碗等。
土器具有一定的隔热性和导热性,可以用于隔热材料的制作。
同时,土器的成分和结构也使它具备一定的透水性和透气性,提高了土壤的通透性和保水性。
综上所述,土器的工作原理主要包括原料选择、成型、烧结和性能表现等方面。
它通过高岭土或粘土等原料的加工和烧结,使得其成为一种具备一定强度和耐用性的陶瓷制品。
土器的原理应用广泛,对于建筑和制作砖块等领域起着重要的辅助作用。
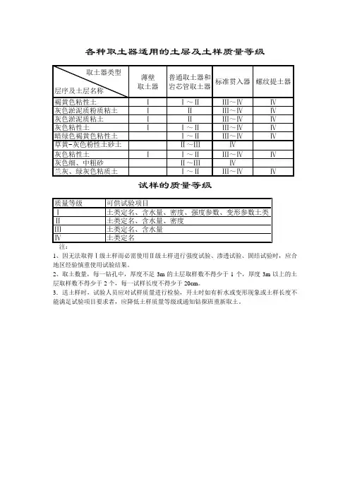
各种取土器适用的土层及土样质量等级
试样的质量等级
1、因无法取得Ⅰ级土样而必需使用Ⅱ级土样进行强度试验、渗透试验、固结试验时,应合地区经验慎重使用试验结果。
2、取土数量,每一钻孔中,厚度不足3m的土层取样数不得少于1个,厚度3m以上的土层取样数不得少于2个,每一试样长度不得少于20cm。
3.送土样时,试验人员应对试样质量进行检验,开土时如有析水或变形现象或土样长度不能满足试验项目要求者,应降低土样质量等级或通知钻探班重新取土。
取土器性能介绍与分类1. 取土器的类型取土器的种类很多,可按下述原则分类:(1) 按取土器下部封闭形式分:敝口式和封闭式;(2) 按取土器上部封闭形式分:球阀封闭式,活阀封闭式和活塞封闭式;(3) 按取土器壁厚分:薄壁取土器,中壁取土器和厚壁取土器;(4) 按地层分:土层、砂砾石层、砂层和淤泥层取样器。
2. 取土器的结构不同类型取土器其结构也不同,常用的原状取土器(图7-5)由接头、球阀、残余管、半合管、取样筒及管靴等部件构成。
图7-5 原状取土器1-钻杆接头;2-球阀;3-残余管;4-对开半合管;5-取样筒;6-管靴各部件的功能要求是:管靴应淬火处理,以保证有较大的强度、硬度和刚度;管靴刃口角度因切入土层性质不同而有差别,一般切入软土层时刃口角度较小,切入硬土层时较大,对一般土层,刃口角度约为10°;半开合管内装有取样筒,取样筒要求平整、圆度好、光滑;在半开管上部的残余管长度一般为300mm左右,供储存土样上部剩余土之用;阀门及其他密封装置的主要作用是排开孔内水柱对土样的压力,保护土样的采取效果。
取样时,取土器内的水可随土样进入取样筒内,而随土样的压入冲开阀门,经上部排水孔排出流入孔壁间隙,提升取土器时,阀门关闭,孔内水不能进入取土器,起到密封作用。
3.取土器减少土样扰动的注意事项合理的钻进方法是保证采取不扰动土样的前提,特别对结构敏感或不稳定的土层尤为重要。
从经验来看,主要注意如下几点:(1) 在结构性敏感土层和较疏松的砂层中需采用回转钻进,而不得采用冲击钻进;(2) 用泥浆护孔,可以减少扰动,并注意在孔中保持足够的静水压力,防止因孔内水位过低而导致孔底软粘性土或砂层产生松动或涌起;(3) 取土钻孔的孔径要适当,取土器与孔壁间要有一定间隙,避免下放取土器时切削孔壁,挤进过多的废土,尤其在软土钻孔中,时有缩径现象,则更需加大取土器与孔壁的间隙;应保持钻孔孔壁垂直,以避免取土器切刮孔壁;(4) 取土的前一次钻进不宜过深,以免下部拟取部位的土层受扰动。
取土器的基本技术参数1. 直径取土器的内外径尺寸(图7-4)是否合理,关系到土样的质量。
若直径过小取上来的是扰动土样,若过大则给施工带来不便。
设计取土器直径时,一般应考虑下列因素:(1) 取土方法取土时土样与取土筒内壁产生摩擦,而造成土样边缘扰动,此扰动的宽度与取土方法有关。
采用压入法或击入法扰动带宽度一般在10mm左右。
(2) 土层性质扰动带的宽度与土层性质有关,对于软土、黄土等易于扰动的土层,宜采用直径较大的取土器;反之,对于砂性土等扰动小的土层,可采用直径较小的取土器。
(3) 配合环刀直径目前土试验所用环刀直径有:61.5mm、64mm和80mm几种,土样直径除去扰动带宽度,还应稍大于环刀直径。
2. 面积比(Ar)面积比,系指取土器最大断面与土样断面之比的百分数。
(7-1)式中:Dw--取土器管靴外径,mm;De--取土器管靴内径,mm。
面积比越小,则土样所受的扰动程度就越小,要使面积比小,关键是减少取土器壁厚,但取土器太薄容易产生变形或破裂。
目前常用的取土器面积比是根据土样种类而选用的。
对一般粘性土和老粘性土可选用面积比小于30%,壁厚小于6mm的对开式取土器;而软粘土可选用面积比小于20%,壁厚为3~4mm的取土器。
3. 内间距比(Ci)内间距比即取土筒内径与刃口处内径之差对刃口处内径之比的百分数。
内间距比是取土器内侧与土样间摩擦力的标志,摩擦力的作用使土样周围发生扰动,并阻止土样进入。
故内间距比过小,将造成扰动宽度增加,若内间距比过大,摩擦力小,提取时,土样容易由土样筒内脱落。
(7-2)式中:Ds--取土筒内径,mm。
实践证明,在软粘土中取土器的内间距比以0.5%~1.0%为宜;一般粘性土以1.0%~1.5%为宜;老粘性土以1.3%~1.5%为宜。
4. 外间距比(C0)外间距比系指取土器筒靴外径与取土筒外径之差对于取土筒外径之比的百分数。
外间距比是取土器外侧与土壤摩擦力的标志。
外间距比大,取土器易于进入土层,但太大将会增大其破土面积,增加面积比。
环刀取土器使用方法环刀取土器是一款专门用于园艺和农业领域的工具,它可以轻松地帮助用户挖掘土壤或者处理植物根系。
在这篇文章中,我们将会介绍环刀取土器的使用方法,让大家能够更好地了解并掌握这个工具的使用技巧。
我们需要准备好环刀取土器和要处理的土壤或植物。
环刀取土器的外形类似于一个勺子,一端是一个尖锐的刀刃,另一端则是一个舒适的手柄。
在开始使用之前,我们需要确保工具的刀刃是锋利的,这样才能更好地挖掘土壤或者处理植物根系。
接下来,我们需要将环刀取土器插入土壤或者植物根系中,切记不要用力过猛,以免对土壤或者植物造成损坏。
在插入的过程中,我们需要轻轻地抖动环刀取土器,使其能够顺利地进入土壤或者植物根系中。
当环刀取土器已经插入到合适的深度时,我们可以开始使用其刀刃对土壤或者植物根系进行处理。
在处理的过程中,我们需要轻轻地转动环刀取土器,以便更好地切割土壤或者植物根系。
需要注意的是,我们需要根据不同的情况选择不同的处理方式,以达到最好的效果。
在使用环刀取土器处理完土壤或者植物根系之后,我们需要将其从土壤或者植物中取出。
在取出的过程中,我们需要轻轻地摇动环刀取土器,使其能够顺利地离开土壤或者植物根系。
需要注意的是,在取出的过程中,我们需要尽量避免对土壤或者植物造成损坏,以免影响其生长。
我们需要将环刀取土器进行清洗和保养。
在清洗的过程中,我们需要将其刀刃和手柄分别进行清洗,然后用干布将其擦干。
在保养的过程中,我们需要定期对其进行涂油处理,以保证其刀刃的锋利度和使用寿命。
环刀取土器是一款非常实用的园艺和农业工具,它可以轻松地帮助我们处理土壤和植物根系。
通过本文的介绍,相信大家已经了解了环刀取土器的使用方法,并能够更好地掌握其使用技巧。
敞口取土器
敞口取土器是最简单的取土据,其优点是结构简单,取样操作方便。
缺点是不易控制土样质量.土样易于脱落。
在取样管内加装内管衬的取土器称为复壁敞口取土器。
薄壁取土器只用一薄壁无缝管作取样管,面积比降低至10%以下,可作为采取一级土样的取土据。
薄壁取土器只能用于软土或较疏松土样的土取样。
土质过硬,取土器易于受损。
活塞取土器
如果在敞口取土器的刃口部装一活塞,在下放取土器的过程中,使活塞与取样管的相对位置保持不变.即可排开孔底浮土.使取土器顺利达到预计取样位置。
此后,将活塞固定不动,贯入取样管,土样则相对地进入取样管,但土样顶端始终处于活塞之下,不可能产生凸起变形。
回提取土换时.处于土样顶端的活塞即可隔绝上下水压、气压,也可以在土样与活塞之间保持一定的负压,防止土样失落而又不至于像上提活阀那样出现过分的抽吸。
活塞取土器有以下几种:(1)固定活塞薄壁取土器。
在敞口薄壁取土器内增加一个活塞以及一套与之相连接的活塞杆,活塞杆可通过取土器的头部并经由钻杆的中空延伸至地面。
下放取土器时,活塞处于取样管刃口端部,活塞杆与钻杆同步下放,到达取样位置后,固定活塞杆与活塞,通过钻杆压入取样管进行取样。
固定活塞薄壁取土器是目前国际公认的高质量的取土器,但因需要两套杆件,操作比较复系。
(2)水压固定活塞取土器。
其特点是去掉了活塞杆.将活塞连接在钻杆底端,取样管则与另一套在活塞缸内的可动活塞联结,取样时通过钻杆施加水压.驱动活塞缸内的可动活塞,将取样管压入土中.其取样效果与固定活塞式相同.操作较为简单,但结构仍较复杂。
(3)自由活塞取上器。
自由活塞取土器与固定活塞取土器的不同之处在于活塞杆不延伸至地面、而只穿过上接头,用弹簧锥卡予以控制,取样时依靠土试样将活塞顶起,操作较为简便。
但土试样上顶活塞时易受扰动,取样质量不及固定活塞取土器。