汽车大灯电路图
- 格式:doc
- 大小:1.99 MB
- 文档页数:26
带自动大灯照明距照明距离离调节调节功能功能功能、、随动转动转向功能向功能向功能、、LED 白天行白天行车车灯功能的功能的气气体放体放电电大灯(双氙气灯)自 2009 年 11 月起Golf电路图编号 63 / 111.2009ws=白色sw =黑色ro =红色br =褐色gn =绿色bl =蓝色gr =灰色li =淡紫色ge =黄色or =橘黄色rs=粉红色左侧气体放体放电电灯泡控制泡控制单单元, 车载电车载电网网控制器, 左侧气体放体放电电灯泡, 左侧白天行天行车车灯和停和停车车灯灯灯灯泡泡, 左侧静态弯道灯, 左前左前侧侧灯, 左侧远侧远光光灯和近光和近光灯灯转换电转换电磁磁铁J343 -左侧气体放电灯泡控制单元J519 -车载电网控制器L13 -左侧气体放电灯泡L186 -左侧白天行车灯和停车灯灯泡M5 -左前转向信号灯灯泡M51 -左侧静态弯道灯M90 -左前侧灯N347 -左侧远光灯和近光灯转换电磁铁T3bt - 3 芯插头连接T14g - 14 芯插头连接T52a - 52 芯插头连接T52c - 52 芯插头连接376 - 接地连接 11,在主导线束中381 - 接地连接 16,在主导线束中 655-接地点,在左侧大灯上 A6 -正极连接(左转向信号灯),在仪表板导线束中 B144- 正极连接(58L ),在车内导线束中ws=白色sw =黑色ro =红色br =褐色gn =绿色bl =蓝色gr =灰色li =淡紫色ge =黄色or =橘黄色rs=粉红色车载电车载电网网控制器, 右侧气体放体放电电灯泡, 右侧白天行白天行车车灯和停和停车车灯灯灯灯泡泡, 右前侧灯J344 -右侧气体放电灯泡控制单元J519 -车载电网控制器L14 -右侧气体放电灯泡L188 -右侧白天行车灯和停车灯灯泡M7 -右前转向信号灯灯泡M52 -右侧静态弯道灯M91 -右前侧灯N348 -右侧远光灯和近光灯转换电磁铁T3bu -3 芯插头连接T14h - 14 芯插头连接T52a - 52 芯插头连接T52c - 52 芯插头连接378 - 接地连接 13,在主导线束中656 -接地点,在右侧大灯上 A5 -正极连接(右转向信号灯),在仪表板导线束中 B143- 正极连接(58R ),在车内导线束中 B167- 连接(56b ),在车内空间导线束中ws=白色sw =黑色ro =红色br =褐色gn =绿色bl =蓝色gr =灰色li =淡紫色ge =黄色or =橘黄色rs =粉红色车灯开关, 仪表板中的控制表板中的控制单单元, 车载电车载电网网控制器, 数据总线诊总线诊断断接口E1 -车灯开关J285 -仪表板中的控制单元J519 -车载电网控制器J533 -数据总线诊断接口T10h - 10 芯插头连接T20 - 20 芯插头连接T32 - 32 芯插头连接T52a - 52 芯插头连接T52c - 52 芯插头连接B383 - 连接 1(驱动系统高速 CAN 总线),在主导线束中B390 - 连接 1(驱动系统低速 CAN 总线),在主导线束中 B397 - 主导线束中的连接 1(舒适 / 便捷功能 CAN 总线,高速) B398 - 主导线束中的连接 2(舒适 / 便捷功能 CAN 总线,高速) B406 - 主导线束中的连接 1(舒适 / 便捷功能 CAN 总线,低速) B407- 主导线束中的连接 2(舒适 / 便捷功能 CAN 总线,低速)。
Transporter电路图编号 23 / 109.2015 LED 大灯自 2015 年 6 月起Transporter电路图编号 23 / 2SG0-023020915J 519M 18M 1913212B152B153201SC 5SC 47SC 3SC 41SC 120.5br1314.0br0.5br1310.5sw/wsT10c 249r0.5sw/gnT10c 249l0.5sw/ws /90.5sw/gn /100.5sw/ws T73b /1449L0.5sw/gn T73b /1549R1.5br0.75rt/gn 5a T73a /6630 (30G_58)2.5rt/wsT73b /1330 (49_54)47a2.5rt/vi T73b /6830 (56_58)41a 2.5rt/ws 3a T73a/6330 (56_RFL_NSL)1.0/1.5rt/br *12a T73b /1130 (NSW)1.0sw/ws 511.0sw/gn79ws =白色sw =黑色ro =红色rt =红色br =褐色gn =绿色bl =蓝色gr =灰色li =淡紫色vi =淡紫色ge =黄色or =橘黄色rs=粉红色车载电网控制单元, 左侧侧面转向信号灯灯泡, 右侧侧面转向信号灯灯泡, 保险丝架 C 上的保险丝 3, 保险丝架 C 上的保险丝 5, 保险丝架 C 上的保险丝 12, 保险丝架 C 上的保险丝 41, 保险丝架 C 上的保险丝 47J519- 车载电网控制单元M18- 左侧侧面转向信号灯灯泡M19- 右侧侧面转向信号灯灯泡SC3- 保险丝架 C 上的保险丝 3SC5- 保险丝架 C 上的保险丝 5SC12- 保险丝架 C 上的保险丝 12SC41- 保险丝架 C 上的保险丝 41SC47- 保险丝架 C 上的保险丝 47T10c - 10 芯插头连接, 黄色, 发动机舱电控箱内T73a - 73 芯插头连接, 黑色T73b - 73 芯插头连接, 白色12- 发动机舱内左侧接地点 132- 接地连接 3,在发动机舱导线束中 201- 接地连接 5,在发动机舱导线束中B152 - 连接(左侧转向信号灯),在车内导线束中 B153- 连接(右侧转向信号灯),在车内导线束中*- 仅用于带前雾灯的汽车Transporter电路图编号 23 / 3SG0-023030915J 519E 595SC 9388636371370E 2E 19E 4E 3K 60.5rt/ge9a T41/38304.0br 1.5br 1.0br0.14ws/gn 5T73a /280.14ws/bl 3T73a/560.5br 10.5br 40.35sw/gn *T41/32RT73a /32R0.35sw/ws *T41/34LT73a /33L0.5brT41/33310.35sw30T41/41150.5ge/gnT41/4056bT73a /6256b0.5ws/gnT73b /856aT41/3956a6.0br 970.5br65T41/35T41/37T41/36ws =白色sw =黑色ro =红色rt =红色br =褐色gn =绿色bl =蓝色gr =灰色li =淡紫色vi =淡紫色ge =黄色or =橘黄色rs=粉红色转向信号灯开关, 闪烁报警灯开关, 手动防眩目功能和远光灯瞬时接通功能开关, 驻车灯开关, 转向柱组合开关, 车载电网控制单元, 闪烁报警装置指示灯, 保险丝架 C 上的保险丝 9E2- 转向信号灯开关E3- 闪烁报警灯开关E4- 手动防眩目功能和远光灯瞬时接通功能开关E19- 驻车灯开关E595- 转向柱组合开关J519- 车载电网控制单元K6- 闪烁报警装置指示灯SC9- 保险丝架 C 上的保险丝 9T41- 41 芯插头连接, 灰色T73a - 73 芯插头连接, 黑色T73b - 73 芯插头连接, 白色370- 接地连接 5,在主导线束中 371 - 接地连接 6,在主导线束中 388- 接地连接 23,在主导线束中 636- 接地点,在车载电网控制单元中*- 仅用于不带电气接口的汽车Transporter电路图编号 23 / 4SG0-023040915J 519388388SC 32SC 8E 1B277E 18E 23*K 17*K 209L 90.14gr/blT10bb /358_in T73a /4558_in0.14gr*2T10bb /2AFL T73a /37AFL0.14ws/rt*T10bb /5NL T73a/7NL0.14gr/wsT10bb /7NSL T73b /43NSL0.14geT10bb /1FL T73b /52FL0.35rt/swT10bb /8308a 0.35sw T10bb /4150.5brT10bb /6310.35sw32a 0.35gr/bl90T10bb /1058d0.14bl/geT73b /29TFLT10bb /9TFL 0.35sw 25ws =白色sw =黑色ro =红色rt =红色br =褐色gn =绿色bl =蓝色gr =灰色li =淡紫色vi =淡紫色ge =黄色or =橘黄色rs =粉红色车灯开关, 后雾灯开关, 前雾灯和后雾灯开关, 车载电网控制单元, 前雾灯指示灯, 自动车灯控制指示灯, 大灯开关照明灯泡, 保险丝架 C 上的保险丝 8E1- 车灯开关E18- 后雾灯开关E23- 前雾灯和后雾灯开关J519- 车载电网控制单元K17- 前雾灯指示灯K209- 自动车灯控制指示灯L9- 大灯开关照明灯泡SC8- 保险丝架 C 上的保险丝 8SC32- 保险丝架 C 上的保险丝 32T10bb - 10 芯插头连接, 黑色T73a - 73 芯插头连接, 黑色T73b - 73 芯插头连接, 白色388- 接地连接 23,在主导线束中 B277- 正极连接 1(15a ),在主导线束中*- 仅用于带前雾灯的汽车*2- 仅用于带自动行车灯控制的汽车Transporter电路图编号 23 / 5SG0-023050915J 519372MX 1ME120E11782A 31J 667A 32M 5J 892L 1762.5br2.5br 4444T140.5gr/rt T14T14h /1058l1.0sw/wsT14T14h /949l0.5rt/swT14T14h /12TFL2.5ge/swT14T14h /656b2.5br T14h /5311.0ws/swT14T14h /1156a1.0ge/sw /6 1.5ws/sw/51.5ws/sw T73b /156a1.0ge/sw T73a /256b0.5gr/rt T73b /558L/111.0sw/ws 7/30.5rt/sw/4T73b /3TFL2.5br /71.5brT14h /70.5sw/vi 63T8a 1.0sw/ws/6T14h /8150.35sw/gnT14h /14PWM0.5bl/gn109*T8a 0.5bl/gn *2T73b/56PWM/7ws =白色sw =黑色ro =红色rt =红色br =褐色gn =绿色bl =蓝色gr =灰色li =淡紫色vi =淡紫色ge =黄色or =橘黄色rs=粉红色车载电网控制单元, 左前大灯A31- 左侧 LED 大灯模块化电源 1A32- 左侧 LED 大灯模块化电源 2J519- 车载电网控制单元J667- 左侧大灯电源模块J892- 左侧大灯电源模块 2L176- 日行车灯和驻车灯左侧光电管模体MX1- 左前大灯M5- 左前转向信号灯灯泡T8a - 8 芯插头连接, 黑色, 信号喇叭附近,双音喇叭T14- 14 芯插头连接, 黑色, 信号喇叭附近,双音喇叭T14h - 14 芯插头连接, 黑色T73a - 73 芯插头连接, 黑色T73b - 73 芯插头连接, 白色82- 接地连接 1,在左前导线束中 372 - 接地连接 7,在主导线束中E117- 连接(56a ,左侧),在仪表板导线束中 E120- 连接(56b ,左侧),在仪表板导线束中*- 仅用于带翼形车门的汽车*2- 仅用于带行李厢盖的汽车Transporter电路图编号 23 / 6SG0-023060915J 519SC 30B278372372MX 1MJ 431B390B383G 77G 289MX 2V 49V 480.5sw/vi 30a0.35vi/gn T8a T14h /30.35sw/gnT14T14h /40.35gn/ge T14T14h /10.35ws/ge T14T14h /20.35vi/gnT26c /16/50.35sw/gnT26c /18/120.35gn/ge/2T26c /170.35ws/geT26c /19/10.5vi*T26c /12T17g 0.5ws*T26c /25T17g 0.5gr*T26c /6T17g 0.5bl/ge*T17n T26c /110.5bl/gn*T17n T26c /100.5bl/sw*T17n T26c /70.5sw/vi T26c /230.5br 18T26c /240.35or/brT26c /30.35or/sw T26c /20.5bl/sw3PWM/130.5bl/gn25V/120.5bl/ge /111GND0.35bl /153PWM0.35sw /1425V0.35br /131GND0.35vi/ge T26c /22T14c /30.35br/geT26c /20T14c /40.35gn/bl T26c /15T14c /10.35ws/bl T26c /21T14c /20.5sw/vi 430.5sw/vi 710.35or/sw T73b /19can-h0.35or/brT73b /18can-lws =白色sw =黑色ro =红色rt =红色br =褐色gn =绿色bl =蓝色gr =灰色li =淡紫色vi =淡紫色ge =黄色or =橘黄色rs=粉红色右后汽车高度传感器, 右前汽车高度传感器, 大灯照明距离调节控制单元, 车载电网控制单元, 左前大灯, 右前大灯, 保险丝架 C 上的保险丝 30G77- 右后汽车高度传感器G289- 右前汽车高度传感器J431- 大灯照明距离调节控制单元J519- 车载电网控制单元MX1- 左前大灯MX2- 右前大灯SC30- 保险丝架 C 上的保险丝 30T8a - 8 芯插头连接, 黑色, 信号喇叭附近,双音喇叭T14- 14 芯插头连接, 黑色, 信号喇叭附近,双音喇叭T14c - 14 芯插头连接, 黑色T14h - 14 芯插头连接, 黑色T17g - 17 芯插头连接, 黑色, 发动机舱电控箱内T17n - 17 芯插头连接, 浅绿色, 驾驶员座椅下方的中间地板内T26c - 26 芯插头连接, 黑色T73b - 73 芯插头连接, 白色V48- 左侧大灯照明距离调节伺服电机V49- 右侧大灯照明距离调节伺服电机372- 接地连接 7,在主导线束中 B278 - 正极连接 2(15a ),在主导线束中B383 - 连接 1(驱动系统 CAN 总线,High ),在主导线束中 B390- 连接 1(驱动系统 CAN 总线,Low ),在主导线束中*- 仅用于不带电控调节减震系统的汽车Transporter电路图编号 23 / 7SG0-023070915J 519372372MX 2MB142B456A 27A 28J 893J 668L 177M 70.75ws990.5gr T73a /5TFLT14c /12TFL 1.0sw/gn13T14c /949r 1.0ws T14c /1156a 0.5gr/swT73b /658RT14c /1058R1.5ws T73a /156a2.5br96T14c /5310.5bl/gr107*T14c 0.5sw/vi64T14c /8150.5bl/gr*2T73b/28PWM/14PWM 1.5ge T73b /22.5ge T14c /656b 1.5brT14c /731ws =白色sw =黑色ro =红色rt =红色br =褐色gn =绿色bl =蓝色gr =灰色li =淡紫色vi =淡紫色ge =黄色or =橘黄色rs=粉红色车载电网控制单元, 右前大灯A27- 右侧 LED 大灯模块化电源 1A28- 右侧 LED 大灯模块化电源 2J519- 车载电网控制单元J668- 右侧大灯电源模块J893- 右侧大灯电源模块 2L177- 日行车灯和驻车灯右侧光电管模体MX2- 右前大灯M7- 右前转向信号灯灯泡T14c - 14 芯插头连接, 黑色T73a - 73 芯插头连接, 黑色T73b - 73 芯插头连接, 白色372- 接地连接 7,在主导线束中 B142- 正极连接 2(56a ),在车内导线束中 B456- 连接(56b ),在主导线束中*- 仅用于带翼形车门的汽车*2- 仅用于带行李厢盖的汽车Transporter电路图编号 23 / 8SG0-023080915J 519B340372372L 22*L 23*B65013J 602387SF 2B642366456E 20L 542.5br*T10bl 2.5br*/91.5br*131 1.5br*1311.5ws/ge*T10bl 2NSW 1.5ws/ge*T10bl 2NSW1.0ws/ge*T73b /10NSW/61.0ws/bl*/51.0ws/bl*T73b/9NSW4.0br 1.0br T6ac /10.35gr/bl 410.35gr/gn *2*3T73b /458_outT6ac /30.35gr/bl*4T73b /458_out0.35gr/blT6ac /50.5br*2*52A0.5rt*2*52a3A0.5gr/bl*2*5T73b /758_out0.5gr/bl*2*51A0.5gr/bl*2*55AT6ac /32.5br6.0br152.5br 72*ws =白色sw =黑色ro =红色rt =红色br =褐色gn =绿色bl =蓝色gr =灰色li =淡紫色vi =淡紫色ge =黄色or =橘黄色rs=粉红色开关和仪表照明调节器, 车载电网控制单元, 左侧前雾灯灯泡, 右侧前雾灯灯泡, 保险丝架 F 上的保险丝 2E20- 开关和仪表照明调节器J519- 车载电网控制单元J602- 车内照明继电器L22- 左侧前雾灯灯泡L23- 右侧前雾灯灯泡L54- 大灯照明距离调节设置器照明灯泡SF2- 保险丝架 F 上的保险丝 2T6ac - 6 芯插头连接, 黑色T10bl - 10 芯插头连接, 黑色, 信号喇叭附近,双音喇叭T73b - 73 芯插头连接, 白色13 - 发动机舱内右侧接地点366 - 接地连接 1,在主导线束中 372- 接地连接 7,在主导线束中 387- 接地连接 22,在主导线束中 456- 接地连接 1,在前保险杠导线束中 B340 - 连接 1(58d ),在主导线束中 B642 - 正极连接(58),在主导线束中 B650- 连接 8,在车内导线束中*- 仅用于带前雾灯的汽车*2- 仅用于带可调亮度仪表照明的汽车*3- 仅用于带氛围灯型号 1 的汽车*4- 仅用于不带亮度可调式仪表照明的汽车*5- 仅用于带氛围灯型号 2 的汽车Transporter电路图编号 23 / 9SG0-023090915J 519KB709B708K 1K 13*K 65K 94J 285J 1069SF 90.75ws78T32/140.14or/br *2T73b /57can-lT32/29can-l 0.14or/vi *2T73b/54can-hT32/28can-h 0.35or/br *2T32/29can-l0.35or/vi*2T32/28can-h 0.35or/vi*2T73b /54can-h0.35or/br *2T73b /57can-l0.5bl/gn 46*330.5bl/gr74*320.5rt/gn*3910.5bl/gr*3T73b /28PWM5ws =白色sw =黑色ro =红色rt =红色br =褐色gn =绿色bl =蓝色gr =灰色li =淡紫色vi =淡紫色ge =黄色or =橘黄色rs=粉红色车载电网控制单元, 仪表板, 保险丝架 F 上的保险丝 9J285- 仪表板中的控制单元J519- 车载电网控制单元J1069- 诊断导线继电器K - 仪表板K1- 远光灯指示灯K13- 后雾灯指示灯K65- 左侧转向信号灯指示灯K94- 右侧转向信号指示灯SF9- 保险丝架 F 上的保险丝 9T32- 32 芯插头连接, 蓝色T73b - 73 芯插头连接, 白色B708- 连接 1(仪表板高频 CAN 总线),在主导线束中 B709- 连接 1(仪表板低频 CAN 总线),在主导线束中*- 仅用于带后雾灯的汽车*2- 依汽车装备而定*3- 仅用于带翼形车门的汽车。
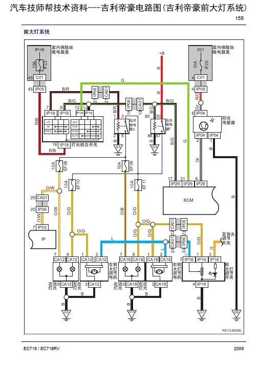
155前大灯系统156线束连接器名称页码CA01接仪表线束1线束连接器20 CA12左前组合大灯线束连接器21 CA18右前组合大灯线束连接器21 IP03组合仪表线束连接器31 IP04阳光传感器线束连接器31 IP05接室内保险丝、继电器盒线束连接器31 IP06接发动机舱线束连接器31 IP16前大灯调节开关线束连接器31 IP18灯光组合开关线束连接器31 IP29车身控制模块1线束连接器31 C01室内保险丝盒背面连接器15 G1A发动机舱接地60 G3发动机舱接地60 G6仪表盘接地61 G7仪表盘接地61157日行灯158线束连接器名称页码CA01接仪表线束1线束连接器20 CA06左侧日行灯/左前雾灯线束连接器21 CA23右侧日行灯/右前雾灯线束连接器21 IP03组合仪表线束连接器31 IP06接发动机舱线束连接器31 IP28车身控制模块2线束连接器31 G1A发动机舱接地60 G3发动机舱接地60159位置灯(三厢)160线束连接器名称页码CA12(三厢)左前组合大灯线束连接器21 CA18(三厢)右前组合大灯线束连接器21 IP05接室内保险丝、继电器盒线束连接器31 IP18灯光组合开关线束连接器31 IP29车身控制模块1线束连接器31 SO11接室内保险丝、继电器盒线束连接器40 SO35接行李舱线束连接器40 SO37右后组合尾灯线束连接器40 SO41左后组合尾灯线束连接器40 SO58(三厢)左牌照灯线束连接器40 SO59(三厢)右牌照灯线束连接器40 SO51(三厢)接底板线束连接器40 C01室内保险丝盒背面连接器15 C02室内保险丝盒背面连接器15 C05室内保险丝盒背面连接器15 G1A发动机舱接地60 G3发动机舱接地60 G15底板接地62连接点说明页码IP05-33至背光调节开关177 IP05-33至仪表IP03-20183 G位置灯163161位置灯(两厢)162线束连接器名称页码CA10接发动机舱保险丝、继电器盒线束连接器320 CA12(两厢)左前组合大灯线束连接器21 CA18(两厢)右前组合大灯线束连接器21 IP05接室内保险丝、继电器盒线束连接器31 IP18灯光组合开关线束连接器31 IP29车身控制模块1线束连接器31 SO11接室内保险丝、继电器盒线束连接器40/46 SO37右后组合尾灯线束连接器40/46 SO38(两厢)接尾门线束连接器46 SO41(两厢)左后组合尾灯线束连接器46 SO46(两厢)接底板线束连接器47 SO48(两厢)左牌照灯线束连接器47 SO49(两厢)右牌照灯线束连接器47 C01室内保险丝盒背面连接器15 C02室内保险丝盒背面连接器15 C05室内保险丝盒背面连接器15 G1A发动机舱接地60 G3发动机舱接地60 G14底板接地(两厢)63 G20背门接地(两厢)64连接点说明页码IP05-33至背光调节开关177 IP05-33至仪表IP03-20183 M位置灯165163雾灯(三厢)164线束连接器名称页码CA01接仪表线束1线束连接器20 IP03组合仪表线束连接器31 IP06接发动机舱线束连接器31 IP10接底板线束连接器31 IP18灯光组合开关线束连接器31 IP41后雾灯开关31 SO01(三厢)接仪表线束连接器40 SO03(三厢)接仪表线束连接器40 SO35(三厢)接行李舱线束连接器40 SO51(三厢)接底板线束连接器40 SO52(三厢)接底板线束连接器40 SO57(三厢)接行李舱线束连接器40 C01室内保险丝盒背面连接器15 C05室内保险丝盒背面连接器15 G1A发动机舱接地60 G3发动机舱接地60 G7仪表盘接地61 G15(三厢)底板接地62连接点说明页码G位置灯电源159汽车技师帮技术资料---吉利帝豪电路图(吉利帝豪前大灯系统)165雾灯(两厢)EC718 / EC718RV2009。
带气体放电灯的大灯(氙,铋氙)、弯道灯和大灯照明距离自动调整装置从2004年款起适用左仪表板保险丝架Array保险丝颜色30A-绿色25A-白色20A-黄色15A-蓝色10A-红色7.5A-棕色5A-米色1A-黑色SB-左仪表板保险丝架中的保险丝SC-右仪表板保险丝架中的保险丝SD-行李箱左侧保险丝架中的保险丝SF-行李箱右侧保险丝架中的保险丝右仪表板保险丝架左仪表板后的继电器座和保险丝座继电器位置分配3-总线端15供电继电器(J329)ws =白色sw =黑色ro =红色br =棕色gn =绿色bl =蓝色gr =灰色li =淡紫色ge =黄色or =桔黄色元上T32-32芯蓝色插头连接,在组合仪表上369-接地连接-4-,在主导线束中372-接地连接-7-,在主导线束中B165-正极连接-2-(15),在车内空间导线束中B273-正极连接(15),在主导线束中B340-接线-1-(58s ),在主导线束中ws =白色sw =黑色ro =红色br =棕色gn =绿色bl =蓝色gr =灰色li =淡紫色ge =黄色or =桔黄色L148-左侧转向头灯灯泡M1-左侧停车灯灯泡M5-左前转向信号灯灯泡M18-左侧面转向信号灯灯泡M30-左远光灯灯泡T10a -10芯黑色插头连接,在左侧大灯上V48-左侧大灯照明距离调整伺服马达44-左A 柱下部接地点375-接地连接-10-,在主导线束中388-接地连接-23-,在主导线束中B278-正极连接-2-(15a ),在主导线束中B455-接线(LWR ),在主导线束中✱-带转向头灯的车辆✱✱-带铋氙大灯的车辆ws =白色sw =黑色ro =红色br =棕色gn =绿色bl =蓝色gr =灰色li =淡紫色ge =黄色or =桔黄色L149-右侧转向头灯灯泡M3-右侧停车灯灯泡M7-右前转向信号灯灯泡M19-右侧面转向信号灯灯泡M32-右侧远光灯灯泡T10b -10芯黑色插头连接,在右侧大灯上V49-右侧大灯照明距离调整伺服马达43-右A 柱下部接地点386-接地连接-21-,在主导线束中387-接地连接-22-,在主导线束中B278-正极连接-2-(15a ),在主导线束中B455-接线(LWR ),在主导线束中✱-带转向头灯的车辆✱✱-带铋氙大灯的车辆ws=白色sw=黑色ro=红色br=棕色gn=绿色bl=蓝色gr=灰色li=淡紫色ge=黄色or=桔黄色L46-左后雾灯灯泡T8i-8芯黑色插头连接,插头2,在尾门左尾灯上T10d-10芯黑色插头连接,在发动机舱内左前部T46a-46芯黑色插头连接,CAN左分离插头44-左A柱下部接地点50-接地点,行李箱左侧203-接地连接,在前雾灯导线束中366-接地连接-1-,在主导线束中369-接地连接-4-,在主导线束中375-接地连接-10-,在主导线束中•-CAN总线(数据导线)。
带气体放电灯的大灯(双氙)、弯道灯和自动大灯照明距离调整装置从2005年款起适用说明:信息,关于♦继电器位置分配和保险丝位置分配♦多头插头连接♦控制单元和继电器♦接地连接⇒ 安装位置在一览图中!信息,关于♦故障查找程序⇒ 引导型故障查询ws =白色sw =黑色ro =红色br =棕色gn =绿色bl =蓝色gr =灰色li =淡紫色ge =黄色or =桔黄色K4-停车灯指示灯K13-后雾灯指示灯K17-前雾灯指示灯L9-车灯开关照明灯泡L22-左前雾灯灯泡L23-右前雾灯灯泡T17d -17芯黑色插头连接,左侧A 柱接线板T17i -17芯红色插头连接,右侧A 柱接线板T32-32芯蓝色插头连接,在组合仪表上82-左前导线束中的接地连接183-右前导线束中的接地连接1367-主导线束中的接地连接2B340-主导线束中的连接1(58s )B475-主导线束中的连接11✱-带白天行车灯的汽车✱✱-带前雾灯的汽车ws =白色sw =黑色ro =红色br =棕色gn =绿色bl =蓝色gr =灰色li =淡紫色ge =黄色or =桔黄色L174-左侧白天行车灯灯泡M1-左侧停车灯灯泡M5-左前转向信号灯灯泡N395-用于左侧大灯防眩调整的磁铁T6s -6芯黑色插头连接,在左侧气体放电灯泡的控制单元上T10b -10芯蓝色插头连接,左侧A 柱接线板T14a -14芯黑色插头连接,在左侧大灯上T17e -17芯红色插头连接,左侧A 柱接线板T24-24芯白色插头连接,在弯道灯和大灯光线水平调整的控制单元上V48-左侧大灯照明距离调整伺服马达V318-左侧动态转向灯伺服马达44-左侧A 柱下部的接地点82-左前导线束中的接地连接1✱-带白天行车灯的汽车ws =白色sw =黑色ro =红色br =棕色gn =绿色bl =蓝色gr =灰色li =淡紫色ge =黄色or =桔黄色L175-右侧白天行车灯灯泡M3-右侧停车灯灯泡M7-右前转向信号灯灯泡N396-用于右侧大灯防眩调整的磁铁T6r -6芯黑色插头连接,在右侧气体放电灯泡的控制单元上T10f -10芯白色插头连接,右侧A 柱接线板T14b -14芯黑色插头连接,在右侧大灯上T17i -17芯红色插头连接,右侧A 柱接线板T24-24芯白色插头连接,在弯道灯和大灯光线水平调整的控制单元上V49-右侧大灯照明距离调整伺服马达V319-右侧动态转向灯伺服马达43-右A 柱下部接地点83-右前导线束中的接地连接1✱-带白天行车灯的汽车。
大灯清洗装置电气线路图(从2000年车型起)大灯清洗装置电气线路图如图2-2-125~图2-2-126所示。
熔丝支架:(a) 微型中央电器盒:(b)熔丝颜色:30A-绿色25A-白色20A-黄色15A-蓝色10A-红色7.5A-棕色5A-M色熔丝支架上的熔丝从23号位置开始,在电路图上标有号码223,依次类推。
继电器布局:清洗刮水自动间歇继电器(J31)图2-2-125 继电器ws=白色sw=黑色ro=红色br=棕色gn=绿色bi=蓝色gr=灰色li=紫色ge=黄色E1-灯开关E22-雨刮器间歇工作开关E28-雨刮器间歇工作控制器J31-清洗刮水自动间歇继电器S224-熔丝支架上熔丝T2b-插头,2孔,黑色,左侧A柱分线器T6ac-插头,6孔,棕色,在雨刮器间歇工作控制器上T8i-插头,8孔,在雨刮器开关上V5-风窗清洗泵V11-大灯清洗泵-接地点,在发动机舱左侧-接地连接1,在仪表板线束内-接地连接2,在仪表板线束内-接地连接3,在仪表板线束内-正极连接(30),在仪表板线束内-连接(56),在仪表板线束内*两种都可能图2-2-126 大灯清洗装置十七、移动电话电气线路图(从2000年车型起)移动电话电气线路图如图2-2-127~图2-2-130所示。
熔丝支架:(a) 微型中央电器盒:(b)熔丝颜色:30A-绿色25A-白色20A-黄色15A-蓝色10A-红色7.5A-棕色5A-M色熔丝支架上的熔丝从23号位置开始,在电路图上标有号码223,依次类推。
图2-2-127 继电器ws=白色sw=黑色ro=红色br=棕色gn=绿色bi=蓝色gr=灰色li=紫色ge=黄色D-点火开关J412-电话电控单元R38-电话麦克风S5-熔丝支架上熔丝S8-熔丝支架上熔丝T2au-插头,2孔,用于麦克风,左侧A柱分线器T3as-插头,3孔,蓝色,左侧A柱分线器T15a-插头,15孔,蓝色,左侧A柱分线器-接地连接,在电话线束内-正极连接(15),在仪表板线束内-连接(15a),在仪表板线束内-正极连接2(30),在仪表板线束内-正极连接(30),在电话线束内图2-2-128 移动电话(一)ws=白色sw=黑色ro=红色br=棕色gn=绿色bi=蓝色gr=灰色li=紫色ge=黄色J218-仪表板内组合处理器J412-电话电控单元R-收录机T10z-插头,10孔,红色,收录机插头ⅣT15a-插头,15孔,蓝色,左侧A柱分线器T32-插头,32孔,蓝色,在仪表板上-连接(58s),在仪表板线束内(开关照明)-连接(车速信号),在仪表板线束内图2-2-129 移动电话(二)ws=白色sw=黑色ro=红色br=棕色gn=绿色bi=蓝色gr=灰色li=紫色ge=黄色J412-电话电控单元R-收录机R1-天线接头R24-天线放大器R45-天线放大器(电话/收录机)R51-收录机/电话/停车加热天线R52-收录机/电话天线R54-移动电话R86-移动电话放大器-接地点,左侧A柱下部-接地连接,在电话线束内*带鞭形天线的车**带隔音玻璃的车图2-2-130 移动电话(三)十八、Concert立体声收录机电气线路图(从2000年车型起)Concert立体声收录机电气线路图如图2-2-131~图2-2-135所示。
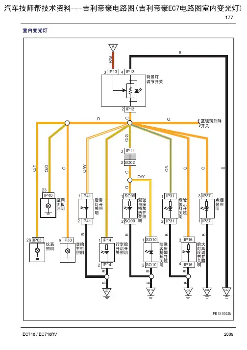
177室内变光灯178线束连接器名称页码IP03组合仪表线束连接器31 IP11接底板线束连接器31 IP13仪表板背光调节开关线束连接器31 IP14行李舱开启开关线束连接器31 IP16前大灯调节开关线束连接器31 IP31危险警示灯开关线束连接器31 IP33音响主机1线束连接器31 IP37点烟器+照明31 IP40空调控制模块线束连接器31 IP41后雾灯开关31 SO02接仪表线束连接器40/46 SO09左前座椅加热开关线束连接器40/46 SO10右前座椅加热开关线束连接器40/46 G7仪表盘接地61G8仪表盘接地61 G12底板接地62/63连接点说明页码A主继电器电源输出77 IP11-3至玻璃升降开关125/129179组合仪表电源、接地、数据线180线束连接器名称页码IP03组合仪表线束连接器31 IP05接室内保险丝、继电器盒线束连接器31 IP12诊断接口线束连接器31 C01室内保险丝盒背面连接器15 G6仪表盘接地61连接点说明页码IP03-22至车速传感器EN21-383 IP03-23至TPMS IP38-10113 IP03-23至空调IP40-2595 IP03-23至音响主机IP33-11187 IP03-30CAN H193 IP03-31CAN L193181组合仪表声音警告、报警182线束连接器名称页码IP03组合仪表线束连接器31 IP49接底板线束连接器31 SO01接仪表线束连接器40/46 SO13驻车制动开关线束连接器40/46连接点说明页码P03-3至TPMS IP38-12113 P03-5至TPMS IP38-11113 P03-10至音响主机IP33-12187 P03-19至倒车雷达SO40-5117/119183组合仪表照明、指示184线束连接器名称页码CA01接仪表线束1线束连接器20 CA20制动液液位传感器线束连接器21 EN04接仪表线束连接器25 EN09机油压力传感器线束连接器26 IP03组合仪表线束连接器31 IP05接室内保险丝、继电器盒线束连接器31 IP06接发动机舱线束连接器31 IP11接底板线束连接器31 IP17里程表切换开关线束连接器31 IP48接发动机线束连接器31 SO02接仪表线束连接器40/46 SO11接室内保险丝、继电器盒线束连接器40/46 SO29燃油泵线束连接器40/46 C01室内保险丝盒背面连接器15 C05室内保险丝盒背面连接器15G3发动机舱接地60G6仪表盘接地61 G13底板接地62/63连接点说明页码IP03-1至前雾灯继电器J163/165 IP03-6至日行灯继电器D157 IP03-7至前大灯远光继电器C155 IP03-13至发电机EN07-173 IP03-26至背光调节开关IP13-2177185多功能仪表186线束连接器名称页码IP01多功能仪表线束连接器31 IP02组合仪表至多功能仪表线束连接器31汽车技师帮技术资料---吉利帝豪电路图(吉利帝豪EC7电路图室内变光灯)187音响主机电源、信号、接地EC718 / EC718RV2009。
带气体放电灯的大灯(双氙)和大灯照明距离自动调节从2005年款起适用说明:信息,关于♦继电器位置分配和保险丝位置分配♦多头插头连接♦控制单元和继电器♦接地连接⇒ 安装位置在一览图中!信息,关于♦故障查找程序⇒ 引导型故障查询QUICKCHIP@QUICKCHIP@ws =白色sw =黑色ro =红色br =棕色gn =绿色bl =蓝色gr =灰色li =淡紫色ge =黄色or =桔黄色K4-停车灯指示灯K13-后雾灯指示灯K17-前雾灯指示灯L9-车灯开关照明灯泡L22-左前雾灯灯泡L23-右前雾灯灯泡T17d -17芯黑色插头连接,左侧A 柱接线板T17i -17芯红色插头连接,右侧A 柱接线板T32-32芯蓝色插头连接,在组合仪表上82-左前导线束中的接地连接183-右前导线束中的接地连接1367-主导线束中的接地连接2B340-主导线束中的连接1(58s )B475-主导线束中的连接11✱-带白天行车灯的汽车✱✱-带前雾灯的汽车QUICKCHIP@ws =白色sw =黑色ro =红色br =棕色gn =绿色bl =蓝色gr =灰色li =淡紫色ge =黄色or =桔黄色N395-用于左侧大灯防眩调整的磁铁T6s-6芯黑色插头连接,在左侧气体放电灯泡的控制单元上T10b -10芯蓝色插头连接,左侧A 柱接线板T14a -14芯黑色插头连接,在左侧大灯上T17e -17芯红色插头连接,左侧A 柱接线板V48-左侧大灯照明距离调整伺服马达82-左前导线束中的接地连接1✱-带白天行车灯的汽车QUICKCHIP@ws =白色sw =黑色ro =红色br =棕色gn =绿色bl =蓝色gr =灰色li =淡紫色ge =黄色or =桔黄色N396-用于右侧大灯防眩调整的磁铁T6r-6芯黑色插头连接,在右侧气体放电灯泡的控制单元上T10f -10芯白色插头连接,右侧A 柱接线板T14b -14芯黑色插头连接,在右侧大灯上T17i -17芯红色插头连接,右侧A 柱接线板V49-右侧大灯照明距离调整伺服马达83-右前导线束中的接地连接1✱-带白天行车灯的汽车QUICKCHIP@ws=白色sw=黑色ro=红色br=棕色gn=绿色bl=蓝色gr=灰色li=淡紫色ge=黄色or=桔黄色T10b-10芯蓝色插头连接,左侧A柱接线板T46b-46芯插头连接,右侧CAN分离插头373-主导线束中的接地连接8B273-主导线束中的正极连接(15)•-CAN总线(数据导线)✱-驾驶员侧杂物箱后面的9座继电器托架QUICKCHIP@。
一:车载电网控制单元
二:车灯开关,开关和仪表照明调节器,后雾灯按钮,夜视系统按钮,车载电网控制单元
三:左侧LED大灯模块化电源2,车载电网控制单元,左前转向信号灯灯泡
灯
距离调节伺服马达六:车载电网控制单元
七:车载网络控制单元
八:右侧LED大灯模块化电源,车载电网控制单元,右前转向信号灯
灯泡
九:右侧LED大灯模块化电源3,车载电网控制单元,右侧静态弯道灯,右侧大灯风扇
十:右侧LED大灯模块化电源3,右侧大灯温度传感器1,车载电网控制单元,右侧大灯照明距离调节伺候马达
十一:右侧矩阵大灯电源模块。
车载电网控制单元,右侧近光灯泡
十二:右侧矩阵大灯电源模块。
车载电网控制单元,右侧近光灯泡
十三:大灯照明距离调节控制单元,车载电网控制单元
十四:左后汽车高度传感器,左前汽车高度传感器,车载电网控制单元
十五:车载电网控制单元,数据总线诊断接口,舒适/便捷系统CAN 总线(High)导线分线器。
T-Roc电路图编号 10 / 107.2018 LED 大灯 , CSSA,CSTA自 2018 年 7 月起A21-010020718SCTIULJ 519MX 1SC 36SC 37SC 8A 31V 48G 76/6/5/17ge/swsw/vi ge/bl sw/gr ws/vi 0.35or 0.35or/brrt/ws T73a /4ws =白色sw =黑色ro =红色rt =红色br =褐色gn =绿色bl =蓝色gr =灰色li =淡紫色vi =淡紫色ge =黄色or =橘黄色rs =粉红色车载电网控制单元, 左前大灯A31-左侧 LED 大灯模块化电源 1G76-左后汽车高度传感器J519-车载电网控制单元MX1-左前大灯SC -保险丝架 C SC8-保险丝架 C 上的保险丝 8SC36-保险丝架 C 上的保险丝 36SC37-保险丝架 C 上的保险丝 37T4bf -4 芯插头连接T14k -14 芯插头连接, 黑色T17d -17 芯插头连接, 红色T17l -17 芯插头连接, 红色T46b -46 芯插头连接, 黑色T73a -73 芯插头连接T73b -73 芯插头连接, 黑色TIUL -车内的下部左侧连接位置V48-左侧大灯照明距离调节伺服电机A21-010030718MX1MX 2MX 7M 30M 29L 1912.5ge/sw 50.35sw/vi 30.35or 0.35or/br2.5br ws =白色sw =黑色ro =红色rt =红色br =褐色gn =绿色bl =蓝色gr =灰色li =淡紫色vi =淡紫色ge =黄色or =橘黄色rs =粉红色左前大灯, 右前大灯, 左侧车灯模块L176-日间行车灯和驻车示宽灯左侧光电管模体L191-左近光灯灯泡 2MX1-左前大灯MX2-右前大灯M5-左前转向信号灯灯泡MX7-左侧车灯模块M29-左侧近光灯灯泡M30-左侧远光灯灯泡T8t -8 芯插头连接, 黑色T14k -14 芯插头连接, 黑色T14l -14 芯插头连接, 黑色A21-010040718MX 2MX 8176656V 49M 31M 32L 1922.5ge/bl 60.35sw/gr 41ws/vi 72.5br2.5br 4brws =白色sw =黑色ro =红色rt =红色br =褐色gn =绿色bl =蓝色gr =灰色li =淡紫色vi =淡紫色ge =黄色or =橘黄色rs =粉红色右前大灯, 右侧车灯模块A27-右侧 LED 大灯模块化电源 1L177-日间行车灯和驻车示宽灯右侧光电管模体L192-右近光灯灯泡 2MX2-右前大灯M7-右前转向信号灯灯泡MX8-右侧车灯模块M31-右侧近光灯灯泡M32-右侧远光灯灯泡T8u -8 芯插头连接, 黑色T14l -14 芯插头连接, 黑色V49-右侧大灯照明距离调节伺服电机176-接地连接,在右侧大灯导线束中656-右侧大灯上的接地点A21-010050718C67179J 745TIULJ 5331250.350.35 2.5or ***CAN-L CAN-H KL30a*CAN-H *2CAN-H 4br2.5br*CAN-L ws =白色sw =黑色ro =红色rt =红色br =褐色gn =绿色bl =蓝色gr =灰色li =淡紫色vi =淡紫色ge =黄色or =橘黄色rs =粉红色数据总线诊断接口, 弯道灯和大灯照明距离调节控制单元J533-数据总线诊断接口J745-弯道灯和大灯照明距离调节控制单元T17b -17 芯插头连接, 黑色T17j -17 芯插头连接, 黑色T20c -20 芯插头连接, 棕色T20g -20 芯插头连接, 黑色TIUL -车内的下部左侧连接位置125-接地连接 3,在大灯导线束中 179-接地连接,在左侧大灯导线束中655 -左侧大灯上的接地点A1-正极连接(30a ),在仪表板导线束中B108 -连接 1(扩展 CAN 总线,High ),在主导线束中 B109-连接 1(扩展 CAN 总线,Low ),在主导线束中 B398-连接 2(舒适 CAN 总线,High ),在主导线束中 B407 -连接 2(舒适 CAN 总线,Low ),在主导线束中 B668 -连接 2(扩展 CAN 总线,High ),在主导线束中 B669 -连接 2(扩展 CAN 总线,Low ),在主导线束中C67 -连接(CAN 总线,High ),在大灯导线束中C68-连接(CAN 总线,Low ),在大灯导线束中*-依汽车装备而定。
汽车前照灯(大灯)电路控制的形式及分析方法汽车前照灯控制电路有些是比较复杂的,电路的分析及电流的走向,在汽车电路的故障诊断中起着非常重要的作用。
为了帮助读者及维修人员搞清楚各电路的流向及控制方法,现将一些常见的前照灯控制电路(控制火线式带大灯继电器和变光继电器、控制搭铁式带大灯继电器和变光继电器、只带大灯继电器的控制形式大灯控制电路、带远光和近光继电器的大灯控制形式大灯控制电路、没有继电器的火线控制式大灯控制电路、没有继电器的控制搭铁式的大灯控制电路)及电流控制电路,给出详尽的电路分析方法,节省大量的时间,资料非常难得宝贵,无论是对修理工和教师,都有很大的帮助作用。
一、带大灯继电器和变光继电器大灯控制电路1. 控制火线式(1)大灯不工作时(2)前照灯继电器工作电路当灯光开关接通后,其电路是:蓄电池正极→易熔线FL→灯光开关→灯光继电器通电线圈→搭铁→蓄电池负极左前照灯远光灯工作电路当灯光开关接通时,其电路是:蓄电池正极→易熔线FL→灯光继电器的触点K1→变光继电器的触点K2→保险丝A→左远光灯→搭铁→蓄电池的负极。
右前照灯远光灯工作电路蓄电池正极→易熔线FL→灯光继电器的触点K1→变光继电器的触点K2→保险丝A→W点→右远光灯→搭铁→蓄电池的负极。
远光指示灯电路当灯光开关接通时,其电路是:蓄电池正极→易熔线FL →灯光继电器的触点K 1→变光继电器的触点K 2→保险丝A →W 点→Q 点→远光指示灯→搭铁→蓄电池的负极。
当接通变光开关时,左右前照灯的近光灯电路接通: 左前照灯近光灯工作电路蓄电池正极→易熔线FL →灯光继电器的触点K 1→变光继电器的触点K 2→保险丝B →左近光灯→搭铁→蓄电池的负极。
右前照灯近光灯工作电路远光指示灯变光继电器灯光继电器灯光开关远光左近光右变光开关K 1→ →→→ →→ → →→K 2→→ QFL保险丝A保险丝B→远光W→→→ →→→ →→→→→→ → →→→ →→→ 近光蓄电池正极→易熔线FL →灯光继电器的触点K 1→变光继电器的触点K 2的下触点→保险丝B →右近光灯→搭铁→蓄电池的负极。