某制药厂药品生产清洁验证规程
- 格式:doc
- 大小:58.50 KB
- 文档页数:5
目的:1 生产过程中,由于存在药物的残留,因此在连续生产一段时间后及更换品种时极易造成微量污染,主要污染来自设备清洁不彻底,因此制定切实可行的设备清洁操作程序并按该程序进行清洁后,设备上的残留物(可见的与不可见的,包括前一批次或前一品种的残留物及清洗过程中的残留溶剂)达到了规定的清洁限度要求,不会对将生产的产品造成交叉污染,以保证产品的质量。
2 为再验证提供数据资料。
范围:适用于以下设备、容器具的清洁验证工程设备部负责验证过程中设备的正常运行,对设备和设备系统的取样和操作提供帮助。
人力资源部负责对验证相关人员组织培训。
生技部负责负责指派生产人员按对应设备相应的设备清洁操作规程,对设备进行清洁,确保清洁操作满足规范要求,为验证操作及取样提供帮助。
质量部负责组织起草验证方案并组织相关部门、人员实施验证。
内容:1、验证领导小组成员主要职责:对验证实施小组起草的验证方案进行审核与批准,领导验证实施小组对批准的经培训的验证方案进行实施,并对实施过程进行监督管理。
验证结束阶段,对验证结果进行临时批准。
2、验证实施小组成员主要职责:起草验证方案,提交验证领导小组审核批准后,由人力资源部人员组织,对各相关部门人员进行培训。
培训考核合格后,验证实施小组对验证方案进行组织实施。
详细记录验证实施过程中进行的取样、分析检测过程及发生的偏差的调查处理过程。
验证结束阶段,对验证数据进行统计分析,填写验证报告,并提交验证领导小组,对验证结果进行临时审核批准。
2、验证计划2.1生产过程中,生产完OMM后,按设备清洁操作规程对设备进行清洁并实施验证。
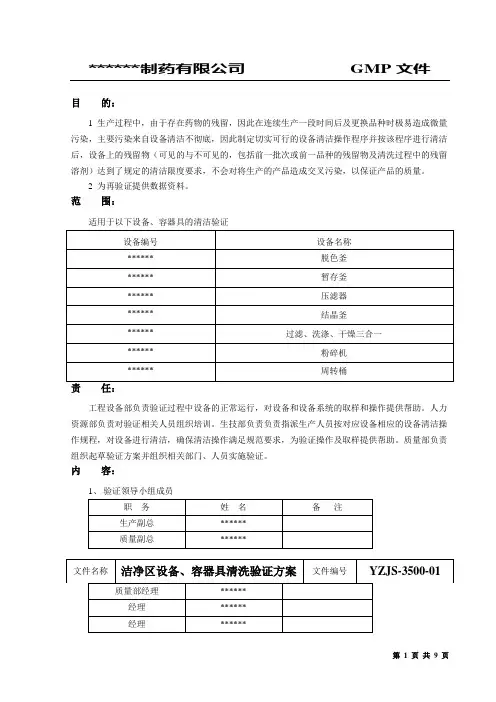
2.2验证时间:与生产时同步进行,记录连续三次清洁检测结果3、验证内容:3.1验证所需文件******制药有限公司GMP文件3.2 验证方法3.2.1需验证的关键部位脱色釜内壁、底阀;暂存釜的内壁、底阀;结晶釜的内壁、底阀;压滤器内壁、压滤管道;三合一(内壁、底部);粉碎机(内壁、底部)。
原料药生产清洁验证翻译自诺华制药《CleaningValidationManufactureofAPIs》Bykinnara目录原料药生产清洁验证 (3)1.目的和范围 (3)2.职责 (3)3.定义 (3)4.需求 (3)4.1 流程概述(见附件) (3)4.2 一般需求 (3)4.3 清洁验证策略(风险评估) (4)4.4 清洁验证主计划 (5)4.5 清洁验证步骤 (9)4.6 清洁验证方案 (9)4.7 清洁验证报告 (10)4.8 再验证 (11)5 变更控制 (12)原料药生产清洁验证1.目的和范围这个模板描述了原料药(包括中间体)生产清洁验证的策略和基本需求,目的是为了避免化学和微生物方面的污染。
这个模板还描述了清洁验证主计划的准备、最差情况的概念、矩阵方法、可接受标准、清洁最小次数、清洁验证和报告的准备。
2.职责第三方的管理职责是确保清洁验证真正的符合评估的标准,工艺已经经过验证并持续在验证周期内。
3.定义无4.需求4.1 流程概述(见附件)4.2 一般需求为了确保验证,应该按照以下顺序制定和批准需要的文件:·验证主计划·验证方案·验证报告变更会影响验证状态。
为了控制住这些变更,需要进行适当的变更控制。
假如新的最差情况被引入或者清洁方法改变了再验证是必须的。
4.3 清洁验证策略(风险评估)按照各地的验证政策,不同的参照标准会被引入到各自的验证策略中。
为了确定每个清洁方法的验证等级,风险评估是必要的。
应该考虑的风险评估的标准有:·原料药或中间体的溶解度·剂量水平、毒性、效价强度·设备的设计及结构(包括直接/非直接接触产品的表面)·专用设备/非专用设备·设备的关键部位·设备表面材质的吸附性·非无菌/无菌产品微生物、内毒素、微粒方面的特殊考量·整个工艺每步所处地点·生产活动·批量以及可能的变化·工艺周期·清洁间隔时间·清洁放置时间及环境条件·患者的安全风险·每个清洁程序包含的产品数·首次对比性再验证清洁验证风险评估会确定原料药是否为β内酰胺青霉素、甾体类化合物、头孢类、肿瘤毒性、致癌、诱变性等物质。
制药企业工艺设备的清洁规程及清洁验证制药企业的工艺设备是药品生产中不可或缺的重要设备,其干净程度直接关系到产品质量和病人的用药安全。
为了确保工艺设备的清洁,需要制定清洁规程并进行清洁验证。
以下是制药企业工艺设备的清洁规程及清洁验证:一、清洁规程1.清洁流程清洁流程应按照生产工艺要求和药品生产工艺流程,制定详细的清洁计划和清洁流程。
清洁流程应包括以下内容:清洁前准备、清洁顺序、使用清洁剂和消毒剂、清洗设备、清洗结束后的检查和记录等。
不同的生产设备和不同药品的生产需要制定不同的生产工艺和清洁流程。
2.清洁剂和消毒剂选用适当的清洁剂和消毒剂,应根据设备的材质、药品的特性以及生产规程要求等综合考虑。
清洁剂和消毒剂的选用要满足以下条件:显著清洁效果、对设备材质无损伤、对药品无影响、易于处理和环保等。
清洁剂和消毒剂的配方要求国家相关药典规定。
3.清洁频次清洁频次应按照生产设备的用途、生产规模等要求制定。
一般要求每次生产结束后进行设备清洁,也要在生产过程中适时清洗设备,确保设备表面保持洁净、光滑。
4.清洁工具清洁时,要使用专门的清洁工具,比如刷子、布等,不能用硬物或过硬的物品进行清洁,以免划伤或损坏设备表面。
二、清洁验证清洁验证是指通过检查、测试等手段,对清洗设备的表面是否达到规定清洁水平进行检验的过程。
清洁验证对于确保工艺设备的清洁效果以及制药企业的产品质量很重要。
清洁验证要求满足以下要点:1.清洁验证的原则清洁验证要严格按照相关的规程和标准操作,验证结果必须能够证实设备的清洁程度达到生产要求,通过验证后才能投入生产。
2.检测方法清洁验证的检测方法应选用经过验证的可靠方法和仪器。
常用的检测方法有目视检查、药剂浸润测试、微生物测试等。
3.检测标准清洁验证的检测标准应根据生产药品的特性和规定要求,制定成符合国家相关标准的温度、时间、化学剂量以及微生物检测标准等。
检测数据应完整、准确、可靠。
4.记录和存档清洁验证的结果必须记录在设备的清洁记录表上,包括清洁日期、清洁人员、使用清洁剂和消毒剂种类和浓度、清洗时间、检测方法、检测结果等信息,有效期限内的记录可以作为设备使用的依据并保存存档。
某制药厂药品生产清洁验证规程————————————————————————————————作者:————————————————————————————————日期:起 草: 日期:审 核: 日期: 批 准: 日期:生效日期: 签字:拷贝号:变更记载:制定(变更)原因及目的:公司更名。
修订号 批准日期生效日期00 01 02分发部门生产技术部 [ ]份 质量部QA [ ]份 质量部QC [ ]份一 车 间 [ ]份二 车 间 [ ]份三 车 间 [ ]份设备动力部 [ ]份 供 应 部 [ ]份 总 经 办 [ ]份综 合 部 [ ]份清洁验证规程1 适用范围本标准适用于公司药品生产中所有与产品接触的设备、容器具清洗效果的验证。
包括化学和微生物两项指标。
2 清洁验证的目的通过对制定的清洁S OP 进行验证,考察清洁过程是否能始终如一地符合预定标准,降低交叉污染的风险。
3 职责生产技术部:负责清洁验证方案的起草及验证的实施。
质量部QC :负责按计划完成清洁验证中的相关检验任务,确保检验结论正确可靠。
QA 验证管理员:负责验证工作的管理,协助清洁验证方案的起草,组织协调验证工作,并总结验证结果,起草验证报告。
质量部经理:负责清洁验证方案及报告的审核。
质量总监:负责清洁验证方案及报告的批准。
4 内容4.1 清洁验证小组成员生产技术部技术人员、Q C主管、QC 检验员、设备管理员、Q A验证管理员。
4.2清洁验证范围的确定所有与产品直接接触的生产设备、容器、工具。
4.3清洁验证前应明确:4.3.1制造产品的类型和数目。
4.3.2产品处方/材料的特性。
4.3.3设备的特性。
4.3.4设备在生产过程中的作用。
4.3.5评价清洗过程的潜在问题。
4.4清洁验证的前提条件4.4.1检查是否起草清洁SOP,清洁SOP应包括以下内容:4.4.1.1 SOP名称4.4.1.2 SOP适用范围4.4.1.3职责(本SOP涉及的责任部门或责任人)4.4.1.4 SOP的操作步骤或程序4.4.1.5清洁的范围或对象4.4.1.6清洁实施的条件及频次4.4.1.7进行清洁的地点4.4.1.8清洁用的设备及设施4.4.1.9清洁所用的清洁剂及其配制方法4.4.1.10清洁方法及清洁用水4.4.1.11清洁设备及器具的干燥与存放4.4.1.12消毒剂及其配制4.4.1.13消毒频次及方法4.4.1.14清洁(及消毒)效果的评价4.4.2清洁SOP的执行检查4.4.2.1对照SOP检查是否有效执行。
药品生产验证指南清洁验证■清洁方法的优化在实际生产中,一台(组)设备用于多种产品的生产是非常普遍的现象。
有时各种产品的物理、化学性质有很大差异。
这就给清洁规程的制定者提出这样的问题:是否要为每个产品分别制定清洁规程呢?经验告诉我们,为一台(组)设备制定多个清洁规程并不可取:这不但由于为每个规程进行验证的工作量过于庞大,更主要的是对操作者来说要在多个规程中选择适当的清洁方法很容易造成差错。
比较可行的方法是在所有涉及的产品中,选择最难清洁的产品为参照产品,以所有产品/原料中允许残留量最低的限度为标准(最差条件),优化设计足以清除该产品/原料以达到残留量限度的清洁程序。
验证就以该程序为对象,只要证明其能达到预定的要求,则该程序能适用于所有产品的清洁。
当然,从环保和节约费用的角度考虑,如果实践证明该清洁程序对大多数产品而言过于浪费,也可再选择一个典型的产品进行上述规程制定和验证工作。
这时,在规程中必须非常明确地规定该方法适用于哪些产品,还须明确为防止选择时发生错误需要采取的必要的措施。
参照产品的选择原则如下。
① 将所有产品列表(见表3-49) o②确定产品的若干物理、化学性质为评价项目:如主要活性成分的溶解度,黏度,吸附性等,其中最主要的性质为溶解度。
③ 对每个产品的评价项目打分。
如将溶解度分为I/2/3/4级,依次表示难溶/微溶/ 可溶/易溶。
④根据经验和产品性质,拟定适当的清洁剂种类。
⑤计算各产品的最大允许残留限度。
计算方法参见第二节的有关内容。
⑥将表格按照溶解度由小到大排序,选择溶解度最小的产品作为参照产品。
⑦如果表格中使用的清洁剂可分为水/水溶性清洁剂(包括酸、碱溶液)和有机溶剂两类,应分别选择一种参照代表产品。
⑧将表中允许残留限度最小的数值确定为验证方案的允许残留物限度标准。
⑨将与参照产品对应的清洁剂确定为清洁方法使用的清洁剂。
从表中可见,产品丙、丁、乙、戊,可用水溶性清洁剂清洁,应选最难溶的产品丙为参照产品,清洁剂为l%NaOH热水溶液,允许残留限度定为lUg∕cm-2。
药品生产验证指南清洁验证•验证方案实例:大容量注射剂在线清洗验证方案一、目的验证本公司大容量注射剂配制和灌封生产线按清洁规程X XX进行在线清洗后的清洁效果能达稳定到预定要求。
二、清洁规程略。
清洁剂为注射用水。
三、验证人员略。
四、参照产品与限度产品与规格(表3 — 50)。
氨基酸产品中胱氨酸的溶解度最小,选定12%氨基酸注射液为参照产品。
(二)限度标准.最终淋洗水取样最终淋洗水中总氨基酸浓度不大于10X10-6 ,淋洗液澄明度与不溶性微粒符合中国药典注射剂通则要求,微生物计数不大于10CFU/100ml.表面擦拭取样⑴ 表面残留物限度10 u g / cm2 o(2)计算过程实测设备总面积SA为100 000cm2,特殊部位(灌封头)面积SSA为100cm2 , 最小批量B为lOOOLo根据公式计算普通表面残留物限度,取安全因子F为10L = 10B/(SA- F)(mg/cm2 ) = 10X 1000 / (100 000 X 10)mg / cm2 = 0. Olmg / cm2 =10ug/cm2因该设备生产的产品均为临床营养输液,日用最都在几十克或更多,故按此计算的特殊部位残留物限度远大于10 P g / cm2 ,可统一采用10 P g / cm2的限度。
⑶表面微生物限度不超过1CFU / 25cm2。
五、取样工具普通取样瓶500mk无菌取样瓶500ml、普通药签(15cm)、无菌药签(15cm)、带螺旋盖试管(15cm)、带螺旋盖无菌试管(IScm)。
六、取样溶剂注射用水。
七、检验仪器HP公司HPLC仪,检测器为荧光检测器。
八、取样和检验方法按SOPXXX X进行。
擦拭取样方法和检验方法已验证,见验证报告RXXXo九、取样位置(图)略。
十、取样计划在生产12%氨基酸注射液后按清洁规程实施清洁。
在清洗进行到最终淋洗将结束时按取样位置图的指示用普通取样瓶取两瓶各500mi淋洗水, 用无菌取样瓶取两瓶各500ml淋洗水。
制药企业工艺设备的清洁规程及清洁验证制药企业工艺设备的清洁规程及清洁验证论一、前言在制药企业生产过程中,工艺设备的清洁非常重要,它是确保产品质量和稳定性的重要因素。
本文主要介绍一份制药企业工艺设备的清洁规程及清洁验证论,希望能够对制药企业的工艺设备清洁工作提供一定的参考。
二、清洁规程1.清洁程序制药企业应制定详细的清洁程序,包括工艺设备的清洁、清洁剂的选择和使用方法、清洁频率以及清洁后的检查和验证等方面。
2.清洁剂选择制药企业应选择符合国家或行业标准的清洁剂,对于不同的工艺设备,应选用不同的清洁剂。
3.清洁设备清洁设备应该符合GMP要求,应定期进行维护和检查,确保设备运行正常,并能达到洁净度要求。
4.清洁频率制药企业应设定清洁频率,根据实际情况制定清洁计划,以确保工艺设备能够保持洁净状态。
清洁频率应根据工艺要求、产品质量和设备使用情况等因素确定。
5.清洁记录制药企业应对清洁过程进行记录,包括清洁日期、清洁人员、清洁剂使用量、洁净度检测结果等信息。
记录应存档,并保持至少2年。
三、清洁验证1.清洁验证程序制药企业应制定详细的清洁验证程序,以确保工艺设备清洁后能够满足GMP要求。
清洁验证应包括以下步骤:(1)确定清洁验证目标和评估标准;(2)选择适当的洁净度测试方法,对设备进行检测;(3)制定清洁验证计划,包括验证周期和验证方法;(4)对设备进行清洁,由专人负责,并按照清洁规程执行;(5)进行洁净度测试,测试结果应满足预设的评估标准;(6)记录清洁验证过程和结果,存档并保留至少2年。
2.验证方法选择制药企业应选择适当的验证方法,包括洁净度测试方法和微生物检测方法。
洁净度测试方法应依据国家或行业标准,确定适当的计数器或滤膜大小。
微生物检测方法应选择适当的培养基、培养条件等。
3.验证周期制药企业应根据实际情况,制定适当的验证周期。
对于易受污染的设备应定期进行验证,对于不易受污染的设备,则可适当延长验证周期。
生产车间、设备部、研发部等其他可提供技术支持的部门组成。
QA:是清洁验证的组织者,主要负责起草清洁验证方案,组织验证过程的实施,以及验证过程出现的偏差处理和变更控制,并负责验证数据的汇总和完成清洁验证报告;QC:负责提供清洁验证中标的物分析方法验证工作,以及不同材质设备取样回收率试验,完成清洁验证的检测工作等;生产技术部:提供清洁验证的技术支持,负责提供生产工艺、审核清洁规程,协助QA完成清洁验证方案、审核清洁验证报告等;设备部:提供清洁验证的技术支持,负责提供设备基本信息,协助QA完成清洁验证方案、审核清洁验证报告等;生产车间:提供设备、容器具等难清洁点,按照批准的清洁规程进行清洁,协助质量部门完成清洁验证;研发部等其他可提供技术支持的部门:提供相应技术支持,协助完成清洁验证。
4清洁验证前准备清洁验证前应汇总一些资料,以便进行充分的风险评估。
4.1产品列表,包括该产品的批量、活性成分及其性状、在清洁剂中的溶解性、日治疗剂量及毒理数据;4.2设备列表,包括设备材质、接触物料的内表面积及共用情况等;4.3清洁SOP,包括详细的清洁方法(手工清洁、自动清洁或者半自动清洁)、清洁剂以及设备的难清洁点。
5风险评估风险评估贯穿于清洁验证的整个周期,清洁验证小组应通过充分的风险评估来确定清洁验证的范围和程度,依此来制定详细的验证策略。
5.1设备的评估药品生产过程中用到各种各样的设备,但并非所有的设备均需要清洁验证,即使该设备需要确清洁验证,但也应通过评估选取那些部位进行清洁验证。
一般情况下清洁验证只对于直接接触产品的设备进行清洁验证。
同时设备的评估还用考虑设备是否专用、设备的材质、设备的构造、设备的功能等方面,例如同一个产品有几条生产线,每条生产线的设备是平行的,那么可以选取一条生产线的生产设备进行清洁验证。
5.1.1根据设备的使用情况不同,分为专用设备和非专用设备,专用设备仅用于生产一个产品,或单一产品线(如同一种API的不同规格)。
药厂提取工序清洁验证方案百度文库- 让每个人平等地提升自我目录1.概述2.验证目的3.适用范围4.职责5.验证内容相关文件清洁方法描述验证方法异常情况及偏差处理验证结论与评定6.附件表1 清洁记录表2 取样记录表3 实验记录表4 回收率实验记录表5 异常情况及偏差处理记录1.概述本公司生产的产品以片剂、颗粒剂为主,属于非无菌固体口服制剂,提取工艺基本相同,均为水提取,仅投料、加水量有区别,清洁方式相同,对提取工序的设备(提取罐1套,静止罐2套)进行清洁验证。
2. 验证目的通过对提取操作的验证,确认提取各岗位的清洁规程适用性,证明在生产过程中按清洁规程可以有效的控制微生物的污染,可以控制不同批次的交叉污染,确保产品的质量稳定性和均一性。
验证过程应严格按照本方案规定的内容进行,若因特殊原因需变更时,应填写验证方案变更申请及批准书,报验证领导小组批准。
3.适用范围本验证方案适用于XXXXXXXXXX有限公司提取工序的清洁验证。
4. 职责验证小组成员、姓名、职责如下部门姓名职责签名日期生产部组织生产、清洁、验证操作质量部现场监督及取样质量部化验检测生产部方案及报告起草、培训验证领导小组成员、姓名、职责如下部门姓名职责签名日期生产部负责清洁过程的管理和评价质量部负责取样和检验的管理和评价总经理负责验证的最终评价5. 验证内容相关文件文件名称文件编号存放地点1 提取岗位标准操作规程LR-JS-08 办公室2 DT-2000型多功能提取罐清洁规程LR-SC-45 办公室清洁方法描述5.2.1 打开出渣门.5.2.2 用饮用水清洁提取设备,通过高压水枪冲洗投料仓及出渣门.5.2.3 将提取储液罐进液阀关闭,打开输液管与排污管的连接阀,开启循环泵的饮用水阀门,用清水清洗输液管路。
5.2.4清洗过程中,阀门连续打开关闭10次,清洗阀门;各支管、排污管阀门打开1分钟,进行清洗。
5.2.5 用清洁专用抹布蘸饮用水擦拭设备、管道外壁污痕.5.2.6 填写清洁记录,记录见表1验证方法5.3.1 验证方法选择选用棉签擦拭和饮用水冲洗,棉签擦拭法为清洁验证的常用方法,该方法可靠性强,简单易行。
药品生产验证指南清洁验证•验证的实施及清洁方法的监控与再验证验证的实施当验证方案获得批准,所有准备工作进行完毕后,即进入了验证实施阶段。
验证实施应严格按照批准的方案执行。
本阶段的关键在于清洁规程的执行和数据的采集:取样与化验。
验证实施后写出验证报告。
应及时、准确地填写清洁规程执行记录,保证清洁过程完全按照规程进行。
执行规程的人员应当是将来进行正式操作的那些人员,而不应由方案设计人员或其他技术人员代替。
当然,有关技术人员可在旁观察规程的执行情况,以便及.时发现偏差并予以纠正。
取样应由经过专门培训并通过取样验证的人员进行,样品标签可在取样前贴好,根据标签的指示取样,也可在取样后立即贴上标签,无论采取何种方式,应以方案规定为准。
检验应按照预先开发并验证的方法进行。
所用的试剂、对照品、仪器等都应符合预定要求。
检验机构出具的化验报告及其原始记录应作为验证报告的内容或附件0验证过程中出现的偏差均应记录在案,并由专门人员讨论并判断偏差的性质,确定是否对验证结果产生实质影响。
一般如检验结果超出限度,并经证明并非化验误差所致时,该偏差应作为关键偏差,这时应进行原因调查,确定原因并采取必要措施后重新进行验证试验。
验证结论应在审核了所有清洁作业记录、检验原始记录、化验报告、偏差记录后方能做出。
其结果只有合格或不合格两种,不可模棱两可。
验证报告至少包括以下内容。
(1)清洁规程的执行情况描述,附原始清洁作业记录。
(2)检验结果及其评价,附检验原始记录和化验报告。
(3)偏差说明,附偏差记录与调查。
(4)验证结论。
清洁方法的监控与再验证一、日常监控清洁验证报告一旦批准,清洁验证即告完成,该清洁方法即可正式投入使用。
同药品生产工艺过程一样,经验证后,清洁方法即进入了监控与再验证阶段,应当以实际生产运行的结果进一步考核清洁规程的科学性和合理性。
在日常生产过程中对清洁方法进行监控的目的是进一步考察清洁程序的可靠性。
验证过程中进行的试验往往是有限的,它包括不了实际生产中各种可能的特殊情况,监控则正好弥补这方面的不足。
制药企业工艺设备的清洁规程及清洁验证由于制药企业在生产药品的时候都会出现一些原辅料和微生物的残留。
这些微生物在一定合适温度下就会利用设备中残留的辅料作为有机物营养并进行大量繁殖,再留下代谢产物,这些物质的参合将会直接产生较大的毒副作用,使得设备在生产其他药品或者一定时间之后就会使其物品出现质量方面的问题。
因此国际上都有明确法律规定制药企业必须要有非常清洁卫生的制药设备。
其设备在连续使用时间较长后、更换品种使用或者生产的产品出现了质量方面问题等时都应该对其进行清洁。
并且要对清洁程度进行验证,验证结果要求全程记录并备案。
1、清洁规程企业制定的清洁标准操作规程(SOP)应尽可能详细,一般要包括以下内容:1.1使用的清洁剂清洁剂的选择应该按照其物料的化学性质的不同而进行选择。
一般情况下(工艺需要除外)都只需要将水作为清洁剂,而不需要化学清洁剂。
对于其他情况则必须要使用一定工具对其残留量进行清洁验证。
由于清洁剂都会存在比较复杂且潜在的问题,所以其清洁剂的选择最好是热水、碱水或者酸性水来进行溶解度。
水溶极性好的产品,首选乙醇,其次才是选择丙酮、乙酸乙酯、甲基异丙酮、异丙醇等三级溶剂。
1.2采用的清洁方式清洁方式大致情况下是分为以下两种的:自动化和人工化两种清洁。
相比人工化清洁而言,自动化清洁的重现性比较良好,不过设备中的一些区域还是必须要使用人工清洁的。
而其批生产间中有换产品与清洁方法不一致的时候必须要按照规格将两者分开阐述,或者将其分为两个规程并对其进行分别描述。
并且残留物的水溶性与否也应按两点进行分开,且需要将其每个方式适用范围进行明确界定。
1.3清洁程序对其清洁的每一项步骤和所需清洁的次数以及达到的水平都要在规程中详细描述出来,最好将每一部分的设备与元件都做好清洁工作。
1.4清洁周期规程中应规定清洁实施的条件及频次,应该包括以下条件下的清洁频次:①更换不同品种时;②同一品种换不同批号时;③设备在维修过后。
药品生产验证指南清洁验证•清洁方法的制订一、清洁方式工艺设备的清洁,通常可分为手工清洁方式和自动清洁方式,或两者的结合。
手工清洁方式的特征是主要由人工持清洁工具,按预定的要求清洗设备,根据目测确定清洁的程度,直至清洁完成。
常用的清洁工具一般有能喷洒清洁剂和淋洗水的喷枪,刷子、尼龙清洁块等。
清洗前通常需要将设备拆卸到一定程度并转移到专门的清洗场所。
自动清洁方式的特点是由自动化的专门设备按一定的程序自动完成整个清洁过程的方式。
通常只要将清洗装置同待清洗的设备相连接,由清洗装置按预定的程序完成整个清洁过程,整个清洁过程通常不需要人工检查已清洁的程度,乃至干预程序的执行。
这两种主要的清洁方式在实际生产中应用很广.,清洁方式的选择应当全面考虑设备的材料、结构、产品的性质、设备的用途及清洁方法能达到的效果等各个方面。
举例来说,如果设备体积庞大且内表面光滑无死角;生产使用的物料和产品易溶于水或一定的清洁剂,这种情况下比较适合采用自动或半自动的在线清洗方式:清洁剂和淋洗水在泵的驱动下以一定的温度、压力、速度和流量流经待清洗设备的管道,或通过专门设计的喷淋头均匀喷洒在设备内表面从而达到清洗的目的。
大容量注射剂的配制系统多采用这种方式。
如果生产设备死角较多,难以清洁,或生产的产品易粘结在设备表面、易结块,则需要进行一定程度的拆卸并用人工或专用设备清洗。
大容量注射剂的灌装机、小容量注射剂的灌装机、胶囊填充机及制粒机、压片机等一般都可采用采用人工清洗方式。
不管采取何种清洁方式,都必须制定一份详细的书面规程,规定每一台设备的清洗程序,从而保证每个操作人员都能以相同的方式实施清洗,并获得相同的清洁效果。
这是进行清洁验证的前提。
从保证清洁重现性及验证结果的可靠性出发,清洁规程至少应对以下方面作出规定。
①清洁开始前对设备必要的拆卸要求和清洁完成后的装配要求。
②所用清洁剂的名称、成分和规格。
③清洁溶液的浓度和数量。
④清洁溶液的配制方法。
制药企业工艺设备的清洁规程及清洁验证摘要制药工艺设备在运用时需频繁进行清洁,以确保生产出的药品安全无害,符合国家相关标准和法规,而清洁规程的制定和清洁验证的实施则是保证制药企业生产质量的重要手段。
本论文针对制药企业工艺设备的清洁规程及清洁验证进行研究,结合多年生产实际和相关标准法规,提出了一套完整的设备清洁管理体系和清洁验证框架,以供制药企业参考。
关键词:制药企业;工艺设备;清洁规程;清洁验证;设备清洁管理AbstractPharmaceutical process equipment needs to be cleaned frequently during use to ensure the safety and non-toxicity of the produced drugs, meet relevant national standards and regulations, and the formulation of cleaning regulations and the implementation of cleaning validation are important means to ensure the production quality of pharmaceutical companies. This paper focuses on the research of the cleaning regulations and cleaning validation of pharmaceutical process equipment, and combines years of production practice and relevant standards and regulations to propose a complete system of equipment cleaning management and cleaning validation framework for reference by pharmaceutical companies.Keywords: pharmaceutical enterprise; process equipment; cleaningregulations; cleaning validation; equipment cleaning management 正文Ⅰ.引言制药企业的工艺设备在生产过程中需要经常进行清洁,以确保生产出的产品质量符合国家相关标准和法规,保证顾客使用的安全,具有广泛的社会意义。
某制药厂药品生产清洁验证规程清洁验证规程1适用范围本标准适用于公司药品生产中所有与产品接触的设备、容器具清洗效果的验证。
包括化学和微生物两项指标。
2清洁验证的目的通过对制定的清洁SOP进行验证,考察清洁过程是否能始终如一地符合预定标准,降低交叉污染的风险。
3职责生产技术部:负责清洁验证方案的起草及验证的实施。
质量部QC:负责按计划完成清洁验证中的相关检验任务,确保检验结论正确可靠。
QA验证管理员:负责验证工作的管理,协助清洁验证方案的起草,组织协调验证工作,并总结验证结果,起草验证报告。
质量部经理:负责清洁验证方案及报告的审核。
质量总监:负责清洁验证方案及报告的批准。
4内容4.1清洁验证小组成员生产技术部技术人员、QC主管、QC检验员、设备管理员、QA验证管理员。
4.2清洁验证范围的确定所有与产品直接接触的生产设备、容器、工具。
4.3清洁验证前应明确:4.3.1制造产品的类型和数目。
4.3.2产品处方/材料的特性。
4.3.3设备的特性。
4.3.4设备在生产过程中的作用。
4.3.5评价清洗过程的潜在问题。
4.4清洁验证的前提条件4.4.1检查是否起草清洁SOP,清洁SOP应包括以下内容:4.4.1.1 SOP名称4.4.1.2 SOP适用范围4.4.1.3职责(本SOP涉及的责任部门或责任人)4.4.1.4 SOP的操作步骤或程序4.4.1.5清洁的范围或对象4.4.1.6清洁实施的条件及频次4.4.1.7进行清洁的地点4.4.1.8清洁用的设备及设施4.4.1.9清洁所用的清洁剂及其配制方法4.4.1.10清洁方法及清洁用水4.4.1.11清洁设备及器具的干燥与存放4.4.1.12消毒剂及其配制4.4.1.13消毒频次及方法4.4.1.14清洁(及消毒)效果的评价4.4.2清洁SOP的执行检查4.4.2.1对照SOP检查是否有效执行。
4.4.2.2保证对所有关键步骤进行监控。
4.4.2.3通过不同操作人员进行对照确认。
清洁验证规程
1适用范围
本标准适用于公司药品生产中所有与产品接触的设备、容器具清洗效果的验证。
包括化学和微生物两项指标。
2清洁验证的目的
通过对制定的清洁SOP进行验证,考察清洁过程是否能始终如一地符合预定标准,降低交叉污染的风险。
3职责
生产技术部:负责清洁验证方案的起草及验证的实施。
质量部QC:负责按计划完成清洁验证中的相关检验任务,确保检验结论正确可靠。
QA验证管理员:负责验证工作的管理,协助清洁验证方案的起草,组织协调验证工作,并总结验证结果,起草验证报告。
质量部经理:负责清洁验证方案及报告的审核。
质量总监:负责清洁验证方案及报告的批准。
4内容
4.1清洁验证小组成员
生产技术部技术人员、QC主管、QC检验员、设备管理员、QA验证管理员。
4.2清洁验证范围的确定
所有与产品直接接触的生产设备、容器、工具。
4.3清洁验证前应明确:
4.3.1制造产品的类型和数目。
4.3.2产品处方/材料的特性。
4.3.3设备的特性。
4.3.4设备在生产过程中的作用。
4.3.5评价清洗过程的潜在问题。
4.4清洁验证的前提条件
4.4.1检查是否起草清洁SOP,清洁SOP应包括以下内容:4.4.1.1 SOP名称
4.4.1.2 SOP适用范围
4.4.1.3职责(本SOP涉及的责任部门或责任人)
4.4.1.4 SOP的操作步骤或程序
4.4.1.5清洁的范围或对象
4.4.1.6清洁实施的条件及频次
4.4.1.7进行清洁的地点
4.4.1.8清洁用的设备及设施
4.4.1.9清洁所用的清洁剂及其配制方法
4.4.1.10清洁方法及清洁用水
4.4.1.11清洁设备及器具的干燥与存放
4.4.1.12消毒剂及其配制
4.4.1.13消毒频次及方法
4.4.1.14清洁(及消毒)效果的评价
4.4.2清洁SOP的执行检查
4.4.2.1对照SOP检查是否有效执行。
4.4.2.2保证对所有关键步骤进行监控。
4.4.2.3通过不同操作人员进行对照确认。
4.4.2.4修订SOP并培训所有操作人员。
4.5清洁验证步骤
4.5.1制定验证计划(因清洁验证一般与工艺验证同时进行,故可在工艺验证计划中体现。
)4.5.2起草验证方案(应包括验证对象、验证方法、接受标准等。
)
4.5.3验证具体实施(相关部门验证责任人执行验证方案,提供相关结果和记录。
)
4.5.4验证报告(QA验证管理员组织对验证结果的讨论和分析,并负责起草验证报告。
)
清洁验证报告应包括:
4.5.4.1清洁验证过程简介,并应包括验证批次、批号
4.5.4.2清洁验证检验记录
4.5.4.3明确的清洁验证结论
4.5.4.4附上经验证的清洁SOP或编码
4.5.4.5 评价分析
4.6验证产品的确定
4.6.1进行产品分组
列出待进行清洁验证的设备所生产的产品
具有类似的毒性、类似的处方、类似的管理方法和危险水平,在类似的设备上生产,并采用相同的清洗规程的产品,划为一组。
4.6.2在已确定的产品分组中,选择一种最不易清洗的产品作为验证产品。
4.7验证方法
以正确的取样方法及测试方法测定验证对象清洗程度,为确定清洗效果的稳定性和重现性,验证至少须连续三次。
4.8取样方法
4.8.1洗液法:取清洗过程中最终洗出液作为被检样品的方法,适用于储罐、提取罐、混料
机、搅拌釜、包衣锅等内部残留物的测试,在试验方面必须根据检出的灵敏度规定洗液量。
4.8.2棉签取样:用清洁或含有乙醇的棉签等擦拭指定的区域面积,适用于各种机械表面残
留物的测试,取样部位必须选择机械设备的边角,即最容易被固体残留物、液体沾污的地方作为清洗验证的关键点。
4.9接受标准确定
4.9.1化学验证及可接受标准(针对换品种时)
4.9.1.1所选择的验证产品生产结束后,按规定的清洗程序清洗设备,目检无可见残留物或残留气味。
4.9.1.2冲洗溶剂取样法
目的:评价活性成分在整个设备内表面(或与产品接触部位)的潜在残留量。
应采用对活性成分溶解效果好且对设备及人员较为安全的溶剂。
取样位置:设备出料口。
检验方法:HPLC或效果类似的方法。
洗液法最大允许残留物浓度
10ppm×下一品种批量*×50%*÷收集洗液体积
*为了使得验证结果符合产品分组中的任一种情况,批量选择产品分组中最小批量。
*50%即冲洗取样效率。
4.9.1.3最难清洗部位棉签取样。
目的:评价活性成分可能的残留物浓度,取样前棉签用合适的溶剂润湿。
取样位置:选择设备最难清洗的部位。
检验方法:HPLC或效果类似的方法。
每一取样棉签最大允许残留量=10ppm×50%*×下一品种批量×取样面积÷与产品接触的表面积
*50%即取样效率。
4.9.1.4最终冲洗水取样
目的:评价水溶性成分(包括清洗剂)的潜在残留量,同时以冲洗用水为空白对照。
取样位置:设备出料口。
检验方法:紫外分析≤0.05abs;波长范围:210-360nm
4.9.2微生物验证及可接受标准
4.9.2.1微生物取样应在化学取样之前进行,而且在另外一处类似难清洗部位取样,避免造
成取样过程的污染。
4.9.2.2最难清洗部位棉签法取样。
目的:评价最难清洗部位微生物污染情况,取样前无菌棉签须预先在无菌生理盐水中润湿。
取样方法:用灭菌棉签蘸取少量灭菌生理盐水,在验证对象的规定大小内表面上擦拭后,放入灭菌试管内备用。
检验方法:菌落计数法(CFU)或其它方法。
可接受标准:口服固体制剂≤100CFU/10cm2;口服液体制剂≤20CFU/10cm2。
4.9.2.3最终冲洗水取样
目的:评价整个设备表面微生物污染情况,同时以冲洗用水为空白作对照,排除生产用水的微生物污染。
取样方法:凡以水作清洗剂的可直接收取最后一次清洗水约100ml作试样。
检验方法:菌落计数法(CFU)。
可接受标准:≤100CFU/ml
4.10清洗程序的再验证
如果存在下列情形之一时,须进行设备清洗程序的再验证:
4.10.1清洗程序有重要修改。
4.10.2生产的产品有所改变。
4.10.3设备形状有重大变更。
4.10.4规定的验证周期。
我公司定期的再验证周期一般为一年,可根据首次验证情况在验证报告中予以规定。