(完整版)粘贴钢板施工工艺及注意事项
- 格式:doc
- 大小:21.30 KB
- 文档页数:3
引言:梁粘钢板加固施工工法是现代建筑结构加固领域的一种常见且有效的施工工法。
本文将对梁粘钢板加固施工工法进行详细阐述,以帮助读者深入了解该工法的原理、步骤、注意事项等方面内容。
通过深入了解梁粘钢板加固施工工法,读者可以更好地应用该工法,提高施工质量和效率。
概述:梁粘钢板加固施工工法是一种通过在梁底面粘贴钢板来提高梁的承载力和刚度的方法。
通过粘贴钢板在梁底面,可以有效地提高梁的受力性能,延缓其破坏形态的发展,从而延长梁的使用寿命。
梁粘钢板加固施工工法具有施工工艺简单、材料易得、加固效果显著等优点,被广泛应用于建筑结构加固领域。
正文内容:第一大点:梁粘钢板加固施工的基本原理1.1梁粘钢板加固的工作原理1.2加固效果的主要影响因素1.3材料选择的原则与方法1.4梁粘钢板加固施工的优势和注意事项1.5常见问题及解决方法第二大点:梁粘钢板加固施工的准备工作2.1结构评估与设计参数确定2.2材料准备与检查2.3施工方案的编制与审核2.4设备和人员的组织与准备2.5安全措施与施工准备工作第三大点:梁粘钢板加固施工的具体步骤3.1表面处理与清洁3.2面层涂布与底层处理3.3粘结剂涂布与钢板粘贴3.4间隔与封缝处理3.5加固层后处理与养护第四大点:梁粘钢板加固施工的质量控制4.1材料质量检查与验收4.2施工质量检查与验收4.3工艺参数的控制与调整4.4施工过程的监控与记录4.5施工中常见质量问题及处理第五大点:梁粘钢板加固工法的应用案例5.1工业建筑的梁粘钢板加固5.2商业建筑的梁粘钢板加固5.3民用建筑的梁粘钢板加固5.4桥梁与地下结构的梁粘钢板加固5.5旧建筑的梁粘钢板加固总结:通过对梁粘钢板加固施工工法的详细阐述,我们了解了该工法的原理、步骤、注意事项、质量控制等方面内容。
梁粘钢板加固施工工法是一种有效、简单、广泛应用的建筑结构加固方法。
通过合理的设计和规范施工,可以提高梁的承载能力和刚度,延长结构的使用寿命,确保建筑结构的安全可靠。
一、云南昆玉高速和杭新高速粘贴钢板(与杨湾大桥、温岭80%相同,杨湾大桥更加具体)(一)施工工艺(二)施工方法及措施;1、构件表面处理对原混凝土构件的粘合面进行打磨,去掉6~8mm厚表层及混凝土裂化层,直至完全露出新面,并压缩空气除去粉尘或清水冲洗干净,待完全干燥后用脱脂棉沾丙酮擦拭表面即可。
2、钢板现场配套打孔与粘贴表面平整处理根据图纸和实际情况进行下料,并按实际孔位进行钻孔。
在对结构进行打孔前,应先应探明主筋和预应力筋的位置,量距钻孔。
以免钻伤(断)原受力钢筋和预应力筋。
3、钻孔植埋螺栓:在粘钢区域沿粘贴钢板长度方向按照图纸间距钻孔植埋一直径12mm 的高强度螺栓,孔深为8cm。
植埋螺栓钻孔打孔前,应用钢筋混凝土保护层测试仪擦明底板预应力波纹管以及钢筋分布,避免钻孔盲孔石触及。
对钻好的孔先用压缩空气由孔底向孔外清理孔内浮尘,再用甲苯或工业丙酮清洗孔,晾干后涂抹一层薄薄的E44环氧树脂基液,向盲孔内三分之一孔深的环氧胶泥,然后将经除油清洗晾干并涂有一层环氧树脂基液薄浆螺栓缓慢转动插入,最后补填环氧胶泥使孔口填塞饱满。
4、打磨粘结面的钢板表层:对于粘贴结合面,钢板生锈或轻微锈蚀,可用喷砂、砂布或平砂轮打磨,直至出现金属光泽。
打磨粗糙程度越大越好,打磨纹路尽量与钢板受力方向垂直,然后用脱脂棉沾酒精将钢板粘贴擦拭干净;5、粘接胶的配制:粘接剂使用前应进行现场质量检查,合格后方可使用,按产品使用说明书规定配制。
注意搅拌时应避免雨水进入容器,按同一方向进行搅拌,容器内不得有油污。
6、钢板粘贴:用抹刀将已经拌和好的胶抹在已经处理好的砼表面以及待粘贴钢板的表面。
为使胶能充分浸润、渗透、扩散、粘附于结合面,先用少量胶体在结合面来回刮抹数遍,再添抹至所需厚度(2~4mm),胶体成中间厚边缘薄状,然后将钢板粘贴于预定位置。
将钢板粘贴以后,立即加垫片,紧固螺母。
螺母紧固时应交替进行,使多余的胶沿板边挤压出来,达到密贴的效果。
粘贴钢板加固桥梁梁板施工工法1.前言随着交通运输量大幅度增长,行车密度及车辆载重越来越大,现有城市桥梁中的相当一部分已经不能满足使用上的要求。
桥梁的陈旧、老化、承载力不足等问题已经引起人们的高度关注。
各种各样的加固补强方法纷至沓来,其中,粘贴钢板法加固桥梁是一项技术性强、要求高、行之有效的桥梁加固补强方法,但缺少系统的工艺流程,急需一套完整的施工工法。
本工法从桥梁粘贴钢板的设计出发,并对材料的选用,工艺流程、施工要点进行了阐述,分析了施工中应注意的问题,提供了一套桥板底部粘贴钢板加固桥梁系统的方法,具有施工周期短,造价低,对交通、环境影响小的特点,具有极大的推广应用价值。
2.工法特点2.1本工法通过借助钢板的高强度、高韧性,能有效提高桥梁弯拉承载力,减小其自身挠度。
2.2本工法不会破坏加固结构的外形,不影响桥架净空,桥梁自重增加很小。
2.3采用本工法加固部位,范围与强度视设计构造需要可灵活设置。
2.4本工法相对简便,施工质量容易得到保证,且具有施工周期短、进度快、耗材少、投资小、不中断交通等特点。
3.适用范围本工法适用钢筋混凝土受弯、受压、受拉构件的加固。
要求受弯构件自身砼等级强度不得低于C20,受压构件自身砼强度等级不得低于C15。
4.工艺原理钢板粘贴加固桥梁法基本原理:采用环氧树脂系列粘接剂,将钢板粘贴在钢筋混凝土结构物的受拉区域薄弱部位,使之与结构物形成整体,用以代替需增设的补强钢筋,通过钢板与补强结构的共同作用,提高其刚度,限制裂缝开展,改善钢筋及混凝土的应力状态,提高梁的承载能力,以达到补强效果一种加固方法。
5.施工工艺流程及操作要点5.1 施工工艺流程本工法工艺流程见“粘贴钢板法加固桥梁施工工艺流程图”(如图5.1)。
图5.1粘贴钢板法加固桥梁施工工艺流程图5.2操作要点5.2.1施工准备1、“固诺”牌改性环氧胶、脚手架、6mm 钢板及¢10膨胀螺丝等其他小型机具设备进场。
2、根据工期进度及劳动力每天完成工程量的情况,制定合理的计划工期。
粘贴钢板加固施工方案粘贴钢板加固是一种常见的钢结构加固方法,适用于工业厂房、桥梁、地下室等建筑物的结构加固。
下面,我将为您介绍一个700字的粘贴钢板加固施工方案。
施工现场:某某工业厂房施工单位:某某施工队施工内容:对某某工业厂房的柱、梁进行粘贴钢板加固。
施工工艺:1.工艺准备:(1)检查施工设备和材料,确保完好无损。
(2)组织施工人员进行安全教育和技术培训,确保施工安全和质量。
2.基础处理:(1)清理工作区域,确保基础表面干净整洁。
(2)对基础表面进行破损修补,确保表面平整。
3.粘贴钢板制作:(1)根据设计要求,选择合适材料的钢板进行切割和加工。
(2)对钢板的边缘进行倒角处理,增加粘贴的接触面积。
4.预埋件安装:(1)根据设计要求,在基础表面预留预埋件的安装位置。
(2)使用适当的固定方法,将预埋件固定在基础表面。
5.粘贴钢板施工:(1)在基础表面涂抹适当的粘结剂,均匀覆盖整个表面。
(2)将预先制作好的钢板粘贴到基础表面上,并用力将其压实。
6.质量验收:(1)按照设计要求,对粘贴钢板加固的质量进行检查。
(2)对施工质量合格的部位进行验收,保证施工质量。
7.施工总结:(1)收拾施工现场,清理垃圾,保持环境整洁。
(2)编写施工总结报告,总结施工经验,为今后的工作积累经验。
施工要求:1.施工过程中,严格按照设计要求和规范进行施工。
2.施工人员必须配戴安全帽、手套等个人防护用品,确保施工安全。
3.施工现场必须设置明显的安全警示标志,防止他人误入施工区域。
4.施工过程中,必须保持施工现场的整洁,及时清理产生的垃圾。
5.施工结束后,必须进行质量验收,确保施工质量。
以上是一个700字的粘贴钢板加固施工方案。
在实际施工中,还需要根据具体情况进行适当调整和改进,以确保施工安全和质量。
同时,施工单位还需按照相关规范、标准和设计要求进行施工,确保施工工艺和质量能够满足设计要求和工程需要。
桥梁加固粘贴钢板加固施工方法文档一:桥梁加固粘贴钢板加固施工方法1. 现场准备工作1.1 测量和记录现场桥梁的尺寸和结构1.2 清理桥梁表面的杂物和污垢1.3 检查桥梁的钢筋和混凝土结构,并进行修复和加固2. 钢板加固设计与准备2.1 根据桥梁的结构和负荷要求,设计钢板加固方案2.2 选择合适尺寸和厚度的钢板2.3 对钢板进行清洗和防锈处理2.4 根据需要切割和钻孔钢板,以便与桥梁结构相匹配3. 涂粘剂的选择和准备3.1 根据桥梁的材料和工况,选择合适的涂粘剂3.2 按照涂粘剂的说明书,正确配置和混合涂粘剂3.3 准备好所需的工具和设备,如刷子、辊筒等4. 钢板粘贴施工步骤4.1 在需要加固的桥梁表面涂抹一层薄薄的涂粘剂4.2 将预先准备好的钢板粘贴在涂抹了涂粘剂的桥梁表面上4.3 使用辊筒或刷子将钢板与桥梁表面充分贴合,并确保无气泡和空隙4.4 根据设计要求,在需要加固的位置增加连接件或固定螺栓来增强钢板的连接5. 施工质量控制5.1 在施工过程中,及时检查粘贴钢板的质量和贴合程度5.2 对加固区域进行加固性能的测试和评估5.3 如发现质量问题,及时纠正和修复6. 竣工验收6.1 完成加固施工后,对加固区域进行全面检查和评估6.2 进行加固性能的测试,确保达到设计要求6.3 如符合要求,进行竣工验收并提交相应报告6.4 如存在问题,及时进行整改和修复,直至符合要求附件:- 桥梁加固方案设计图纸- 钢板加固施工图纸- 施工质量验收报告表法律名词及注释:- 加固:对已建成的结构进行补强和强化,以提高其承载能力和稳定性的工作。
- 竣工验收:对建筑工程的施工质量、安全性和合规性进行检查和评估的程序。
-----------------------------------------------------------文档二:桥梁加固粘贴钢板加固施工方法1. 现场准备工作1.1 检查桥梁的结构和材料,了解其现状和问题1.2 清理桥梁表面的污垢和杂物1.3 根据桥梁的尺寸和结构,制定加固施工方案2. 钢板加固方案设计2.1 根据桥梁的负荷要求和结构特点,设计合理的钢板加固方案2.2 选择合适尺寸和厚度的钢板,以满足加固要求2.3 根据需要对钢板进行切割和钻孔,以便与桥梁结构配合3. 涂粘剂的选择和准备3.1 考虑桥梁的材料和环境条件,选择合适的涂粘剂3.2 准备涂粘剂,并根据说明书正确配置和混合4. 钢板粘贴施工步骤4.1 在桥梁表面均匀涂抹一层涂粘剂4.2 将钢板粘贴在涂抹了涂粘剂的桥梁表面上4.3 使用辊筒或刷子将钢板与桥梁表面充分贴合4.4 检查钢板的贴合程度和质量,并根据需要增加连接件或固定螺栓5. 施工质量控制5.1 在施工过程中,进行质量检查和监控5.2 测试加固区域的性能和承载能力5.3 如发现质量问题,及时采取措施纠正和修复6. 竣工验收6.1 完成加固施工后,对加固区域进行全面检查和评估6.2 进行性能和安全性测试,确保加固达到设计要求6.3 如符合要求,进行竣工验收并提交报告6.4 如存在问题,及时进行整改和修复附件:- 桥梁加固方案设计图纸- 钢板加固施工图纸- 施工质量验收报告表法律名词及注释:- 加固:对已建成的结构进行补强和强化,以提高其承载能力和稳定性的工作。
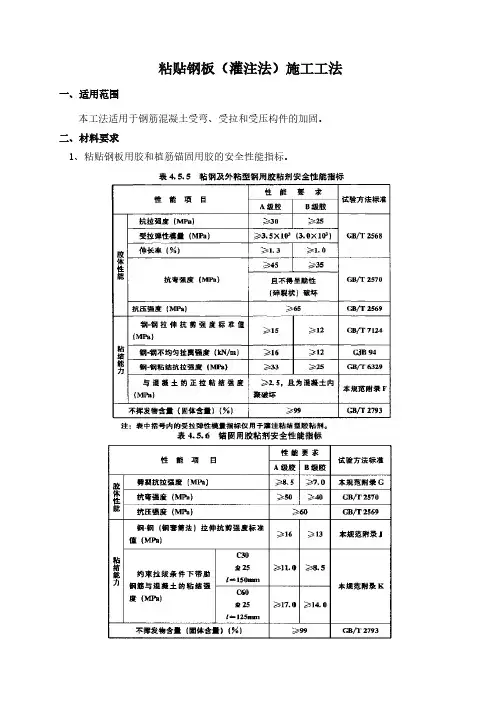
粘贴钢板(灌注法)施工工法一、适用范围本工法适用于钢筋混凝土受弯、受拉和受压构件的加固。
二、材料要求1、粘贴钢板用胶和植筋锚固用胶的安全性能指标。
注:以上各表摘自《混凝土结构加固设计规范》 GB50367-2006板表面擦拭干净。
4).混凝土结构现场打孔根据设计位置在混凝土表面进行钻孔。
在对结构进行打孔前,应先探明主筋的位置,量距钻孔,以免钻伤(断)原结构钢筋。
钻孔时采用冲击钻一次成孔,钻孔直径和深度严格按照设计要求进行。
成孔后用空压机清孔。
5).植栓①清孔:先将喷嘴伸人成孔底部并吹人洁净无油的压缩空气,向外拉出喷嘴,反复3次;将硬毛刷插人孔中,往返旋转清刷3次;再将喷嘴伸人钻孔底部吹气,向外拉出喷嘴,反复3次;对要植人钢筋上的锈迹、油污进行除锈与清理;植筋前用丙酮或工业用酒精擦拭孔壁、孔底和植人钢筋。
②植栓:植筋用胶粘剂应采用专用灌注器或注射器进行灌注,灌注量一般为孔深的2/3并应保证在植人螺栓后有少许胶粘剂溢出;注入胶粘剂后应立即单向旋转插人螺栓,直至达到设计的深度,并保证植人螺栓与孔壁间的间隙基本均匀,校正螺栓的位置和垂直度。
③静置固化:胶粘剂完全固化前,不得触动或振动已植螺栓,以免影响其粘结性能。
④植栓质量检查1、钻孔直径应满足表A. 2. 1-1的要求,直径允许偏差为+2mm、一lmm;钻孔深度、垂直度和位置的允许偏差应满足表A. 2. 1一的要求。
2、植筋要求:锚孔内胶粘剂应饱满,不得有未固结现象。
植人钢筋不得有松动,表面不应有损伤,钢筋不得弯曲90。
以上。
3、施工应注意的问题:严禁采用将胶粘剂直接涂抹在钢筋上植人孔中的植筋方式。
废孔处理:施工中钻出的废孔,应采用高于构件混凝土一个强度等级的水泥砂浆、聚合物水泥砂浆或锚固胶粘剂进行填实,必要时应插人钢筋。
6).钢板现场配套打孔依据现场植埋的螺杆,用冲击电钻对所要粘贴的钢板进行配套打孔,钻孔直径较锚栓直径大1~2mm;7).安装并固定加强钢板(调好灌浆间隙)在混凝土与钢板中间放置3mm垫片,将钢板套在螺栓上进行调整水平和固定,固定好后收紧螺栓,保证钢板与混凝土表面的间隙在3mm,以确保灌注质量,避免局部脱空、缺胶。
粘贴钢板工程施工方案一、工程概况1、施工单位:XXXX建筑施工有限公司2、工程名称:XXX建筑项目粘贴钢板工程3、工程地点:XXXXX4、施工范围:对建筑外墙进行粘贴钢板,包括设计、材料采购、施工和验收等工作。
二、工程准备1、技术准备:组织施工人员进行相关技术培训,提高技术水平和施工质量。
2、材料准备:购买符合国家标准的粘贴钢板材料,并进行验收。
3、设备准备:准备施工所需的机械设备和工具。
4、施工计划:制定粘贴钢板工程施工详细计划,确定施工进度和质量要求。
三、施工方案1、工程测量:进行建筑外墙尺寸测量,确定粘贴钢板的尺寸规格。
2、基层处理:清除建筑外墙表面的污垢和松散物质,修补表面缺陷。
3、粘贴钢板布置:按照设计要求,确定钢板的布置方式和铺贴顺序。
4、粘贴钢板安装:依据设计图纸和相关标准,进行粘贴钢板的固定和连接。
5、收尾工作:进行粘贴钢板的表面清洁和检查,确保施工质量。
四、施工过程及方法1、基层处理(1)清除表面污垢:使用清洁剂和高压水枪,清洁外墙表面。
(2)修补基层缺陷:对表面破损、开裂等缺陷进行修补,保证基层平整。
2、粘贴钢板布置(1)确定钢板布置方式:根据设计要求和外墙形状,确定钢板的布置方式。
(2)铺贴规划:按照设计图纸,制定钢板的铺贴规划方案。
3、粘贴钢板安装(1)准备工作:将粘贴钢板放置在施工现场,并进行验收。
(2)粘贴工艺:使用专用胶水或胶粘剂,将钢板粘贴到基层表面,并进行固定。
4、收尾工作(1)表面清洁:清洁完工后的墙面,确保钢板表面光滑、干净。
(2)验收工作:对粘贴钢板的质量进行验收,确保符合相关标准和规范。
五、安全技术措施1、施工人员需要接受安全培训,并严格执行安全操作规程。
2、使用工具和设备时,必须戴好安全防护装备,避免意外伤害。
3、严格按照相关规定进行现场施工,保证工人安全。
六、质量控制1、对材料进行验收,确保满足相关标准要求。
2、施工过程中,严格按照设计要求和施工规范进行操作。
桥梁粘贴钢板施工方案早上九点的阳光透过办公室的窗户,洒在我的桌子上,我开始构思这个桥梁粘贴钢板的施工方案。
这可是个技术活儿,得细心,得专业,不能有半点马虎。
一、项目背景及施工目的这座桥梁已经有些年头了,经过多次检测,发现桥梁的主体结构出现了轻微的裂缝,这对桥梁的承载能力是个不小的考验。
为了确保桥梁的安全运行,我们决定采用粘贴钢板的方法来加固桥梁。
二、施工材料粘贴钢板,我们选择的是高强度、耐腐蚀的钢板,厚度为6mm。
粘贴胶,必须是专门用于桥梁加固的环氧树脂胶,强度高、粘接力强。
三、施工准备1.施工队伍:挑选一支经验丰富、技术过硬的施工队伍,进行岗前培训,确保每位施工人员都熟悉施工流程和操作方法。
2.施工设备:准备一台专业的粘贴钢板施工设备,包括钢板切割机、打磨机、喷灯等。
3.施工材料:提前采购足够的钢板和环氧树脂胶,确保施工过程中材料充足。
四、施工流程1.表面处理:对桥梁表面进行打磨,去除污垢和锈迹,保证钢板粘贴面的平整度。
2.划线定位:根据桥梁的裂缝位置,划线定位,确定钢板粘贴的具体位置。
3.钢板切割:根据定位线,使用切割机将钢板切割成合适的尺寸。
5.固化养护:粘贴完成后,用喷灯对钢板进行加热,加速环氧树脂胶的固化,确保粘贴牢固。
6.检查验收:粘贴完成后,对粘贴质量进行检查,确保粘贴牢固、无空鼓现象。
五、施工注意事项1.施工过程中,必须保证施工人员的安全,佩戴好安全帽、防护眼镜等防护用品。
2.钢板粘贴过程中,要确保环氧树脂胶涂抹均匀,避免出现漏涂现象。
3.粘贴完成后,要及时对钢板进行加热固化,防止钢板移位。
4.施工过程中,要密切关注天气变化,避免在雨雪天气进行施工。
六、施工周期整个施工周期预计为15天,其中包括表面处理、划线定位、钢板切割、粘贴钢板、固化养护等环节。
七、施工成本施工成本主要包括材料费、人工费、设备租赁费等,预计总费用为50万元。
八、施工效果粘贴钢板后,桥梁的承载能力将得到显著提高,裂缝得到有效控制,确保桥梁的安全运行。
一、云南昆玉高速和杭新高速粘贴钢板(与杨湾大桥、温岭80%相同,杨湾大桥更加具体)(一)施工工艺(二)施工方法及措施;1、构件表面处理对原混凝土构件的粘合面进行打磨,去掉6~8mm厚表层及混凝土裂化层,直至完全露出新面,并压缩空气除去粉尘或清水冲洗干净,待完全干燥后用脱脂棉沾丙酮擦拭表面即可。
2、钢板现场配套打孔与粘贴表面平整处理根据图纸和实际情况进行下料,并按实际孔位进行钻孔。
在对结构进行打孔前,应先应探明主筋和预应力筋的位置,量距钻孔。
以免钻伤(断)原受力钢筋和预应力筋。
3、钻孔植埋螺栓:在粘钢区域沿粘贴钢板长度方向按照图纸间距钻孔植埋一直径12mm 的高强度螺栓,孔深为8cm。
植埋螺栓钻孔打孔前,应用钢筋混凝土保护层测试仪擦明底板预应力波纹管以及钢筋分布,避免钻孔盲孔石触及。
对钻好的孔先用压缩空气由孔底向孔外清理孔内浮尘,再用甲苯或工业丙酮清洗孔,晾干后涂抹一层薄薄的E44环氧树脂基液,向盲孔内三分之一孔深的环氧胶泥,然后将经除油清洗晾干并涂有一层环氧树脂基液薄浆螺栓缓慢转动插入,最后补填环氧胶泥使孔口填塞饱满。
4、打磨粘结面的钢板表层:对于粘贴结合面,钢板生锈或轻微锈蚀,可用喷砂、砂布或平砂轮打磨,直至出现金属光泽。
打磨粗糙程度越大越好,打磨纹路尽量与钢板受力方向垂直,然后用脱脂棉沾酒精将钢板粘贴擦拭干净;5、粘接胶的配制:粘接剂使用前应进行现场质量检查,合格后方可使用,按产品使用说明书规定配制。
注意搅拌时应避免雨水进入容器,按同一方向进行搅拌,容器内不得有油污。
6、钢板粘贴:用抹刀将已经拌和好的胶抹在已经处理好的砼表面以及待粘贴钢板的表面。
为使胶能充分浸润、渗透、扩散、粘附于结合面,先用少量胶体在结合面来回刮抹数遍,再添抹至所需厚度(2~4mm),胶体成中间厚边缘薄状,然后将钢板粘贴于预定位置。
将钢板粘贴以后,立即加垫片,紧固螺母。
螺母紧固时应交替进行,使多余的胶沿板边挤压出来,达到密贴的效果。
粘钢加固的施工工艺流程和注意事项下载温馨提示:该文档是我店铺精心编制而成,希望大家下载以后,能够帮助大家解决实际的问题。
文档下载后可定制随意修改,请根据实际需要进行相应的调整和使用,谢谢!并且,本店铺为大家提供各种各样类型的实用资料,如教育随笔、日记赏析、句子摘抄、古诗大全、经典美文、话题作文、工作总结、词语解析、文案摘录、其他资料等等,如想了解不同资料格式和写法,敬请关注!Download tips: This document is carefully compiled by theeditor.I hope that after you download them,they can help yousolve practical problems. The document can be customized andmodified after downloading,please adjust and use it according toactual needs, thank you!In addition, our shop provides you with various types ofpractical materials,such as educational essays, diaryappreciation,sentence excerpts,ancient poems,classic articles,topic composition,work summary,word parsing,copy excerpts,other materials and so on,want to know different data formats andwriting methods,please pay attention!粘钢加固施工工艺流程及注意事项详解在建筑工程中,粘钢加固是一种常见的结构补强技术,它通过将钢板粘贴在混凝土结构表面,以提高结构的承载力和抗震性能。
梁粘钢板加固施工要点
梁粘钢板加固是一种常用的结构加固方法,可以有效提高梁的承载能力和抗震性能。
在进行梁粘钢板加固施工时,需要注意以下要点:
1. 施工前的准备工作:
在进行梁粘钢板加固施工之前,必须进行详细的结构检测和评估,确保加固的必要性和可行性。
同时,还需对施工现场进行安全评估,并制定详细的施工方案和安全措施。
2. 材料选择和准备:
选择合适的粘结剂和粘钢板材料,确保其质量和性能符合相关标准和规范要求。
在施工前,需要对粘钢板进行清洗和防锈处理,以确保粘结的牢固性。
3. 施工工艺:
首先,将粘结剂涂刷在梁的表面上,然后将预先处理好的粘钢板粘贴在涂刷了粘结剂的梁面上。
在粘贴过程中,要确保粘钢板与
梁表面紧密贴合,并排除空气和水分。
粘贴完毕后,需要按照要求进行固化处理。
4. 施工质量控制:
在施工过程中,必须进行严格的质量控制。
对每一道工序都要进行验收,并及时处理施工中发现的问题。
同时,要做好施工记录和检测报告的记录,以备后续参考。
5. 施工后的检测和评估:
在梁粘钢板加固施工完成后,需要进行详细的检测和评估,以验证加固效果和质量。
如果发现施工存在问题或加固效果不理想,需要及时进行修复或改进。
梁粘钢板加固施工是一项技术性较强的工程,需要专业的施工队伍和合理的工艺流程。
在施工过程中,务必按照相关标准和规范进行操作,以确保施工质量和施工安全。
以上是梁粘钢板加固施工的要点,希望对您有所帮助。
1.材料要求(1)粘贴钢或外粘型钢的胶黏剂必须采用专门配制的改性环氧树脂胶黏剂,其性能检验指标必须符合表13.3-1的规定。
(2)桥梁结构锚固用的胶黏剂,必须规定采用专门配制的改性环氧树脂或该性乙烯基酯类胶黏剂(包括改性氨基甲酸酯胶黏剂),起安全性检验指标必须符合表13。
3—2的规定。
种植锚固件的胶黏剂,其填料必须在工厂制胶时添加,武汉朗晟工程提醒严禁在施工现场掺入。
不得使用以水泥和微膨胀剂为主要成分配制的锚固剂作为黏结材料。
(3)混凝土桥梁加固用的胶黏剂,其钢—钢粘结抗剪性能必须湿热老化检验合格,达到A级胶要求。
湿热老化检验应在50 ℃温度和98%相对温度的环境条件下进行;老化时间:不得少于90d.(4)混凝土结构加固用的胶粘剂在进入市场前必须通过无毒卫生等级的要求。
(5)在承重结构用的胶粘剂中严禁使用乙三胺作改性环氧树脂固化剂,严禁掺加挥发性有害溶剂和非反应性稀释剂。
(1)施工顺序用优质高分子树脂灌住裂缝→清洗并平整粘贴部位表面,植入固定钢板的螺栓→钢板粘合面处理→安装并固定钢板(调好压胶间隙)→用胶泥封边→压入粘钢胶→凝固→钢板防锈处理→外表面钢板缝隙用修补胶填平→涂装.(2)钢板固定好后应收螺栓。
(3)植螺栓钻孔时,应先探明主筋位置,量距钻孔,以免钻伤(断)原受力钢筋.(4)粘贴钢板,需严格控制外形尺寸,确保整齐美观。
(5)防锈漆建议采用寿命10年以上的油漆,以减少养护工作量.(1)在指定的位置植入M12的锚固螺栓(植入深度按设计图要求),植入孔应清理干净,植入螺栓的粘合剂符合规范要求,施工工艺必须符合植栓要求。
(2)植入螺栓用的粘合剂符合下列要求:①等粘合剂固化后,抗拉力达到如下要求,M12螺栓抗拔力设计值为24kn;②要求粘合剂有耐高温性;③要求粘合剂的耐久性达50年以上.按粘合剂生产供应商规定的固化时间养护至固化后,进行检验验收.(1)待粘结部位的混凝土表面应清凿平顺、坚硬干净;(2)钢板除锈要彻底,且表面应有一定的粗糙度;(3)慎重选择胶粘料,配胶要精确.(4)粘贴前在混凝土上钻孔并安装锚固螺栓(兼作固定和压紧件)要求埋设牢固,具有可靠的抗拔力,以保持粘贴钢板时有效地加固,有利于粘贴的耐久作用;(1)钢板焊接采用对焊,要求焊透,施焊时应采用引弧板和引出板以避免焊缝起落弧产生缺陷,焊接质量等级为一级;(2)对接焊采用埋弧自动焊焊接,应一次连续施焊完毕,同一位置补焊不得超过2次。
梁粘贴钢板加固工程本工程后加固采用粘钢进行施工,加固施工必须由具备“特种专业工程专业承包企业资质”的专业队伍施工。
加固改造施工完毕后方可进行续建楼层或其设计结构施工。
加固的主要部位有框架梁加固。
一、施工工艺钢板在加工厂定尺加工运至现场→混凝土表面→放线、沿线→电锤打锚栓孔→清理粘钢砼结构面→钢板拼装焊接、焊缝打磨、钢板除锈→涂胶粘钢(梁→刷防锈漆→验收1、钢板加工1)、根据图纸所要求的尺寸下钢板料。
2)、根据植筋的分布,在钢板相应位置钻孔。
2、混凝土表面清理a)、应清除被加固构件表面的剥落、疏松、蜂窝、腐蚀等劣化混凝土,并用修复材料将表面修复平整。
b)、被粘贴的混凝土表面应打磨平整,除去表层浮浆、油污等杂志,直至完全露出混凝土结构新面、混凝土表面应清理干净并保持干燥。
3、放线、验线1)、放出钢板粘贴位置线点位置线。
2)、现场技术员(工长)复核方向无误后,方可开始施工。
4、钻孔1)、根据施工图纸及加工好的钢板孔位,确定植栓位置钻孔规格。
2)、接好电锤电源,进行钻孔施工。
5、清理粘钢砼结构面1)、用角磨机打磨砼表面2)、用吹风机将砼表面浮尘吹掉。
3)、请业主、监理、总包负责人,对打磨后的砼表面进行验收。
4、拼装焊接、打磨、钢板除锈1)、在需要粘钢的位置将下好的钢板拼装好,拼装好后的钢板位置与实际位置偏差不允许大于规范允许偏差。
2)、钢板表面打磨:钢材粘接面,需要进行除锈和粗糙处理,用砂轮磨光机打磨出金属光泽。
打磨粗糙度越大越好,打磨纹路应与钢材手里方向垂直,其后用棉丝沾丙酮擦拭干净。
3)、报请监理或总包验收,合格后方可进行粘钢作业。
5、配制结构胶1)严格按照结构胶说明书提供的配比配制,搅拌均匀后方可使用,一次配胶量不宜过多,已40-50分钟用完为宜。
6、粘贴钢板1)用小铲刀将配制好的结构胶均匀涂抹在钢材表面和砼表面上,抹胶厚度1-3mm,中间厚,边缘薄。
将钢材粘贴到砼表面,粘贴到位后,立即用夹具或支撑固定,并遂步加压,使胶从钢材边缘挤出,同时要不断清理挤出的胶。
粘贴钢板加固施工方案1. 引言粘贴钢板加固是一种常用的结构加固方法,通过在混凝土结构表面粘贴钢板,以增加结构的承载能力和抗震性能。
本文将介绍粘贴钢板加固的施工方案,包括施工材料、施工工序和施工注意事项等。
2. 施工材料在进行粘贴钢板加固施工前,需要准备以下材料:•粘结剂:常用的粘结剂有环氧树脂和聚合物修补材料等,选择合适的粘结剂要考虑钢板和混凝土的粘结强度要求以及施工条件等因素。
•钢板:钢板的材质可以选择碳钢、不锈钢等,应根据实际工程要求来选择合适的钢板厚度和尺寸。
•表面处理材料:在施工前需要对混凝土结构表面进行处理,以提高粘结性能。
常用的表面处理材料有清洁剂、酸洗剂、离型剂等。
•工具:常用的施工工具有刷子、滚筒、刮刀、胶刮等。
3. 施工工序具体的施工步骤如下:3.1 表面处理1.清洁混凝土结构表面,去除灰尘、污垢和松散物。
2.使用酸洗剂处理混凝土表面,以去除油污和氧化物,同时增加混凝土表面的粗糙度。
3.冲洗混凝土表面,确保酸洗剂彻底被冲洗掉。
4.在施工前,需要对混凝土表面施加离型剂,以便后续施工时容易剥离。
3.2 粘结剂涂覆1.按照粘结剂的使用说明,将粘结剂与固化剂按照一定比例混合均匀。
2.使用刷子或滚筒将混合好的粘结剂涂覆在钢板上。
3.将涂覆好粘结剂的钢板粘贴在混凝土结构表面上,用力压实,以确保粘结剂与混凝土表面充分接触。
3.3 确定钢板位置和间距1.根据设计图纸要求,确定钢板的位置和间距,并进行标注。
2.使用胶刮将一定厚度的粘结剂均匀涂覆在钢板和混凝土表面之间,以填充空隙。
3.粘贴下一块钢板时,要注意保持钢板间距一致,并使用合适的工具进行调整,确保钢板的平整度和垂直度。
3.4 后续处理1.在钢板粘贴结束后,需要对施工面进行保护,可以使用保护剂进行处理。
2.根据施工要求和工程性质,可能需要对钢板进行喷涂防腐、防水等处理。
4. 施工注意事项在进行粘贴钢板加固施工时,需要注意以下事项:•施工人员应按照相关要求进行安全防护工作,包括佩戴安全帽、防护眼镜、安全手套等。
粘钢板加固施工方案1. 引言粘钢板加固是一种常见的结构加固方法,通过使用粘结剂将钢板黏贴在结构表面,增加结构的强度和稳定性。
本文档将介绍粘钢板加固施工方案。
2. 施工材料和工具在进行粘钢板加固施工前,我们需要准备以下材料和工具:•粘结剂:选择适合结构的高性能结构胶或环氧树脂胶。
•钢板:选择适宜厚度和尺寸的钢板,通常采用碳钢或不锈钢材质。
•表面处理剂:用于清洁和处理结构表面,确保黏结效果。
•清洁工具:如刷子、刮刀等清洁工具,用于清理结构表面。
•彩色标记笔:用于标记施工区域。
•个人防护装备:包括手套、护目镜等个人防护装备。
•电动工具:如电钻、电锯等。
3. 施工准备在进行粘钢板加固施工前,我们需要进行以下准备工作:3.1 结构检查在施工前,需要对待加固的结构进行仔细检查,确保结构没有明显的损坏或裂缝,以保证加固效果和施工安全。
3.2 表面处理在进行粘钢板加固前,需要将结构表面进行清洁和处理。
首先,使用清洁工具彻底清除结构表面的灰尘、污垢和油脂。
然后,使用表面处理剂对结构表面进行处理,以提高粘结效果。
在进行粘钢板加固前,需要对钢板进行准备。
首先,根据结构尺寸和形状,将钢板剪切成适当的尺寸。
然后,对钢板表面进行清洁,确保表面光滑和清洁,以提高粘结效果。
4. 施工步骤粘钢板加固的施工步骤如下:4.1 打标记使用彩色标记笔在结构上标记粘钢板的位置和尺寸。
这有助于保证施工的准确性和一致性。
4.2 涂胶将粘结剂均匀涂布在钢板和结构表面上。
注意,涂胶时要确保完全覆盖整个接触面,并保持一定的厚度。
将涂胶的钢板粘贴到结构表面上,按照标记的位置和尺寸进行对齐。
在粘贴过程中,可以使用适当的工具和辅助材料,如压块、压力机等,帮助确保钢板与结构紧密粘合。
4.4 完成固化根据粘结剂的固化时间和工作环境条件,等待涂胶固化。
期间,需要避免外力振动或其他不必要的干扰。
4.5 粗加工和涂漆在涂胶固化后,对粘钢板进行粗加工,如修剪边缘,并进行结构表面的涂漆,以防止腐蚀和提高美观度。
粘贴钢板加固施工方法
在建筑物的使用过程中,由于各种原因,可能会出现结构受损的情况,这时需要进行加固处理。
其中一种常用的加固方法就是粘贴钢板加固。
下面介绍一下具体的施工方法。
1. 准备工作
在进行粘贴钢板加固之前,需要先进行准备工作。
首先要对受损结构进行检查,确定加固的位置和范围。
然后要对加固区域进行清理,去除松散的杂物和灰尘,确保表面干净、平整。
最后要准备好所需的材料和工具,包括钢板、胶水、刷子、滚筒等。
2. 粘贴钢板
将准备好的钢板按照加固位置和范围进行切割,使其大小和形状与加固区域相匹配。
然后将胶水均匀地涂在钢板的背面和加固区域的表面上。
注意要将胶水涂抹均匀,避免出现空隙和气泡。
接着将钢板贴在加固区域上,用滚筒将其压平,使其与原结构紧密贴合。
在粘贴过程中要注意控制胶水的用量,避免过多或过少。
同时要注意钢板的位置和方向,确保其与原结构的力线方向一致。
3. 后续处理
在粘贴钢板完成后,需要进行后续处理。
首先要等待胶水干燥,一
般需要等待24小时左右。
然后要对加固区域进行涂漆处理,使其与原结构颜色和质感一致。
最后要对加固效果进行检查,确保其符合设计要求和安全标准。
粘贴钢板加固是一种简单、有效的加固方法,可以在不拆除原结构的情况下提高其承载能力和稳定性。
在进行施工时要注意掌握好每个环节,确保加固效果和施工质量。
粘贴钢板施工工艺及注意事项
1.工艺流程、操作要点
定位放线→混凝土表面处理→钢板下料、打磨、钻孔→植螺栓→钢板预贴→配胶→涂胶→粘贴加压→固化养护→检查、验收
(1).定位放线
首先按照设计图纸要求并根据现场实际情况,在图纸所示粘钢部位放出粘贴钢板位置线。
(2).混凝土表面处理
用角磨机对混凝土粘合面进行打磨,去掉2-3mm表层,用压缩空气除去粉尘,粘贴前用清洗剂擦拭干净。
(3)钢板下料、打磨、钻孔
用等离子切割机将钢板裁成设计要求宽度,凡需螺栓固定的钢板,均需按照螺栓位置先钻孔,孔径及位置要符合设计要求。
对于钢板交叉重叠部分,后粘钢板均需预先成型以保证粘贴钢板敷实、平整。
钢板粘接面,须进行除锈和粗糙处理,可用角磨机打磨,打磨纹路应与钢板受力方向垂直。
(4)螺栓
按设计图纸要求的数量和位置在加固的梁上安装化学螺栓,根据钢板钻孔位置进行钻孔,当遇到钢筋时,适当调整钻孔位置。
(5)钢板预贴
在涂胶、粘胶前,先将钢板进行试安装,钢板应与混凝土面和螺栓吻合;检查钢板粘贴位置及螺栓孔位是否对正,否则进行调整。
(6)涂胶、粘贴、加压
将钢板与混凝土基面用丙酮擦洗干净,用抹刀将配好的胶同时涂抹在已处理好的混凝土表面和钢板面上,厚度为1-3mm,中间厚边缘薄,然后将钢板贴于预定位置,用螺栓紧固、施压,并用手锤沿粘贴面轻轻敲击钢板,如无空洞声,表示已粘贴敷实,否则应剥下钢板,重新粘贴。
对于重叠粘贴的钢板,应在第一层粘贴钢板达到强度后再进行第二层的粘贴。
(7)固化养护
结构胶在常温下(5-20℃)可自然固化。
夏季施工,1天后即可加载施工,3
天后可以达到最大设计使用荷载。
(8)检查、验收
a. 外观检查
采用目测定性评价,要求完成粘贴钢板施工后的钢板曲线与桥型一致、美观、均匀。
b. 空鼓率的检测
可用锤击法或其他有效探测法进行检查。
按检查结果推定的有效粘贴面积不应小于总粘贴面积的95%。
c. 混凝土-钢板黏结强度指标检测
钢板与原构件混凝土间的正拉粘结强度应符合《混凝土结构加固工程施工验收规范》GB50550-2010规定的合格指标要求。
若不合格,应揭去重贴,并重新检查。
2.化学锚栓设计及安装参数
(1) 化学锚栓技术参数
螺杆尺寸螺杆应力截面积(mm2) (mm2) 抗拉力(KN) 抗剪力(KN) 平均破坏锚固力(KN) 钻孔直径D(mm) 钻孔长度h(mm)
M12×16084.3 17.4 17.8 70 14 110
M24×300353 60 74.2 230 28 210
注:表中数据采用5.8级镀锌螺杆,屈服强度400MPa,抗拉强度500MPa (2) 化学锚栓施工温度与固化时间关系
施工温度可操作时间固化时间
-5℃20min 300min
5℃12min 90min
15℃5min 45min
25℃3min 25min
35℃2min 15min
3.化学锚栓使用方法
(1). 根据工程设计要求,在混凝土中相应位置钻孔,孔径、孔深及螺栓直径应由专业技术人员或现场试验确定。
(2). 用硬毛刷刷孔壁,再用干净无油的压缩空气吹出灰尘,如此反复进行不少于3次。
必要时可用干净棉布沾少量丙酮或酒精擦净孔壁。
(3). 保证螺栓表面洁净、干燥、无油污。
(4). 确认玻璃管锚固包无外观破损、药剂凝固等异常现象,将其圆头朝内放入锚固孔并推至孔底。
(5) .使用电锤或电钻及专用安装夹具,将螺杆强力旋转插入直至孔底,以达到击碎玻璃管并强力混合锚固药剂的目的。
电锤或电钻的转速应调至慢速档,且不应采用冲击方式。
安装时必须使用电动工具以使药剂充分混合;使用重锤或扳手人工强行将螺杆锤入,将无法发挥药剂作用,必须制止。
(6).当旋至孔底或螺栓上标志位置时,立刻停止旋转,取下安装夹具,凝胶后至完全固化前避免扰动。
超时旋转将导致胶液流失,影响锚固力。
(7).外观检查固化是否正常。
重要部位的螺栓需进行现场抗拔试验,检验其锚固力是否满足要求;合格后方可进行下一道工序的施工。
4.化学锚栓的包装、储存及使用安全注意事项
避光贮存在阴凉(5-25℃)、干燥的库房内,不得损坏包装或雨淋,有效贮存期为4个月。
可参照二级危险品运输或储存。
施工人员应采取必要的安全防护措施(如配戴口罩、手套、护目镜、安全帽等),现场注意防火并保持良好的通风。
内装药剂若不慎误食或溅入眼睛,请用大量清水稀释并立即就医。
5.粘贴钢板(或压紧条)注意事项
(1)施工时,须特别注意环境保护,避免因施工对环境造成污染。
施工中产生的废弃物应及时清理,避免产生污染,尤其避免污染相邻车道路面。
(2)粘钢混凝土表面清理干净,露出新鲜混凝土表面,无粉尘,无污物。
(3)所粘钢板的抹胶表面,必须打磨出金属光泽。
(4)钢板粘贴应在夜间交通量较小时进行,以减小震动,利于粘结胶粘合固化。
(5) 粘剂固化后不准在粘贴构件上进行焊接等高温作业,如有焊接,先焊接,降至室温后再粘贴。