制造许可证等级
- 格式:doc
- 大小:40.50 KB
- 文档页数:5
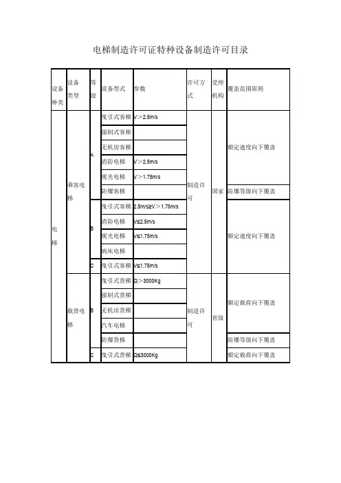
乘客电梯制造许可证等级划分
额定速度向下覆盖
曳引式客梯 V>2.5m/s
强制式客梯
A级无机房客梯
消防电梯 V>2.5m/s
观光电梯 V>1.75m/s
防爆等级向下覆盖
A级防爆客梯
额定速度向下覆盖
曳引式客梯 2.5m/s≥V>1.75m/s B级消防电梯 V≤2.5m/s
观光电梯 V≤1.75m/s
病床电梯
额定速度向下覆盖
C级曳引式客梯 V≤1.75m/s
液压电梯制造许可证级别分类
B(国家)液压客梯额定速度向下覆盖
防爆液压客梯防爆等级向下覆盖C(省级)液压货梯额定载荷向下覆盖
防爆液压货梯防爆等级向下覆盖杂物电梯 C 额定载荷向下覆盖
载货电梯制造许可证级别分类
载货电梯(省级)额定载荷向下覆盖
曳引式货梯 Q>3000Kg B 强制式货梯
无机房货梯
汽车电梯
防爆等级向下覆盖
B 防爆货梯 Q>3000Kg
额定载荷向下覆盖
C 曳引式货梯 Q≤3000Kg。
电梯制造许可证级别划分及要求电梯制造许可证是指在中国境内生产、销售和使用电梯产品时,必须经过相关部门的审批和授权,取得的证书。
电梯制造许可证的级别划分主要根据企业资质、技术水平和质量管理体系等方面进行评定。
以下将详细介绍电梯制造许可证的级别划分及要求。
一、一级电梯制造许可证一级电梯制造许可证是最高级别的许可证,可以生产、销售和使用各类电梯产品。
获得一级电梯制造许可证的企业需要满足以下要求:1.具备完备的技术研发能力,能够自主研发和生产各类电梯产品;2.拥有先进的生产设备和工艺,确保产品质量合格;3.具备丰富的生产经验和技术人员队伍,能够提供专业的售后服务;4.建立健全的质量管理体系,确保产品的质量和安全性;二、二级电梯制造许可证二级电梯制造许可证是次高级别的许可证,可以生产、销售和使用某些类型的电梯产品。
获得二级电梯制造许可证的企业需要满足以下要求:1.拥有一定的技术研发和生产能力,能够生产一部分类型的电梯产品;2.生产设备和工艺能够满足产品质量的要求;3.具备一定的生产经验和技术人员队伍,能够提供基本的售后服务;4.建立初步的质量管理体系,对产品质量进行基本控制;三、三级电梯制造许可证三级电梯制造许可证是最低级别的许可证,只能生产、销售和使用特定类型的电梯产品。
获得三级电梯制造许可证的企业需要满足以下要求:1.有一定的生产能力,能够生产特定类型的电梯产品;2.生产设备和工艺能够满足产品质量的基本要求;3.具备一定的生产经验和技术人员队伍,能够提供基本的售后服务;4.建立基本的质量管理体系,对产品质量进行基本控制;除了上述的级别要求,电梯制造企业还需要满足其他相关的要求,如:1.拥有合法的企业注册资本和法人资质;2.符合国家和地方相关法律法规的规定,如《特种设备安全法》等;3.所有电梯产品必须通过国家相关部门的检测和认证,如中国特种设备检验研究院等;4.建立完善的产品质量追溯体系,确保问题电梯能够及时排查和召回;5.严格遵守产品质量和安全管理要求,确保产品的质量和使用的安全性。
中华人民共和国特种设备制造许可证等级及执业范围特种设备是指在使用过程中可能产生危险的压力容器、锅炉、压力管道、起重机械、电梯等设备。
为保障公共安全,中华人民共和国规定特种设备制造必须取得相应的制造许可证,并分为不同的等级和执业范围。
特种设备制造许可证分为A、B、C三个等级,其说明如下:一、特种设备制造许可证A级A级许可证是指制造能力强、生产技术先进、产品质量稳定可靠的企业。
企业在申请A 级许可证时,需要具备以下条件:1.具备制造某种或某类特种设备的能力和经验,能够独立完成特种设备的设计、制造、检验和交付等全部工作;2.具备保证产品质量稳定可靠的技术、管理和检验措施,能够完成特种设备制造的品质保证工作;3.具备国内外先进的特种设备制造技术和管理经验,能够满足市场需求,提供高品质的特种设备产品。
A级许可证可以制造任何一种或多种特种设备,包括压力容器、锅炉、压力管道、起重机械、电梯等。
C级许可证只能制造某种或某类特种设备,不能跨足多个特种设备。
同时,需要注意的是,持有C级许可证的企业,不能制造重要部件、核心部件和大型特种设备。
特种设备制造许可证持有人在制造特种设备时,应当符合许可证的执业范围。
特种设备制造许可证的执业范围一般包括以下内容:1.特种设备制造的品种和型号范围;2.制造特种设备应当遵守的国家法律、法规和规范性文件;3.特种设备制造质量控制体系、产品检验、校验等要求;4.特种设备制造的生产组织、设备配备、产值等要求。
特种设备制造许可证的执业范围与许可证等级有关。
A级许可证的执业范围较广,可以制造大部分特种设备;B级许可证的执业范围相对较窄,只能制造部分特种设备;C级许可证的执业范围则更加有限。
总之,特种设备制造许可证的等级和执业范围与企业自身制造能力和产品质量等方面密切相关。
企业应当根据自己的情况申请相应的许可证等级,严格按照许可证的执业范围制造产品,确保特种设备的质量和安全,为公共安全保驾护航。
新规程》锅炉设备等级与制造许可证等级摘要:I.引言- 简要介绍《锅炉设备等级与制造许可证等级》的新规程II.锅炉设备等级- 定义锅炉设备等级- 分析A、B、C、D四个等级的锅炉设备III.制造许可证等级- 定义制造许可证等级- 分析A、B、C三个等级的制造许可证IV.两者之间的关系- 阐述锅炉设备等级与制造许可证等级之间的关联- 说明两者结合使用的效果V.结论- 总结新规程对锅炉设备等级与制造许可证等级的影响和意义正文:《锅炉设备等级与制造许可证等级》的新规程于2021年正式实施,旨在规范锅炉设备的制造和使用,保障人民群众的生命财产安全。
本文将围绕这一新规程,详细介绍锅炉设备等级与制造许可证等级的相关内容。
首先,我们需要了解锅炉设备等级的定义。
锅炉设备等级是指根据锅炉设备的参数、结构、材料、工艺等因素划分的等级,用以表示锅炉设备的安全性、可靠性和技术水平。
根据新规程,锅炉设备等级分为A、B、C、D四个等级,其中A级最高,D级最低。
接下来,我们分析A、B、C、D四个等级的锅炉设备。
A级锅炉设备具有较高的安全性和可靠性,适用于高温、高压、大容量等复杂工况;B级锅炉设备适用于一般工况,安全性和可靠性较高;C级锅炉设备适用于较低温度、压力等简单工况,安全性和可靠性要求较低;D级锅炉设备主要用于加热、保温等非承压系统,安全性和可靠性要求最低。
然后,我们来了解制造许可证等级。
制造许可证等级是指根据锅炉设备制造企业的技术能力、生产设施、质量管理等因素划分的等级,用以表示制造企业是否具备生产相应等级锅炉设备的能力。
根据新规程,制造许可证等级分为A、B、C三个等级,其中A级最高,C级最低。
在了解锅炉设备等级和制造许可证等级的定义后,我们来看两者之间的关系。
新规程明确规定,锅炉设备等级应与制造许可证等级相匹配。
也就是说,只有具备相应制造许可证等级的企业,才能生产相应等级的锅炉设备。
这样的规定有助于提高锅炉设备的安全性和可靠性,保障人民群众的生命财产安全。
中华人民共和国特种设备制造许可证
(电梯)
简介:按种类分,有乘客、载货、液压、杂物、特殊、进口电梯和自动扶梯、自动人行道及安全保护装置等不同种类。
每种电梯按参数和类别分为A、B、C三级。
乘客电梯按额定速度,载货电梯按额定载荷,防爆电梯按防爆等级,自动扶梯按高...
按种类分,有乘客、载货、液压、杂物、特殊、进口电梯和自动扶梯、自动人行道及安全保护装置等不同种类。
每种电梯按参数和类别分为A、B、C三级。
乘客电梯按额定速度,载货电梯按额定载荷,防爆电梯按防爆等级,自动扶梯按高度,自动人行道按长度向下覆盖。
电梯制造许可级别划分如下:
《中华人民共和国特种设备安装改造维修许可证》
(电梯)A、B、C级资质具体范围
A级:可安装改造维修乘客电梯、载货电梯、液压电梯、杂物电梯、自动扶梯、自动人行道,技术参数不限。
B级:可安装改造维修额定速度不大于2.5m/s、额定载重量不大于5t 的乘客电梯,载货电梯、液压电梯、杂物电梯,以及所有技术参数等级的自动人行道和自动扶梯。
C级:可安装改造维修:额定速度不大于1.75m/s,额定载重量不大于3t的乘客电梯,载货电梯,以及所有技术参数等级的杂物电梯、自动人行道和提升高度不大于6m的自动扶梯。
中华人民共和国特种设备制造许可证等级
中华人民共和国特种设备制造许可证等级分为一级、二级和三级。
这些等级是
根据特种设备制造企业的生产技术、管理水平和质量控制体系等方面来确定的。
一级特种设备制造许可证是由中国特种设备安全协会颁发的最高等级许可证。
持有一级许可证的企业需要具备先进的生产技术和设备,拥有丰富的制造经验,并且有严格的质量控制体系。
这些企业的产品质量和安全性能在行业内处于领先地位。
二级特种设备制造许可证是由各省级特种设备安全监督管理部门颁发的。
持有
二级许可证的企业需要具备较高的生产技术和设备,以及相应的质量控制措施。
这些企业的产品在市场上享有一定的信誉度,能够满足一定的生产需求。
三级特种设备制造许可证是由各地市特种设备安全监督管理部门颁发的。
持有
三级许可证的企业需要具备基本的生产技术和设备,并且能够按照相关规定进行质量控制。
这些企业主要满足本地区的特种设备制造需求。
中华人民共和国特种设备制造许可证等级的设立,旨在提高特种设备制造企业
的生产技术和管理水平,保障特种设备的质量和安全。
持有许可证的企业需要遵守相关法律法规,加强质量控制,确保产品符合国家标准和行业标准。
只有经过严格审核和评估的企业才能获得许可证,这也为用户选择可靠的特种设备提供了依据。
总之,中华人民共和国特种设备制造许可证等级是根据企业的技术和管理能力
来划分的,并且具有相应的法律效力。
这一制度的实施不仅可以提高特种设备制造行业的整体水平,也能够保障用户的利益和安全。
新规程》锅炉设备等级与制造许可证等级
(原创实用版)
目录
一、新规程的概述
二、锅炉设备等级与制造许可证等级的关系
三、A 级锅炉制造许可范围的具体内容
四、新规程的实施时间和对行业的影响
正文
一、新规程的概述
近日,我国发布了《锅炉制造、安装许可参数级别(最新)》的新规程,旨在对锅炉设备的制造和安装进行更为严格的监管,确保锅炉设备的质量和安全性能。
该规程于 2022 年 6 月 1 日起正式实施。
二、锅炉设备等级与制造许可证等级的关系
根据新规程,锅炉设备分为 A、B、C 三个等级,其中 A 级锅炉为最高级别,要求制造企业的技术水平、生产工艺、质量管理体系等必须达到相应的标准。
而制造许可证等级则分为一、二、三级,其中一级为最高级别,要求企业的生产能力和质量管理体系必须达到相应的标准。
三、A 级锅炉制造许可范围的具体内容
A 级锅炉制造许可范围包括锅筒、集箱、蛇形管、膜式壁、锅炉范围内管道及管道元件、鳍片式省煤器等关键部件的制造。
此外,其他 A 级承压部件的制造也由上述制造许可覆盖,不单独进行许可。
四、新规程的实施时间和对行业的影响
新规程《锅炉制造、安装许可参数级别(最新)》于 2022 年 6 月 1 日起正式实施。
实施后,将对锅炉行业产生深远影响,促使企业提高技术
水平、改进生产工艺、完善质量管理体系,以满足新规程的要求。
新规程》锅炉设备等级与制造许可证等级摘要:I.引言- 简要介绍《锅炉设备等级与制造许可证等级》的新规程II.锅炉设备等级- 1.设备等级的划分- 2.各级设备的特点和应用场景III.制造许可证等级- 1.等级划分及对应的设备类型- 2.取得制造许可证的条件和程序IV.新规程对行业的影响- 1.对锅炉制造业的促进和规范作用- 2.对设备使用单位的指导意义V.总结- 简要总结新规程的意义和作用正文:《锅炉设备等级与制造许可证等级》的新规程对锅炉行业的发展具有重要意义。
该规程对锅炉设备的等级进行了详细划分,并对制造许可证等级进行了明确。
本文将对新规程的主要内容进行详细阐述。
首先,新规程对锅炉设备等级进行了明确规定。
设备等级分为A、B、C、D四类,其中A级设备为最高等级,D级设备为最低等级。
各级设备的特点和应用场景各不相同。
A级设备适用于高压、高温、大容量等特殊工况,具有较高的安全性和稳定性;B级设备适用于中压、中温等一般工况;C级设备适用于低压、低温等较为简单的工况;D级设备主要用于家庭和商业用途。
其次,新规程对制造许可证等级进行了明确。
制造许可证分为A、B、C、D四个等级,分别对应A、B、C、D级设备。
取得制造许可证的条件和程序包括企业资质、生产设备、技术人员、质量管理体系等方面。
只有满足一定条件的企业才能申请相应的制造许可证。
新规程的实施对锅炉制造业产生了积极的促进和规范作用。
一方面,新规程为锅炉设备提供了明确的等级划分,有助于企业根据自身实力选择合适的设备等级,提高产品质量和竞争力;另一方面,新规程对制造许可证等级进行了明确,有助于规范市场秩序,遏制低质量产品的生产与销售。
同时,新规程对设备使用单位也具有指导意义。
使用单位可以根据设备等级和制造许可证等级选择合适的锅炉设备,确保设备安全、稳定、高效运行。
总之,《锅炉设备等级与制造许可证等级》的新规程对锅炉行业的健康发展具有重要意义。
《新规程》锅炉设备等级与制造许可证等级1. 简介在新规程下,作为锅炉设备制造企业,必须了解和遵守相关的设备等级及制造许可证等级要求,这对企业的生产经营具有重要意义。
本文将从深度和广度的角度,全面评估新规程对锅炉设备等级和制造许可证等级的影响,并探讨如何更好地理解和应对这些要求。
2. 设备等级要求根据新规程,锅炉设备的等级划分主要包括A、B、C三个等级。
A级为最高等级,适用于制造高压锅炉和特种类型锅炉设备;B级适用于普通锅炉设备的制造;C级则适用于小型锅炉设备的制造。
企业必须根据自身的生产规模和产品特点,选择相应的等级进行制造,并承担相应的责任和义务。
3. 制造许可证等级要求除了设备等级外,新规程还明确了锅炉设备制造企业的制造许可证等级划分。
分为甲、乙、丙三个等级。
甲级为最高等级,适用于A级设备的制造企业;乙级适用于B级设备的制造企业;丙级适用于C级设备的制造企业。
企业必须取得相应的制造许可证等级,并保证在其等级范围内进行生产制造。
4. 总结回顾通过对新规程下锅炉设备等级和制造许可证等级的要求进行全面评估,我们可以更深入地理解其对企业的影响。
这不仅是一项法定要求,更是为了保障产品质量和安全,促进企业健康可持续发展的举措。
对于企业来说,要认真对待新规程,了解相关要求,履行相应的义务,同时不断提升自身的技术水平和管理水平,以适应新形势下的市场竞争。
5. 个人观点和理解作为锅炉设备制造企业,应当看到新规程对行业的规范和引导作用。
企业在遵守相关规定的也要不断加强自身的技术创新和管理提升,以适应市场的需求和变化,实现可持续发展。
以上就是对“新规程》锅炉设备等级与制造许可证等级”的深度和广度的探讨,希望对您有所帮助。
锅炉设备是工业生产中不可或缺的重要设备,其质量和安全直接关系到生产和人员的安全。
新规程对锅炉设备等级和制造许可证等级的要求,不仅是对企业的管理和制造能力的挑战,更是对产品质量和安全的保障。
在新规程下,锅炉设备制造企业需要全面了解和遵守相关的设备等级和制造许可证等级要求,确保自身的生产制造符合规定标准,达到质量和安全的可持续发展。
电梯制造许可证等级划分一、曳引与强制驱动电梯曳引与强制驱动电梯是指采用曳引或强制驱动方式的电梯,包括曳引驱动电梯和强制驱动电梯。
根据电梯额定载重量和额定速度的不同,曳引与强制驱动电梯分为A、B、C三级,其中A级电梯为最高等级,B级和C级电梯则相应较低。
不同等级的电梯对应不同的制造和安全要求。
二、无机房电梯无机房电梯是指不设置机房的电梯,其结构紧凑,运行平稳,广泛应用于高层建筑和公共设施等场合。
无机房电梯的制造许可证等级划分与曳引与强制驱动电梯相同,也分为A、B、C三级。
三、自动扶梯与自动人行道自动扶梯与自动人行道是用于人员运输的自动化设备,广泛应用于商场、机场等公共场所。
其制造许可证等级根据输送能力和自动化程度的不同而有所差异。
一般来说,自动扶梯与自动人行道的制造许可证等级分为A、B两级,其中A级为最高等级。
四、杂物电梯杂物电梯主要用于运输货物,其结构简单,运行平稳。
杂物电梯的制造许可证等级根据额定载重量和额定速度的不同而有所差异,一般分为A、B、C三级。
五、技术与质量保证技术与质量保证是电梯制造许可证等级划分的重要因素之一。
企业应具备相应的技术实力和质量保证体系,以确保所制造的电梯符合相关标准和安全要求。
企业的技术实力和质量保证能力将作为评定其制造许可证等级的重要依据。
六、安装与维保能力电梯制造企业应具备一定的安装与维保能力,以确保所制造的电梯能够正确安装和正常运行。
企业的安装与维保能力将作为评定其制造许可证等级的重要因素之一。
七、生产条件和检验手段企业的生产条件和检验手段也是评定其制造许可证等级的重要因素之一。
企业应具备相应的生产设备和检验仪器,以确保所制造的电梯符合相关标准和安全要求。
同时,企业的生产条件和检验手段也应符合相关法规和标准的要求。
八、企业业绩和信誉企业的业绩和信誉也是评定其制造许可证等级的重要因素之一。
企业应具备良好的业绩和信誉记录,能够为客户提供优质的产品和服务。
企业的业绩和信誉将作为评定其制造许可证等级的重要依据。
特种设备制造许可(分级)一、引言特种设备是指在生产、安装、调试、使用过程中,如果不符合安全技术标准、规范和程序,可能对人身、财产造成损害的锅炉、压力容器、气瓶、电梯、大型游乐设施、油气管道等设备。
为了确保特种设备安全,我国实行许可证制度,特种设备制造单位必须获得制造许可证才能生产特种设备。
根据特种设备制造单位规模、生产设备、技术水平等层次和不同特种设备的危险程度,我国对特种设备制造予以分级管理,不同等级制造单位分别适用不同的许可证制度。
二、特种设备制造许可证分级特种设备制造许可证分为A、B、C三个等级。
根据部门不同,分级的名称有所不同:•国家市场监督管理总局:A级制造许可证、B级制造许可证、C级制造许可证•国家质量监督检验检疫总局:特种设备制造许可证一级、特种设备制造许可证二级、特种设备制造许可证三级•省(区、市)市场监督管理局:制造特种设备许可证甲级、制造特种设备许可证乙级、制造特种设备许可证丙级在这三种分级中,A级(或一级、甲级)的制造许可证是最高级,C级(或三级、丙级)的制造许可证是最低级。
三、特种设备制造许可证申办要求不同级别的特种设备制造许可证的申办要求不一样,但是普遍要求含有以下方面:1. 行政许可申请表申请人必须填写《行政许可申请表》并加盖单位公章。
2. 企业资质证明企业应提供有效的企业法人登记证明文件、工商营业执照、组织机构代码证、税务登记证、特种设备制造/修理许可证等证明其具备开展特种设备制造业务的合法资格的相关证件。
3. 企业生产及质量管理体系要求申请人必须建立、实施、运行和维护完善的《特种设备制造质量管理体系文件》或《特种设备制造质量保证体系文件》,并通过国家相关部门的审核或评定,按照要求取得相应的证明。
4. 技术文件要求申请人必须按照国家有关技术标准和规范及相关技术文件的要求编制制造技术文件,并在特种设备制造许可证核发机关指定的技术服务机构进行技术文件审核。
四、特种设备制造许可证的有效期不同等级的特种设备制造许可证的有效期不同。
一、项目名称
特种设备制造单位资格许可
二、设定依据
《特种设备安全监察条例》第十四条:“锅炉、压力容器、电梯、起重机械、客运索道、大型游乐设施及其安全附件、安全保护装置的制造、安装、改造单位,以及压力管道用管子、管件、阀门、法兰、补偿器、安全保护装置等的制造单位,应当经国务院特种设备安全监督管理部门许可,方可从事相应的活动。
”
三、申请条件
申请从事特种设备制造的单位,应当具备以下基本条件:
(一) 取得工商营业执照或者当地政府依法颁发的登记、注册证件;
(二)有与制造相适应的管理人员、专业技术人员和技术工人;
(三)有与制造产品相适应的生产场地、加工设备、检测手段;
(四)有健全的质量管理体系和各项管理制度,并能有效运转;
(五)有与制造范围相适应的安全技术规范、标准;
(六)能够保证产品安全性能符合特种设备安全技术规范的基本要求。
具体条件见国家质检总局《锅炉压力容器制造许可条件》、《机电类特种设备制造许可规则》等安全技术规范。
四、实施机关
(一) 下列特种设备制造单位资格许可的受理、审批由国家质检总局负责:
1.锅炉
(1)承压蒸汽锅炉(a、b、c级);
(2)承压热水锅炉(a、b、c级);
(3)有机热载体锅炉。
2.压力容器
(1)固定式压力容器(a级);
(2)移动式压力容器(c级);
(3)气瓶(b级)。
3.压力管道元件
(1)管子、管件、阀门、法兰(a级);
(2)补偿器(a级);
(3)密封元件(a级);
(5)特种元件(a级)。
4.电梯
(1)乘客电梯(a、b、c);
(2)液压电梯(b级)。
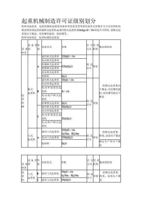
5.起重机械
(1)桥式起重机(a级);
(2)门式起重机(a级);
(3)塔式起重机(a级);
(4)流动式起重机(a级);
(5)铁路起重机(a级);
(6)门座式起重机(a级);
(7)升降机(a级);
(8)缆索起重机(a级);
(9)轻小型起重设备(a级);
(10)机械式停车设备(a级)。
5.客运索道
6.大型游乐设施
7.相关部件、安全装置
(1)与国家质检总局负责受理、审批级别的锅炉配套的部件;
(2)锅炉压力容器中直径大于或者等于1800mm的封头;
(3)电梯部件;
(4)除水位表、水位控制报警装置、压力控制报警装置、温度控制报警装置、燃烧联锁保护装置、液位计、快开门式压力容器安全联锁装置以外的安全附件和安全保护装置;
(5)锅炉压力容器用钢板、钢管、焊接材料。
(二)下列特种设备制造单位资格许可的受理、审批,由国家质检总局委托省级质量技术监督局实施:
1.锅炉
锅炉(d级)。
2.压力容器
固定式压力容器(d级)。
3.压力管道元件
(1)金属管子、管件、阀门、法兰(b级);
(2)补偿器(b级);
(3)压力管道支承件(b级).
4.电梯
(1)载货电梯(b、c);
(2)液压电梯(c级);
(3)杂物电梯(c级);
(4)自动扶梯(b、c级);
(5)自动人行道(b、c级)。
5.起重机械
(1)桥式起重机(b、c级);
(2)门式起重机(b、c级);
(3)塔式起重机b、c级);
(4)流动式起重机(b级);
(5)铁路起重机(b级);
(6)门座式起重机(b级);
(7)升降机(b级);
(8)桅杆式起重机(b级);
(9)旋臂式起重机(c级);
(10)轻小型起重设备(b、c级)。
6.相关部件、安全装置
(1)水位表、水位控制报警装置、压力控制报警装置、温度控制报警装置、燃烧联锁保护装置、液位计、快开门式压力容器安全联锁装置;
(2)锅炉压力容器中直径小于1800mm的封头;
五、许可程序
特种设备制造许可包括申请、受理、产品试制和型式试验、鉴定评审、审批、发证等程序:
(一)申请
申请制造许可的单位(以下简称申请单位)填写申请书(申请书从相关网站下载,一式四份)向许可实施机关提出申请,并附下列材料(各一份):
1.依法取得的工商营业执照或者政府有关部门依法颁发的登记、注册证件复印件;
2.有关安全技术规范规定的其他材料。
(二)受理
许可实施机关对申请材料进行审查,同意受理的在申请书上签署受理意见,返回申请单位。
不同意受理的向申请单位出具不受理通知书。
(三) 产品试制和型式试验
按照规定需要进行产品试制或者进行型式试验的,申请单位应当在受理后,准备试制产品或者进行型式试验。
(型式试验机构由国家质检总局在相关网站上公布)。
承担型式试验的单位在完成型式试验后,应当向申请单位出具型式试验报告。
(四) 约请鉴定评审机构
申请单位应当携带批准受理申请资料和相关设备的型式试验报告,约请鉴定评审机构进行现场实地鉴定评审(鉴定评审机构由国家质检总局在相关网站上公布)。
鉴定评审程序按照制造许可规则等安全技术规范进行,鉴定评审机构在完成现场实地鉴定评审工作后,向许可实施机关出具鉴定评审报告。
(五) 审批、发证
许可实施机关经过审查,履行审批程序,符合条件的颁发《特种设备制造许可证》(正、副本各一份)。
不符合条件的,向申请单位出具不予许可决定书。