灌溉施工方案
- 格式:doc
- 大小:68.00 KB
- 文档页数:16
第1篇一、项目背景随着我国农业现代化进程的加快,农业灌溉工程在农业生产中扮演着越来越重要的角色。
灌溉工程不仅能够提高作物产量,还能改善生态环境,促进农业可持续发展。
本项目旨在通过实施灌溉工程施工,提高农田灌溉效率,保障粮食安全,推动农业产业结构调整。
二、工程概况1. 工程名称:XX地区灌溉工程2. 工程地点:XX地区3. 工程规模:XX亩4. 工程内容:渠道开挖、渠道衬砌、建筑物建设、田间灌排系统改造、水质监测等5. 工程投资:XX万元三、施工组织机构1. 施工项目经理:负责全面协调、指挥和监督施工过程中的各项工作。
2. 施工技术负责人:负责施工方案、技术措施、质量标准的制定和实施。
3. 施工安全负责人:负责施工现场安全管理和安全事故处理。
4. 施工材料负责人:负责材料采购、验收、保管和供应。
5. 施工测量员:负责施工现场的测量工作。
6. 施工班组长:负责班组内部施工管理和协调。
四、施工方案1. 施工进度安排(1)渠道开挖:30天(2)渠道衬砌:60天(3)建筑物建设:90天(4)田间灌排系统改造:120天(5)水质监测:30天总计:330天2. 施工工艺(1)渠道开挖1)开挖前,对施工现场进行实地勘察,了解地形、地质、水文等条件,确定开挖方案。
2)开挖过程中,严格按照设计要求,确保渠道尺寸、坡度、弯曲半径等符合规范。
3)开挖过程中,注意边坡稳定,防止坍塌。
4)开挖完成后,对渠道底面进行平整,确保水流顺畅。
(2)渠道衬砌1)选用适宜的衬砌材料,如水泥混凝土、塑料板等。
2)衬砌施工前,对渠道底面进行平整,确保衬砌材料与底面紧密贴合。
3)衬砌施工过程中,严格按照设计要求,确保衬砌厚度、坡度、弯曲半径等符合规范。
4)衬砌完成后,对衬砌面进行抹面,提高防水性能。
(3)建筑物建设1)建筑物设计应充分考虑当地水文、地质、气象等条件,确保建筑物安全、稳定、耐用。
2)建筑物施工过程中,严格按照设计要求,确保结构尺寸、钢筋间距、混凝土强度等符合规范。
灌溉施工方案1. 简介灌溉施工方案是指在农田、花园、果园等农业生产场所进行灌溉工程建设的方案。
灌溉施工方案的设计和实施是确保农作物得到适量水源供给的重要步骤。
本文将介绍灌溉施工方案的基本步骤、主要内容以及注意事项。
2. 灌溉施工方案的步骤2.1 确定灌溉需求在进行灌溉施工方案的制定前,需要首先确定作物的灌溉需求。
这包括作物的生长周期、光照强度、土壤湿度以及温度等因素的考虑。
通过准确测定这些参数,可以确定出作物所需的水量和灌溉频率。
2.2 设计灌溉系统根据灌溉需求,设计灌溉系统是灌溉施工方案中的关键步骤。
首先需要确定水源的位置和供水能力,然后根据作物的种植方式和田地的地形地貌设计灌溉渠道和灌溉设备的布局。
2.3 施工工艺安排施工工艺安排包括确定施工的先后顺序、工艺流程和材料使用等。
根据灌溉系统的设计方案,合理安排施工顺序,确保施工工艺的连贯性和高效性。
2.4 施工实施根据施工工艺安排,实施灌溉施工方案。
施工过程中要确保施工质量,遵守相关的安全规范,严格执行设计要求。
2.5 灌溉系统调试与验收灌溉系统施工完毕后,需要进行系统的调试和验收。
通过灌溉系统的调试,确保系统的正常运行和灌溉效果的达到。
3. 灌溉施工方案的主要内容3.1 水源选择根据实际情况选择合适的水源,可以选择自然水源如河流、湖泊等,也可以选择人工水源如水泵、水井等。
水源的选择应考虑水质、水量和水源的可持续性等因素。
3.2 灌溉渠道和管网布置根据田地的地形地貌和作物的种植方式,设计合理的灌溉渠道和管网布置。
灌溉渠道的选择应具备较高的输水能力和抗渗漏能力。
3.3 灌溉设备选择根据作物的类型和灌溉需求,选择适合的灌溉设备。
常见的灌溉设备包括喷灌器、滴灌器、移动式喷灌系统等。
3.4 灌溉排水处理灌溉过程中会产生一定的排水,需要合理处理。
根据灌溉农田的特点和排水量,选择适当的排水处理方式。
4. 注意事项4.1 土壤的水分管理在制定灌溉施工方案时,需要考虑土壤的水分管理。
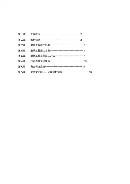
第一章工程概况-------------------------------- 2第二章编制依据-------------------------------- 2第三章灌溉工程施工部署--------------------------- 3第四章灌溉工程施工准备--------------------------- 3第五章灌溉工程主要施工方法---------------------- 4第六章技术质量保证措施--------------------------- 15第七章安全保证措施------------------------------ 16第八章安全文明施工、环境保护措施-------------------- 16第一章工程概况项目概述:****是***河的二级支流,发源于****西南******。
自西北向东南流经DSV镇、GG镇,后经HB省于ZC南汇入BJM河。
NQSHB BJ市界后称为HL河。
市内流域面积71.78km2,河长15.68km,河宽10〜50m河道平均比降0.72%。
现状河道大部分河段不足5年一遇洪水标准。
本次河道治理范围为:从STC至NQSHB BJ市境,全长15.68km。
主要工程内容:河道疏挖、新挖河槽、堤防填筑、新建跌水、巡河道路、新建雨水口、铺设截污管线以及景观绿化、管线改移等工程。
本标段为FSQNQS治理工程标段BBD桥下游770m (桩号11+500;该处为CG镇、DSW镇交界)至SMC东侧300m (桩号13+700),总治理长度2.2km。
本单位工程中灌溉分部工程,管线沿河道两岸11+500-13+700岸坡铺设,埋深1.0m、穿沟、穿河时河底埋深1.5m,管线采用dE160PVC-U硬聚氯乙烯给水管)。
穿越交通干道处,采用PE( de160)管安装采用拉管施工工艺、路面不被破坏。
灌溉管线每50m设一个2寸的快速取水阀,沿线设置4座碟阀井。
灌溉期施工方案及保证措施背景灌溉是农田水利工程中非常重要的一环,为农作物提供足够的水源是保障农业生产的关键。
在灌溉施工过程中,需要遵循一定的方案,并采取一系列的保证措施,以确保灌溉工程的顺利进行,最大限度地提高灌溉效果。
施工方案1.确定施工时间:灌溉施工一般在农作物生长的关键时期进行,以满足农作物对水分需求的同时不影响其生长和发育。
根据农作物的种植时间和生长周期,合理安排施工时间,避免与其他农田工作冲突。
2.确定施工方法:根据灌溉区域的特点和灌溉工程的规模,选择合适的灌溉方法,常见的有地面灌溉、喷灌、滴灌等。
根据农田的坡度和土壤类型,合理布置灌溉系统,确保水分均匀覆盖整个农田。
3.准备施工材料和设备:提前准备好施工所需的灌溉管道、喷头、控制器等设备,并对其进行检查和维护,确保其正常运行。
准备足够的水源,如水井、水库等,以满足施工需求。
4.施工过程控制:在施工过程中,应确保施工人员按照设计方案进行操作。
在布置灌溉系统时,要注意保持管道的坡度,确保水能顺利流动。
安装喷头时,要确保其位置合理,并根据需要调整水流量和喷射角度。
5.巡视和维护:在施工完成后,进行巡视和维护是保证灌溉工程质量的重要环节。
定期巡视灌溉系统,检查喷头、管道是否存在破损或堵塞等问题,并及时进行修复和清洗,以保证灌溉效果。
保证措施1.水源保证:在进行灌溉施工前,要确保水源充足,并解决管道输送中可能出现的漏水、浪费等问题。
在水源不足或供水不稳定的情况下,可以采取节水措施,如增加喷头的间隔,降低流量等。
2.灌溉水质保证:灌溉水质对农作物的生长影响很大,要确保灌溉水的质量符合农作物的需求。
在施工前,要对灌溉水进行水质分析,了解其中的重金属、硬度、盐分等指标,根据不同的农作物选择合适的灌溉水源。
3.施工安全保证:在施工过程中,必须重视施工安全,确保施工人员的人身安全和设备的安全。
施工人员应持证上岗,严禁违章操作。
在施工现场设置明显的安全警示标志,并配备必要的安全设施,如安全帽、防护眼镜等。
灌溉工程施工方案一、工程概况本工程为XX地区节水灌溉工程,灌溉面积共计1000亩,包括耕地和果园。
工程主要内容包括新建灌溉系统、改造原有灌溉设施、铺设输水管道、设置灌水设施等。
工程旨在提高灌溉效率,减少水资源浪费,提高农作物产量和质量。
二、施工目标1. 确保工程质量达到合格标准,满足农业生产需求。
2. 保证工程进度按计划进行,按时完成。
3. 注重环境保护,减少施工过程中对环境的影响。
4. 确保施工安全,避免安全事故发生。
三、施工准备1. 技术准备:根据工程特点和现场勘察情况,编制详细的施工方案和施工图纸,明确施工工艺和质量标准。
2. 人员准备:组织具备相关资质和经验的施工队伍,对施工人员进行技术培训和安全教育。
3. 材料准备:提前采购所需的建筑材料、设备及工具,确保施工顺利进行。
4. 设备准备:配置合适的施工设备,如挖掘机、推土机、泵车等。
5. 现场准备:对施工场地进行清理,设置施工临时设施,如办公室、宿舍、仓库等。
四、施工过程1. 基础工程施工:包括地面平整、场地准备、基础填土、基础混凝土等工作。
2. 水源工程施工:包括井口安装、泵站建设、配套的水利工程等。
3. 管网建设施工:包括管沟开挖、管道铺设、接头、焊接、水密性测试等。
4. 灌水器设施施工:包括灌水器的安装,密封测试和流量均匀性测量等。
5. 阀门和控制系统的安装施工:包括阀门和电子控制器安装、连接等。
五、施工质量管理1. 严格执行质量控制计划,确保施工质量符合要求,特别是管道的连接质量和水密性测试。
2. 定期对施工质量进行检查,发现问题及时整改。
3. 材料和设备必须符合国家相关标准和规定,确保工程质量。
六、施工安全1. 制定详细的安全施工措施,并对施工人员进行安全教育。
2. 施工现场设置安全警示标志,确保施工安全。
3. 定期对施工现场进行安全检查,消除安全隐患。
七、环境保护1. 施工过程中注意保护周边环境,减少对土壤、水源的污染。
2. 妥善处理施工废弃物,如废土、废料等。
一、工程概况本项目为某地区节水灌溉工程,旨在提高灌溉水利用率,降低水资源浪费,提高农业生产效益。
工程包括灌溉管道铺设、水源井建设、自动化控制系统安装等。
二、施工准备1. 施工人员:组织具备相关专业技能的施工队伍,包括管道铺设、水源井施工、自动化控制系统安装等工种。
2. 施工材料:根据设计要求,准备各类管道、管件、阀门、水泵、自动化控制系统设备等。
3. 施工机具:准备挖掘机、装载机、切割机、焊接机、吊车等施工设备。
4. 施工图纸:熟悉施工图纸,了解工程结构、尺寸、要求等。
三、施工工艺1. 灌溉管道铺设(1)按照设计要求,进行管道铺设施工,确保管道铺设平直、稳固。
(2)管道接口处采用焊接或法兰连接,确保连接牢固。
(3)管道安装完成后,进行试压,确保管道无渗漏。
2. 水源井建设(1)按照设计要求,进行水源井挖掘,确保井壁稳定。
(2)安装水泵,并进行调试,确保水泵运行正常。
(3)安装自动化控制系统,实现远程监控。
3. 自动化控制系统安装(1)按照设计要求,安装自动化控制系统设备,包括传感器、控制器、执行器等。
(2)调试自动化控制系统,确保各设备运行正常。
(3)进行系统联调,确保系统稳定可靠。
四、施工质量控制1. 材料质量:严格控制施工材料的质量,确保材料符合设计要求。
2. 施工工艺:严格按照施工工艺进行施工,确保工程质量。
3. 施工过程:加强施工过程管理,及时发现并解决质量问题。
4. 施工验收:严格按照施工验收标准进行验收,确保工程质量合格。
五、施工进度1. 制定施工进度计划,明确各阶段施工任务和时间节点。
2. 加强施工组织协调,确保各工序顺利进行。
3. 及时解决施工过程中出现的问题,确保工程按计划推进。
六、安全措施1. 施工现场设置安全警示标志,确保施工安全。
2. 施工人员佩戴安全防护用品,严格遵守操作规程。
3. 加强施工现场安全管理,防止事故发生。
4. 定期进行安全检查,确保施工安全。
七、环境保护1. 严格按照环保要求,进行施工废弃物处理。
灌溉与排水施工方案
灌溉与排水施工方案
一、灌溉施工方案:
1.选择合适的灌溉方式:
根据不同地区、不同作物的需水量以及灌溉条件,选择适合的灌溉方式,包括喷洒灌溉、滴灌、地面灌溉等。
2.设计灌溉系统:
根据土地的坡度、土壤状况和作物的需水量,设计灌溉系统,包括灌溉管网、喷头、滤水器等设施。
3.安装灌溉设备:
根据设计方案,安装灌溉设备,包括灌溉管线、喷头、滴灌带等。
4.进行灌溉管网调试:
安装完毕后,对灌溉管网进行调试,确保各个喷头或滴灌带的灌溉量均匀、稳定。
5.进行灌溉试验:
在灌溉正式开始之前,进行灌溉试验,观察是否达到预期的灌溉效果,对发现的问题进行调整和改进。
二、排水施工方案:
1.了解土地排水条件:
在施工前,通过勘测和研究,了解土地的排水条件,包括土壤
类型、地下水位等。
2.设计排水系统:
根据土地的排水条件,设计排水系统,包括排水管道、排水井、溢流口等,确保排除土壤中的过多水分。
3.安装排水设备:
按照设计方案,安装排水设备,包括排水管道、排水井、溢流口等。
4.进行排水系统调试:
安装完毕后,对排水系统进行调试,确保排水设备的正常运行。
5.进行排水试验:
在正式排水之前,进行排水试验,观察是否达到预期的排水效果,如有需要,对排水设备进行调整和改进。
通过以上施工方案的实施,可以有效地进行灌溉和排水工作。
灌溉的目的是给予作物合适的水分供应,促进其生长发育;排水的目的是及时排除土壤中的过多水分,防止因积水导致土壤的肥力下降和作物的发病。
为了确保施工质量,还需严格遵守相关施工规范,并进行监督和检验。
第1篇一、项目背景随着我国农业现代化进程的加快,灌溉工程在农业生产中的作用日益凸显。
灌溉工程不仅可以提高农作物产量,还可以改善生态环境,促进农业可持续发展。
本方案旨在为某灌溉工程项目提供详细的施工方案,以确保工程顺利进行,达到预期效果。
二、项目概况1. 项目名称:某灌溉工程2. 项目地点:某地区3. 项目规模:灌溉面积XX平方公里4. 项目内容:主要包括水源工程、输水工程、灌溉渠道、建筑物、泵站等。
5. 项目投资:XX万元三、施工组织设计1. 施工组织机构(1)项目经理部:负责整个项目的施工管理工作。
(2)施工队:负责具体施工任务。
(3)技术组:负责施工过程中的技术指导、监督和质量控制。
(4)安全组:负责施工现场的安全管理工作。
2. 施工进度计划根据项目特点,制定合理的施工进度计划,确保工程按期完成。
(1)施工准备阶段:1个月(2)施工阶段:5个月(3)验收阶段:1个月四、施工方案1. 水源工程(1)水源选择:选择水质良好、水量稳定的水源。
(2)水源工程包括:取水口、引水渠、泵站等。
(3)施工方法:采用挖掘机、挖掘船等设备进行施工。
2. 输水工程(1)输水管道:采用PE、PVC等塑料管道,管道直径根据灌溉面积和流量进行设计。
(2)施工方法:采用开挖沟槽、铺设管道、回填压实等工序进行施工。
3. 灌溉渠道(1)渠道形式:采用梯形渠道,渠道底宽、深度根据灌溉面积和流量进行设计。
(2)施工方法:采用挖掘机、挖掘船等设备进行施工,确保渠道顺直、平直。
4. 建筑物(1)建筑物类型:包括节制闸、分水闸、跌水、渡槽等。
(2)施工方法:采用钢筋混凝土、浆砌石等材料进行施工,确保建筑物结构安全、耐久。
5. 泵站(1)泵站类型:采用轴流泵、混流泵等。
(2)施工方法:采用预制、安装等工序进行施工。
五、施工质量控制1. 施工材料:严格按照设计要求,选用优质、合格的施工材料。
2. 施工工艺:严格执行国家相关施工规范和操作规程,确保施工质量。
一、项目背景随着我国农业现代化进程的加快,节水灌溉已成为提高农业生产效率、保障粮食安全的重要措施。
本方案旨在为某农业项目提供一套科学、高效、环保的浇灌系统,以满足农田灌溉需求,提高水资源利用效率。
二、施工内容1. 系统设计(1)灌溉区域划分:根据地形、土壤、作物等因素,将灌溉区域划分为若干个子区域,确保灌溉均匀。
(2)灌溉方式选择:根据作物需水特性,选择滴灌、喷灌、微灌等适宜的灌溉方式。
(3)水源选择:根据灌溉区域水源情况,选择地表水、地下水或雨水等水源。
2. 施工准备(1)材料设备:准备灌溉管道、阀门、过滤器、水泵、控制器、传感器等设备。
(2)人员培训:对施工人员进行灌溉系统施工、维护等方面的培训。
3. 施工步骤(1)现场勘查:了解灌溉区域地形、土壤、作物等情况,为系统设计提供依据。
(2)设备安装:按照设计要求,安装灌溉管道、阀门、过滤器、水泵、控制器、传感器等设备。
(3)系统调试:连接各设备,进行系统调试,确保灌溉系统运行正常。
(4)系统运行:根据作物需水情况,调整灌溉参数,实现精准灌溉。
三、施工要求1. 质量要求(1)严格按照设计要求进行施工,确保灌溉系统运行稳定。
(2)设备安装牢固,接口密封,防止漏水。
(3)管道布置合理,便于维护。
2. 安全要求(1)施工现场应设置安全警示标志,确保施工安全。
(2)施工人员应穿戴安全防护用品,防止意外伤害。
(3)施工过程中,严禁违规操作。
四、施工进度1. 施工准备:5天2. 设备安装:10天3. 系统调试:5天4. 系统运行:根据实际情况确定五、保障措施1. 施工单位应严格按照施工方案进行施工,确保工程质量。
2. 施工过程中,如遇问题,应及时与设计单位沟通,确保问题得到及时解决。
3. 施工完成后,对施工人员进行培训,使其掌握灌溉系统维护知识。
4. 定期对灌溉系统进行检查、维护,确保系统长期稳定运行。
本方案旨在为农业项目提供一套科学、高效、环保的浇灌系统,以提高水资源利用效率,促进农业可持续发展。
灌溉工程施工方案一、项目背景随着农业现代化的推进,高效节水灌溉成为农业发展的重要方向。
本项目旨在提高农田灌溉效率,降低农业用水成本,促进农业可持续发展。
二、工程目标1.完成灌溉系统的设计与施工,确保灌溉设施正常运行。
2.提高灌溉水利用效率,降低灌溉成本。
3.提升农田灌溉管理水平,促进农业丰收。
三、工程内容1.灌溉水源:利用现有水源,包括河流、水库、地下水等,进行合理调配。
2.灌溉渠道:对现有渠道进行改造升级,提高输水能力,减少渗漏损失。
3.灌溉设备:选用高效节能的灌溉设备,包括水泵、阀门、管道等。
4.自动化控制系统:建立自动化灌溉控制系统,实现灌溉过程的智能化管理。
四、施工步骤1.施工准备:对施工场地进行平整,搭建临时设施,确保施工顺利进行。
2.水源工程:根据水源情况,选择合适的取水方式,进行水源工程的建设。
3.渠道工程:对现有渠道进行清淤、加固、防渗处理,提高输水能力。
4.设备安装:根据设计要求,安装水泵、阀门、管道等灌溉设备。
5.控制系统建设:搭建自动化控制系统,实现灌溉过程的远程监控和智能化管理。
6.系统调试:对灌溉系统进行调试,确保设备正常运行,达到设计要求。
五、施工难点及解决方案1.渠道改造:渠道改造过程中,可能会遇到渠道老化、地基不稳定等问题。
解决方案:对渠道进行加固处理,采用新型防渗材料,提高渠道稳定性。
2.设备安装:设备安装过程中,可能会遇到设备尺寸不符、安装位置不准确等问题。
解决方案:提前进行设备尺寸测量,确保设备与施工现场的匹配性;对安装人员进行培训,提高安装精度。
3.自动化控制系统:自动化控制系统建设过程中,可能会遇到系统兼容性、稳定性等问题。
解决方案:选用成熟可靠的控制系统,进行严格的测试和调试,确保系统稳定运行。
六、施工质量保障1.严格遵循相关法律法规,确保施工质量符合国家标准。
2.建立健全施工管理制度,加强对施工过程的质量监控。
3.定期对施工人员进行技术培训,提高施工水平。
农田水利灌溉施工方案完整版.doc第一篇范本:正文:一、项目背景与目标1.1 项目背景在农业生产中,水是不可或缺的资源,对于农田灌溉而言,水利施工方案的设计和实施至关重要。
本项目旨在提供一套完整的农田水利灌溉施工方案,以农民合理利用水资源,提高灌溉效率。
1.2 项目目标本项目的目标是设计一套科学合理的农田水利灌溉施工方案,包括灌溉设施的选择、施工工艺的确定等,以满足不同农作物的灌溉需求,并保证水资源的合理利用。
二、灌溉需求分析2.1 农田灌溉水需求根据农作物的生长需求和降雨量等因素,确定农田的灌溉水需求。
灌溉水需求应根据不同农作物的生长周期和不同生长阶段进行分析,确定合适的灌溉频率和水量。
2.2 灌溉设施选择根据农田的地理条件和水资源情况,选择适合的灌溉设施,如滴灌、喷灌、渠道灌溉等。
灌溉设施的选择应结合灌溉效率、水资源利用率和经济因素等进行综合考虑。
三、施工方案设计3.1 灌溉设施布置根据农田的大小和形状,确定灌溉设施的布局,保证设施的覆盖面积和灌溉效果。
3.2 灌溉水源选择根据农田周围的水资源情况,选择合适的灌溉水源,如地下水、河流水等。
同时,要考虑水源的稳定性和可持续性。
3.3 施工工艺确定根据灌溉设施的特点和水资源的使用条件等因素,确定合适的施工工艺,包括设施的安装、调试等。
四、施工安全措施4.1 安全防护设施在施工过程中,应设置相应的安全防护设施,包括防护栏、安全帽等,以确保工人的安全。
4.2 施工现场管理建立健全的施工现场管理制度,保证施工过程中的安全和卫生。
五、附件1. 农田灌溉设施布置图纸2. 灌溉设施选择方案表格六、法律名词及注释1. 农田水利法:指规定了农田水利建设与管理的法律法规,包括灌溉水资源的利用和保护等内容。
第二篇范本:正文:一、项目背景与目标1.1 项目背景为了促进农田水利灌溉施工的科学化、规范化,本项目旨在提供一份完整的农田水利灌溉施工方案,作为农民灌溉工程的参考。
灌溉工程施工方案
目录:
1 灌溉工程施工方案概述
1.1 施工前准备工作
1.1.1 土地清理与平整
1.1.2 灌溉系统设计与布局
1.2 施工过程
1.2.1 安装水泵及管道
1.2.2 布设喷灌头
1.3 施工后维护
1.3.1 检查系统运行情况
1.3.2 定期清洗维护
灌溉工程施工方案概述
灌溉工程施工是农业生产中的重要环节,通过科学合理的施工方案,可以提高农作物的产量和质量。
在进行灌溉工程施工之前,必须做好充分的准备工作。
施工前准备工作
土地清理与平整是灌溉工程施工的第一步,必须确保施工区域平整、无障碍物,并清理杂草、石头等。
同时,需要根据农作物的需水量和土壤情况设计合理的灌溉系统,并确定管道布局方案。
施工过程
在施工过程中,首先要安装水泵及管道,保证水源充足并能够稳定供水。
接下来,根据设计方案,布设喷灌头,确保每个农作物都能够得到充分的灌溉,提高灌溉的效率。
施工后维护
施工完成后,需要定期检查灌溉系统的运行情况,确保各部件功能正常。
同时,要定期清洗维护水泵和管道,保持系统畅通,延长设备的使用寿命。
通过科学合理的施工方案和细致认真的施工过程,可以保证灌溉工程的顺利进行,提高农作物产量,为农业生产提供良好的保障。
灌溉工程施工方案一、项目概况本项目为灌溉工程施工方案,主要包括灌溉系统设计、设备选型、工程施工和监测等内容。
该项目旨在为农田提供可靠的水源,确保农作物的正常生长和产量的提高。
二、工程目标1.提供稳定可靠的灌溉水源,满足农田的灌溉需求。
2.最大限度地减少水资源浪费,提高水资源利用率。
3.提高农田的产量和品质,促进农业的发展。
三、灌溉系统设计1.水源:本项目将采用地下水作为灌溉水源,水源的选择将根据地质勘探和水文地质调查结果进行确定。
2.输水管道:对于输水管道的设计和选材,将根据水源地点的地质状况和输水距离等因素进行综合考虑,确保输水管道的稳定运行和长期使用。
3.水泵站:根据灌溉需要和水源条件,选用合适的水泵站设备,并根据实际工程需求进行数量、位置和参数的确定。
4.灌溉设备:对于农田的灌溉设备,将采用现代化的滴灌、喷灌或喷淋灌溉设备,根据具体情况选择最适合的灌溉方式。
四、设备选型1.输水管道:根据实地勘察和水文地质调查结果,选用耐腐蚀、耐压、耐磨损的管道材料,并按照施工标准和规范进行施工。
2.水泵站:根据水源条件和输送水量确定水泵的类型和数量,并选用高效节能的水泵设备,确保稳定的水源供应。
3.灌溉设备:根据农田的具体情况和作物的需求,选用适合的滴灌、喷灌或喷淋设备,并确保设备的稳定运行和灌溉效果。
五、工程施工1.施工准备工作:包括工程测量、勘探设计、施工准备、材料准备等工作,确保施工的顺利进行。
2.地下管道敷设:按照设计要求进行地下管道的敷设、连接和固定,确保管道的安全和稳定。
3.水泵站设备安装:根据设计要求进行水泵站设备的安装和调试,确保设备的正常运行和供水的稳定。
4.灌溉设备安装:按照设计要求进行灌溉设备的安装和调试,确保设备的正常运行和灌溉效果的实现。
5.工程验收:在工程施工结束后,根据相关标准和规范进行工程验收,确保工程的质量和安全。
六、工程监测1.运行监测:对灌溉系统的运行进行定期监测和维护,及时处理故障和异常情况,保证系统的稳定运行。
第1篇一、工程概况项目名称:智能灌溉工程项目地点:[具体地点]项目规模:[具体灌溉面积]项目投资:[具体投资金额]项目周期:[具体工期]二、施工准备1. 组织准备(1)成立项目施工领导小组,负责施工过程中的全面协调与指挥。
(2)组织施工队伍,明确各岗位职责,确保施工质量与进度。
(3)对施工人员进行技术培训,提高施工技能。
2. 技术准备(1)根据设计图纸,了解工程结构、设备配置、施工工艺等。
(2)编制施工方案,明确施工顺序、施工方法、质量控制点等。
(3)选购合格的原材料、设备,确保施工质量。
3. 材料准备(1)根据施工方案,采购所需的原材料、设备。
(2)对采购的原材料、设备进行检验,确保质量合格。
4. 施工场地准备(1)清理施工场地,确保施工环境安全、整洁。
(2)设置临时设施,如办公室、宿舍、仓库等。
三、施工方案1. 施工顺序(1)土建工程:包括管网铺设、控制室建设等。
(2)设备安装:包括水源、水泵、阀门、传感器等设备安装。
(3)系统集成:将各个设备连接,实现智能化控制。
(4)调试与验收:对系统进行调试,确保正常运行。
2. 施工方法(1)土建工程:采用挖掘机、铲车等设备进行管网铺设,确保管道平直、无损坏。
(2)设备安装:按照设备说明书进行安装,确保设备运行稳定。
(3)系统集成:采用光纤通信、无线通信等技术,实现设备间的互联互通。
(4)调试与验收:对系统进行全面调试,确保各项功能正常运行。
3. 质量控制(1)严格按照设计图纸和施工规范进行施工。
(2)对原材料、设备进行严格检验,确保质量合格。
(3)加强施工过程中的质量控制,确保施工质量。
4. 进度控制(1)制定详细的施工进度计划,明确各阶段的完成时间。
(2)加强施工过程中的协调与沟通,确保施工进度。
四、安全管理1. 施工现场安全管理(1)设立安全警示标志,提醒施工人员注意安全。
(2)对施工人员进行安全教育培训,提高安全意识。
(3)加强施工现场的巡查,及时发现并处理安全隐患。
第1篇一、工程概况灌溉首部工程是农业灌溉工程的重要组成部分,主要作用是为灌溉系统提供水源、调节水量、控制水质和保障灌溉用水安全。
本工程位于XX地区,占地面积约XX亩,灌溉面积XX亩。
灌溉首部工程主要包括水源工程、输水工程、蓄水工程、泵站工程、渠道工程、电气工程、通讯工程等。
二、施工方案1. 施工组织(1)成立项目领导小组,负责整个工程的施工管理和协调工作。
(2)设立项目经理部,负责施工进度、质量、安全、成本等管理工作。
(3)设立工程技术部,负责施工图纸的审核、技术交底、施工方案编制、施工技术指导等工作。
(4)设立质量安全管理部,负责工程质量、安全生产、环境保护等工作。
2. 施工进度(1)根据工程实际情况,编制详细的施工进度计划,明确各阶段施工任务、时间节点、责任人。
(2)合理安排施工顺序,确保工程顺利进行。
(3)加强施工进度管理,定期检查施工进度,确保按计划完成。
3. 施工质量(1)严格执行国家相关标准和规范,确保工程质量。
(2)加强施工过程中的质量控制,严格控制原材料、施工工艺、施工过程、检验检测等环节。
(3)建立健全质量管理体系,对施工过程进行全程跟踪、监督、检查。
4. 施工安全(1)加强安全生产管理,建立健全安全生产责任制。
(2)严格执行安全操作规程,加强施工现场安全管理。
(3)定期开展安全生产教育培训,提高施工人员的安全意识。
5. 施工材料(1)选用符合国家标准、质量合格的材料,确保工程质量。
(2)对材料进行严格检验,确保材料质量符合要求。
(3)材料堆放整齐,标识清晰,便于管理。
6. 施工工艺(1)水源工程:对水源进行勘探、测量,确定水源位置、水量、水质等参数,选择合适的水源。
(2)输水工程:根据地形、地质条件,选择合适的输水管道材料,进行管道铺设。
(3)蓄水工程:根据灌溉需求,选择合适的水库、蓄水池等蓄水设施,进行施工。
(4)泵站工程:选择合适的泵站设备,进行泵站施工。
(5)渠道工程:根据地形、地质条件,选择合适的渠道材料,进行渠道开挖、衬砌等施工。
北京市房山区张坊镇西白岱村等五个村基本农田整理项目农田灌溉工程施工方案编制人:审核人:审批人:日期:目录一、依据编制二、工程概况三、施工准备四、钢管管道工程做法五、PVC管道工程做法六、排水沟工程做法七、灌溉水渠工程做法八、井房工程做法九、机井潜水泵及首部枢纽安装十、质量目标十一、安全与消防措施十二、文明施工及环保措施一、编制依据1、规划设计图纸2、施工组织设计3、主要标准、图集标准其他二、工程概况1、建设地点:北京市房山区张坊镇、西白岱村、史各庄村、大峪沟村、蔡家口村、2、项目名称:农田灌溉工程3、建设规模:北京市房山区张坊镇西白岱村等五个村基本农田整理项目规划片区一、片区二、片区三、共建设:配套机井首部13套、安装潜水泵12台、配套井用配电箱13套、改建井房3座、安装Φ110PVC管配水管道23695.49m、安装D100钢管配水管道1208.5m、砌筑闸阀井84座、砌筑泄水井35座、修建灌溉斗渠3323.01m、农渠2006.97m、排水沟1134.88m、三、施工准备:1、施工技术人员对应规划图纸实地勘察,确定每个项目的施工位置。
2、工期安排:在项目建设总共期内根据实际情况安排,在项目总工期内完成。
3、机械、人力安排:十轮1辆、小浆车13辆、砂浆机4台、电夯4台、砌石人员40人、瓦工15人、专业水工20人、普工20人;所用机械、车辆进入施工现场前检修齐全、状态良好。
3、材料准备:本工程使用的潜水泵、阀门、PVC管、PVC管件、镀锌钢管、钢管件、砖、石、砂、水泥等材料购置齐备,样品送检或监理确认合格;砖、石、砂、随使随进;4、现场布置:在各施工现场内设一个材料堆放场,砂浆机就近安置,安排保安人员四、钢管管道工程做法:钢管灌溉管道连接主要采用焊接法兰连接方法。
1、材料设备的要求工程所使用的主要材料、成品、半成品、配件、器具和设备必须具有中文质量合格证明文件,规格、型号及性能检测报告应符合国家技术标准和设计要求。
进场时应做检查验收,并经监理工程师核查确认。
所有材料进场时应对品种、规格、外观等进行验收。
各种连接管件不得有砂眼、裂纹、等现象,包装应完好,表面无滑痕及外力冲击破损。
主要器具和设备必须有完整的安装使用说明书。
在运输、保管和施工过程中,应采取有效措施防止损坏或腐蚀。
各种阀门的外观要规矩无损伤,阀体严密性好,阀杆不得弯曲。
阀门安装前,应做强度和严密性试验。
试验应在每批(同牌号、同型号、同规格)数量中抽查10%,且不少于一个,对于安装在主干管上起切断作用的闭路阀门,应逐个做强度和严密性试验。
阀门的强度和严密性试验,应符合以下规定:阀门的强度试验压力为公称压力的1.5倍;严密性试验压力为公称压力的1.1倍;试验压力在试验持续时间内应保持不变,且壳体填料及阀瓣密封面无渗漏。
阀门试压的试验持续时间不少于规范的规定。
2、作业条件施工图纸及其它技术文件齐全,且经图纸会审(设计交底);施工组织设计或施工方案已经批准,并已进行技术交底;施工人员经过了必要的上岗培训;施工场地的用水、用电、材料贮存场地等临时设施能满足施工需要;3、材料准备在各项预制加工项目进行前要根据安装测绘草图及材料计划,将需用材料、设备的规格型号、质量、数量确认合格并准备齐全,运到现场。
4、工艺流程:管道预制加工→管道镇墩浇注→干管安装→支管安装→水压试验→系统冲洗→系统通水试验。
5、管道试压:试压分为单项试压、综合试压。
单项试压为主干管及立管安装完毕后的强度及严密性试验;综合试压为给水系统安装完毕后的强度和严密性试验。
单项试压按各系统分区进行,并分别填写试验记录单;综合试压也要按不同系统分区试压。
试压标准:管道水压试验必须符合设计要求,当设计无要求时,管道的试验压力为工作压力的1.5倍,但不得小于0.6Mpa、。
焊接管道灌满水后慢慢加压,压力达到要求时,在试验压力下观察10min 压力降应不大于0.02 Mpa,然后降至工作压力,压力不降,且不渗不漏为合格。
冲洗:给水管道冲洗流速≥1.5m/s,并且出水口的水色、透明度与进水口水色、透明度目测一致为合格。
6、主主要结构及技术要求①管道灌溉系统考虑管首位置适中,管线最短;管线沿高地布置。
布置形式根据地形采用一边分水式,支管走向平行于作物,支管间距根据图纸设计和实际布置;截体阀根据图纸设计和实际布置;②管材与法兰盘焊接,应先将管材插入法兰盘内,先点焊2~3点再用角尺找正找平后方可焊接,法兰盘应两面焊接,其内侧焊缝不得凸出法兰盘密封面;法兰接口平行度允许偏差为法兰外径的1.5%,且不应大于2mm。
管道安装时螺栓安装方向应一致。
焊缝刷两道防锈漆、一道银浆漆严格按设计图纸施工;③阀门安装时,应至少使一端管道连接的法兰可以自由伸缩,不允许先将两端法兰固定,再将阀门靠强行收紧螺栓来消除阀门同管道的间隙,法兰连接牢固,螺纹露出长度为2-4牙。
④阀门安装后中心线与基准轴线中心偏差,一般不超过±10mm,阀的水平度和垂直度偏差应小于0.5/1000。
7、镇墩浇筑镇墩主要设置在管道分支、出水口处,其他位置均匀设置;镇墩采用C20砼,尺寸0.4M*0.4M*0.4M,地埋20cm;浇筑时人工振捣使砼密实度达到标准五、PVC管道工程做法主要采用挂胶插接和焊接法兰对应阀门连接方法。
1、材料设备的要求工程所使用的主要材料、成品、半成品、配件、器具和设备必须具有中文质量合格证明文件,规格、型号及性能检测报告应符合国家技术标准和设计要求。
进场时应做检查验收,并经监理工程师核查确认。
所有材料进场时应对品种、规格、外观等进行验收。
各种连接管件不得有砂眼、裂纹、等现象,包装应完好,表面无滑痕及外力冲击破损。
主要器具和设备必须有完整的安装使用说明书。
在运输、保管和施工过程中,应采取有效措施防止损坏或腐蚀。
各种阀门的外观要规矩无损伤,阀体严密性好,阀杆不得弯曲。
阀门安装前,应做强度和严密性试验。
试验应在每批(同牌号、同型号、同规格)数量中抽查10%,且不少于一个,对于安装在主干管上起切断作用的闭路阀门,应逐个做强度和严密性试验。
阀门的强度和严密性试验,应符合以下规定:阀门的强度试验压力为公称压力的1.5倍;严密性试验压力为公称压力的1.1倍;试验压力在试验持续时间内应保持不变,且壳体填料及阀瓣密封面无渗漏。
阀门试压的试验持续时间不少于规范的规定。
2、作业条件施工图纸及其它技术文件齐全,且经图纸会审(设计交底);施工组织设计或施工方案已经批准,并已进行技术交底;施工人员经过了必要的上岗培训;施工场地的用水、用电、材料贮存场地等临时设施能满足施工需要;3、材料准备在各项预制加工项目进行前要根据安装测绘草图及材料计划,将需用材料、设备的规格型号、质量、数量确认合格并准备齐全,运到现场。
4、工艺流程:管道测量放线→机械管沟开挖→管道阀门井砌筑→干管安装→支管安装→水压试验→管道镇墩浇筑→系统冲洗→系统通水试验。
5、管道试压:试压分为单项试压、综合试压。
单项试压为主干管及立管安装完毕后的强度及严密性试验;综合试压为给水系统安装完毕后的强度和严密性试验。
单项试压按各系统分区进行,并分别填写试验记录单;综合试压也要按不同系统分区试压。
试压标准:管道水压试验必须符合设计要求,当设计无要求时,管道的试验压力为工作压力的1.5倍,但不得小于0.6Mpa、。
焊接管道灌满水后慢慢加压,压力达到要求时,在试验压力下观察10min 压力降应不大于0.02 Mpa,然后降至工作压力,压力不降,且不渗不漏为合格。
冲洗:给水管道冲洗流速≥1.5m/s,并且出水口的水色、透明度与进水口水色、透明度目测一致为合格。
7、主要结构及技术要求项目区PVC灌溉设施主要布置方式为:从机井引干管到田间,规划大多沿道路边布置PVC干管,一侧分水,支管布置间距根据项目各地块实际大小确定,每隔50m设置1个给水栓(片区西白岱村每隔30m设置1个给水栓)露出20-30cm;管道选取外径110mm,0.6Mpa 的PVC管,管道为地埋管,管道埋深取0.80m,管槽挖深1.00m,管槽开挖底宽0.4m,管槽开挖边坡系数为1:0.3。
在每个给水栓处以及管道交叉处设置镇墩,镇墩采用C20混凝土结构,尺寸为0.4m×0.4 m×0.4m。
在干管向支管分水处设置闸阀井,在每套灌溉系统最低处设置泄水井。
闸阀井和泄水井均采用浆砌砖结构,设计为方形,长0.8m,宽0.8m,井深1.10m。
管道穿田坎处加设弯头和竖管。
管线穿过道路设D300水泥套管。
管道安装顺序应先安装主管再安装支管,管道安装要平直;短管与法兰盘焊接,应先将管材插入法兰盘内,先点焊2~3点再用角尺找正找平后方可焊接,法兰盘应两面焊接,其内侧焊缝不得凸出法兰盘密封面,;焊缝刷两道防锈漆、一道银浆漆。
管材与法兰盘焊接,应先将管材插入法兰盘内,先点焊2~3点再用角尺找正找平后方可焊接,法兰盘应两面焊接,其内侧焊缝不得凸出法兰盘密封面;法兰接口平行度允许偏差为法兰外径的1.5%,且不应大于2mm。
管道安装时螺栓安装方向应一致。
焊缝刷两道防锈漆、一道银浆漆严格按设计图纸施工;阀门安装时,应至少使一端管道连接的法兰可以自由伸缩,不允许先将两端法兰固定,再将阀门靠强行收紧螺栓来消除阀门同管道的间隙,法兰连接牢固,螺纹露出长度为2-4牙。
阀门安装后中心线与基准轴线中心偏差,一般不超过±10mm,阀的水平度和垂直度偏差应小于0.5/1000。
室内UPVC管胶水连接:管端清理并用干布将内外侧擦拭干净→根据承口深度在插管表面划线做好标记→用毛刷蘸粘合剂在承口内侧轴向快速涂刷→用毛刷蘸粘合剂在插口外侧快速轴向涂刷→找正方向将管子插入承口至符合所划标记,静待2-3min,并将承口外多余粘合剂用干布擦拭干净。
7、镇墩浇筑镇墩采用C20砼,尺寸0.4M*0.4M*0.4M;设置在管道分支和出水口处,管道筑在镇墩中间。
浇筑时人工振捣使砼密实度达到标准。
8、阀门井砌筑阀门井为M7.5浆砌砖方型井,内径80cm,深度110cm;在管道相应位置预留管洞。
在干管向支管分水处设置闸阀井,在每套灌溉系统最低处设置泄水井。
闸阀井和泄水井均采用M7.5砂浆;砌砖结构,设计为方形,长0.8m,宽0.8m,井深1.10m;在管道相应位置预留管洞,管道安装调试合格即用水泥砂浆进行封堵。
六、排水沟工程做法排水沟采用长1.1m*宽0.5m砼预制板衬砌,按规划设计确定施工位置(1)、施工顺序:测量放线➞沟槽开挖➞排水沟、边坡整形➞沟底素土夯实➞安砌预制板➞勾缝➞养生(2)、施工要求:①、按规划图确定排水沟施工位置,石灰放线,机械挖槽,跟踪测量高程。
排水沟每10M布设一个高程桩,在沟底和路肩挂小线,人工配合整平,排水沟上口宽98cm、下口宽50cm、沟深80cm、;边坡整平时,在上、下坡角拦线,然后人工找平。