排风量计算表
- 格式:xlsx
- 大小:16.77 KB
- 文档页数:6
风机的功率和风量换算风机的功率和风量换算风机的压力单位有很多种,平时根据客人的所用的设备和习惯不同,有存在许多差别。
所以有时要找到一种换算的关系,来统一单位。
现在把风机的功率和风量换算统计如下:表一(风量):m3/min m3/hr I/min ft2/min1m3/min 1 60 1000 35.311m3/hr 0.0017 1 16.67 0.5891I/min 0.001 0.06 1 0.0351Ift2/min 0.028 1.699 28.32 1表二:kg-m/sec K W HP PS1kg-m/sec 10.01 0.013 0.0131KW 101.97 1 1.341 1.361HP 76.038 0.746 1 1.0141PS 75 0.736 0.986 1风机风量如何计算风机风量的定义为:风速V 与风道截面积F 的乘积.大型风机由于能够用风速计准确测出风速,所以风量计算也很简单,直接用公式Q=VF,便可算出风量. 风机数量的确定根据所选房间的换气次数,计算厂房所需总风量,进而计算得风机数量。
计算公式:N=V×n/Q 其中:N——风机数量(台);V——场地体积(m3);n——换气次数(次/时);Q——所选风机型号的单台风量(m3/h)。
风机型号的选择应该根据厂房实际情况,尽量选取与原窗口尺寸相匹配的风机型号,风机与湿帘尽量保持一定的距离(尽可能分别装在厂房的山墙两侧),实现良好的通风换气效果。
排风侧尽量不靠近附近建筑物,以防影响附近住户。
如从室内带出的空气中含有污染环境,可以在风口安装喷水装置,吸附近污染物集中回收,不污染环境引风机所需风量风压如何计算1、引风机选型,首要的是确定风量;2、风量的确定要看你做什么用途,不同的用途风量确定方法不一样,请参照专业书籍或者请教专业技术人员;3、确定了风量之后,逐段计算沿程阻力和局部阻力,将它们相加,乘以裕量系数,得出需要的压力;4、查阅风机性能数据表,或者请风机厂家查找对应的风机型号即可风机风量和风压计算功率,工业方面用,设计中,通过风量和风压计算风机的大概功率功率(KW)=风量(m3/h)*风压(Pa)/(3600*风机效率*机械传动效率*1000)。
新风量计算方式一按房间可容纳人数计算:(适用于有分割的,多个小房间)Qm=N×qmN—人数;(单位面积内的人数可以根据单位面积容积率计算,即人数=面积×0.8)Qm—新风量,单位:m3/h;qm—每人所需要的新风量(一般每人按30~50m3/人计算)。
新风量计算方式二按新风占总送风的百分比计算:Q新风量=Q总送量×10~30%(适用于面积比较大的区域)新风量取总送风量的10%至30%注:总送风量就是承载空调区域冷(热)负荷的多台空调器的送风量之和。
排风量计算方式一按房间换气次数计算:(适用于有分割的,多个小房间)Q排风量=N×VN—房间换气次数V—房间体积房间类型换气次数10次/h8次/h房间类型换气次数12次/h10次/h12卫生间浴室34会议室餐厅排风量计算方式二(适用于面积比较大的区域)按排风量取新风量的80~90%计算Q排风量= Q新风量×80~90%案例1.某KTV娱乐场所,房间吊顶高2.8m,有50个房间,每个房间的面积为28m2。
计算总新、排风量,并选择相应的新、排风机。
计算如下:Q新=20×50×50m3/h=500m3/hQ排=28×2.8×50×15m3/h=58800m3/h新风机用5台BFP-10D排风机用6台100m3/h 的风机。
2.某商场总空调面积为100m2,单位负荷为150w/m2。
计算总新、排风量,并选择相应的新、排风机。
用第二种计算方法1.要先计算出整个商场的空调冷负荷,选定变风量空调机组;2.由选定的变风量空调机组计算出总送风量;3.根据总送风量计算新风量;4.按排风和新风的百分比计算排风量。
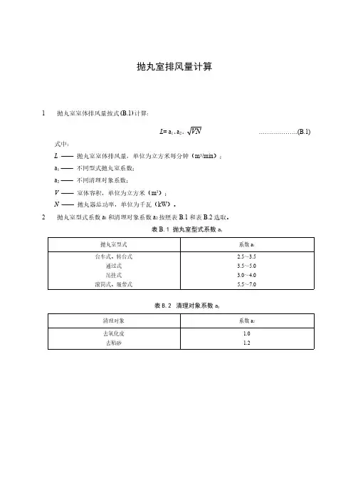
抛丸室排风量计算
1抛丸室室体排风量按式(B.1)计算:
L=a1•a2•VN……………….(B.1)式中:
L——抛丸室室体排风量,单位为立方米每分钟(m3/min);
a1——不同型式抛丸室系数;
a2——不同清理对象系数;
V——室体容积,单位为立方米(m3);
N——抛丸器总功率,单位为千瓦(kW)。
2抛丸室型式系数a1和清理对象系数a2按照表B.1和表B.2选取。
表B.1抛丸室型式系数a
1
抛丸室型式系数a1
台车式、转台式
通过式
吊挂式
滚筒式、履带式
2.5~
3.5
3.5~5.0
3.0~
4.0
5.5~7.0
表B.2清理对象系数a
2
清理对象系数a2
去氧化皮去粘砂1.0 1.2
压缩空气射流所及缝隙处带尘气体外流速度计算
压缩空气射流从缝隙处外流的速度V f ,按式(C.1)计算:
V f =
002A X q …………………(C.1)式中:
V f ——从缝隙处外流的速度,单位为米每秒(m/s );
q 0——喷嘴耗气量,单位为立方米每秒(m 3/s );
X ——喷嘴至缝隙的距离,单位为米(m );
A 0——喷嘴截面积,单位为平方米(m 2)。
1、风量的计算方法:
根据面风速来确定排风量(面风速的一般取值为:0.3~0.5 m3/h)计算公式:G=S•V•h•μ=L•H•3600•μ
其中参数的意义
G:排风量S:操作窗开启面积V:面风速
h:时间(1小时)L:通风柜长度H:操作窗开启高度μ:安全系数(1.1~1.2)
例:
1200L的通风柜其排风量计算如下:G:1.2*0.75/2*0.8*3600*1.2=1555 m3/h经验值:1200L通风柜排风量一般为1500 m3/h 1500L的通风柜排风量一般为1800 m3/h 1800L的通风柜排风量一般为2000 m3/h
注:中央台上用排风罩排风量的计算方法同通风柜排风量的计算方法原子吸收罩排风量的计算方法:
根据罩口风速来确定排风量(罩口风速的一般取值:1~2 m3/h)计算公式:G=πR²•V•3600•μ
其中参数的意义
G:排风量、R:罩口半径、V:罩口风速、μ:安全系数(1.1~1.2)经验值:一般情况下原子吸收罩的排风量在500~600 m3/h
整体通风的排风量计算方法计算公式:
G=V•n•h=L•W•H•n•h
其中参数的意义
G:排风量V:房间体积n:换气次数(一般取8~12次)h:时间(1小时)
2、关于吸口的压力,没有管道的走向和长度参数,无法计算。
管道内径的计算方法如下:
按小会议室所要求的风量25m3/h.m2;风速确定为15m/s。
风量=1000×25=25000(m3/h)
D=√(25000/(15×3.14×3600))=0.38(m)
所以主管道直径为380mm。
表6-5 柴油机工作时的散热量系数h1值
4.2发电机的散热量
Q2=P*(1/h2-1)
P=400kW发电机的额定输出功率
h2=90%发电机的效率,通常为80%~94%
Q2=44.44kW
4.3对Q1+Q2的修正
当柴油机工作地点的大气压不是标准大气压或相对湿度大、温度高时,柴油机的输出功率会发生变化,需修正
修正系数b可查《防空地下室设计手册:暖通、给水排水、电气分册_2005》附表5-1得出,详细计算过程见4.7。
4.4排烟管散热量Q3
D=0.46m排烟管保温外径,m
d=0.3m排烟管道外径,m
l=0.053W/(m.℃)保温材料的导热系数,W/(m。
℃),矿渣棉制品保温,l=0.053W/(m。
℃)
a=11.63W/m2.℃保温管道外表面材料向四周空气的放热系数,W/m2.℃,一般取11.63W/m2.℃
ty=350℃排烟管外壁面温度,℃,一般取300~400℃;烟气温度:540
tn=38℃电站机房内的空气温度,℃,一般取35~40℃;
l=16m保温排烟管在机房内架空敷设的长度,m
qc=232.18W/m
Q3=qc*l
Q3= 3.71kW
注:保温层外表面温度校核见第八部分。
4.5柴油机废热水热量。
常用喇叭口管道排风相关的计算一、排风量计算的控制风速法1.空间点汇如图4-4-1所示,根据流体力学,位于自由空间的点汇气口的排风量为(4-4-1)式中 v1、v2——点1和点2的空气流速;r1、r2——点1和点2至吸气口的距离。
吸气口设在墙上时,吸气范围受到限制,它的排风量为(4-4-2)可见,吸气口外某一点的空气流速与该点至吸气口距离的平方成反比例,而且它是随吸气口吸气范围的减小而增大的。
因此设计时罩口应尽量靠近有害物源,并设法减小其吸气范围。
图4-4-2 点汇吸气口2.吸口风流运动过程实际采用的排风罩都是有一定面积的,不能看作一个点,因此不能把点汇吸气口的流动规律直接应用于外部吸气罩的计算。
吸口风流运动过程见动画f4-4-1所示,污染源散发出的污染物颗粒有一个飞扬的速度,同时,由于受到吸气罩抽吸作用产生吸入风速,这个吸入风速应大于控制风速,才能将有害物吸入。
因此,应保证吸气罩在控制点上的吸入风速大于控制风速。
动画f4-4-1图4-4-3 四周无法兰边的圆形吸气口速度分布图图4-4-4 四周有法兰边的圆形吸气口速度分布图3.吸口的风速分布规律吸口的风速分布规律与吸气罩的形状、周围障碍等因素有关,一般通过实验求得。
为了获得吸口的风速分布规律,很多人曾对各种吸气口的气流运动规律进行了大量的实验研究。
图4-4-3所示为通过实验求得的四周无法兰边的圆形吸气口速度分布图,图4-4-4所示为四周有法兰边的圆形吸气口速度分布图。
上述速度分布图中,横坐标是,其中x为某一点距吸气口的距离,d为吸气口的直径;等速面的速度是以吸气口流速的百分数表示。
根据实验结果所得的速度分布图,可得吸口风速分布规律的数学表达式为:对于四周无边的圆形吸气口:(4-4-3)对于四周有边的圆形吸气口:(4-4-4)式中 v0——吸气口的平均流速,m/s;v x——控制点的吸入速度,m/s;x——控制点至吸气口的距离,m;F——吸气口的面积,m2。