10kV户外开关箱技术规范书
- 格式:doc
- 大小:527.50 KB
- 文档页数:93
合用标准文档配电工程10kV 箱式变电站技术标准书二〇二〇年三月批准审定校核编写供货需求一览表序号设施名称规格型号单位数量工程名称供电局备注1台2台台台注:本技术标准书中注明有** 条款,均为重点技术条款,招标厂家在招标文件中均需对上述该条款做以响应并详细阐述,或以技术差异形式做以重点说明,否那么视为废标。
高压柜 CT 变比已确认图纸为准1、总那么招标须知1.1.1 本标准书提出了对10kV 箱变的功能设计、结构、安装和试验等方面的技术要求。
1.1.2 本标准书提出的最低限度的技术要求,并未对所有技术细节作出规定,也未充分引述相关标准和标准的条则。
要求招标方供应吻合本标准书和国家、行业标准的优秀产品。
1.1.3 本标准书所使用的标准如与招标方所执行标准不一致时,应按水平较高标准执行。
1.1.4 招标方必定以书面形式对招标文件所有条则做出响应,否那么视为废标。
1.1.5 招标方对本技术标准书如有任何异议,都应以“对标准书的建讲和同标准书的差异〞为标题用书面形式加以详细描述。
否那么,认为招标方供应的产品完好吻合本标准书的要求。
1.1.6 本标准书经买卖双方确认后作为合同的技术附件,与合同正文等同法律效力。
随合同一起见效。
本标准书未尽事宜,双方协商确定。
**1.1.7 招标厂家必定在河北南网地区有2~3 年运行业绩,招标厂家需供应相关供货合同复印件,加盖公章有效。
1.2 招标人应供应的文件1.2.1 招标人应供应 10kV 箱式变电站的型式试验报告。
1.2.2 招标人应经过 ISO9001 质量系统,招标人应供应质量管理系统认证证书。
1.2.3 招标厂家生产的箱式变电站产品已在10kV 系统中成功地运行二年以上。
以销售及运行业绩表〔见附表〕表示。
1.2.4 应供应箱式变电站的结构图以及结构尺寸表。
1.2.5 应供应招标书与招标文件的差异表〔见附表〕。
1.2.6 招标书中应供应主要生产设施和试验仪器设施的厂家、主要参数和投入使用时间,以表格表示。
10kV户外柱上真空断路器技术规范书工程项目:广西电网公司年月目录1 总则2 使用环境条件3 技术参数和要求4 试验5 供货范围6 技术资料和图纸交付进度7 运输要求8 技术服务1.总则本规范书适用于本合同的设备,它提出设备的功能设计、结构、性能、安装和试验等方面的技术要求。
需方在本规范书中提出了最低限度的技术要求,并未规定所有的技术要求和适用的标准,供方应提供一套满足本规范书和所列标准要求的高质量产品及其相应服务。
1.3供方须执行现行国家标准和电力行业标准。
有矛盾时,按要求较高的标准执行。
供方须执行现行国家标准和行业标准。
应遵循的主要现行标准如下:DL/T402—1999 交流高压断路器订货技术条件DL/T593—1996 高压开关设备的共用订货技术导则2.环境条件户外布置周围空气温度最高温度:+40℃;最低温度:-15℃:最大日温差:25K 海拔高度小于1000m2.4环境湿度:月平均相对湿度不大于90%;日平均相对湿度不大于95%2.5地震烈度:8度最大风速 35m/s环境污秽等级:Ⅱ级(除特别说明外)安装场所:户外3.技术参数及要求基本技术参数3.1.1额定频率50Hz3.1.2额定电压(即最高电压):12kV3.1.3额定短路开断电流:20kA;额定短时耐受电流:20kA/3S3.1.4额定绝缘水平,见下表。
3.1.5断路器额定工作循环 O——CO—180S—CO3.1.6机械寿命(连续操作不调整)≥5000次3.1.7电气寿命:开断100%额定短路开断电流≥50次3.1.8其他主要参数详见供货范围柱上真空断路器及其结构3.2.1原则采用三相共箱式全密封结构,正常使用至少15年免维护;箱内装设电流互感器(600/1A,级)、真空断路器、同步闭锁的内隔离开关、操作结构等,与箱体的绝缘方式可采用空气、绝缘油、SF6,内置电压互感器时特别注明,绝缘方式投标报价时说明。
3.2.2柱上真空断路器不外带隔离开关,如需要,断路器和隔离开关之间必须有可靠的防误操作的联锁装置,并在供货范围表中说明。
云南电网公司二级物资招标采购2014年第一批10kV户外隔离开关(站用)技术规范书2013年12月前附表:货物供货一览表目录1 总则 (4)2. 技术特性要求 (6)3. 技术参数及使用条件 (9)4 试验 (11)5. 质量保证及管理 (11)6. 技术服务、设计联络、工厂检验和监造 (12)7. 包装及标志 (12)8 投标人响应部分 (14)附录A 项目单位提供的其他资料 (16)1 总则1.1.本技术规范书主要用于云南电网公司基建配网工程物资采购,10kV隔离开关(以下简称“设备”)的招标,包括隔离开关本体、操动机构及附件、传动部分的连接件(包括相间连杆及与操动机构间的连杆)、备品备件及专用工具等。
本技术规范书主要提出通用的技术要求,具体的交货期及交货目的地以商务合同为准。
1.2.投标方应按设备不同的电压等级、额定一次电流、额定短时耐受电流及接地方式等相关技术要求进行报价,投标方的报价应为单价,并应对报价的适用范围进行说明。
投标方中标后,采购方有权根据具体工程的需要对局部技术要求提出更改,若不涉及主要技术参数的修改,供货方不应对中标单价提出更改。
具体工程的技术要求以相应工程的技术协议为准。
1.3.投标方所生产的隔离开关必须是通过完善化技术审查的产品,并提供针对瓷瓶断裂、操作失灵、导电回路过热、锈蚀等易发故障进行的完善化技术措施证明。
1.4.本技术规范书提出的是最低限度的技术要求,并未对一切技术细节作出规定,也未充分引述有关标准和规范的条文,供货方应提供符合本规范书和国家标准的优质产品。
1.5.投标技术文件中应对投标产品的技术性能详细描述,提供不低于所供产品技术要求的全部型式试验报告,并提供对应招标技术规范书的技术偏差表,偏差表中未提及的条款,则视同完全同意本技术规范书的要求。
1.6.投标人或供货方 (包括分包厂)应已设计、制造和提供过同类设备,且技术参数应与本工程相类似,或较规定的条件更严格,至少有3组2年以上的商业运行经验。
【YBM预装式箱变技术规范】1产品名称、型号及数量1.1 名称:户外10KV箱式变电站1.2 型号:YBM□-12/0.4-1250kVA1.3 数量:台2产品设计标准技术指标:户外箱式变电站各项技术指标应完全满足或更优于下列国家颁布的有关标准:开关设备的所有元器件均符合国家有关标准的要求。
3使用环境a 环境温度:-25℃~+40℃,日温差≤25K。
b 海拔高度:≤2000m。
c 风速:≤34m/s。
d 耐震能力:≤8度。
e 安装厂所:无火灾、爆炸、严重污秽及剧烈震动。
f 月平均相对湿度:90%,日平均相对湿度:95%。
4主要技术参数及要求户外移动式箱式变电站(美式)各项技术参数为:5高压方案:1.高压部分采用负荷开关+熔断器组合电器的方式,负荷开关可带负荷停送电,熔断器具有保护功能,当下侧出现故障时可可起到保护变压器等作用;2.方案采用高压计量方式,配高压计量PT柜,电度表用户自备。
3.高压进线侧A、C两相安装计量CT,计量CT准确等级为0.2s级;高压PT柜内置JSZVR1型计量PT 变比10/0.1准确级0.2级,容量1000V A,保证计量精度。
4.高负荷开关柜采用国内先进的XGN68-12型,完全符合“五防”要求。
操作简单,外形美观大方。
6低压方案:1.低压进线总开关柜一面,按图纸标准进行配置;2.无功补偿柜一面,按图纸标准进行配置;3.低压出线柜两面,按图纸标准进行配置;4.在低压室加装防止凝露的装置。
5.低压开关应操作方便,能保证操作人员安全。
且安装和检修时方便。
7试验:按照国标对10kV箱式变电站进行出厂试验。
1.主回路的工频耐压试验。
2.机械性能、机械操作及机械防误操作装置和电气联锁装置的功能试验。
3.温升试验。
4.主要元器件的试验。
5.国标规定的其它试验。
8技术服务:1.在合同签订后半个月内,供方向需方提供三份:总装图,应表示设备总的装配情况,包括外形尺寸、设备重心位置、总重量、电缆出入口位置、一次主接线图、主要设备的型号以及规格等材料及其它附件;电气原理图,包括电气主接线图、主要设备材料表、有关的二次原理图等。
10kV户外环网柜技术规范书目录1.遵循的主要标准2.主要技术条件3.供货数量4.试验5.厂商应提供的技术文件附录电气接线图1.遵循的主要标准标书中所有设备及其备品备件,除本标书中规定的技术参数和要求外,其余均应遵循最新版本的国家标准(GB)、电力行业标准(DL)和国际单位制(SI)。
如果供方有自已的标准或规范,应提供标准代号及其有关内容,并须经需方同意后方可采用,但原则上采用更高要求的标准。
如果供方选用本标书规定以外的标准时,则需提交这种替换标准供审查和分析。
仅在供方已证明替换标准相当或优于标书规定的标准,并从需方处获得书面的认可才能使用。
提交供审查的标准应为中文或英文版本。
供方提供的产品应满足本标书规定的技术参数和要求以及如下的专用标准:GB 11033《额定电压及以下电力电缆附件基本技术要求》GB5589.3-1985《电缆附件试验方法--第3部分:局部放电测量》GB/T 11022-1999《高压开关设备和控制设备标准的共用技术要求》DL/593-96《高压开关设备的共用订货技术条件》GB 3804—90《3~63kV交流高压负荷开关》GB 3804—91《3~35kV金属封闭开关设备》GB311.l-1997《高压输变电设备的绝缘配合》GB 763-1990《交流高压电器在长期工作时的发热》2.主要技术条件2.1环境条件2.1.1周围空气温度最高温度:40℃最低温度:-40℃2.1.2xx:≤1000m2.1.3最大风速:35m/s2.1.4环境湿度:日平均相对湿度不大于95%2.1.5外壳防护等级:IP33级2.1.6安装场所:2.2工程条件2.2.1系统概况a.系统额定电压:12kVb.系统额定频率:50Hzc.系统中性点接地方式:非有效接地系统2.3设备的主要参数本次采购的10kV户外环网柜,其技术参数除应满足应遵循的主要标准外,还应满足本标书以下要求:项目额定电压额定电流频率额定短路关合电流额定热稳定电流额定热稳定时间额定动稳定电流相对地雷电冲击耐压断口1min工频耐压断口电缆截面范围外壳防护等级电缆附件技术参数2.4技术要求户外箱式环网柜应具备以下基本特点:2.4.1采用ABB Safe模块,免维护设计。
10kV 户外开关箱标准技术标书编号:0210504052201306广东电网公司2015年10kV 户外开关箱标准技术标书第I页/ 共27页目录1总则 (2)2工作范围 (2)2.1 范围和界限 (2)2.2 服务范围 (3)3 应遵循的主要标准 (3)4 ★使用条件 (4)4.1 ★正常使用条件............................................................................. 错误!未定义书签。
4.1 正常使用条件要求 (4)4.2 特殊使用条件要求 (4)4.3 系统条件要求 (5)5 ★技术要求 (5)5.1 基本参数 (5)5.2设计与结构要求 (7)5.3专业接口要求 (10)6 ★试验 (14)6.1 型式试验 (14)6.2 出厂试验 (15)6.3 现场验收试验 (15)7 产品对环境的影响 (15)8 企业VI标识 (15)9 技术文件要求 (15)10 监造、包装、运输、安装及质量保证 (16)10.1监造 (16)10.2包装 (16)10.3运输 (17)10.4安装指导 (17)10.5★质量保证 (17)11 ★设备技术参数和性能要求响应表 (18)12 ★备品备件及专用工具 (20)12.1必备的备品备件、专用工具和仪器仪表 (20)12.2 推荐的备品备件、专用工具和仪器仪表 (20)13 ★主要元器件来源 (21)14 LCC数据文件 (22)15 ★技术差异表 (22)16 投标方需说明的其他问题 (22)17附表 (22)1总则1.1 本招标技术文件适用于广东电网公司电网建设工程项目采购的10kV户外开关箱,它提出了该设备本体及附属设备的功能设计、结构、性能、安装和试验等方面的技术要求。
1.2 本设备招标技术文件提出的是最低限度的技术要求。
凡本招标技术文件中未规定,但在相关设备的行业标准、国家标准或IEC标准中有规定的规范条文,投标方应按相应标准的条文进行设备设计、制造、试验和安装。
廊坊硕日新能源科技有限公司大城县15兆瓦光伏发电项目10kV箱式变压器技术规范书中国葛洲坝集团电力有限责任公司南京设计院2016年6月目录第一章.总则 (3)第二章技术规范 (5)第三章供货范围 (21)第四章技术资料和交付进度 (24)第五章交货进度 (26)第六章监造、检验/试验和性能验收试验 (27)第七章技术服务和设计联络 (29)第八章部件供货及外购 (32)第九章大(部)件情况 (34)第十章差异表 (35)第一章. 总则1.1本规范书适用于廊坊硕日新能源科技有限公司大城县15兆瓦光伏发电项目,采用的 10kV箱式变压器设备,它提出了该设备的功能设计、性能、结构、安装和试验等方面的技术要求。
1.2 本技术规范书提出的是最低限度的技术要求,并未对一切技术细节做出规定,也未充分引述有关标准和规范的条文,卖方应保证提供符合有关工业标准和本技术规范书要求并且是功能完整、性能优良的优质产品及其相应服务。
同时必须满足国家有关安全、环保等强制性标准和规范的要求。
卖方在设备设计和制造中所涉及的各项规程,规范和标准必须遵循现行最新版本的IEC标准。
卖方应提供所使用的标准,本技术规范书所使用的标准如与卖方所执行的标准发生矛盾时,按较高标准执行。
1.3 卖方如对本技术规范书有异议,应以书面形式明确提出,在征得招标人同意后,可对有关条文进行修改。
如招标人不同意修改,仍以招标人意见为准。
如果卖方没有以书面形式对本技术规范书的条文提出异议,则意味着卖方提出的产品完全符合本规范书的要求。
如有异议,不管是多么微小,都必须清楚地表示在“差异表”中。
1.4 卖方必须有权威机构颁发的ISO-9001系列的认证证书或等同的质量保证体系认证证书。
卖方(包括分包厂)应设计、制造和提供过同类设备,且使用条件应与本工程相类似,或较规定的条件更严格的高质量的产品,设备应是技术先进并经过同类工程两年以上成功运行,实践证明是成熟可靠的产品及相应的商业运行经验。
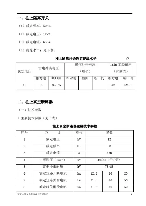
一、柱上隔离开关(1)额定频率:50Hz。
(2)额定电压:12kV。
(3)额定电流:630A。
(4)绝缘水平:见下表。
柱上隔离开关额定绝缘水平 kV二、柱上真空断路器(一)技术参数1.主要技术参数(见下表)柱上真空断路器主要技术参数2.技术规范(1)环境条件1)海拔高度:≤3000m。
2)最大风速:30m/s。
3)环境相对湿度:日平均值95%;月平均值90%。
4)地震烈度:8度。
5)污秽等级:3级。
(2)使用条件1)系统电压:10kV;系统最高电压:12kV;系统额定频率:50Hz;系统中性点接地方式:非有效。
2)安装地点:户外。
3)安装方式:柱上垂直。
(3)技术性能要求1)断路器应在规定的各种工作情况下达到开断性能的要求而不发生拒动或误动。
2)噪声:户外不大于55dB。
3)操动机构。
形式:弹簧机构或永磁电动机构;操作方式:手动操作或电动操作。
4)辅助回路。
辅助回路应能长期承载10A电流,温升不超过GB/T 11022—1999《高压开关设备和控制设备标准的共用技术要求》规定值。
辅助触点10对,其中5对动合触点,5对动断触点,并能按需要改换。
采用阻燃端子,留有15%备用端子排。
5)一次端子。
断路器提供连接导线的板式端子,端子受力:水平750N;垂直500N;横向400N。
断路器端子型式和尺寸应满足GB/T 5273—1985《高压器、高压电器和套管的接线端子》标准中有关规定。
6)断路器瓷套的爬电距离不小于31mm/kV(42kV以下)。
7)接地。
每台断路器应装设满足接地热稳定电流要求的接地极板,并配有与接地线连接用的接地螺栓,螺栓的直径不小于12mm。
8)寿命。
机械寿命(连续操作不调整):10000次;电气寿命:开断100%额定开断短路电流30次。
9)每台断路器配有位置指示器。
合闸为红色;分闸为绿色。
10)所有支架按工程需要要进行热镀锌的防腐处理。
11)有符合国标的铭牌,铭牌用耐腐蚀的材料制成,字样、符号应清晰耐久,铭牌在正常运行时安装位置应明显可见。
10kV预装型(欧式)箱变技术规范书10kV预装型(欧式)箱变技术规范书1 总则本技术条件规定了预装型(欧式)箱变10/系列的使用条件、额定参数、技术要求、试验、包装运输等具体内容。
本技术条件适用于额定电压10kV、频率50Hz的预装型(欧式)箱变10/系列的制造、选型、验收、安装和维护。
本设备技术规范提出的是最低限度的技术要求。
除本技术条件中规定的技术参数和要求外,其余均应遵循最新版本的国家标准(GB)、电力行业标准(DL)、IEC标准和国际单位制(SI)。
如果供方有自已的标准或规范,应提供标准代号及其有关内容,并须经需方同意后方可采用,但原则上采用更高要求的标准。
如果供方选用本技术条件规定以外的标准时,则需提交这种替换标准供审查和分析。
仅在供方已证明替换标准相当或优于技术条件规定的标准,并从需方处获得书面的认可才能使用。
提交供审查的标准应为中文或英文版本。
本技术规范书未尽事宜, 由招标、投标双方协商确定。
本规范的条款为定货合同的附件,与合同正文具有同等效力。
2. 工作范围供货范围供货范围详见商务标书。
包括欧式箱变本体及其组件和附件、随机的备品备件(包括进口件)以及安装和检修所需的专用工具、仪器仪表和材料等。
供方要确认其范围并提供详细供货清单以及所列的技术文件。
服务界限欧式箱变从生产厂家至招标人指定地点的运输、交货由投标人完成。
现场安装和试验在投标人的技术指导和监督下由招标人完成, 投标人协助招标人按标准检查安装质量, 处理调试投运过程中出现的问题, 投标人应选派有经验的技术人员, 对安装和运行人员免费培训。
厂商应提供技术文件在技术协议签订10天内,供方向需方提供最终版的用于设计、设备监造和检验、现场安装和调试以及运行维护方面的图纸、说明书和有关技术资料。
这些图纸和文件资料必须经过有关程序批准并加盖工厂公章。
供方在签订合同后应提供的图纸(一式3份):安装基础图:包括动静载荷分布及数值,接地点位置,进出线口位置,预埋基础位置要求等。
环网柜技术规范书二〇一二年二月十三日1 总则1.1 本设备技术规范书仅限于户外10kV户外共箱式交流高压环网柜。
它提出了该设备的功能设计、结构、性能、安装和试验等方面的技术要求。
1.2 本设备技术规范书提出的是最低限度的技术要求,并未对一切技术细节作出规定,也未充分引述有关标准和规范的条文,卖方应提供符合或优于本规范书和工业标准的优质产品。
1.3 本设备技术规范书所使用的标准如遇与卖方所执行的标准不一致时,按较高标准执行。
1.4 本设备技术规范书经买、卖双方确认后作为订货合同的技术附件,与合同正文具有同等的法律效力。
1.5 本设备技术规范书未尽事宜,由买卖双方协商确定。
1.6 买方所指定产品厂家的元器件质量由卖方负责。
2 引用标准户外环网柜各项技术指标应完全满足或更优于下列有关标准:2.1 符合国际电工委员会IEC694、298、420、265、129、56、529标准。
2.2 符合有关国家标准。
GBll022-89 《高压开关设备通用技术条件》GB1984-2003 《交流高压断路器》GB/T16927.1-1997《高电压试验技术》GB3906-1991 《3-35KV金属封闭开关设备》GB763-1990 《交流高压电器在长期工作时的发热》DL/T402-1999 《交流高压断路器订货技术条件》DL/T593-1996 《高压开关设备的共用订货技术导则》GB1208-1997 《电流互感器》GB1207-1997 《电压互感器》GB4208-1993 《外壳防护等级》GB311.1-1997 《高压输变电设备的绝缘配合》GB11033.1-89 《额定电压26/35KV及以下电力电缆附件基本技术要求》GB3804-90 《3-63kV交流高压负荷开关》DL/T403-2000 《12KV~40.5KV高压真空断路器订货技术条件》DL/T404-1997 《户内交流高压开关柜订货技术条件》柜内所配全部设备及连接方式均应满足国标或者电力工业标准。
技术标准和要求1 范围本技术规范规定10kV电缆分接箱的使用条件、主要技术参数、功能设计、结构、性能、安装和试验等方面的技术要求。
本技术规范提出的是最低限度的技术要求,并未对一切技术细节作出规定,也未充分引述有关标准和规范的条文,设备生产厂家应提供符合本技术规范、国家标准、电力行业标准以及国际标准的优质产品。
本技术规范所使用的标准如遇与设备生产厂家所执行的标准不一致时,按较高标准执行。
2 标准不得低于以下标准,供货方应使用最新颁布执行的国家标准、行业标准和IEC标准,在用户方同意时可以使用其他性能更高的标准。
行业标准中已对产品质量分等作出规定的条款,供货方所提供的产品性能应达到优等品的标准。
下列标准所包含的有关条文,通过引用而构成为本技术条件的条文。
所有标准都会被修订,当这些标准修订后,使用本标准者应引用下列标准最新版本的有关条文。
GB 311.1 高压输变电设备的绝缘配合GB 1984 高压交流断路器GB 1408.1 固体绝缘材料工频电气强度的试验方法GB 3804 3.6kV~40.5kV高压交流负荷开关GB 3906 3.6kV~40.5kV交流金属封闭开关设备和控制设备GB 4208 外壳防护等级GB/T 11022 高压开关设备和控制设备标准的共用技术要求DL/T 402 交流高压断路器订货技术条件DL/T 593 高压开关设备和控制设备标准的共用技术要求DL/T 615 交流高压断路器参数选用导则GB 3309 高压开关设备常温下的机械试验GB 11033.3 额定电压26/35kV及以下电力电缆附件基本技术要求3 使用环境条件3.1海拔高度 1000 m3.2 最高环境温度+ 40 ℃3.3 最低环境温度-25 ℃3.4 日照强度0.1W/cm²(风速:0.5m/s)3.5 最大日温差25K3.6 户内相对湿度:日平均值≤95%,月平均值≤90%3.7 最大风速35m/s(注:风速是指离地面10m高度的10min平均风速)3.8 荷载同时有10mm覆冰和17.5m/s的风速3.9 耐地震能力水平加速度0.2g;垂直加速度0.1g同时作用。
产品类目:电气>>开关类>>隔离开关>>高压隔离开关>>名称:10kV户外高压隔离开关价格:元规格:色彩:放入购买清单放入预采购清单生产厂商..........................................................................................简介..........................................................................................广泛适用于额定电压10kV、频率50HZ的单相户外装置,用在有电压而无负载时分、合电路。
促销信息..........................................................................................详细信息..........................................................................................一、产品概述HGW9-10型复合绝缘户外高压隔离开关广泛适用于额定电压10kV、频率50HZ的单相户外装置,用在有电压而无负载时分、合电路。
本系列隔离开关采用了各种最新技术及最新工艺,性能可靠,维护方便,具有瓷绝缘开关产品所不能比拟的的优越性,是配电线路尤其是重污秽线路的首选产品:1.绝缘外套采用最先进配方的硅橡胶材料生产,具有优异的电气性能。
2.产品复合绝缘结构设计科学合理,较好解决了瓷外套防污能力差、易开裂的问题。
选用优质的环氧树脂玻璃棒作内支架材料,抗拉强度高达3.5kN以上。
3.绝缘支柱采用一次成型工艺,工艺先进,性能可靠。
闸刀采用槽型结构,增大了散热面积,提高了闸刀的机械强度,动热稳定性大大提高。
一、柱上隔离开关(1)额定频率:50Hz。
(2)额定电压:12kV。
(3)额定电流:630A。
(4)绝缘水平:见下表。
柱上隔离开关额定绝缘水平kV二、柱上真空断路器(一)技术参数1.主要技术参数(见下表)柱上真空断路器主要技术参数2.技术规范(1)环境条件1)海拔高度:≤3000m。
2)最大风速:30m/s。
3)环境相对湿度:日平均值95%;月平均值90%。
4)地震烈度:8度。
5)污秽等级:3级。
(2)使用条件1)系统电压:10kV;系统最高电压:12kV;系统额定频率:50Hz;系统中性点接地方式:非有效。
2)安装地点:户外。
3)安装方式:柱上垂直。
(3)技术性能要求1)断路器应在规定的各种工作情况下达到开断性能的要求而不发生拒动或误动。
2)噪声:户外不大于55dB。
3)操动机构。
形式:弹簧机构或永磁电动机构;操作方式:手动操作或电动操作。
4)辅助回路。
辅助回路应能长期承载10A电流,温升不超过GB/T 11022—1999《高压开关设备和控制设备标准的共用技术要求》规定值。
辅助触点10对,其中5对动合触点,5对动断触点,并能按需要改换。
采用阻燃端子,留有15%备用端子排。
5)一次端子。
断路器提供连接导线的板式端子,端子受力:水平750N;垂直500N;横向400N。
断路器端子型式和尺寸应满足GB/T 5273—1985《高压器、高压电器和套管的接线端子》标准中有关规定。
6)断路器瓷套的爬电距离不小于31mm/kV(42kV以下)。
7)接地。
每台断路器应装设满足接地热稳定电流要求的接地极板,并配有与接地线连接用的接地螺栓,螺栓的直径不小于12mm。
8)寿命。
机械寿命(连续操作不调整):10000次;电气寿命:开断100%额定开断短路电流30次。
9)每台断路器配有位置指示器。
合闸为红色;分闸为绿色。
10)所有支架按工程需要要进行热镀锌的防腐处理。
11)有符合国标的铭牌,铭牌用耐腐蚀的材料制成,字样、符号应清晰耐久,铭牌在正常运行时安装位置应明显可见。
10kV箱变技术规范书一、概述本部分规定了10kV欧式箱式变电站技术规范,本技术协议书提出的是最低限度的技术要求,并未对一切细节做出规定,也未充分引述有关标准和规范的条文。
供方若未以书面形式对本要求提出异议,则需方可认为供方提供的产品完全满足本规范书和国家及行业现行标准的要求。
二、引用标准GB 绝缘配合第1部分:定义、原则和规则GB 电力变压器第1部分:总则GB 电力变压器第2部分:温升GB 电力变压器第3部分:绝缘水平、绝缘试验和外绝缘空气间隙GB 电力变压器第4部分:电力变压器和电抗器雷电冲击和操作冲击试验导则GB 电力变压器第5部分:承受短路的能力GB/T 电力变压器第7部分:油浸式电力变压器负载导则GB/T 电力变压器第10部分:声级测定GB 1208 电流互感器GB 1984 高压交流断路器GB 1985 高压交流隔离开关和接地开关GB 2536 电工流体变压器和开关用的未使用过的矿物绝缘油GB 电工术语变压器、互感器、调压器和电抗器GB 3804 ~高压交流负荷开关GB/T 4109 交流电压高于1000V的绝缘套管GB 4208 外壳防护等级(IP代码)GB/T 4585 交流系统用高压绝缘子的人工污秽试验GB 5273 变压器、高压电器和套管的接线端子GB/T 6451 油浸式电力变压器技术参数和要求GB/T 7252 变压器油中溶解气体分析和判断导则GB/T 7354 局部放电测量GB/T 7595 运行中变压器油质量GB 分接开关第1部分性能要求和试验方法GB 分接开关第2部分:应用导则GB 13499 电力变压器应用导则GB/T 13729 远动终端设备GB/T 低压开关设备和控制设备第1部分:总则GB/T 低压开关设备和控制设备第2部分:断路器GB 16926 交流高压负荷开关熔断器组合电器GB 16847 保护用电流互感器暂态特性技术要求GB 高压试验技术第1部分:一般定义及试验要求GB 高压试验技术第2部分:测量系统GB/T 低压系统内设备的绝缘配合第1部分:原理、要求和试验GB/T 17467 高压/低压预装式变电站GB/T 17468 电力变压器选用导则GB/T 污秽条件下使用的高压绝缘子的选择和尺寸确定第1部分:定义、信息和一般原则GB/T 污秽条件下使用的高压绝缘子的选择和尺寸确定第2部分:交流系统用瓷和玻璃绝缘子GB 50148 电气装置安装工程电力变压器、油浸电抗器、互感器施工及验收规范GB 50150 电气装置安装工程电气设备交接试验标准DL/T 537 高压/低压预装箱式变电站选用导则DL/T 572 电力变压器运行规程DL/T 593 高压开关设备和控制设备标准的共用技术要求DL/T 596 电力设备预防性试验规程DL/T 844 12kV少维护户外配电开关设备通用技术条件DL 911 电力变压器绕组变形的频率响应分析法DL 1093 电力变压器绕组变形的电抗法检测判断导则DL 1094 电力变压器用绝缘油选用指南DL 5027 电力设备典型消防规程电力设备(交流部分)监造大纲电网设备及材料质量管控重点措施所有螺栓、双头螺栓、螺纹、管螺纹、螺栓夹及螺母均应遵守国际标准化组织(ISO)和国际单位制(SI)的标准。
a目录1总则 (2)2工作范围 (2)2.1 范围与界限 (2)2.2 服务范围 (3)3 应遵循的主要标准 (3)4 ★使用条件 (4)4.1 ★正常使用条件............................................................................... 错误!未定义书签。
4.1 正常使用条件要求 (4)4.2 特殊使用条件要求 (4)4.3 系统条件要求 (5)5 ★技术要求 (5)5.1 基本参数 (5)5.2设计与结构要求 (7)5.3专业接口要求 (10)6 ★试验 (14)6.1 型式试验 (14)6.2 出厂试验 (15)6.3 现场验收试验 (15)7 产品对环境的影响 (15)8 企业VI标识 (15)9 技术文件要求 (15)10 监造、包装、运输、安装及质量保证 (16)10.1监造 (16)10.2包装 (16)10.3运输 (17)10.4安装指导 (17)10.5★质量保证 (17)11 ★设备技术参数与性能要求响应表 (18)12 ★备品备件及专用工具 (20)12.1必备的备品备件、专用工具与仪器仪表 (20)12.2 推荐的备品备件、专用工具与仪器仪表 (20)13 ★主要元器件来源 (21)14 LCC数据文件 (21)15 ★技术差异表 (22)16 投标方需说明的其他问题 (22)17附表 (22)1总则1.1 本招标技术文件适用于广东电网公司电网建设工程项目采购的10kV户外开关箱,它提出了该设备本体及附属设备的功能设计、结构、性能、安装与试验等方面的技术要求。
1.2 本设备招标技术文件提出的是最低限度的技术要求。
凡本招标技术文件中未规定,但在相关设备的行业标准、国家标准或IEC标准中有规定的规范条文,投标方应按相应标准的条文进行设备设计、制造、试验与安装。
对国家有关安全、环保等强制性标准,必须满足其要求(如压力容器、高电压设备等)。
城市开发过程中同步规划配套电力公共开闭所广东电网有限责任公司10kV户外开关箱技术规范书广东电网有限责任公司2016年1月目录目录................................................................................................................................... 错误!未指定书签。
1................................................................................................................................................................... 总则错误!未指定2.......................................................................................................................................................... 工作范围错误!未指定2.1范围和界限 .................................................................................................. 错误!未指定书签。
2.2服务范围 ....................................................................................................... 错误!未指定书签。
3........................................................................................................................................... 规范性引用文件错误!未指定4.......................................................................................................................................................... 使用条件错误!未指定4.1环境条件要求.............................................................................................. 错误!未指定书签。
4.1.3环境相对湿度(在25℃时) .......................................................... 错误!未指定书签。
4.2系统条件要求 ...................................................................................... 错误!未指定书签。
5.......................................................................................................................................................... 技术要求错误!未指定5.1主要参数 ....................................................................................................... 错误!未指定书签。
5.2结构及功能要求......................................................................................... 错误!未指定书签。
5.3零配件要求 .................................................................................................. 错误!未指定书签。
6.......................................................................................................................................................... 试验要求错误!未指定6.1型式试验 ....................................................................................................... 错误!未指定书签。
6.2出厂试验 ....................................................................................................... 错误!未指定书签。
6.3现场验收试验.............................................................................................. 错误!未指定书签。
7....................................................................................................................................... 产品对环境的影响错误!未指定8................................................................................................................................................... 企业VI标识错误!未指定9.......................................................................................................................................................... 技术文件错误!未指定9.1一般要求 ....................................................................................................... 错误!未指定书签。
9.2资料文件 ....................................................................................................... 错误!未指定书签。
9.3设计联络 ....................................................................................................... 错误!未指定书签。
10 .............................................................................................. 监造、包装、运输、安装及质量保证错误!未指定10.1监造.............................................................................................................. 错误!未指定书签。
10.2包装.............................................................................................................. 错误!未指定书签。
10.3运输.............................................................................................................. 错误!未指定书签。
10.4安装指导 .................................................................................................... 错误!未指定书签。
10.5质量保证 .................................................................................................... 错误!未指定书签。
11 ................................................................................................................. 一次、二次及土建接口要求错误!未指定11.1电气一次接口........................................................................................... 错误!未指定书签。
11.2电气二次接口........................................................................................... 错误!未指定书签。
11.3土建接口 .................................................................................................... 错误!未指定书签。