地基承载力计算书
- 格式:doc
- 大小:33.50 KB
- 文档页数:3
地基基础设计报告书项目编号: 2016075 项目名称: 平川区爱伊家园小区(一期)城市棚户区改造工程服务配套商业计算人: 周白专业负责人:张新平校核人: 刘力庠日期: 2016-08白银市城市建设设计院*--------------------------------------------------------------------------------** yjk-F 计算参数**--------------------------------------------------------------------------------*计算时间:2016年8月10日当前版本:1.7.1.0一、总参数1. 地基承载力验算采用的规范中华人民共和国国家标准GB50007-2011综合法地基承载力特征值fak=210.00 kPa宽度修正系数ηb=3.00深度修正系数ηd=3.402. 覆土厚度(m) 2.43. 基础底面以下土的重度(kN/m3) 204. 基础底面以上土的重度(kN/m3) 205. 结构重要性系数 1.06. 拉梁承担柱弯矩比例0.007. 抗震规范6.2.3条柱端弯矩放大系数不折减8. 自动按楼层折减活荷载否9. 活荷载折减系数(第8项为“是”时,该项无效) 1.0二、沉降计算参数1. 沉降计算经验系数 1.02. 是否考虑回弹再压缩不考虑3. 回弹再压缩模量与压缩模量之比 2.04. 考虑相邻基础影响的最大距离(m) 20.05. 后浇带施工前的加载比例0.506. 桩承台沉降的计算方法mindlin法7. 是否自动计算桩端阻力比是8. 桩端阻力比隐含值0.1三、整体式基础有限元计算参数1. 计算方法弹性地基梁板法2. 桩间土是否分担荷载否3. 桩间土分担荷载比例0.24. 是否考虑上部刚度不考虑5. 人防荷载等级不计算6. 底板等效荷载标准值(kPa) 07. 各工况组合考虑历史最低水位的有利作用不考虑8. 历史最低水位的水头标高0.09. 底板抗浮验算不验算10. 底板抗浮验算对应的水头标高0.011. 水浮力的分项系数基本组合1.2,标准组合1.012. 网格划分控制尺寸(m) 1.013. 基本组合中是否考虑自重和覆土重考虑14. 计算板元配筋时,按节点平均还是最大平均值15. 柱底峰值弯矩是否按柱宽折减是16. 板元变厚度区域的边界弯矩是否进行磨平处理是17. 计算板元配筋时,是否考虑1m范围内的平均弯矩只考虑当前单元弯矩四、材料表类型混凝土等级主筋等级箍筋等级保护层厚度(mm) 最小配筋率(%) *-------------------------------------------------------------------------------* 筏板C30 HRB335 HRB335 底=40;顶=40 0.15承台C30 HRB335 HPB300 40 0.15地基梁C20 HRB400 HPB300 40 0.15拉梁C20 HRB400 HPB300 40 0.15独立基础C35 HRB400 HRB400 40 0.15五、构件数目类型数量*------------------------------------------------------*筏板主筏板:0, 加厚区:0, 洞口:0, 防水板:0承台0地基梁0拉梁0独立基础85非承台桩梁下布桩:0, 板下布桩:0承台桩0结点23936梁元0板元20950*--------------------------------------------------------------------------** yjk-F 独立基础信息**--------------------------------------------------------------------------*计算时间:2016年8月10日当前版本:1.7.1.0一、基本信息1. 编号DJj-012. 节点号Node=43. 构件材料信息混凝土4. 做法阶形现浇5. 底面积(m2) 22.56. 底标高(m) 2.4007. 覆土重(kN/m2) 32.0(自基础顶计算)8. 自重(kN) 355.09. 各阶尺寸(mm) S2=6500 B2=2000 H2=400S1=7500 B1=3000 H1=40010. 保护层厚度(mm) Cov=4011. 混凝土强度等级RC=3512. 主筋强度(N/mm2) fy=36013. 结构重要性系数 1.0二、荷载信息*---------------------------------------------------------------------------** 以下按独立基础局部坐标系输出独立基础各工况的荷载(形心处的合力) * * N: 竖向力(kN) * * Mx: 绕X轴弯矩(kN-m) * * My: 绕Y轴弯矩(kN-m) * * Qx: X向剪力(kN) * * Qy: Y向剪力(kN) * * 恒载和平面恒载下的竖向力N包括覆土重和自重* * 活载和平面活载下的轴力、弯矩、剪力都是折减后的结果* * 弯矩已包括水平力引起的弯矩增量(ΔMx=-Qy*d,ΔMy=Qx*d,d=柱底标高-基底标高) * * 对于“独立基础+防水板”,独立基础范围内的水浮力不重复计算**---------------------------------------------------------------------------*工况N Mx My Qx Qy 恒载2244.4 1.6 -475.4 9.6 -43.8活载105.3 0.2 -66.8 0.6 2.2X风-6.2 0.9 -39.3 -8.6 -0.4Y风42.2 53.8 -2.9 -0.3 -22.0X地震-181.1 -395.9 -1812.8 -314.1 155.0Y地震739.3 909.8 -25.8 2.3 -355.0竖向地震0.0 0.0 -0.0 0.0 -0.0人防荷载0.0 0.0 -0.0 0.0 -0.0平面恒载2367.7 387.8 -351.4 0.0 -0.0平面活载119.1 35.7 -71.5 0.0 -0.0水浮力(最低水位)0.0 0.0 -0.0 0.0 -0.0水浮力(最高水位)0.0 0.0 -0.0 0.0 -0.0恒载(不计自重和覆土重)1169.4 1.6 -475.4 9.6 -43.8平面恒载(不计自重和覆土重)1292.7 387.8 -351.4 0.0 -0.0三、正截面受弯计算*--------------------------------------------------------------------------------** 以下输出独立基础底板正截面配筋设计信息** STEP: FEA表示按1米板带计算(+)用于计算底筋(-)用于计算顶筋* * Direct: 正截面的法线方向** b0: 计算宽度(mm),取1000mm * * h0: 有效高度(mm) * * M: 每延米板带的弯矩设计值(kN-m/m) * * Comb: 设计弯矩对应的组合号* * As': 每延米的计算配筋面积(mm*mm/m) * * 依据混凝土结构设计规范11.1.6条规定,地震组合下正截面受弯承载力除以0.75 * *--------------------------------------------------------------------------------*截面号STEP Direct b0 h0 M Comb As'No.1 FEA(+) x 1000 750 133.1 (42) 446.6No.2 FEA(+) x 1000 750 -135.8 (42) 455.7No.3 FEA(+) y 1000 750 163.1 (42) 548.0No.4 FEA(+) y 1000 750 -117.6 (44) 394.2*--------------------------------------------------------------------------------** 以下输出按计算、构造取大的配筋量** As: x向或y向每延米的配筋面积(mm*mm/m),按max(As', Rs,min*Area/b)确定* * b: x向或y向最大断面的计算宽度(m) * * Area: x向或y向最大断面的全截面面积(mm*mm) * * Rs: x向或y向的配筋率,按As*b/Area计算* * Rs,max: 最大配筋率(取4%) ** Rs,min: 最小配筋率**---------------------------------------------------------------------------*配筋方向As b Area Rs Rs>Rs,maxx_bot 1200.0 1.0 800000 0.15 NOx_top 1200.0 1.0 800000 0.15 NOy_bot 1200.0 1.0 800000 0.15 NOy_top 1200.0 1.0 800000 0.15 NO*---------------------------------------------------------------------------** 以下按局部坐标系输出独立基础底板各基本组合下的弯矩** Mx: 底板绕Y轴的弯矩,用于计算X向配筋量* * My: 底板绕X轴的弯矩,用于计算Y向配筋量* *---------------------------------------------------------------------------*组合号Mx(+) My(+) Mx(-) My(-)(23) 82.0 78.1 -78.8 -2.4(24) 88.5 84.4 -85.4 -2.6(25) 73.9 70.4 -70.9 -2.1(26) 76.6 69.7 -74.1 -1.7(27) 72.8 69.8 -71.6 -2.1(28) 70.1 70.5 -68.7 -2.5(29) 82.3 78.3 -78.6 -2.4(30) 81.6 77.9 -78.9 -2.4(31) 83.9 77.9 -80.3 -2.1(32) 80.0 78.3 -77.2 -2.6(33) 79.9 76.0 -76.2 -2.3(34) 78.8 75.4 -76.8 -2.3(35) 82.6 75.3 -79.3 -1.9(36) 76.1 76.0 -73.9 -2.7(37) 116.4 113.1 -92.2 -58.5(38) 124.1 122.0 -95.8 -3.0(39) 132.4 161.9 -135.0 -24.8(40) 49.1 105.9 -56.2 -115.9(41) 116.7 113.1 -92.5 -58.5(42) 133.1 163.1 -135.8 -25.4(43) 124.4 122.2 -96.0 -3.0(44) 49.1 106.6 -56.0 -117.6(45) 123.8 121.8 -95.6 -3.0(46) 49.2 105.2 -56.4 -114.2(47) 116.0 113.0 -92.0 -58.4(48) 131.6 160.7 -134.1 -24.2四、冲切验算*---------------------------------------------------------------------------** 按有限元方法计算的独立基础,按【柱对筏板的冲切】验算独立基础冲切承载力** 依据规范: 建筑地基基础设计规范GB50007-2011第8.4.7条(考虑不平衡弯矩) * * 混凝土结构设计规范GB50010-2010附录F * * 本程序将GB50007-2011公式(8.4.7-1)扩充为双向受弯* * τ = FL/(um*h0) + αsx*Munb,x*cABx/Isx + αsy*Munb,y*cABy/Isy ** τmax <= 0.7*(0.4+1.2/βs)*βhp*ft ** αsx = 1-1/[1+2/3*sqrt(c1/c2)] ** αsy = 1-1/[1+2/3*sqrt(c2/c1)] ** 式中x和y是指冲切临界截面的主形心轴** 构件编号: Z-*表示柱,W-*表示墙** 依据混凝土结构设计规范11.1.6条规定,地震组合下受冲切承载力除以0.85 **---------------------------------------------------------------------------*柱墙号Comb Fl Munb,x Munb,y um h0 αsx αsy cABx cABy Isx Isy βs βhp ft R/S 验算结果Z-3 (43) 290.8 -297.3 -436.7 5800 750 0.40 0.40 -725 -725 1.52 1.52 2.00 1.00 1.57 6.28 满足Z-6 (42) 547.7 -592.5 -10.5 5800 750 0.40 0.40 -725 -725 1.52 1.52 2.00 1.00 1.57 5.39 满足五、受剪验算*---------------------------------------------------------------------------** 以下输出柱与基础交界处4个方向截面上的受剪验算结果** 依据规范: 建筑地基基础设计规范GB50007-2011第8.2.9条** 验算公式: Vs <= 0.7 * βhs * ft * A0 ** βhs = (800/h0)^0.25 ** STEP: 剪切面包含的台阶数目,柱墙边缘截面对应总台阶数** Direct: 受剪截面的法线方向(X+,X-,Y+,Y-) ** Comb: 最大剪力对应的组合号** Vs: 相应于作用的基本组合时,柱与基础交接处的剪力设计值(kN) ** βhs: 受剪切承载力截面高度影响系数** A0: 验算截面处基础的有效截面面积(mm*mm) ** h0: 截面有效高度(mm) ** ft: 混凝土轴心抗拉强度设计值(MPa) ** 当基础底面短边尺寸大于柱宽加两倍基础有效高度时,不验算受剪承载力** 依据混凝土结构设计规范11.1.6条规定,地震组合下斜截面受剪承载力除以0.85 **-----------------------------------------------------------------------截面号STEP Direct Comb Vs βhs A0 h0 ft R/S 验算结果No.1 2 x+ (43) 697.8 1.00 1850000 750 1.57 3.44 满足No.2 2 x- (41) 764.3 1.00 1850000 750 1.57 3.14 满足No.3 2 y+ (24) 1283.6 1.00 5225000 750 1.57 4.49 满足No.4 2 y- (42) 1978.2 1.00 5225000 750 1.57 3.43 满足No.5 1 x+ (43) 293.4 1.00 1050000 350 1.57 4.64 满足No.6 1 x- (41) 325.8 1.00 1050000 350 1.57 4.18 满足No.7 1 y+ (24) 562.2 1.00 2625000 350 1.57 5.15 满足No.8 1 y- (42) 931.4 1.00 2625000 350 1.57 3.65 满足六、局部受压验算*---------------------------------------------------------------------------** 以下输出独立基础局部受压验算结果** 依据规范: 混凝土结构设计规范GB500010-2010第6.6.1条** 验算公式: Fl <= 1.35 * βc * βl * fc * Aln ** βl = sqrt(Ab/Al) ** Comb: 最大压力对应的组合号** Fl: 压力设计值(kN) ** βc: 混凝土强度影响系数** βl: 混凝土局部受压时的强度提高系数** fc: 混凝土轴心抗压强度设计值(MPa) ** Aln: 局部受压净面积(mm*mm) ** Ab: 局部受压计算底面积(mm*mm) ** Al: 局部受压面积(mm*mm) ** 当独立基础的混凝土强度等级大于柱的混凝土强度等级,无需验算,R/S取50.0 **---------------------------------------------------------------------------*Comb Fl βc βl fc Aln Ab Al R/S 验算结果(42) 2439.4 1.00 1.91 16.72 3535000 12900000 3535000 50.00 满足七、地基承载力验算*---------------------------------------------------------------------------** 依据规范: 建筑地基基础设计规范GB50007-2011第5.2.1条** 建筑抗震设计规范GB50011-2010第4.2.3条** 验算公式: 非地震组合,pk,avg <= fa,pk,max <= 1.2*fa ** 地震组合,pk,avg <= fa*ξa,pk,max <= 1.2*fa*ξa ** 地基承载力特征值依据建筑地基基础设计规范GB50007-2011第5.2.4条确定** 计算公式: fa = fa = fak + ηb*γ*(b-3) + ηd*γm*(d-0.5) **--------------------------------------------------------------------------------** 以下输出独立基础的平均、最大、最小基底压力(kPa),及零压力区面积的比例** pk,avg: 基底压力平均值(kPa) ** pk,max: 基底压力最大值(kPa) ** pk,min: 基底压力最小值(kPa) ** fa: 修正后的地基承载力(kPa) ** faE: 调整后的地基抗震承载力(kPa) ** AVG: 按平均基底压力验算是否满足** MAX: 按最大基底压力验算是否满足** A0/A: 按零压力区百分比验算是否满足** E: 地震组合标记**--------------------------------------------------------------------------------*组合号Pk,avg Pk,max Pk,min fa(fa*ξa) AVG MAX A0/A(%)( 2) 108.7 133.4 85.3 339.2 满足满足0.0 ( 3) 103.7 126.9 81.8 339.2 满足满足0.0 ( 4) 105.8 124.4 89.1 339.2 满足满足0.0 ( 5) 104.2 125.0 84.8 339.2 满足满足0.0 ( 6) 102.1 127.9 77.4 339.2 满足满足0.0 ( 7) 108.5 134.0 84.4 339.2 满足满足0.0 ( 8) 108.8 132.8 86.2 339.2 满足满足0.0 ( 9) 109.8 132.2 88.8 339.2 满足满足0.0 ( 10) 107.5 134.6 81.8 339.2 满足满足0.0 ( 11) 107.0 132.1 83.2 339.2 满足满足0.0 ( 12) 107.5 130.2 86.2 339.2 满足满足0.0 ( 13) 109.1 129.4 90.6 339.2 满足满足0.0 ( 14) 105.4 133.2 78.8 339.2 满足满足0.0 E( 15) 98.3 213.0 -16.5 441.0 满足满足 2.1(>0) E( 16) 114.4 185.0 46.4 441.0 满足满足0.0 E( 17) 139.2 225.5 56.0 441.0 满足满足0.0 E( 18) 73.5 162.8 -16.9 441.0 满足满足 5.5(>0) E( 19) 98.2 213.2 -16.8 441.0 满足满足 2.1(>0) E( 20) 139.5 226.7 55.5 441.0 满足满足0.0 E( 21) 114.4 185.3 46.2 441.0 满足满足0.0 E( 22) 73.1 163.2 -18.1 441.0 满足满足 5.9(>0)八、沉降计算*---------------------------------------------------------------------------** 以下输出独立基础中心处的沉降,按修正的分层总和法计算(s = ψ * ∑s) ** 依据规范: 建筑地基基础设计规范(GB50007-2011)第5.3.5条* * ψ: 沉降经验系数(取参数对话框中输入的值,输入1.0时按地基规范第5.3.5条计算) * * ΔZ: 计算土层的厚度(m) * * P0: 基底附加压力(kPa) * * E': 压缩模量当量(MPa) * * Zn: 压缩深度(m) * * ∑s: 分层压缩量之和(mm) * * s: 地基最终变形量(mm) * *--------------------------------------------------------------------------------*未输入地质资料,不计算沉降!附: 荷载组合表编号类型组合项*------------------------------------------------------------------------*(1 ) 准永久组合 1.0恒+0.5活(2 ) 标准组合 1.0恒+1.0活(3 ) 标准组合 1.0恒+1.0风x(4 ) 标准组合 1.0恒+1.0风y(5 ) 标准组合 1.0恒-1.0风x(6 ) 标准组合 1.0恒-1.0风y(7 ) 标准组合 1.0恒+1.0活+0.6风x(8 ) 标准组合 1.0恒+1.0活-0.6风x(9 ) 标准组合 1.0恒+1.0活+0.6风y(10) 标准组合 1.0恒+1.0活-0.6风y(11) 标准组合 1.0恒+0.7活+1.0风x(12) 标准组合 1.0恒+0.7活-1.0风x(13) 标准组合 1.0恒+0.7活+1.0风y(14) 标准组合 1.0恒+0.7活-1.0风y(15) 标准组合 1.0恒+0.5活+1.0震x+0.38竖震(16) 标准组合 1.0恒+0.5活-1.0震x+0.38竖震(17) 标准组合 1.0恒+0.5活+1.0震y+0.38竖震(18) 标准组合 1.0恒+0.5活-1.0震y+0.38竖震(19) 标准组合 1.0恒+0.5活+0.2风x+1.0震x+0.38竖震(20) 标准组合 1.0恒+0.5活+0.2风y+1.0震y+0.38竖震(21) 标准组合 1.0恒+0.5活-0.2风x-1.0震x+0.38竖震(22) 标准组合 1.0恒+0.5活-0.2风y-1.0震y+0.38竖震(23) 基本组合 1.2恒+1.4活(24) 基本组合 1.35恒+0.98活(25) 基本组合 1.2恒+1.4风x(26) 基本组合 1.2恒+1.4风y(27) 基本组合 1.2恒-1.4风x(28) 基本组合 1.2恒-1.4风y(29) 基本组合 1.2恒+1.4活+0.84风x(30) 基本组合 1.2恒+1.4活-0.84风x(31) 基本组合 1.2恒+1.4活+0.84风y(32) 基本组合 1.2恒+1.4活-0.84风y(33) 基本组合 1.2恒+0.98活+1.4风x(34) 基本组合 1.2恒+0.98活-1.4风x(35) 基本组合 1.2恒+0.98活+1.4风y(36) 基本组合 1.2恒+0.98活-1.4风y(37) 基本组合 1.2恒+0.6活+1.3震x+0.5竖震(38) 基本组合 1.2恒+0.6活-1.3震x+0.5竖震(39) 基本组合 1.2恒+0.6活+1.3震y+0.5竖震(40) 基本组合 1.2恒+0.6活-1.3震y+0.5竖震(41) 基本组合 1.2恒+0.6活+0.28风x+1.3震x+0.5竖震(42) 基本组合 1.2恒+0.6活+0.28风y+1.3震y+0.5竖震(43) 基本组合 1.2恒+0.6活-0.28风x-1.3震x+0.5竖震(44) 基本组合 1.2恒+0.6活-0.28风y-1.3震y+0.5竖震(45) 基本组合 1.2恒+0.6活+0.28风x-1.3震x+0.5竖震(46) 基本组合 1.2恒+0.6活+0.28风y-1.3震y+0.5竖震(47) 基本组合 1.2恒+0.6活-0.28风x+1.3震x+0.5竖震(48) 基本组合 1.2恒+0.6活-0.28风y+1.3震y+0.5竖震*---------------------------------------------------------------------------** yjk-F 独立基础信息**---------------------------------------------------------------------------*计算时间:2016年8月10日当前版本:1.7.1.0一、基本信息1. 编号DJj-022. 节点号Node=493. 构件材料信息混凝土4. 做法阶形现浇5. 底面积(m2) 12.06. 底标高(m) 2.4007. 覆土重(kN/m2) 32.0(自基础顶计算)8. 自重(kN) 180.09. 各阶尺寸(mm) S2=3000 B2=2000 H2=400S1=4000 B1=3000 H1=40010. 保护层厚度(mm) Cov=4011. 混凝土强度等级RC=3512. 主筋强度(N/mm2) fy=36013. 结构重要性系数 1.0二、荷载信息*--------------------------------------------------------------------------------* * 以下按独立基础局部坐标系输出独立基础各工况的荷载(形心处的合力) * * N: 竖向力(kN) * * Mx: 绕X轴弯矩(kN-m) * * My: 绕Y轴弯矩(kN-m) * * Qx: X向剪力(kN) * * Qy: Y向剪力(kN) * * 恒载和平面恒载下的竖向力N包括覆土重和自重* * 活载和平面活载下的轴力、弯矩、剪力都是折减后的结果* * 弯矩已包括水平力引起的弯矩增量(ΔMx=-Qy*d,ΔMy=Qx*d,d=柱底标高-基底标高) * * 对于“独立基础+防水板”,独立基础范围内的水浮力不重复计算**--------------------------------------------------------------------------------*工况N Mx My Qx Qy 恒载1858.8 -33.2 -0.1 0.0 69.1活载139.8 -5.0 0.0 -0.0 -0.8X风 2.4 -0.1 -7.5 -5.2 0.0Y风-24.5 52.0 0.3 0.1 -17.7X地震-10.1 10.2 -360.8 -238.1 -4.4Y地震-442.6 948.7 22.8 -4.0 -313.6竖向地震0.0 0.0 -0.0 0.0 -0.0人防荷载0.0 0.0 -0.0 0.0 -0.0平面恒载1876.0 -393.6 0.1 0.0 -0.0平面活载133.1 -39.9 0.0 0.0 -0.0水浮力(最低水位)0.0 0.0 -0.0 0.0 -0.0水浮力(最高水位)0.0 0.0 -0.0 0.0 -0.0恒载(不计自重和覆土重)1294.8 -33.2 -0.1 0.0 69.1平面恒载(不计自重和覆土重)1312.0 -393.6 0.1 0.0 -0.0三、正截面受弯计算*--------------------------------------------------------------------------------** 以下输出独立基础底板正截面配筋设计信息** STEP: FEA表示按1米板带计算(+)用于计算底筋(-)用于计算顶筋* * Direct: 正截面的法线方向** b0: 计算宽度(mm),取1000mm * * h0: 有效高度(mm) * * M: 每延米板带的弯矩设计值(kN-m/m) * * Comb: 设计弯矩对应的组合号* * As': 每延米的计算配筋面积(mm*mm/m) * * 依据混凝土结构设计规范11.1.6条规定,地震组合下正截面受弯承载力除以0.75 * *--------------------------------------------------------------------------------*截面号STEP Direct b0 h0 M Comb As'No.1 FEA(+) x 1000 750 247.4 (44) 834.5No.2 FEA(+) x 1000 750 -2.5 (43) 8.5No.3 FEA(+) y 1000 750 247.0 (44) 832.9No.4 FEA(+) y 1000 750 -126.3 (42) 423.7*--------------------------------------------------------------------------------** 以下输出按计算、构造取大的配筋量** As: x向或y向每延米的配筋面积(mm*mm/m),按max(As', Rs,min*Area/b)确定* * b: x向或y向最大断面的计算宽度(m) * * Area: x向或y向最大断面的全截面面积(mm*mm) * * Rs: x向或y向的配筋率,按As*b/Area计算* * Rs,max: 最大配筋率(取4%) ** Rs,min: 最小配筋率**--------------------------------------------------------------------------------*配筋方向As b Area Rs Rs>Rs,maxx_bot 1200.0 1.0 800000 0.15 NOx_top 1200.0 1.0 800000 0.15 NOy_bot 1200.0 1.0 800000 0.15 NOy_top 1200.0 1.0 800000 0.15 NO*--------------------------------------------------------------------------------** 以下按局部坐标系输出独立基础底板各基本组合下的弯矩** Mx: 底板绕Y轴的弯矩,用于计算X向配筋量* * My: 底板绕X轴的弯矩,用于计算Y向配筋量* *--------------------------------------------------------------------------------*组合号Mx(+) My(+) Mx(-) My(-)(23) 149.5 141.2 0.0 -2.3(24) 161.0 152.2 0.0 -2.5(25) 133.4 125.9 0.0 -2.1(26) 132.0 126.3 0.0 -2.8(27) 132.4 125.3 0.0 -2.1(28) 138.4 124.6 0.0 -1.4(29) 149.8 141.4 0.0 -2.3(30) 149.3 141.1 0.0 -2.3(31) 149.0 141.7 0.0 -2.8(32) 152.9 140.7 0.0 -1.9(33) 145.1 136.9 0.0 -2.3(34) 144.1 136.3 0.0 -2.3(35) 143.7 137.3 0.0 -3.0(36) 150.2 135.6 0.0 -1.5(37) 150.0 153.5 -2.5 -23.1(38) 151.8 154.3 -2.5 -20.9(39) 138.0 212.5 -0.8 -124.2(40) 246.2 245.4 -0.7 -49.2(41) 150.3 153.6 -2.5 -23.2(42) 138.0 213.8 -0.8 -126.3(43) 152.1 154.3 -2.5 -21.0(44) 247.4 247.0 -0.8 -50.4(45) 151.6 154.3 -2.5 -20.8(46) 244.9 243.9 -0.7 -48.0(47) 149.7 153.4 -2.5 -23.0(48) 138.0 211.2 -0.7 -122.1四、冲切验算*--------------------------------------------------------------------------------** 按有限元方法计算的独立基础,按【柱对筏板的冲切】验算独立基础冲切承载力** 依据规范: 建筑地基基础设计规范GB50007-2011第8.4.7条(考虑不平衡弯矩) * * 混凝土结构设计规范GB50010-2010附录F * * 本程序将GB50007-2011公式(8.4.7-1)扩充为双向受弯* * τ = FL/(um*h0) + αsx*Munb,x*cABx/Isx + αsy*Munb,y*cABy/Isy ** τmax <= 0.7*(0.4+1.2/βs)*βhp*ft ** αsx = 1-1/[1+2/3*sqrt(c1/c2)] ** αsy = 1-1/[1+2/3*sqrt(c2/c1)] ** 式中x和y是指冲切临界截面的主形心轴** 构件编号: Z-*表示柱,W-*表示墙** 依据混凝土结构设计规范11.1.6条规定,地震组合下受冲切承载力除以0.85 **--------------------------------------------------------------------------------*柱墙号Comb Fl Munb,x Munb,y um h0 αsx αsy cABx cABy Isx Isy βs βhp ft R/S 验算结果Z-25 (41) 458.0 -253.4 432.1 5800 750 0.40 0.40 -725 725 1.52 1.52 2.00 1.00 1.57 5.50 满足Z-28 (43) 461.2 -241.1 -429.6 5800 750 0.40 0.40 -725 -725 1.52 1.52 2.00 1.00 1.57 5.55 满足五、受剪验算*--------------------------------------------------------------------------------** 以下输出柱与基础交界处4个方向截面上的受剪验算结果** 依据规范: 建筑地基基础设计规范GB50007-2011第8.2.9条** 验算公式: Vs <= 0.7 * βhs * ft * A0 ** βhs = (800/h0)^0.25 ** STEP: 剪切面包含的台阶数目,柱墙边缘截面对应总台阶数** Direct: 受剪截面的法线方向(X+,X-,Y+,Y-) ** Comb: 最大剪力对应的组合号** Vs: 相应于作用的基本组合时,柱与基础交接处的剪力设计值(kN) ** βhs: 受剪切承载力截面高度影响系数** A0: 验算截面处基础的有效截面面积(mm*mm) ** h0: 截面有效高度(mm) ** ft: 混凝土轴心抗拉强度设计值(MPa) ** 当基础底面短边尺寸大于柱宽加两倍基础有效高度时,不验算受剪承载力** 依据混凝土结构设计规范11.1.6条规定,地震组合下斜截面受剪承载力除以0.85 **--------------------------------------------------------------------------------*截面号STEP Direct Comb Vs βhs A0 h0 ft R/S 验算结果No.1 2 x+ (24) 849.1 1.00 1850000 750 1.57 2.40 满足No.2 2 x- (24) 849.3 1.00 1850000 750 1.57 2.40 满足No.3 2 y+ (44) 1691.3 1.00 2600000 750 1.57 1.99 满足No.4 2 y- (42) 1267.5 1.00 2600000 750 1.57 2.66 满足No.5 1 x+ (24) 338.3 1.00 1050000 350 1.57 3.42 满足No.6 1 x- (24) 338.4 1.00 1050000 350 1.57 3.42 满足No.7 1 y+ (44) 815.8 1.00 1400000 350 1.57 2.23 满足No.8 1 y- (42) 631.9 1.00 1400000 350 1.57 2.87 满足六、局部受压验算*--------------------------------------------------------------------------------** 以下输出独立基础局部受压验算结果** 依据规范: 混凝土结构设计规范GB500010-2010第6.6.1条** 验算公式: Fl <= 1.35 * βc * βl * fc * Aln ** βl = sqrt(Ab/Al) ** Comb: 最大压力对应的组合号** Fl: 压力设计值(kN) ** βc: 混凝土强度影响系数** βl: 混凝土局部受压时的强度提高系数** fc: 混凝土轴心抗压强度设计值(MPa) ** Aln: 局部受压净面积(mm*mm) ** Ab: 局部受压计算底面积(mm*mm) ** Al: 局部受压面积(mm*mm) ** 当独立基础的混凝土强度等级大于柱的混凝土强度等级,无需验算,R/S取50.0 **--------------------------------------------------------------------------------*Comb Fl βc βl fc Aln Ab Al R/S 验算结果(44) 2219.9 1.00 2.35 16.72 1050000 5800000 1050000 25.09 满足七、地基承载力验算*--------------------------------------------------------------------------------** 依据规范: 建筑地基基础设计规范GB50007-2011第5.2.1条** 建筑抗震设计规范GB50011-2010第4.2.3条** 验算公式: 非地震组合,pk,avg <= fa,pk,max <= 1.2*fa ** 地震组合,pk,avg <= fa*ξa,pk,max <= 1.2*fa*ξa ** 地基承载力特征值依据建筑地基基础设计规范GB50007-2011第5.2.4条确定** 计算公式: fa = fa = fak + ηb*γ*(b-3) + ηd*γm*(d-0.5) **--------------------------------------------------------------------------------** 以下输出独立基础的平均、最大、最小基底压力(kPa),及零压力区面积的比例** pk,avg: 基底压力平均值(kPa) ** pk,max: 基底压力最大值(kPa) ** pk,min: 基底压力最小值(kPa) ** fa: 修正后的地基承载力(kPa) ** faE: 调整后的地基抗震承载力(kPa) ** AVG: 按平均基底压力验算是否满足** MAX: 按最大基底压力验算是否满足** A0/A: 按零压力区百分比验算是否满足** E: 地震组合标记**--------------------------------------------------------------------------------*组合号Pk,avg Pk,max Pk,min fa(fa*ξa) AVG MAX A0/A(%)( 2) 171.5 175.3 166.4 339.2 满足满足0.0 ( 3) 160.1 163.7 154.4 339.2 满足满足0.0 ( 4) 157.9 168.8 145.5 339.2 满足满足0.0 ( 5) 159.7 163.3 154.1 339.2 满足满足0.0 ( 6) 161.9 166.8 155.9 339.2 满足满足0.0 ( 7) 171.7 175.4 166.0 339.2 满足满足0.0 ( 8) 171.4 175.2 165.8 339.2 满足满足0.0 ( 9) 170.3 178.5 160.7 339.2 满足满足0.0 ( 10) 172.8 175.1 169.7 339.2 满足满足0.0 ( 11) 168.2 172.0 162.4 339.2 满足满足0.0 ( 12) 167.9 171.6 162.0 339.2 满足满足0.0 ( 13) 166.0 177.1 153.4 339.2 满足满足0.0 ( 14) 170.1 174.9 164.0 339.2 满足满足0.0 E( 15) 164.9 205.6 119.6 441.0 满足满足0.0 E( 16) 166.6 204.4 124.2 441.0 满足满足0.0 E( 17) 128.8 268.4 -15.9 441.0 满足满足9.1(>0) E( 18) 202.6 339.0 66.1 441.0 满足满足0.0 E( 19) 164.9 205.8 119.5 441.0 满足满足0.0 E( 20) 128.4 269.5 -17.8 441.0 满足满足9.1(>0) E( 21) 166.5 204.5 124.0 441.0 满足满足0.0 E( 22) 203.0 340.9 65.0 441.0 满足满足0.0八、沉降计算*--------------------------------------------------------------------------------* * 以下输出独立基础中心处的沉降,按修正的分层总和法计算(s = ψ * ∑s) ** 依据规范: 建筑地基基础设计规范(GB50007-2011)第5.3.5条* * ψ: 沉降经验系数(取参数对话框中输入的值,输入1.0时按地基规范第5.3.5条计算) * * ΔZ: 计算土层的厚度(m) * * P0: 基底附加压力(kPa) * * E': 压缩模量当量(MPa) * * Zn: 压缩深度(m) * * ∑s: 分层压缩量之和(mm) * * s: 地基最终变形量(mm) * *--------------------------------------------------------------------------------*未输入地质资料,不计算沉降!附: 荷载组合表编号类型组合项*------------------------------------------------------------------------------*(1 ) 准永久组合 1.0恒+0.5活(2 ) 标准组合 1.0恒+1.0活(3 ) 标准组合 1.0恒+1.0风x(4 ) 标准组合 1.0恒+1.0风y(5 ) 标准组合 1.0恒-1.0风x(6 ) 标准组合 1.0恒-1.0风y(7 ) 标准组合 1.0恒+1.0活+0.6风x(8 ) 标准组合 1.0恒+1.0活-0.6风x(9 ) 标准组合 1.0恒+1.0活+0.6风y(10) 标准组合 1.0恒+1.0活-0.6风y(11) 标准组合 1.0恒+0.7活+1.0风x(12) 标准组合 1.0恒+0.7活-1.0风x(13) 标准组合 1.0恒+0.7活+1.0风y(14) 标准组合 1.0恒+0.7活-1.0风y(15) 标准组合 1.0恒+0.5活+1.0震x+0.38竖震(16) 标准组合 1.0恒+0.5活-1.0震x+0.38竖震(17) 标准组合 1.0恒+0.5活+1.0震y+0.38竖震(18) 标准组合 1.0恒+0.5活-1.0震y+0.38竖震(19) 标准组合 1.0恒+0.5活+0.2风x+1.0震x+0.38竖震(20) 标准组合 1.0恒+0.5活+0.2风y+1.0震y+0.38竖震(21) 标准组合 1.0恒+0.5活-0.2风x-1.0震x+0.38竖震(22) 标准组合 1.0恒+0.5活-0.2风y-1.0震y+0.38竖震(23) 基本组合 1.2恒+1.4活(24) 基本组合 1.35恒+0.98活(25) 基本组合 1.2恒+1.4风x(26) 基本组合 1.2恒+1.4风y(27) 基本组合 1.2恒-1.4风x(28) 基本组合 1.2恒-1.4风y(29) 基本组合 1.2恒+1.4活+0.84风x(30) 基本组合 1.2恒+1.4活-0.84风x(31) 基本组合 1.2恒+1.4活+0.84风y(32) 基本组合 1.2恒+1.4活-0.84风y(33) 基本组合 1.2恒+0.98活+1.4风x(34) 基本组合 1.2恒+0.98活-1.4风x(35) 基本组合 1.2恒+0.98活+1.4风y(36) 基本组合 1.2恒+0.98活-1.4风y(37) 基本组合 1.2恒+0.6活+1.3震x+0.5竖震(38) 基本组合 1.2恒+0.6活-1.3震x+0.5竖震(39) 基本组合 1.2恒+0.6活+1.3震y+0.5竖震(40) 基本组合 1.2恒+0.6活-1.3震y+0.5竖震(41) 基本组合 1.2恒+0.6活+0.28风x+1.3震x+0.5竖震(42) 基本组合 1.2恒+0.6活+0.28风y+1.3震y+0.5竖震(43) 基本组合 1.2恒+0.6活-0.28风x-1.3震x+0.5竖震(44) 基本组合 1.2恒+0.6活-0.28风y-1.3震y+0.5竖震(45) 基本组合 1.2恒+0.6活+0.28风x-1.3震x+0.5竖震(46) 基本组合 1.2恒+0.6活+0.28风y-1.3震y+0.5竖震(47) 基本组合 1.2恒+0.6活-0.28风x+1.3震x+0.5竖震(48) 基本组合 1.2恒+0.6活-0.28风y+1.3震y+0.5竖震*--------------------------------------------------------------------------------* * yjk-F 独立基础信息**--------------------------------------------------------------------------------*计算时间:2016年8月10日当前版本:1.7.1.0一、基本信息1. 编号DJj-032. 节点号Node=503. 构件材料信息混凝土4. 做法阶形现浇5. 底面积(m2) 31.56. 底标高(m) -2.4007. 覆土重(kN/m2) 32.0(自基础顶计算)8. 自重(kN) 515.09. 各阶尺寸(mm) S2=2500 B2=8000 H2=400S1=3500 B1=9000 H1=40010. 保护层厚度(mm) Cov=4011. 混凝土强度等级RC=3512. 主筋强度(N/mm2) fy=36013. 结构重要性系数 1.0二、荷载信息*--------------------------------------------------------------------------------* * 以下按独立基础局部坐标系输出独立基础各工况的荷载(形心处的合力) * * N: 竖向力(kN) * * Mx: 绕X轴弯矩(kN-m) * * My: 绕Y轴弯矩(kN-m) * * Qx: X向剪力(kN) * * Qy: Y向剪力(kN) * * 恒载和平面恒载下的竖向力N包括覆土重和自重* * 活载和平面活载下的轴力、弯矩、剪力都是折减后的结果* * 弯矩已包括水平力引起的弯矩增量(ΔMx=-Qy*d,ΔMy=Qx*d,d=柱底标高-基底标高) * * 对于“独立基础+防水板”,独立基础范围内的水浮力不重复计算**--------------------------------------------------------------------------------*工况N Mx My Qx Qy 恒载4275.7 -2646.5 -16.3 -5.5 -60.1活载297.0 -471.5 0.5 -0.1 3.0X风 5.7 -4.6 -47.3 -12.5 0.1Y风24.7 429.5 -0.3 -0.0 -49.4X地震-10.9 111.6 -2094.3 -551.5 -9.3Y地震447.4 7809.1 46.3 9.7 -874.4竖向地震0.0 0.0 -0.0 0.0 -0.0人防荷载0.0 0.0 -0.0 0.0 -0.0平面恒载4294.2 -2909.3 -0.9 0.0 -0.0平面活载288.5 -488.7 0.2 0.0 -0.0水浮力(最低水位)-740.9 0.0 0.0 0.0 -0.0水浮力(最高水位)-740.9 0.0 0.0 0.0 -0.0恒载(不计自重和覆土重)2752.7 -2646.5 -16.3 -5.5 -60.1平面恒载(不计自重和覆土重)2771.2 -2909.3 -0.9 0.0 -0.0三、正截面受弯计算*--------------------------------------------------------------------------------** 以下输出独立基础底板正截面配筋设计信息** STEP: FEA表示按1米板带计算(+)用于计算底筋(-)用于计算顶筋* * Direct: 正截面的法线方向** b0: 计算宽度(mm),取1000mm * * h0: 有效高度(mm) * * M: 每延米板带的弯矩设计值(kN-m/m) * * Comb: 设计弯矩对应的组合号* * As': 每延米的计算配筋面积(mm*mm/m) * * 依据混凝土结构设计规范11.1.6条规定,地震组合下正截面受弯承载力除以0.75 * *--------------------------------------------------------------------------------*截面号STEP Direct b0 h0 M Comb As'No.1 FEA(+) x 1000 750 293.9 (44) 993.5No.2 FEA(+) x 1000 750 -54.4 (44) 181.8No.3 FEA(+) y 1000 750 488.7 (42) 1667.9No.4 FEA(+) y 1000 750 -394.1 (24) 1796.8*--------------------------------------------------------------------------------** 以下输出按计算、构造取大的配筋量** As: x向或y向每延米的配筋面积(mm*mm/m),按max(As', Rs,min*Area/b)确定* * b: x向或y向最大断面的计算宽度(m) * * Area: x向或y向最大断面的全截面面积(mm*mm) * * Rs: x向或y向的配筋率,按As*b/Area计算* * Rs,max: 最大配筋率(取4%) ** Rs,min: 最小配筋率**--------------------------------------------------------------------------------*配筋方向As b Area Rs Rs>Rs,maxx_bot 1200.0 1.0 800000 0.15 NOx_top 1200.0 1.0 800000 0.15 NOy_bot 1667.9 1.0 800000 0.21 NOy_top 1796.8 1.0 800000 0.22 NO*--------------------------------------------------------------------------------** 以下按局部坐标系输出独立基础底板各基本组合下的弯矩** Mx: 底板绕Y轴的弯矩,用于计算X向配筋量* * My: 底板绕X轴的弯矩,用于计算Y向配筋量* *--------------------------------------------------------------------------------*组合号Mx(+) My(+) Mx(-) My(-)(23) 171.8 207.4 -0.0 -365.7(24) 184.1 222.2 -0.0 -394.1(25) 150.9 182.0 -0.1 -325.8(26) 147.6 191.0 -0.0 -325.8(27) 149.6 181.2 -0.1 -324.2(28) 157.2 171.6 -0.0 -325.5(29) 172.2 207.8 -0.1 -366.3(30) 171.4 207.3 -0.1 -365.3(31) 167.8 213.2 -0.0 -366.3(32) 176.0 201.5 -0.0 -365.5(33) 166.0 200.3 -0.1 -354.4(34) 164.7 199.5 -0.1 -352.8(35) 162.1 209.3 -0.0 -354.4(36) 172.3 189.8 -0.0 -354.0(37) 161.5 236.3 -14.5 -359.8(38) 168.8 236.8 -14.7 -363.3(39) 235.2 484.9 -0.6 -435.0(40) 292.3 214.6 -52.7 -460.0(41) 161.8 236.5 -14.7 -360.0(42) 236.9 488.7 -0.6 -436.9(43) 168.7 236.8 -14.9 -363.2(44) 293.9 216.9 -54.4 -462.6(45) 168.9 236.8 -14.5 -363.3(46) 290.6 212.2 -51.0 -457.5(47) 161.2 236.1 -14.3 -359.5(48) 233.5 481.1 -0.6 -433.0四、冲切验算*--------------------------------------------------------------------------------** 按有限元方法计算的独立基础,按【柱对筏板的冲切】验算独立基础冲切承载力** 依据规范: 建筑地基基础设计规范GB50007-2011第8.4.7条(考虑不平衡弯矩) * * 混凝土结构设计规范GB50010-2010附录F * * 本程序将GB50007-2011公式(8.4.7-1)扩充为双向受弯* * τ = FL/(um*h0) + αsx*Munb,x*cABx/Isx + αsy*Munb,y*cABy/Isy ** τmax <= 0.7*(0.4+1.2/βs)*βhp*ft ** αsx = 1-1/[1+2/3*sqrt(c1/c2)] ** αsy = 1-1/[1+2/3*sqrt(c2/c1)] ** 式中x和y是指冲切临界截面的主形心轴** 构件编号: Z-*表示柱,W-*表示墙** 依据混凝土结构设计规范11.1.6条规定,地震组合下受冲切承载力除以0.85 **--------------------------------------------------------------------------------*柱墙号Comb Fl Munb,x Munb,y um h0 αsx αsy cABx cABy Isx Isy βs βhp ft R/S 验算结果Z-26 (41) 864.3 520.7 409.9 6000 750 0.39 0.41 725 775 1.60 1.77 2.00 1.00 1.57 3.63 满足Z-27 (41) 539.8 -281.4 437.5 5800 750 0.40 0.40 -725 725 1.52 1.52 2.00 1.00 1.57 4.97 满足Z-29 (43) 861.1 -538.5 393.9 6000 750 0.39 0.41 -725 775 1.60 1.77 2.00 1.00 1.57 3.63 满足Z-30 (43) 551.4 -269.3 -447.1 5800 750 0.40 0.40 -725 -725 1.52 1.52 2.00 1.00 1.57 4.93 满足五、受剪验算*--------------------------------------------------------------------------------** 以下输出柱与基础交界处4个方向截面上的受剪验算结果** 依据规范: 建筑地基基础设计规范GB50007-2011第8.2.9条** 验算公式: Vs <= 0.7 * βhs * ft * A0 ** βhs = (800/h0)^0.25 ** STEP: 剪切面包含的台阶数目,柱墙边缘截面对应总台阶数** Direct: 受剪截面的法线方向(X+,X-,Y+,Y-) ** Comb: 最大剪力对应的组合号** Vs: 相应于作用的基本组合时,柱与基础交接处的剪力设计值(kN) ** βhs: 受剪切承载力截面高度影响系数** A0: 验算截面处基础的有效截面面积(mm*mm) ** h0: 截面有效高度(mm) ** ft: 混凝土轴心抗拉强度设计值(MPa) ** 当基础底面短边尺寸大于柱宽加两倍基础有效高度时,不验算受剪承载力** 依据混凝土结构设计规范11.1.6条规定,地震组合下斜截面受剪承载力除以0.85 **--------------------------------------------------------------------------------*截面号STEP Direct Comb Vs βhs A0 h0 ft R/S 验算结果No.1 2 x+ (24) 1770.9 1.00 6350000 750 1.57 3.95 满足No.2 2 x- (24) 1773.2 1.00 6350000 750 1.57 3.95 满足No.3 2 y+ (44) 1374.4 1.00 2225000 750 1.57 2.10 满足No.4 2 y- (42) 1021.2 1.00 2225000 750 1.57 2.83 满足No.5 1 x+ (24) 883.1 1.00 3150000 350 1.57 3.93 满足No.6 1 x- (24) 884.5 1.00 3150000 350 1.57 3.93 满足No.7 1 y+ (44) 693.4 1.00 1225000 350 1.57 2.29 满足No.8 1 y- (42) 506.8 1.00 1225000 350 1.57 3.13 满足六、局部受压验算*--------------------------------------------------------------------------------** 以下输出独立基础局部受压验算结果** 依据规范: 混凝土结构设计规范GB500010-2010第6.6.1条** 验算公式: Fl <= 1.35 * βc * βl * fc * Aln ** βl = sqrt(Ab/Al) ** Comb: 最大压力对应的组合号** Fl: 压力设计值(kN) ** βc: 混凝土强度影响系数** βl: 混凝土局部受压时的强度提高系数** fc: 混凝土轴心抗压强度设计值(MPa) ** Aln: 局部受压净面积(mm*mm) ** Ab: 局部受压计算底面积(mm*mm) ** Al: 局部受压面积(mm*mm) ** 当独立基础的混凝土强度等级大于柱的混凝土强度等级,无需验算,R/S取50.0 **--------------------------------------------------------------------------------*Comb Fl βc βl fc Aln Ab Al R/S 验算结果(42) 4070.1 1.00 1.39 16.72 10387500 20000000 10387500 50.00 满足七、地基承载力验算*--------------------------------------------------------------------------------** 依据规范: 建筑地基基础设计规范GB50007-2011第5.2.1条** 建筑抗震设计规范GB50011-2010第4.2.3条** 验算公式: 非地震组合,pk,avg <= fa,pk,max <= 1.2*fa ** 地震组合,pk,avg <= fa*ξa,pk,max <= 1.2*fa*ξa ** 地基承载力特征值依据建筑地基基础设计规范GB50007-2011第5.2.4条确定** 计算公式: fa = fa = fak + ηb*γ*(b-3) + ηd*γm*(d-0.5) **--------------------------------------------------------------------------------** 以下输出独立基础的平均、最大、最小基底压力(kPa),及零压力区面积的比例** pk,avg: 基底压力平均值(kPa) ** pk,max: 基底压力最大值(kPa) ** pk,min: 基底压力最小值(kPa) ** fa: 修正后的地基承载力(kPa) ** faE: 调整后的地基抗震承载力(kPa) ** AVG: 按平均基底压力验算是否满足** MAX: 按最大基底压力验算是否满足** A0/A: 按零压力区百分比验算是否满足*。
45T龙门吊基础底承载力计算书
一、计算说明
1、根据“45t龙门吊基础图”典型断面图计算。
2、采用双层C30钢筋混凝土基础。
二、示意图
基础类型:条基计算形式:验算截面尺寸
剖面:
三、基本参数
1.依据规范
《建筑地基基础设计规范》(GB 50007-2011)2.几何参数:
已知尺寸:
B1 = 400 mm, B2 =300mm
H1 = 300 mm, H2 = 200 mm
3.荷载值:
①基础砼:g1=9.5×0.32m2×25 kN /m3=76kN
②钢轨:g2=9.5×43×10N /kg=4.085kN
③龙门吊轮压:g3=[85+(60+20)÷2]÷4×10KN/T=312.5 kN
作用在基础底部的基本组合荷载
F k = g2+g2+ g3=392.585KN
4.材料信息:
混凝土:C30 钢筋:HPB300
5.基础几何特性:
底面积:A =1×9.5= 9.5 m2
四、计算过程
轴心荷载作用下地基承载力验算
按《建筑地基基础设计规范》(GB 50007-2002)下列公式验算:
p k = F k/A = 620.085/9.5=65.3KPa
结论:本地地表往下0.5~3米均为粉质黏土,承载力可达130KPa,满足承载力要求。
基础计算书C 轴交3轴DJ P 01计算一、计算修正后的地基承载力特征值选择第一层粉土为持力层,地基承载力特征值fak=120 kPa ,ηd=2.0,rm=17.7kN/m 3,d=1.05m ,初步确定埋深d=1.5m ,室内外高差0.45m 。
根据《建筑地基基础设计规范》(GB 50007-2011) 式5.2.4 计算修正后的抗震地基承载力特征值 = 139(kPa);二、初步选择基底尺寸A ≧Fk fa −γGA ≧949139−20×1.5=8.7㎡ 取独立基础基础地面a=b=3000mm 。
采用坡型独立基础,初选基础高度600mm ,第一阶h 1=350mm ,第二阶h 2=250mm 。
三、作用在基础顶部荷载标准值结构重要性系数: γo=1.0基础混凝土等级:C30 ft_b=1.43N/mm 2 fc_b=14.3N/mm 2柱混凝土等级: C30 ft_c=1.43N/mm 2 fc_c=14.3N/mm 2钢筋级别: HRB400 fy=360N/mm2 矩形柱宽 bc=500mm 矩形柱高 hc=500mm纵筋合力点至近边距离: as=40mm 最小配筋率: ρmin=0.150% Fgk=949.000kN Fqk=0.000kN Mgxk=14.000kN*m Mqxk=0.000kN*m Mgyk=25.000kN*m Mqyk=0.000kN*m Vgxk=45.000kN Vqxk=0.000kN Vgyk=17.000kN Vqyk=0.000kN永久荷载分项系数rg=1.20 可变荷载分项系数rq=1.40Fk=Fgk+Fqk=949.000+(0.000)=949.000kNMxk=Mgxk+Fgk*(B2-B1)/2+Mqxk+Fqk*(B2-B1)/2=14.000+949.000*(1.500-1.500)/2+(0.000)+0.000*(1.500-1.500)/2=14.000kN*mMyk=Mgyk+Fgk*(A2-A1)/2+Mqyk+Fqk*(A2-A1)/2=25.000+949.000*(1.500-1.500)/2+(0.000)+0.000*(1.500-1.500)/2=25.000kN*mVxk=Vgxk+Vqxk=45.000+(0.000)=45.000kNVyk=Vgyk+Vqyk=17.000+(0.000)=17.000kNF1=rg*Fgk+rq*Fqk=1.20*(949.000)+1.40*(0.000)=1138.800kNMx1=rg*(Mgxk+Fgk*(B2-B1)/2)+rq*(Mqxk+Fqk*(B2-B1)/2)=1.20*(14.000+949.000*(1.500-1.500)/2)+1.40*(0.000+0.000*(1.500-1.500)/2) =16.800kN*mMy1=rg*(Mgyk+Fgk*(A2-A1)/2)+rq*(Mqyk+Fqk*(A2-A1)/2)++=f a f ak b ()-b 3d m ( )-d 0.5=1.20*(25.000+949.000*(1.500-1.500)/2)+1.40*(0.000+0.000*(1.500-1.500)/2) =30.000kN*mVx1=rg*Vgxk+rq*Vqxk=1.20*(45.000)+1.40*(0.000)=54.000kNVy1=rg*Vgyk+rq*Vqyk=1.20*(17.000)+1.40*(0.000)=20.400kNF2=1.35*Fk=1.35*949.000=1281.150kNMx2=1.35*Mxk=1.35*14.000=18.900kN*mMy2=1.35*Myk=1.35*25.000=33.750kN*mVx2=1.35*Vxk=1.35*45.000=60.750kNVy2=1.35*Vyk=1.35*17.000=22.950kNF=max(|F1|,|F2|)=max(|1138.800|,|1281.150|)=1281.150kNMx=max(|Mx1|,|Mx2|)=max(|16.800|,|18.900|)=18.900kN*mMy=max(|My1|,|My2|)=max(|30.000|,|33.750|)=33.750kN*mVx=max(|Vx1|,|Vx2|)=max(|54.000|,|60.750|)=60.750kNVy=max(|Vy1|,|Vy2|)=max(|20.400|,|22.950|)=22.950kN四、计算参数1. 基础总长 Bx=B1+B2=1.500+1.500=3.000m2. 基础总宽 By=A1+A2=1.500+1.500=3.000m3. 基础总高 H=h1+h2=0.350+0.250=0.600m4. 底板配筋计算高度 ho=h1+h2-as=0.350+0.250-0.040=0.560m5. 基础底面积 A=Bx*By=3.000*3.000=9.000m26. Gk=γ*Bx*By*dh=20.000*3.000*3.000*1.000=180.000kNG=1.35*Gk=1.35*180.000=243.000kN五、计算作用在基础底部弯矩值Mdxk=Mxk-Vyk*H=14.000-17.000*0.600=3.800kN*mMdyk=Myk+Vxk*H=25.000+45.000*0.600=52.000kN*mMdx=Mx-Vy*H=18.900-22.950*0.600=5.130kN*mMdy=My+Vx*H=33.750+60.750*0.600=70.200kN*m六、验算地基承载力1. 验算轴心荷载作用下地基承载力pk=(Fk+Gk)/A=(949.000+180.000)/9.000=125.444kPa 【①5.2.1-2】因γo*pk=1.0*125.444=125.444kPa≤fa=139.000kPa轴心荷载作用下地基承载力满足要求2. 验算偏心荷载作用下的地基承载力exk=Mdyk/(Fk+Gk)=52.000/(949.000+180.000)=0.046m因|exk|≤Bx/6=0.500m x方向小偏心,由公式【①5.2.2-2】和【①5.2.2-3】推导Pkmax_x=(Fk+Gk)/A+6*|Mdyk|/(Bx2*By)=(949.000+180.000)/9.000+6*|52.000|/(3.0002*3.000)=137.000kPa Pkmin_x=(Fk+Gk)/A-6*|Mdyk|/(Bx2*By)=(949.000+180.000)/9.000-6*|52.000|/(3.0002*3.000)=113.889kPa eyk=Mdxk/(Fk+Gk)=3.800/(949.000+180.000)=0.003m因|eyk|≤By/6=0.500m y方向小偏心Pkmax_y=(Fk+Gk)/A+6*|Mdxk|/(By2*Bx)=(949.000+180.000)/9.000+6*|3.800|/(3.0002*3.000)=126.289kPaPkmin_y=(Fk+Gk)/A-6*|Mdxk|/(By2*Bx)=(949.000+180.000)/9.000-6*|3.800|/(3.0002*3.000)=124.600kPa3. 确定基础底面反力设计值Pkmax=(Pkmax_x-pk)+(Pkmax_y-pk)+pk=(137.000-125.444)+(126.289-125.444)+125.444=137.844kPa γo*P kmax=1.0*137.844=137.844kPa≤1.2*fa=1.2*139.000=166.800kPa偏心荷载作用下地基承载力满足要求七、基础冲切验算1. 计算基础底面反力设计值1.1 计算x方向基础底面反力设计值ex=Mdy/(F+G)=70.200/(1281.150+243.000)=0.046m因ex≤Bx/6.0=0.500m x方向小偏心Pmax_x=(F+G)/A+6*|Mdy|/(Bx2*By)=(1281.150+243.000)/9.000+6*|70.200|/(3.0002*3.000)=184.950kPa Pmin_x=(F+G)/A-6*|Mdy|/(Bx2*By)=(1281.150+243.000)/9.000-6*|70.200|/(3.0002*3.000)=153.750kPa1.2 计算y方向基础底面反力设计值ey=Mdx/(F+G)=5.130/(1281.150+243.000)=0.003m因ey≤By/6=0.500y方向小偏心Pmax_y=(F+G)/A+6*|Mdx|/(By2*Bx)=(1281.150+243.000)/9.000+6*|5.130|/(3.0002*3.000) =170.490kPa Pmin_y=(F+G)/A-6*|Mdx|/(By2*Bx)=(1281.150+243.000)/9.000-6*|5.130|/(3.0002*3.000)=168.210kPa1.3 因Mdx≠0 Mdy≠0Pmax=Pmax_x+Pmax_y-(F+G)/A=184.950+170.490-(1281.150+243.000)/9.000=186.090kPa1.4 计算地基净反力极值Pjmax=Pmax-G/A=186.090-243.000/9.000=159.090kPaPjmax_x=Pmax_x-G/A=184.950-243.000/9.000=157.950kPaPjmax_y=Pmax_y-G/A=170.490-243.000/9.000=143.490kPa2. 柱对基础的冲切验算2.1 因(H≤800) βhp=1.02.2 x方向柱对基础的冲切验算x冲切面积Alx=max((A1-hc/2-ho)*(bc+2*ho)+(A1-hc/2-ho)2,(A2-hc/2-ho)*(bc+2*ho)+(A2-hc/2-ho )2=max((1.500-0.500/2-0.560)*(0.500+2*0.560)+(1.500-0.500/2-0.560)2,(1.500-0.500 /2-0.560)*(0.500+2*0.560)+(1.500-0.500/2-0.560)2)=max(1.594,1.594)=1.594m2 x冲切截面上的地基净反力设计值Flx=Alx*Pjmax=1.594*159.090=253.574kNγo*Flx=1.0*253.574=253.57kN因γo*Flx≤0.7*βhp*ft_b*bm*ho (6.5.5-1)=0.7*1.000*1.43*1060*560=594.19kNx方向柱对基础的冲切满足规范要求2.3 y方向柱对基础的冲切验算y冲切面积Aly=max((B1-bc/2-ho)*(hc+2*ho)+(B1-bc/2-ho)2,(B2-bc/2-ho)*(hc+2*ho)+(B2-bc/2-ho )2)=max((1.500-0.500/2-0.560)*(0.500+2*0.560)+(1.500-0.500-0.560)2/2,(1.500-0.50 0/2-0.560)*(0.500+2*0.560)+(1.500-0.500-0.560)2/2)=max(1.594,1.594)=1.594m2 y冲切截面上的地基净反力设计值Fly=Aly*Pjmax=1.594*159.090=253.574kNγo*Fly=1.0*253.574=253.57kN因γo*Fly≤0.7*βhp*ft_b*am*ho (6.5.5-1)=0.7*1.000*1.43*1060.000*560=594.19kNy方向柱对基础的冲切满足规范要求八、柱下基础的局部受压验算因为基础的混凝土强度等级大于等于柱的混凝土强度等级,所以不用验算柱下扩展基础顶面的局部受压承载力。
施工升降机基础承载力计算书计算依据:1、《施工现场设施安全设计计算手册》谢建民编著2、《建筑地基基础设计规范》GB50007-20113、《混凝土结构设计规范》GB50010-20104、《建筑施工扣件式钢管脚手架安全技术规范》JGJ 130-20115、《木结构设计规范》GB50005-20036、《钢结构设计规范》GB50017-20037、《砌体结构设计规范》GB50003-2011一、参数信息1.施工升降机基本参数2.楼板参数3.荷载参数:二、基础承载计算:导轨架重(共需35节标准节,标准节重175kg):175kg×35=6125kg,施工升降机自重标准值:=((1480×2+1480+1258×2+200+6125)+2000×2)×10/1000=;Pk施工升降机自重:P=×(1480×2+1480+1258×2+200+6125)+×2000×2)×10/1000=;考虑动载、自重误差及风载对基础的影响,取系数n=P=×P=×=三、地下室顶板结构验算验算时不考虑地下室顶板下的钢管的支承作用,施工升降机的全部荷载由混凝土板来承担。
根据板的边界条件不同,选择最不利的板进行验算楼板长宽比:Lx/Ly=3/4=1、荷载计算楼板均布荷载:q=(3×=m22、混凝土顶板配筋验算依据《建筑施工手册》(第四版):=××32=·mMxmax=××32=·mMymaxM0=××32=·mx=××32=·mM0y混凝土的泊桑比为μ=1/6,修正后求出配筋。
板中底部长向配筋:Mx =Mxmax+μMymax=+6=·mαs =|M|/(α1fcbh2)=×106/×××103×=;ξ=1-(1-2×αs)1/2=1-(1-2×=;γs=1-ξ/2=2=;As =|M|/(γsfyh)=×106/××=233.09mm2。
桩基础设计计算书1、研究地质勘察报告地形拟建建筑场地地势平坦,局部堆有建筑垃圾。
、工程地质条件 自上而下土层一次如下:① 号土层:素填土,层厚约为1.5m ,稍湿,松散,承载力特征值a ak KP f 95=② 号土层:淤泥质土,层厚5.5m ,流塑,承载力特征值a ak KP f 65=③ 号土层:粉砂,层厚3.2m ,稍密,承载力特征值a ak KP f 110= ④ 号土层:粉质粘土,层厚5.8m ,湿,可塑,承载力特征值a ak KP f 165= ⑤ 号土层:粉砂层,钻孔未穿透,中密-密实,承载力特征值a ak KP f 280= 1.3、 岩土设计参数岩土设计参数如表1和表2所示。
表1地基承载力岩土物理力学参数表2桩的极限侧阻力标准值sk q 和极限端阻力标准值pk q 单位KPa土层编号 土层编号桩的侧 阻力sk q桩的端 阻力pk q土层编号 土层编号桩的侧 阻力sk q桩的端 阻力pk q① 素填土 22 - ④ 粉质粘土 58 900 ② 淤泥质土 20 - ⑤ 粉砂土 75 2000 ③粉砂52-1.4水文地质条件⑴拟建场区地下水对混凝土结构无腐蚀性。
⑵地下水位深度:位于地表下4.5m 。
场地条件建筑物所处场地抗震设防烈度为7度,场地内无可液化沙土、粉土。
上部结构资料拟建建筑物为六层钢筋混凝土结构,长30m ,宽9.6m 。
室外地坪标高同自然地面,室内外高差450mm 。
柱截面尺寸均为400mm 400mm ,横向承重,柱网布置如图所示。
2.选择桩型、桩端持力层 、承台埋深根据地质勘查资料,确定第⑤层粉砂层为桩端持力层。
采用钢筋混凝土预制桩,桩截面为方桩,400mm ×400mm 桩长为15.7m 。
桩顶嵌入承台70mm ,桩端进持力层1.2m 承台埋深为1.5m 。
3.确定单桩竖向承载力3.1确定单桩竖向承载力标准值Q根据静载力触探法公式:p pk i sik pk sk uk A q l q u Q Q Q +∑=+==4×(×20×+52×+58×+75×+2000×× = KN3.2确定单桩竖向承载力设计值RaRa=K Q uk =248.1444= KN式中安全系数K=24. 确定桩数n ,布置及承台尺寸4.1 桩数n最大轴力标准值,KN F k 2280=初步估算桩数,由于柱子是偏心受压,考虑一定的系数,按规范取~。
编制依据:地基与基础施工手册,汪正荣编,中国建筑工业出版社,1997年第一版,P260建筑地基基础设计规范(JTJ79-2002)建筑地基处理技术规范(JGJ79-2002 J220-2002)建筑地基基础设计规范(50007-2002)1.特点:2.适用范围3.承载力计算桩长l=7.00m 桩直径d=0.50m桩间距s= 1.40m 桩数n=0根纵向间距s 1= 1.21m 横向间距s 2=0.70m桩总截面面积S'=0.00m 2(3)面积置换率:根据公式m=d 2/d 2e 计算:等边三角形布置 d e = 1.13s = 1.58m=d 2/d 2e =0.10取桩土面积置换率m=0.10(4)承载力计算f sp,k =mR k d /A p +β(1-m)f s,k式中:f sp,k —R k d —A p —β—f s,k —代入数值:m=0.10R k d =77.75kNA p =0.20m 2β=0.95f s,k =100kPa其中R k d可按下面二式计算,并取其中较小值:R k1d =ηf cu,k A pR k2d =U p ∑q s l+αA p q p式中:η—f cu,k —水泥搅拌桩复合地基承载力验算桩身强度折减系数,干法可取0.20~0.30,湿法可取0.25~0.33;与搅拌桩桩身水泥土配合比相同的室内加固土试验块(边长为70.7mm 的立方体,也可采用边长为50mm 的立方体),在标准养护条件下90d 龄期的立方体抗压强度平均值(kpa );可取天然地基承载力特征值。
处理后桩间土承载力特征值(kpa),宜按当地经验取值,如无经验时,无工程经验的地区,必须通过现场试验确定其适用性。
天然地基承载力较高时取大值;桩间土承载力折减系数,宜按地区经验取值,如无经验时可取0.75~0.95,桩的截面积(m 2);单桩竖向承载力特征值(kN );(3)深层搅拌桩符合地基承载力应通过现场复合地基和在试验确定,也可通过计算确定:复合地基承载力特征值(kpa );深层搅拌法的特点是:在地基加固过程中无振动、无噪音,对环境无污染;对土壤无侧向挤压,对邻近建筑物影响很小;可按建筑物要求作成柱状、壁状、格子状和块状等加固形状,可有效提高地基强度(当水泥掺量为8%~10%时,加固体强度分别为0.24和0.65MPa,而天然软土地基强度仅0.006MPa);同时施工期较短、造价低廉,效益显著。
水泥罐基础承载力及抗倾覆验算书水泥罐基础承载力及抗倾覆验算书一、编制说明本方案编制是根据施工现场土质情况及水泥罐特点而进行的,为确保有足够的水泥贮藏量,保证工程顺利进行,本工程计划投入5座120T水泥罐。
二、编制范围XX标项目经理部水泥混凝土拌和站。
三、编制依据1、施工现场总平面布置图;2、水泥罐总示意图及基础图参数;3、《高耸结构设计标准》GB50135-2019;4、《建筑结构荷载规范》GB50009-2012;四、水泥罐基础设计1、本水泥罐基础根据现场实际地质情况,采用扩大基础,根据现场需要,一台HZS120拌和站配置5座120T水泥罐,故5座水泥罐扩大基础连成一个环形基础,基础尺寸为 4.5m×17.86m×2m。
基础采用C30钢筋砼,钢筋为双层配筋,钢筋为φ18。
2、每个水泥罐下设计四个支座,支座设计为C30砼,550×550×550mm立方体。
每个支座对应水泥罐罐脚处预埋4根φ18钢筋,以加强承台和基础的连接;3、水泥罐预埋板采用δ16mm Q235钢板,再焊接4根φ20锚固钢筋,锚固筋穿过支座与扩大基础钢筋网相焊接。
预埋板安装时每个预埋板四个角高程误差在1mm内,每个水泥罐4个预埋板高程误差在2mm以内。
预埋时采用水准仪实时量测。
五、水泥罐基础计算1、计算公式①地基承载力计算公式P1/A=σP1—水泥罐重量与基础本身重量 KNA—基础作用于地基上有效面积mm²σ—土基受到的压应力 MPa通过动力触探计算得出土基容许的应力②风荷载强度计算公式根据《高耸结构设计标准》GB50135-2019,垂直作用于高耸结构表面单位计算面积上的风荷载标准值应按下式计算:W k=βz×μs×μz×W0;W k —作用在高耸结构z高度处单位投影面积,上的风荷载标准值(kN/m²);W0 —基本风压值(kN/m²),查《建筑结构荷载规范》GB50009-2012得W k=0.40;μz—高度z处的风压高度变化系数,查规范μz=1.23;μs—风何在体形系数,查规范计算得μs=0.8;βz—高度z处的风振系数βz=2.19;③基础抗倾覆计算公式Kc=M1/ M2=P1×1/2×基础宽/W k×受风面×(7+7)≥1.5 即满足要求M1—抵抗弯距 KN•MM2—抵抗弯距 KN•MP1—储料罐与基础自重 KNW k —作用在高耸结构z高度处单位投影面积,上的风荷载标准值kN/m²④基础抗滑稳定性验算计算公式K0= P1×f/ P2≥1.3 即满足要求P1—储料罐与基础自重 KNW k —作用在高耸结构z高度处单位投影面积,上的风荷载标准值kN/m²f—基底摩擦系数,查表得0.25;⑤基础承载力计算公式P/A=σ≤σ0P—储料罐单腿重量 KNA—储料罐单腿有效面积mm²σ—基础受到的压应力 MPaσ0—砼容许的应力 MPa(2)水泥罐基础验算①水泥罐地基开挖及浇筑根据厂家提供的拌合站安装施工图,现场平面尺寸如“图1拌合站安装施工图”所示。
塔吊地基承载力计算书塔吊基础承载力运算书审定:XXXXX建筑工程公司XXXX 年X 月XX R依据塔吊说明书要求及现场实际情形,塔基承台设计为5200mX 5200mX 1.3m,依照地质报告可知,承台位置处于回填土上,地耐力为4T/n?,不能满足塔吊说明书要求的地耐力N24T/m'。
为了保证塔基承台的稳固性,打算设置四根人工挖孔桩。
地质报告中风化泥岩桩端承载力为P = 220Kpa。
按桩径r = 1.2 米,桩深h=9米,桩端置于中风化泥上(嵌入风化泥岩1米)进行桩基承载力的验算。
一、塔吊基础承载力验算1、单桩桩端承载力为:F1=SXP= JI Xr:XP= JI XO. 6,X220=248. 7KN=24. 87T2、四根桩端承载力为:4XF1=4X24. 87=99. 48T3、塔吊重量51T (说明书中参数)基础承台重量:5.2X5.2X1.3X2. 2 = 77. 33T塔吊+基础承台总重量=51 + 77. 33=128. 33T4、基础承台承担的荷载F2 = 5. 2X5. 2X4. 0=108. 16T5、桩基与承台共同受力=4F1+F1二99. 48+108. 16二207. 64T>塔吊基础总重量= 128. 33T因此塔吊基础承载力满足承载要求。
二、钢筋验算桩身混凝土取C30,桩配筋23根巾16,篩筋间距4>8@200o验算要求轴向力设计值NWO. 9(fcAcor+fy' AS' +2xfyAsso)必须成立。
Fc=14. 3/mm2 (碗轴心抗压强度设计值)Acor=开Xr?4 (构件核心截面积)=JI XI 100?4=950332mm2fy' =300N/mf (I【级钢筋抗压强度设计值)AS' =23X Ji Xr2/4 = 23X n X 1674=4624mm2(全部纵向钢筋截面积)x=1.0 (篩筋对磴约束的折减系数,50以下取1.0) fy=210N/mm2(I级钢筋抗拉强度设计值)dCor = 1100mm (篩筋内表面间距离,即核心截面直径)Assl= Ji Xr2/4= n X 874 = 16 X 3. 14 = 50. 24mm:(一根箍筋的截而而积)S螺旋篩筋间距200mmA' sso=兀dCorAssx/s=JI X 1100X 50. 24/200=867. 65mm2(螺旋间接环式或焊接,环式间接钢筋换算截而面积)因此判定式NWO. 9(fcAcor+fy' AS' +2xfyAsso) =0. 9 (14. 3 X950332 + 300 X4624+2X1.0X210X867. 65)=15341360. 6N248. 7KN<12382. 87KX体会算钢筋混凝土抗拉满足要求。
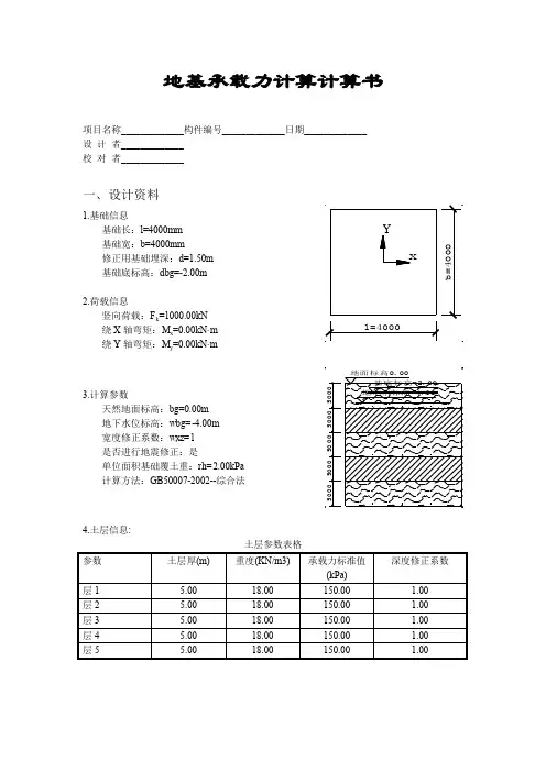
地基承载力计算计算书项目名称_____________构件编号_____________日期_____________设计者_____________校对者_____________一、设计资料1.基础信息基础长:l=4000mm基础宽:b=4000mm修正用基础埋深:d=1.50m基础底标高:dbg=-2.00m2.荷载信息竖向荷载:F k=1000.00kN绕X轴弯矩:M x=0.00kN·m绕Y轴弯矩:M y=0.00kN·mb=40 l=4000xY3.计算参数天然地面标高:bg=0.00m地下水位标高:wbg=-4.00m宽度修正系数:wxz=1是否进行地震修正:是单位面积基础覆土重:rh=2.00kPa计算方法:GB50007-2002--综合法地下水标高-4.00基底标高-2.00地面标高0.00555554.土层信息:土层参数表格二、计算结果1.基础底板反力计算基础自重和基础上的土重为:G k = A×p =16.0×2.0= 32.0kN基础底面平均压力为:1.1当轴心荷载作用时,根据5.2.2-1 :P k = F k+G kA=1000.00+32.0016.00= 64.50 kPa1.2当竖向力N和Mx同时作用时:x方向的偏心距为:e =M kF k+G k=0.001000.00 +32.00= 0.00mx方向的基础底面抵抗矩为:W = lb26=4.00×4.00 26= 10.67m3x方向的基底压力,根据5.2.2-2、5.2.2-3为:P kmax = F k+G kA+M kW= 64.50 +0.0010.67= 64.50 kPaP kmin = F k+G kA-M kW= 64.50 -0.0010.67= 64.50 kPa1.3当竖向力N和My同时作用时:y方向的偏心距为:e =M kF k+G k=0.001000.00 +32.00= 0.00my方向的基础底面抵抗矩为:W = bl26=4.00×4.00 26= 10.67m3y方向的基底压力,根据5.2.2-2、5.2.2-3为:P kmax = F k+G kA+M kW= 64.50 +0.0010.67= 64.50 kPaP kmin = F k+G kA-M kW= 64.50 -0.0010.67= 64.50 kPa2.修正后的地基承载力特征值计算基底标高以上天然土层的加权平均重度,地下水位下取浮重度γm = ∑γi h i∑h i=2.0×18.02.0= 18.00基底以下土层的重度为γ = 18.00b = 4.00f a = f ak + ηbγ (b-3) + ηdγm (d-0.5)= 150.00+1.00×18.00×(4.00-3)+1.00×18.00×(1.50-0.5)= 186.00 kPa调整后的地基抗震承载力计算查“抗震建筑设计规范GB50011-2001”表4.2.3, ζa = 1.30f aE = ζa f a = 1.30×186.00 = 241.80 kPa3.计算结果分析P k=64.50kPa, f aE=186.00kPaP k≤f aE当竖向力N和Mx同时作用时:P kmax=64.50kPa, 1.2f aE=.2×186.00=223.20kPaP kmax≤1.2f aE当竖向力N和My同时作用时:P kmax=64.50kPa, 1.2f aE=1.2×186.00=223.20kPaP kmax≤1.2f aE地基承载力验算满足。
第二指标液性指数Il天然含水量w(%)36404550556575第一指标孔隙比ef0908070605040350.54754303903600.6400360325295265请输入w w136w236w`0.7325295265240210f0190f029090.000.82752402202001701700.92302101901701351351200180160135115105标贯击数修正值N 101520253040501.1160135115105中、粗砂180220260300340420500粉、细砂140160200230250300340请输入第一指标e e10.6e20.7e 0.679内插法计算:k1360k2295计算得A 308.65请输入NN115N215Nk3325k4265计算得B 277.6fk1220fk2220220.00请输入第二指标Il I10.25I20.25Il 0.25160160160.00A 308.7B 277.6计算得308.65标贯击数修正值N 3579111315171921fk 90110150180220260310360410450请输入N N111N213Nfk1220fk2260224.00计算跳板,勿删!k1k2k3k4il=0~0.25400325360295il=0.25~0.5360295325265标贯击数修正值N 41015202530il=0.5~0.75325265295240砾质粘性土51215182228il=0.75~1295240265210砂质粘性土 4.51215182228il=1~1.2265210170170粉质粘性土41013151824粘性土3911141722请输入N N110N215Nfk112fk21513.80121513.30101311.5091110.20计算得FALSE砾质粘性土砂质粘性土粉质粘性土粘性土13粉、细砂表C.0.11残积土承载力特征值(kPa)11.2计算得(kPa)表C.0.7一般粘性土承载力特征值(kPa)计算得中、粗砂150.50.751361.2省标《建筑地基基础技术规范》附录C岩土物理力学指标、设计参数及承载力特征值对于砾质粘土,应再乘以1.1,砂质粘土再乘以1.05表C.0.6砂土承载力特征值(kPa)表C.0.2粘性土承载力特征值(kPa)0.25表C.0.4淤泥和淤泥质土承载力特征值(kPa)计算得本表适用于一般工程,同时应进行地基变形验算。
软弱下卧层承载力计算书一、设计资料1. 工程信息基础编号: J-12. 基础类型矩形基础3. 基础参数基础尺寸: b × l = m × m基础埋深: d = m 基础顶面竖向力: F k = kN水位距天然地面埋深:基础及填土的容重: m 34. 计算参数设计时执行的规范:《建筑地基基础设计规范》 (GB 50007-2002) 以下简称 " 基础规范 " 基础深度承载力修正系数d :5. 地质参数 地质资料参数表、计算步骤1. 计算基础底面的附加压力 基础自重和其上的土重为:G k = G Ad = × × 基础底面平均压力为: p k = 错误 ! kPa 基础底面自重压力为: p c = m1d = × = kPa上式中 m1为基底标高以上天然土层的加权平均重度,其中地下水位下的重度取 浮重度= 错误 ! kN/m 3 基础底面的附加压力为:p 0 = p k - p c = - = kPa2. 计算软弱下卧层顶面处的附加压力 附加压力按扩散角计算E s1Es1 = 错误!E s2 错误! E s1 为上层土压缩模量 , E s2 为下层土压缩模量 ; z 为基础底面至软弱下卧层顶面的距离 ; b 为矩形基础底边的宽度 ; 查"基础规范"表5.2.7 ,得 = 12°; 由"基础规范 "式 5.2.7-3 ,得lb (p k - p c ) pz = ( b + 2 z tan )( l + 2 z tan ) =kNm1 =i h i h i 错误!错误! = 错误!= kPa3. 计算软弱下卧层顶面处的自重压力p cz = m d1 = ×= kPa上式中m为软弱下卧层顶面标高以上天然土层的加权平均重度,其中地下水位下的重度取浮重度d1为下卧层土顶面以上厚度之和m =错误!= 错误! kN/m 34. 根据" 基础规范"5.2.4 条计算软弱下卧层顶面处经深度修正后地基承载力特征值f a = f ak + dm(d1 -= + × ×- = kPa5. 结论由"基础规范"式5.2.7-1 ,得p z + p cz = + = kPa ≤ f a = kPa 软弱下卧层地基承载力满足要足要求!。
地基承载力计算书吊车履带长度为9.5m,履带宽度为1.3m,两履带中心距离为6.4m,吊车自重为260t,地基承载力计算按最大起重量100t时计算,若起吊100t重物地基承载力满足要求,则其余均满足。
现假设履带吊重心位于两履带中央,不考虑履带吊配重对吊装物的平衡作用,其受力分析如图:图5.4-1 履带吊受力简化图考虑起吊物在吊装过程中的动载力,取动载系数为1.1则由力矩平衡原理可以得出靠近盾构井处履带压力为:RMAX=(260×6.4/2+1.1×100×(9.74+6.4/2))/6.4=357.4t履带长度为9.5m,单个履带宽度为1.3m,履带承压面积S为:S=9.5×1.3=12.35m2P=R MAX/S=374.6/12.35×10=303.3Kpa地表为杂填土,顶面浇筑0.3m厚的C30混凝土。
把所压的地面面积理想为方形基础,方形基础宽2m,长度2m,埋置深度0.30m,通过本标段岩土工程勘察报告得知,地基自上而下为杂填土、黏土、淤泥质土、粉质黏土等,通过查岩土工程勘察报告列表,土的重度18kN/m3,粘聚力c=35kPa,内摩擦角φ=10°。
根据太沙基极限承载力公式:Pu=0.5Nγ×γ×b+Nc×c+Nq×γ×d γ—地基土的重度,kN/m3;b—基础的宽度,m;c—地基土的粘聚力,kN/ m3;d—基础的埋深,m。
Nγ、Nc、Nq—地基承载力系数,是内摩擦角的函数,可以通过查太沙基承载力系数表见表1或图1所示:表1 太沙基地基承载力系数Nγ、Nc、Nq 的数值内摩擦角地基承载力系数内摩擦角地基承载力系数φ(度)NγNc Nq φ(度)NγNc Nq0 0 5.7 1.00 22 6.50 20.2 9.172 0.23 6.5 1.22 24 8.6 23.4 11.44 0.39 7.0 1.48 26 11.5 27.0 14.26 0.63 7.7 1.81 28 15.0 31.6 17.88 0.86 8.5 2.20 30 20 37.0 22.410 1.20 9.5 2.68 32 28 44.4 28.712 1.66 10.9 3.32 34 36 52.8 36.614 2.20 12.0 4.00 36 50 63.6 47.216 3.00 13.0 4.91 38 90 77.0 61.218 3.90 15.5 6.04 40 130 94.8 80.520 5.00 17.6 7.42 45 326 172.0 173.0太沙基公式承载力系数根据地基土层加权内摩擦角经约为φ=10°,根据表1,可知承载力系数Nγ=1.2、Nc=9.5.、Nq=2.68 代入公式Pu=0.5×1.2×18×2+9.5×35+2.68×18×0.30=368.6Kpa>303.3Kpa,因此地基承载力满足要求。
岩土工程勘察地基承载力计算书(唐山市丰南区圣冶合金材料制造有限公司1#车间)根据《建筑地基基础设计规范》(GB50007-2011)《岩土工程勘察规范》(GB50021-2001,2009年版)的有关要求作岩土参数统计,结合唐山市工程建设和邻近工程经验,参考工程地质手册中公式:ψf=1-(2.884/+7.918/n2)δ、《河北省建筑地基承载力技术规程》(试行)DB13(J)/T48-2005将本场地承载力计算如下:一、①杂填土:工程性质不均匀,建议清除。
二、②粉质粘土:1、孔隙比标准值e=1.061,液性指数标准值I L=0.83,得承载力f ak=110kPa;2、标贯击数标准值N=2.0击,得承载力f ak=85kPa;综合确定承载力特征值f ak=80kPa。
三、③粉质粘土:1、孔隙比标准值e=1.120,液性指数标准值I L=0.84,得承载力f ak=105kPa;2、标贯击数标准值N=0.9击,得承载力f ak<85kPa;综合确定承载力特征值f ak=60kPa。
四、④粉质粘土:1、孔隙比标准值e=1.223,液性指数标准值I L=0.70,得承载力f ak=110kPa;2、标贯击数标准值N=2.3击,得承载力f ak=90kPa;综合确定承载力特征值f ak=85kPa。
五、⑤细砂:1、标贯击数标准值N=16.0击,得承载力f ak=190kPa;综合确定承载力特征值f ak=180kPa。
六、⑥粉质粘土:1、孔隙比标准值e=1.222,液性指数标准值I L=0.63,得承载力f ak=120kPa;2、标贯击数标准值N=3.3击,得承载力f ak=100kPa;综合确定承载力特征值f ak=100kPa。
七、⑦细砂:1、标贯击数标准值N=25.6击,得承载力f ak=270kPa;综合确定承载力特征值f ak=200kPa。
八、⑧粉质粘土:1、孔隙比标准值e=0.764,液性指数标准值I L=0.43,得承载力f ak=200kPa;2、标贯击数标准值N=4.2击,得承载力f ak=110kPa;综合确定承载力特征值f ak=120kPa。
桥台地基承载力复核计算,以溪桥村机耕桥为例。
一、基底应力计算:2m a x m i n6B M BG WM AG ∑∑∑∑±=±=σ式中:maxmin σ—挡土墙基底应力最大值或最小值(kPa );∑G —作用在挡土墙上全部垂直于水平面的荷载(kN );∑M —作用在挡土墙上的全部荷载对于水平面平行前墙墙面方向形心轴的的力矩之和(kN ·m );A —挡土墙基底面的面积(m 2); W —基础底面的抵抗矩,m 3,W=B 2/6;B —挡墙基底面宽度,m ,B=4.55m 。
(1)结构重力计算: V G K γ=式中:K G —结构重力标准值(kN ); γ—材料重度(kN/m ³); V —体积(m ³)(2)墙后主动土压力计算(按库伦土压力计算):a K H E 221γ=式中:Ka —库伦主动土压力系数,通过下式计算: 222)c o s ()c o s ()s i n ()s i n (1)c o s (c o s )(c o s ⎥⎦⎤⎢⎣⎡-+-+++-=βαδαβϕδϕδαααϕa K式中:α—挡土墙墙背与竖直线的夹角,墙背俯斜时取正号,仰斜时取负号; β—墙后填土面的倾角,β=0°; δ—墙背与填土面间的外摩擦角;δ=13° γ—墙后填土的容重,γ=19(kN/m ³); ψ—墙后填土的内摩擦角,ψ=26°。
(3)计算结果见下表:二、地基承载力复核根据工程地质资料可得,溪桥村机耕桥地基为砂岩,其地基承载力为500kPa,大于桥台最大基底应力393.86kPa,地基承载力满足要求。
基底应力最大值和最小值的比值为1.37小于2.0,不均匀系数满足要求。
地基承载力验算计算书
依据《建筑施工计算手册》(江正荣编著)以及市政相关规范等。
一. 参数信息
沉井作为深基础,应验算地基的承载力,可按下式计算:
其中 F -沉井顶面上部荷载(kN)
G -沉井自重及井内荷重(kN)
f0 -沉井底面持力层承载力设计值(kN/m^2)
A -沉井底面积(m^2)
T -沉井壁总摩阻力(kN)
沉井外径为 20.00m,壁厚为 1.00m,沉井全高为 10.00m,土层平均摩擦系数为 22.60kN/m^2, 沉井上部荷载为 100.00kN,井内附加荷载为 0.00kN,
混凝土密度为 24.00kN/m^3,井身混凝土量为 600.00m^3 。
地基承载力设计值为130.00kN/m^2 。
二. 沉井计算
沉井自重力及上部和井内附加荷载重为:
G + F = 600.00×24.00+100.00+14400.00=14500.00kN
沉井底面基础承载为:
f = 130.00×61.26 = 7963.94kN
沉井壁总摩擦力为:
T = 3.14×20.00×10.00×22.60 = 14200.00 kN
沉井地基承载系数 K = 14500.00/22163.94 = 0.65
承载系数 K < 1.0 ,满足承载力要求!
***以下内容为文档分享时的编辑识别文字,不是本文档的正式内容,删除即可!!!!!!!***
80后技术员是一名地道的80后工程技术工作人员,真诚的希望同为工程人的你和技术员一起交流/学习工程技术知识,如有需要你可以通过头条,抖音,快手搜索<80后技术员>找到我,并给我留言!。
水泥罐及粉煤灰罐基础承载力计算书一、编制说明本方案编制是根据施工现场土质情况及水泥罐特点而进行的,为确保有足够的水泥贮藏量,保证工程顺利进行,本工程计划投入10座120T水泥罐。
二、编制范围中国中铁隧道局集团新建重庆东环线铁路8标一分部项目经理部鹞子岩隧道混凝土拌和站。
三、编制依据1、施工现场总平面布置图;2、水泥罐总示意图及基础图参数3、东环线铁路施工图4、《建筑结构荷载规范》GB50009-2012。
四、水泥罐基础设计1、本水泥罐基础根据现场实际地质情况,采用扩大基础,根据现场需要,一台HLS90拌和站配置5座120T水泥罐,故5座水泥罐扩大基础连成一个环形基础,基础尺寸为4m×18.8m×2m。
基础采用C30钢筋砼,钢筋为双层配筋,钢筋为φ18。
2、每个水泥罐下设计四个支座,支座设计为C30砼,500×500×500mm立方体。
每个支座对应水泥罐罐脚处预埋4根φ18钢筋,以加强承台和基础的连接;3、水泥罐预埋板采用δ16mm Q235钢板,再焊接4根φ20锚固钢筋,锚固筋穿过支座与扩大基础钢筋网相焊接。
预埋板安装时每个预埋板四个角高程误差在1mm内,每个水泥罐4个预埋板高程误差在2mm以内。
预埋时采用水准仪实时量测;五、水泥罐基础计算1、计算公式①地基承载力计算公式P1/A=σP1—水泥罐重量与基础本身重量KNA—基础作用于地基上有效面积mm²σ—土基受到的压应力MPa通过动力触探计算得出土基容许的应力②风荷载强度计算公式W=K1×K2×K3×W0;W0=v²/1.6W —风荷载强度PaW0—基本风压值PaK1、K2、K3风荷载系数,根据《铁路桥涵设计基本规范》查表分别取0.8、1.13、1.0v—风速m/s,取重庆最大风速20m/sW =0.8×1.13×1.0×20×20/1.6=226Pa③基础抗倾覆计算公式Kc=M1/ M2=P1×1/2×基础宽/ P2×受风面×(7+7)≥1.5 即满足要求M1—抵抗弯距KN•MM2—抵抗弯距KN•MP1—储料罐与基础自重KNP2—风荷载KN④基础抗滑稳定性验算计算公式K0= P1×f/ P2≥1.3 即满足要求P1—储料罐与基础自重KNP2—风荷载KNf—基底摩擦系数,查表得0.25;⑤基础承载力计算公式P/A=σ≤σ0P—储料罐单腿重量KNA—储料罐单腿有效面积mm²σ—基础受到的压应力MPaσ0—砼容许的应力MPa(2)水泥罐基础验算①水泥罐地基开挖及浇筑根据厂家提供的拌合站安装施工图,现场平面尺寸如“图1拌合站安装施工图”所示。
地基承载力验算书
楼上钢结构重量统计如下:
1). 柱子(22aI工字钢)
3*22*33.07=2.2t
2). 梁(22aI工字钢)
(10.8*10+9.8*2)*33.07=4.2 t
3). 钢柱(方管60*120)
2.9*48*14.13+11*36*14.13+94*14.13=8.9 t
4). 连梁(方管60*60)
(90*3+32*6)*14.3=6.6 t
5). 圆管(圆76)
32*4*5.76=0.7 t
5). 水槽(3mm)
94*0.64*23.55=1.4 t
5). 混凝土柱子500*600
0.5*0.6*0.7*2400*0.5=5.5 t
合计:2.2+4.2*8.9+6.6+0.7+1.4+5.5=29.5 t
二:取中间跨一米宽基础核算,
1)荷载统计
钢屋架荷载设计按300 kN计算(包括活荷载0.7kN/m):
300x5.55/(36x11.1) =4.2Kn
一二层墙体总重(包括装修0.5kN/m):20x7x0.25=35kN
一二层板荷载计算(包括活荷载2.5kN/m):板厚为150mm
板自重0.15x25=3.75kN/m2
板底装修0.50kN/m2
楼面做法,考虑到原来二层板为屋面做法,故取1.50kN/m2
每层楼面横荷载合计为4.25kN/m2
2*4.25x2.7+2.5*2.7+1.5=31.25kN
一米宽基础荷载总计为N=4.2+35+31.25=70.45kN
2)确定基础宽度
b>=N/(fa-yd)=70.45/(100-20x1.2)=0.93<1m
(式中fa为地基承载力特征值=100kPa,y为土和基础的容重20kN/m2 ,d为基础埋深1.2米)
根据现在结果看,满足。
3)地基净反力
p=N/b=70.45/1=70.45KP
计算基础悬臂部分最大内力
a=(1-0.24)/2=0.38m
M=0.5Pa^2=0.5x70.45x0.38x0.38=5.1kN*m
基础底板配筋A=M/0.9hof=5.1x1000000/(0.9x200x210)=134.8mm2<565(12@200),满足.。
三:加固方案论述
1.先在楼房四角及中间埋设8个沉降观测点,每天观测楼房的基础沉降,如果楼房沉降大于3mm用以下方案进行加固处理。
方案一:
1.1加大基础底面积法适用于当既有建筑的地基承载力或基础底面积尺寸不满足设计要求时的加固。
可采用混凝土套或钢筋混凝土套加大基础底面积。
加大基础底面积的设计和施工应符合下列规定:
1 当基础承受偏心受压时,可采用不对称加宽;当承受中心受压时,可采用对称加宽。
2 在灌注混凝土前应将原基础凿毛和刷洗干净后,铺一层高强度等级水泥浆或涂混凝土界面剂,以增加新老混凝土基础的粘结力。
3 对加宽部分,地基上应铺设厚度和材料均与原基础垫层相同的夯实垫层。
4 当采用混凝土套加固时,基础每边加宽的宽度其外形尺寸应符合国家现行标准《建筑地基基础设计规范》GBJ7中有关刚性基础台阶宽高比允许值的规定。
沿基础高度隔一定距离应设置锚固钢筋。
5 当采用钢筋混凝土套加固时,加宽部分的主筋应与原基础内主筋相焊接。
6 对条形基础加宽时,应按长度1.5-2.0m划分成单独区段,分批、分段、间隔
进行施工。
方案二:
在沉重墙四周架设8个工字钢柱,钢柱基础埋深1.2,钢柱与上面承重柱焊接并用螺栓连接,分担上面荷载直接传给地基减轻原地基承载力。
因加楼层出现任何后果由我恒商电力公司负责。
****工程有限责任公司
2009.5.19。