CFG桩法地基处理计算书20
- 格式:docx
- 大小:110.41 KB
- 文档页数:9
CFG 桩设计计算一、单桩承载力计算1、Up —桩的周长;—第i 层土极限侧阻力,按建筑桩基技术规范规定取值; h i —第i 层土厚度;q p —第i 层土极限端阻力,按建筑桩基技术规范规定取值;K —调整系数,K =2.0;2、 η—系数,取0.3~0.33;R 28—桩体28天立方体块强度;A p —桩的截面面积;单桩承载力两种计算方式中方法一主要适用于长桩,方法二适用于短桩,同时计算时取计算值较小者。
3、当用单桩静载荷试验确定单桩极限承载力标准值Ruk 后,Rk 可按下式计算: sp ukk R R γ=γsp —调整系数,宜取1.50-1.60,一般工程或桩间土承载力高、基础埋深大以及基础下桩数较多时应取低值,重要工程、基础下桩数kA q h q U R p p i i s p k ∑•+=,i s q ,pk A R R 28η=较少或桩间土为承载力较低的粘性土时应取高值。
二、复合地基承载力计算()k s p k k sp f m A mR f ,,1•−••+=βα—复合地基承载力标准值(kPa );A p —单桩截面积(m 2); α—桩间土强度提高系数,通常α=1;β—桩间土强度发挥系数;—桩间土承载力标准值(天然地基承载力标准值);三、置换率1、d —CFG 桩直径;S —桩间距;2、根据复合地基承载力公式计算。
四、桩间距桩距:一般为3-6倍桩径。
当在饱和粘性土中挤土成桩,桩距不宜小于4倍桩径。
根据桩土面积置换率计算桩中心距(s ),计算公式如下:(1)等边三角形布桩:m d s 105.1=(2)正方形布桩:k sp f ,k s f ,224/S d m π×=m d s 113.1=(3)长方形布桩:m d SS 113.11=S1—桩排距;如果桩间距已知,也可以利用此式确定面积置换率。
五、桩数确定p A mA n = 六、桩体强度计算pA R k 28R 3•≥。
青海某电机市场3#楼工程CFG地基处理计算书一、地基处理概况本工程采用CFG桩对地基进行地基处理,CFG桩设计桩径为500mm,设计桩长不小于10m,桩端所在的持力层为粉质粘土层,根据地勘报告,处理后的地基承载力特征值为f spk=250 Kpa,粉质粘土层的地基承载力特征值为f sk=130 Kpa。
二、CFG桩承载力根据地勘报告,桩端极限阻力特征值为1200Kpa,桩极限侧阻力特征值为45 Kpa。
桩的周长:u p=π*d=3.14*0.5=1.57(m)桩的面积:Ap=0.25*π*d^2=0.25*3.14*0.5^2=0.19625 (m^2)单桩竖向承载力特征值按下式估算为:Ra= u p *q si*l pi+q p*Ap=1.57*45*10+0.19625*1200=942 (Kpa)因此取CFG桩的竖向承载力特征值Ra=350Kpa。
三、复合地基承载力计算1. 根据地勘报告,设定处理后的地基承载力特征值为f spk=250 Kpa2. 计算达到此承载力所需的面积置换率根据《建筑地基处理技术规范》(JGJ79-2012)P43页中公式(7.1.5-2),取λ=0.8,β=0.9,面积置换率m=(f spk-β*f sk)/(λ*Ra/Ap-β*f sk)=(250-0.9*130)/(0.8*500/0.19625-0.9*130)=0.069。
3. 根据面积置换率设计桩距CFG桩的等效面积即一根桩分担的加固面积为:A=Ap/m=0.19625/0.069=2.85(m^2)。
可将单桩的等效加固范围看作是一正方形,据此来确定条形基础CFG桩排数估算公式为:k=b/(A^0.5),其中b为条形基础的宽度。
在桩距长度的基础范围内,CFG桩的等效面积应等于基础面积,即:L*b=排数*A=排数*Ap/m。
故桩距L=排数* Ap/(m*b)。
拟建物的条形基础宽度有1.8m、2.4m等基础宽度。
三相岩土—刚性桩复合地基计算程序淘宝有售1 说明:1.高程请输入绝对标高,或统一高程系统。
2.桩边至筏板边距离为采用等效实体法计算沉降时采用。
3.地基承载力修正深度适合建筑周边存在独立基础的地下车库时,修正深度不同于基础埋深时。
4.输入土层各压力段下孔隙比很重要,用于计算不用压力段下压缩模量,输入此值以后,输入的压缩模量值会在计算时被替换。
5.保存数据与读取数据均为EXCEL2003格式,计算书为word2003格式。
6.如有问题可发邮件到2419859460@ 淘宝店名:三相岩土复合地基计算书5号楼一、计算条件基础长度:67.83 m基础宽度:17.73 m地基承载力修正深度:0.50 m基底压力:570kpa准永久荷载:540KN/m3地下水位高程:18.00 m自然地面标高:32.21 m3.桩基参数桩长:26 m桩径:500 mm桩顶标高:21.73 m桩间土承载力发挥系数β:1.0单桩承载力发挥系数λ:0.9桩端阻力发挥系数:1.0桩顶标高: 21.73 m布桩形式:矩形桩间距X方向:1.7 m Y方向:1.8 m二、复合地基承载力计算1.桩在地层中位置主层号 亚层号 土层名称 地层计算厚度(m) 侧阻标准值(Kpa) 端阻标准值(Kpa) 3 0 细砂 4.12 65 — 4 0 粘土 7.90 53 — 5 0 细砂 9.20 70 — 7细砂 0.98 72 25002.单桩竖向承载力特征值计算根据《建筑地基处理技术规范》(JGJ79)第7.1.5条式(7.1.5-3)R a =12 ×(u p ∑q si l i +αp q p A p )=12 ×[π×0.50×(4.12×65+7.90×53+9.20×70+3.80×66+0.98×72)+1.00×π×0.252×2500.00]=1542.80KN R a —单桩竖向承载力特征值(KN) u p —桩周长(m)q si —桩周第i 层土极限侧阻力标准值(Kpa) l i —桩周第i 层土厚度(Kpa) αp —桩端端阻力发挥系数q p —桩的极限端阻力标准值(Kpa) A p —桩的截面积(m 2) 3.面积置换率计算根据《建筑地基处理技术规范》(JGJ79)第7.1.5条式(7.1.5-1) 布桩类型:矩形m= d 2d e2 =0.502/(1.052×1.70×1.80) =0.0640m —面积置换率 d —桩径(m)d e — 一根桩分担的处理地基面积的等效圆直径(m) 4.桩间土承载力基底以下存在软弱下卧层,天然地基承载力按207.8873Kpa 计算主层号 亚层号 土层名称 修正深度(m) 平均重度(KN/m3) 深度修正系数 修正后承载力(Kpa) 4粘土4.1218.751207.89f sk =207.89Kpa 5.复合地基承载力计算根据《建筑地基处理技术规范》(JGJ79)第7.1.5条式(7.1.5-2)f spk =λm R aA p+β(1-m)f sk = 0.90 × 0.0640 ×1542.80/(π×0.252)+0.95×(1-0.0640)×207.89=637.32Kpa f spk —复合地基承载力特征值 (kpa) λ—单桩承载力发挥系数 β—桩间土承载力发挥系数 6.复合地基承载力深度修正不考虑深度修正 f spa =f spk =637.32Kpa f spa —深度修正后复合地基承载力(kpa) 7.桩体试块抗压强度计算达到设计要求的复合地基承载力需要的单桩竖向承载力特征值R a =[f spk -β(1-m)f sk ]A p λm=[ 570.00-0.95×(1-0.0640)×207.89]×π×0.252/(0.90 × 0.0640)=1063.73KN 桩身试块抗压强度,根据《建筑地基处理技术规范》(JGJ79)第7.1.6条式(7.1.6-2)f cu ≥4λR aA p=4×0.90×1063.73/(π×0.252)/1000=24.08Mpaf cu —桩体试块抗压强度(Mpa)三、下卧层承载力验算1.天然地基下卧层承载力验算根据《建筑地基基础设计规范》(GB 50007)第5.2.7条式(5.2.7-1) P z +P cz ≤f azP z —下卧层顶面处附加压力值(kPa)P cz —下卧层顶面处土的自重压力值(kPa)f az —下卧层顶面处经深度修正后承载力特征值(kPa) 计算结果见下表主层号 亚层号 土层名称层顶 标高 m有效 重度 KN/ m3附加应 力系数 附加应力 PzKpa自重 应力 Pcz kpa Pz+ Pcz kpa 修正 深度 m 平均 重度 KN /m3 深度 修正 系数 修正后 承载力 kpa 计算 结果 3 0 细砂 21.73 19.70 1.0000 367.09 202.91 570.00 0.50 19.70 3.00 220.00 不满足 3 0 细砂 18.00 9.70 0.9739 357.50 276.39 633.89 4.23 17.37 3.00 414.39 不满足 4 0 粘土 17.61 7.70 0.9661 354.66 280.17 634.83 4.62 16.72 1.00 208.90 不满足 5 0 细砂 9.71 9.70 0.7042 258.52 341.00 599.52 12.52 11.03 3.00 697.74 满足 6 0 粘土 0.51 7.60 0.4613 169.33 430.24 599.57 21.72 10.47 1.00 402.10 不满足 7 0 细砂 -3.29 9.80 0.3936 144.50 459.12 603.62 25.52 10.04 3.00 1063.58 满足 8 0 卵石 -8.39 11.00 0.3226 118.42 509.10 627.52 30.62 10.00 4.40 1655.25 满足 9 0 粉质粘土-13.49 9.90 0.2679 98.35 565.20663.5535.7210.141.60751.56满足10 0 细砂 -14.59 9.90 0.2578 94.63 576.09 670.72 36.82 10.14 3.00 1424.35 满足 11 0 粉质粘土-19.09 9.90 0.2214 81.27 620.64 701.91 41.32 10.11 1.60 860.29 满足 12细砂 -20.19 9.800.213678.40631.53 709.93 42.42 10.10 3.001620.72 满足2.复合地基下卧层承载力验算根据《建筑地基基础设计规范》(GB 50007)第5.2.7条式(5.2.7-1) P z +P cz ≤f az计算结果见下表主层号 亚层号 土层名称层顶 标高 m有效 重度 KN/ m3附加应 力系数 附加 应力 Pz Kpa 自重应力 Pcz kpaPz+Pcz kpa修正 深度 m平均 重度 KN /m3深度 修正 系数 修正后 承载力 kpa计算 结果8 0 卵石 -8.39 11.00 0.3226 118.42 509.10 627.52 30.62 10.00 4.40 1655.25 满足 9 0 粉质粘土-13.49 9.90 0.2679 98.35 565.20 663.55 35.72 10.14 1.60751.56 满足 10 0 细砂 -14.59 9.90 0.2578 94.63 576.09 670.72 36.82 10.14 3.00 1424.35 满足 11 0 粉质粘土-19.09 9.90 0.2214 81.27 620.64 701.91 41.32 10.11 1.60 860.29 满足 12细砂 -20.19 9.800.213678.40631.53 709.93 42.42 10.10 3.001620.72 满足3.按桩基模式验算桩端下卧层承载力根据《建筑桩基技术规范》(JGJ 94)第5.4.1条式(5.4.1-1) σz +γm z ≤f azσz —作用于下卧层顶面的附加应力γm —下卧层顶面以上深度修正范围内土层加权平均重度(KN/m 3) z —修正深度(m)σz0=(F k +G k )-3/2(A 0+B 0)∑q sik l iA 0+B 0=[570.00-3/2×(67.83+17.73-4×0.80)×(4.12×65+7.90×53+9.20×70+3.80×66+0.98×72)]/[(67.83-2×0.80)×(17.73-2×0.80)]=212.08kpa σz0—桩端位置附加应力(kpa)F k +G k —建筑荷载与基础覆土重之和,即基底压力(kpa) A 0、B 0—桩群外缘矩形底面的长、短边边长(m) 计算结果见下表 主层号 亚层号 土层名称层顶 标高 m有效 重度 KN/ m3附加应 力系数 附加 应力 σz自重应力 γ·zkpaσz+ γ·z kpa修正 深度 m平均 重度KN/m3深度修正 系数修正后承载力kpa 计算 结果 7 0 细砂 -4.27 9.80 1.0000 212.08 468.72 680.81 26.50 3.00 10.03 1092.41 满足 8 0 卵石 -8.39 11.00 0.9636 204.36 509.10 713.46 30.62 4.40 10.00 1655.25 满足 9 0 粉质粘土-13.49 9.90 0.7938 168.36 565.20733.56 35.72 1.60 10.14 751.56 满足 10 0 细砂 -14.59 9.90 0.7531 159.72 576.09 735.81 36.82 3.00 10.14 1424.35 满足 11 0 粉质粘土-19.09 9.90 0.6043 128.16 620.64 748.80 41.32 1.60 10.11 860.29 满足 12细砂 -20.19 9.800.5733121.59 631.53 753.12 42.42 3.0010.10 1620.72 满足四、沉降计算1.天然地基沉降计算根据《建筑地基基础设计规范》(GB 50007)第5.3.5条式(5.3.5)s=ψs ∑p 0E si(z i αi -z i-1αi-1)s —地基最终变形量(mm) ψs —沉降计算经验系数p 0—准永久组合时基础底面处的附加应力(kpa),p0=337.09kpa z i 、z i-1—基础底面至第i 层土、第i-1层土底面的距离(m)αi 、αi-1—基础底面至第i 层土、第i-1层土底面范围内平均附加应力系数E si —基础底面下第i 层土的压缩模量(Mpa),应取土的自重压力至土的自重压力与附加压力之和的压力段计算,根据《土工试验方法标准》(GBT50123)第14.1.9、14.1.10条E si =(1+e i0)(p i2-p i1)e i1-e i2e 0—初始孔隙比p i1、p i2—第i 层土自重应力、第i 层土自重应力与附加应力之和(Kpa)e i1、e i2—第i 层土自重应力下孔隙比、第i 层土自重应力与附加应力之和作用下孔隙比,根据高压固结试验内插计算 根据《建筑地基基础设计规范》(GB 50007)第5.3.7条,地基变形计算深度z n 应符合式(5.3.7)条规定Δs n '≤0.025∑Δs i ' Δs i '—在计算深度范围内,第i 层土计算变形值(mm)Δs n '—在由计算厚度向上取厚度为Δz 的土层计算变形值(mm) Δz —根据基础宽度b=17.73m ,查表5.3.7,Δz=1m 计算过程见下表主层亚层土层 名称计算 深度 m 有效 重度 KN/ 自重 应力 Pcz 附加 应力 PzPz+ Pcz kpa孔隙比 e1 孔隙比 e2 压缩 模量 Mpa平均附加Ai本层 沉降号 号 m3 kpa Kpa 应力系数 Δs' mm 3 0 细砂 1.00 19.70 202.91 337.09 540.00 19.00 0.9998 0.9998 17.74 3 0 2.00 19.70 222.61 336.87 559.48 19.00 0.9988 0.9978 17.70 3 0 3.00 19.70 242.31 335.41 577.71 19.00 0.9962 0.9910 17.58 3 03.73 19.70 256.69 331.80 588.49 19.00 0.9930 0.7154 12.69 3 0 细砂4.12 9.70 264.37 327.60 591.9719.00 0.9909 0.3783 6.71 4 0 粘土 5.12 7.70 274.07 324.82 598.89 0.683 0.636 12.95 0.9838 0.9545 24.85 4 0 6.12 7.70 281.77 316.13 597.90 0.677 0.636 14.44 0.9746 0.9275 21.66 4 0 7.12 7.70 289.47 305.64 595.11 0.671 0.636 16.39 0.9635 0.8959 18.42 4 0 8.12 7.70 297.17 293.91 591.08 0.665 0.637 19.15 0.9509 0.8614 15.16 4 0 9.12 7.70 304.87 281.50 586.37 0.663 0.637 20.44 0.9372 0.8253 13.61 4 0 10.12 7.70 312.57 268.86 581.43 0.662 0.637 20.34 0.9225 0.7889 13.07 4 0 11.12 7.70 320.27 256.33 576.60 0.661 0.638 20.24 0.9073 0.7529 12.54 4 012.02 7.70 327.20 244.14 571.34 0.661 0.638 20.13 0.8932 0.6477 10.85 5 0 细砂 13.02 9.70 334.90 233.58 568.48 20.00 0.8774 0.6876 11.59 5 0 14.02 9.70 344.60 222.37 566.97 20.00 0.8616 0.6555 11.05 5 0 15.02 9.70 354.30 211.76 566.06 20.00 0.8458 0.6250 10.53 5 0 16.02 9.70 364.00 201.75 565.75 20.00 0.8303 0.5962 10.05 5 0 17.02 9.70 373.70 192.34 566.04 20.00 0.8149 0.5691 9.59 5 0 18.02 9.70 383.40 183.49 566.89 20.00 0.7998 0.5435 9.16 5 0 19.02 9.70 393.10 175.18 568.28 20.00 0.7851 0.5194 8.76 5 0 20.02 9.70 402.80 167.38 570.18 20.00 0.7707 0.4968 8.37 5 0 21.02 9.70 412.50 160.05 572.55 20.00 0.7567 0.4755 8.01 5 021.22 9.70 414.44 153.15 567.5920.00 0.7539 0.0927 1.56 6 0 粘土 22.22 7.60 424.14 151.83 575.97 0.624 0.608 17.44 0.7403 0.4516 8.73 6 0 23.22 7.60 431.74 145.41 577.15 0.623 0.608 17.39 0.7270 0.4328 8.39 6 0 24.22 7.60 439.34 139.37 578.71 0.622 0.607 17.33 0.7142 0.4152 8.08 6 025.02 7.60 445.42 133.67 579.09 0.621 0.607 17.29 0.7041 0.3201 6.24 7 0 桩端 26.00 9.80 452.87 129.34 582.21 21.70 0.6921 0.3783 5.88 7 0 细砂 26.02 9.80 453.06 124.30 577.36 21.70 0.6919 0.0076 0.12 727.029.80462.86124.20587.0621.700.68000.37075.76总沉降计算值s'=334.45mm在基底以下27.02m 以上1m 厚度土层计算变形值 Δs Δs=5.76mm<0.025∑Δs'=8.36mm 沉降计算深度满足要求。
CFG桩复合地基计算书一.设计依据1).《建筑地基处理技术规范》(JGJ79_2012)2).《建筑地基基础设计规范》(GB 50007-2011)3) .《城市桥梁设计规范》(CJJ_11-2011)二.设计参数沥青混凝土 r =23 KN/m3水稳基层 rd=24KN/m3水容重 rs=10 KN/m3填土 rt=18 KN/m3碎石垫层 r=23 KN/m3三.地质条件根据勘察报告C2钻孔的情况得出,计算桩基位置自然标高为21.6m,此位置设计标高为24.843m。
地下水位位于地面线以下1.45m,按勘察资料得出地质由上至下土层及其厚度为:地质参数表四.设计计算1、水泥搅拌桩参数根据土层分布,持力层为(2-1)粉质粘土夹粉土,有效桩长取13.5m,桩端进入持力层的最小深度为2.0m。
地面标高24.6m,水位标高22.47m。
路基填土厚度h=2.65m(其中路面厚度62cm),路基宽度20m(车行道宽12m),路面结构10cm沥青面层+32cm水稳基层+20cm厚级配碎石。
2、基底压力基础地面以上土的加权平均重度为:γm=(0.1*23+0.32*24+0.2*23+1.53*18+0.5*23)/2.65=20.23KN/m3(1)车道荷载:本道路荷载应采用城-B级:①均布荷载为qk=10.5*0.75=7.875kN/m②集中荷载=360*0.75=270kN取最大值Pk根据《建筑地基基础设计规范》(GB 50007-2011)第5.2.2条规定:轴心荷载基础底面的压力,可根据下列公式确定,得到加固地基顶面压力(地下水位为地面线以下1m)为:Pk=(Fk+Gk)/A=20.23*2.65/1+7.875/1+270/(20*1)=74.98KPa3、单桩承载力计算初步拟定桩径0.5m,桩间距1.1m。
桩周长up=1.57m,桩面积Ap=0.196m2。
根据《建筑地基处理技术规范》(JGJ79_2012)第7.3.3取桩长为13.5m,桩体伸入(2-3)黏土层2m.Ra=up×∑qsi×li+ ap×f×akAp=1.57*(0.6*8+8.9*0+2*15+2*14)+0.5*90*0.196=107.42kN(淤泥质土层由于有负侧摩擦力,侧摩擦力取0;桩端端阻力发挥系数ap=0.4~0.6,本次拟定为0.5。
海亮广场一期(Ⅱ)1#楼C F G桩地基处理工程内蒙古地矿地质工程勘察有限责任公司二O一一年三月目录1、工程概况 (1)2、工程地质和水文地质条件 (2)3 、复合地基设计计算 (2)3.1、设计计算依据 (2)3.2、地基处理设计参数的选取 (3)3.3、设计计算 (3)3.4 设计计算结果 (6)4 、施工组织方案 (7)4.1 施工组织设计编制依据 (7)4.2 施工工程量 (7)4.3 施工人员计划 (7)4.4 施工设备计划 (8)4.5 施工材料、水、电计划 (8)4.6 CFG桩施工工艺及工序 (9)4.7施工总体部署 (9)5 、施工质量要求及主要控制措施 (12)5.1施工质量要求 (12)5.2施工质量管理体系 (13)5.3质量检验与试验 (13)5.4关键过程和特殊过程工序质量控制措施 (14)6 、进度计划 (15)7 、施工安全、消防与文明施工管理 (15)8 、业主应提供的条件 (17)附件:计算书附图:海亮广场二期CFG地基处理工程布桩图1、工程概况受建设单位委托,我公司对海亮广场一期(Ⅱ)工程1#楼进行CFG桩地基处理的设计。
拟建的海亮广场一期(Ⅱ)工程1#楼位于呼和浩特市中山路南侧,海亮广场一期工程西南侧。
拟建建筑物高33层,地下3层,基础处理范围东西长43.4米,南北宽44.1米,框架结构。
根据勘察单位提供的勘察报告,本工程基础底部深度-14.5米,做完基坑边坡支护,然后进行CFG桩地基处理的施工.根据甲方提供的《岩土工程勘察报告》所提供的地质资料显示:在开挖深度-14.50米处,拟建工程所揭露的地基土主要为②粉土层,承载力特征值为160kPa。
③粉细砂层,承载力特征值为160kPa。
④砾砂层,承载力特征值为380kPa.⑤粉质粘土层,承载力特征值为220kPa。
由于持力层及下卧层不能满足建筑物地基的承载力和沉降要求,须进行地基处理。
本次设计拟采用钻孔压灌CFG桩处理方案,选择⑤粉质粘土层作为桩端持力层,要求处理后建筑物最终沉降量≤50mm。
CFG桩法5.1 CFG桩法5.1.1 基本概念CFG桩,是水泥粉煤灰碎石桩的简称,(C指Cement、F指Fly-ash、G指Gravel),是由碎石、石屑、粉煤灰组成混合料,掺适量水进行拌和,采用各种成桩机械形成的桩体。
通过调整水泥的用量及配比,可使桩体强度等级在C5~C20之间变化,最高可达C25,相当于刚性桩。
由于桩体刚度很大,区别于一般柔性桩和水泥土类桩,因此,常常在桩顶与基础之间铺设一层150~300mm厚的中砂、粗砂、级配砂石或碎石(称其为褥垫层),以利于桩间土发挥承载力,与桩组成复合地基,见图5.1-1。
褥垫层在水泥粉煤灰碎石桩复合地基中具有重要作用,它可起到保证桩土共同承担荷载、调整桩与土垂图5.1-1直及水平荷载的分担和减小基础底面的应力集中的作用。
【例题1】CFG桩是( )的简称。
A、低标号素混凝土桩;B、水泥白灰碎石桩;C、白灰粉煤灰碎石桩;D、水泥粉煤灰碎石桩;答案:D【例题2】采用CFG桩地基处理后,一般设置的褥垫层厚度为( )。
A、100~200mm;B、150~300mm;C、300~500mm;D、大于500mm;答案:B5.1.2 适用范围适用于处理黏性土、粉土、砂土和已完成自重固结的素填土等地基。
对淤泥质土应按地区经验或通过现场试验确定其适用性。
5.1.3加固原理CFG桩法也是通过在地基中形成桩体作为竖向加固体,与桩间土组成复合地基,共同承担基础、回填土及上部结构荷载。
当桩体强度较高时,CFG桩类似于钢筋混凝土桩(常称为刚性桩),这样,在常用的几米到二十多米桩长范围内,桩侧摩阻力都能发挥,不存在柔性桩(如砂石桩法、振冲法形成的散体材料桩)或半刚性桩(如水泥土搅拌法、高压喷射注浆法、夯实水泥土桩法等形成的低黏结强度桩体)存在的有效桩长的现象。
因此,无论是承载力提高幅度及处理深度都较柔性桩和半刚性桩为优。
5.1.4 CFG桩复合地基的工程特性1承载力提高幅度大,可调性强由于褥垫层对桩和桩间土的变形协调作用,桩距大小(置换率高低)不影响桩、土承载力的发挥;CFG桩的桩身强度高,可保证桩长较大时,全桩长发挥作用,充分利用土对桩的侧阻力、端阻力,不会像柔性桩、低强度桩一样受“有效桩长”的限制。
水泥粉煤灰碎石桩(CFG桩)软土地基处理施工说明本次设计水泥粉煤灰碎石桩(CFG桩)桩径为500mm,间距为1.7m-2.0m,配合比为水泥:粉煤灰:砂:碎石:水=6%:13%:26%:55%:8.7%。
1材料要求1.1水泥:水泥采用强度等级32.5级及以上的硅酸盐水泥或普通硅酸盐水泥,其性能必须符合《硅酸盐水泥、普通硅酸盐水泥》GB175-1999的规定。
水泥储存时间超过3个月时应重新取样试验,并按其检验结果使用,使用前报监理工程师批准。
1.2粉煤灰:粉煤灰尽量选用Ⅲ级以上粉煤灰,细灰材料不足时可采用粗灰。
1.3水:宜采用饮用水。
使用非饮用水时必须经化验并符合下列规定:1、硫酸盐(以三氧化硫计)含量不超过2700mg/L;2、含盐量不得超过5000mg/L;3、不能采用酸性水,PH值不得小于4。
1.4碎石:碎石粒径多采用30-50mm。
1.5砂:采用的砂应洁净,含泥量不大于5%。
1.6垫层:桩顶垫层尽量采用级配良好的碎石或砂砾,可采用风化玄武岩,其最大粒径不超过30cm,不含植物残体、垃圾等杂质。
2施工工序CFG桩施工采用振动沉管打桩机,其成桩工艺如下:2.1沉管1、桩机就位必须水平、稳固,调整沉管与地面垂直,确保垂直度偏差不大于1%;2、安装桩尖。
若采用预制钢筋混凝土桩尖,需埋入地表以下300mm左右;3、启动马达,开始沉管。
沉管过程中注意调整桩机的稳定,防止倾斜与错位;4、沉管过程中须做好记录。
激振电流每沉1m记录一次,对土层变化处应作特别说明。
桩底标高采用“抬脚”与设计桩长双控制,当未达到设计桩长就“抬脚”时,即停止沉管,若达到设计桩长还未抬脚,则需继续沉管,桩长需大于设计桩长2m后,即停止沉管。
桩顶位置采用标高控制。
2.2投料混合料严格按照水泥:粉煤灰:砂:碎石=6%:13%:26%:55%进行配比,配比后将混合料投入搅拌机后加水拌和,搅拌时间不得少于1min。
加水量由混合料坍落度控制,一般坍落度控制在3-5cm,以4cm为佳,加水量约为混合料总重的8.7。
---------------------------------------------------------------------- 计算项目: 楼CFG桩计算书---------------------------------------------------------------------- [ 计算简图 ]---------------------------------------------------------------------- [ 计算条件 ]---------------------------------------------------------------------- [ 基本参数 ]地基处理方法:CFG桩法[ 基础参数 ]基础类型:矩形基础基础埋深: 9.360(m)基础长度: 71.330(m)基础宽度: 17.700(m)基础覆土容重: 18.000(kN/m3)竖向荷载: 463378.0(kN)弯矩Mx: 100.0(kN.m)弯矩My: 100.0(kN.m)[ 土层参数 ]土层层数: 12地下水埋深: 14.000(m)压缩层深度: 39.210(m)沉降经验系数: 0.200地基承载力修正公式:承载力修正基准深度d0: 0.500(m)序号土类型土层厚容重饱和容重压缩模量承载力ηbηd(m) (kN/m^3) (kN/m^3) (MPa) (kPa)1 素填土 1.400 18.0 --- 3.000 100.0 0.000 1.0002 细砂 3.400 19.5 --- 15.500 170.0 0.000 1.0003 细砂 9.200 19.7 --- 19.000 140.0 0.000 1.0004 细砂 0.100 19.7 9.7 19.000 140.0 0.000 1.0005 粘性土 11.500 17.7 7.7 15.110 140.0 0.000 1.0006 细砂 6.100 19.7 9.7 20.000 300.0 0.000 3.0007 粘性土 4.900 17.6 7.6 20.050 180.0 0.000 1.0008 细砂 2.200 19.8 9.8 21.700 310.0 0.000 3.0009 圆砾 4.600 21.0 11.0 35.000 330.0 0.000 3.00010 粘性土 1.100 19.9 9.9 20.230 180.0 0.000 1.60011 细砂 7.500 19.9 9.9 21.500 320.0 0.000 3.00012 细砂 3.000 19.8 9.8 22.000 350.0 0.000 3.000***ηb -- 基础宽度地基承载力修正系数***ηd-- 基础深度地基承载力修正系数[ CFG桩参数 ]桩布置形式:矩形桩竖向间距: 1.700(m)桩水平间距: 1.800(m)桩直径: 500(mm)桩长: 29.500(m)承载力计算公式:单桩承载力特征值: 1684.655(kN)桩间土承载力折减系数: 0.950垫层厚度: 250(mm)垫层超出桩外侧的距离: 200(mm)基础边缘外桩的排数(横向): /基础边缘外桩的排数(竖向): /[ 处理土层参数 ]土层天然土层f f提高系数k 桩间土fsk 天然土层Es 复合地基Es 天然土层θ复合地基θ3 140.0 1.000 140.0 19.000 91.608 0.0 0.04 140.0 1.000 140.0 19.000 91.608 0.0 0.05 140.0 1.000 140.0 15.110 72.853 0.0 0.06 300.0 1.000 300.0 20.000 54.484 10.3 10.37 180.0 1.000 180.0 20.050 79.149 15.0 15.08 310.0 1.000 310.0 21.700 57.830 17.1 17.19 330.0 1.100 363.0 35.000 92.619 21.5 17.4***f -- 表示原始土层承载力特征值(kPa)***fsk -- 表示桩间土承载力特征值(kPa)***Es -- 表示压缩模量(MPa)***θ-- 表示压力扩散角(度)*** 承载力提高系数和复合地基压力扩散角为交互参数;*** 天然土层的承载力、压缩模量为土层参数,列在这里便于对比;*** 天然土层的压力扩散角、桩间土fsk和复合地基压缩模量为计算中间结果。
水泥粉煤灰碎石桩(CFG 桩)复合地基方案计算工程实例:本工程回填土较厚,拟采用CFG 桩复合地基。
基础底面的桩间图地基承载力为70KPa 。
CFG 桩直径为500,采用C25混凝土浇筑,单桩竖向承载力特征值为450KN ,单桩承载力发挥系数取λ=0.9,桩间土承载力发挥系数取β=0.8,要求处理后的地基承载力为180KPa 。
根据《建筑地基处理技术规范》7.1.5-2 对有粘结强度增强体复合地基应按下式计算:sk pa spk f m A R m f )1(-+=βλ A p =3.14×0.5×0.5÷4=0.19625m 20.0617670)1(8.019625.04509.0180)1(=⇒⨯-⨯+⨯⨯=⇒-+=m m m f m A R m f sk p a spk βλ 面积置换率m =d 2/d 2e ;d 为桩身平均直径(m ),等边三角形布桩d e =1.05s ,正方形布桩d e =1.13s 当采用三角形布置时, 1.90m s m 92.1CFG )05.1(5.006176.022==⇒==取桩间距s s m 当采用正方形布置时, 1.70m s m 78.1CFG )13.1(5.006176.022==⇒==取桩间距s s m 根据7.1.6条有粘结强度复合地基增强体桩身强度应KPa KPa A R f p acu 7.825419625.04509.041000254=⨯⨯≥⨯⇒≥λ 规范条文:根据《建筑地基处理技术规范》7.7.1水泥粉煤灰碎石桩复合地基适用于处理黏性土、粉土、砂土和自重固结已完成的素填土地基。
7.7.2水泥粉煤灰碎石桩复合地基设计应符合下列规定:1 水泥粉煤灰碎石桩,应选择承载力和压缩模量相对较高的土层作为桩端持力层。
2 桩径:长螺旋钻中心压灌、干成孔和振动沉管成桩宜为350mm~600mm泥浆护壁钻孔成桩宜为600mm~800mm;钢筋混凝土预制桩宜为300mm~600mm。
车管业务综合服务大厅工程素混凝土桩施工方案编制人:审核人:批准人:河北建设集团股份有限公司目录一、工程概况..................................................................。
(2)二、方案依据.....................................................................。
. (2)三、设计要求………………………………………………………………。
.2四、地基处理技术方案……………………………………………………。
.2五、施工组织.....................................................................。
. (3)六、施工人员及配套设备 (4)七、质量保证体系及措施 (5)八、施工进度 (9)九、安全保证体系及施工措施……………………………………………。
10十、专项应急预案措施 (11)十一、协作与配合 (13)一、工程概况拟建石家庄市公安局交通管理局车管业务综合服务大厅,石家庄市桥西区石获南路228号,石家庄市公安局交通管理局院内。
本工程地上3层,地下2层,框架结构,筏板、条形和独立基础。
±0.000相对于绝对标高为86。
261m,基础坐落于③层粉质粘土上,天然地基承载力fak=130kPa,不能满足360kPa的设计承载力要求,根据本工程设计要求及本工程的工程地质情况,采用CFG桩工艺进行地基处理,处理完毕后形成复合地基,复合地基承载力特征值不小于360kPa,相邻柱基相邻柱基沉降差不大于16mm。
二、方案依据1、施工图纸2、相关的技术标准:1)中华人民共和国标准《建筑地基基础设计规范》GB5007-2011;2)中华人民共和国标准《建筑桩基技术规范》JGJ94—2008;3)中华人民共和国标准《建筑地基处理技术规范》JGJ79—2012;3、本工程《岩土工程勘察报告》三、设计要求根据设计要求,本工程天然地基承载力不能满足设计要求,拟采用CFG桩进行地基加固处理.设计要求本工程复合地基承载力特征值不小于360kPa,相邻柱基相邻柱基沉降差不大于16mm.四、地基处理技术方案1、本工程采用CFG桩复合地基处理。
一、CFG桩(正方形布置)A. 截面参数计算面积置换率m=d 2/(1.13s)2=桩径d=mm桩的间距s =d=mm面积置换率m=πd 2/(4s 2)=桩间土承载力折减系数β=处理后桩间土承载力特征值fsk=Kpa 桩的端阻力特征值qp=第1层土的深度l 1=m 桩周第1层土的侧阻力特征值q s 1=Kpa 第2层土的深度l 2=m 桩周第2层土的侧阻力特征值q s 2=Kpa 第3层土的深度l 3=m 桩周第3层土的侧阻力特征值q s 3=Kpa 第4层土的深度l 4=m 桩周第4层土的侧阻力特征值q s 4=Kpa 第5层土的深度l 5=m 桩周第5层土的侧阻力特征值q s 5=Kpa 第6层土的深度l 6=m 桩周第6层土的侧阻力特征值q s 6=Kpa 第7层土的深度l 7=m 桩周第7层土的侧阻力特征值q s 7=Kpa 第8层土的深度l 8=m桩周第8层土的侧阻力特征值q s 8=Kpa桩的截面积Ap=πd 2/4=m 2桩的周长u p=πd=m单桩竖向承载力特征值R a =u p∑q si ·l i +q p·Ap=Kpa复合地基承载力特征值fspk=m·Ra/Ap+β(1-m)·fsk=Kpa总桩长l =m1. 桩混凝土:混凝土强度等级采用 C fc u,砼 =MPafcu=f cu,砼=MPafc =MPa单桩竖向承载力特征值R a =Ap·fcu/3=Kpa ≥Kpa∴可以复合地基承载力特征值fspk=m·Ra/Ap+β(1-m)·fsk=Kpa求CFG桩桩数:需处理的基础底面积A=m 2C FG桩桩数n=m·A/Ap=根C FG桩的总体积V=n·Ap·∑l i=m 315.07.935001.2566368FALSE382.771571628.318150.125663688.617561412.58.680564000.95002.82003.1700382.77215.030540.38385单桩承载力发挥系数:30.87.212001200026桩身强度验算工作条件系数φc=Q =Ap·fc·φc=KN542.8670.6d 2/(1.13s)2==%πd 2/(4s 2)==%Kpa8.7028.7277000.087020.08727。
CFG桩复合地基设计计算书工程名称:视听技术产业基地CFG桩一、设计基本参数说明:基础面积是在CAD上实测数据,半长、半宽为计算变形数据二、设计结果三、计算过程1、单桩承载力Ra设计R a=u p£q si l i+q p A p式中:u p桩身周长(mn桩长范围内所划分的土层数q si、q p桩身第i层土的侧阻力、桩端端阻力特征值(Kpal i第i层土的厚度(mAp桩的截面积(吊根据以上理论公式计算『单桩承载力设订购= 10. 09 100ft. 56根据工程实际经验,单桩承载力设注取值R卢4802、桩体材料强度的设计式中fcu桩体混合料试块(边长150mm立方体标准养护28d抗压强度平均值(Kpa11464.97根据工程实际经验,桩体材料强度取值C203、复合地基置换率m设计式中:fspk符合地基承载力特征值(KpaB桩间土承载力折减系数fsk桩间土的承载力特征值(Kpafpk桩体承载力特征值(Kpa fpk=Ra/Ap=3821.660.0637根据工程实际经验,复合地基置换率设计取值0.0637根据以上理论公式计算,复合地基置换率m=根据以上理论公式计算,桩体材料强度fcu>m=(f spk -p*f sk /(f pk -p*f skfcu>(3*Ra/Ap4、复合地基置承载力fspk设计计算式中:式中符号意义见上350.05、理论桩间距S计算式中Aj基础面积1.40实际桩间距综合考虑取1.436、理论设计布桩数n设计式中Aj基础面积7、复合地基变形计算式中S地基最终变形量(mm+s沉降计算经验系数n地基变形计算深度范围内所划分的土层数P 0对应于载荷效应准永久组合时的基础底面处的附加压力(KpaE si基础底面下第i 土层的压缩模量(Mpaz i、z i-1基础底面至第i层土、第i-1层土底面的距离(mai、ai-1基础底面计算点至第i层土、第i-1层土底面范围内平均附加应力系数7.1基础底面出附加压力P 0计算f spk=m*Ra /Ap +B*(1-m*fa ks=sqrt(Ap/m根据以上理论公式计算,正方形布桩桩间距S=根据以上理论公式计算,基础面积下布桩桩数不应小于S=+s £i-1P 0/E si (Z i ai -Z i-1ai-1n=(m*Aj/Ap根据以上理论公式计算,复合地基承载力fspk=式中p yj对应于载荷效应准永久组合时的基础底面处的压力(Kpan基础底面以上所划分的土层数Yi第i层土天然重度,KN/m3,地下水位以下采用浮重度h i第i层土的厚度(m根据以上理论公式计算,土层自重应力二63.20根据以上理论公式计算,基础底面处附加应力=•286. 807.2沉降计算经验系数的取值说明:上表来自《建筑地基基础设计规范》(GB5007-2002P28表5.3.5 式中Ai第i层土附加应力系数沿土层厚度的积分值(m2E为变形计算深度范围内压缩模量的当量值MpaE=\Ai/£(Ai/Esi根据以上理论公式计算,变形计算深度范围内压缩模量当量值E=33.85根据上述沉降计算经验系数甲s取值表,插值计算沉降系数+s=0.200根据北京当地工程经验,沉降计算经验系数+s取值=0.2007.3、复合地基变形深度应满足如下条件snS0.025£si式中b基础宽度,(m,不得超过30m,且无相邻荷载的影响。
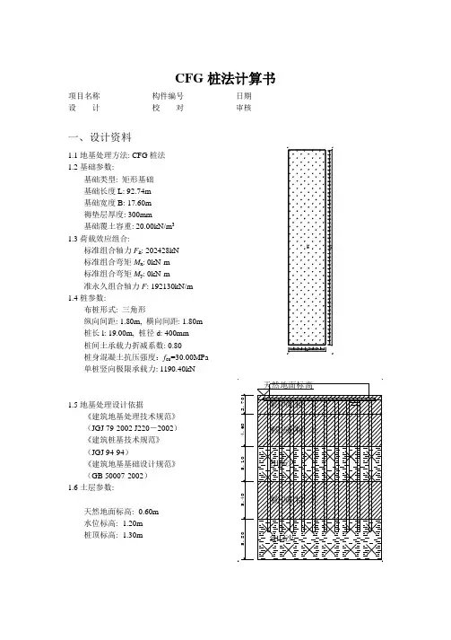
CFG桩法地基处理计算书项目名称_____________ 构件编号______________设计_______________ 校对________________ 审核___________________计算时间2012年12月3 口(星期一)14:42-、设计资料L1地基处理方法:CFG桩法1.2基础参数:基础类型:矩形基础基础长度L: 19 60m 基础宽度B: 31.20m褥垫层厚度:300mm 基础覆土容巫:20.00kN/m31.3荷载效应组合:标准组合轴力F k: 37500kN 标准组介弯矩K: OkN-rn 标准组合弯矩OkN m 准永久组介轴力F:37500kN/m1.4桩参数:布桩形式:矩形X向间距:1 60m, Y向间距:1 60m 桩长1: S OO BK 桩径d: 400min 桩间土承载力折减系数:0.70 桩体试块抗压强度:Cu=25.00MPa 单桩竖向极限承载力:700.00kN1.5地基处理设计依据《建筑地基处理技术规范》(JGJ 79-2002 J220-2002) 《建筑地基基础设计规范》(GB 50007-2002 )1.6 土层参数:天然地而标高:-0.45m 水位标高:-2 00m桩顶标高:-5.00m土层参数表格层号土层名称厚度m容重kN/m3压缩模量MPa承载力kPa屮侧摩阻力kPa桩端阻力kPa1 粉质粘土 1.00 1&00 3.62 80.00 1 00 21 00 0.002 粉质粘土 3.00 1&00 4.26 90.00 1 00 2400 0.003 细砂 2.00 1&00 5 00 130 00 1 00 22.00 0 004 细砂 3.00 1&00 8.00 17000 1 00 46 00 0 005 细砂 4.00 18.00 15 00 210.00 1 00 64 00 1200 006 粉质粘土 3.00 18 007 00 160 00 1 00 42.00 0 007 细砂 3.00 18 00 20.00 240.00 1 00 66 00 2400.008 细砂 6.00 1&00 25.00 270.00 1 00 75.00 2600.009 粉质粘土50 00 1&00 30.00 32000 1 00 7800 2700.00 注:表屮承載力指大然地基承載力特征值(kPa), m基础埋深的地基承载力修止系数桩侧阻力指桩侧阻力特征值(kPa).桩端阻力指桩端阻力特征值(kPa) 桩在土层中的相对位置土层计算厚度(m)桩侧阻力kPa 桩端阻力kPa3 1.45 22.00 0.004 3 00 46 00 0.005 3.55 64 00 1200 00二、复合地基承载力计算■无然地面标高2.1单桩竖向承敦力特征值计算肖釆用单桩载荷试验时•应将单桩竖向极限承载力除以安全系数2 7=700.00/2=350.001^由《建筑地基处理技术规范》(JGJ 79-2002 J220-2002)式927& 350.003 可=3XO T?57 =S355.63kPa=8.36NIPa 桩体试块抗压强度tu= 25.00MPa “>3竟桩身碇强度满足规范要求。
2.2面枳置换率计算由《建筑地基处理技术规范》式728-2 计算d ■■桩身平均直径,d=0.40mde- -•根桩分担的处理地基面枳的等效圆直径 d e =l.13 Vs^=l.13x^1.60x1.60=1.81m Sis SL 桩 X 向间距、Y 向间距、si=1.60m 、ST = 1.60m d 2 0 402 "^dTLSF^8^ 23复合地基承载力计算由《建筑地基处理技术规范》(JGJ 79-2002 J220-2002)式925式中:如-复合地基承朝力待征值(kPa) m-・面积置换率,in=4.89%出-单桩竖向承裁力特征值、出=350.001^ 卩-桩间土承载力折减系数,卩=0.70氐-处理后桩间土承载力特征值(kPa),取天然地基承载力特征ffi,tk=130 00kPa£pk=喷邛(l-m)Q= 0.0489xyp|yF0.70x(l-0 0489)x 130.00 = 222.87kPa经CFG 桩处理后的地基,卅考虑基础宽度和深度对地基承载力特征值进行修正时,一般 宽度不作修正,即基础宽度的地垄朋我力修||'条数収零"基础深度的地丛呎载力修正系数取 10.经深/£修正后CFG 桩复合地基承载力持征值心为■ = £pk+沟(出0・50)上式中Yo 为自天然地面以下深度4.55m 范闱内天然土层的加权平均重度,其中地卞 水位卜的重度取浮巫度18 00x1 00+18 00x0.55+8.00x2.45*8.00x0.55基础埋深,d=4.55m,=222.87+U.41x(4.55.0.50)=269.07kPa 荷载效应标准组合时轴心荷载作用卜 Gk = ^Ad-^Mv = 20.00 x 19.60 x 31.20 x 4.55- 10 x 19.60 x 31.20 x 3.00 = 37302.72 kN=122.32kPa荷載效应标准组合时偏心荷載作用卜F k -G k MH 37500.0237302.720 00 0 00 ”= 12232kPa phmn> 0,满足要求企 企_ 37500.00+37302.72 0.00 0.00 _ ⑴彳沁a A W x Wy 一 611.521997.63 3179.90" —亠“沒“$=1.2行满足要求三、变形计算3-1计算基础底面的附加压力 荷我效应准永久组合时基础底面平均压力为:Gt = /oAd-^Ad^. = 20.00 x 19.60 x 31.20 x 4.55 - 10 x 19.60 x 31.20 x 3.00 = 37302.72 kN F+Gk37500.00+37302.72 “ 匹=k —61B2— = 122 32kPa=11.41 kN/m 31.00+0.55-2.45+0.55+P (l ・m )fk37500.0237302.72 611.52基础底面自重压力为:p c= 3)xd=11.41x4.55=51.90kPa基础底面的附加压力为:po=pk-p c= 122.32 - 51.90 = 70.42kPa3.2确定Jz按《建筑地基基础设计规范》(GB 50007・2002)表536:由 b=31.20 得zlz=1.003-3确定沉降计算深度沉降计算深度按”地基规范”式5.3.6由程序自动确定Zn= 16.00 Ill34计算复合土层的压缩模量复介土层的分层与天然地基相同,各复合土层的压缩模量等于该层天然地基压缩模量的匚倍Espi = CEsiE spr-fi合地基处理范闱内第i层土修IF后的压缩模最(MPa)E"-复合地基处理范圉内第i层土原始的压缩模量(MPa)匚值按《建筑地基处理技术规范》(JGJ 79-2002 J220 —2002)式(9.2 8-1)确定氐-基础底面下天然地基承我力特征值(kPa),tk= 130.00kPa,222.87°130.00 丄小3.5计算分层沉降量根据《建筑地基基础设计规范》(GB 50007・2002)表K.0.1-2可得到平均附加应力系数,计算的分层沉降值见下表:《建筑地基基础设计规范》(GB 50007.2002)的分层总和法沉降计算表上表中h = 172 = 9.8011K bi = B/2 = 15.60mz= 16.00m 范用内的计算沉降w£zls = 70.58 nini, z = 15.00m 至16.00m(Jz 为1.00m). 土层计算沉降量1.59 mm S 0025工的i = 0.025 x 70.58 = 1.76 mm.满足要求.3.6确定沉降计算经验系数屮§由沉降计算深度范阳内压缩模量的当量值E 」J 从《建筑地基处理技术规范》衷928A = Po (A %i)式中A 为第i 层土附加应力系数沿土层厚度的枳分值 工A = P ()x 13.21 = 13.21po 4 1-449 2.957 3.240 0.380 2.325 1.969^ 0.32S工瓦 F %( &5厂 13.72+ 25.72+ 15.00十 7.0尹 20 00+ 25 000.564 +Koo>= p o x (0.17 + 0.22 + 0.13 + 0.03 + 0.33 + 0.10 + 0.01 + 0.02) =l.OOpoft 《建筑地基处理技术规范》表928得^ = 0 468 3一7最终的沉髡量s =必s = sDs'i = 0 468 x 70.58 = 33.05 mm四、下卧土层承载力验算基础底面的附加压力基础底而平均压力为:Pk= 122.32kPa基础底而自重压力为:p c =加"=11.41x4.55=51.90kPa 基础底而的附加压力为::po=pk-pc=122.32 -51.90 = 70.42kPa第5层土承载力验算:(1) 计算基底下&00m 处的附加压力a = 31.20/2 = 15.60,b = 19.60/2 = 9.80冷=晋諜=1 59,^ = |^ = 0.82,由《建筑地基基础设计规范》(GB 50007-2002)表K0 1-1 nf 得附加应力系数.a=0.213p s = 4opo = 4x0 21 3x70 4? = 60 04 kPa(2) i :算基辰下8.00m 处的自重压力Pcz = Yod上式中Y0为自天然地面以下深度12.55m 范闱内天然土层的加权平均觅度,其中地 下水位下的重度取浮重度氓 18 00x1 0QH8 00" 55+8.00x2 45P 00X2 0叶&00><3 00+8 00x3.55巾一厂 1.00*0.55+2.45+2.00+3.00+3.55 勺" kN/m 3Pc2 = 9.24x12.55 = 115.90 kPa(3) 计算基底F &00m 处的经深度修止后地基承载力特征值 £ = 4k+ 〃d?t )(d ・0.50)= 210.00+ 1.00x9.24x(12.55-0.50) = 321.28 kPaP N +P CZ = 60.04 + 115.90= 175.94 kPa <= £ = 321.28 kPa 第5层土承载力满足要求 第6层土承載力验算:(1) 计算基底下&45m 处的附加压力a = 31 20/2 = 15.60,b = 19.60/2 = 9 80, * ==1.59,^ = 0.86,由《建筑 1 也基基础设计规范》(GB 50007-2002)表K10.1J 町得附加应力系数,a =0.209三 13.21po E 严 l.OOpo=13.18 MPa 查紂p2 = 4ap0 = 4x0.209x70.42 = 5&81 kPa(2)#算基底F &45m处的自重乐力Pcz = Yod上式中Yo为自天然地面以卜深度13.00m范闱内天然土层的加权平均重度,其中地下水位下的重度取浮重度辿18 00、1 OOF 007 55+8 00小5-8 00T 00+S 00T 00+8 007 00人一工1.00*0.55+2.45+2.00+3 00+4.00kN/m1 2 3 4Pcz = 9.19x13 00 = 119.50 kPa(3)计算基底F &45m处的经深度修正后地基承载力特征值© = 4k+ Wt(d・050)=160.00+ 1.00x9.19x(13.00.0.50)=274.90 kPap2+pcz = 5&81 + 119.50 = 17&31 kPa <= £ = 274.90 kPa第6层土承我力满足要求第7层土承载力验算:(1)计算基底下11.45m处的附加压力a =31 20/2 = 15 60,b = 19.60/2 = 9.80,| = y^= 1.59,^ = = 1 17,由《建筑地基基础设计规范》(GE5OOO7・2OO2)表KO1-1可得附加应力系数,«= 0.179 p2 = 4apo =4x0.179x70.42 = 50.33 kPa(2)#■算基辰下11.45m处的自觅压力Pcz = Yod上式中Yo为自天然地面以下深度16 00111范甬内天然土层的加权平均重度,英中地卜水位下的重度取浮巫度1.00+0.55+2.45+2.00-3.00+4.0X3.00Pd = &97x16 00= 143.50 kPa(3)计算基底下11.45m处的经深度修正后地基承载力特征值匸=4k + 皿(小0.50)= 240.00+ 1.00x8.97x(16 00-0.50)=379.02 kPaPz+Pu = 50 33 + 143.50 = 193.83 kPa <= £ = 379 02 kPa第7层土承载力满足要求第8层土承载力验算:2 计算基底下1445m处的附加压力a 15.60 z 14.45 . ——a = 31.20/2 = 15.60,b = 19.60/2 = 9.80, £ = = 1.59石=】47,由《建筑地基基础设计规范》(GB 50007-2002)表IL0.1-1川得附加应力系数,a=0.150p2 = 4op0 = 4x0.150x70.42 = 42.26 kPa3 »算基底F 14.45m处的自重压力Pcz = Yod上式中Yo为自天然地面以卜深度19.00m范由内天然土层的加权平均重度,其中地下水位下的重度取浮重度18 00x1,00^18 00x0,55+8 00x2,45+8 00x2 00+8 00x3 00+8.00x4 00+8 00x3,0018.00x1.00+18.00x0.55+8.00x2.45+8.00x2.00+8 00x3.00+8.00x4.00+8.00x3.00-8.00x3.001 00+0 55+2.45+2 00+3.00+4 00+3.00+3.008.82 kN/m3Pc = 8.82x1900 = 167.50 kPa(3)计算基底卜14.45111处的经深度修正后地基承载力特征值4 = 4k+ Wb(d・0.50)= 270.00+ 1.00x8.82x(19 00-0.50)= 433.09 kPap2+p C2 = 42.26 + 167.50 = 209 76 kPa <= £ = 433.09 kPa第8层土承载力满足要求第9层土承载力验算:(1)计算基底下20.45m处的附加压力a = 31.20/2 = 15.60, b= 19.60/2 = 9.80, g = = 1 59彳=f f = 2.09,由《建筑地基基础设计规范》(GB 50007・2002)表K 0 1-1 nf得附加应力系数,a=0 105p2 = 4q)0 = 4x0.105x70.42 = 29.49 kPa(2)#算基產下20.45m处的自觅压力Pcz = Yod上式中Yo为自天然地面以下深度25.00111范南内天然土层的加权平均垂度,其中地卜水位下的重度取浮重度错误!&62 kN/n?Pa = 8.62x25.00 = 215.50 kPa(3)计算基底卜,20.45m处的经深度修正后地基承载力特征值匸=氐+皿@0.50)=320.00 + 1 00x8.62x(25 00-0.50)=531.19 kPaP,+Pcz = 29.49 + 215.50 = 244 99 kPa v=佥=531.19 kPa第9层土承载力满足要求五、施工技术要求及质量检验5.1施工工艺CFG桩的施工,应根据现场条件选用卜•列施工工艺:1、长螺旋钻孔灌注成桩,适用于地下水位以上的玷性土.粉土、素填土、中等密实以上的砂土.2、长螺旋钻孔、管内泵压混合料灌注成桩,适用于粘性土.粉土、砂土,以及对噪声或泥浆污染要求严格的场地.3、振动沉管灌注成桩,适用于粉土、粘性土及素填土地基.5.2材料要求1、混凝土、混凝土外加剂和掺和料:缓凝剂、粉煤灰,均应符合相应标准要求,其掺屋应根据施工要求通过试验室确定.2、长螺旋钻孔、管内泵压混合料灌注成桩施工的坍落度宜为160〜200mm、振动沉管灌注桩成桩施工的坍落度宜为30〜50mm、振动沉管灌注成桩后桩顶浮浆厚度不宜超过200mm3、成桩过程中,抽样做混合料试块,每台机械一天应做一组(3块)试块(边长为150imn的立方体),标准养护,测定其立方体抗压强度.5.3保护层施工桩顶标高宜高出设计桩顶标高不少于0.5m.=&97 kN/m35.4牌垫层1、复合地基施工、检测合格后,方可进行褥垫层施工;2、褥垫层材料:5〜32mm碎石或级配砂石,均应符合相应标准要求.3、褥垫层铺设宜采用静力压实法,当基础底面下桩间土的含水量较小时,也町采用动力夯实法,夯实后的厚度与虚铺厚度Z比小于0 90.5.5 CFG桩成桩要求1、桩体连续密实,不得有断桩、缩颈、夹砂等缺陷.2、允许偏差:⑴桩长:<100nmi(2)钻孔垂直度00%(3)桩径:20min⑷桩位:满堂布桩:<0.4d;条基:<0.25d其它应满足《建筑地基处理技术规范》(JGJ 79-2002 J220-2002)5.6施工质量检验1、CFG桩地基竣工验收时,承载力检验应采用复介地基载荷试验.2、CFG桩地基检验应在桩身强度满足试验荷我条件时,并宜在施工结束28d后进行•试验数量宜为总桩数的0.5%^1.0%,且每个单体工程的试验数量不应少于3点.3、动测桩试验可按总桩数的10%进行桩身完整性检测.检测技术标准如下:单桩复合地基静载试验依据《建筑地基处理技术观范》(JGJ 79-2002 J220—2002); 单桩静我试脸依据《建筑桩基技术规范》(JGJ 94-2008)低应变动力试验依据《基桩低应变动力检测规程》(JGJ/T93-95)六、工程造价和工时计算6 1CFG桩部分工程造价和工时计算单个基础桩部分的造价二单桩的造价x单桩的造价调整系数x桩数=200.00x 1.00x240=48000.00 (元)总造价(桩)=单个基础桩部分的造价x总造地调整系数x基础个数=48000.00x1.00x5=240000 00 (元)单个基础桩部分的工时二单桩的工时x单桩的工时调整系数x桩数=1 00x 1 00x240=240 00 (人•天)总工时(桩)二单个基础桩部分的工时x总工时调整系数x基础个数=240.00X 1.00x5=1200.00(人・天)6.2垫层部分工程造价和工时计算单个基础垫层的造价二单方垫层的造价x单方造价调整系数x垫层体枳= 200.00x1 00x183.46=36691.20(7E)基础垫层总造价=单个基础畢从的造价x总造价週整系数x基础个数=36691 20x 1.00x5= 183456.02 (元)单个基础垫层的工时二单方垫层的工时x单方垫层的工时调整系数X垫层体积=1 00x1 00x183.46=183.46 (人•天)基础垫层总工时(桩)二单个基础垫层的工时x总工时调整系数x基础个数=183.46x1.00x5=917.28 (人•天)6.3工程总造价和工时计算工程总造价:240000.00-183456.02 = 423456.02 (元)工程总工时:1200.00*917.28 = 2117.28 (人•天)。