用户电话交换系统子分部工程检测记录表
- 格式:xls
- 大小:17.00 KB
- 文档页数:2
表B.0.1 设备材料进场检验记录
表B.0.2 隐蔽工程(随工检查)验收记录
表 B.0.3 安装质量及观感质量验收记录
表B.0.4 自检记录
表B.0.5 分项工程质量验收记录
表 B.0.6 试运行记录
表 C.0.1 分项工程检测记录
表C.0.2 智能化集成系统子分部工程检测记录
表C.0.3 用户电话交换系统子分部工程检测记录
表C.0.4 信息网络系统子分部工程检测记录
表 C.0.5 综合布线系统子分部工程检测记录
表C.0.6 有线电视及卫星电视接收系统子分部工程检测记录
表 C.0.7 公共广播系统子分部工程检测记录
表 C.0.8 会议系统子分部工程检测记录
表C.0.9 信息导引及发布系统子分部工程检测记录
表C.0.10 时钟系统子分部工程检测记录
表C.0.11 信息化应用系统子分部工程检测记录
表C.0.12 建筑设备监控系统子分部工程检测记录
表C.0.13 安全技术防范系统子分部工程检测记录
表C.0.14 应急响应系统子分部工程检测记录
表C.0.15 机房工程子分部工程检测记录
表C.0.16 防雷与接地子分部工程检测记录
表C.0.17 分部工程检测汇总记录
表D.0.1______________分部(子分部)工程质量验收记录
表D.0.2 工程验收资料审查记录
表D.0.3 验收结论汇总记录。
智能建筑分部(子分部)工程验收记录
智能建筑分部(子分部)工程验收记录
编号:07□□
(GB50300-2001)表F.0.1
总监理工程师:
(建设单位项目专业负责人)年月日通信网络系统分部(子分部)工程验收记录
编号:07□0□1
(GB50300-2001)表F.0.1
信息网络系统分部(子分部)工程验收记录
编号:07□0□2
(GB50300-2001)表F.0.1
建筑设备监控系统分部(子分部)工程验收记录
编号:07□0□3
(GB50300-2001)表F.0.1
火灾自动报警及消防联动系统分部(子分部)工程验收记录
编号:07□0□4
(GB50300-2001)表F.0.1
安全防范系统分部(子分部)工程验收记录
编号:07□0□5
(GB50300-2001)表F.0.1
综合布线系统分部(子分部)工程验收记录
编号:07□0□6
(GB50300-2001)表F.0.1
智能化系统集成分部(子分部)工程验收记录
(GB50300-2001)表F.0.1 编号:07□0□7
电源与接地分部(子分部)工程验收记录
(GB50300-2001)表F.0.1 编号:07□0□8
环境分部(子分部)工程验收记录
(GB50300-2001)表F.0.1 编号:07□0□9
住宅(小区)智能化系统分部(子分部)工程验收记录
(GB50300-2001)表F.0.1 编号:07□1□0。
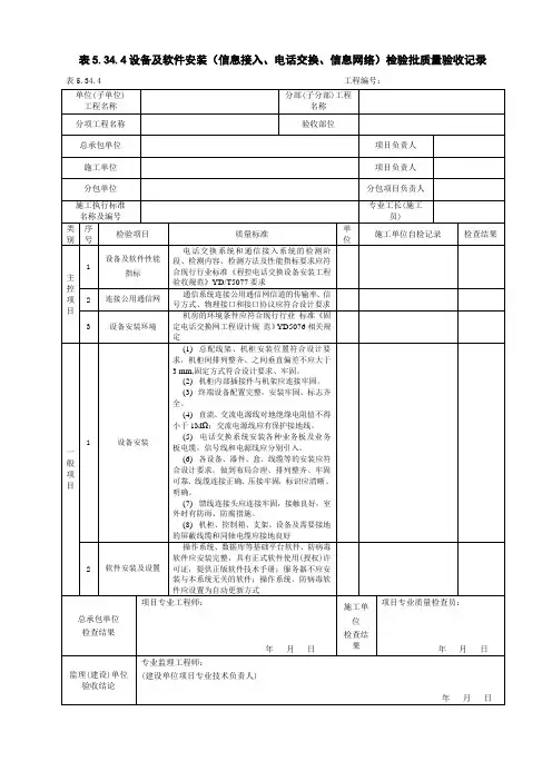
用户电话交换系统设备安装检验批质量验收记录2、验收依据说明【规范名称及编号】《智能建筑工程施工规范》GB50606-2010【条文摘录】摘录一:3.5.1 材料、器具、设备进场质量检测应符合下列规定:1 需要进行质量检查的产品应包括智能建筑工程各子系统中使用的材料、硬件设备、软件产品和工程中应用的各种系统接口;列入中华人民共和国实施强制性产品认证的产品目录或实施生产许可证和上网许可证管理的产品应进行产品质量检查,未列入的产品也应按规定程序通过产品质量检测后方可使用;2 材料及主要设备的检测应符合下列规定:1)按照合同文件和工程设计文件进行的进场验收,应有书面记录和参加人签字,并应经监理工程师或建设单位验收人员确认;2)应对材料、设备的外观、规格、型号、数量及产地等进行检查复核;3)主要设备、材料应有生产厂家的质量合格证明文件及性能的检测报告。
3 设备及材料的质量检查应包括安全性、可靠性及电磁兼容性等项目,并应由生产厂家出具相应检测报告。
摘录二:10.2.1 电话交换系统和通信接入系统设备安装应符合下列规定:1 电话交换设备安装前,应对机房的环境条件进行检查,机房的环境条件应满足行业标准《固定电话交换设备安装工程设计规范》YD/ T 5076-2005中第14章中的相关规定;2 应按工程设计平面图安装交换机机柜,上下两端垂直偏差不应大于3 mm;3交换机机柜内部接插件与机架应连接牢固;4 机柜应排列成直线,每5m误差不应大于5 mm;5 机柜安装应位置正确、柜列安装整齐、相邻机柜紧密靠拢,柜面衔接处无明显高低不平;6 总配线架安装位置应符合设计要求;7 各种配线架各直列上下两端垂直偏差不应大于3 mm,底座水平误差每米不大于2 mm;8 各种文字和符号标志应正确、清晰、齐全;9 终端设备应配备完整、安装就位、标志齐全、正确;10 机架、配线架应按施工图的抗震要求进行加固;11 直流电源线连同所接的列内电源线,应测试正负线间和负线对地间的绝缘电阻,绝缘电阻均不得小于1MΩ;12 交换系统使用的交流电源线芯线间和芯线对地的绝缘电阻均不得小于1 MΩ;13 交换系统用的交流电源线应有保护接地线;14 交换机设备通电前,应对下列内容进行检查:1) 各种电路板数量、规格、接线及机架的安装位置应与施工图设计文件相符且标识齐全正确;2) 各机架所有的熔断器规格应符合要求,检查各功能单元电源开关应处于关闭状态;3) 设备的各种选择开关应置于初始位置;4) 设备的供电电源线,接地线规格应符合设计要求,并端接应正确、牢固。
用户电话交换系统接口及系统调试检验批质量验收记录
2、验收依据说明
【规范名称及编号】《建筑电气工程质量验收规范》GB50303-2002
【条文摘录】
6、用户电话交换系统
6.0.1 本章适用于用户电话交换系统、调度系统、会议电话系统和呼叫中心的工程实施的质量控制、系统检测和竣工验收。
6.0.2 用户电话交换系统的检测和验收范围应根据设计要求确定。
6.0.3 用户电话交换系统的机房接地应符合现行国家标准《通信局(站)防雷与接地工程设计规范》GB50689的有关规定。
6.0.4 对于抗震设防的地区,用户电话交换系统的设备安装应符合现行行业标准《电信设备安装抗震设计规范》YD5059的规定。
6.0.5 用户电话交换系统工程实施的质量控制除应符合本规范第3章的规定外,尚应检查电信设备入网许可
证。
6.0.6 用户电话交换系统的业务测试、信令方式测试、系统互通测试、网络管理测试及计费功能测试等检测结果,应满足系统的设计要求。
用户电话交换系统子分部工程检测记录
工程名称:编号:子分部名称用户电话交换系统检测部位
施工单位项目经理
执行标准名称
及编号
检测内容规范条款检测结果记录
结果评价
备注合格不合格
主控项目业务测试 6.0.5 信令方式测试 6.0.5 系统互通测试 6.0.5 网络管理测试 6.0.5 计费功能测试 6.0.5
检测结论:
施工单位检测人:
施工单位项目
专业技术负责人:年月日监理(建设)单位旁站监督人:
项目专业监理工程师
(建设单位项目技术负责人):年月日
注:1.结果评价栏中,左列打“√”为合格,右列打“√”为不合格;
2.备注栏内填写检测时出现的问题。
湘质监统编施2015—192。
综合布线系统自检记录表
机房系统分项工程自检记录表
红外报警系统质量检查记录表
背景音乐及紧急广播系统分项工程自检记录表
四楼会议系统分项工程自检记录表
录播室系统分项工程质量验收记录表
五楼影视教室检查记录表
程控电话交换系统分项工程质量自检记录表
多媒体显示系统分项工程自检记录表
有线电视系统分项工程自检记录表
门禁系统检查记录表
视频监控系统检查记录表
服务器系统分项工程质量自检记录表
楼宇对讲系统检查记录表。