西华大学 二级减速器课程设计说明书
- 格式:doc
- 大小:380.50 KB
- 文档页数:35
二级减速器课程设计说明书1. 课程概述本课程是针对机械工程专业学生的专业选修课程,主要介绍二级减速器的设计原理、计算方法和应用场景。
通过本课程的学习,学生将了解二级减速器的结构、作用和设计过程,掌握二级减速器的计算方法和设计技巧,以及对二级减速器在工业生产中的应用。
2. 课程教学大纲2.1 课程内容本课程的主要内容包括以下几个方面:1) 二级减速器的概念和应用场景;2) 二级减速器的结构和传动方式;3) 二级减速器的参数计算和设计方法;4) 二级减速器的选择和组装。
2.2 课程目标通过本课程的学习,学生应该掌握以下技能:1) 理解二级减速器的概念、结构和应用场景;2) 掌握二级减速器的计算方法和设计原理,能够根据实际需求设计出满足要求的二级减速器;3) 熟悉二级减速器的选择和组装过程,能够根据工作要求选择合适的二级减速器组装方案。
2.3 教学方法本课程采用理论教学和实践操作相结合的教学方法,通过课堂讲解、案例演示、计算实验等方式进行教学,使学生能够更好地理解知识和掌握技能。
3. 课程详细安排3.1 第一周课程内容:二级减速器的概念和应用场景教学任务:1) 了解二级减速器的作用和基本原理;2) 掌握二级减速器在工业生产中的应用场景。
教学方法:课堂讲解、案例演示学习任务:认真听讲、做好笔记3.2 第二周课程内容:二级减速器的结构和传动方式教学任务:1) 了解二级减速器的结构组成和传动方式;2) 掌握不同类型二级减速器的特点和适用条件。
教学方法:课堂讲解、案例演示、计算实验学习任务:认真听讲、做好笔记、独立完成计算实验3.3 第三周课程内容:二级减速器的参数计算和设计方法教学任务:1) 熟悉二级减速器的参数计算方法和设计原理;2) 掌握二级减速器的设计流程和注意事项。
教学方法:课堂讲解、案例演示、计算实验学习任务:认真听讲、做好笔记、独立完成计算实验3.4 第四周课程内容:二级减速器的选择和组装教学任务:1) 了解二级减速器的选择方法和注意事项;2) 熟悉二级减速器的组装过程和注意事项。
CDIO二级项目(机械零部件设计)设计题目:二级减速器设计班级:学生:指导老师:二〇一四年三月一、设计的条件和数据1、胶带输送机两班制连续单向运转,载荷平稳,空载起动,室内工作,有粉尘;使用期限10年,大修期3年。
该机动力来源为三相交流电,在中等规模机械厂小批生产。
输送带速度允许误差为±5%。
图:胶带输送机工作装置2、原始数据(1)输送带的工作拉力F(N):1700(2)输送带的速度:v(m/s):1(3)卷筒直径D(mm):400二、设计内容1、传动方案的分析与拟定;2、电动机的选择与传装置运动和动力参数的计算;3、传动件(如齿轮或蜗杆传动、带传动等)的设计;4、轴的设计;5、轴承及其组合部件设计;6、键联接和联轴器的选择与校核;7、润滑设计;8、箱体、机架及附件的设计;9、装配图和零件图的设计与绘制;1 0、设计计算说明书的编写。
三、本课程设计要求每个学生完成以下工作1、总装配图(A 1号图纸)1张;2、零件工作图3张(箱体、传动轴和齿轮);3、设计计算说明书一份;4、课程设计完成后应进行总结和答辩。
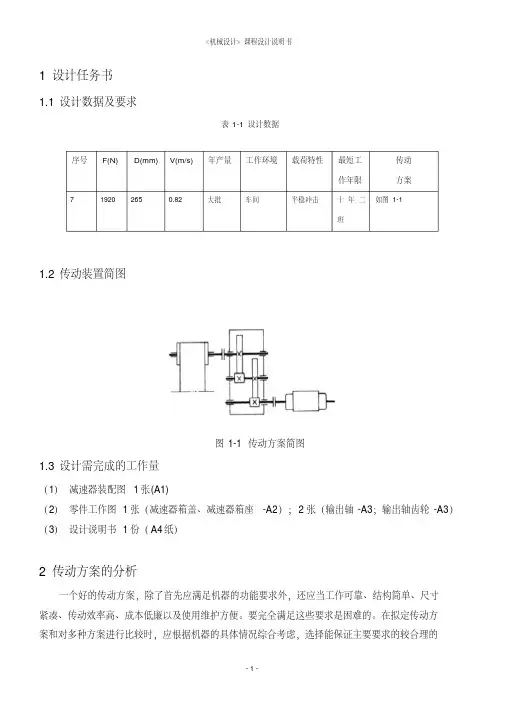
四、课程设计时间安排目录一、设计的条件和数据二、设计内容三、本课程设计要求每个学生完成以下工作四、课程设计时间安排五、正文 (1)1 方案的分析与拟定 (1)2 电机选择、传动比分配及参数确定 (2)2.1 电机选择 (2)2.1.2确定电机功率 (2)2.1.3确定电动机转速 (3)2.2传动比分配 (3)2.2.1传动装置总传动比 (3)2.2.2分配各级传动比 (4)2.3计算传动装置的运动和动力参数 (4)2.3.1 各轴转速 (4)2.3.2 各轴输入功率 (5)2.3.3 各轴输入转矩 (6)2.4 参数列表 (7)3 V带设计 (7)3.1 参数选择 (7)3.1.1 确定已知条件 (7)3.1.3 选择V带的带型 (7)3.1.5计算中心距和V带的基准长度 (8)3.1.6 验算小带轮上的包角α1 (9)3.1.7 确定带的根数z (10)3.1.8 确定带的初拉力F0 (10)3.1.9 计算带传动的压轴力Fp (11)3.2 V带轮的设计 (11)3.2.1 V带轮的材料 (11)3.2.2 V带轮的结构形式 (11)3.2.3 V带轮的宽度 (12)3.2.4 V带轮的技术要求 (12)3.3 参数列表 (12)4 高速级齿轮设计 (12)4.1 选定齿轮类型,精度等级,材料及齿数 (12)4.1.1 压力角 (12)4.1.2 精度选择 (13)4.1.3 材料选择 (13)4.1.4 齿数选择 (13)4.2按齿面接触疲劳强度设计 (13)4.2.1 试算小齿轮分度圆直径 (13)4.2.2 调整小齿轮分度圆直径 (15)4.3 按齿根弯曲疲劳强度设计 (17)4.3.1 试算小齿轮模数 (17)4.3.2 调整齿轮模数 (18)4.4 几何尺寸计算 (21)4.4.1 计算分度圆直径 (21)4.4.2 计算中心距 (21)4.4.3 计算齿轮宽度b (21)4.5 强度校核 (21)4.5.1 齿面接触疲劳强度校核 (21)4.5.2 齿根弯曲疲劳强度校核 (22)4.6 齿轮参数计算 (23)4.6.1 大齿轮圆周速度v (23)4.6.2 确定检验项目 (23)4.6.3 确定最小侧隙和计算齿厚偏差 (23)4.6.4 确定公法线长度偏差bns E 、bni E (24)4.6.5 公法线长度Wnk (24)4.7 结构设计及绘制零件图 (25)4.8主要设计结论 (25)5 低速级齿轮设计 (25)5.1 选定齿轮类型,精度等级,材料及齿数 (25)5.1.1 压力角 (25)5.1.2 精度选择 (26)5.1.3 材料选择 (26)5.1.4 齿数选择 (26)5.2按齿面接触疲劳强度设计 (26)5.2.1 试算小齿轮分度圆直径 (26)5.2.2 调整小齿轮分度圆直径 (27)5.3 按齿根弯曲疲劳强度设计 (28)5.3.1 试算小齿轮模数 (28)5.3.2 调整齿轮模数 (29)5.4 几何尺寸计算 (30)5.4.1 计算分度圆直径 (30)5.4.2 计算中心距 (30)5.4.3 计算齿轮宽度b (31)5.6 圆整中心距后的强度校核 (31)5.6.1 分配变位系数 (31)5.6.2 齿面接触疲劳强度校核 (32)5.5.2 齿根弯曲疲劳强度校核 (33)5.6 齿轮参数计算 (34)5.6.1 大齿轮圆周速度v (34)5.6.3 确定最小侧隙和计算齿厚偏差 (34)5.6.4 确定公法线长度偏差bns E 、bni E (35)5.6 结构设计及绘制零件图 (35)5.7主要设计结论 (35)5.8 最终验算 (36)6 输入轴(第Ⅰ轴)的结构设计 (36)6.1 初步确定轴的最小直径 (36)6.2 轴的结构设计 (37)6.2.2 根据轴向定位的要求轴的各段直径和长度 (37)6.2.3 计算齿轮距箱体内壁的距离Δ (37)6.2.4 确定轴上键、圆角和倒角的尺寸 (38)6.3 计算轴上的载荷 (38)6.3.1 计算各力 (38)6.3.2 绘制轴的弯矩和扭矩图 (39)6.4 按弯扭合成应力校核轴的强度 (40)6.5 精确校核轴的疲劳强度 (40)6.5.1 判断危险截面 (40)6.5.2 截面Ⅳ左侧 (40)6.5.3 截面Ⅳ右侧 (42)7 中间轴(第Ⅱ轴)的结构设计 (43)7.1 初步确定轴的最小直径 (43)7.2 轴的结构设计 (44)7.2.1 拟定轴上零件的装配方案 (44)7.2.2根据轴向定位的要求轴的各段直径和长度 (44)7.2.3 计算齿轮距箱体内壁的距离Δ (45)7.2.4 确定轴上键、圆角和倒角的尺寸 (45)7.3 计算轴上的载荷 (45)7.3.1 计算各力 (45)7.3.2 绘制轴的弯矩和扭矩图 (46)7.4 按弯扭合成应力校核轴的强度 (47)7.5 精确校核轴的疲劳强度 (47)7.5.1 判断危险截面 (47)7.5.2 截面Ⅳ左侧 (47)7.5.3 截面Ⅳ右侧 (48)8 输出轴(第Ⅲ轴)的结构设计 (50)8.1 初步确定轴的最小直径 (50)8.2 轴的结构设计 (50)8.2.1 拟定轴上零件的装配方案 (50)8.2.2根据轴向定位的要求轴的各段直径和长度 (50)8.2.3 计算齿轮距箱体内壁的距离Δ (51)8.2.4 确定轴上键、圆角和倒角的尺寸 (51)8.3 计算轴上的载荷 (52)8.3.2 绘制轴的弯矩和扭矩图 (53)8.4 按弯扭合成应力校核轴的强度 (53)8.5 精确校核轴的疲劳强度 (54)8.5.1 判断危险截面 (54)8.5.2 截面Ⅳ左侧 (54)8.5.3 截面Ⅳ右侧 (55)9 各轴承寿命校核 (56)9.1 输入轴轴承 (56)9.2 中间轴轴承 (57)9.3 输出轴轴承 (57)10 键的校核计算 (57)10.1 输入轴上各键 (57)10.2 中间轴上各键 (57)10.3 输出轴上各键 (58)参考文献 (58)五、正文1 方案的分析与拟定图1-1 方案简图2 电机选择、传动比分配及参数确定2.1 电机选择2.1.1选择电机类型:Y 系列一般用途的全封闭自扇鼠笼型三相异步电动机。
二级减速器课程设计说明书一、设计任务设计一个用于特定工作条件的二级减速器,给定的输入功率、转速和输出转速要求,以及工作环境和使用寿命等限制条件。
二、传动方案的拟定经过对各种传动形式的比较和分析,最终选择了展开式二级圆柱齿轮减速器。
这种方案结构简单,尺寸紧凑,能够满足设计要求。
三、电动机的选择1、计算工作机所需功率根据给定的工作条件和任务要求,计算出工作机所需的功率。
2、确定电动机的类型和型号综合考虑功率、转速、工作环境等因素,选择合适的电动机类型和型号。
四、传动比的计算1、总传动比的计算根据电动机的转速和工作机的转速要求,计算出总传动比。
2、各级传动比的分配合理分配各级传动比,以保证减速器的结构紧凑和传动性能良好。
五、齿轮的设计计算1、高速级齿轮的设计计算根据传动比、功率、转速等参数,进行高速级齿轮的模数、齿数、齿宽等参数的设计计算。
2、低速级齿轮的设计计算同理,完成低速级齿轮的相关设计计算。
六、轴的设计计算1、高速轴的设计计算考虑扭矩、弯矩等因素,确定高速轴的直径、长度、轴肩尺寸等。
2、中间轴的设计计算进行中间轴的结构设计和强度校核。
3、低速轴的设计计算完成低速轴的设计计算,确保其能够承受工作中的载荷。
七、滚动轴承的选择与计算根据轴的受力情况和转速,选择合适的滚动轴承,并进行寿命计算。
八、键的选择与校核对连接齿轮和轴的键进行选择和强度校核,以确保连接的可靠性。
九、箱体结构的设计考虑减速器的安装、润滑、密封等要求,设计合理的箱体结构。
包括箱体的壁厚、加强筋、油标、放油螺塞等的设计。
十、润滑与密封1、润滑方式的选择根据齿轮和轴承的转速、载荷等因素,选择合适的润滑方式。
2、密封方式的选择为防止润滑油泄漏和外界灰尘进入,选择合适的密封方式。
十一、设计总结通过本次二级减速器的课程设计,对机械传动系统的设计过程有了更深入的理解和掌握。
在设计过程中,充分考虑了各种因素对减速器性能的影响,通过计算和校核确保了设计的合理性和可靠性。
二级减速器课程设计说明书一、引言二级减速器是一种用于降低机械设备速度和提高输出转矩的重要装置。
本课程设计说明书旨在介绍二级减速器的设计原理、结构和工作原理,并提供详细的步骤和指导,帮助学生完成二级减速器的课程设计。
二、设计背景在工程设计中,常常需要将高速运动的电机转速降低,同时增加输出扭矩以满足特定的工作需求。
二级减速器作为一种常用的传动装置,可以有效地实现这一目标。
由于二级减速器的设计和制造需要综合考虑多个因素,包括负载要求、轴承和齿轮的选择等,因此,本课程设计旨在增强学生对二级减速器设计的理解和应用。
三、设计目标本课程设计的目标是设计一台满足以下要求的二级减速器:1. 输入转速:500 rpm2. 输出转速:50 rpm3. 额定输出扭矩:1000 Nm4. 功率损失小于5%5. 整机尺寸紧凑,便于安装和维护四、设计过程1. 步骤一:确定输入和输出参数在设计二级减速器之前,首先需要明确输入和输出的转速和扭矩要求。
根据设计目标,确定输入转速为500 rpm,输出转速为50 rpm,额定输出扭矩为1000 Nm。
2. 步骤二:选择传动比根据输入和输出参数,计算所需的传动比。
传动比可以通过输出转速除以输入转速来计算。
在本案例中,传动比为50/500=0.1。
3. 步骤三:选择齿轮参数根据传动比,选择合适的齿轮组合。
需要考虑齿轮的模数、齿数、齿轮材料等因素。
同时,还需进行齿轮强度和齿面接触疲劳寿命的校核,确保设计的齿轮组合符合强度和寿命要求。
4. 步骤四:结构设计根据齿轮的选择,进行减速器结构的设计。
需要确定减速器的轴承类型、轴承尺寸、轴承布局等。
同时,还需进行结构强度校核,确保减速器在工作状态下能够承受额定扭矩和载荷。
5. 步骤五:优化设计对设计结果进行优化,考虑减速器整机的尺寸、重量和功率损失。
优化设计可以通过修改齿轮组合、调整传动比等方式来实现。
最终的设计结果应满足课程设计的要求,并在实际应用中具有较好的性能和可靠性。
一、传动方案的拟定对于本机器,初步选择原动机为三相异步电动机,根据任务书的要求,要求本机器的承载能力速度范围大、传动比恒定、外廓尺寸小、工作可靠、效率高、寿命长。
根据参考书[1]第7页常见机械传动的主要性能满足圆柱齿轮传动要求。
i>时,宜采用二级以上的传动形式。
根对圆柱齿轮传动,为了使结构尺寸和重量较小,当减速比8i= ,满足要求。
据参考书[1]第7页常见机械传动的主要性能二级齿轮减速器传动比范围为:840根据工作条件和原始数据可选展开式二级圆柱齿轮传动。
因为此方案工作可靠、传动效率高、维护方便、环境适应行好,但也有一缺点,就是宽度较大。
其中选用斜齿圆柱齿轮,因为斜齿圆柱齿轮兼有传动平稳和成本低的特点,同时选用展开式可以有效地减小横向尺寸。
在没有特殊要求的情况下,一般采用卧式减速器。
为了便于装配,齿轮减速器的机体采用沿齿轮轴线水平剖分的结构。
综上所述,传动方案总体布局如图一所示:垂直面内受力分析计算轴承的支反力1NV F 2NV F ,如图三中列出力的平衡方程如下:{F F F +=2) 根据轴向定位的要求确定轴的各段直径和长度(1)为了满足半联轴器的轴向定位要求,I—II轴段右端需制出一轴肩,d=mm左端由轴端挡圈定位,按轴端直径取挡圈直径故取II—III段的直径II-IIID=mm,半联轴器与轴配合的毂孔长度L=mm,为了保证轴端挡圈只压在半1L略短一些,现取联轴器上而不压在轴的端面上,故I—II段的长度应比1=mm。
I-II为了便于轴承的安装,故III—IV段的长度应略小于轴承宽度,因此总结通过本次的设计培养了自己理论联系实际的设计思想,训练了综合运用机械设计和有关先修课程的理论,结合生产实际分析和解决工程实际问题的能力,巩固、加深和扩展有关机械设计方面的知识;通过制定设计方案,合理选择传动机构和零件类型,正确计算零件工作能力、确定尺寸和选择材料,以及较全面地考虑制造工艺、使用和维护等要求,之后进行结构设计,达到了解和掌握机械零件、机械传动装置或简单机械的设计过程和方法;通过本次设计,训练了设计的基本技能,如:计算、绘图、熟悉和运用设计资料(手册,图册、标准和规范)以及使用经验数据、进行经验估算和处理数据的能力。
. . .. ..课程设计说明书课程名称:机械设计课程设计课程代码:题目:二级斜齿圆柱齿轮减速器学生姓名:张伟荣学号: 3120130316205 年级/专业/班: 13级机电2班学院(直属系) :机械工程学院指导教师:杜强机械设计课程设计任务书学院名称:机械工程学院专业:机械电子工程年级:2013级学生姓名: 张伟荣学号: 3120130106205 指导教师: 杜强一、设计题目带式运输机的减速传动装置设计二、主要内容⑴决定传动装置的总体设计方案;⑵选择电动机,计算传动装置的运动和动力参数;⑶传动零件以及轴的设计计算;轴承、联接件、润滑密封和联轴器的选择及校验计算;⑷机体结构及其附件的设计;⑸绘制装配图及零件图;编写计算说明书并进行设计答辩。
三、具体要求⑴原始数据:运输带线速度v = 1.76 (m/s)运输带牵引力F = 2700 (N)驱动滚筒直径D = 470 (mm)⑵工作条件:①使用期5年,双班制工作,单向传动;②载荷有轻微振动;③运送煤、盐、砂、矿石等松散物品。
四、完成后应上交的材料⑴机械设计课程设计计算说明书;⑵减速器装配图一张;⑶轴类零件图一张;⑷齿轮零件图一张。
五、推荐参考资料⑴西华大学机械工程与自动化学院机械基础教学部编.机械设计课程设计指导书,2006⑵秦小屿.机械设计基础(第二版).:西南交大出版社,2012指导教师杜强签名日期 2015 年 6 月 25日系主任审核日期 2015 年 6 月 25 日目录一.传动方案的拟定………………………………………………………………………二.电动机的选择及传动装置的运动和动力参数计算…………………………………三.传动零件的设计计算……………………………………………………………四.轴的结构设计及强度计算……………………………………………………………五.滚动轴承的选择与寿命计算……………………………………………………………六.键的强度计算……………………………………………………………七.联轴器的选择……………………………………………………………八.减速器机体结构设计及附件设计……………………………………………………………总结…………………………………………………………………………………………参考文献……………………………………………………………………………………计算过程及计算说明一传动方案拟定(1)工作条件:使用年限5年,工作为二班工作制,单向运转,小批量生产,载荷平稳,环境清洁。
课程设计说明书一、电动机的选择:1、选择电动机的类型:按工作要求和条件,选用三机笼型电动机,封闭式结构,电压380V ,Y 型。
2、选择电动机容量 :电动机所需的功率为:kw a w d pp η= (其中:d p 为电动机功率,w p 为负载功率,aη为总效率。
) 传动效率分别为: 联轴器的效率:10.99η= 滚动轴承效率:941.00.98*0.98*0.982==η 闭式齿轮传动效率:0.9410.97*0.973==η 链传动效率:40.92η= 卷筒效率:50.96η=传动装置的总效率a η应为组成传动装置的各部分运动副效率只之乘积,即:123450.990.9410.9410.920.960.7743a ηηηηηη=⨯⨯⨯⨯=⨯⨯⨯⨯= 负载功率:3/1000 5.210 1.5/10007.8kw w P FV ==⨯⨯=折算到电动机的功率为:7.810.07 kw 0.7743w d a p p η=== 3、确定电动机转速: 卷筒轴工作转速为:601000601000 1.571.66/min 3.14400v n r D π⨯⨯⨯===⨯查表得:二级圆梯形齿轮减速器传动比40~8'=i ,连传动传动比''2~6i =,即总传动比16~240a i =,所以电机的可选范围为:'n (16~240)71.661146.56~17198.4/min d n i r =⨯=⨯=则符合这一范围的同步转速有1500 和3000 r/min.所以可供选择的的电机有: 序号 电动机型号额定功率 (KW)满载转速(r/min ) 堵转转矩最大转矩质量(kg )额定转矩额定转矩机型号为Y160M-4,其主要性能如上表的第2种电动机。
二、确定传动装置的总传动比和分配传动比1、减速总传动比为:146020.3771.66m a n i n === 2、分配传动装置传动比:'''0a i i i i =⨯⨯ '''12i i i =⨯ (式中10=i 为联轴器的传动比,'i 为减速器的传动比,''i 为链传动的传动比。
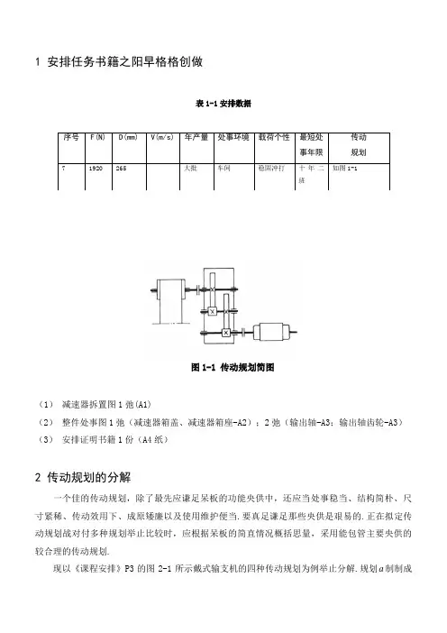
1 安排任务书籍之阳早格格创做表1-1安排数据图1-1 传动规划简图(1)减速器拆置图1弛(A1)(2)整件处事图1弛(减速器箱盖、减速器箱座-A2);2弛(输出轴-A3;输出轴齿轮-A3)(3)安排证明书籍1份(A4纸)2 传动规划的分解一个佳的传动规划,除了最先应谦足呆板的功能央供中,还应当处事稳当、结构简朴、尺寸紧稀、传动效用下、成原矮廉以及使用维护便当.要真足谦足那些央供是艰易的.正在拟定传动规划战对付多种规划举止比较时,应根据呆板的简直情况概括思量,采用能包管主要央供的较合理的传动规划.现以《课程安排》P3的图2-1所示戴式输支机的四种传动规划为例举止分解.规划a制制成原矮,但是宽度尺寸大,戴的寿命短,而且不宜正在恶劣环境中工做.规划b 结构紧稀,环境切合性佳,但是传动效用矮,不适于连绝少久处事,且制制成原下.规划c 处事稳当、传动效用下、维护便当、环境切合性佳,但是宽度较大.规划d 具备规划c 的便宜,而且尺寸较小,但是制制成原较下.上诉四种规划各有个性,应当根据戴式输支机简直处事条件战央供选定.若该设备是正在普遍环境中连绝处事,对付结构尺寸也无特天央供,则规划c a 、均为可选规划.对付于规划c 若将电效果安插正在减速器另一侧,其宽度尺寸得以缩小.故选c 规划,并将其电效果安插正在减速器另一侧.3 电效果的采用工业上普遍用三相接流电效果,无特殊央供普遍采用三相接流同步电效果.最时常使用的电效果是Y 系列笼型三相同步接流电效果.其效用下、处事稳当、结构简朴、维护便当、代价矮,适用于阻挡易焚、阻挡易爆,无腐蚀性气体战无特殊央供的场合.此处根据用途采用Y 系列三相同步电效果处事机所需功率w P 卷筒3轴所需功率:1000Fv P W ==100082.01920⨯=574.1kw 卷筒轴转速:min /13.5914.326582.0100060100060r D v n w =⨯⨯⨯=⨯=π电效果的输出功率d P思量传动拆置的功率耗益,电效果输出功率为ηwd P P =传动拆置的总效用:4332221ηηηηη⋅⋅⋅=滚筒效率滚动轴承效率齿轮传动效率联轴器效率--------4321ηηηη 与 96.099.097.099.04321====ηηηη 所以86.096.099.097.099.0322=⨯⨯⨯=η所以83.186.0574.1===ηwd P P kw 决定电效果额定功率ed P根据估计出的功率d P 可选定电效果的额定功率ed P .应使ed P 等于或者稍大于d P . 查《板滞安排课程安排》表20-1得kw P ed 2.2=由《板滞安排课程安排》表2-1 圆柱齿轮传动的单级传动比为6~3,故圆柱齿轮传动的二级传动比为36~9,所以电效果转速可选范畴为min /7.2128~17.532min /13.59)36~9(''r r n i n w d =⨯==切合上述央供的共步转速有750 r/min,1500r/min 战3000r/min,其中减速器以1500战1000r/min 的劣先,所以现以那二种规划举止比较.由《板滞安排课程安排》第二十章相闭资料查得的电效果数据及估计出的总传动比列于表3-1:表3-1电效果技能数据比,为使传动拆置结构紧稀,兼瞅思量电效果的重量战代价,采用规划2,即所选电效果型号为Y112M-6.4传动拆置疏通战能源参数估计1613.59940===w m n n i减速器的传动比 i 为16,对付于二级卧式展启式圆柱齿轮减速器的21)5.1~1.1(i i =,估计得二级圆柱齿轮减速器下速级的传动比5.41=i ,矮速级的传动比5.32=i .电效果轴疏通战能源参数估计m N n P T r n n kWP P m d ⋅======35.229550min /9402.20000下速轴疏通战能源参数估计m N n P T r n n kWkW P P ⋅=====⨯==13.229550min /940178.299.02.211101101η中间轴疏通战能源参数估计m N n P T r i n n kWkW P P ⋅======⨯⨯==5.959550min /9.2085.494009.299.097.0178.22221123212ηη矮速轴疏通战能源参数估计m N n P T r i n n kWkW P P ⋅=====⨯⨯==5.3219550min /7.5909.299.097.009.23332233223ηη5传动件的安排估计采用资料、热处理办法战公好等第1)按以上的传动规划,采用斜齿圆柱齿轮传动.2)输支机为普遍处事,速度不下,故采用8级粗度(GB 10095-88).3) 资料采用.思量到制制的便当及小齿轮简单磨益并兼瞅到经济性,圆柱齿轮的大、小齿轮资料均用45钢,小齿轮调量处理,大齿轮正火处理.由《板滞安排》书籍表10-1得齿里硬度HBS1=217-255,HBS2=162-217,仄衡硬度硬度分别为236HBS,190HBS ,二者资料硬度好为46HBS.4)选小齿轮的齿数231=z ,大齿轮的齿数为5.103235.42=⨯=z ,与1042=z . 5)采用螺旋角.初选螺旋角 14=β. 按齿里交战强度安排 由安排公式举止试算,即.)][(1.23211H E H d t t z z u u T K d σεα±Φ≥ (5-1)(1)决定公式内的各估计数值 1) 试选载荷系数4.1=t K2) 由以上估计得小齿轮的转矩m N T ⋅=13.2213) 查表及其图采用齿宽系数1=Φd ,资料的弹性做用系数218.189MPa Z E =,按齿里硬度的小齿轮的交战疲倦强度极限MPa H 5801lim =σ;大齿轮的交战疲倦强度极限MPa H 3902lim =σ. 4)估计应力循环次数9111035.1)230085(19406060⨯=⨯⨯⨯⨯⨯⨯==h jL n N89121035.41035.1⨯=⨯==μN N5) 按交战疲倦寿命系数 9.01=K H N 95.02=K HN6) 估计交战疲倦许用应力,与做废概率为1%,仄安系数S=1 由[]SN lim σσK = (5-2)得[][]MPaSMPaSHN H HN H 5.37039095.05225809.0lim221lim 11=⨯=K ==⨯=K =σσσσ故:MPa MPa H H H 25.44625.3705222][][][21=+=+=σσσ 7)查图采用天区系数46.2=H Z .8)查图得765.01=αε,87.02=αε,则635.121=+=αααεεε (2) 估计:1) 供得小齿轮分度圆直径1t d 的最小值为mm z z u u T K d H H E d t t 37)25.46646.28.189(5.45.5635.1110213.24.12.)][(1.23243211=⨯⨯⨯⨯⨯⨯⨯=±Φ≥σεα 2) 圆周速度: s m nd t /82.11000609403714.31000601=⨯⨯⨯=⨯=πν3) 估计齿宽及模数:齿宽: mm d b t d 373711=⨯=⋅Φ=模数: mm d m t nt 56.12314cos 37cos 11=⨯=Z =β齿下: mm m h nt 51.356.125.225.2=⨯==∴5.1051.337==h b 4)估计纵背重合度βε:82.114tan 231318.0tan 318.01=⨯⨯⨯== βφεβz d5) 估计载荷系数:根据1=A K ,s m v /82.1= ,8级粗度,查得 动载系数 1.1=K V ,4491.1=βH K ,35.1=βF K ,4.1==ααF H K K故载荷系数 23.24491.14.11.1.1=⨯⨯⨯=K ⋅K ⋅K ⋅K =K βαH H V A 6) 按本量载荷系数矫正分度圆直径:mm d d t t 2.434.123.2373311=⨯=K K = 7) 估计模数: mm d m n 82.12314cos 2.43cos 11=⨯=Z =β按齿根蜿蜒强度估计 蜿蜒强度安排公式为[]32121cos 2⎪⎪⎭⎫ ⎝⎛≥F SaFa d n Y Y z Y KT m σεφβαβ (5-3) (1)决定公式内的各估计数值1)根据纵背重合度82.1=βε,从图中查得螺旋角做用系数88.0=βY 2)估计当量齿数:8.11314cos 104cos 18.2514cos 23cos 33223311======ββz z z z v v3)查图得小齿轮的蜿蜒疲倦强度极限;4801MPa FE =σ大齿轮的蜿蜒疲倦强度极限MPa FE 2502=σ;4)查图与蜿蜒疲倦寿命系数;95.0,9.021==FN FN K K 5)估计蜿蜒疲倦许用应力. 与蜿蜒疲倦仄安系数S=1.4,得[][]MPaS K MPaS K FN FN F FE FN F 6.1694.125095.06.3084.14809.0222111=⨯===⨯==σσσσ6)估计载荷系数K.079.235.14.11.11=⨯⨯⨯==βαF F V A K K K K K7) 查与齿形系数. 查表得 .169.2;6164.221==Fa Fa Y Y 8) 查与应力矫正系数.查表得801.1;5909.121==Sa Sa Y Y9) 估计大、小齿轮的[]F Sa Fa YY σ并加以比较.[][]02302.06.169801.1169.201349.06.3085909.16164.2222111=⨯==⨯=F Sa Fa F Sa Fa Y Y Y Y σσ大齿轮的数值大. (2)安排估计mm mm m n 266.102303.0635.123114cos 88.022130079.2232=⨯⨯⨯⨯⨯⨯⨯≥对付比估计截止,由齿里交战疲倦强度估计的模数m 大于由齿根蜿蜒疲倦强度估计的模数,由于齿轮模数的大小要与决于蜿蜒强度所决断的拆载本领,而齿里交战疲倦强度所决断的拆载本领,仅与齿轮直径(即模数与齿数的成积)有闭,可与蜿蜒强度算得的模数 1.266mm ,并靠近圆整为尺度值mm m n 2=,按交战强度算得的分度圆直径mm d 2.431=,算出小齿轮齿数212cos 2.43cos 11≈==ββn m d z , 大齿轮齿数 5.945.4212=⨯=z ,与952=z .那样安排出的齿轮传动,即谦足了齿里交战疲倦强度,又谦足齿根蜿蜒疲倦强度,并干到结构紧稀,预防浪费. . 几许尺寸估计(1)估计核心距:mm m z z a n 55.11914cos 22)9521(cos 2)(21=⨯+=+=β 将核心距圆整为120mm.(2)建正螺旋角: 84.1412022)9521(arccos 2)(arccos 21=⨯⨯+=+=a m z z n β β值改变已几,故参数H Z K 、、βαε等不必建正. (3)分度圆直径:mmm z d mmm z d n n 56.19684.14cos 295cos 4.4384.14cos 221cos 2211=⨯===⨯==ββ(4)齿轮宽度:mm d b d 4.431=Φ=与 mm B 432=mm B 501=采用资料、热处理办法战公好等第1)输支机为普遍处事,速度不下,故采用8级粗度(GB 10095-88).2) 资料采用.思量到制制的便当及小齿轮简单磨益并兼瞅到经济性,圆柱齿轮的大、小齿轮资料均用45钢,小齿轮调量处理,大齿轮正火处理.由《板滞安排》书籍表10-1得齿里硬度HBS1=217-255,HBS2=162-217,仄衡硬度硬度分别为236HBS,190HBS ,二者资料硬度好为46HBS.3)选小齿轮的齿数251=z ,大齿轮的齿数为5.87255.32=⨯=z ,与882=z . 4)采用螺旋角.初选螺旋角 14=β. 按齿里交战强度安排 由安排公式举止试算,即.)][(1.23211H E H d t t z z u u T K d σεα±Φ≥(1)决定公式内的各估计数值 1)试选载荷系数6.1=t K2) 由以上估计得小齿轮的转矩m N T ⋅=5.32113) 查表及其图采用齿宽系数1=Φd ,资料的弹性做用系数218.189MPa Z E =,按齿里硬度的小齿轮的交战疲倦强度极限MPa H 5803lim =σ;大齿轮的交战疲倦强度极限MPa H 3904lim =σ. 4)估计应力循环次数733106.8)230085(17.596060⨯=⨯⨯⨯⨯⨯⨯==h jL n N77121046.25.3106.8⨯=⨯==μN N5) 按交战疲倦寿命系数 9.01=K H N 95.02=K HN10) 估计交战疲倦许用应力,与做废概率为1%,仄安系数S=1由 []SN lim σσK = 得[][]MPaSMPaSHN H HN H 1.38639099.055158095.04lim 443lim 33=⨯=K ==⨯=K =σσσσ故:MPa MPa H H H 55.46821.3865512][][][34=+=+=σσσ 7)查图采用天区系数433.2=H Z .8)查图得78.03=αε,8.04=αε,则58.143=+=αααεεε (2) 估计:1) 供得小齿轮分度圆直径1t d 的最小值为mm z z u u T K d H H E d t t 34.93)55.4688.189433.2(5.35.458.111015.326.12.)][(1.23243213=⨯⨯⨯⨯⨯⨯⨯=±Φ≥σεα 2) 圆周速度: s m nd t /29.01000607.5934.9314.31000603=⨯⨯⨯=⨯=πν3) 估计齿宽及模数:齿宽: mm d b t d 34.9334.9313=⨯=⋅Φ=模数: mm d m t nt 62.32514cos 34.93cos 33=⨯=Z =β齿下: mm m h nt 15.862.325.225.2=⨯==∴45.1115.834.93==h b 4)估计纵背重合度βε:98.114tan 251318.0tan 318.03=⨯⨯⨯== βφεβz d5) 估计载荷系数:根据1=A K ,s m v /29.0= ,8级粗度,查得 动载系数 03.1=K V ,467.1=βH K ,27.1=βF K ,4.1==ααF H K K故载荷系数 1.2467.14.103.1.1=⨯⨯⨯=K ⋅K ⋅K ⋅K =K βαH H V A 6) 按本量载荷系数矫正分度圆直径:mm d d t t 2.1026.11.234.933333=⨯=K K = 7) 估计模数:mm d m n 97.32514cos 2.102cos 33=⨯=Z =β按齿根蜿蜒强度估计 蜿蜒强度安排公式为 []32121cos 2⎪⎪⎭⎫ ⎝⎛≥F SaFa d n Y Y z Y KT m σεφβαβ (1)决定公式内的各估计数值1)根据纵背重合度98.1=βε,从图中查得螺旋角做用系数88.0=βY 2)估计当量齿数:33.9614cos 104cos 37.2714cos 25cos 33443333======ββz z z z v v3)查图得小齿轮的蜿蜒疲倦强度极限;4803MPa FE =σ大齿轮的蜿蜒疲倦强度极限MPa FE 2504=σ;4)查图与蜿蜒疲倦寿命系数;91.0,95.043==FN FN K K5)估计蜿蜒疲倦许用应力. 与蜿蜒疲倦仄安系数S=1.4,得[][]MPaS K MPaS K FN FN F FE FN F 5.1624.125091.071.3254.148095.0444333=⨯===⨯==σσσσ6)估计载荷系数K.83.127.14.103.11=⨯⨯⨯==βαF F V A K K K K K 7)查与齿形系数.查表得 .19.2;56.243==Fa Fa Y Y8)查与应力矫正系数.查表得7863.1;6037.143==Sa Sa Y Y9)估计大、小齿轮的[]F Sa Fa YY σ并加以比较.[][]02407.05.1627863.119.20126.071.3256037.156.2444333=⨯==⨯=F Sa Fa F Sa Fa Y Y Y Y σσ大齿轮的数值大.(1)安排估计mm mm m 87.202407.058.125114cos 88.032150083.12322=⨯⨯⨯⨯⨯⨯⨯≥对付比估计截止,由齿里交战疲倦强度估计的模数m 大于由齿根蜿蜒疲倦强度估计的模数,由于齿轮模数的大小要与决于蜿蜒强度所决断的拆载本领,而齿里交战疲倦强度所决断的拆载本领,仅与齿轮直径(即模数与齿数的成积)有闭,可与蜿蜒强度算得的模数2.87mm ,并靠近圆整为尺度值mm m n 3=,按交战强度算得的分度圆直径mm d 2.1023=,算出小齿轮齿数22314cos 19.68cos 33≈==n m d z β,大齿轮齿数 775.3224=⨯=z .那样安排出的齿轮传动,即谦足了齿里交战疲倦强度,又谦足齿根蜿蜒疲倦强度,并干到结构紧稀,预防浪费. 几许尺寸估计(1)估计核心距:mm m z z a n 05.15314cos 23)7723(cos 2)(21=⨯+=+=β 将核心距圆整为153mm.(2)建正螺旋角: 93.1315322)7722(arccos 2)(arccos 21=⨯⨯+=+=a m z z n β β值改变已几,故参数H Z K 、、βαε等不必建正.(3)分度圆直径:mm m z d mmm z d n n 23893.13cos 377cos 6893.13cos 322cos 4433=⨯===⨯==ββ(4)齿轮宽度: mm d b d 683=Φ=与 mm B 684=mm B 763=6轴的安排估计轴的结构尺寸安排 kw P 178.21=,转速mm r n /9401=,转矩m N T ⋅=13.221 根据结构及使用央供,把该轴安排成阶梯轴且为齿轮轴,共分七段,其中第5段为齿轮,如图6-1所示:图6-1下速轴由于结构及处事需要将该轴定为齿轮轴,果此其资料须与齿轮资料相共,均为45钢,热处理为调制处理, 资料系数0A 为120.所以,有该轴的最小轴径为: mm n P A d 88.15940178.212033110min =⨯== 此处最小直径隐然是拆置联轴器处的直径1d ,采用半联轴器的孔径mm d 20=,半联轴器少度mm L 52=,半联轴器与轴协共的毂孔少度mm L 381=. 其余各段轴径、少度的安排估计依据战历程睹下表: 阶梯轴段安排估计依据战历程估计截止第1段11d 由半联轴器孔径决定11l 略小于联轴器毂孔少度,毂孔少度mm L 441= 与mm l 3611=mm d 2011=mm l 3611=第2段为了谦足半联轴器的轴背定位央供,一段左端应制出一轴肩,故与2段的直径为mm d 2612=,与端盖左端到联轴器左端距离为mm35,端盖总宽度为mm30,故mml 6512=mm d 2612=mm l 6512= 第3段根据mm d 2612=,预选轴启7206Cmm mm mm B D d 166230⨯⨯=⨯⨯,13d 、12l 由轴启尺寸决定mml mmd 16301313==第4段查得7206C 型轴启的定位轴肩下度mm d 3614=该轴启安排为里对付里形式,预计寿命为3年,即12480小时. 1估计轴启的径背载荷得N F r 87.2581=、N F r 1.1252=2估计轴启的轴背载荷得N F F r d 17668.011==、N F F r d 8568.022==,果此,1235585270d d ae F N F F >=+=+ 故N F a 3551=、N F a 852= 3供比值37.111=r a F F 、68.022=r a F F,果为角交战球轴启e 的最大值为0.56,故11r a F F 、22r a F F 均大于e.4收端估计当量动载荷P与p f 为1.2,41.0=X ,87.0=YN YF XF f P a r p 49835587.087.25841.02.1)(111=⨯+⨯⨯=+=)( N P 3.150)87.0851.12541.0(2.12=⨯+⨯⨯= 5供轴启应有的基原额定动载荷值N C N nL P C h 13371012480940603.15044301012480940604981060362366'11=⨯⨯⨯==⨯⨯⨯==ε初选的轴启为7206C ,它的额定动载荷分别为KN KN 8.1687.1和,故切合条件.轴的结构尺寸安排根据结构几使用央供该轴安排成阶梯轴,共分六段,如图6-2所示:图6-2中间轴由于结构及处事需要将该轴定为齿轮轴,果此其资料须与齿轮资料相共,均为45钢,热处理为调制处理,与资料系数 1200=A .有该轴的最小轴径为: mm n P A d 86.319.20809.21203322021=⨯=≥' 果键槽启正在中间,其做用不预思量 尺度化与mm d 3521=其余各段轴径、少度的安排估计依据战历程睹下表:阶梯轴段 安排估计依据战历程估计截止第1段322021n P A d ≥'由轴启尺寸决定 (轴启预选7207C mm B D d 177235⨯⨯=⨯⨯) mm B B l h 301317121=+=+=mm d 3521= mm l 3021=第2段 22d 由齿轮孔径决断,与mm d 4022= 22l 略小于齿轮宽度,与mm l 4822=mm d 4022= mm l 4822= 第3段与mm d 4823= mm l 1023=mm d 4823= mm l 1023=第4段mm d 6824==分度圆直径mm l 7624==齿宽mm l mmd 76682424== 第5段mm d d 482325== mm l 1025= mml mm d 10482525==第6段mm d d 352126== mm B B l h 30126=+=mm d 3526= mm l 3026=轴的结构尺寸安排根据结构几使用央供该轴安排成阶梯轴,共分七段,如图6-3所示:图6-3矮速轴思量到矮速轴的载荷较大,资料采用45钢,热处理调量处理,与资料系数 1200=A所以,有该轴的最小轴径为: mm n p A d 7.387.5901.212033330min 3=⨯== 隐然此段轴是拆置联轴器的,采用TL7型联轴器,与半联轴器孔径为mm d 40=,故此段轴径为mm d 4031=,半联轴器少度mm L 112=,半联轴器与轴协共的毂孔少度为mm L 841=,第一段的少度应比联轴器的毂孔少度略短,故与mm l 821= 其余各段轴径、少度的安排估计依据战历程睹下表: 阶梯轴段 安排估计依据战历程估计截止第1段mm d 4031= mm l 8231=(由联轴器宽度尺寸决定)mm d 4031= mm l 8231= 第2段为了谦足半联轴器的轴背定位央供,一段左端应制出一轴肩,故与2段的直径为mm d 4632=,32l 由端盖等果素决定,与mm l 5532= mm d 4632= mm l 5532=第3段根据mm d 4632=,预选轴启7210Cmm mm mm B D d 209050⨯⨯=⨯⨯,、3333l d 、由轴启尺寸决定mm d 5033= mm l 2033=mm d 5033= mm l 2033=第4段mm d d 60103534=+=mml l l l L l 654)204496610(162)(3333373635234=+--++-=∆+-∆-++-=(2L 为箱体内壁轴背距离,3∆为轴启端里至箱体内壁距离)mml mm d 65603434==第5段mm d d 6553435=+= mm l 1035=mm d 6535= mm l 1035= 第6段与拆置齿轮处的轴直径mm d 5536=,此段的少度略小于齿轮宽度,与mm l 6636=mm d 5536= mm l 6636=第7段mm d d 503337==mm B B l h 492920337=+=+= mml mmd 49503737==矮速轴的受力分解及估计轴的受力分解及载荷分解如图6-4所示NF F N F Fr Nd T F t a t t 70164.14tan 2682tan 100964.14cos 20tan 2682cos tan 268279.239105.32122343=⨯===⨯===⨯⨯==ββα图6-4矮速轴的受力分解及扭矩图从轴的结构图以及直矩战扭矩图中不妨瞅出截里C 是轴的伤害截里,估计出的截里C 处的H M 、M 、M 的值列于下表:载荷 火仄里H崔直里V 支反力F NF N F NH NH 1770,93021==NF NF NV NV 21979321==直矩M mm N M H ⋅=109740 mmN M mm N M V V ⋅=⋅=135789357421总直矩mmN M mm N M ⋅=⋅=11057614422121由脚册查资料45钢的强度参数 MPa 60][1=-σC 截里直扭合成应力:(6.0=α)][5.14551.0)3215006.0(144221)(13222321-≤=⨯⨯+=+=σασa ca MP W T M由估计截止可睹C 截里仄安. 减速轴上轴启采用估计该轴启安排为里对付里形式,预计寿命为3年,即12480小时. 1)估计轴启的径背载荷得N F r 7931=、N F r 2192=2)估计轴启的轴背载荷得N F F r d 53968.011==、N F F r d 92.14868.022==,果此,1292.81867092.148d d ae F N F F >=+=+ 故N F a 92.8181=、N F a 92.1482= 3)供比值 03.111=r a F F 、68.022=r a F F,果为角交战球轴启e 的最大值为0.56,故11r a F F 、22r a F F 均大于e.4)收端估计当量动载荷P与p f 为1.2,41.0=X ,87.0=YN YF XF f P a r p 124592.81887.079341.02.1)(111=⨯+⨯⨯=+=)( N P 22.263)87.092.14821941.0(2.12=⨯+⨯⨯=5)供轴启应有的基原额定动载荷值N C N nL P C h 93410124807.596022.263445410124807.596012451060362366'11=⨯⨯⨯==⨯⨯⨯==ε初选的轴启为7210C ,它的额定动载荷分别为KN KN 5.318.32和,故切合条件.7 各轴键、键槽的采用及其校核果减速器中的键联结均为静联结,果此只需举止挤压应力的校核.戴轮处键:依照戴轮处的轴径及轴少选 键B6X6,键少28,GB/T1096 联结处的资料分别为: 45钢(键) 、45钢(轴)中间级处键采用及校核依照轮毂处的轴径及轴少选 键B12X8 GB/T1096 联结处的资料分别均为45钢 此时, 键联分离格.矮速级大齿轮处键依照轮毂处的轴径及轴少选 键B16X10,键少56 GB/T1096 联结处的资料均为: 45钢其中键的强度最矮,果此按其许用应力举止校核,查脚册其MPa p 110][3=σ][75.41556553215002233633p p MPa lk d T σσ<=⨯⨯⨯==该键联分离格依照联轴器处的轴径及轴少选 键12X8,键少70,GB/T1096联结处的资料分别为: 45钢 (联轴器) 、45钢(键) 、45钢(轴)其中键的强度最矮,果此按其许用应力举止校核,查脚册其MPa p 110][4=σ][4.57470403215002243134p p lk d T σσ<=⨯⨯⨯==该键联分离格.8联轴器的采用估计典型采用采用弹性套柱销联轴器 载荷估计转矩m N T ⋅=13.22,查得3.1=A K ,故估计转矩为 m N T K T A ca ⋅=⨯==769.2813.223.1型号采用TL3型弹性套柱销联轴器的许用转矩为m N ⋅5.31,许用最大转速为6300min /r ,轴径为mm 22~16,电效果轴为mm 28,故分歧用.TL4型弹性套柱销联轴器的许用转矩为63m N ⋅,许用最大转速为5700min /r ,轴径为mm 28~20,故合用.典型采用采用弹性套柱销联轴器 载荷估计转矩m N T ⋅=5.321,查得3.1=A K ,故估计转矩为 m N m N T K T A ca ⋅=⋅⨯==95.4175.3213.1型号采用TL7型弹性套柱销联轴器的许用转矩为500m N ⋅,许用最大转速为3600min /r ,轴径为mm 48~40,故合用.9减速器箱体及其附件的安排通气器为使防尘本能佳,选通气器(二次过滤),采与M18×油里指示器 采用游标尺M16吊拆置采与箱盖吊耳、箱座吊耳.搁油螺塞起盖螺钉型号:GB70-85 M10×40,资料Q235下速轴轴启盖上的螺钉:GB70-85 M6X12,资料Q235中间轴轴启盖上的螺钉:GB70-85 M8X20,资料Q235矮速轴轴启盖上的螺钉:GB70-85 M8×20,资料Q235箱盖、箱座对接螺栓直径:GB5782~86 M10×100,资料Q235 箱体的主要尺寸:(1)箱座壁薄8258.4105.153025.01025.0=+⨯=+=aξ与 =8(2)箱盖壁薄1=×与1=8(3)箱盖凸缘薄度b11×8=12×8=12(5)箱座底凸缘薄度b2×8=20(6)天足螺钉直径df=×153.05+12=17.5098(与16)(7)天足螺钉数目n=4 (果为a<250)(8)轴启旁对接螺栓直径d1f×16=13.15 (与14)(9)盖与座对接螺栓直径 d2=(0.5-0.6)df×(与10) (10)对接螺栓d2的间距L=150-200(11)轴启端盖螺钉直径d3=(0.4-0.5)df×16= 7.2(与8)(12)定位销直径d=(0.7-0.8)d2×10=8(13)凸台下度:根据矮速级轴启座中径决定,以便于扳脚支配为准.(14)中箱壁至轴启座端里的距离C1+C2+﹙5~10﹚(15)齿轮顶圆与内箱壁间的距离:12mm(16)齿轮端里与内箱壁间的距离:=15 mm(17)箱盖,箱座肋薄:m1=8 mm,m2=8 mm(18)轴启端盖中径:D+﹙5~﹚d3整治成表9-1战表9-2表9-2 减速器整件的位子尺寸10润滑与稀启采与浸油润滑采与浸油润滑思量到该拆置用于小型设备,采用GB443-89齐耗费系统用油L-AN15润滑油.稀启圈型号按所拆置轴的直径决定为轴启盖结构尺寸按用其定位的轴启的中径决断. 11安排小结干板滞止业的,更加是安排的人要有一定的耐性,足够的小心,本领得住寥寂,能重到所钻研的真物中去.那段时间锻炼的尔的耐性战毅力力,让尔明黑干乐成一件事不是那么简单,得齐身心的加进到内里.正在课程安排那段时间内,尔又重新温习了往日教过的知识,创制记了很多,往日也并出深进的去钻研,只记得表面一层,不深进的去商量,所以很简单记记.正在以去的教习中应抱有掌握知识的做风去教习,而不该该死记硬背,走马瞅花.尔认识到画图对付于咱们的要害性,更佳天将其应用咱们的所教到的知识.通过那次的安排,感触颇多,支获颇多.更多的是从中教到很多物品,包罗书籍原知识以及部分素量与性格圆里.感动教授的勤劳指挥,感动教授能百闲中抽出时间去查看咱们的拆备图战安排证明书籍.特此感动!12参照文件[4] 弛龙.板滞安排课程安排脚册.北京:国防工业出版社,2006。
机械课程设计设计说明书前言1、设计题目加热炉装料机2、设计背景(1)题目简述该机器用于向加热炉内送料。
装料机由电动机驱动,通过传动装置是装料机推杆做往复移动,将物料送入加热炉内。
(2)使用状况室内工作,需要5台,动力源为三相交流电动机,电动机单向转动,载荷较平稳,转速误差<4%;使用期限为10年,每年工作250天,每天工作16小时,大修期为3年。
(3)生产状况中等规模机械厂,可加工7、8级精度的齿轮、蜗轮。
3、设计意义:可实现往返运动,减轻锅炉工人填料工作量。
目录一、设计任务书 (1)二、总体方案设计 (2)三、电机的选择、传动比分配、运动及动力参数的计算 (11)四、传动零件的设计计算 (13)五、轴的设计及校核 (25)六、滚动轴承的选择及寿命计算 (33)七、键连接设计计算 (39)八、减速器箱体及附件的设计 (42)九、技术要求 (43)十、参考资料 (44)一、设计任务书1、设计任务1)设计总体传动方案,画总体机构简图,完成总体方案论证报告。
2)设计主要传动装置,完成主要传动装置的装配图。
3)设计主要零件,完成两张零件工作图。
4)编写设计说明书。
2、使用条件室内工作,需要5台,动力源为三相交流电动机,电动机单向转动,载荷较平稳,转速误差<4%;使用期限为10年,每年工作250天,每天工作16小时,大修期为3年。
3、设计参数1)推杆行程270mm2)推杆所需推力6600N3)推杆工作周期3s二、总体方案设计项目-内容 设计计算依据和过程计算结果1、 功能原理装料机用于向加热炉内送料,由电动机驱动,室内工作,通过传动装置使装料机推杆作往复移动,将物料送入加热炉内。
2、 执行机构的选型与设计(1)(2)(3)方案一:简单的曲柄滑块机构,杆件少,运动简单,可靠性高,但由于机构(1)对设备的空间要求较高,导轨上下都有部件,由于工作环境比较恶劣,不利于机器的保养。
方案二:采用了串联机构,压力角等参数均有很好的特性,但急回特性较差方案三:有较大的急回系数,特别是在装料处滑块的速度很小,使工人有时间将燃料装放弃方案一,对方案二和方案三进行比较3、机构的运动和动力分析:1)对于机构(2)用Adams 软件进行仿真,结果如下: 执行构件位移:执行构件速度:原动件转矩:所需功率:急回系数为360187.2K 187.21.08-==2)对于机构(3)执行构件位移执行构件速度:急回系数:3(2.37 1.35)K 2.37-1.351.94--==方案一是简单的曲柄滑块机构,杆件少,运动简单,可靠性高,24454668109c7180ϕ-三、电机的选择、传动比分配、运动及动力参数的计算设计计算依据和过程根据工作要求选用Y系列全封闭自扇冷式笼型三相异步电机,电压380V。
二级减速器课程设计说明书目录一、设计任务书 (2)二、减速箱传动方案的拟定及说明 (3)三、运动参数计算 (3)一、电机的选择 (3)二、传动比的分配 (4)三、传动件运动和动力参数计算 (5)四、各传动零件的设计计算 (6)一、皮带轮的设计计算 (6)二、齿轮的设计 (8)三、各轴的设计 (12)四、减速器的箱体(箱盖)设计 (25)五、减速器的润滑 (27)六、减速器附件 (28)四、设计小结 (31)参考资料 (32)一、设计任务书带式运输机两级斜齿轮圆柱齿轮减速箱传动方案1、输送胶带2、传动滚筒3、两级圆柱齿轮减速器4、V带传动5、电动机原始数据:1. 带式运输机上圆周力F=6000N;2. 带式运输机上圆周速度V=0.75m/s;3. 带式运输机直径D=300mm;4. 工作情况:两班制,连续单向运转,载荷平稳5. 工作年限:10年(每年按300天计算)6. 工作环境:室内,清洁;7. 动力来源:电力,三相交流,电压380V;8. 检修间隔期:四年一次大修,两年一次中修;半年一次小修;9. 制造条件及生产批量:一般机械厂生产,中批量生产。
二、减速箱传动方案的拟定及说明一、工作机器特征的分析由设计任务书可知:该减速箱用于带式运输机,工作速度不高(V=0.75m/s),圆周力不大(P=6000N),因而传递的功率也不会太大。
由于工作运输机工作平稳,转向不变,使用寿命10年,故减速箱应尽量设计成闭式。
箱体内用油液润滑,轴承用脂润滑。
要尽可能使减速箱外形及体内零部件尺寸小,结构简单紧凑,造价低廉,生产周期短,效率高。
二、传动方案的拟定及说明根据设计任务书中已给定的传动方案及传动简图,分析其有优缺点如下:优点:(1)、电动机与减速器是通过皮带进行传动的,在同样的张紧力下,三角皮带较平带传动能产生更大的摩擦力,而且三角皮带允许的中心中距较平带大,传动平稳,结构简单,使用维护方便,价格低廉。
故在第一级(高速级)采用三角皮带传动较为合理,这样还可以减轻电动机因过载产生的热量,以免烧坏电机,当严重超载或有卡死现象时,皮带打滑,可以起保护电机的作用。
⼆级减速器课程设计说明书⼀、设计任务书1、设计题⽬:带式输送机传动装置中的⼆级圆柱齿轮减速器2、技术参数:注:运输带与卷筒以及卷筒与轴承间的摩擦阻⼒已在F中考虑。
3、⼯作条件:单向运转,有轻微振动,经常满载空载起动,单班制⼯作,使⽤年限10年,输送带速度允许误差为⼟5%。
⼆、传动⽅案的分析及说明根据要求及已知条件,对于传动⽅案的设计选择V带传动和⼆级闭式圆柱齿轮传动。
V带传动布置于⾼速级,能发挥它传动平稳、缓冲吸振和过载保护的优点。
⼆级闭式圆柱齿轮传动能适应在繁重及恶劣的条件下长期⼯作,且维护⽅便。
V带传动和⼆级闭式圆柱齿轮传动相结合,能承受较⼤的载荷且传动平稳,能实现⼀定的传动⽐,满⾜设计要求。
传动⽅案运动简图:编号带的有效拉⼒F(N)带速v(m/s)卷筒直径D(mm)8 1250 1.3 240三、电动机的选择1、选择电动机类型根据⼯作要求和⼯作条件选⽤Y系列(IP44)封闭式笼型三相异步电动机,电压380V。
2、由已知条件,带的有效拉⼒F=1250N,带速v=1.3m/s,电动机所需⼯作功率为:P d=P wηkW⼯作机所需功率为:P w=Fv1000kW=1.62kW根据机械设计⼿册126页表10-1确定各部分效率:V带传动η1=0.96,滚动轴承传动效率(⼀对)η2=0.99,闭式齿轮传动效率η3=0.97,联轴器效率η4=0.99,带⼊得η=0.96x0.993x0.972x0.99=0.868所需电动机功率为:P d=Fv1000xη=1.40kW因为冲击载荷轻微,电动机的额定功率P ed略⼤于P d即可,由机械设计⼿册216页表10-78,Y系列电动机技术参数数据,选电动机的额定功率P ed=1.5kW。
3、确定电动机的转速滚筒轴⼯作转速:n w=60x1000v/πD=60x1000x1.3/πx240=103.5r/min通常,V带传动的传动⽐i1=2~4 ;⼆级圆柱齿轮减速器的传动⽐为i2=8~40,则总传动⽐的范围为i=16~160,故电动机转速的可选范围为n d=i·n w=1656~16560 r/min符合这⼀范围的同步转速有1000r/min,1500r/min,3000r/min。
目录第一章设计任务书…………………………………………………………§1设计任务………………………………………………………………………第二章传动系统方案的总体设计…………………………………§1 电动机的选择……………………………………………………………§2 传动比的分配…………………………………………………………………§3 传动装置的运动和动力参数计算………………………………………第三章高速级斜齿圆柱齿轮传动§1 选定齿轮类型、精度、等级材料………………………………………§2 初计算传动的主要尺寸…………………………………………………§3 确定传动尺寸………………………………………………………………第四章低速级直齿圆柱齿轮的设计…………………………………§1 选定齿轮类型、精度、等级材料……………………………………§2 按齿面接触强度设计…………………………………………………§3 修正计算……………………………………………………………………§4 几何尺寸计算…………………………………………………………第五章圆柱齿轮上的受力分析§ 1高速级齿轮传动的作用力…………………………………………………§ 2低速级齿轮传动的作用力…………………………………………………第六章中间轴设计方案§1 选择轴的材料………………………………………………………………§2 初算轴径§ 2初算轴径…………………………………………………§3 结构设计………………………………………………………………………§4 键连接………………………………………………………………………§5 轴的受力分析………………………………………………………………§6 校核轴的强度………………………………………………………………§7 校核键的连接………………………………………………………………§8 校核轴承寿命…………………………………………………………………第七章高速轴设计方案§1 选择轴的材料……………………………………………………………§2 初选最小轴径………………………………………………………………§3 结构设计………………………………………………………………………§4 轴的受力分析………………………………………………………………§5 校核轴的强度………………………………………………………………§6 校核轴承寿命…………………………………………………………………第八章低速轴设计方案§1 选择轴的材料…………………………………………………………………§2 计算轴径……………………………………………………………………§3 结构设计……………………………………………………………………§4 键连接………………………………………………………………………§5 轴的受力分析……………………………………………………………………§6 校核轴的强度……………………………………………………………………§7 校核键的连接……………………………………………………………………§8 校核轴承寿命……………………………………………………………………第九章减速器铸造箱体的结构尺寸§1 减速器铸造箱体的结构尺寸……………………………………………………参考文献…………………………………………………………………………………第一章设计任务书§1设计任务书一、设计题目:设计带式输送机的传动系统,采用两级圆柱齿轮减速器的齿轮传动。
课程设计说明书课程名称:机械设计课程设计课程代码:题目:二级斜齿圆柱齿轮减速器学生姓名:张伟荣学号: 3120130316205 年级/专业/班: 13级机电2班学院(直属系) :机械工程学院指导教师:杜强机械设计课程设计任务书学院名称:机械工程学院专业:机械电子工程年级:2013级学生姓名: 张伟荣学号: 3120130106205 指导教师: 杜强一、设计题目带式运输机的减速传动装置设计二、主要内容⑴决定传动装置的总体设计方案;⑵选择电动机,计算传动装置的运动和动力参数;⑶传动零件以及轴的设计计算;轴承、联接件、润滑密封和联轴器的选择及校验计算;⑷机体结构及其附件的设计;⑸绘制装配图及零件图;编写计算说明书并进行设计答辩。
三、具体要求⑴原始数据:运输带线速度v = 1.76 (m/s)运输带牵引力F = 2700 (N)驱动滚筒直径D = 470 (mm)⑵工作条件:①使用期5年,双班制工作,单向传动;②载荷有轻微振动;③运送煤、盐、砂、矿石等松散物品。
四、完成后应上交的材料⑴机械设计课程设计计算说明书;⑵减速器装配图一张;⑶轴类零件图一张;⑷齿轮零件图一张。
五、推荐参考资料⑴西华大学机械工程与自动化学院机械基础教学部编.机械设计课程设计指导书,2006⑵秦小屿.机械设计基础(第二版).成都:西南交大出版社,2012指导教师杜强签名日期 2015 年 6 月 25日系主任审核日期 2015 年 6 月 25 日目录一.传动方案的拟定………………………………………………………………………二.电动机的选择及传动装置的运动和动力参数计算…………………………………三.传动零件的设计计算……………………………………………………………四.轴的结构设计及强度计算……………………………………………………………五.滚动轴承的选择与寿命计算……………………………………………………………六.键的强度计算……………………………………………………………七.联轴器的选择……………………………………………………………八.减速器机体结构设计及附件设计……………………………………………………………总结…………………………………………………………………………………………参考文献……………………………………………………………………………………计算过程及计算说明一传动方案拟定(1)工作条件:使用年限5年,工作为二班工作制,单向运转,小批量生产,载荷平稳,环境清洁。
二级减速器课程设计说明书一、设计任务本次课程设计的任务是设计一个用于特定工作条件的二级减速器。
该减速器需要将输入的转速降低到指定的输出转速,并传递一定的扭矩。
二、设计要求1、确定传动方案,包括齿轮类型、轴的布置等。
2、完成零部件的设计计算,如齿轮、轴、轴承等。
3、绘制装配图和零件图。
三、传动方案的确定1、考虑到传动比、效率和结构紧凑性等因素,选择了展开式二级圆柱齿轮减速器。
2、第一级为斜齿圆柱齿轮传动,第二级为直齿圆柱齿轮传动。
3、电机通过联轴器与高速轴相连,低速轴通过联轴器输出动力。
四、电机的选择1、根据工作机的功率要求和工作条件,初选电机型号。
2、计算电机的转速,以确定传动比的分配。
五、传动比的分配1、综合考虑齿轮的强度、尺寸和润滑等因素,合理分配各级传动比。
2、计算实际总传动比,并与理论传动比进行比较。
六、齿轮的设计计算1、第一级斜齿圆柱齿轮确定齿轮的材料、精度等级。
按齿面接触强度进行初步设计计算。
按齿根弯曲强度进行校核计算。
确定齿轮的主要参数,如模数、齿数、螺旋角等。
2、第二级直齿圆柱齿轮同样按照上述步骤进行设计和校核计算。
七、轴的设计计算1、高速轴初步估算轴的直径。
进行轴的结构设计,确定轴上各段的长度和直径。
进行强度校核计算,包括弯扭合成强度和疲劳强度校核。
2、中间轴和低速轴重复上述步骤进行设计和校核。
八、轴承的选择与校核1、根据轴的受力情况,选择合适类型的轴承。
2、计算轴承的寿命,确保其满足使用要求。
九、键的选择与校核1、选择合适尺寸的键,用于连接轴与齿轮等零件。
2、对键进行强度校核。
十、箱体及附件的设计1、设计箱体的结构和尺寸,保证足够的强度和刚度。
2、选择合适的密封方式、通气器、油标等附件。
十一、装配图的绘制1、按照机械制图标准,绘制减速器的装配图。
2、清晰表达各零部件的装配关系和结构形状。
十二、零件图的绘制1、选取重要的零件,如齿轮、轴等,绘制零件图。
2、标注尺寸、公差、表面粗糙度等技术要求。
目录第一章设计目的及设计要求 (1)第二章装置运动动力参数计算 (2)第三章机器整体及各零件设计 (4)第四章三维造型实体建模 (22)第五章Adams仿真测试分析及再仿真 (27)设计心得 (36)参考文献 (37)第一章设计目的及设计要求1.1设计目的课程设计是机械设计课程的实践性教学环节,同时也是高等工科院校大多数专业学生第一次全面的设计能力训练。
目的是:(1)通过课程设计实践,树立正确的设计思想,增强创新意识,培养综合运用机械设计课程和其他先修课程的理论与实际知识去分析和解决机械设计问题的能力。
(2)通过制定设计方案,合理选择传动机构和零件类型,正确计算零件工作能力,确定尺寸和掌握机械零件,以较全面的考虑制造工艺,使用和维护要求,之后进行结构设计,达到了解和掌握机械零件,机械传动装置或简单机械的设计过程和方法。
1.2设计方案及要求据所给题目:设计一带式输送机的传动装置,方案如图1-1图1-1设计装置简图1—输送带2—电动机3—V带传动4—减速器5—联轴器第二章装置运动动力参数计算2.1传动装置总传动比和分配各级传动比1)传动装置总传动比 I ∑=8.337.28970==w d n n 2)分配到各级传动比取V 带的传动比01i 2.2=则I 齿5.1501==i i a分配减速器传动 比,参考机械设计指导书得高速级传动比0.7412=i ,低速级传动比为27.370.45.1523==i 2.2传动装置的运动和动力参数计算电动机轴:转速:n 0=970min /r ;输入功率:P 0=P d =6.0KW 输出转矩:T 0=9.5510⨯60n P d ⨯=9.55610⨯970.6⨯=5.9410⨯N mm ⋅ Ⅰ轴(高速轴)转速:n 1=min /440min /r 2.29700r i n ==带 输入功率:P 1=P KW P 76.596.00.610010=⨯=⨯=⨯ηη输入转矩T 1==⨯⨯1161055.9n P 9.55610⨯mm N ⋅⨯=⨯5103.144076.5 Ⅱ轴(中间轴)转速:n 2=min /6.937.4440121r i n ==输入功率:P 2=P 97.099.076.5321121⨯⨯=⨯=⨯⨯ηηηP =5.5KW输入转矩:T 2==⨯⨯2261055.9n P 9.55610⨯mm N ⋅⨯=⨯5106.56.935.5 Ⅲ轴(低速轴)转速:n 3=min /6.2827.36.93232r i n ==输入功率:P =3P 97.099.05.5322232⨯⨯=⨯=⨯⨯ηηηP =5.28KW 输入转矩:T 663363106.71.62828.51055.91055.9⨯=⨯⨯=⨯=n p N mm ⋅ 卷筒轴:转速:n m in /6.28n 3r ==卷输入功率:P 卷=P 342334ηηη⨯=⨯⨯P =5.2899.099.0⨯⨯=5.17KW 输入转矩:66446103.71.62817.51055.91055.9⨯=⨯⨯=⨯=n p T 卷 N m m ⋅ 各轴运动和动力参数如表 2-1轴 号功率 (KW )转矩(N mm ⋅) 转速(minr)电机轴 6 5.9410⨯ 970 1轴 5.76 1.3510⨯ 440 2轴 5.5 5.6510⨯93.6 3轴 5.28 1.76610⨯28.6 卷同轴5.171.73610⨯28.6表 2-1各轴运动和动力参数表第三章机器整体及各零件设计3.1齿轮设计3.11高速级齿轮设计1.选定齿轮类型,精度等级,材料及模数选用圆柱直齿轮传动,故用8级精度(GB10095—88)选择 小齿轮材料为45钢(调质)硬度为240HBS ,大齿轮的材料为 45钢(正火)硬度为200HBS ,Z 1=24,Z 2= 113; 2.按齿面接触疲劳强度设计 按公式: 2311)][(132.2H H d t t Z u u T K d σφ⋅±⋅⨯≥ (1)确定公式中各数值试选K t =1.3;选取齿宽系数d φ=1;计算小齿轮传递的 转矩,T 1=1.3510⨯N mm ⋅;查得材料的弹性影响系数Z E =189.8MP 21;按齿面硬度查的小齿轮的接触疲劳强 度极限1lim H σ=580MP ,大齿轮的接触疲劳强度极限 2lim H σ=560MP ;取接触疲劳寿命系数K 1HN =0.95,K 2HN =1.05。
课程设计说明书课程名称:机械设计课程设计课程代码:题目:二级斜齿圆柱齿轮减速器****:***学号: ************* 年级/专业/班: 13级机电2班学院(直属系) :机械工程学院****:**机械设计课程设计任务书学院名称:机械工程学院专业:机械电子工程年级:2013级学生姓名: 张伟荣学号: 3120130106205 指导教师: 杜强一、设计题目带式运输机的减速传动装置设计二、主要内容⑴决定传动装置的总体设计方案;⑵选择电动机,计算传动装置的运动和动力参数;⑶传动零件以及轴的设计计算;轴承、联接件、润滑密封和联轴器的选择及校验计算;⑷机体结构及其附件的设计;⑸绘制装配图及零件图;编写计算说明书并进行设计答辩。
三、具体要求⑴原始数据:运输带线速度v = 1.76 (m/s)运输带牵引力F = 2700 (N)驱动滚筒直径D = 470 (mm)⑵工作条件:①使用期5年,双班制工作,单向传动;②载荷有轻微振动;③运送煤、盐、砂、矿石等松散物品。
四、完成后应上交的材料⑴机械设计课程设计计算说明书;⑵减速器装配图一张;⑶轴类零件图一张;⑷齿轮零件图一张。
五、推荐参考资料⑴西华大学机械工程与自动化学院机械基础教学部编.机械设计课程设计指导书,2006⑵秦小屿.机械设计基础(第二版).成都:西南交大出版社,2012指导教师杜强签名日期 2015 年 6 月 25日系主任审核日期 2015 年 6 月 25 日目录一.传动方案的拟定………………………………………………………………………二.电动机的选择及传动装置的运动和动力参数计算…………………………………三.传动零件的设计计算……………………………………………………………四.轴的结构设计及强度计算……………………………………………………………五.滚动轴承的选择与寿命计算……………………………………………………………六.键的强度计算……………………………………………………………七.联轴器的选择……………………………………………………………八.减速器机体结构设计及附件设计……………………………………………………………总结…………………………………………………………………………………………参考文献……………………………………………………………………………………计算过程及计算说明一传动方案拟定(1)工作条件:使用年限5年,工作为二班工作制,单向运转,小批量生产,载荷平稳,环境清洁。
(2)原始数据:滚筒圆周力F=2.7kN;带速V=1.76m/s;滚筒直径D=470mm。
二电动机选择1、电动机类型的选择: Y系列三相异步电动机2、电动机功率选择:(1)计算传动装置的总效率ηa:ηa=η13η22η32=0.972×0.983×0.992=0.87η1为轴承的效率,η2为齿轮啮合传动的效率,η3为联轴器的效率。
(2)电机所需的工作功率:皮带速度v: η总=0.87P工作=5.46KWv=1.76m/s 工作机的功率p w:P w= F×V1000=2700×1.761000= 4.75 KW电动机所需工作功率为:P d= p wηa=4.750.87= 5.46 KW执行机构的曲柄转速为:n = 60×1000Vπ×D=60×1000×1.76π×470=71.52 r/min经查表按推荐的传动比合理范围,二级圆柱直齿轮减速器传动比i a=8~40,电动机转速的可选范围为n d = i a×n = (8~40)×72.24 = 577.9~2889.6r/min。
综合考虑电动机和传动装置的尺寸、重量、价格和减速器的传动比,选定型号为Y132M2-6的三相异步电动机,额定功率5.5KW,满载转速n m=960r/min,同步转速1000r/min。
传动装置总体设计图n =71.52r/min三确定传动装置的总传动比和分配传动比(1)总传动比:由选定的电动机满载转速n 和工作机主动轴转速n,可得传动装置总传动比为:i a=n m/n=960/71.52=13.42(2)分配传动装置传动比:取两级圆柱齿轮减速器高速级的传动比为:i12 = 1.3ia = 1.3×14.3 = 4.18则低速级的传动比为:i23 =iai12=14.34.31= 3.21四计算传动装置的运动和动力参数(1)各轴转速:n I = n m = 960 = 960 r/minn II = n I/i12 = 960/4.18 = 229.66r/minn III = n II/i23 = 229.66/3.21 = 71.55 r/min (2)各轴输入功率:P I = P d×η3 = 5.5.×0.99 = 5.445 KWP II = P I×η1⋅η2 = 5.445×0.98×0.97 = 5.176 KWP III = P II×η1⋅η2 = 5.176×0.98×0.97 = 4.92 KW 则各轴的输出功率:P I' = P I×0.98 = 5.336 KWP II' = P II×0.98 = 5.072 KW i12 =4.18i23 = 3.21n I=960n II= 229.66 n III = 71.55(r/min)P I= 5.445P II= 5.176P III= 4.92(KW)P I'= 5.336P II'= 5.072P III'P III' = P III×0.98= 4.822 KW (3)各轴转矩:电动机轴的输出转矩:T d = 9550×p dn m = 9550×5.46960=54.32 Nm所以各轴输入转矩为:T I = T d×η3 = 54.32×0.99 = 53.78 NmT II = T I×i12×η1⋅η2 = 53.78×4.18×0.98×0.97 = 213.67 NmT III = T II×i23×η1⋅η2 = 213.67×3.21×0.98×0.97 = 652.98 Nm输出转矩为:T I' = T I×0.98 = 52.70 NmT II' = T II×0.98 = 209.40 NmT III' = T III×0.98 = 639.92 Nm四齿轮的设计(一)高速级齿轮传动的设计计算1 齿轮材料、热处理及精度:考虑此减速器的功率及现场安装的限制,故选用二级展开式圆柱斜齿轮减速器。
材料:高速级小齿轮选用40Cr钢调质,齿面硬度为小齿轮:197-250HBS。
高速级大齿轮选用45号钢调质,齿面硬度为大齿轮:217-286HBS。
2 初步设计齿轮传动的主要尺寸,按齿面接触强度设计:= 4.822(KW)T d =54.32 NmT I = 53.78 Nm T II= 231.67 Nm T III= 652.98 NmT I'= 52.70 NmT II'= 209.40 Nm T III'= 639.92 Nmd1t ≥32K t T 1ψ d ε α×u ±1u ×⎝ ⎛⎭⎪⎫Z H Z E [σ H ]2确定各参数的值: 1) 试选K t = 1.1 2) T 1 = 9.55×610×96046.5=41043.5⨯ Nm 3) 选取齿宽系数ψd = 1.24) 查得材料的弹性影响系数Z E = 188MPa5) 节点区域系数Z H = 2.56) 查得小齿轮的接触疲劳强度极限:σHlim1 = 700 MPa ,大齿轮的接触疲劳强度极限:σHlim2 = 590 MPa 。
7) 计算应力循环次数:小齿轮应力循环次数:N 1 = 60nkt h = 60×960×1×5×300×2×8 = 1.38×109大齿轮应力循环次数:N 2 = 60nkt h = N 1/u = 1.38×109/4.15 = 3.23×1088) 查得接触疲劳寿命系数:K HN1 = 1,K HN2 = 19) 计算接触疲劳许用应力,取失效概率为1%,安全系数S=1.1,得:[σH ]1 = K HN1σHlim1S = 700/1.1 =636 MPa[σH ]2 = K HN2σHlim2S = 590/1.1 = 536 MPa许用接触应力:[σH ] = ([σH ]1+[σH ]2)/2 = (636+536)/2 = 586 MPa3 设计计算:T 1 =41043.5⨯Nm[σH ]= 586 MPa小齿轮的分度圆直径:d 1t :d1t ≥32K t T 1ψ d ×u ±1u ×⎝ ⎛⎭⎪⎫Z H Z E [σ H ]2= 32×1.1×5.46×100001×4.15+14.15×⎝ ⎛⎭⎪⎫2.5×1885862= 48.60 mm中心距:a = ⎝⎛⎭⎫1+i a d1t 2= ()1+4.15×48.602= 125 mm确定模数:取小齿齿数:Z 1 = 25,取β= 10 则:Z 2 = i 12×Z 1 = 4.15×25 = 103.75 取:Z 2 = 104 m n =2a cos10Z 1+Z 2= 2×125×cos1025+104=1.91 mm取为标准值:2 mm 。
计算齿轮参数: ==+n21m 2acos βZZ123.1 取21ZZ+=123 Z 1 = (Z 1+Z 2)1+i =23.88 即Z 1=24Z 2=123-24=99齿数比Z 1 /Z 2=99/24=4.125与i =4.18的要求相比,误差为0.9%,可用β =()a Z Z M n 2cos 211+-=12521232cos 1-+⨯ = 10.26 满足要求1t d =48.60mma = 125 mmZ 1=24Z 2=99小齿轮分度圆直径1d =βcos n 1ZM=48.78mm大齿轮分度圆直径 βcos d n 22ZM==201.2mm 齿轮宽度 b=ψd 1d = 1.2⨯ 58.53648.78=mm取小齿轮宽度 1b =65mm大齿轮宽度 2b =60mm4) 计算圆周速度v:v = πd 1n160×1000 = 3.14×99×96060×1000= 4.97 m/s选取齿轮精度等级为8级。