编制库存现金盘点表教学文稿
- 格式:doc
- 大小:33.00 KB
- 文档页数:3
库存现金盘点表实训一: 库存现金监盘测试资料:ABC会计师事务所2010年1月4日接受星海公司委托对其2009年度财务报表进行审计时,注册会计师小张于2010年1月6日对该公司的库存现金进行了监盘。
星海公司现金日记账见表1-1星海公司现金日记账库存现金日记账2010年凭凭证结算借方贷方借或贷余额证摘要种月日册号数类号期初余额借 34400 1 4 收1 提现金 130000 借 1 4 付1 发12月工资128000 借 1 4 付2 预借差旅费 2400 借 1 5 付3 报招待费 7000 借 1 5 付4 购买办公用品 5600 借 1 5 收2 处理电脑收入 23000 借 44000 其他情况如下:1. 现金实有数:100元250张;50元200张;20元300张;10元50张;5元100张。
2. 在保险柜内发现下列凭证,已经付款尚未填制凭证入账:(1) 零星收入2350元尚未入账;(2) 职工李强借款条一张,日期为1月4日,金额2400元,未经批准,也没说明用途(3) 待领工资2000元,单独包封(100元20张)(4) 银行核定库存现金限额为40000元。
(5) 该公司无外币,除库存现金盘点中发现的问题外,其他经审计无误。
要求:1(编制库存现金盘点表见下表:2(指出星海公司库存现金管理中存在的问题库存现金盘点表被审计单位: 星海公司索引号: 不填项目: 库存现金盘点财务报表截止日,期间:2009年12月31日编制: 小张复核: 不填日期: 2010年1月6日日期: 不填检查现金盘点记录实有现金盘点记录项外人民币美元外币项目人民币美元面值次币张金额张金额张金额上一日账面库存余额 44400 1000 盘点日未记账收入金额 2350 500元盘点日未记账支出金额 0 100元 250 25000盘点日账面应有金额 46750 50元 200 10000盘点日实有现金数额 42000 20元 300 6000 盘点日应有与实有差异 4750 10元 50 500白条抵库(张) 2400 5元 100 500短款 2350 2元差1元异原因分析合计 900 42000报表日至查账日现金付出总额 143000追报表日至查账日现金收入总额 153000溯报表日库存现金应有余额 36750 调情况说明及审计结论报表日账面汇率整报表日余额折合本位币金额审定数出纳员: 会计主管人员: 监盘人: 检查日期:1月6日审计说明:下面内容为赠送的工作总结范文,不需要的朋友下载后可以编辑删除!!!!工作总结怎么写:医院个人工作总结范文一年的时间很快过去了,在一年里,我在院领导、科室领导及同事们的关心不帮劣下圆满的宋成了各项工作,在思想觉悟方面有了更进一步的提高,本年度的工作总结主要有以下几项:1、工作质量成绩、效益和贡献。
如何盘点库存现金我们如何进行的现金盘点VS 现金盘点流程?一、由出纳员初点,分币种面值列示盘点金额。
然后由审计人员复点。
如果双方清点结果不相符,则可由参加盘点的主管会计人员重新盘点,直至清点数额一致为止。
想一下,在此过程中我们还应注意什么?盘点时应注意,除盘点库存现金外,还要看是否有票据、证券、充抵库存现金的借条、白条等,如有则应在“库存现金盘点表”中注明,并作出必要的调整。
二、确定清点日库存现金实存数。
根据盘点结果,由审计人员填制“库存现金盘点表”,计算库存现金实存数,并由参加盘点的人员签字,作为审计工作底稿。
想一下,在此过程中我们又该注意什么?在根据盘点结果,计算库存现金实存数时应注意:盘点时如有已经收付但尚未入账的收付凭证,应在盘点结果的基础上进行调整,以计算清点日库存现金实存数,即在盘点结果的基础上,加上已付款而尚未记账的金额,减去已收款而尚未记账的金额,其结果即为清点日库存现金实存数。
三、将清点日库存现金实存数与现金日记账余额进行核对,如有差异,应查明原因,并作出记录或适当调整;四、审阅现金日记账,并与现金收付凭证相核对。
一方面检查日记账的记录与凭证的内容和金额是否相符,并着重检查凭证有无刮、擦、勾、抹、涂等现象;另一方面了解凭证日期和日记账记账日期是否相符或接近。
由出纳员根据现金日记账加总借、贷方累计数额,计算出清点日现金账面结余额。
想一下,在此过程中我们还应注意什么?对未能在资产负债表日(一般为结账日)进行盘点的,则需在审计日期(清点日)确定现金盘点余额,然后倒推计算、调整至资产负债表日的金额。
即在清点日库存现金实存数的基础上,加上资产负债表日至清点日现金支出数额,减去资产负债表日至清点日现金收入数额,以确定资产负债表日的库存现金实有数;将其与账面数(包括资产负债表日现金日记账和会计“现金”总账上的余额)进行核对,如有差异,应查明原因,并作出记录或适当调整。
五、盘点结束后,应如何给出处理意见??盘点结束后,审计人员应对盘点中出现的问题进一步审查,分析库存现金盘盈或盘亏的原因,并根据有关规定提出处理意见:①对超限额保管的现金,应建议及时送存银行;②对出现的长、短款问题,应查明原因和责任,决不能因为是长款而放松审查;③对尚未入账的符合财务制度规定的收、付凭证,应按规定及时入账,以保证会计信息的真实准确;④对不符合财务制度规定的借条,应要求追回款项。
库存现金盘点表库存现金盘点表实训一:库存现金监盘测试资料:ABC会计师事务所201X年1月4日接受星海公司委托对其201X年度财务报表进行审计时,注册会计师小张于201X年1月6日对该公司的库存现金进行了监盘。
星海公司现金日记账见表1-11. 现金实有数:100元250张;50元200张;20元300张;10元50张;5元100张。
2. 在保险柜内发现下列凭证,已经付款尚未填制凭证入账:(1)零星收入2350元尚未入账;库存现金盘点表。
(2)职工李强借款条一张,日期为1月4日,金额2400元,未经批准,也没说明用(1)账实不符。
现金短款1300元,应查明原因并作相应的账务处理。
(2)未做到日清月结。
已付款凭证没有及时入账。
(3)白条抵库。
手续不完备,应立即催促归还或作“其他应收款”入账处理。
督促该单位财务人员加强有关现金管理规章制度的学习,增强遵纪守法的自觉性。
盘点库存现金是证实资产负债表中所列现金是否存在的一项重要程序。
盘点库存现金通常包括对已收到但未存入银行的现金、零用金、找换金等所进行的盘点。
在什么时间盘点,有哪些人员参与盘点,应视被审计单位的具体情况而定,但必须有出纳员和被审计单位会计主管人员参加,并由注册会计师进行盘点。
①制定库存现金盘点程序,采取突击方式进行检查以防被审计单位移东补西。
②审阅现金日记账并同时与现金收付凭证相核对。
库存现金盘点表。
③由出纳员将已办妥现金收付手续的收付款凭证登入现金日记账,并结出现金结余额。
④盘点保险柜的现金实存数,同时编制“库存现金盘点表”(格式参见下图),分币种、面值列示盘点金额。
⑤盘点金额与现金日记账余额进行核对,如有差异,应查明原因,并作出记录或适当调整。
库存现金盘点的技巧1、库存现金盘点应在事先不通知被审计单位相关人员的情况下突击进行。
避免由于被审计单位相关人员了解到审计人员将要实施库存现金盘点,而早有防备,致使现金盘点达不到预期效果。
2、实施盘点最佳时间应选择在营业前(上午上班)或营业终了(下午下班)后,这样既可避免打扰被审计单位正常的经营业务,又可防止被审计单位对盘点出的问题有这样或那样的解释,影响现金盘点预期效果。
Excel应用范例:“库存现金盘点表”的制作Excel应用范例:“库存现金盘点表”的制作“库存现金盘点表”是财会管理工作中经常用到的表格,表格并不复杂,本文旨在介绍Excel像素表格尺的使用。
一、准备工作(1)打印一张Excel像素表格尺;(2)要编制的表样,如图1所示的“库存现金盘点表”。
图1 库存现金盘点表二、表格格式设置步骤1:启动Excel 2007,选择[开始]|[所有程序]||Micro soft Office命令,启动Excel 2007时自动新建一个名称为Bo ok1的空白工作簿。
步骤2:将“Book1”另存为“库存现金盘点表”①单击Excel2007窗口左上角的“Office按钮”,打开下拉菜单。
②移动鼠标到单击“另存为”命令上,打开“另存为”对话框。
③在“另存为”对话框中设置保存类型、保存位置、文件名(库存现金盘点表)等参数。
④单击“保存”按钮,即可将当前工作簿保存为一个文件名为“库存现金盘点表”的工作簿。
在表格编辑过程中,经常单击Excel工作簿界面左上方的“快速访问工具栏”中的“保存”按钮。
步骤3:设置行高、列宽用Excel像素表格尺测量,“票面额”、“张数”列宽为8 1像素,“金额”列宽为162像素,行高为40像素。
①设置全表行高。
单击工作区左上角的“全选”按钮,选取整个工作表中的单元格,如图2所示。
图2 “全选”按钮将鼠标移动到1行(其他行也可以)的行标题下边框上,定位正确后鼠标指针光标变为一个黑色垂直双箭头,按住鼠标左键,1行两端出现虚线,光标上面显示行高数值,向上(或下)移动鼠标,当行高数值为40像素数时,放开鼠标,全表的行高全部调整为40像素。
图3 调整行高单击A1单元格,取消全选状态。
②设置列宽。
将鼠标指针移至A列列标题右边框上,定位正确后鼠标指针光标变为一个黑色水平双箭头,按住鼠标左键,A列两端出现虚线,光标上面显示列宽数值,向左(或右)移动鼠标,当列宽数值为81像素数时,放开鼠标,A列宽就设置成81像素,如图4所示。
库存现金盘点表
实训一:库存现金监盘测试
资料:ABC会计师事务所2010年1月4日接受星海公司委托对其2009年度财务报表进行审计时,注册会计师小张于2010年1月6日对该公司的库存现金进行了监盘。
星海公司现金日记账见表1-1
星海公司现金日记账
库存现金日记账
其他情况如下:
1.现金实有数:100元250张;50元200张;20元300张;10元50张;5元100张。
2.在保险柜内发现下列凭证,已经付款尚未填制凭证入账:
(1)零星收入2350元尚未入账;
(2)职工李强借款条一张,日期为1月4日,金额2400元,未经批准,也没说明用途
(3)银行核定库存现金限额为40000元。
(4)该公司无外币,除库存现金盘点中发现的问题外,其他经审计无误。
要求:
1.编制库存现金盘点表见下表:
2.指出星海公司库存现金管理中存在的问题
库存现金盘点表
年12月31
编制:小张复核:不填日期:2010年1月6日日期:
不填
月6日审计说明:。
现金盘点表
第一篇:现金盘点表的基本概念及作用
现金是企业日常运营中最常使用的支付方式之一,但对于企业来说,现金的管理和流动是一个复杂而又关键的问题。
为了保证企业现金资产的安全,以及财务账目的准确性,企业需要对现金进行定期盘点。
对于企业来说,现金盘点表是一个非常重要的财务工具。
现金盘点表是指企业对现金账面余额和实际现金数量进行比对,以确定差异的情况并进行核对的报表。
这个表格一般是由企业的财务人员进行填写的,包括账面余额、实际数量、差异原因、记账依据、盘点人员等信息。
现金盘点表不仅可以发现现金账目上的错误,还可以防范现金的丢失和盗窃。
企业进行现金盘点的主要目的是确保财务账目的准确性。
在盘点过程中,财务人员需要对现金的收支情况进行核对,检查账面余额和实际现金数量是否相符。
如果存在差异,就需要找到导致差异的原因,以便及时纠正。
除此之外,现金盘点还可以及时发现现金的丢失或盗窃等问题,以保障企业的资产安全。
另外,现金盘点有助于规范企业的财务管理流程。
企业应该建立一个完善的现金管理制度,规定现金的收支标准、管理流程和责任制等,加强对现金的监控和管理。
现金盘点表可以帮助企业严格执行现金管理制度,推进现金管理的规范化和科学化。
因此,现金盘点表对于企业的财务管理具有非常重要的
意义。
通过现金盘点,企业可以实时掌握财务账目的情况,防范现金的丢失和盗窃,规范企业的财务管理流程,确保金融安全。
实务系列课程——现金业务(五)(四)编制现金盘点表【提示】此表为自行设计,供内部使用,可根据企业自身特点加减变动。
做成的Excel 表格可根据逻辑关系设定格式,使用起来极为简便。
(五)编制现金报告【提示】此表为自行设计,供内部使用,可根据企业自身特点加减变动,或直接按单位指定模式进行报告。
做成的Excel表格可根据逻辑关系设定格式,使用起来极为简便。
三、现金的日常管理细则中国证监会宁夏证监局查处了美利纸业利用银行承兑汇票违规套取银行资金的行为,并向公司发出了限期整改通知书。
除了虚开承兑汇票套取银行资金外,美利纸业还存在现金管理不规范,现金交易异常的情况。
具体表现为违反现金管理规定,与单位之间经常发生大额现金往来;有大量的现金收入,且存在坐支现金的现象;现金账日余额部分出现赤字,部分数额巨大,显示异常。
在巡检中,还发现美利纸业重大资产入账手续不完备。
2005年1月,公司收到集团公司转入的林纸一体化项目贷款及因此形成的林纸一体化项目资产1.13亿元,入账的依据只有集团公司的转账说明,没有明细清单,也没有验收及交接记录,未能确保转入资产的真实存在以及相关人员的责任。
(一)库存现金限额管理库存现金限额是指国家规定由开户银行给各单位核定一个保留现金的最高额度。
核定单位库存限额的原则是,既要保证日常零星现金支付的合理需要,又要尽量减少现金的使用。
开户单位由于经济业务发展需要增加或减少库存现金限额,应按必要手续向开户银行提出申请。
凡在银行开户的单位,银行根据实际需要核定3-5天的日常零星开支数额作为该单位的库存现金限额。
边远地区和交通不便地区的开户单位,其库存现金限额的核定天数可以适当放宽在5天以上,但最多不得超过15天的日常零星开支的需要量。
库存现金限额每年核定一次,经核定的库存现金限额,开户单位必须严格遵守。
每日现金的结存数不得超过核定的限额。
如库存现金不足限额时,可向银行提取现金,不得坐支现金。
目前这个规定执行的不是很好,特别是私企。
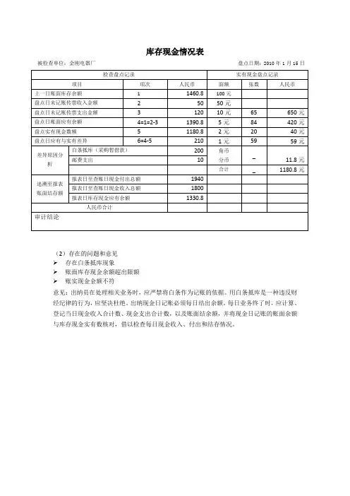
编制库存现金盘点表
答:
编制库存现金盘点表
该单位在库存现金管理上存在的问题有:
1、现金管理不合理。
出纳人员对手续不完备的凭证都先付款,不符合现金管理办法。
建议加强企业现金管理制度,加强对出纳人员的监督,以杜绝再出现类似的情况;
2、现金帐处理务不及时。
出纳人员没有及时登记现金收支明细帐。
导致突查时,尚有多张已付的凭证尚未进行帐务处理。
建议应督促财务人员实行“日清日结”的帐务习惯,及时将现金收支帐务登记清楚;
3、现金帐与实际盘点的金额不一致。
出纳现金帐目混乱,现金余额与实际盘点不相等。
为确保现金“帐实相符”,应加强对出纳人员的管理,并对其所做帐务
进行清查,以追查现金帐实不符的原因。
若有违法行为,则需按规定追究责任。
审计意见:白条抵现应予以纠正,不予以报销。