船舶吃水差
- 格式:pdf
- 大小:1.17 MB
- 文档页数:15
第五章船舶吃水差第一节运营船舶对吃水差及吃水的要求(一)船舶吃水差及吃水对航行性能的影响对船舶的操纵性、快速性、耐波性、稳性、强度及过浅滩能力都有影响。
(1)首倾过大空载时,往往尾吃水过小,影响螺旋桨推进效率和舵效;满载时,首部甲板容易上浪使船舶耐波性下降。
(2)尾倾过大空载时,船首了望盲区增大,船首底板易遭受海浪猛烈拍击,使船舶耐波性下降,损害船体结构;满载时,使转船作用点后移,影响舵效。
(二)航行船舶对吃水差的要求根据经验,万吨轮适宜吃水差为:满载时t=-0.3m~-0.5m半载时t=-0.6m~-0.8m轻载时t=-0.9m~-1.9m(三)空载航行船对吃水及吃水差的要求尾机型船在空载时因机舱较重而尾倾严重,平均吃水过小,会严重影响船舶航行安全。
因此,IMO和各国都对空载吃水和吃水差有明确的要求。
主要有:1.空载吃水差:|t |<2.5%L,使纵倾角φ< 1.5°;2.尾吃水:要求达到螺旋桨沉深直径比h/D >0.8 ~0.9;3.平均吃水:一般要求d> 50% 夏季满载吃水;m> 55% 夏季满载吃水;4.冬季航行要求dm5.最小平均吃水d≥ 0.02L + 2 (m)m6.首吃水: L ≤150 m,d≥ 0.025L (m)FL >150 m,d≥ 0.012L + 2 (m)F第二节 船舶吃水差及首尾吃水的计算(一)吃水差产生的原因船舶装载后重心的纵向位置与正浮时浮心的纵向位置不共垂线。
(二) 吃水差计算原理1.计算条件一般来说,船舶纵倾角都在小倾角(10 ~15°)范围内,因此,仅仅从静纵倾力矩角度来考察船舶纵向浮态和计算吃水差就完全可以满足实际需要。
作用在船体上的静纵倾力矩仅限于船舶装卸载荷或纵向移动载荷所产生的。
2.厘米纵倾力矩MTC船舶吃水差t 与作用在船体上的纵倾力矩M T 成正比,如果纵倾力矩为零,就没有吃水差。
为便于计算吃水差,船舶设计部门给出了船体在各排水量下吃水差每变化1厘米所对应的纵倾力矩值,称为厘米纵倾力矩,用MTC 表示,其单位为t.m /cm 。
船舶吃水差的调节船舶吃水差是指船舶在一定载态下首尾吃水的差值,通常是首吃水减去尾吃水,如大连海事大学出版的《船舶货运》就是这么定义的。
吃水差为正值时,首吃水大于尾吃水,船舶首倾;吃水差为负值时,尾吃水大于首吃水,船舶尾倾;吃水差为零时,首尾吃水相等,称为平吃水。
但美国船级社(ABS)认证的有些船舶装载手册是用尾吃水减去首吃水。
吃水差的大小不但影响船舶港口使费和进出吃水受限水域,如运河的港内,而且还会直接影响到船舶性能,如操纵性、快速性、耐波性等。
若船舶尾倾过大:1.操纵性能将会降低,易偏离航向,旋回性降低。
因为船首湿水面积减小,旋回时船首受到的水压力反作用力减小,因此旋回初经增大。
根据实践证明,尾吃水每增加1%船长,旋回初径将增加10%。
2. 大风浪天气中,由于尾部干舷减小,易造成船尾上浪,船首出现严重的拍底现象,损伤船体构造。
3.大型船舶,满载时驾驶台盲区200米以上,空栽达700米左右,集装箱船还要大。
若再严重尾倾,不利于驾驶台了望,影响船舶安全航行换而言之,若船舶首倾过大:1.水阻力增大,降低船速。
2.首吃水过大,舵页漏出水面,舵效降低,不易于船舶转向还会发生空摆现象。
3.首部干舷减小,易造成甲板上浪。
4.螺旋桨易漏出水面,飞车现象出现,空泡加大,影响主机和桨叶寿命。
所以根据船舶经验和实践,对船舶吃水差有适当的要求。
一般吨位船舶应保持适度尾倾。
有利于船舶运动流线型,发动机效率和舵效;大吨位船舶应平吃水进出港;少数高速船不要求尾倾。
因此当船舶吃水不符合要求时,吃水差的调整在装卸货及航行过程中十分必要。
大连海事大学出版的《船舶货运》大专院校统编教材中讲述了两种方法:纵向移动载荷、少量加载或减载。
此两种方法较为常见,在船舶实践中十分实用。
但在实践中,也有一些问题无法解决。
(一)纵向移动载荷方案,根据预定的吃水差和当前吃水差的差值求出吃水差的改变量。
然后根据下面的公式可求出已知重量货物的移动距离或者已知移动距离的货重:P=100δt * MTC / Lδt :吃水差的改变量,要求的吃水差与实际吃水差的差值。
船舶吃水差对船舶能耗的影响吃水差作为表征船舶状态一项重要指标,在船舶营运中起着不可忽视的作用。
在不同的载货状态下,吃水差对船舶各项性能影响也不同。
船舶吃水差是指船舶艏艉吃水的差额。
当艏吃水大于艉吃水时专业上称为艏倾。
反之为艉倾。
艏艉一样时称为平吃水。
吃水差主要影响船舶的操纵性、快速性和耐波性,进而影响船舶的安全。
当船舶出现艏倾时,船舶回旋半径减少,舵效、航向稳定性变差,船速下降,航行遇到风浪时船艏易上浪从而造成甲板建筑、设备的浪损。
艉倾时舵效、航向稳定性、航速都有所提高,因此船舶出海航行时吃水差要求在30至50厘米之间。
平吃水一般都是船舶过浅时调整出来的。
下面通过船舶的三种状态进行分析。
一、船舶空载(一)艏倾船艉舵叶和推进器入水过浅,舵效降低,船艏受阻力增加,操纵性能差,增加船舶能耗。
(二)平吃水空载船舶整体吃水小,舵叶和推进器入水浅,致使船身受风面积增大,船舶航行阻力增加,船舶操纵性和快速性差,增加船舶能耗。
(三)艉倾船艉吃水较大,船艏上翘,受风面积增大,尤其在船舶受横风时,船艏受风影响较大,会抵消船舶的舵效,船舶“艉找风”现象明显,即船舶操纵性不佳,并且过大时会增加船艏盲区。
总之,船舶空载时船舶操纵性差,航行阻力大,快速性也不佳,甚至耐波性也下降,增加船舶能耗。
(四)船舶空载吃水差调整策略1.当船长≤150m,船艏吃水≥0.025 L(船长),平均吃水≥0.02L(船长)+2m。
2.当船长>150m,船艏吃水≥0.012 L(船长)+2m,平均吃水≥0.02L(船长)+2m。
但是,在船舶运营时不能精确界定,所以在实际操作中会采用对船舶进行适当的压载的方法,让船舶拥有适当的吃水,保证船舵和推进器有足够的入水深度,从而保证船舶操纵性、快速性和耐波性,进而减少船舶能耗。
二、船舶轻载或半载当船舶轻载或半载时,由于船舶吃水比空载大的多,此时船舶的各项性能都有了明显提高,但吃水差对船舶的某些性能仍然会有比较显著的特点。
第一节 航行船舶对吃水差及吃水的要求吃水差的概念: 1.吃水差的定义船舶吃水差是指首吃水与尾吃水的差值,用符号t 表示。
当船舶首吃水大于尾吃水时,t 为正值,称为首吃水差,相应纵向浮态称作首倾;当船舶首吃水小于尾吃水时,t 为负值,称为尾吃水差,该纵向浮态称作尾倾;当船舶首吃水和尾吃水相同时,t 为零值,相应纵向浮态称作平吃水。
2.吃水差产生的原因若装载后重心纵向位置与正浮状态的浮心纵向位置不在同一垂线上,则船舶将产生一纵倾力矩,迫使船舶纵倾。
随着船舶纵倾,水线下排水体积的形状发生变化,浮心也随之移动。
当船倾斜至某一水线时,重心与纵倾后的浮心重新在与新水线垂直的垂线上,则船舶达到平衡,此时船舶首、尾吃水不相同,从而产生吃水差。
吃水差对船舶性能的影响:船舶吃水差及吃水对操纵性、快速性、适航性与抗风浪性能都会产生一定的影响。
尾倾过大,船舶操纵性变差,航速降低,船首部底板易受波浪拍击而导致损坏,驾驶台瞭望盲区增大;首倾时使螺旋桨和舵叶的人水深度减小,航速降低,航向稳定性变差,首部甲板容易上浪,而且船舶在风浪中纵摇和垂荡时,使螺旋桨和舵叶易露出水面,造成飞车。
船舶在某些情况下空载航行,此时吃水过小,更影响螺旋桨和舵叶的入水深度,使船舶操纵性和快速性降低。
另外,因受风面积增大,也使船舶稳性变差、航速减小。
营运船舶对吃水差的要求:船舶在航行中为保证其航海性能,应使船舶适度尾倾。
船舶开航前,尾吃水差适宜值与船舶大小、装载状况、航速等因素有关。
实践经验表明,万吨级货船适度吃水差为:满载时-0.3~-0.5m ;半载时-0.6~-0.8m ;轻载时-0.9~-1.9m 。
各船具体情况不同,驾驶人员应根据本船实际状况确定适当尾吃水差值。
船舶不同装载状况下若航速一定,存在一纵倾状态使船舶航行阻力最小,因而所耗主机功率也最小,从而节省了燃料,该纵倾状态称为最佳纵倾。
空载航行船舶对吃水差及吃水的要求:船舶在空载时,为了节约能源总力图减少压载重量,但考虑到船舶过小吃水及不适当的吃水差会给船舶安全航行带来不利影响,因此应使压载后的船舶纵向浮态满足一定要求。
第一节船舶吃水差的概念与基本计算一、吃水差概述1. 吃水差(trim)概念当t = 0时,称为平吃水(Even keel);t = d F-d A当t > 0时,称为首倾(Trim by head);当t < 0时,称为尾倾(Trim by stern)。
2. 吃水差对船舶航海性能的影响快速性操纵性耐波性等首倾时轻载时螺旋桨沉深比下降,影响推进效率。
轻载时舵叶可能露出水面,影响舵效。
满载时船首容易上浪。
过大尾倾时轻载时球鼻首露出水面过多,船舶阻力增大。
水下转船动力点后移,回转性变差。
轻载时船首盲区增大,船首易遭海浪拍击。
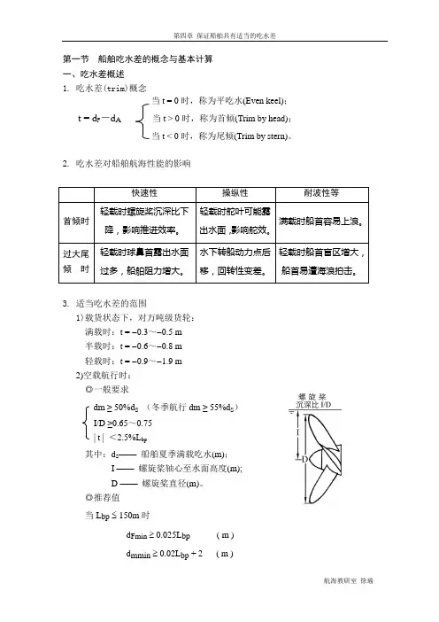
3. 适当吃水差的范围1)载货状态下,对万吨级货轮:满载时:t = -0.3~-0.5 m半载时:t = -0.6~-0.8 m轻载时:t = -0.9~-1.9 m2)空载航行时:◎一般要求dm ≥ 50%d s(冬季航行dm ≥ 55%d s)I/D ≥0.65~0.75| t | <2.5%L bp其中:d s——船舶夏季满载吃水(m);I ——螺旋桨轴心至水面高度(m);D ——螺旋桨直径(m)。
◎推荐值当L bp≤ 150m时d Fmin≥ 0.025L bp( m )d mmin ≥ 0.02L bp + 2 ( m )当L bp > 150m 时d Fmin ≥ 0.012L bp + 2 ( m ) d mmin ≥ 0.02L bp + 2 ( m ) 二、吃水差产生的原因1. 纵向上,船舶装载后总重心与正浮时的浮心不共垂线,即g b x x ≠2. g x 的求法 合力矩定理 ()i i g P x x ∑⋅=∆三、吃水差的基本计算 1. 纵向小倾角静稳性理论证明,船舶在小角度纵倾时,其纵倾轴为过初始水线面漂心的横轴,在排水量一定时,纵倾前后相临两浮力作用线的交点L M 为定点,L M 称为纵稳心。
sin tan RL L L L BPt M GM GM GM L ϕϕ=∆⋅⋅≈∆⋅⋅=∆⋅⋅2. 每厘米纵倾力矩MTC :吃水差改变1cm 所需要的纵倾力矩,可由资料查得。
5.1 对船舶吃水差的要求一.吃水差对船舶的影响1.吃水差船舶首、尾吃水的差值称为吃水差t,即:t = d F —d A 。
国外有的定义为:t = d A -d F 。
2.吃水差与纵向浮态(1) t = 0,表示首吃水等于尾吃水,称为平吃水。
(2) t > 0,表示首吃水大于尾吃水,称为首倾。
(3) t < 0,表示首吃水小于尾吃水,称为尾倾。
3.吃水差的重要性吃水差对船舶的操纵性、快速性、耐波性、稳性、强度及过浅滩能力都有影响。
(1)首倾过大空载时,往往尾吃水过小,影响螺旋桨推进效率和舵效;满载时,首部甲板容易上浪使船舶耐波性下降。
(2)尾倾过大空载时,船首了望盲区增大,船首底板易遭受海浪猛烈拍击,使船舶耐波性下降,损害船体结构;满载时,使转船作用点后移,影响舵效。
二.对船舶吃水差及空载吃水的要求目前,对船舶吃水差还没有强制性要求,各船舶根据具体航次的具体情况确定适当的吃水差,有一些经实践证明是比较合适的吃水差经验值可供参考。
但对空载吃水和吃水差有明确的要求。
1.吃水差要求经验证明,万吨级海船较佳的吃水差为适当尾倾:满载:t = —0. 3 ~ —0. 5 m半载:t = —0. 6 ~ —0.8 m轻载:t = —0. 3 ~ —0.5 m2 .空载吃水和吃水差要求尾机型船在空载时因机舱较重而尾倾严重,平均吃水过小,会严重影响船舶航行安全。
因此,IMO和各国都对空载吃水和吃水差有明确的要求。
主要有:空载吃水差:|t | V 2. 5%L,使纵倾角©V 1.5 ° ;尾吃水:要求达到螺旋桨沉深直径比h/D > 0.8〜0.9 ;(教材小) 平均吃水:一般要求d m> 50%夏季满载吃水;冬季航行要求d m > 55% 夏季满载吃水;最小平均吃水d m > 0.02L + 2(mAE AD BCCE FD BF即上—d F - dm _____ dm - d AL L/2-X f L/2 X f首吃水:L < 150 m, d F > 0.025L(m )L > 150 m, d F > 0.012L + 2 (m )5.2吃水差与首尾吃水的计算和调整一•吃水差的计算原理1 •计算条件一般来说,船舶纵倾角都在小倾角(10 ~15°)范围内,因此,仅仅从静纵 倾力矩角度来考察船舶纵向浮态和计算吃水差就完全可以满足实际需要。
对船舶吃水和吃水差的要求一、装载情况下除有其他特殊要求外一般应:1、满载:尾倾0.3~0.5m2、半载:尾倾0.6~0.8m3、轻载:尾倾0.9~1.9m但已经证实有的船舶在重载情况下航速最快是在首倾0.3~0.5m左右二、空载航行时的吃水要求1、LBP≤150m:d Fmin≥0.025 LBP (我国为d Fmin≥0.027 LBP)d Mmin≥0.02 LBP+22、LBP>150m:d Fmin≥0.012 LBP +2d Mmin≥0.02 LBP+2三、空载航行时的吃水差要求吃水差t与船长LBP的比值t/LBP<2.5%, 倾角小于1°.5,但沉深比h/D>50%~60%,因为h/D<40%~50%时,螺旋浆效率明显下降;h-浆轴到水面的距离,D-螺旋浆直径。
四、油轮的要求:DW≥2万吨的原油轮和DW≥3万吨的新成品油轮应设有专用压载舱,使船舶吃水和吃水差符合下列要求:1、d M≥2+0.02 LBP2、尾吃水差t≤0.15LBP 即1.5%LBP3、尾吃水不得小于全部浸没螺旋浆的吃水值五、船舶进坞前船舶吃水差t应小于1%的船长,并且使船舶正浮六、吃水差与吃水的计算:1、吃水差:1) 大量装卸货物时吃水差t 的计算:t =D(X g -X b )/(100CTM);(米) XgX b D -排水量; CTM -厘米纵倾力矩2) 小量装卸货物时吃水差∆t 的计算:∆t =P(X g -X f )/(100CTM); (米)∆t -为装卸货物P 时的吃水差的变化量;X f -为漂心距离船中的距离,其值的正负号与Xg 和Xb 的取法相同。
2、 吃水:1) 粗略计算:设漂心在船中,即Xf =0T F =T M +t/2 ; T A =T M +t/2装卸货物产生的平均吃水T 的增减值∆T =P/(100TPC) (米);装货时P 取“+”,卸货时P 取“-”;TPC -厘米吃水吨数。