基础接地技术交底
- 格式:docx
- 大小:15.71 KB
- 文档页数:2
工程名称西江特大桥施工单位中铁二十五局交底项目桩基础综合接地技术交底作业队伍桩基础作业队交底内容:一、交底目的明确桥梁工程桩基综合接地施工作业的工艺流程、操作要点和相应的工艺标准,指导、规范综合接地作业施工。
二、适用范围适用于西江特大桥(DK8+519.265~DK12+929.705)0#-149#桩基础综合接地施工。
三、综合接地(1)桩基综合接地桩基综合接地钢筋采用桩身钢筋(半笼部分采用固定声测管钢筋),直径不小于16mm,每棵桩的桩身钢筋(兼作接地钢筋)采用单面搭接焊,焊缝长度单面焊不小于10d,双面焊不小于5d,焊缝厚度不小于4mm。
接地钢筋应采用红油漆进行标记。
(2)承台综合接地承台底层钢筋可兼作接地钢筋,做为接地钢筋的承台钢筋,必须采用搭接焊接,焊缝砼桩基接地钢筋。
每根作为接地钢筋的承台钢筋必须相通,承台钢筋必须与桩基钢筋相连通,墩身接地钢筋必须与承台钢筋相连通,均采用L型钢筋连接。
工程名称西江特大桥施工单位中铁二十五局交底项目桩基础综合接地技术交底作业队伍桩基础作业队桩基钢筋(兼作接地钢筋)与承台底层钢筋(兼作接地钢筋)连接另加2根钢筋,每根长0.5m,直径16mm螺纹钢,单面焊焊缝为10d,双面焊5d。
见下图:承台底层钢筋(兼作接地钢筋)与综合接地钢筋连接采用焊接,综合接地钢筋打90度弯,弯钩长度55cm,另加1根长0.5m,直径16mm螺纹钢,单面焊焊缝为10d,双面焊5d。
见下图:承台综合接地钢筋与墩身综合接地钢筋相连,弯钩90度,单面焊焊缝为10d,工程名称西江特大桥施工单位中铁二十五局交底项目桩基础综合接地技术交底作业队伍桩基础作业队双面焊5d。
见下图:(3)墩身综合接地每个墩埋设2根综合接地钢筋,从承台底层至墩顶顶帽。
横桥向间距2m布置,纵向距墩顶(托盘底)外边缘不小于10cm,接地端子在墩顶相应埋设2个,接地端子设置在桥墩大里程侧。
接地端子原则上应与墩顶混凝土面齐平,施工过程中可将接地端子高出砼面1-2cm。
一、交底目的为确保箱变基础接地工程的安全施工,预防事故发生,保障施工人员生命财产安全,特进行安全技术交底。
二、工程概况1. 工程名称:[填写工程名称]2. 施工单位:[填写施工单位名称]3. 建设单位:[填写建设单位名称]4. 设备名称:[填写箱变基础接地设备名称]5. 作业内容:[填写具体作业内容]6. 施工期限:[填写施工期限]三、安全技术措施1. 施工人员安全培训- 所有参与施工人员必须接受安全培训,了解箱变基础接地施工的安全技术要求。
- 熟悉操作规程、安全操作规范和应急处置措施。
2. 现场安全防护- 施工现场设置明显的安全警示标志,明确安全通道。
- 进入施工现场必须佩戴安全帽,穿着符合要求的工作服、工作鞋。
- 高处作业时,必须系好安全带,佩戴安全帽。
3. 接地材料与设备- 使用符合国家标准的接地材料和设备。
- 接地材料应进行外观检查,确保无破损、腐蚀等现象。
- 接地电阻应符合设计要求。
4. 施工操作- 施工前,对施工人员进行详细的技术交底,明确施工步骤、注意事项。
- 施工过程中,严格按照操作规程进行作业,确保施工质量。
- 发现异常情况,立即停止施工,报告相关部门。
5. 防雷保护- 施工现场和临时生活区的高度在20m及以上的设施,均应装设防雷保护。
- 高压架空线路及变压器高压侧应装设避雷器或放电间隙。
6. 接地电阻测试- 施工完成后,对接地电阻进行实测,确保接地电阻符合设计要求。
四、应急处置1. 人员受伤- 立即停止施工,对受伤人员进行急救,并拨打120急救电话。
- 同时,报告相关部门,采取相应措施。
2. 设备故障- 立即停止施工,切断电源,确保安全。
- 报告相关部门,采取相应措施。
3. 其他事故- 立即停止施工,报告相关部门,采取相应措施。
五、交底记录1. 交底部门:[填写交底部门名称]2. 交底人:[填写交底人姓名]3. 交底对象:[填写交底对象姓名]4. 交底日期:[填写交底日期]5. 交底内容:[填写交底内容]六、注意事项1. 施工人员必须严格遵守安全技术措施,确保施工安全。
一、交底目的为确保箱变基础接地工程的安全施工,防止安全事故的发生,提高施工人员的安全意识和操作技能,特进行本次安全技术交底。
二、工程概况1. 工程名称:[项目名称]2. 施工单位:[施工单位名称]3. 建设单位:[建设单位名称]4. 设备名称:[箱变名称]5. 作业内容:箱变基础接地施工6. 施工期限:[开始日期]至[结束日期]三、安全注意事项1. 人员要求- 施工人员必须经过专业培训,取得相关操作资格证书。
- 作业人员进入施工现场必须戴合格的安全帽,系好下颚带,锁紧带扣。
- 严禁酒后作业、疲劳作业。
2. 现场安全- 施工现场应设置明显的安全警示标志,提醒施工人员注意安全。
- 施工现场严禁吸烟、使用明火。
- 施工现场应保持整洁,通道畅通,不得堆放杂物。
3. 操作规范- 接地线应选用符合国家标准、质量合格的专用接地线。
- 接地线连接应牢固可靠,确保接地效果。
- 施工过程中应严格按照设计要求和技术规范进行操作。
4. 个人防护- 施工人员应佩戴绝缘手套、绝缘鞋等个人防护用品。
- 在潮湿、有腐蚀性气体等环境下作业时,应穿戴相应的防护用品。
5. 防雷措施- 施工现场应安装防雷设施,确保施工安全。
- 高度在20m及以上的设施,如井字架、脚手架、塔式起重机等,应安装防雷保护。
四、施工步骤及要点1. 施工准备- 熟悉施工图纸,了解箱变基础接地施工要求。
- 准备好施工工具、材料和防护用品。
2. 接地线敷设- 根据设计要求,确定接地线敷设路径。
- 采用专用接地线,确保接地效果。
- 接地线连接处应牢固可靠,避免松动。
3. 接地体施工- 根据设计要求,选择合适的接地体材料。
- 按照规范要求进行接地体施工,确保接地体深度和间距符合要求。
4. 接地电阻测试- 施工完成后,对接地电阻进行测试,确保接地电阻符合设计要求。
五、应急措施1. 如发生触电事故,应立即切断电源,并进行急救。
2. 如发生火灾事故,应立即使用灭火器进行灭火,并拨打火警电话报警。
一、作业条件:施工准备施工作业及管理人员进场且有上岗证,已熟悉图纸,并进行了安全交底和技术交底。
1、镀锌扁钢、圆钢、螺栓、垫圈、支架、电焊条、黄漆、银粉等已进场,质量经验收合格。
2、主要机具:手锤、钢锯、锯条、压力案子、卷尺、电焊机、气焊工具等。
3、接地体作业条件:按设计位置清理好现场;底板筋与柱筋连接处已帮扎完;4、防雷引下线暗敷作业条件:建筑物有脚手架或爬梯,达到能上人操作的条件;利用柱子主筋作引下线时,柱子钢筋已绑扎完毕。
二、基础接地1、施工要求:本工程采用联合接地系统、防雷系统、保护接地设备接地共用接地装置。
接地电阻不大于0.5Ω。
2、施工工艺(1)工艺流程→→→→→→(2)接地体安装利用底板钢筋做接地极的施工:随土建基础底板及结构钢筋施工过程中,根据图纸要求,利用基础底板钢筋做接地体。
将基础底板钢筋外围一周可靠连接成一整体通筋,上下两层以轴线为单元搭接焊成方格形接地网,图纸要求利用结构柱主筋引上的柱子,横筋和竖筋之间在组合柱处可靠焊接后与两条引下线主筋对角连接。
横筋与横筋之间保证良好的电气导通。
在有高低落差的地段,横筋与横筋之间用不小于最细一根横筋的圆钢搭接,或用相同截面积的园钢连接,在螺纹连接处用不小于ø16的圆钢做跨接处理。
焊接时,应不小于搭接钢筋直径的6倍。
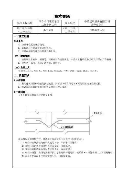
(3)钢材连接(搭接)倍数要求钢质接地装置宜采用焊接连接,其搭接长度应符合下列规定:1)扁钢与扁钢搭接为扁钢宽度的2倍,三面施焊;2)圆钢与圆钢搭接为圆钢直径的6倍,双面施焊;3)圆钢与扁钢搭接为圆钢直径的6倍,双面施焊;4)扁钢和圆钢与钢管、角钢互相焊接时,除应在接触部位两侧施焊外,还应增加圆钢搭接件;5)焊接部位焊渣清理干净、焊缝平整饱满、没有漏焊及夹渣咬肉现象;6)焊接部位除埋在混凝土外均作防腐处理。
7)接地装置连接应可靠,连接处不应松动、脱焊、接触不良。
(4)接地电阻测试:本工程防雷接地、电气设备的保护接地、弱点机房等的接地共用一个总接地系统,要求接地电阻不大于0.5欧姆。
CSCEC-DQ-001项目名称及编码第1页共5页楼栋号分项工程名称接地装置安装工程量分包公司负责人会签栏质量安全环保时间时间时间编制审核批准一、施工准备:1、作业人员根据施工进度与工程状况按计划分阶段进退场,保证人员的稳定和工程的顺利展开。
根据工程量,确定分阶段施工人员数量及需用计划。
2、主要材料各种设备、材料必须具有生产厂家资质证明、材质证明书、产品合格证及符合技术规格说明书(SPEC)所要求的质量证明材料等。
材料、设备进入现场自检合格后,必须及时填写材质报告单向监理报验,经监理及我方现场主管人员验收合格后,方可使用。
不合格材料要立即清出现场,以防不合格材料误用到工程中。
进场材料需按照规格、型号分别堆放整齐,每种材料均要挂牌,注明材料名称、规格、数量、材质等内容并建立台账。
使用前应按设计要求校对材料规格、材质、型号。
结合工程情况,在防雷接地施工进行之前需要进行准备的主要材料如下:序号名称规格型号使用地点1裸铜缆Bare copper cable70mm2基础接地网、引下线2裸铜缆Bare copper cable300mm2主接地环,变配电室接地3 PVC绝缘电缆150mm2各功能房间内的设备接地4 PVC绝缘电缆300mm2变压器中性点及中低压配电室接地5 防雷测试卡Test link100mm*50mm*5mm中心标高1600mm地下二层的结构柱6 等电位端子盒Earth bar500mm*50mm*5mm底边标高500mm设备机房等电位7接地井Earth pit300mm*300mm*210mm 基础底板,含3m长的人工接地极CSCEC-DQ-001项目名称及编码第2页共5页楼栋号分项工程名称接地装置安装工程量分包公司负责人会签栏质量安全环保时间时间时间编制审核批准8接地测试空井Empty pit300mm*300mm*210mm 基础底板,用于后期电阻测试9 PVC管DN50 结构柱、剪力墙内3、主要机具根据工程进度,按时组织机具进场,坚决避免因施工机具进场不及时造成影响施工、拖后工程进度情况,如铅笔、钢卷尺、钢锯、电焊机、切割机、电工工具、接地电阻测试仪等。
电气安装防雷接地分项工程施工技术交底位置,把每组桩基四角钢筋搭接封焊,再与柱主筋(不少于2根)焊好,并在室外地面以下,将主筋焊接预埋接地连接板,清除药皮,并将两根主筋用色漆做好标记,便于引出和检查。
(3)接地体核验:接地体安装完毕后,应及时请监理单位进行隐检核验(签署审核意见,并下审核结论),接地体材质、位置、焊接质量等均应符合施工规范要求。
接地电阻应及时进行测试,当利用自然接地体作为接地装置时,应在底板钢筋绑扎完毕后进行测试;当利用人工接地体作为接地装置时,应在回填土之前进行测试;若阻值达不到设计、规范要求时应补做人工接地极。
接地电阻测试须形成记录。
避雷引下线暗敷设:(1)利用主筋作暗敷设引下线时,每条引下线不得少于两根主筋,每根主筋直径大于等于φ12mm。
每栋建筑物至少有两根引下线(投影面积小于50m2的建筑物例外)。
防雷引下线最好为对称位置,例如两根引下线要做成“一”字形或“乙”字形,四根引下线要做成“I”字形,引下线间距离不应大于 20m,当大于 20m时应在中间多引一根引下线。
(2)现浇混凝土内敷设引下线不做防腐处理。
(3)主筋搭接处按接地线要求焊接,当主筋连接采用压力埋弧焊、对焊、冷挤压、丝接时其接头处可不焊跨接线及其他的焊接处理。
梁主筋焊接示意图(3)施工要求:防雷验收规范中关于焊接时搭接长度的要求:4、要在图纸中找出引下线位置以免遗漏,需要焊接接地的桩基,预留接地钢板的柱要标记清晰并确定位置做出标记以免遗漏。
5、质量要求符合《建筑电气工程施工质量验收规范》(GB50303-2011)的规定以及《建筑物防雷工程质量验收规范》(GB50601-2010)施工过程中加强现场巡查,发现质量缺陷及时处理按照图纸要求和验收规范对分包进行施工技术、安全技术交底。
6、施工完成后,要在现场进行检查,检查是否有漏焊或者焊接部位未两面施焊,焊渣未处理等情况出现,并对搭接倍数进行测量看是否符合要求。
7、防雷接地焊接完成后要进行接地电阻摇测,摇测值不得大于1Ω。
基础接地技术交底技术交底记录工程名称千吉花园施工单位天津房信建筑工程总承包有限公司交底部位基础工序名称基础接地交底提要:施工准备、操作工艺和技术要求交底内容:一、施工准备:施工前必须让工人熟悉图纸、施工方法和质量要求,同时必须准备好施工中所需材料工具,对进场材料进行报验,经监理验收合格后,方可使用。
二、操作工艺和技术要求:1、利用建筑物基础作接地体,将基础底板上下两层主筋沿建筑物外圈焊接成环形,并将主轴线上的基础梁及结构底板上下两层主筋相互焊接成网作接地体。
2、要求接地电阻值应小于1Ω。
实测不满足要求时,须增设人工接地体,直到达到要求为止。
3、各种接地引下线的下端均应与基础接地网可靠焊接,图纸中各种接地引下线的作法规定如下: a)总等电位接地引下线:采用,80×8热镀锌扁钢下端与基础接地极焊接,在变电站地面0.2米处引出后用40×5扁铜在室内距地0.2米处作一圈接地装置。
b)强电竖井接地引下线:采用TMY-40x4热镀锌铜排,下端熔接焊与基础接地极焊接,进竖井后垂直引上每层与LEB连接。
竖井垂直引上每层与LEB连接。
竖井内需接地的设备均用ZRBV-10mm2与LEB连接。
c)弱电机房及竖井接地引下线:采用-65x5热镀锌扁钢,距底板0.2米引出作盒,然后用BV-1x35mm2-PC40引上与机房及竖井内LEB连接。
机房及竖井内需接地的设备均用ZRBV-10mm2与LEB连接。
d)换热站、风机房、水泵房等设备用房接地引下线:利用结构体内两根主钢筋(大于?16)通长相互焊接在机房地面上0.2米处引出后采用-40×4镀锌扁钢在机房内距地0.2米作一圈接地装置。
4、本建筑物采用总等电位联结,其总等电位联结线必须与楼内所有导电部分相互连接,如保护干线、接地干线、建筑物内的输送管道的金属件(如水管等)、集中采暖及空调系统管道、建筑物金属构件等导电体。
总等电位联结主母线采用25mm2铜导线。
一、交底目的为确保风机基础接地工程的安全施工,预防安全事故的发生,特进行本次安全技术交底。
二、工程概况1. 工程名称:风机基础接地工程2. 施工地点:[具体地点]3. 施工单位:[施工单位名称]4. 施工负责人:[施工负责人姓名]三、安全注意事项1. 人员配备(1)施工人员必须经过专业培训,具备相应的操作技能和安全生产知识。
(2)施工人员必须持证上岗,确保具备相应的操作资质。
2. 施工现场管理(1)施工现场应设置明显的安全警示标志,确保施工人员安全通行。
(2)施工现场应保持整洁,及时清理废弃物料,避免绊倒事故发生。
(3)施工现场应配备足够的消防器材,确保消防设施完好。
3. 接地系统施工(1)接地系统施工前,应进行现场勘察,了解地下管线、电缆等设施情况,确保施工安全。
(2)接地系统施工过程中,应严格按照设计图纸进行施工,确保接地系统符合规范要求。
(3)接地系统施工时,应使用合格的接地材料,确保接地效果。
4. 安全防护措施(1)施工人员应佩戴安全帽、防护手套、防护眼镜等个人防护用品。
(2)高空作业人员应系好安全带,并使用安全绳,确保作业安全。
(3)施工过程中,应定期进行安全检查,发现问题及时整改。
5. 电气安全(1)接地系统施工过程中,应严格执行电气安全操作规程,确保施工人员安全。
(2)电气设备应定期进行检修、保养,确保设备完好。
(3)施工现场严禁私拉乱接电线,确保用电安全。
6. 应急处理(1)施工现场应配备急救箱,确保急救药品、器材齐全。
(2)施工人员应掌握基本的急救知识,如遇到意外情况,应立即进行现场急救。
(3)发生安全事故时,应立即停止施工,组织人员抢救伤员,并报告相关部门。
四、交底内容1. 接地系统施工前,施工人员应熟悉施工图纸,了解工程概况。
2. 接地系统施工过程中,应严格按照设计要求,确保接地系统符合规范。
3. 施工人员应佩戴个人防护用品,确保自身安全。
4. 施工现场应保持整洁,及时清理废弃物料。
一、工程名称:__________二、施工单位:__________三、建设单位:__________四、设备名称:__________五、作业内容:风机基础接地施工六、交底部门:安全管理部门七、交底人:__________八、施工期限:____年__月__日至____年__月__日九、接受交底班组或员工签名:__________十、交底内容:1. 接地系统设计要求(1)根据《接地系统设计规范》(GB 50057-2010)等相关规范要求,风机基础接地系统应采用TN-S系统。
(2)接地电阻应满足不大于4Ω的要求。
(3)接地极应采用钢管,埋深应大于0.6m,接地极间距不应小于2m。
2. 施工准备(1)施工前,应对施工人员进行安全教育和培训,确保施工人员了解风机基础接地施工的安全技术要求。
(2)施工前,应对施工现场进行安全检查,确保施工现场符合安全施工要求。
(3)施工前,应准备好施工所需材料、工具和设备,并检查其质量。
3. 施工工艺(1)开挖接地沟:按照设计要求,开挖接地沟,沟底宽度应大于0.6m,深度应大于0.8m。
(2)埋设接地极:将接地极垂直埋设于沟底,确保接地极与沟底接触良好。
(3)连接接地线:将接地极与接地干线连接,确保连接牢固。
(4)回填:回填土,分层夯实,确保回填土密实。
4. 安全措施(1)施工人员必须佩戴安全帽、防护眼镜、防尘口罩等个人防护用品。
(2)施工过程中,应保持现场通风良好,防止有害气体积聚。
(3)施工过程中,应严格遵守操作规程,确保施工安全。
(4)施工过程中,应设置警示标志,防止无关人员进入施工现场。
(5)施工过程中,应定期检查接地系统,确保接地系统正常运行。
5. 质量控制(1)施工过程中,应严格按照设计要求进行施工,确保接地系统符合设计要求。
(2)施工过程中,应做好施工记录,包括施工时间、施工人员、施工内容等。
(3)施工完成后,应进行接地电阻测试,确保接地电阻满足要求。
十一、注意事项1. 施工过程中,应严格按照操作规程进行施工,确保施工安全。