吊车荷载计算
- 格式:xls
- 大小:25.50 KB
- 文档页数:2
钢结构吊车梁设计一般规定、荷载计算一、设计一般规定1.吊车梁及吊车的工作级别(1)吊车的使用等级根据《起重机设计规范GB/T 3811-2008》3.2.1,吊车按照吊车可能完成的总工作循环数将使用等级划分为U0~U9共10个等级,吊车使用总工作循环数Cr与吊车使用等级及使用频繁程度的关系见《起重机设计规范GB/T 3811-2008》3.2.1表1,如下:表1 起重机的使用等级(2)吊车的起升荷载状态级别根据《起重机设计规范GB/T 3811-2008》3.2.2,起重机的起升载荷,是指起重机在实际的起吊作业中每一次吊运的物品质量(有效起重量)与吊具及属具质量的总和(即起升质量)的重力;起重机的额定起升载荷,是指起重机起吊额定起重量时能够吊运的物品最大质量与吊具及属具质量的总和(即总起升质量)的重力。
其单位为牛顿(N)或千牛(kN)。
起重机的起升载荷状态级别是指在该起重机的设计预期寿命期限内,它的各个有代表性的起升载荷值的大小及各相对应的起吊次数,与起重机的额定起升载荷值的大小及总的起吊次数的比值情况,据此载荷状态级别被分为Q1~Q4共4个级别。
详见《起重机设计规范GB/T 3811-2008》3.2.2表2。
表2起重机的载荷状态级别及载荷谱系数(3)吊车的工作级别根据吊车的10个使用等级与吊车的4个起升荷载状态级别,将吊车整机的工作级别分为A1~A8共8个级别,详见《起重机设计规范GB/T 3811-2008》3.2.3表3。
表3 吊车的工作级别在《建筑结构荷载规范GB 5009-2012》(简称《荷规》)中,工作级别与吊车的荷载系数(《荷规》6.2)、动力系数(《荷规》6.3)及吊车荷载的组合值系数、频遇值系数、准永久值系数(《荷规》6.4)有关,为方便设计,在吊车荷载的条文说明中将吊车的工作制与工作级别的对应关系做如下规定:表4 吊车的工作制等级与工作级别的对应关系2吊车梁荷载吊车梁荷载分为竖向荷载(吊车的竖向轮压)与水平荷载,水平荷载又分为纵向水平荷载与横向水平荷载,吊车纵向水平制动力产生纵向水平荷载,对于轻、中级工作制吊车(A1-A5),横向水平荷载考虑由小车的水平制动力产生,对于重级、特重级工作制吊车(A6-A8),横向水平荷载还需考虑吊车的摇摆力,根据《钢结构设计标准GB50017-2017》3.2.2,计算强度、稳定性以及连接的强度时,此水平力不宜与小车产生的水平制动力同时考虑。
吊车等效荷载全文共四篇示例,供读者参考第一篇示例:吊车等效荷载是指在起重作业中,吊车对支撑地面的施加的荷载。
它是起重作业中必须要考虑的因素之一,对保证起重作业的安全性和效率起着至关重要的作用。
吊车等效荷载的计算是根据实际情况和工程要求来确定的。
在起重作业中,吊车在吊装物体时,其施加到地面的力会引起地面的变形,然后通过地面承载力的传导作用,将荷载传递到地基中,这就是吊车等效荷载的形成过程。
吊车等效荷载不仅包括了吊装物体的实际重量,还要考虑吊装物体的惯性力、离心力、侧向力和倾覆力等因素。
吊车等效荷载的计算是起重作业中必须要认真对待的一项工作,因为它直接关系到起重作业的安全性和效率。
如果吊车等效荷载计算不准确或者不合理,会导致起重作业中的不良后果,比如地基沉降、地基不稳等问题,严重的甚至会引发事故,影响工程的顺利进行。
在实际工程中,吊车等效荷载的计算要综合考虑多种因素,比如吊装物体的实际重量、其物理性质、作用力的方向和大小、地基的承载能力等等,只有这样才能得出相对准确的吊车等效荷载值,并根据实际情况采取相应的措施来保证起重作业的安全进行。
除了吊车等效荷载的计算之外,还需要根据具体的作业情况来选取合适的吊车型号和相关设备,通过对吊车的搭建、支撑和固定等措施来确保吊车的稳定性和可靠性,以减小地面承载的压力和减轻地基的变形,防止地基的不均匀沉降和失稳。
对于一些特殊工况,比如在软土地基或者斜坡上进行起重作业时,吊车等效荷载的计算要更加谨慎,必须采取相应的加固和防护措施,以确保起重作业的安全和顺利进行。
吊车等效荷载是起重作业中的一项重要工作,只有对其充分认识、合理计算和科学应用,才能有效提高起重作业的安全性和效率,确保工程的顺利进行。
吊车等效荷载的计算是一项重要的工作,对于保障起重安全起到至关重要的作用。
吊车等效荷载的计算是一个复杂的工作,需要考虑多个方面的因素,只有充分理解和正确应用,才能确保起重作业的安全和效率。
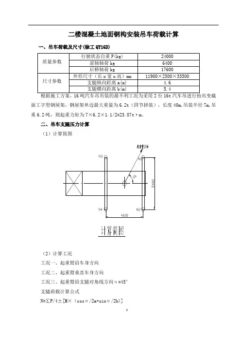
二楼混凝土地面钢构安装吊车荷载计算一、吊车荷载及尺寸(徐工QY16D)面工字型钢屋架,钢屋架单边最大重量为6.2t(四节拼装),长度40m,吊装半径7m,吊重6.2吨,则起重力矩为7×6.2×1.1/2=23.87t·m。
二、吊车支腿压力计算(1)计算简图(2)计算工况工况一、起重臂沿车身方向工况二、起重臂垂直车身方向工况三、起重臂沿支腿对角线方向α=45°支腿荷载计算公式N=∑P/4±[M×(cosα/2a+sinα/2b)]式中∑P--吊车自重及吊重M--起重力矩α--起重力矩与车身夹角a--支腿纵向距离b--支腿横向距离计算结果:工况一、起重臂沿车身方向(α=0°)N1=N2=∑P/4+[M×(cosα/2a+sinα/2b)]=(24+6.2×1.1/2)/4+[23.87×(cos0°/(2×4.6)+sin0°/(2×5.4))]=9.44tN3=N4=∑P/4-[M×(cosα/2a+sinα/2b)]=(24+6.2×1.1/2)/4-[23.87×(cos0°/(2×4.6)+sin0°/(2×5.4))]=4.26t工况二、起重臂垂直车身方向(α=90°)N1=N3=∑P/4+[M×(cosα/2a+sinα/2b)]=(24+6.2×1.1/2)/4+[23.87×(cos90°/(2×4.6)+sin90°/(2×5.4))] =9.06tN2=N4=∑P/4-[M×(cosα/2a+sinα/2b)]=(24+6.2×1.1/2)/4-[23.87×(cos90°/(2×4.6)+sin90°/(2×5.4))] =4.64t工况三、起重臂沿支腿对角线方向α=45°N1=∑P/4+[M×(cosα/2a+sinα/2b)]=(24+6.2×1.1/2)/4+[23.87×(cos45°/(2×4.6)+sin45°/(2×5.4))] =10.25tN2=∑P/4-[M×(cosα/2a-sinα/2b)]=(24+6.2×1.1/2)/4-[23.87×(cos45°/(2×4.6)-sin45°/(2×5.4))] =6.58tN3=∑P/4+[M×(-cosα/2a+sinα/2b)]=(24+6.2×1.1/2)/4+[23.87×(-cos45°/(2×4.6)+sin45°/(2×5.4))] =6.58tN4=∑P/4-[M×(cosα/2a+sinα/2b)]=(24+6.2×1.1/2)/4-[23.87×(cos45°/(2×4.6)+sin45°/(2×5.4))]=3.45t16吨汽车吊在标高7.5m楼面上进行吊装作业,每个支腿下均设0.2X0.2X1.5m方木三根垫实,扩散面积为0.9㎡。
工程名称:设计:校核:1. 输入吊车设计资料: 起重量 Q (KN )100最大轮压P MAX (KN )110吊车竖向荷载动力系数α 1.05小车重 g (KN )36吊梁及轨道增大系数βW 1.04轮距 a1(M ) 4.1 吊车梁跨度 L(M)8单侧轮数 N3吊车梁材质Q235 f =235f V =125a2(M )1.6竖向荷载设计值P=α×γQ × P MAX =161.7水平荷载设计值T=γQ x0.06(Q+g)/N = 5.712Βw× (N × P(L/2-(a1-a2/6))/L-P ×a2)=540.7βW × P MAX × (1+(L-a1)/L+(L-a1-a2)/L)=298.5T/P × M MAX =19.1 截面型式I 55×30×10×16 截面高度 (cm) H =55 净惯性矩 I nX =74770上翼缘宽度 (cm) D1 =30上翼缘净抗弯模量 W 上nx =2593下翼缘宽度 (cm) D2=30下翼缘净抗弯模量 W 下nx =2858腹板厚度 (cm) T w =1 净面积矩 S X =1519翼缘厚度 (cm) T F = 1.6 制动梁截面面积 A' =37.66面积 (cm 2) A =147.8吊车梁上翼缘面积 A 0' =48上翼缘开孔 (cm) D =2.2 x1=32.97开孔离X 轴距离 (cm) S =7.5 制动梁抗弯模量 Iy' =134净截面面积 (cm 2) An =140.8 制动截面 对Y1轴截面特性 I ny1 =1E+05形心离下翼缘距离 Y 0=26.16Wny1 =25525. 强度验算: a 216 < f OKb 189.2< f OKc t=60.65< f VOK最大水平弯矩 M T =上翼缘正应力 M max /W 上nx+M T / Wny1 = σ =下翼缘正应力 M max /W 下nx = σ =剪应力(平板支座)V max S x /I x T w =吊车梁计算程式(制动梁结构)2. 吊车荷载计算:3. 内力计算:4. 截面选择计算:最大竖向弯矩 M MAX =最大竖向剪力 V MAX =d局部压应力L Z=a+2hy=5+2(15+1.6) =38.2ψP/T W L Z = σc =42.33ψ=1< f OK 7. 挠度验算:M KX = M X /1.4α =367.8V/L = M KX L/10EI X = V =0.002<[V/L]=[1/500]=0.002OKKNKNKN-M KNKN-MCM4 CM3 CM3 CM3 CM2 CM2 CM CM4 CM4 CM3N/mm2N/mm2N/mm2N/mm2 N/mm2。
吊装方案计算书1.吊车荷载计算Pkmax=(Ta+Tb)/4=(1400+350)*10/4=5KNTa 为单元板块重量(kg)Tb 为小车自重2.横向水平荷载Tk=η(Q+Q1)*10/2N=0.2*(2+0.35)*10/4=1.175KN η系数,取为0.2Q为吊车额定起重量Q1为吊车重量N为吊车一侧车轮数3.纵向水平荷载Tkl=0.1ΣPmax=0.1*4*5=2KN4.吊车梁荷载设计值吊车梁的强度和稳定 P=αβγPkmax=1.05*1.03*1.4*5=7.57KNT=γTk=1.4*1.175=1.65KN 局部稳定 P=αγPkmax=1.05*1.4*5=7.35KN吊车梁的竖向桡度 P=βPkmax=1.03*5=5.15KN5.强度计算:选用普工20σ=Mx/ψWx=4PL/4/0.9*237000=7.57*4.8*1000000/0.9*237000=170.4MPa≤f=215MPa强度满足要求!6.稳定计算:σ=Mx/ψφWx=7.35*4.8*1000000/0.9*237000=157.7MPa≤f=215MPa稳定性满足要求!7.桡度计算:Vx=PL3/48EI+5QL4/384EI=5.15*1000*4800^3/48*210000*23700000+ 5*0.3*4800^4/384*210000*23700000=2.38+0.41=2.79mm≤L/800=4800/800=6mm桡度满足要求!8. 160x80x4钢方管强度校核校核公式:σ=N/A+M/γW<[fa]=215N/mm^2悬挑梁最危险截面特性:截面面积:A=1856mm^2惯性矩:Ix=6235800mm^4抵抗矩:Wx=77950mm^3弯矩:Mmax=3231200N*mm轴力:N=0Nσmax=N/A+Mmax/γW=0/2400+3231200/1.05*77950=39.478 N/mm^2<215N/mm^2强度能够满足要求。
第十三章水电站厂房结构分析水电站厂房结构设计的内容包括整体稳定分析、地基应力校核、构件的强度和稳定计算。
第一节水电站厂房的结构特点一、水电站厂房的结构组成及作用水电站地面厂房结构可分为上部结构和下部结构两大部分。
上部结构包括屋面系统、构架、吊车梁、围护结构(外墙)及楼板,基本上属板、梁、柱系统,通常为钢筋混凝土结构。
上部结构设计方法与一般工业建筑相同;下部结构主要由机墩、蜗壳、尾水管、基础板和外墙组成,为大体积水工钢筋混凝土结构,其结构设计比较复杂,要符合《水工钢筋混凝土规范》。
水电站厂房结构组成如图12-1 所示。
各组成构件的作用如下:图12-1 水电站厂房结构组成1.屋盖结构起着围护和承重等双重作用,包括:(1) 屋面板。
它直接承受屋面荷载,如风、雨、雪和自重等,并将它们传给屋架或屋面大梁。
(2) 屋架或屋面大梁。
它承受屋盖上的全部荷载(包括风、雨、雪和屋面板等)及屋架或屋面大梁自重,传到排架柱或壁柱上。
2.吊车梁承受吊车荷载(包括起吊部件在厂房内部运行时的移动集中垂直荷载),以及吊车在起重部件时,启动或制动时产生的纵、横向水平制动荷载,并将它们传给排架柱或壁柱。
3.排架柱或壁柱承受屋架或屋面大梁、吊车梁、外墙传来的荷载和排架柱或壁柱自重,并将它们传给厂房下部结构的大体积混凝土。
4.发电机层和安装间楼板发电机层楼板承受着自重、机电设备静荷载和人的活荷载,传给梁并部分传到厂房下部结构的发电机机墩和水轮机层的排架柱。
安装间楼板承受自重、检修或安装时机组荷载和活荷载,传到基础,当安装间没有下层时就传给排架柱。
5.围护结构(1) 外墙。
承受风荷载,并将它传给排架柱或壁柱。
(2) 抗风柱。
承受厂房两端山墙传来的风荷载,并将它传给屋架或屋面大梁和基础或厂房下部结构的大体积块体混凝土。
(3) 圈梁和连系梁。
承受梁上砖墙传下的荷载和自重,并传给排架柱或壁柱。
6.发电机机墩承受从发电机层楼板传来的荷载和水轮发电机组等设备重量、水轮机轴向水压力和机墩自重,并将它们传给座环和蜗壳外围混凝土上。
第9节吊车荷载、雪荷载①勘误:教材P52;②周五补课,并提交作业重点回顾:①计算思路:先求土的竖向应力,再×系数;对于分层土,计算哪一层,用哪一层的系数。
②计算要求:①写文字说明;②写公式;③代数值;④算结果、写单位;⑤画图③从属面积:真实意义,进行内力计算和考虑活荷载折减时如何取值。
④活荷载折减原则:水平构件——A,竖向构件——n。
⑤楼梯活荷取3.5kN/m2。
3)局部荷载的有效分布宽度局部荷载的有效分布宽度与设备的摆放方式(长边平行于板跨方向还是垂直于板跨方向)和设备的计算宽度有关。
计算宽度(板厚的一半位置所对应的设备的影响宽度)由下图确定,砂垫层厚度s,板厚h,设备的作用沿45°角向下扩散,因此平行于板跨的计算宽度为b cx= b tx+2s+h,垂直于板跨的计算宽度为b cy= b ty+2s+h,式中b tx——荷载作用面平行于板跨的宽度;b ty——荷载作用面垂直于板跨的宽度;单向板上局部荷载的有效分布宽度b,可按教材P28-P29方法计算。
一些特殊情况需要做特殊的处理。
双向板的等效均布荷载可按与单向板相同的原则,按四边简支板的绝对最大弯矩等值来确定。
*可以参考P29,例2.113.屋面活荷载*楼面和屋面的区别?(中间层的是楼面,顶层的是屋面)①上人屋面:当屋面为平屋面,并由楼梯直达屋面时,有可能出现人群的聚集,按上人屋面考虑均布活荷载。
2.0 kN/m2②不上人屋面:当屋面为斜屋面或设有上人孔的平屋面时,仅考虑施工或维修荷载,按不上人屋面考虑屋面均布活荷载。
0.5 kN/m2 判断屋面是否上人,要看能不能方便地到达屋面并且在屋面停留,而不能想当然。
*毕业设计:顶层设栏杆,电梯机房通到顶层,荷载取什么?③屋顶花园:屋面由于环境的需要有时还设有屋顶花园,屋顶花园除承重构件、防水构造等材料外,尚应考虑花池砌筑、卵石滤水层、花圃土壤等重量。
3.0kN/m2见教材P31,表2-10④直升机停机坪:分轻型、中型和重型分别取值,教材P31,表2-11并且≥5.0kN/m2。
额定起重量:20/5t 输入输出判断注解工作制级别:A5最大轮压Pk (kN )小车自重g (t )额定起重量W (t )吊车梁跨度S (m )161.7 6.982010.5荷载分项系数吊车动力系数1.4 1.05一、吊车梁承载力计算(按两台吊车)净跨Ln=7m 计算长度L0(1.05Ln 及L 较小值)=7.35m a=(B-W)/2=0.9775m x=(L0-a)/2= 3.18625mL0/6和h0的较小值m=1.2251、竖向荷载作用最大弯矩标准值Mk=446.6963188kN·m 基本组合Mmax=656.6435886kN·m 2、跨度m 处的最大剪力Vk=226.49kN 基本组合Va=332.9403kN一、吊车荷载计算(按两台吊车)吊车横向水平荷载标准值的系数ζ=0.1两台吊车荷载折减系数η=0.9两台吊车参与组合影响线竖标之和Σyi=2.432894737吊车横向水平荷载标准值Hxk=14.7688875kN √输入pkpm 纵向刹车轮个数n=2个吊车纵向水平荷载标准值Hyk=29.106kN √输入pkpm最大竖向荷载标准值Fk=354.0591711kN 吊车梁自重标准值Gk=54.6105kN 牛腿顶面吊车梁支座反力标准值Rk=408.6696711kN √输入pkpm 反力至节点的距离z=0.8m 节点弯矩标准值Mrk=326.9357368kN·m√输入pkpm吊车梁高度h (m )1200(Vk=Pk·(L0-m+L0-m-2a)/L0)(适用于软钩吊车,硬钩吊车取0.2)OK !满足要求。
OK !满足要求。
(Mk=2Pk·x^2/L0)柱距L (m )宽度B (m )轮距W (m )柱宽(m )7.65.95540.6as (m )梁编号0.07DL-10732.8kN·m 480.5kN高度h (m )200L0-m-2a)/L0)。
地下室顶板吊车荷载计算地下室是建筑物中常见的一个重要部分,它位于地面以下,通常用于存储、停车或其他特定用途。
在地下室的建设过程中,需要考虑到各种荷载,以确保地下室的结构安全可靠。
本文将重点讨论地下室顶板吊车荷载计算的相关内容。
在地下室的建设过程中,吊车常用于运输和安装重型材料和设备。
吊车的荷载直接作用在地下室的顶板上,因此需要进行荷载计算,以确定顶板的承载能力是否满足要求。
我们需要确定吊车的荷载特性。
这包括荷载的重量、作用点位置、作用时间等。
吊车的重量可以通过查询吊车的技术参数手册或联系厂家获得。
作用点位置是指吊车荷载作用在顶板的哪个位置,通常在设计中会规定一个安全区域。
作用时间是指荷载作用在顶板的时间,通常为瞬时荷载。
我们需要确定地下室顶板的几何形状和材料特性。
顶板的几何形状可以通过施工图纸或实地测量获得。
材料特性包括顶板的抗压强度、抗弯强度、抗剪强度等。
这些参数可以通过实验室测试或查询相关资料获得。
接下来,我们可以进行地下室顶板的荷载计算。
荷载计算通常分为静态荷载和动态荷载两部分。
静态荷载是指吊车静止时作用在顶板上的荷载。
根据吊车的重量和作用点位置,可以计算出顶板上的垂直荷载。
然后,根据顶板的几何形状和材料特性,可以计算出顶板的承载能力。
如果计算得到的承载能力大于静态荷载,说明顶板满足要求;如果承载能力小于静态荷载,则需要采取相应的加固措施。
动态荷载是指吊车移动或起重作业时作用在顶板上的荷载。
由于吊车的运动会引起地面振动,这会对地下室的顶板产生冲击荷载。
冲击荷载的计算比较复杂,需要考虑吊车的运动速度、振动频率、地下室结构的自振频率等因素。
通常,可以通过有限元分析或振动试验来确定动态荷载。
进行顶板荷载计算时还应考虑其他可能的荷载,如人员活动荷载、雨水荷载等。
这些荷载应按照相应的规范和标准进行计算。
地下室顶板吊车荷载计算是地下室设计中重要的一部分。
通过合理的荷载计算,可以确保地下室的结构安全可靠。
一、汽车吊吊装工况 (2)1、吊车荷载及尺寸 (2)2、吊车支腿压力计算 (2)3、楼面等效荷载计算 (5)4、加强措施 (6)5、混凝土梁荷载验算 (6)二、汽车吊行走工况 (6)1、设计荷载: (7)2、小型汽车吊行驶相关参数 (7)3、汽车吊楼面行驶 (7)4、25T汽车吊楼重要性能参数 (8)1汽车吊上楼面验算汽车吊上楼面施工作业存在两种工况:工况一:为汽车吊吊装作业时的工况。
工况二:为汽车吊在楼面上行走的工况。
本工程标高-0.400米地下室顶板设计荷载值为30Kn/㎡(实际复核后荷载大于设计值,约为35Kn/㎡),混凝土板厚250mm,保护层20mm,板及梁混凝土强度C30,吊装起重最大杆件约为4.5吨。
一、汽车吊吊装工况1、吊车荷载及尺寸根据施工方案,25t汽车吊吊装过程中,最不利工况为:吊装半径10m,吊重4t,即起重力矩为45t m,汽车吊自重为28.658吨。
2、吊车支腿压力计算2.1计算简图23汽车吊吊装作业时,支腿最不利情况为汽车吊四个支腿全部支撑在钢筋混凝土楼板上。
如下如所示:以下按最不利情况计算,计算过程如下: 2.2计算工况工况一、起重臂沿车身方向(o =0α) 工况二、起重臂垂直车身方向(o =90α) 工况三、起重臂沿支腿对角线方向(o =52α) 工况四、起重臂沿支腿对角线方向(a=45°)2.3支腿荷载计算公式[]/4(cos /2a+sin /2b)N P M αα=±∑42.4计算结果A 工况一、起重臂沿车身方向(o =0α)[]1=2/4+(cos /2a+sin /2b)N N P M αα=∑=(28.658+5.4)/4+45(1/10.06)=13吨[]3=4/4-(cos /2a+sin /2b)N N P M αα=∑=(28.658+5.4)/4-45(1/10.06)=3.98吨B 工况二、起重臂垂直车身方向(o =90α)[]1=3/4+(cos /2a+sin /2b)N N P M αα=∑ =(28.658+5.4)/4+45(1/12)=12.26吨[]2=4/4-(cos /2a+sin /2b)N N P M αα=∑=(28.658+5.4)/4-45(1/12)=4.76吨C 工况三、起重臂沿支腿对角线方向(o =52α)[]1/4+(cos /2a+sin /2b)9N P M αα=∑=(28.658+5.4)/4+45*(cos52°/10.06+sin52°/12)=14.22吨[]2/4-(cos /2a-sin /2b)N P M αα=∑=(28.658+5.4)/4-45*(cos52°/10.06+sin52°/12)=2.8吨 D 工况四、起重臂沿支腿对角线方向(a=45°)[]1/4+(cos /2a+sin /2b)N P M αα=∑=(28.658+5.4)/4+45*(cos45°/10.06+sin45°/12)=14.32吨[]2/4-(cos /2a-sin /2b)N P M αα=∑=(28.658+5.4)/4-45*(cos45°/10.06+sin45°/12)=2.7吨5根据以上工况分析可知,汽车吊在楼面吊装作业最不利工况时,单个支腿最大荷载为14.32吨3、楼面等效荷载计算计算公式: q e = 8M max / (bL 2)式中,l 为板的跨度,即L=2.8mb 为板的荷载有效分布跨,b=0.6b cy +0.94L (考虑汽车吊支腿下方铺设 10根200mmX3000mm 枕木),b cy 为荷载计算宽度。
作用力分两部分:(1)吊车梁结构和轨道等产生的自重,为永久荷载,作为节点恒载(竖向力,竖向力产生的偏心弯矩)输入。
(2)吊车工作时的最不利作用,作为吊车荷载输入。
Ø吊车荷载值,程序要求输入的是按照吊车资料,根据影响线求出最不利情况下的最大轮压、最小轮压等对柱子的作用力(不是指吊车资料中的最大轮压和最小轮压)
Ø吊车荷载计算方法:
(1)手工计算:根据影响线求解
最大轮压,最小轮压,横向水平荷载产
生的反力Dmax,Dmin,Tmax。
如上图示,按照要计算的吊车台数,计算每一个吊车轮位于牛腿处时最大轮压产生的反力Dmaxi,其中最大的即为Dmax,再计算吊车在此位置时的Dmin,Tmax即可。
(2)先计算吊车梁,吊车梁计算结果文件中给出了用于排架计算的吊车荷载值:Dmax,Dmin,Tmax。
(3)直接导入吊车荷载,根据输入的吊车信息,程序自动按影响线计算(推荐采用)
当为双层吊车荷载时,需要输入空车时的吊车荷载,08版本程序增加了空车吊车荷载的计算。
用户只要选择“计算空车时的荷载”,输入吊钩极限位置即可极限计算和导入。
吊车地基承载力计算
1)依据
计算依据规范为《公路桥涵地基与基础设计规范》JTG
D63——2007(以下简称规范)。
2)工程概况
根据吊装方案,400t吊车在独立吊装30m边梁时对地基承载力要求最高。
30m边梁重57t,QAY400t吊车自重79.7t,吊装时配重120t,腿下垫钢板为2.5m×2.5m×0.05m。
承载力计算考虑4 个支腿受力均匀。
3)荷载计算
说明:吊车自重及配重为静荷载取1.2系数,
吊车吊梁为动荷载取1.4系数
四个支腿承受荷载
N=(1.4*57+1.2*(79.9+120))*10 =3196.8KN
每个支腿荷载N1=N/4=319.8/4=799.2KN
地基承载力为P=N/A=799.2KN/(2.5*2.5)㎡=127.9Kpa
考虑上跨铁路架梁施工,取1.2倍安全系数,则地基承载力为
Fa>1.2p=127.9*1.2≈155Kpa
根据计算结果,吊车支腿下地基承载力达到155Kpa时满足施工需要。
荷载计算图2.2-3荷载作用位置恒载:屋盖恒载F1(包括屋面板及构造层、天窗架、屋架及支撑自重);上柱自重F2、牛腿自重F3、下柱自重F6;吊车梁及轨道、连接件等自重F4;围护墙体自重F5(包括柱牛腿上连系梁、围护墙、柱上的墙板)。
活载屋面活载Q1;吊车荷载吊车横向水平荷载Tmax吊车竖向荷载Dmax、Dmin ;风载q、Fw。
图2.2-4恒载F i 作用的位置上杆 * |I *1/2-1 so n上柱轴铁一 r0图2.2-5恒载作用下排架结构的计算简图1.屋盖恒载F i包括屋面板及构造层、天窗架、屋架及支撑的自重,按屋面构造详图及各种构件标准图进行计算。
F i的作用位置当采用屋架时,F1通过屋架上、下弦中心线的交点作用于柱顶,一般屋架上、下弦中心线的交点至柱外边缘的距离为150mm ;当采用屋面梁时,F1通过梁端支承垫板的中心线作用于柱顶。
屋盖恒载F1作用内力计算简图将屋面横梁截断,在柱顶加以不动铰支座,简化为一次超静定悬臂梁进行内力计算;在计算过程中,可将柱顶偏心屋面恒载移至相应上柱或下柱的截面中心线处,并附加偏心弯矩。
图2.2-6 F内力计算简图2.恒载F2、F3、F4、F5计算方法同F i。
对竖向偏心荷载F2、F3、F4、F5换算成轴心荷载和偏心弯矩时,相应的换算偏心弯矩为: M2=F2?e2式中e2为上、下柱轴线间的距离;作用于下柱柱顶截面中心;M3=F3 ?e3式中e3为牛腿截面中心线至下柱中心线的距离;作用于牛腿梯形截面中心;M4=F4 ?e4式中e4为吊车梁纵向至下柱截面中心线之间的距离;作用于吊车梁轨道中心;M5=F5 ?e5式中e5为连系梁中心线至柱中心线间的距离;作用于柱上牛腿连系梁截面中心。
图2.2-7其它恒载内力计算简图3.屋面活荷载Q1包括屋面均布活荷载、雪荷载及积灰荷载,按屋面的水平投影面积计算。
(1)屋面均布活荷载:一般不上人的钢筋混凝土屋面:0.5kN/m2轻屋面、瓦材屋面:0.3kN/m2(2)积灰荷载:由GB50009-2001查得屋面均布活荷载不与雪荷载同时组合,取大值参与组合。