太原科技大学-机械原理作业册答案
- 格式:docx
- 大小:8.05 MB
- 文档页数:47
参考答案 第一章 绪论一,填空题1.1 能量,物料,信息1.2运动,动力 1.3制造,运动,装配 二、选择题2.1 D 2.2 B 三,简答题第二章 机械的结构分析二、综合题1.n = 7 ,p l = 9 ,p h = 121927323=-⨯-⨯=--=h l P P n F从图中可以看出该机构有2个原动件,而由于原动件数与机构的自由度数相等,故该机构具有确定的运动。
2. (a )D 、E 处分别为复合铰链(2个铰链的复合);B 处滚子的运动为局部自由度;构件F 、G 及其联接用的转动副会带来虚约束。
n = 8 ,p l = 11 ,p h = 1111128323=-⨯-⨯=--=h l P P n F3. (c )n = 6 ,p l = 7 ,p h = 313726323=-⨯-⨯=--=h l P P n F(e )n = 7 ,p l = 10 ,p h = 0101027323=-⨯-⨯=--=h l P P n F 4. (a )n = 5 ,p l = 7 ,p h = 010725323=-⨯-⨯=--=h l P P n FⅡ级组 Ⅱ级组 因为该机构是由最高级别为Ⅱ级组的基本杆组构成的,所以为Ⅱ级机构。
(c )n = 5 ,p l = 7 ,p h = 010725323=-⨯-⨯=--=h l P P n FⅢ级组因为该机构是由最高级别为Ⅲ级组的基本杆组构成的,所以为Ⅲ级机构。
5. n = 7 ,p l =10 ,p h = 0101027323=-⨯-⨯=--=h l P P n FⅡ级组 Ⅲ级组当以构件AB 为原动件时,该机构为Ⅲ级机构。
Ⅱ级组 Ⅱ级组 Ⅱ级组当以构件FG 为原动件时,该机构为Ⅱ级机构。
可见同一机构,若所取的原动件不同,则有可能成为不同级别的机构。
6. (a )n = 3 ,p l = 4 ,p h = 101423323=-⨯-⨯=--=h l P P n F因为机构的自由度为0,说明它根本不能运动。
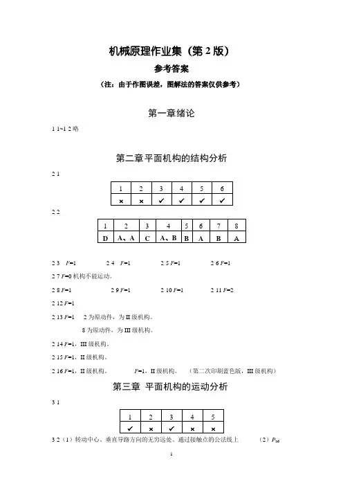
机械原理作业集(第2版)参考答案(注:由于作图误差,图解法的答案仅供参考)第一章绪论1-1~1-2略第二章平面机构的结构分析2-12-22-3 F=1 2-4 F=1 2-5 F=1 2-6 F=12-7 F=0机构不能运动。
2-8 F=1 2-9 F=1 2-10 F=1 2-11 F=22-12 F=12-13 F=1 2为原动件,为II级机构。
8为原动件,为III级机构。
2-14 F=1,III级机构。
2-15 F=1,II级机构。
2-16 F=1,II级机构。
F=1,II级机构。
(第二次印刷蓝色版,III级机构)第三章平面机构的运动分析3-13-2(1)转动中心、垂直导路方向的无穷远处、通过接触点的公法线上(2)P ad(3)铰链,矢量方程可解;作组成组成移动副的两活动构件上重合点的运动分析时,如果铰链点不在导路上(4) 、 (5)相等(6) 同一构件上任意三点构成的图形与速度图(或加速度图)中代表该三点绝对速度(或加速度)的矢量端点构成的图形, 一致 ;已知某构件上两点的速度,可方便求出第三点的速度。
(7)由于牵连构件的运动为转动,使得相对速度的方向不断变化。
3-31613361331P P P P=ωω 3-4 略3-5(1)080m /s C v .=(2)0.72m /s E v = (3) ϕ=26°、227° 3-6~3-9 略3-10(a )、(b )存在, (c )、(d )不存在。
3-11~3-16 略 3-17第四章 平面机构的力分析、摩擦及机械的效率4-14-24-3 )sin )((211212l l ll l l f f V +++=θ4-4 F =1430N 4-5~4-9略232/95.110s m v -==ωB v JI v4-10 )2()2(ρρη+-=b a a b4-11 5667.0 31.110==≤ηϕα 4-12 59.0=η 4-13 59.0=η4-14 2185.0=η N Q 3.10297= 4-15 7848.0113.637==ηN F4-16 KW P 026.88224.0==η 4-17 KW P 53.96296.0==η4-18 ϕα2≤ 4-19 F =140N4-20 ϕαϕ-<<O 90第五章 平面连杆机构及其设计5-15-2(1) 摇杆(尺寸),曲柄(曲柄与连杆组成的转动副尺寸),机架(连杆作为机架) (2) 有,AB ,曲柄摇杆机构 ;AB ;CD 为机架(3) 曲柄 与 机架 (4) 曲柄摇杆机构、偏置曲柄滑块机构、摆动导杆机构 (5) 曲柄摇杆机构、摆动导杆机构;曲柄滑块机构 (6) 等速,为主动件 (7) 7 (8) 往复 ,且 连杆与从动件 (9) 选取新机架、刚化搬移、作垂直平分线;包含待求铰链 且 位置已知 (10) 9 ; 5 5-3 70 < l AD <670 5-4~5-18 略5-19 l AC =150mm l CD =3000mm h =279.9 mm5-20 a =63.923mm b =101.197mm c =101.094mm d =80mm第六章 凸轮机构及其设计6-16-26-3(1)等加速等减速、余弦加速度、等速、正弦加速度、五次多项式 (2)刚性、柔性(3)理论廓线(4)互为法向等距曲线(5)增大基圆半径、采用正偏置(6)增大基圆半径、减小滚子半径(7)提高凸轮机构运动的轻巧性和效率、避免加速度过大造成冲击 6-4略 6-56-6 ~ 6-13略 6-146-15 6-16略第七章 齿轮机构及其设计7-1︒==6858.70822rad πδ︒='=︒≡====1803064.3432.1700min max 0δδαααmmh mm r 6332.343776.51240-='='-=δy x6395.185947.4060='-='=δy x7-27-3(1) (2)7-4 z = 41.45 7-5略7-6 (1) (2) 7-7 7-8略 7-9 7-10 7-11略7-12 (1) (2) (3) 7-13(1) (2) (3) 7-14略7-15 7-16略7-17 共有7种方案 7-18~7-19 略302021==z z 6.931517.5617115.377a b a s mm s mmr mm===634.1=εαmmj mmc mma t 77.269.494.15523.23='='='=α'smm v mm L /490==刀294-==x z 8.04.88==x z 9899.482234117229.1142444153.44='''=='==K K Kρθα mmr K K 3433.702444='= α8879.22α='mm r mm r 2.618.4021='='mmd z mmm 120304===5.0-=x mms 827.4=1.04711x =-7-207-21 7-22 略7-23正传动, 7-24~7-25 略 7-26(1)正传动(2) 7-27 略 7-287-29 略第八章 齿轮系及其设计8—18—28—3(1)从动轮齿数的连乘积除以主动轮齿数的连乘积、数外啮合次数或用画箭头的 (2)用画箭头的(3)有无使行星轮产生复合运动的转臂(系杆) (4)相对运动原理(5)一个或几个中心轮、一个转臂(系杆)、一个或几个行星轮(6)转化轮系中A 轮到B 轮的传动比、周转轮系中A 轮到B 轮的传动比、AB i 可以通过H ABi 求解(7)找出周转轮系中的行星轮、转臂及其中心轮 (8)传动比条件、同心条件、均布装配条件、邻接条件(9)传动比很大结构紧凑效率较低、要求传动比大的传递运动的场合、传动比较小效率较0399.02='x mm a 5892.90='mm r a 93.581=13.7291β=116.36v z = 2.6934γε=2222(1)175(2)185163(3) 5.7106(4)112.5a f d mm d mm d mma mmβ=====高、传递动力和要求效率较高的场合 (10)差动轮系 8-4 8-58-6 8-7 8-8 8-98-10 8-11 8-12(a ) (b ) 8-13(1) (2) 8-14 z 2≈68 8-15 8-16 8-17 (1) (2) 8-188-198-20 m in /28.154r n B -=8-21只行星轮满足邻接条件件,只行星轮不满足邻接条34144803mml z H ==8-22 162/108/5463/42/2136/24/12321===z z z第九章 其他常用机构9-1 9-2 9-3 9-4mms 075.0=232==n k mml B 3=8.658=ϕm in/84r n =mm R 975.23=32143211''-=z z z z z z i H m in/3r n H =NF 64.308=5.141-=i 072.016-=i m in /600r n H -=m in/385.15r n H =31=H i 8.11=H i 0=H n min /667.653197min /2min /340042r n r n r n A ≈===m in /47.26r n c =m in/1350r n c -=min /6349.063407r n ≈=4286.0731-≈-=H i .1533.433=i第十章 机械的运转及其速度波动的调节10-110-210-3 2 05.050kgm J Nm M e er =-=10-4222212334111()()e e z z J J J J m m e M M Qe z z =++++=- 10-520.14.20J kg m M Nm ==-10-6 2334.()cos cos ABr G l h J M G F gφφ==- 10-7332.18221857e e J kgm MNm ==10-811100/50/rad s rad s αω==10-9maxmax minmin 30.048140.962/2 39.038/0,2rad s rad s δωφπωφπ=====10-102280.4730.388F FJ kgm J kgm '== 10-1102max max 623.1/min104.1654 2.11329F n r J kgm φ===10-12max max minmin 0.06381031.916/min 968.08/mine bn r nr δφφφφ===== 10-1326maxmin 302F eb f Nm J kgm ωφωφ==→→第十一章 机械的平衡11-111-211-3 2.109252.66o b b r cm θ==11-412.31068.5227bA bB m kg m kg==11-511-611-711-8)(2)(2 , )b )( )( , )a ⅡⅡ ⅠⅠ ⅡⅡ ⅠⅠ 上下动不平衡静平衡上下动不平衡静平衡mrr m mr r m mr r m mr r m b b b b b b b b ====oⅡb Ⅱo b Ⅰgm W W W 90 84.08419 gm 0628.1Ⅱb 3Ⅰb ==='==θθ0B 0A 120 285.0 8584.260 285.0 8584.2======bA bB bA bA kg m kgmm W kg m kgmm W θθb b 819.15 2.048 267.3512.98 1.283 118.44b b b b W kgmm m kg W kgmm m kg I I I II II II ==θ===θ=。
第二章2-1 何谓构件?何谓运动副及运动副元素?运动副是如何进行分类的?答:参考教材5~7页。
2-2 机构运动简图有何用处?它能表示出原机构哪些方面的特征?答:机构运动简图可以表示机构的组成和运动传递情况,可进行运动分析,也可用来进行动力分析。
2-3 机构具有确定运动的条件是什么?当机构的原动件数少于或多于机构的自由度时,机构的运动将发生什么情况?答:参考教材12~13页。
2-5 在计算平面机构的自由度时,应注意哪些事项?答:参考教材15~17页。
2-6 在图2-22所示的机构中,在铰链C、B、D处,被连接的两构件上连接点的轨迹都是重合的,那么能说该机构有三个虚约束吗?为什么?答:不能,因为在铰链C、B、D中任何一处,被连接的两构件上连接点的轨迹重合是由于其他两处的作用,所以只能算一处。
2-7 何谓机构的组成原理?何谓基本杆组?它具有什么特性?如何确定基本杆组的级别及机构的级别? 答:参考教材18~19页。
2-8 为何要对平面高副机构进行“高副低代"?“高副低代”应满足的条件是什么?答:参考教材20~21页。
2-11 如图所示为一简易冲床的初拟设计方案。
设计者的思路是:动力由齿轮1输入,使轴 A连续回转;而固装在轴A上的凸轮2与杠杆3组成的凸轮机构将使冲头上下运动以达到冲压目的。
试绘出其机构运动简图,分析其是否能实现设计意图?并提出修改方案。
解:1)取比例尺绘制机构运动简图。
2)分析其是否可实现设计意图。
F=3n-( 2P l +P h –p’ )-F’=3×3-(2×4+1-0)-0=0此简易冲床不能运动,无法实现设计意图。
3)修改方案。
为了使此机构运动,应增加一个自由度。
办法是:增加一个活动构件,一个低副。
修改方案很多,现提供两种。
※2-13图示为一新型偏心轮滑阎式真空泵。
其偏心轮1绕固定轴心A转动,与外环2固连在一起的滑阀3在可绕固定轴心C转动的圆柱4中滑动。
机械原理课后全部习题答案目录第1章绪论 (1)第2章平面机构的结构分析 (3)第3章平面连杆机构 (8)第4章凸轮机构及其设计 (15)第5章齿轮机构 (19)第6章轮系及其设计 (26)第8章机械运动力学方程 (32)第9章平面机构的平衡 (39)第一章绪论一、补充题1、复习思考题1)、机器应具有什么特征?机器通常由哪三部分组成?各部分的功能是什么?2)、机器与机构有什么异同点?3)、什么叫构件?什么叫零件?什么叫通用零件和专用零件?试各举二个实例。
4)、设计机器时应满足哪些基本要求?试选取一台机器,分析设计时应满足的基本要求。
2、填空题1)、机器或机构,都是由组合而成的。
2)、机器或机构的之间,具有确定的相对运动。
3)、机器可以用来人的劳动,完成有用的。
4)、组成机构、并且相互间能作的物体,叫做构件。
5)、从运动的角度看,机构的主要功用在于运动或运动的形式。
6)、构件是机器的单元。
零件是机器的单元。
7)、机器的工作部分须完成机器的动作,且处于整个传动的。
8)、机器的传动部分是把原动部分的运动和功率传递给工作部分的。
9)、构件之间具有的相对运动,并能完成的机械功或实现能量转换的的组合,叫机器。
3、判断题1)、构件都是可动的。
()2)、机器的传动部分都是机构。
()3)、互相之间能作相对运动的物件是构件。
()4)、只从运动方面讲,机构是具有确定相对运动构件的组合。
()5)、机构的作用,只是传递或转换运动的形式。
()6)、机器是构件之间具有确定的相对运动,并能完成有用的机械功或实现能量转换的构件的组合。
()7)、机构中的主动件和被动件,都是构件。
()2 填空题答案1)、构件2)、构件3)、代替机械功4)、相对运动5)、传递转换6)、运动制造7)、预定终端8)、中间环节9)、确定有用构件3判断题答案1)、√2)、√3)、√4)、√5)、×6)、√7)、√第二章 机构的结构分析2-7 是试指出图2-26中直接接触的构件所构成的运动副的名称。
第四章课后习题4—12图示为一曲柄滑块机构的三个位置,F为作用在活塞上的力转动副A及B上所画的小圆为摩擦圆,试决定在此三个位置时作用在连杆AB上的作用力的真实方向(构件重量及惯性力略去不计)。
解:上图中构件2受压力。
因在转动副A处2、1之间的夹角∠OAB在逐渐减小,故相对角速度ω21沿顺时针方向,又因2受压力,故FR12应切于摩擦圆的下方;在转动副B处,2、3之间的夹角∠OBA在逐渐增大,相对角速度ω23也沿顺时针方向,故FR32应切于摩擦圆的上方。
R32解:上图构件2依然受压力。
因在转动副A处2、1之间的夹角∠OAB逐渐减小,故相对角速度ω21沿顺时针方向,又因2受压力,故F R12应切于摩擦圆的下方;在转动副B处,2、3之间的夹角∠OBA逐渐减小,故相对角速度ω23沿逆时针方向,F R32应切于摩擦圆的下方。
解:上图构件2受拉力。
因在转动副A处2、1之间的夹角∠OAB在逐渐增大,故相对角速度ω21沿顺时针方向,又因2受拉力,故FR12应切于摩擦圆的上方;在转动副B处,2、3之间的夹角∠OBA逐渐减小,故相对角速度ω23沿顺时针方向,FR32应切于摩擦圆的下方。
4-13 图示为一摆动推杆盘形凸轮机构,凸轮1沿逆时针方向回转,F为作用在推杆2上的外载荷,试确定凸轮1及机架3作用给推杆2的总反力FR12及FR32方位(不考虑构件的重量及惯性力,解:经受力分析,FR12的方向如上图所示。
在FR12的作用下,2相对于3顺时针转动,故FR32应切于摩擦圆的左侧。
补充题1 如图所示,楔块机构中,已知γ=β=60°,Q =1000N 格接触面摩擦系数f =0.15,如Q 为有效阻力,试求所需的驱动力F 。
解:对机构进行受力分析,并作出力三角形如图。
对楔块1,R 21R310F F F ++=由正弦定理有21sin(602sin(90R F F ϕϕ+-=))o o ① 对楔块2,同理有R12R320Q F F ++=sin(90sin(602ϕϕ+-=))o o ②sin(602sin(602F Q ϕϕ+=⋅-))o o且有2112R R F F = ,8.53arctgf ϕ==o ③联立以上三式,求解得F =1430.65N2 如图示斜面机构,已知:f (滑块1、2与导槽3相互之间摩擦系数)、λ(滑块1的倾斜角)、Q (工作阻力,沿水平方向),设不计两滑块质量,试确定该机构等速运动时所需的铅重方向的驱动力F 。
机械原理习题答案机械原理是工程学科中的一个重要分支,它涉及到机械设计、运动学和动力学等多个方面。
以下是一些机械原理习题的答案示例:习题一:平面机构的自由度计算已知一个平面机构由4个刚体组成,其中包含3个铰链和2个滑动接头。
求该机构的自由度。
答案:根据格伯尔定理,平面机构的自由度计算公式为:\[ F = 3n - 2j - h \]其中,\( n \) 是刚体的数量,\( j \) 是铰链的数量,\( h \) 是滑动接头的数量。
将已知数值代入公式:\[ F = 3 \times 4 - 2 \times 3 - 2 = 12 - 6 - 2 = 4 \]所以,该机构的自由度为4。
习题二:四连杆机构的运动分析考虑一个四连杆机构,其中杆AB和CD固定,杆BC和AD为活动杆。
求当杆AD的长度为L时,杆BC的位移和速度。
答案:设杆AD的长度为\( L \),杆BC的长度为\( l \)。
根据四连杆机构的几何关系,可以得出杆BC的位移和速度的表达式。
位移表达式:\[ s_{BC} = l \sin(\theta) \]其中,\( \theta \) 是杆AD与杆AB之间的夹角。
速度表达式:\[ v_{BC} = l \cos(\theta) \cdot \omega \]其中,\( \omega \) 是杆AD的角速度。
习题三:齿轮传动的传动比计算已知一对齿轮,主动轮的齿数为20,从动轮的齿数为100。
求传动比。
答案:齿轮传动比的计算公式为:\[ i = \frac{N_2}{N_1} \]其中,\( N_1 \) 是主动轮的齿数,\( N_2 \) 是从动轮的齿数。
代入已知数值:\[ i = \frac{100}{20} = 5 \]所以,传动比为5。
习题四:凸轮机构的从动件运动规律分析考虑一个凸轮机构,凸轮为圆形,半径为R。
从动件在凸轮的上升过程中以匀速运动。
求从动件在凸轮上升过程中的位移和速度。
答案:假设凸轮以角速度\( \omega \) 旋转,凸轮上升的角度为\( \theta \),则从动件的位移表达式为:\[ s = R \theta \]速度表达式为:\[ v = R \omega \]习题五:机械振动的自由振动分析已知一个单自由度振动系统,其质量为\( m \),刚度系数为\( k \),初始位移为\( A \),初始速度为0。
机械原理课后全部习题解答文档编制序号:[KKIDT-LLE0828-LLETD298-POI08]《机械原理》习题解答机械工程学院目录第1章绪论 (1)第2章平面机构的结构分析 (3)第3章平面连杆机构 (8)第4章凸轮机构及其设计 (15)第5章齿轮机构 (19)第6章轮系及其设计 (26)第8章机械运动力学方程 (32)第9章平面机构的平衡 (39)第一章绪论一、补充题1、复习思考题1)、机器应具有什么特征机器通常由哪三部分组成各部分的功能是什么2)、机器与机构有什么异同点3)、什么叫构件什么叫零件什么叫通用零件和专用零件试各举二个实例。
4)、设计机器时应满足哪些基本要求试选取一台机器,分析设计时应满足的基本要求。
2、填空题1)、机器或机构,都是由组合而成的。
2)、机器或机构的之间,具有确定的相对运动。
3)、机器可以用来人的劳动,完成有用的。
4)、组成机构、并且相互间能作的物体,叫做构件。
5)、从运动的角度看,机构的主要功用在于运动或运动的形式。
6)、构件是机器的单元。
零件是机器的单元。
7)、机器的工作部分须完成机器的动作,且处于整个传动的。
8)、机器的传动部分是把原动部分的运动和功率传递给工作部分的。
9)、构件之间具有的相对运动,并能完成的机械功或实现能量转换的的组合,叫机器。
3、判断题1)、构件都是可动的。
()2)、机器的传动部分都是机构。
()3)、互相之间能作相对运动的物件是构件。
()4)、只从运动方面讲,机构是具有确定相对运动构件的组合。
()5)、机构的作用,只是传递或转换运动的形式。
()6)、机器是构件之间具有确定的相对运动,并能完成有用的机械功或实现能量转换的构件的组合。
()7)、机构中的主动件和被动件,都是构件。
()2 填空题答案1)、构件 2)、构件 3)、代替机械功 4)、相对运动 5)、传递转换6)、运动制造 7)、预定终端 8)、中间环节 9)、确定有用构件3判断题答案1)、√ 2)、√ 3)、√ 4)、√ 5)、× 6)、√ 7)、√第二章 机构的结构分析2-7 是试指出图2-26中直接接触的构件所构成的运动副的名称。
机械原理习题及答案修订版IBMT standardization office【IBMT5AB-IBMT08-IBMT2C-ZZT18】第二章 平面机构的结构分析2-1 绘制图示机构的运动简图。
2-3 计算图示机构的自由度,并指出复合铰链、局部自由度和虚约束。
解:(a) C 处为复合铰链。
7,n =p h =0,p l =10。
自由度 323721001W l h F n p p =--=⨯-⨯-=。
(b) B 处为局部自由度,应消除。
3n =, p h =2,p l =2自由度 323323121W l h F n p p =--=⨯-⨯-⨯=。
(c) B 、D 处为局部自由度,应消除。
3n =, p h =2,p l =2。
自由度 323323121W l h F n p p =--=⨯-⨯-⨯=。
(d) CH 或DG 、J 处为虚约束,B 处为局部自由度,应消除。
6n =,p h =1,p l =8。
自由度 32362811W l h F n p p =--=⨯-⨯-=。
(e) 由于采用对称结构,其中一边的双联齿轮构成虚约束,在连接的轴颈处,外壳与支架处的连接构成一个虚约束转动副,双联齿轮与外壳一边构成虚约束。
其中的一边为复合铰链。
其中4n =,p h =2,p l =4。
自由度 32342422W l h F n p p =--=⨯-⨯-=。
(f) 其中,8n =,p h =0,p l =11。
自由度 323821102W l h F n p p =--=⨯-⨯-=。
(g) ① 当未刹车时,6n =,p h =0,p l =8,刹车机构自由度为② 当闸瓦之一刹紧车轮时,5n =,p h =0,p l =7,刹车机构自由度为③ 当两个闸瓦同时刹紧车轮时,4n =,p h =0,p l =6,刹车机构自由度为2-3 判断图示机构是否有确定的运动,若否,提出修改方案。
分析 (a) 要分析其运动是否实现设计意图,就要计算机构自由度,不难求出该机构自由度为零,即机构不能动。
第二章机构的结构分析一、填空与选择题1、B、A 2 、由两构件直接接触而产生的具有某种相对运动3、低副,高副,2,1 4 、后者有作为机架的固定构件5、自由度的数目等于原动件的数目;运动不确定或机构被破坏6、"7、8、19、受力情况10、原动件、机架、若干个基本杆组11、A B 12、C 13、C二、绘制机构简图1、计算自由度7, 9 , 2 323X 7-2 X 9-2=13三、自由度计算(a)E处为局部自由度;F处(或G处)为虚约束计算自由度 4 , 5, 1 323 X 4-2 X 5-1=1自由度的数目等于原动件的数目所以该机构具有确定的运动。
(b)E处(或F处)为虚约束计算自由度 5 , 7, 0 323 X 5-2 X 7=1自由度的数目等于原动件的数目所以该机构具有确定的运动。
(c)B处为局部自由度;F处为复合铰链;J处(或K处)为虚约束计算自由度9 , 12, 2 323 X 9-2 X 12-2=1自由度的数目等于原动件的数目所以该机构具有确定的运动。
(d)B处为局部自由度;C处为复合铰链;G处(或I处)为虚约束计算自由度7 , 9, 1 323 X 7-2 X 9-1=2自由度的数目大于原动件的数目所以该机构不具有确定的运动。
(e)构件(或)及其两端的转动副引入一个虚约束计算自由度 3 ,4,0 323 X 3-2X 4=1自由度的数目等于原动件的数目所以该机构具有确定的运动。
(f)C处为复合铰链;计算自由度7 ,10,0 323 X 7-2 X 10=1自由度的数目等于原动件的数目所以该机构具有确定的运动。
(g)B处为局部自由度;F处为复合铰链;E处(或D处)为虚约束计算自由度6,8, 1 323 X 6-2X 8-1=1(h)去掉杆8此处存在虚约束;B和C处为复合铰链计算自由度7 ,10,0 323 X 7-2 X 10=1(i) C处为复合铰链计算自由度 5 , =7 , 0 323 X 5-2 X 7=1自由度的数目等于原动件的数目,所以该机构具有确定的运动。
参考答案 第一章 绪论一,填空题1.1 能量,物料,信息1.2运动,动力 1.3制造,运动,装配 二、选择题2.1 D 2.2 B 三,简答题第二章 机械的结构分析二、综合题1.n = 7 ,p l = 9 ,p h = 121927323=-⨯-⨯=--=h l P P n F从图中可以看出该机构有2个原动件,而由于原动件数与机构的自由度数相等,故该机构具有确定的运动。
2. (a )D 、E 处分别为复合铰链(2个铰链的复合);B 处滚子的运动为局部自由度;构件F 、G 及其联接用的转动副会带来虚约束。
n = 8 ,p l = 11 ,p h = 1111128323=-⨯-⨯=--=h l P P n F3. (c )n = 6 ,p l = 7 ,p h = 313726323=-⨯-⨯=--=h l P P n F(e )n = 7 ,p l = 10 ,p h = 0101027323=-⨯-⨯=--=h l P P n F 4. (a )n = 5 ,p l = 7 ,p h = 010725323=-⨯-⨯=--=h l P P n FⅡ级组 Ⅱ级组 因为该机构是由最高级别为Ⅱ级组的基本杆组构成的,所以为Ⅱ级机构。
(c )n = 5 ,p l = 7 ,p h = 010725323=-⨯-⨯=--=h l P P n FⅢ级组因为该机构是由最高级别为Ⅲ级组的基本杆组构成的,所以为Ⅲ级机构。
5. n = 7 ,p l =10 ,p h = 0101027323=-⨯-⨯=--=h l P P n FⅡ级组 Ⅲ级组当以构件AB 为原动件时,该机构为Ⅲ级机构。
Ⅱ级组 Ⅱ级组 Ⅱ级组当以构件FG 为原动件时,该机构为Ⅱ级机构。
可见同一机构,若所取的原动件不同,则有可能成为不同级别的机构。
6. (a )n = 3 ,p l = 4 ,p h = 101423323=-⨯-⨯=--=h l P P n F因为机构的自由度为0,说明它根本不能运动。
机械原理习题及答案 Prepared on 22 November 2020第二章 平面机构的结构分析 2-1 绘制图示机构的运动简图。
2-3 计算图示机构的自由度,并指出复合铰链、局部自由度和虚约束。
解:(a) C 处为复合铰链。
7,n =p h =0,p l =10。
自由度 323721001W l h F n p p =--=⨯-⨯-=。
(b) B 处为局部自由度,应消除。
3n =, p h =2,p l =2自由度 323323121W l h F n p p =--=⨯-⨯-⨯=。
(c) B 、D 处为局部自由度,应消除。
3n =, p h =2,p l =2。
自由度 323323121W l h F n p p =--=⨯-⨯-⨯=。
(d) CH 或DG 、J 处为虚约束,B 处为局部自由度,应消除。
6n =,p h =1,p l =8。
自由度 32362811W l h F n p p =--=⨯-⨯-=。
(e) 由于采用对称结构,其中一边的双联齿轮构成虚约束,在连接的轴颈处,外壳与支架处的连接构成一个虚约束转动副,双联齿轮与外壳一边构成虚约束。
其中的一边为复合铰链。
其中4n =,p h =2,p l =4。
自由度 32342422W l h F n p p =--=⨯-⨯-=。
(f) 其中,8n =,p h =0,p l =11。
自由度 323821102W l h F n p p =--=⨯-⨯-=。
(g) ① 当未刹车时,6n =,p h =0,p l =8,刹车机构自由度为② 当闸瓦之一刹紧车轮时,5n =,p h =0,p l =7,刹车机构自由度为③ 当两个闸瓦同时刹紧车轮时,4n =,p h =0,p l =6,刹车机构自由度为2-3 判断图示机构是否有确定的运动,若否,提出修改方案。
分析 (a) 要分析其运动是否实现设计意图,就要计算机构自由度,不难求出该机构自由度为零,即机构不能动。
机械原理课后习题答案机械原理是工程学科中的一个重要分支,它涉及到机械设计、运动学、动力学分析等多个方面。
课后习题是帮助学生巩固和深化理解这些概念的有效手段。
以下是一些机械原理课后习题的答案示例:题目1:简述四连杆机构的工作原理。
答案:四连杆机构是一种基本的平面运动机构,由四个连杆组成,其中至少有一个连杆是固定的,称为框架。
四连杆机构的工作原理是通过改变连杆的长度和角度,实现运动的转换。
例如,曲柄滑块机构就是一种典型的四连杆机构,它能够将曲柄的旋转运动转换为滑块的直线运动。
题目2:什么是静平衡和动平衡?答案:静平衡指的是物体在静止状态下,所有力的矢量和为零,即物体处于平衡状态。
动平衡则是指物体在运动状态下,所有力和力矩的矢量和为零,物体在运动过程中保持平衡。
动平衡通常需要考虑旋转物体的离心力和惯性力。
题目3:解释什么是惯性力和惯性力矩。
答案:惯性力是指当物体受到外力作用时,由于物体的惯性,会倾向于保持原来的运动状态。
惯性力的大小等于物体的质量乘以加速度。
惯性力矩则是指物体在旋转过程中,由于惯性作用产生的力矩,其大小等于物体的质量乘以半径乘以加速度。
题目4:简述齿轮传动的基本原理。
答案:齿轮传动是一种通过齿轮之间的啮合来传递运动和动力的机械传动方式。
基本原理是两个或多个齿轮的齿相互嵌合,使得一个齿轮的旋转能够带动另一个齿轮旋转。
齿轮传动可以改变转速和扭矩,实现不同的传动比。
题目5:什么是机械效率?答案:机械效率是指机械系统输出的有用功与输入的总功之比。
它是衡量机械系统性能的一个重要指标,反映了机械系统在能量转换过程中的效率。
机械效率越高,说明系统在能量转换过程中损失的能量越少。
请注意,以上答案仅为示例,具体的习题答案需要根据实际的题目内容来编写。
如果需要针对特定的习题提供答案,请提供具体的题目信息。
机械原理课后习题及参考答案第二章机构的结构分析2-2 图2-38所示为一简易冲床的初拟设计方案。
设计者的思路是:动力由齿轮1输入,使轴A连续回转;而固装在轴A上的凸轮2与杠杆3组成的凸轮机构将使冲头4上下运动以达到冲压的目的。
试绘出其机构运动简图,分析其运动是否确定,并提出修改措施。
4351 2解答:原机构自由度F=3⨯3- 2 ⨯4-1 = 0,不合理,改为以下几种结构均可:2-3 图2-396为连杆;7为齿轮及偏心轮;8为机架;9为压头。
试绘制其机构运动简图,并计算其自由度。
O齿轮及偏心轮ωA齿轮及凸轮BEFDC压头机架连杆滑杆滑块摆杆滚子解答:n=7; P l =9; P h =2,F=3⨯7-2 ⨯9-2 = 12-6 试计算图2-42所示凸轮—连杆组合机构的自由度。
解答:a) n=7; P l =9; P h =2,F=3⨯7-2 ⨯9-2 =1 L 处存在局部自由度,D 处存在虚约束b) n=5; P l =6; P h =2,F=3⨯5-2 ⨯6-2 =1 E 、B 处存在局部自由度,F 、C 处存在虚约束b)a)A EMDFELKJIFBCCDBA2-7 试计算图2-43所示齿轮—连杆组合机构的自由度。
BDCA(a)CDBA(b)解答:a) n=4; P l =5; P h =1,F=3⨯4-2 ⨯5-1=1 A 处存在复合铰链 b) n=6; P l =7; P h =3,F=3⨯6-2 ⨯7-3=1 B 、C 、D 处存在复合铰链2-8 试计算图2-44所示刹车机构的自由度。
并就刹车过程说明此机构自由度的变化情况。
解答:① 当未刹车时,F=3⨯6-2 ⨯8=2② 在刹车瞬时,F=3⨯5-2⨯7=1,此时构件EFG 和车轮接触成为一体,位置保持不变,可看作为机架。
③ 完全刹死以后,F=3⨯4-2⨯6=0,此时构件EFG 、HIJ 和车轮接触成为一体,位置保持不变,可看作为机架。
习题参考答案第二章 机构的结构分析2-2 图2-38所示为一简易冲床的初拟设计方案。
设计者的思路是:动力由齿轮1输入,使轴A 连续回转;而固装在轴A 上的凸轮2与杠杆3组成的凸轮机构将使冲头4上下运动以达到冲压的目的。
43512解答:原机构自由度F=3⨯3- 2 ⨯4-1 = 0,不合理 ,2-3 图2-39所示为一小型压力机,其中,1为滚子;2为摆杆;3为滑块;4为滑杆;5为齿轮及凸轮;6为连杆;7为齿轮及偏心轮;8为机架;9为压头。
试绘制其机构运动简图,并计算其自由度。
O齿轮及偏心轮ωA齿轮及凸轮BEFDC压头机架连杆滑杆滑块摆杆滚子解答:n=7; P l =9; P h =2,F=3⨯7-2 ⨯9-2 = 12-6 试计算图2-42所示凸轮—连杆组合机构的自由度。
解答:a) n=7; P l =9; P h =2,F=3⨯7-2 ⨯9-2 =1 L 处存在局部自由度,D 处存在虚约束 b) n=5; P l =6; P h =2,F=3⨯5-2 ⨯6-2 =1 E 、B 处存在局部自由度,F 、C 处存在虚约束b)a)A EMDFELKJIFBCCDBA2-7 试计算图2-43所示齿轮—连杆组合机构的自由度。
BDCA(a)CDBA(b)解答:a) n=4; P l =5; P h =1,F=3⨯4-2 ⨯5-1=1 A 处存在复合铰链b) n=6; P l =7; P h =3,F=3⨯6-2 ⨯7-3=1 B 、C 、D 处存在复合铰链2-8 试计算图2-44所示刹车机构的自由度。
并就刹车过程说明此机构自由度的变化情况。
解答:① 当未刹车时,F=3⨯6-2 ⨯8=2② 在刹车瞬时,F=3⨯5-2⨯7=1,此时构件EFG 和车轮接触成为一体,位置保持不变,可看作为机架。
③ 完全刹死以后,F=3⨯4-2⨯6=0,此时构件EFG 、HIJ 和车轮接触成为一体,位置保持不变,可看I F EHJOGCAB D作为机架。
第二章机构的结构分析一、填空与选择题1、B、A2、由两构件直接接触而产生的具有某种相对运动3、低副,高副,2,14、后者有作为机架的固定构件5、自由度的数目等于原动件的数目;运动不确定或机构被破坏6、√7、8、19、受力情况 10、原动件、机架、若干个基本杆组11、A、B 12、C 13、C二、绘制机构简图1、计算自由度 7, 9,2 323×7-2×9-2=12、3、 4、三、自由度计算(a)E处为局部自由度;F处(或G处)为虚约束计算自由度 4,5,1 323×4-2×5-1=1自由度的数目等于原动件的数目所以该机构具有确定的运动。
(b) E处(或F处)为虚约束计算自由度 5,7,0 323×5-2×7=1自由度的数目等于原动件的数目所以该机构具有确定的运动。
(c) B处为局部自由度;F处为复合铰链;J处(或K处)为虚约束计算自由度 9,12,2 323×9-2×12-2=1自由度的数目等于原动件的数目所以该机构具有确定的运动。
(d) B处为局部自由度;C处为复合铰链;G处(或I处)为虚约束计算自由度 7,9,1 323×7-2×9-1=2自由度的数目大于原动件的数目所以该机构不具有确定的运动。
(e) 构件(或)及其两端的转动副引入一个虚约束计算自由度 3,4,0 323×3-2×4=1自由度的数目等于原动件的数目所以该机构具有确定的运动。
(f) C处为复合铰链;计算自由度 7,10,0 323×7-2×10=1自由度的数目等于原动件的数目所以该机构具有确定的运动。
(g) B处为局部自由度;F处为复合铰链;E处(或D处)为虚约束计算自由度 6,8,1 323×6-2×8-1=1(h)去掉杆8此处存在虚约束;B和C处为复合铰链计算自由度 7,10,0 323×7-2×10=1(i) C处为复合铰链计算自由度 5, =7,0 323×5-2×7=1自由度的数目等于原动件的数目,所以该机构具有确定的运动。
四、试计算下图所示机构的自由度,并作出它们仅含低副的替代机构。
替代机构如下图所示:(1)计算自由度4,5,1 323×4-2×5-1=1(2)计算自由度3,3,2 323×3-2×3-2=1五、计算下图所示机构的自由度,并通过结构分析确定当构件1、5分别为原动件时机构的级别。
计算自由度 5,7,0 323×5-2×7=1 机构分析如下图所示。
可见,若以构件1为原动件,该机构为级杆组;若以构件5为原动件,该机构为级杆组。
笫三章 平面机构的运动分析 一、选择与填空题1、B2、A3、D4、D5、D6、同一直线上;7、N (1)/2 二、分析、计算题1、試求下图所示各机构在图示位置时全部瞬心的位置。
.2、下图所示的正切机构中,如果0.1m,v3=1.36,a3=31.22方向如图所示,试用矢量方程图解法求构件1的角速度和角加速度。
(用矢量方程图解法)3、试判断在图示两机构中,(1)B点是否都存在科氏加速度?(2)找出科氏加速度为零的所有位置;(3)标出图a中的2B3。
4、下图所示的正切机构中,如果0.1m,v3=1.36,a3=31.22方向如图所示,试用矢量方程图解法求构件1的角速度和角加速度。
(用矢量方程图解法)5、已知机构各构件的长度、,原动件1以等角速度1逆时针转动,用矢量方程图解法求图示位置构件2、构件3的角速度2、3和角加速度2、3(列出相关的速度和加速度矢量方程式;作出速度图和加速度图)。
解: 大小 ?1?方向3= 2 = 2pb v μ3 =22v B BC l pb v l BCμμ=, 逆时针ω1=ω2=常数, 1=2=0大小 ω32? ω122ω12B1 ? 方向 BCB ABCb b l a l a C B B μματ22333'''== 逆时针6、下图所示的摇杆机构中,如果0.03m ,0.1m ,0.05m ,0.04m ,曲柄1以等角速度ω1=10回转,试用相对运动图解法求构件2上E 点的速度和加速度以及构件2的角速度和角加速度。
1212B B B B v v v ρρρ+=322212121n k rB B B B B B B B B a a a a a a a τ==+=++r r r r r r r7、图示为一汽车雨刷器机构。
其构件1绕固定轴心A 转动,齿条2与构件1在B 点处铰接,并与绕固定轴心D 转动的齿轮3啮合(滚子5用来保证两者始终啮合),固连于轮3的雨刷3′作往复摆动。
设机构的尺寸为18 ,轮3的分度圆半径r 312,原动件1以等角速度1=1顺时针转动,试用图解法确定雨刷的摆程角和图示位置时雨刷的角速度和角加速度。
解:1.选定长度比例尺μ0.0015()作机构运动简图(a ),确定雨刷的极限位置,得出导程角。
两极限位置C 、C ′,其导程角为。
2.速度分析210.18B AB v l mmω==选B 为重合点的速度矢量方程式大小 ?1?方向以0.001vμ=1(/)m s mm -⋅作速度多边形图(b )62B B v =260.018mm/s v b b μ=2=6= 660.059rad/s B v BDl vpb l BDμμ==,(逆时针)3.加速度分析大小 ω62 ? ω122ω26B2 ? 方向 B D BA式中,22210.018/B AB al m s ω==22660.00018m/s n B BDa l ω==26266220.0021m/s B B B B v ω==k a以0.005aμ=2(/)m s mm -⋅作加速度多边形图(c )'26660.38/B a BD l a b r rad sl BDτμαμ''===,(顺时针)8、如图所示已知曲柄的长度L 1、转角ψ1、等角速度ω1及中心距L 4,要求确定导杆的转角ψ3、6262B B B B v v v =+r r r66626262n k r B B B B B B B B a a a a a a τ=+=++r r r r r r角速度ω3和角加速度3,以及滑块在导杆上的位置s 、滑动速度2B 3及加速度2B 3。
(用复数矢量法,推导出方程式即可) 解:1)位置分析:s l l =+14,即 31124ϕϕπi i i se e l e l =+ (a ) 展开后分别取实部和虚部:311cos cos ϕϕs l = 3114sin sin ϕϕs l l =+两式相除得:114113cos sin arctanϕϕϕl l l += 311cos cos ϕϕls =2)速度分析::将式(a )对时间求导数得:331)2(3)2(11ϕπϕπϕϕϕi i i e s es el &&&+=++ (b )方向: )2(1πϕ+i e )2(3πϕ+i e 3ϕi e大小: 1111ωϕl l =& 3ϕ&s s& 意义: 2 = 3 + 2B 3 两边分别乘以3ϕi e -后展开,并取实部和虚部得: )sin()sin(3111311132ϕϕωϕϕϕ--=--==l l s v B B && sl s l )cos()cos(3111311133ϕϕωϕϕϕϕω-=-==&&3)加速度分析:将式(b )对时间求导数得:33331)2(3)2(3)(23)(2112ϕπϕπϕπϕπϕϕϕϕϕi i i i i e s e s e s e s e l &&&&&&&&+++=++++方向: )(1πϕ+i e )(2πϕ+i e )2(2πϕ+i e )2(3πϕ+i e3ϕi e大小: 211ϕ&l 23ϕ&s 3ϕ&&s 32ϕ&&s s &&意义: nB 2a = n B 3a + t B 3a + k B B 32a + r B B 32a两边分别乘以3ϕi e -后展开,并取实部和虚部得:)cos()cos(3121123312112332ϕϕωωϕϕϕϕ--=--==l s l s s a rB B &&&& sl v s l s B B )sin(2)sin(23121133231211333ϕϕωωϕϕϕϕϕα-+-=-+-==&&&&& 第四章 平面机构的力分析 一、选择与填空题1、驱动力、阻抗力2、×3、与构件2相对于构件1的转动方向相反4、×5、驱动力、与运动方向成锐角或一致、阻抗力、与运动方向成钝角或相反6、F Ⅰ、M Ⅰ=07、F Ⅰ=0、M Ⅰα8、 329、C 10、 A 11、C 二、分析、计算题1、在图示摆动导杆机构中,已知300,φ1=90°,φ3=30°,加于导杆的力矩M 3=60。
求图示位置各运动副中的反力和应加于曲柄1上的平衡力矩。
解:首先以2,3杆组成的级杆组为研究对象,其上作用的力如图b 所示,对C 点取矩可求出)(1006.060312N l M R BC t B === )(10043N Rt C =以滑块B 为研究对象,其上作用的力如图c ,对于平面共点力系可得到)(10032N R B = 012=n B R043=nC R 以曲柄1为研究对象,其上作用的力如图d 所示)(10041N R A = m)15(N 0.30.5100l sin30R M AB B ⋅=⨯⨯=⨯︒=21b2、如图一曲柄滑块机构。
已知各构件的尺寸、摩擦圆、摩擦角,作用在滑块3上的水平阻力,驱动力为作用在B 点处且垂直于的。
试确定:(1)哪个构件为二力平衡构件,哪些构件为三力平衡构件;(2)构件4对构件1的运动副反力的方向是向上还是向下; (3)标出各运动副反力的方向;(4)求机构的各运动副反力及构件1上的驱动力。
解:(1)构件2为二力平衡构件,构件1、3为三力平衡构件。
(2)构件4对构件1的副反力的方向向上。
(3)如图。
(4)构件3的力平衡条件 方向 知 知 知大小 知 ? ?4323=++R R Q F F F ρρρ选力比例尺F u ,作矢量多边形,如图所示,Fu ⋅=⋅=bc F ,u ca F R F R 4323ρρ构件1的力平衡条件 方向 知 知 知大小 ? 知 ?F F F R R b =++4121ρρρF b F R F R R u da F ,u cd F ,u ac F F ⋅=⋅=⋅=-=ρρρρ4123213、图示为一手压机,已知作用在构件1上的主动力500N,简图中转动副处的大圆为摩擦圆,摩擦角的大小示于右侧。