成本会计第4次网上作业答案
- 格式:doc
- 大小:80.00 KB
- 文档页数:4
国家开放大学《成本会计#》形考作业4参考答案国家开放大学《成本会计#》形考作业4参考答案1、()是将待分配的辅助生产费用直接分配给辅助生产车间以外的各受益产品、部门,而不考虑各辅助生产车间相互提供产品或劳务的一种分配方法。
A. 计划成本分配法B. 代数分配法C. 交互分配法D. 直接分配法2、采用交互分配法分配辅助生产费用时,对外分配的费用总额是()。
A. 交互分配前的费用加上交互分配转入的费用,再减去交互分配转出的费用B. 交互分配前的费用减去交互分配转出的费用C. 交互分配前的费用加上交互分配转入的费用D. 辅助生产成本明细账归集的费用3、采用计划成本分配法分配辅助生产费用时,辅助生产车间实际发生的费用应该是()。
A. 该车间明细账归集的费用减去按计划成本分配转出的费用B. 该车间明细账归集的费用加上按计划成本分配转入的费用减去按计划成本分配转出的费用C. 该车间明细账归集的费用加上按计划成本分配转出的费用减去按计划成本分配转入的费用D. 该车间明细账归集的费用加上按计划成本分配转入的费用4、辅助生产车间生产完工的修理用备件入库时,应借记的账户是()。
A. 原材料B. 低值易耗品C. 基本生产成本D. 辅助生产成本5、下列方法中,属于辅助生产费用分配方法的是()。
A. 生产工时比例分配法B. 定额成本法C. 机器工时比例分配法D. 计划成本分配法6、交互分配法下辅助生产交互分配后的实际费用,应再在()进行分配。
A. 各辅助生产车间B. 各受益单位之间C. 辅助生产以外的受益单位之间D. 各基本生产车间7、适用于实行电算化的企业,且分配结果最为准确的分配辅助生产费用的方法是()。
A. 计划成本分配法B. 交互分配法C. 直接分配法D. 代数分配法8、下列选项中,关于辅助生产的特点说法错误的是()。
A. 主要对企业内部提供产品或劳务,一般很少对外提供服务B. 辅助生产车间本期发生的费用遵循“谁受益谁承担”的原则C. 以生产的产品或劳务为对象归集费用D. 辅助生产产品和劳务成本的高低和分配合理与否对企业产品成本水平的影响不大9、下列关于分配辅助生产费用的方法,说法错误的是()。
红色字体为答案成本还原的对象是()。
∙本步骤生产费用∙上步骤转来的生产费用∙产成品成本∙各步骤所耗上一步骤半成品的综合成本成本报表属于()。
∙对外报表∙对内报表∙既是对内报表,又是对外报表∙对内还是对外,企业自行决定成本会计最基础的职能是()。
∙成本预测∙成本决策∙成本核算∙成本考核如果某种产品所耗原材料费用在产品成本中所占比重很大,在产品成本的确定可使用的方法是()。
∙约当产量法∙在产品按年初数固定计算法∙在产品按所耗原材料费用计算法∙在产品按完工产品成本法下列各项中,既是一种成本计算方法,又是一种成本管理方法的是()。
∙分类法∙分批法∙品种法∙定额法不属于成本核算的主要会计账户有()∙辅助生产成本∙基本生产成本∙制造费用∙固定资产在进行产品成本核算时,要求单独核算的废品损失一般()。
∙在产品和完工产品之间采用特定方法进行分配∙全部由完工产品成本负担∙直接作为期间费用∙全部由月末在产品负担实行包退、包修、包换“三包”的企业,在产品出售以后发现的废品所发生的一切损失,在财务上应计入()。
∙废品损失∙营业外支出∙管理费用∙基本生产成本原材料在每道工序开始时一次投料的情况下,分配原材料费用的在产品的投料程度,为下列项目与完工产品原材料消耗定额的比率()。
∙在产品所在工序原材料消耗定额∙在产品所在工序原材料消耗定额之半∙在产品所在工序原材料累计消耗定额∙在产品所在工序原材料累计消耗定额之半在分析可比产品成本降低任务完成情况时,只有产量变动会使()。
∙成本降低额增加∙成本降低额减少∙成本降低率增加∙成本降低率减少∙成本降低率不变计算不可修复废品的生产成本,可以按废品所耗的实际费用,也可以按废品所耗()。
∙消耗定额∙定额费用∙定额消耗∙费用定额成本会计的对象可以概括为()。
∙各行业企业生产经营业务的成本∙各行业企业有关的期间费用∙各行业企业生产经营业务的成本和有关的期间费用∙各行业企业生产经营业务的成本、有关的经营管理费用和各项专项成本约当产量比例法不适用于()的在产品成本计算。
成本会计网上形考任务-第2次任务1、某基本生产车间生产甲、乙、丙三种产品,共计生产工时25000小时,其中:甲产品5000小时,乙产品10000小时,丙产品10000小时。
本月发生各种间接费用如下:(1)以银行存款支付劳动保护费2400元;(2)车间管理人员工资3000元;(3)按车间管理人员工资的14%提取福利费;(4)车间消耗材料2000 元;(5)车间固定资产折旧费1800元;(6)预提修理费800元;(7)本月摊销保险费600元;(8)辅助生产成本(修理,运输费)转入1400元;(9)以银行存款支付办公费,水电费,邮电费及其他支出等共计1880元。
(10)采用生产工时比例法在各种产品之间分配制造费用。
要求:根据上述资料编制制造费用发生和分配的会计分录。
(“基本生产成本”列明细账)(本题20分)答:(1)借:制造费用2400 (2)借:制造费用3000贷:银行存款2400 贷:应付工资3000(3)借:制造费用420 (4)借:制造费用2000贷:应付福利费420 贷:原材料2000(5)借:制造费用1800 (6)借:制造费用800贷:累计折旧1800 贷:预提费用800(7)借:制造费用600 (8)借:制造费用1400贷:待摊费用600 贷:辅助生产成本1400(9)借:制造费用1880贷:银行存款1880本月制造费用合计=2400+3000+420+2000+1800+800+600+1400+1880=14300制造费用分配率=14300/(5000+10000+10000)=0.572甲产品应负担的制造费用=5000*0.572=2860乙产品应负担的制造费用=10000*0.572=5720丙产品应负担的制造费用=10000*0.572=5720借:基本生产成本—甲产品2860—乙产品5720—丙产品5720贷:制造费用143002、某生产车间生产甲产品本月投产700件,完工验收入库发现废品80件;合格品生产工时1700小时,废品工时300小时。
成本会计电大网考单选题(共30题,共60分)1. 下列各项中,属于直接计入费用的有()。
三厂A 几种产品负担的制造费用壬—B 几种产品共同耗用的原材料费用C 一种产品耗用的生产工人职工薪酬D 几种产品共同负担的机器设备折旧费参考答案:C;考生答案:--;试题分数:2 ;考生得分:22. 适用于大量大批的单步骤生产的产品成本计算方法是().* A 品种法壬―B 分类法产C分步法D 分批法参考答案:A;考生答案:A;试题分数:2;考生得分:23. 辅助生产交互分配后的实际费用,应再在()进行分配。
A 各基本生产车间B 各受益单位之间” C 辅助生产以外的受益单位之间D 各辅助生产车间参考答案:C;考生答案:C;试题分数:2;考生得分:24. 下列方法中,不计算半成品成本的分步法是()。
.A 平行结转分步法B 分项结转分步法C 综合结转分步法D 逐步结转分步法参考答案:A;考生答案:A;试题分数:2;考生得分:25. 在实际工作中,如果外购动力费通过“应付账款”账户核算时,在支付动力费用时应()。
.A 借记“应付账款”B 贷记“应付账款”C 借记有关费用账户D 贷记有关费用账户参考答案:A;考生答案:A;试题分数:2;考生得分:26. 企业成本报表()。
厂A是对外报送的报表* B 是对内编报的报表C 由有关部门规定哪些指标对外公布,哪些指标不对外公布D 可根据债权人和投资人的要求,确定哪些指标对外公布,哪些指标不对外公布参考答案:B;考生答案:B;试题分数:2;考生得分:27. 下列不属于制造费用的是()。
~^~A车间机物料消耗B 融资租入固定资产的租赁费.C 劳动保护费D 季节性停工损失参考答案:B;考生答案:C;试题分数:2;考生得分:08. 在小批单件多步骤生产情况下,如果管理不要求分步计算产品成本,应采用的成本计算方法是()。
.A 分批法B 分步法~J~C分类法广 D 定额成本法参考答案:A;考生答案:A;试题分数:2;考生得分:29. 在脱离定额差异的核算中,与制造费用脱离定额差异核算方法相同的是()A 原材料厂B 自制半成品.C 计时工资形式下的直接人工费用D 计件工资形式下的直接人工费用参考答案:C;考生答案:C;试题分数:2;考生得分:210. 分类法的适用范围与企业的生产类型()。
成本会计作业4答案一、单选题:1—5 CCDAB 6—10 DACAD二、多选题:1—5 ABC ABC ABCD CDE ACE6—10 ABC ABCE ABE ACD ABD三、判断题:1—5 ╳√√√╳ 6—10 ╳╳╳╳╳四、简答题:1、(1)定额法适用的条件是:定额管理制度比较健全,定额管理工作基础较好,产品生产已定型,各项消耗定额比较准确、稳定的企业。
(2)主要特点:事前制定产品的消耗定额、费用定额和定额成本作为降低成本的目标;在生产费用发生的当时,就将符合定额的费用和发生的差异分别核算,以加强成本差异的日常核算、分析和控制;月末,在定额成本的基础上,加减各种成本差异,计算产品的实际成本,并为成本的定期考核和分析提供数据。
2、连环替代法的分析程序为:(1)分解指标因素并确定因素的排列顺序将影响某项经济指标完成情况的因素,按其内在依存关系,分解其构成因素,并按一定的顺序排列这些因素。
(2)逐次替代因素每次将其中一个因素由基期数替换成分析期数,其他因素暂时不变。
每个因素替换为分析期数后不再返回为基期数。
后面因素的替换均是在前面因素已经替换成分析期数的基础上进行的。
如此类推,有几个因素需要替换几次,逐一逐一地替换。
(3)确定影响结果每个因素替换以后,均会得出一个综合指标的结果,将每个因素替换以后的结果与替换以前的结果相减,即可得出该替换因素变动对综合指标的影响数额。
(4)汇总影响结果将已计算出来的各因素的影响额汇总相加与综合指标变动的总差异比较,确定其计算的正确性。
连环替代法的的特点是:(1)连环替代的顺序性。
(2)替代因素的连环性。
连环替代法是严格按照各因素的排列顺序逐次以一个因素的实际数替换其基数。
除第一次替换外,每各因素的替换都是在前一个因素替换的基础上进行的。
(3)计算结果的假设性。
运用这一方法在测定某一因素影响是,是以假定其他因素不变为条件的。
五、计算及分析题:A类产品成本计算单2、(1)新制定的材料费用定额=220*0.9 = 198元本月完工产品的原材料定额费用=198*500=99000元(2) 本月末在产品的原材料定额费用=5000-100+100000-99000 = 5900元(3)原材料脱离定额差异率=(-145-5100)/(99000+5900) = -5%本月材料成本差异=(100000—5100)*1%=949元本月完工产品原材料实际费用= 99000+99000*(-5%)+949+100 =95099元月末在产品= 5900+5900*(-5%)=5605元(2)全部产品生产成本降低额=58650—58450=200元(超支)降低率=200/58450 = 0.34%(超支)(3)产值成本率=58650/102000 *100 = 57.5元/百元以上计算表明:本月全部产品实际总成本虽然比计划超支,但本月商品产值也大,从产品成本率分析看,企业本月生产耗费的经济效益不错。
成本会计网上形考任务•第4次任务1,某企业设一个基本生产车间,分两个生产步骤大量大批生产甲产品,采用逐步综合结转分步法讣算产品成本。
第一生产步骤加工完成的半成品直接转入第二生产步骤,不通过“自制半成品”科目核算。
第一生产步骤完工半成品800件,第二生产步骤完工产成品1000件,各生产步骤月末在产品均按左额成本计价(有关成本资料见表1、2各生产步骤产品成本明细账)表1产品成本明细账产品名称:屮半成品201 X年10丿]完丄产量:800件表2 产成品明细账产品名称:甲产成品201 X年10月完工产量1000件结转完工半成品成本借:基本生产成本---第二生产步骤90000贷:基本生产成本——第一生产步骤90000(2)成本还原产品成本还原计算表产品名称:甲产成品2001年10月完工产量:1000件还原分配率=94500/90000=1. 05(3)结转产成品成本借:产成品102500贷:基本生产成本——第二生产步骤1025002要求:将本月所产产成品成本进行成本还原(填表计算,写出计算过程)。
(本题15分)产品成本还原计算表还原分配率=152004-30400=0.5产品成本中半成品成本还原:原材料:18240 X0.5 = 9120工资及福利费:6420 X0.5 = 3490制造费用:5880 X 0.5 = 2590合计=9120+3490+2590=15200 还原后产品总成本:原材料:9120工资及福利费:6420 + 3490 = 9910制造费用:5880 + 2590 = 8470合计=9120+9910+8470 =275003.某工业企业大量生产甲产品。
生产分为两个步骤,分别由第一.第二两个车间进行。
第一车间为第二车间提供半成品,第二车间将半成品加工成产成品。
该厂采用平行结转分步法按照生产步骤(车间)讣算产品成本。
在完工产品和在产品之间,采用立额比例法分配费用:原材料费用按定额费用比例分配;其他费用按定额工时比例分配。
成本会计电大网考单选题(共30题,共60分)1. 下列各项中,属于直接计入费用的有( )。
A 几种产品负担的制造费用B 几种产品共同耗用的原材料费用C 一种产品耗用的生产工人职工薪酬D 几种产品共同负担的机器设备折旧费参考答案:C;考生答案:--;试题分数:2;考生得分:22. 适用于大量大批的单步骤生产的产品成本计算方法是( ).A 品种法B 分类法C 分步法D 分批法参考答案:A;考生答案:A;试题分数:2;考生得分:23. 辅助生产交互分配后的实际费用,应再在 ( ) 进行分配。
A 各基本生产车间B 各受益单位之间C 辅助生产以外的受益单位之间D 各辅助生产车间参考答案:C;考生答案:C;试题分数:2;考生得分:24. 下列方法中,不计算半成品成本的分步法是()。
A 平行结转分步法B 分项结转分步法C 综合结转分步法D 逐步结转分步法参考答案:A;考生答案:A;试题分数:2;考生得分:25. 在实际工作中,如果外购动力费通过“应付账款”账户核算时,在支付动力费用时应()。
A 借记“应付账款”B 贷记“应付账款”C 借记有关费用账户D 贷记有关费用账户参考答案:A;考生答案:A;试题分数:2;考生得分:26. 企业成本报表()。
A 是对外报送的报表B 是对内编报的报表C 由有关部门规定哪些指标对外公布,哪些指标不对外公布D 可根据债权人和投资人的要求,确定哪些指标对外公布,哪些指标不对外公布参考答案:B;考生答案:B;试题分数:2;考生得分:27. 下列不属于制造费用的是( )。
A 车间机物料消耗B 融资租入固定资产的租赁费C 劳动保护费D 季节性停工损失参考答案:B;考生答案:C;试题分数:2;考生得分:08. 在小批单件多步骤生产情况下,如果管理不要求分步计算产品成本,应采用的成本计算方法是( )。
A 分批法B 分步法C 分类法D 定额成本法参考答案:A;考生答案:A;试题分数:2;考生得分:29. 在脱离定额差异的核算中,与制造费用脱离定额差异核算方法相同的是()。
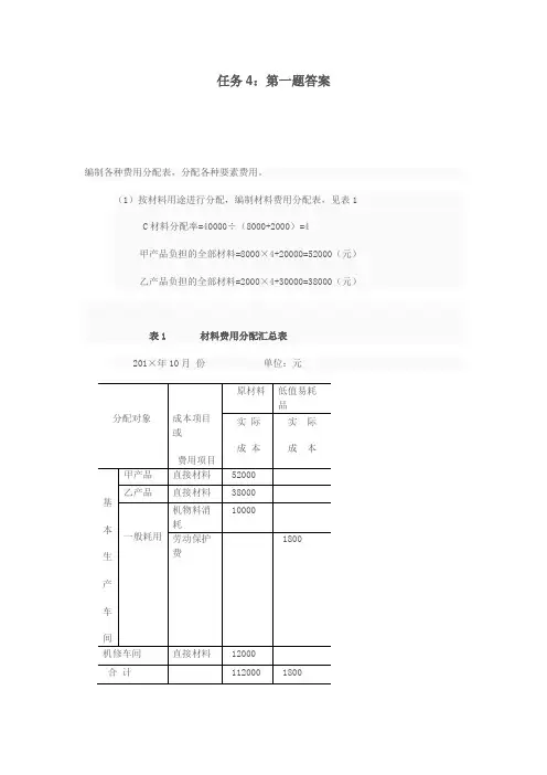
任务4:第一题答案编制各种费用分配表,分配各种要素费用。
(1)按材料用途进行分配,编制材料费用分配表,见表1 C材料分配率=40000÷(8000+2000)=4甲产品负担的全部材料=8000×4+20000=52000(元)乙产品负担的全部材料=2000×4+30000=38000(元)表1 材料费用分配汇总表201×年10月份单位:元根据“材料费用分配表”,编制会计分录如下:1)借:基本生产成本——甲产品 52000——乙产品 38000辅助生产成本——机修车间 12000制造费用 10000贷:原材料 1120002)借:原材料 200制造费用 1800贷:低值易耗品——低值易耗品摊销 2000借:低值易耗品——低值易耗品摊销 4000贷:低值易耗品——在用低值易耗品 4000(2)根据各车间、部门的工资计算单和规定的福利费计提比例,分配工资并计提福利费。
编制职工薪酬分配表,见表2。
工资费用分配率=40000÷(6000+2000)=5甲产品负担的工资费用=6000×5=30000(元)乙产品负担的工资费用=2000×5=10000(元)表2 职工薪酬分配表201×年10月份单位:元根据“职工薪酬分配表”,编制会计分录如下:1)借:基本生产成本——甲产品 30000——乙产品 10000辅助生产成本——机修车间 15000制造费用 8000贷:应付职工薪酬 630002)借:基本生产成本——甲产品 1500——乙产品 500辅助生产成本——机修车间 750制造费用 400贷:应付职工薪酬 66150(3)根据各车间、部门的固定资产使用情况及固定资产折旧的计提办法,编制固定资产折旧费用分配计算表,见表3。
基本生产车间月折旧额=200000×1%=2000(元)辅助生产车间月折旧额=80000×1%= 800(元)表3 固定资产折旧费用分配表201×年10月份单位:元根据“固定资产折旧费用分配表”,编制会计分录如下:借:制造费用 2000辅助生产成本—机修车间 800贷:累计折旧 2800(4)编制各项货币支出汇总表,见表4。
成本会计网上形考任务-第4次任务1、某企业采用逐步结转分步法计算产品成本。
本月份三个生产步骤生产甲产品,材料在开始生产时的第一个生产步骤一次投入,第二个生产步骤对第一个生产步骤生产的半成品继续进行加工,第三个生产步骤对第二个生产步骤生产的半成品继续进行加工生产出甲产成品。
各个生产步骤间不设半成品库,每个生产步骤生产出半成品直接转给下一个生产步骤继续加工、直至生产出甲产品。
产品生产过程中除原材料以外的其它费用在各个生产步骤陆续发生,月末各个生产步骤的在产品完工程度均为60%,各个生产步骤的产量资料如下:要求:将归集在各步骤成本计算单中的生产费用,采用约当产量法在各个步骤的本月完工产品和月末在产品之间进行分配,并计算出完工产品成本和月末在产品成本将计算结果填入表中)。
(本题25分)2、某企业本月生产产品的成本资料如下。
该企业采用逐步结转分步法中的综合结转法结转半成品成本。
产品成本还原计算表产量:100件还原分配率=15200÷30400=0.5产品成本中半成品成本还原:原材料:18240 ×0.5 = 9120工资及福利费:6420 ×0.5 = 3490制造费用:5880 ×0.5 = 2590合计= 9120+3490+2590=15200还原后产品总成本:原材料:9120工资及福利费:6420 + 3490 = 9910制造费用:5880 + 2590 = 8470合计= 9120+9910+8470 =275003、某工业企业大量生产甲产品。
生产分为两个步骤,分别由第一、第二两个车间进行。
第一车间为第二车间提供半成品,第二车间将半成品加工成产成品。
该厂采用平行结转分步法按照生产步骤(车间)计算产品成本。
在完工产品和在产品之间,采用定额比例法分配费用:原材料费用按定额费用比例分配;其他费用按定额工时比例分配。
有关资料如下表:产品成本明细账表注:分配率保留三位小数产品成本明细账产成品成本汇总表产成品名称:甲产量:350件要求:(1)登记产品成本明细账,采用平行结转分步法计算、结转产成品成本。
1、某公司采纳逐渐结转分步法计算产品成本。
本月份三个生产步骤生产甲产品,资料在开始生产时的第一个生产步骤一次投入,第二个生产步骤对第一个生产步骤生产的半成品持续进行加工,第三个生产步骤对第二个生产步骤生产的半成品持续进行加工生产出甲产成品。
各个生产步骤间不设半成品库,每个生产步骤生产出半成品直接转给下一个生产步骤继续加工、直至生产出甲产品。
产品生产过程中除原资料之外的其余花费在各个生产步骤陆续发生,月底各个生产步骤的在产品竣工程度均为60%,各个生产步骤的产量资料以下:项目第一世产步骤第二生产步骤第三生产步骤月初在产品数目203040本月投产数目200180300本月出产数目170200250要求:将归集在各步骤成本计算单中的生产花费,采纳约当产量法在各个步骤的本月完工产品和月底在产品之间进行分派,并计算出竣工产品成本和月底在产品成本将计算结果填入表中)。
(此题 25 分)约当产量 =170+(200+20-170)*=200第一世产步骤成本计算单(单位:元)项目直接资料直接薪资制造花费共计月初在产品成本400100100600 18009005003200本月发生花费共计220010006003800约当产量200200200200单位产本115319竣工产品成本18708505103230月底产品成本33015090570约当产量 =200+(30+180-200)*=206第二生产步骤成本计算单(单位:元)项目直接资料直接薪资制造花费共计月初在产品成本3003084101018本月发生花费187013406203830共计2170164810304848约当产量206206206206单位成本85竣工产品成本2106160010004706月底产品成本644830142约当产量 =250+(300+40-250)*=304第三生产步骤成本计算单(单位:元)项目直接资料直接薪资制造花费共计月初在产品成本10008905822472本月发生花费2106215018508578共计31063040243211050约当产量304304304304单位成本108竣工产品成本2555250020007055月底产品成本55154043215232、某公司本月生产产品的成本资料以下。
成本会计课程第四次网上形成性查核任务答案成本会计网上形考任务 -第 4 次任务1、资料:某公司下设一个基本生产车间和一个协助生产车间(机修车间),基本生产车间生产甲、乙两种产品。
该公司是大批生产的公司,因半成品不对外销售,所以,管理上不要求计算半成品成本。
所以,采纳品种法计算产品成本。
该公司推行一级成本核算,为了归集生产花费计算产品成本,设置了甲、乙两种产品的“基本生产成本明细账” 和协助生产车间的“协助生产车间明细账”。
“基本生产车间明细账”设置“直接资料”、“直接人工” 和“制造花费” 三个成本项目。
协助生产车间的制造花费不经过“制造花费” 科目核算发生时,直接归集在“协助生产成本”账户中。
(1)2000 年 10 月生产车间发生的经济业务以下:基本生产车间领有资料100000 元,此中:直接用于甲产品的 A 资料 20000 元,直接用于乙产品的 B 资料 30000 元,甲、乙产品共同耗用的C资料40000 元(按甲、乙产品的定额耗费量比率进行分派。
甲产品的定额耗费量为8000 公斤,乙产品的定额耗费量为 2000 公斤),车间的机物料耗费性资料 10000 元;协助生产车间领用资料 12000 元;合计 120000 元。
基本生产车间本月报废低值易耗品一批(劳动保护用品),实质成本为4000 元,残料入库,计价 200 元,采纳五五摊销法进行核算。
基本生产车间的工人薪资 42000 元(按甲、乙产品耗用的生产工时比率进行分派,甲产品的生产工时为 6000 小时,乙生产的生产工时为 2000小时),管理人职薪资 8400 元;协助生产车间的工人薪资 12600 元,管理人职薪资 3150 元;合计66150 元。
基本生产车间月初在用固定财产原值200000 元,月底在用固定财产原值 240000 元;协助生产车间月初、月底在用固定财产原值均为80000 元;按月折旧率 1%计提折旧。
基本生产车间发生其余钱币支出 9080 元,此中:办公费 2000 元,差旅费 3000 元,运输费4080 元;协助生产车间发生其余钱币支出 6100 元,此中:办公费 1000 元,差旅费 2000 元,运输费3100 元。
-第4次任务1、某企业采用逐步结转分步法计算产品成本。
本月份三个生产步骤生产甲产品,材料在开始生产时的第一个生产步骤一次投入,第二个生产步骤对第一个生产步骤生产的半成品继续进行加工,第三个生产步骤对第二个生产步骤生产的半成品继续进行加工生产出甲产成品。
各个生产步骤间不设半成品库,每个生产步骤生产出半成品直接转给下一个生产步骤继续加工、直至生产出甲产品。
产品生产过程中除原材料以外的其它费用在各个生产步骤陆续发生,月末各个生产步骤的在产要求:将归集在各步骤成本计算单中的生产费用,采用约当产量法在各个步骤的本月完工产品和月末在产品之间进行分配,并计算出完工产品成本和月末在产品成本将计算结果填入表中)。
(本题25分)要求:将本月所产产成品成本进行成本还原(填表计算,写出计算过程)。
(本题15分)产品成本还原计算表产量:100件还原分配率=15200÷30400=0.5产品成本中半成品成本还原:原材料:18240 ×0.5 = 9120工资及福利费:6420 ×0.5 = 3490制造费用:5880 ×0.5 = 2590合计= 9120+3490+2590=15200还原后产品总成本:原材料:9120工资及福利费:6420 + 3490 = 9910制造费用:5880 + 2590 = 8470合计= 9120+9910+8470 =27503、某工业企业大量生产甲产品。
生产分为两个步骤,分别由第一、第二两个车间进行。
第一车间为第二车间提供半成品,第二车间将半成品加工成产成品。
该厂采用平行结转分步法按照生产步骤(车间)计算产品成本。
在完工产品和在产品之间,采用定额比例法分配费用:原材料费用按定额费用比例分配;其他费用按定额工时比例分配。
有关资料如下表:产品成本明细账表注:分配率保留三位小数产 品 成 本 明 细 账产成品成本汇总表要求:(1)登记产品成本明细账,采用平行结转分步法计算、结转产成品成本。
成本会计网上形考任务-第4次任务
1、某企业采用逐步结转分步法计算产品成本。
本月份三个生产步骤生产甲产品,材料在开始生产时的第一个生产步骤一次投入,第二个生产步骤对第一个生产步骤生产的半成品继续进行加工,第三个生产步骤对第二个生产步骤生产的半成品继续进行加工生产出甲产成品。
各个生产步骤间不设半成品库,每个生产步骤生产出半成品直接转给下一个生产步骤继续加工、直至生产出甲产品。
产品生产过程中除原材料以外的其它费用在各个生产步骤陆续
工产品和月末在产品之间进行分配,并计算出完工产品成本和月末在产品成本将计算结果填入表中)。
(本题25分)
产品成本还原计算表
产量:100件
产品成本中半成品成本还原:
原材料:18240 ×0.5 = 9120
工资及福利费:6420 ×0.5 = 3490
制造费用:5880 ×0.5 = 2590
合计= 9120+3490+2590=15200
还原后产品总成本:
原材料:9120
工资及福利费:6420 + 3490 = 9910
制造费用:5880 + 2590 = 8470
合计= 9120+9910+8470 =27500
3、某工业企业大量生产甲产品。
生产分为两个步骤,分别由第一、第二两个车间进行。
第一车间为第二车间提供半成品,第二车间将半成品加工成产成品。
该厂采用平行结转分步法按照生产步骤(车间)计算产品成本。
在完工产品和在产品之间,采用定额比例法分配费用:原材料费用按定额费用比例分配;其他费用按定额工时比例分配。
有关资料如下表:
产 品 成 本 明 细 账
产 品 成 本
明 细 账
产成品成本汇总表
产成品名称:甲 产量:350件 (2)编制产成品成本汇总表,编制结转产成品成本的会计分录。
(本题35分)
借:库存商品—甲36458
贷:基本生产成本—一车间22158
基本生产成本—二车间14300
4、某企业对甲原料进行分离加工,生产出A、B、C三种产品。
其产量为:A产品100公斤,B 产品600公斤,C产品400公斤。
本月生产费用合计为:直接材料5090.40元,直接人工1696.80元,制造费用3393.60元。
产品全部完工。
单位销售价格:A产品10元,B产品8元,C产品5元。
要求:以A产品为标准产品,采用系数法分配计算三种产品成本(按售价折算系数)(将计算结果填入表中)。
(本题25分)。