素混凝土基础施工工艺
- 格式:doc
- 大小:58.50 KB
- 文档页数:3
素混凝土根底1 范围本工艺标准适用于工业与民用建筑中素混凝土根底。
2 施工预备2.1材料及主要机具:水泥:宜用325号~425号硅酸盐水泥、矿渣硅酸盐水泥和一般硅酸盐水泥。
砂:中砂或粗砂,含泥量不大于5%。
石子:卵石或碎石,粒径5~32mm,含泥量不大于2%,且无杂物。
水:应用自来水或不含有害物质的干净水。
外加剂、掺合料:其品种及掺量,应依据需要通过试验确定。
主要机具:搅拌机、磅秤、手推车或翻斗车、铁锹〔平头和尖头〕、振捣器〔插入式和平板式〕、刮杠、木抹子、胶皮管、串桶或溜槽等。
2.2作业条件:根底轴线尺寸、基底标高和地质状况均经过检查,并应办完隐检手续。
安装的模板已经过检查,符合设计要求,办完预检。
在槽帮、墙面或模板上做好混凝土上平的标志,大面积浇筑的根底每隔3m左右钉上水平桩。
埋在垫层中的暖卫、电气等各种管线均已安装完毕,并经过有关方面验收。
校核混凝土协作比,检查后台磅秤,进展技术交底。
预备好混凝土试模。
3 操作工艺3.1工艺流程:→→→→3.2清理:在地基或基土上去除淤泥和杂物,并应有防水和排水措施。
对于枯燥土应用水润湿,外表不得留有积水。
在支模的板内去除垃圾、泥土等杂物,并浇水润湿木模板,堵塞板缝和孔洞。
3.3混凝土拌制:后台要认真按混凝土的协作比投料:每盘投料挨次为石子→水泥→砂子〔掺合料〕→水〔外加剂〕。
严格把握用水量,搅拌要均匀,最短时间不少于90s。
3.4混凝土的浇筑混凝土的下料口距离所浇筑的混凝土外表高度不得超过2m。
如自由倾落超过2m 时,应承受串桶或溜槽。
混凝土的浇筑应分层连续进展,一般分层厚度为振捣器作用局部长度的 1.25倍,最大不超过50cm。
用插入式振捣器应快插慢拔,插点应均匀排列,逐点移动,挨次进展,不得遗漏,做到振捣密实。
移动间距不大于振捣棒作用半径的 1.5倍。
振捣上一层时应插入下层5cm,以去除两层间的接缝。
平板振捣器的移动间距,应能保证振动器的平板掩盖已振捣的边缘。
素混凝土(CFG)桩施工技术摘要:素混凝土(CFG)桩施工技术为建设部2005年重点推广的10项新技术之一,长螺旋钻孔管内泵压CFG桩成桩施工方法具有施工噪音低,成桩速度快,工程造价较低等特点。
本文通过工程实例,介绍素混凝土(CFG)桩施工方法。
关键词:素混凝土(CFG)桩长螺旋钻机桩基1、工程概况:靖边化工园区厂前区办公调度楼位于靖边县西北7公里处,处于毛乌苏沙漠南边缘,场地地基土主要由细砂,粉质粘土、粉土、砂岩组成,平均含水率在23%左右,颗粒主要矿物成分以长石,石英砂为主,细度模数为1.8,地基场地类别为Ⅱ类。
该工程为钢筋混凝土框架结构,地下一层,地上9层,总建筑面积37870㎡。
由于地基承载力要求较大(190Kpa),地基处理采用素混凝土刚形桩(CFG)复合地基,设计桩径400mm,有效长度7m,桩身混凝土强度为C20,桩总数为4238根。
2、施工工艺流程本桩基工程采用长螺旋钻孔,管内泵压混凝土成桩施工工艺,桩顶混凝土灌注标高高出设计标高500mm,待桩体混凝土强度达到70%以上时凿除桩顶设计标高以上部分混凝土。
(1)、施工流程:3、材料与机具设备准备(1)、材料:水泥:冀东p.042.5水泥。
砂子:靖边金鸡砂,Ⅰ类,特细砂,平均细度模数1.5。
石子:宁夏太阳山5—31mm连续粒级配Ⅰ类碎石。
掺合料:宁夏马莲台电厂F类Ⅰ级粉煤灰。
泵送剂:陕西宏巨HS—A型泵送剂。
(2)、设备和机具CFG21长螺旋钻机、HBT60混凝土输送泵、JS500混凝土搅拌机各1台,配料机,40型装载机各1台。
全站仪、经纬仪、水准仪、塌落度测量仪各1台。
(3)、施工前应按设计要求由实验室进行混凝土配合比试验,施工时按配合比配制混凝土,当砂石含有水时,应进行配合比调整。
4、施工方法:(1)、桩位放线①、专业测量技术人员在施工前必须重新学习有关工程测量规范,桩基施工质量验收规范,严格按照操作技术标准及有关精度要求施工。
素混凝土包封敷设施工方案一、背景介绍素混凝土包封敷是指将混凝土包覆在管道、管线以及其他设施上的施工工艺,其主要作用是保护管线和设施免受外界的损害和侵蚀。
素混凝土包封敷在城市建设、交通建设以及基础设施建设等领域中应用广泛,对于提高管线和设施的使用寿命以及维护工作具有重要意义。
二、施工准备在进行素混凝土包封敷施工之前,需要进行以下准备工作:1.确定施工区域:根据实际情况确定需要进行素混凝土包封敷的区域,清除施工区域内的障碍物和垃圾。
2.检查设施状态:对待封敷的管线和设施进行检查,确保其无损坏、无渗漏现象。
3.材料准备:准备所需的混凝土、沙子、石子等材料,并按照设计要求进行搅拌和配制。
4.施工人员准备:组织施工人员进行安全教育和技术培训,确保施工人员具备必要的技能和知识。
三、施工步骤1. 表面处理在进行素混凝土包封敷施工之前,需要对待封敷的管线和设施的表面进行处理,以提高混凝土的附着力和密封性。
具体步骤如下:1.使用高压水枪清洗管线和设施表面,去除油污、灰尘等杂质。
2.检测管线表面的平整度和粗糙度,并进行必要的修整和打磨。
3.使用适量的粘结剂涂覆于管线和设施表面,增强混凝土与管线的粘结力。
2. 拆分施工为了提高施工效率和施工质量,可以将待封敷的管线和设施分成若干个较小的段进行施工。
具体步骤如下:1.根据实际情况和设计要求,合理划定施工段落。
2.在划定的施工段落两端设置标线,以便进行施工时的定位。
3. 混凝土施工混凝土施工是素混凝土包封敷施工的核心环节,需要注意施工质量和施工速度的平衡。
具体步骤如下:1.根据施工段落的长度和宽度,计算所需的混凝土用量。
2.在施工段两端设置框架,并进行混凝土浇筑。
3.使用振动器进行混凝土的压实和排气。
4.在浇筑的混凝土表面设置定位器或标线,以便进行下一段的施工。
4. 后续处理在完成素混凝土包封敷施工后,需要进行必要的后续处理工作,以确保施工质量和效果。
具体步骤如下:1.催化剂处理:根据混凝土类型和要求,进行必要的催化剂处理,以提高混凝土的强度和稳定性。
混凝土基层施工工艺混凝土基层施工工艺一、前期准备工作混凝土基层施工前需要进行充分的准备工作,以确保施工的顺利进行。
具体的准备工作包括以下几个方面:1. 地面准备地面准备是混凝土基层施工的重要环节之一。
首先,需要清理施工区域的杂物、尘土和污垢,确保施工区域干净整洁。
然后,进行地面的平整和修补,修补地面上的裂缝和坑洞,以确保基层的平整度和牢固度。
2. 基底处理基底处理是为了增强基层的承载能力和稳定性。
在施工前,需要进行基底的处理工作。
常见的基底处理方式包括填充土石方和砂浆垫层。
填充土石方可以用于填充地面的低洼区域,提高地面的平整度;砂浆垫层可以用于填充地面的凹凸不平,增强地面的承载能力。
3. 基础设置基础设置是混凝土基层施工的关键步骤。
在施工前,需要根据设计要求设置基础,包括基础的深度、宽度和长度。
同时,在基础设置过程中,需要保证基础的水平度和垂直度,以确保基础的牢固性和稳定性。
二、混凝土基层施工步骤混凝土基层施工分为以下几个步骤进行:1. 模板制作在混凝土基层施工前,需要进行模板的制作。
模板可以用于固定混凝土的形状和尺寸,使混凝土施工更加规范和准确。
在模板制作过程中,需要注意模板的平整度、固定性和耐久性。
2. 施工前准备在施工前,需要对混凝土材料进行准备工作。
具体包括配料准备、搅拌设备的安装和调试,以及施工现场的清理和整理。
同时,还需要检查施工设备和材料的质量和数量,以确保施工的顺利进行。
3. 混凝土浇筑在混凝土基层施工过程中,需要进行混凝土的浇筑工作。
混凝土的浇筑可以采用手工浇筑或机械浇筑两种方式。
在浇筑过程中,需要注意混凝土的均匀性和紧密性,避免混凝土的渗漏和分层。
4. 平整和养护混凝土基层施工完成后,需要进行平整和养护工作。
平整工作主要包括对混凝土基层的整平和压实,以确保基层的平整度和牢固度;养护工作主要包括对混凝土基层的保水养护和防止外界因素的侵害,以促进混凝土的早期强度发展和工作性能的稳定。
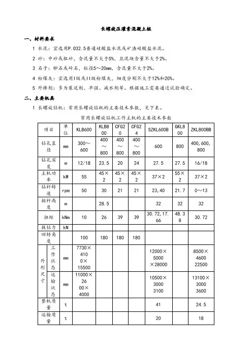
长螺旋压灌素混凝土桩一、材料要求1 水泥:宜选用P.O32.5普通硅酸盐水泥或矿渣硅酸盐水泥。
2 砂:中砂或粗砂,含泥量不大于5%,且泥块含量不大于2%。
3 石子:卵石或碎石,粒径5~20mm,含泥量不大于2%。
4 粉煤灰:宜选用I级或II级粉煤灰,细度分别不大于12%和20%。
5 外掺剂:多为泵送剂、早强、减水剂等。
根据施工需要通过试验确定。
二、主要机具1 长螺旋钻机:常用长螺旋钻机的主要技术参数,见下表。
常用长螺旋钻机工作主机的主要技术参数2 强制式搅拌机,现场搅拌素混凝土,规格宜选用500L以上。
3 混凝土输送泵,宜选用45-60M3/h规格。
4 连接混凝土输送泵与钻机的钢管、高强柔性管,内径宜不小于150mm。
5 溜槽或导管:将搅拌机出料溜至混凝土输送泵,导管直径宜不小于300mm。
6 手推车或机动小翻斗车,装卸运砂石料或运土。
7 磅秤,称砂石料重量,盘秤或天平称外加剂重量。
8 长短棒式振捣器,部分加长软轴,振捣桩体、混凝土用。
三、作业条件1 施工前应完成“三通一平”施工条件,现场电源根据设备功率大小,选用现场配电;水源根据设备数量,选用宜大勿小;场地应平整并具有一定的强度,如强度不足,应铺垫砂石,或垫钢板以利机械行走。
地上、地下如电线、管线、旧建筑物、设备基础等障碍物均己排除处理完毕,无碍施工。
各项临时设施如照明、动力、安全设备准备就绪。
2 熟悉施工图纸及场地的土质、水文地质资料,做到心中有数。
3 按CFG桩位平面图,测设桩位轴线、定位点,用φ25钢筋在桩位处扎入深度不小于300mm 的孔,填入白灰并插上钢筋棍,标识桩位,要求所有桩位一次全部放完,并由技术负责人组织质检员、施工员、班组长共同对桩位进行检查,确认准确无误后,与甲方或监理办理预检签字手续。
基坑内施工时,边坡应外扩不小于1.0m,以利边角桩施工。
4 施工前应将水泥、砂、石子、粉煤灰、外掺剂送实验室复试,同时进行配合比试验,保证各种材料合格并提出合适的配合比。
边坡工程素混凝土治理方案一、素混凝土概述素混凝土,是由水泥、骨料和水等主要材料组成,是一种比较常见的混凝土类型。
其主要特点是施工简单、成本低廉、使用范围广泛等。
素混凝土作为一种固化材料,可以有效地提高边坡的抗冲刷性和抗滑性,从而保障边坡的稳定性。
素混凝土治理方案广泛适用于山体边坡、填土边坡等的治理工程中,在实际的工程中有着广泛的应用场景。
二、素混凝土治理方案的施工工艺在进行素混凝土治理方案的施工前,需要进行详细的工程勘察和设计,根据实际情况确定施工的方案和具体的施工工艺。
一般来说,素混凝土治理方案的施工工艺包括以下几个步骤:1. 地面处理:在进行素混凝土边坡治理工程前,需要对边坡进行地面处理,除去边坡表面的泥土、杂草等杂物,保持边坡的清洁。
2. 基础处理:在进行素混凝土治理方案的施工前,需要对边坡的基础进行处理,包括对基础的清理和加固等工作。
3. 素混凝土的配制:素混凝土是由水泥、骨料和水等材料组成的混凝土,需要进行前期的配制工作,将水泥、骨料和水等按照一定的比例进行混合,制备成素混凝土。
4. 素混凝土的浇筑:在素混凝土治理方案的施工中,需要将预先配制好的素混凝土进行浇筑,填充到边坡的需要治理的部位,填充后对其进行充实和夯实,确保其与边坡紧密结合,形成一个整体。
5. 养护工作:对浇筑完成的素混凝土进行养护工作,保持其在养护期间的湿润和合理的温湿度条件,以确保其固化成型。
以上这些步骤是素混凝土治理方案的施工工艺中的关键步骤,合理的施工工艺和流程可以保障边坡治理工程的质量和效果。
三、素混凝土治理方案的质量控制在进行素混凝土治理方案的施工过程中,需要进行严格的质量控制,以确保工程的质量和稳定性。
素混凝土治理方案的质量控制包括以下几个方面:1. 材料的质量控制:在进行素混凝土治理方案的施工前,需要对水泥、骨料等所使用的材料进行检测和鉴定,确保其符合国家标准和工程要求。
2. 配制质量控制:在进行素混凝土的配制过程中,需要对水泥、骨料和水等进行严格的配比和搅拌,确保其混合均匀,符合工程要求。
素砼挡土墙施工方案挡土墙作为一种常见的土木工程结构,广泛应用于道路、铁路、水利工程等领域,其施工质量和效果对工程的安全性和稳定性具有重要影响。
本文将介绍素砼挡土墙的施工方案,包括施工准备、施工工艺和验收标准。
1. 施工准备1.1 材料准备在开始施工前,需要准备以下材料: - 水泥 - 碎石 - 沙子 - 砖头 - 钢筋 - 水1.2 设备准备除了材料外,还需要准备以下设备: - 手动搅拌机 - 振动器 - 铁锤 - 放线工具 - 挡土墙模板1.3 施工人员需要组建施工队伍,包括砌筑工、电工、验收人员等,并要确保所有人员具备相关证书和经验。
2. 施工工艺2.1 基础处理首先要对挡土墙的基础进行处理,确保基础平整、坚固,并在基础上设置标高点。
2.2 砌墙开始砌墙前,要在标高点上确定挡土墙的高度和宽度,根据设计要求设置挡土墙的模板,然后按照标高点和模板进行砌墙。
在砌墙过程中,要及时清理墙体表面的浆料,确保墙体平整。
2.3 钢筋加固在砌墙过程中,要设置合适的钢筋加固,钢筋的数量和位置应符合设计要求,固定牢固。
2.4 浇筑混凝土当砌墙达到设计高度后,要在墙体中间浇筑混凝土,混凝土应均匀浇注,并使用振动器进行震实,确保混凝土的密实性和均匀性。
2.5 拆模验收待混凝土充分凝固后,拆除挡土墙模板,对墙体进行验收,检查墙体是否符合设计要求,如有缺陷应及时修复。
3. 验收标准3.1 强度验收挡土墙的混凝土按照设计要求强度应满足,验收时可进行取样送检,也可进行现场试块试验。
3.2 平整度验收挡土墙表面应平整光滑,无明显凹凸,验收时可使用放线仪进行检测。
3.3 钢筋验收挡土墙内设置的钢筋应符合设计要求的数量和位置,验收时可使用探伤仪器检测。
结语通过本文对素砼挡土墙的施工方案的介绍,相信读者对挡土墙施工流程有了更清晰的了解。
在实际施工中,要严格按照设计要求和验收标准进行操作,确保挡土墙的质量和安全性。
希望本文对相关从业人员有所帮助。
C15素混凝土垫层施工方案一、简介C15素混凝土垫层是指混凝土强度等级为C15的一种垫层,主要用于提高地面的平整度和承重能力。
该垫层施工工艺简单,成本低廉,因此在建筑工程中广泛应用。
本文将介绍C15素混凝土垫层的施工方案。
二、施工步骤1. 基础处理在垫层施工前,必须对基础进行处理。
首先清理基础表面的杂物、泥土和混凝土残迹等,并清除深度不超过10mm的表面松散物。
然后对混凝土基础进行喷水保湿处理,以保证垫层处理后与基础良好结合。
2. 等高测量测量确定垫层高度,标出测量点,以便于在施工时调整高度和控制整体平整度。
3. 垫层制备将水泥、砂子、石子按照设计要求比例混合,调配浇灌料。
然后根据测量出的垫层高度,利用水平尺在基础表面上铺出厚度均匀的垫层,待浇灌料凝固后在施工面上进行抛光打磨。
4. 抛光打磨垫层凝固后,进行抛光打磨,使垫层表面平整度达到设计要求。
具体方法为用抛光机器完成,机器内可装有不同磨料用于不同阶段的研磨,磨料选用也应针对垫层材料的特性进行选择。
5. 喷涂保护剂施工完成后,喷涂适量的保护剂,可提高垫层的抗压强度、抗磨损和耐腐蚀性,同时保护垫层表面不受油、液体等腐蚀和附着。
三、注意事项•施工前要仔细检查基础是否平整,必要时进行修整。
•施工前应对施工材料进行筛选,确保其质量合格。
•垫层浇筑过程应保证水泥、砂子、石子的比例和配合适宜,确保垫层质量。
•施工过程中应保持垫层表面湿润,避免出现裂纹和鼓包现象。
•施工后应定期维护,保持垫层表面的平整度和光洁度。
四、本文介绍了C15素混凝土垫层的施工方案及注意事项。
该垫层具有成本低廉、施工工艺简单等优点,广泛应用于建筑工程中。
但在施工过程中要注意合理控制浇筑时间、浇筑厚度和打磨方式等细节问题,才能完成优质的垫层。
素混凝土垫层施工方案素混凝土垫层是指在地面基础上铺设一层厚度较薄的混凝土,用来填平地面不平整或者增加地面强度的一种施工工艺。
素混凝土垫层广泛应用于建筑工程、道路工程、桥梁工程等领域。
以下是一种常用的素混凝土垫层施工方案。
一、材料准备1.水泥:选择符合国家标准要求的普通硅酸盐水泥。
2.细砂:选择符合国家标准要求的天然砂,杂质含量低。
3.碎石:选择符合国家标准要求的天然石子,粒径均匀。
4.水:选择清洁无污染的现场水源。
二、工具准备1.施工机械:除草机、挖掘机、平地机等。
2.施工工具:水准仪、摊铺机、振捣器、钢板、铲子等。
三、施工步骤1.清理工地:清除工地上的杂草、石块、油污等,并修整地面。
2.基层处理:对基层进行修整、碾压,确保基层平整、牢固。
3.安装模板:根据设计要求,在工地上安装好模板,模板要平整、牢固。
4.拌合料:按照一定的配比,将水泥、细砂、碎石等材料进行拌合,保证拌合料的质量。
5.施工:将拌合料铺设在模板上,并用摊铺机或人工铺设,注意保持均匀一致。
6.压实:使用振捣器对铺设好的混凝土进行压实,确保混凝土的密实度。
7.抹平:使用钢板对压实好的混凝土进行抹平,使其表面平整。
8.养护:对施工好的混凝土进行养护,保持其湿润,防止干裂。
四、施工注意事项1.施工过程中,要保持施工现场的整洁,杂物不能进入混凝土内部。
2.施工中要注意安全,工人需佩戴好安全帽、防护鞋等个人防护装备。
3.施工过程中,要定期检查振捣器的工作状态,确保其正常运转,保证混凝土的密实度。
4.施工完成后,要及时进行养护,保持混凝土的湿润,防止干裂。
综上所述,素混凝土垫层施工方案主要包括材料准备、工具准备、施工步骤和注意事项等方面的内容。
在施工过程中,需要严格按照方案要求进行操作,保证施工质量。
只有做好这些准备工作和施工步骤,才能确保素混凝土垫层施工的顺利进行和施工质量的达标。
(一)施工工艺流程施工准备测量放线基槽开挖地基承载力检测安装泄水孔做滤水层浇筑混凝土拆除模板立模加固养护。
(二)施工方案1、施工场地准备(1)测量放线,定出开挖边界线。
(2)清除挡墙用地范围内的杂草、垃圾等所有障碍物;在基槽周围挖设排水沟,排除地表水。
2、基槽开挖采用挖掘机进行基槽开挖,开挖长度根据现场地质情况进行分段开挖,每段10或20米。
机械开挖至基底设计标高以上20cm时,重新进行测量放样,确定开挖正确不偏位的情况下改用人工进行基底清理,严格采用人工清理,确保基底符合相关规范要求。
3、基础施工基础施工前,试验室进行基底承载力试验,若试验承载力达到设计承载力继续施工基础,若试验承载力达不到设计承载力要求,则对基底进行重新处理,采用换填片石、土夹石(含石量≥70﹪),使承载力达到设计承载力要求。
浇筑基础混凝土采用沿槽浇筑,浇筑过程中,选用C25商品混凝土,严格控制配合比。
采用插入式50型振动棒进行振捣,混凝土振捣密实,振捣过程中快插慢抽。
无漏振,无蜂窝麻面等。
混凝土浇筑完成后及时养护,防止由于内外温差过大而产生混凝土收缩开裂。
在基础上墙身部分插入钢筋,使基础与墙身连接紧密。
在混凝土浇筑过程中,现场取样制作混凝土试件,标准养护28天后送中心试验室检测。
4、墙身浇筑(1)基础浇筑完成后,根据设计图及现场高程放出挡墙墙身浇筑边线。
(2)模板安装(A)模板采用胶合木模板,禁止使用有缺角、破损的模板。
(B)保证混凝土结构和构件各部分设计形状尺寸和相互间位置正确;(C)具有足够的强度、刚度和稳定性,能承受新浇筑混凝土的重力侧压力及施工中可能产生的各项负荷。
(D)模板的接缝不得漏浆;在浇筑混凝土前,木模板应浇水湿润,但模板内不应有积水。
(E)模板与混凝土的接触面应清理干净并涂刷脱膜剂,但不得影响模板结构性能。
模板使用后应按规定修整保存。
(F)模板之间粘贴双面不干胶带,以减小模板缝防止漏浆,以保证混凝土面的观感质量。
素混凝土基础
5.1 施工准备
(1)地基经过检查合格。
(2)水泥:采用普通硅酸盐水泥P O32.5,砂子采用中砂或粗砂,
含泥量不大于5%,卵石粒径5-32m,含泥量不大于2%且无杂物。
5.2 流水段划分,工艺流程
(1)流水段划分同土方开挖的划分。
(2)工艺流程:
地基检查验收→放线→支模→混凝土浇筑→养护
5.3 施工方法
(1)模板:采用组合钢模,用前除去表面灰渣,刷隔离剂一道,按规格堆好。
(2)地基检查合格后,放线找出基础的位置与标高,立侧模。
(3)钢模横放,立方90×60@500,横方2~90×60,外部下部钉木桩90×60@500,上部加斜撑90×60@500 固定,上口再加门形铁马凳φ16@500 控制基础的宽度。
(4) 混凝土浇筑:由一端依次分两层进行,每次浇筑厚度250mm,用插入式振捣器振实,用铁锹拍平。
完成后盖草袋,浇水养护。
(5)每个流水段至少留混凝土试块两组,同条件和标准养护28d,按时试压。
5.4 质量要求:基础轴线、断面标高准确,表面平整,混凝土密实,混凝土强度等级达到设计要求。
素混凝土桩复合地基处理工程施工方案一、工程概况东方威尼斯12#楼工程由XXX投资建设,桩基础工程由XXX设计。
本工程位于原麻纺厂境内,基础采用复合地基筏板基础,框剪结构。
根据设计,本工程地基采用素混凝土桩复合地基加固方法,采用长螺旋成孔、管内泵压细粒砼灌注成桩的施工工艺,桩径Φ400,满膛布桩。
目前,建筑工程中CFG桩的复合地基多采用低级别混凝土代替CFG桩填料,本工程混凝土强度为C20.二、施工准备施工前需认真核对施工现场地质情况,防止施工时振动破坏。
按设计要求布置桩位,绘出布桩平面图,标出打桩顺序和桩位编号,并详细说明具体施工注意事项。
对现场及邻近的地下管线、地上建筑物等应事先进行清理。
完成现场测量工作,水准控制点及平面控制点应按测规要求引至现场,以控制桩的调程及位置。
完成施工现场“三通一平”工作,保证机械进场。
长螺旋钻机、混凝土输送泵、混凝土输送管路等设备应经检查、维修,保证浇筑过程顺利进行。
检查电源、线路,并做好照明准备工作。
配齐所有管理人员和施工人员,并对所有人员进行安全交底。
提前准备施工所需砂石、水泥及其它材料及所有材料的试验报告、混凝土配合比报告等。
三、施工部署本工程施工前建设单位先进行基础的土方开挖,保留一定的厚度以进行桩基完成后的二次土方开挖。
测量放线,根据桩位平面布置图及甲方提供的控制点和轴线施放桩位图,测量确定桩位,标出打桩顺序和注明桩位编号,并经过建设单位或监理单位现场验收。
操作工艺流程包括测量放点、对位、成孔、泵压混凝土灌注成桩、养护、清土、铺褥垫层。
长螺旋成孔灌注工艺流程为提升钻杆用压泵将砼通过高压管路螺旋钻杆的内管压制孔成桩长螺旋成孔至设计的预定。
施工时,应考虑隔排隔桩跳打,新打桩与已打桩间隔时间不应少于7天。
螺旋钻机就位时,必须保持平衡稳固,不发生倾斜、位移。
为准确控制钻孔深度,应在机架上或机管上做出控制的标尺,以便在施工中进行观测、记录。
对满堂布桩基础,桩位偏差不应大于0.4倍桩径。
素混凝土桩施工方案一、工程概况本标段起点桩号为RK154+270,终点桩号为RK161+600,全段位于灵宝市境内,长7.33公里,采用单侧加宽方式设计。
标段内多为湿陷性黄土,湿陷等级一般为II~III级,局部为I~II级,地下水位多在150米以下。
根据图纸设计素砼桩主要用于不良地基处理和拱涵基础下承载力加强。
我标段按照图纸设计要求,使用振动沉管法施工。
主要工程数量本合同段素砼桩主要用于特殊路基处理、拱涵基础及台背处理、挡土墙基底处理,详细工程量见下表。
二、总体安排1、投入机械设备见下一页《投入机械设备一览表》2、投入本工程的人员工程负责人:王刚技术负责人:李家亮安全负责人:李魏红施工负责人:王江峰质检负责人:宋顺利试验负责人:郭兵测量负责人:卢明广保通负责人:王庆宏机械负责人:张学民协调负责人:杨晓投入机械设备一览表三、施工工艺施工准备→测量放样→桩机就位→试桩→桩成孔→成孔检查→浇筑混凝土→养生→桩基验收。
(素混凝土桩施工工艺流程图见附图1)1、施工准备(1)、清除表层杂草等是场地平整,以保证施工的正常进行;(2)、施工前按设计要求由实验室进行配合比试验,施工时按配合比配制混合料。
施工前进行成桩工艺试验,以检验设备、工艺、技术参数是否满足设计要求。
(3)、施工前测量人员认真复核导线点、水准点无误后进行放样,并及时上报,批复之后允许机械进场就位,施工前先进行试桩,以掌握施工参数及验证单桩承载力,及时进行总结、检测。
试桩检测合格之后才允许大面积施工(4)、材料准备水泥:采用强度等级32.5及其以上的硅酸盐水泥,水泥进场时应有出场合格证,并经进场复验合格。
粉煤灰:应采用II级以上的粉煤灰;粉煤灰进场时应有出场合格证,并经进场复验合格。
碎石:碎石粒径不大于30mm,应符合国家现行标准《普通混凝土用碎石或卵石质量标准及检验方法》JGJ53-93的规定。
砂:符合规范与设计要求的中砂。
外加剂:根据施工需要通过试验确定。
陕西清水川能源股份有限公司冯家塔2#职工公寓楼工程C15素砼垫层施工方案编制人:审核人:审批人:编制单位:陕西建工第七建设集团有限公司编制日期:二零一四年三月二十八日目录一、编制依据 (1)二、工程概况 (1)三、施工准备 (1)四、施工工艺 (2)五、浇筑质量要求 (4)六、质量控制措施 (4)七、成品保护 (5)八、安全文明施工 (5)一、编制依据1、《建筑地基基础工程施工质量验收规范》(GB50202-2002)。
2、《混凝土质量控制标准》(GB50164-2011)。
3、《混凝土结构工程施工质量验收规范》(GB50204-2002)。
3、《建筑工程施工质量验收统一标准》(GB50300-2001)。
4、《混凝土泵送施工技术规程》(JGJ/T10-2011)。
5、西安有色冶金设计研究院提供的施工图纸。
6、《建筑施工手册》(第四版)中国建筑工业出版社。
二、工程概况本工程结构类型为框架-剪力墙结构,地上十六层,地下一层,总建筑面积为32739.25㎡。
地基处理采用CFG灌注桩,桩顶设计标高为-6.430。
桩顶为300mm厚砂石褥垫层,褥垫层上为100mm厚C15素混凝土垫层。
本工程基坑剖面图如下所示:基坑剖面图三、施工准备1、材料及主要机具:1)本工程混凝土采用商品混凝土。
2)主要机具:铁锹、平板振动器、刮杠、木抹子、胶皮管、串桶或溜槽等。
2、作业条件:1)基础轴线尺寸和基底标高均经过检查,并应办完隐检手续。
2)在基坑内做好混凝土顶面标高的标志,大面积浇筑的基础每隔3m左右钉上水平。
3)校核混凝土配合比,准备好混凝土试模。
四、施工工艺1、工艺流程支模板→槽底、模板内清理→混凝土浇筑→混凝土振捣→混凝土养护2、施工安排100厚C15素混凝土垫层浇筑的施工顺序如下简图所示。
素砼垫层浇筑3、施工措施1)支模:边模采用100×100木方。
具体做法详见下图。
混凝土垫层边摸支护2)清理:在砂石褥垫层上清除杂物。
素砼桩施工工艺流程素砼桩(也称为混凝土预制桩)是一种常见的地基基础形式,常用于建筑、桥梁等工程项目中。
下面是一个典型的素砼桩施工工艺流程:1、场地准备:清理桩基施工场地,清除地面上的杂物和障碍物。
对施工场地内地上和地下管线进行核查、拆迁和防护。
清除地表植被,根据所测得的原地面标高和设计桩顶标高对照结果,平整钻孔场地,地面标高宜高于设计桩顶标50cm,预留排水坡度,做好排水沟等措施,并用压路机将原地面碾压至K30≥30MPa/m,以满足长螺旋钻机自重和抗倾覆的要求。
2、测量放线:根据设计图纸,在施工现场设置桩位。
在桩位用直径8mm的钢钎竖直打入20cm深孔,在孔内灌注石灰水或石灰粉,并在孔内插入标记物,可用一次性木、竹筷,便于桩位被埋没后查找。
3、桩机就位:钻杆垂直度控制:钻机就位后,桩机悬挂双向垂球,旁站人员通过测设垂球与钻杆上下端的相对距离,判定机身的垂直度偏差是否满足规范或设计要求,确保CFG桩垂直度容许偏差不大于1.0%。
桩位控制:在每一根桩施工前,通过已经标明临近的纵向、横向桩位用尺量,来确定桩机是否对准桩心。
每根桩施工前由旁站人员对桩机进行桩位对中和钻杆垂直度检查,满足要求后方可开钻。
4、桩体入土:钻进开始时,关闭钻头阀门,向下移动钻杆至钻头触及地面时,启动马达钻进,一般应先慢后快,这样既能减少钻杆摇晃,又能检查钻孔的偏差,以便及时纠正。
在成孔过程中如发现钻杆摇晃或难钻时应放慢进尺,并及时检查钻杆垂直度和桩位,否则容易导致桩孔偏斜、位移,甚至使钻杆、钻具损坏。
桩长控制:在桩机机身上做明确的长度标识,为方便夜间施工控制,需用反光材料进行标识;标识的最小刻度一般为50cm或25cm;根据钻机塔身上的进尺标记,成孔达到设计标高时,停止钻进。
钻孔弃土应及时转运到指定场地。
5、灌注混凝土长螺旋钻机钻至设计标高,停止钻进,向钻杆芯管泵送混凝土灌注,当钻杆芯管中充满混合料,开始提升钻杆,压灌混合料,一边拔管,一边泵送,严禁先提管后泵料。
素混凝土压顶施工方案1. 引言素混凝土压顶是建筑施工中常用的一种工法,它可以在地面、屋顶等平面进行施工,用以提供平整、坚固的基础。
本文档将介绍素混凝土压顶施工方案的相关内容,包括施工前的准备工作、施工工艺、材料和设备等。
2. 施工前的准备工作在进行素混凝土压顶施工前,需要进行一系列的准备工作,确保施工的顺利进行。
下面是一些常见的准备工作:2.1 设计方案确认在施工前,需要确保设计方案已经经过相关部门的确认和批准。
设计方案应包含施工区域的尺寸、强度要求、坡度和排水设施等内容。
2.2 现场勘测和标线对施工区域进行准确的勘测,确定施工的范围和平整度要求。
然后进行标线,以便施工时参考。
2.3 材料和设备准备准备好素混凝土所需的原材料,包括水泥、砂、骨料等。
确认设备的完好性,如搅拌机、压平机等。
2.4 人员组织和安全措施组织施工人员,确保每个人都熟悉工艺流程和安全规范。
同时,制定安全措施,确保施工过程安全可靠。
3. 施工工艺素混凝土压顶的施工工艺一般包括以下几个步骤:3.1 混凝土搅拌将预先准备好的水泥、砂、骨料等原材料按照一定比例投入搅拌机中进行充分搅拌,直至混凝土达到均匀、细腻的状态。
3.2 施工前的湿润处理在开始施工之前,需要将施工区域进行湿润处理,以提高混凝土的附着性能。
可以利用洒水车或喷雾器对施工区域进行适度湿润。
3.3 施工面层压实使用压平机对湿润处理后的施工面进行均匀压实,确保地面平整度符合设计要求。
压实时要注意工艺和操作规范,避免出现压实不均匀的情况。
3.4 平整度修正在施工面层压实完成后,可以采用手工工具或机械设备对出现不平整的地方进行修正,以保证整个施工面具有良好的平整度。
4. 施工注意事项在进行素混凝土压顶施工时,需要特别注意以下几点:4.1 施工环境和气候条件施工环境应尽量保持洁净,避免杂物和尘土污染施工面。
同时,施工应避免在高温、低温或雨雪天气条件下进行,以免影响混凝土的硬化和施工质量。