油冷式电动滚筒使用说明书
- 格式:pdf
- 大小:3.26 MB
- 文档页数:6
电动滚筒安全操作规程为了保证安全生产,防止人员伤亡和财产损失,制定电动滚筒安全操作规程如下:一、操作前的准备1.在操作前,应仔细阅读电动滚筒的说明书和安全操作规程,确保熟知相关注意事项和安全要求。
2.对电动滚筒进行全面检查,确保各项零部件完好无损,温度、电流等参数正常。
如发现异常情况,应及时通知相关负责人或维修工程师,禁止继续操作。
3.安装电动滚筒的工作人员必须穿戴个人防护设备,包括防护鞋、耳塞、手套等。
4.在操作前,必须清除电动滚筒周围的杂物和障碍物,确保操作环境安全整洁。
二、操作时的注意事项1.禁止非授权人员操作电动滚筒。
2.操作电动滚筒时,必须站在固定位置上并保持警觉,注意周围情况。
3.操作电动滚筒应专心致志,不得同时进行其他操作和谈话。
4.严禁在电动滚筒上放置物品,以免干扰操作和影响安全。
5.当电动滚筒运行时,禁止伸手或其他身体部位靠近或进入滚筒内部。
6.在电动滚筒停止运转前,禁止进行拆卸和维修操作。
7.操作中发现异响、异味、异常震动等情况时,应立即停止操作,并通知相关人员进行检修和维护。
8.在电动滚筒停止运行前,应按要求进行清洁和保养,确保设备在良好状态下。
三、操作后的维护和保养1.操作完毕后,应关闭电源、切断电源线,确保其安全。
2.在清洗、维修或更换电动滚筒部件时,必须按照操作规程执行,并在维修完成后进行检测和试运行。
3.定期检查电动滚筒各项部件的运行状态和性能,及时发现和解决问题。
4.在对电动滚筒进行维护和保养时,应根据其使用状况制定相应的计划,确保设备的长期运行稳定和可靠。
四、紧急情况的处理1.在紧急情况下,如电动滚筒出现故障或其他异常情况时,应立即切断电源,并通知有关人员进行处理。
2.如发生人员伤亡事故,在确保个人安全的前提下,应立即联系急救人员进行处理,并做好现场保护和事故记录。
五、其他注意事项1.禁止私自改变电动滚筒的设计和结构。
2.在使用电动滚筒时,应注意环保要求,并保持设备和操作环境的清洁和卫生。
阳泉职业技术学院毕业设计评阅书题目:TDY 型油冷式电动滚筒机电系机电一体化专业姓名李晶晶设计时间:2008 年 3 月17 日~ 2008 年 5 月25 日评阅意见:成绩:指导教师:(签字)职务:200年月日阳泉职业技术学院毕业设计答辩记录卡机电系机电一体化专业姓名李晶晶答辩内容记录员:(签名)成绩评定专业答辩组组长:(签名)200年月日摘要本次设计题目是TDY型油冷式电动滚筒,电动滚筒是将电动机和减速齿轮装在滚筒内的一种驱动型式。
内齿轮固装在滚筒端盖上,电动机经两级减速齿轮带动滚筒旋转。
油冷式电动滚筒,在滚筒空腔内装有润滑油,滚筒旋转时,油液冲刷电机外壳进行冷却,并润滑齿轮传动系统。
电动滚筒结构紧凑,带式输送机采用这种形式,能使整机体小轻便。
说明书对运输设备电动滚筒设计作了系统的论述,任务书已给定了合适的电动机。
我主要对齿轮和轴等传动部件进行设计。
首先,画出了电动滚筒的传动简图,其次,对其高速级齿轮和低速级齿轮进行设计,再次是轴的设计,最后总结这次设计。
关键词:轴齿轮、内啮合、法兰轴。
AbstractThe design is entitled TDY-oil-cool electric drum, the electric motor and the drum is the slowdown in the drum gear mounted on a drive type. Gear Solid, installed in the roller cover, reduce speed gear motor driven by two rotating drum. Oil-cool electric drum, drum cavity contents are lubricants, rotating drum, motor oil washed shell for cooling and lubricating gear transmission system. Compact electric drum, belt conveyors use this form to enable small Can cause the complete machine body small facile. Manual for transportation equipment, electrical systems design of the drum on, the task has been given the appropriate motor. My main axis of gear and transmission components, such as the design. First, draw a diagram of transmission of electric drum, and secondly, its high-level and low-speed gear-gear design, once again is the axis of design, summed up the final design.Key words: Axis Gear, Internal, flange axis.目录第一篇概述 (1)第一章冷式电动滚筒介绍 (1)第二章使用范围及焦点 (1)第三章工作条件 (1)第四章吊用安装 (1)第五章使用、维修及故障排除 (2)第一节用前准备 (2)第二节生产使用 (2)第三节维护与保养 (3)第二篇机械传动的选择和设计原则 (5)第一章机械传动类型的选择原则 (5)第二章机械传动系统的选择原则 (5)第三章机械传动设计原则 (6)第三篇油冷式电动滚筒传动部分设计 (7)第一章传动简图 (7)第二章齿轮的设计 (8)第一节高速级齿轮的设计 (8)第二节高速级齿轮的变位 (14)第三节低速级齿轮的设计与校核 (18)第四篇减速系统轴的设计与校核 (26)第一章轴的特点及设计步骤 (26)第二章轴的设计 (27)第五篇轴承的寿命计算 (34)第一章计算轴承4230P的使用寿命 (34)第二章计算42311轴承的使用寿命 (34)结束语 (35)参考资料 (36)致谢 (37)第一篇概述第一章冷式电动滚筒介绍油冷式电动滚筒是以电动机为动力,靠胶带的连续运动传送各种物料的一种新型内部驱动装置。
TJ型电动滚筒产品详细说明:TJ型电动滚筒的特点采用国际标准:TJ型电动滚筒的功率、速度、直径、筒宽均符合ISO标准和IEC标准,通常配KL型支座可适用于国内外各种皮带运输机、料斗提升机等输送设备。
为了方便用户,我们设计了TZ型支座,其安装尺寸与TD75型皮带运输机完全相同。
结构先进:电机采用直接油冷式,冷却、散热效果好。
采用迷宫式密封,齿轮及轴采用优质合金钢制造,传动平稳。
前轴及后轴镀硬铬,可防锈、防腐蚀并延长了使用寿命。
噪声低,允许温升高;TJ型滚筒的电机一般采用B级绝缘,允许的最高温升为80K。
如果用户有特殊要求,可采用F级或H级绝缘电机,允许温升分别可达到100K或125K。
凡是功率大于或等于11千瓦的电动滚筒,在电机定子绕组中装有热保护装置。
TJ型电动滚筒的最高噪声低于85分贝,一般低于75分贝。
品种规格齐全:TJ型电动滚筒直径范围从110至1000毫米,筒宽从250至2000毫米,带速从0.06至4.25米/秒,功率从0.1至110千瓦。
重量轻、能耗低:由于结构先进,同种规格的TJ型电动滚筒比TDY75型电动滚筒重量约轻20%。
TJ型电动滚筒的电机系我国推荐使用的Y系列电机的派生产品,能耗低。
防护等级高,电动滚筒的防护等级为IP55。
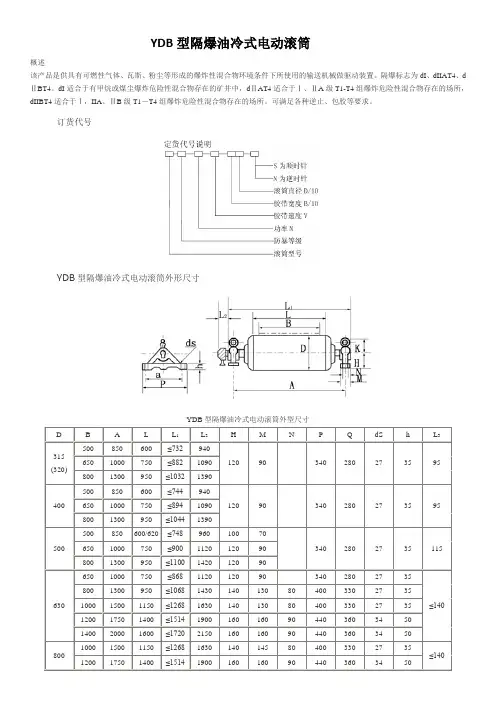
滚筒名义直径Ø110mmA=B+56配KL30型支座A=B+56配KL30型支座注:图A为接线盒接线装置图B是软线接线装置滚筒名义直径Ø160mmA=B+82配KL40型支座注:图A为接线盒接线装置图B是软线接线装置A=B+82配KL40型支座注:图A为接线盒接线装置图B是软接线装置A=B+102配KL60支座A=B+102配KL60型支座A=B+112配KL70型支座A=B+112配KL85型支座滚筒名义直径Ø630mmA=B+112配KL85型支座A=B+132配KL100型支座。
寸录产品概述1安装及调试2日常维护与保养5电动滚筒的拆卸6电动滚筒的组装7常见故障排除及排除方法7售后效劳8电动滚筒1产品概述电动滚筒是一种将电动机、减速机系统、滚筒体组合的新型驱动装置。
主要与带式输送机配装使用。
本公司为满足市场需要,从九十年代初就参照机械部JB/T7330-1994标准,先后设计了YU 〔即TD75〕 DY^ JDYQD【B N、JA N、JX N、WD N、WX N等10 个系列8000多个规格产品,大批量售往国外。
本公司设计的电动滚筒,有内置式、外置式、移动式三种安装形式;有定轴齿轮、摆线针轮、行星齿轮三种传动类型;各种规格均可包胶,胶面有平面、人字、菱形花纹;绝大多规格可附加逆止功能;如用于衣服是环境,筒体等外露局部可使用耐磨腐蚀材料制作,如不锈钢等,同时必须选用相应耐腐蚀的密封件;外置式选配隔爆电机,可适合于有隔爆要求的场所;可选配HL型弹性柱销联轴器、丫OX型液力耦合器、电力液压块式制动器;配套功率可从到160KW;电动滚筒型号及表示方法:□ □ —□ —□ —□ □ —□——带逆止器时滚筒旋向N 〔 S〕------ 胶带宽度B 〔mr〕---------- 滚筒名义直径〔俪---------- 筒体外表线速度〔★$〕电机功率P 〔kw〕---------- 特殊性能代号〔如逆止、隔爆等〕传动形式代号〔如定轴齿轮等〕电机安装形式或冷却方式关于滚筒型式代号的几点说明:〔1〕电机安装形式及冷却方式:电机内置时一般标注电机冷却方式:油冷式〔丫〕油浸式〔J〕电机外置时标注电机安装冷却方式:卧式电机直列型〔W〕立式电机直联型〔Wil〕、卧式电机垂直型〔WG〔2〕传动形式代号:定轴齿轮传动〔D〕〔硬齿轮面定轴齿轮标A〕、摆线针轮传动〔B〕〔功率37kw向下〕、行星齿轮传动〔X〕〔3〕特殊性能代号:通用型〔T可不标注〕、逆止型〔N〕、移动型〔Yi或JYD、防爆型〔B〕、防腐蚀型〔F〕等;外装滚筒还可下标:弹性柱销联轴器型〔G〕、液力耦合器型〔丫、电力液压块式制动型〔Z〕本公司生产的电动滚筒,具有结构紧凑、体积小、密封性好使用维修方便等优点,可用于粉尘大、潮湿、泥泞、露天等环境恶劣场所;但以下工作条件不宜适用:1.4.1输送高温物料,温度超过60C;142海拔高度超过1000米;143环境温度超S-10C — 40C如遇以上情况,请与本公司技术研发中心联系。
目录产品概述 (1)安装及调试 (2)日常维护与保养 (5)电动滚筒的拆卸 (6)电动滚筒的组装 (7)常见故障排除及排除方法 (7)售后服务 (8)电动滚筒1 产品概述1.1电动滚筒是一种将电动机、减速机系统、滚筒体组合的新型驱动装置。
主要与带式输送机配装使用。
本公司为满足市场需要, 从九十年代初就参照机械部JB/T7330-1994标准, 先后设计了YD TN(即TD75)、DY1、JDY、QD、YJ B TN、JA TN、JX TN、WD TN、WX TN等10个系列8000多个规格产品, 大批量售往国外。
1.2 本公司设计的电动滚筒, 有内置式、 外置式、 移动式三种安装形式; 有定轴齿轮、 摆线针轮、 行星齿轮三种传动类型; 各种规格均可包胶, 胶面有平面、 人字、 菱形花纹; 绝大多规格可附加逆止功能; 如用于衣服是环境, 筒体等外露部分可使用耐磨腐蚀材料制作, 如不锈钢等, 同时必须选用相应耐腐蚀的密封件; 外置式选配隔爆电机, 可适合于有隔爆要求的场所; 可选配HL 型弹性柱销联轴器、 YOX 型液力耦合器、 电力液压块式制动器; 配套功率可从0.55KW 到160KW;1.3 电动滚筒型号及表示方法:电机安装形式或冷却方式传动形式代号(如定轴齿轮等)特殊性能代号(如逆止、隔爆等)电机功率P(kw)筒体表面线速度(m/s)滚筒名义直径(mm)胶带宽度B(mm)带逆止器时滚筒旋向N(S)关于滚筒型式代号的几点说明:( 1) 电机安装形式及冷却方式:电机内置时一般标注电机冷却方式: 油冷式(Y)、 油浸式( J)电机外置时标注电机安装冷却方式: 卧式电机直列型( WI) 、 立式电机直联型( WII) 、 卧式电机垂直型( WIII)( 2) 传动形式代号:定轴齿轮传动( D) ( 硬齿轮面定轴齿轮标A) 、摆线针轮传动(B)(功率37kw向下)、行星齿轮传动( X)( 3) 特殊性能代号:通用型( T可不标注) 、逆止型( N) 、移动型( Y1或JYD) 、防爆型( B) 、防腐蚀型( F) 等; 外装滚筒还可下标: 弹性柱销联轴器型( G) 、液力耦合器型( Y) 、电力液压块式制动型( Z)1.4 本公司生产的电动滚筒, 具有结构紧凑、体积小、密封性好使用维修方便等优点, 可用于粉尘大、潮湿、泥泞、露天等环境恶劣场所; 但下列工作条件不宜适用:1.4.1输送高温物料, 温度超过60℃;1.4.2 海拔高度超过1000米;1.4.3 环境温度超过-10℃—40℃如遇以上情况, 请与本公司技术研发中心联系。
电动滚筒安全操作规程电动滚筒是一种常见的物料输送设备。
一般用于将物料从一个地方输送到另一个地方。
在使用电动滚筒时,必须严格遵守安全操作规程,以确保人员安全和设备稳定运行。
以下是电动滚筒的安全操作规程:一、操作前的准备工作1. 操作前应仔细阅读电动滚筒的使用说明书,并确保自己理解了其中所有内容。
2. 确认电动滚筒的电源是否已经关闭,并确保设备处于停止状态。
3. 检查电动滚筒的电气部分,包括电缆、接线、保护装置等,是否完好无损。
4. 检查滚筒设备本身,包括皮带驱动装置、传动链条、轴承等是否损坏、已经损坏部件需及时维修更换。
二、设备操作1. 在操作设备时,必须穿着适当的工作服,并且戴好安全帽、安全鞋、手套等防护用品。
2. 在设备运行期间,必须远离滚筒的进出口、皮带传动部位等危险区域。
3. 在装载物料前,必须检查输送带及输送机械本身,是否有松动或异常情况,以确保设备正常运行及物料的安全输送。
4. 操作设备时,必须按照设备的使用说明书操作,如非必要,千万不要随意改变滚筒的工作方式。
5. 所有人员禁止将手或者其他物体伸入到滚筒中,禁止站到运行滚筒上;工作完毕后,离开滚筒时,也应避免靠近运动的传动部件。
6. 在滚筒的减速器部分,必须定期进行加注润滑油的维护工作,并保持减速器清洁,避免潮气和异物进入。
7. 对于暴露在外的输送带,应定期检查输送带的张力,并根据需要进行调整。
同时,也需要对输送带进行清洗及除尘,以保证输送带的正常使用寿命。
三、设备维护1. 定期维护电动滚筒的机械传动部件,也可以委托专业人士进行维护。
2. 定期检查设备的安全保护装置(限位开关、急停按钮等)是否功能正常。
3. 在设备维护期间,必须切断电源,并在明确无人操作情况下方可进行检修、维护、调整等操作。
4. 每次运行滚筒后,应将输送带进行清理、除尘,以避免污染物对滚筒内部造成损害。
5. 维护人员必须经过专业培训并持证上岗,严格遵守操作规程,以保证安全维护设备。
本次毕业设计:拟设计两台直径分别为D=315和500mm、带宽均为B=500mm的活齿减速油冷式电动滚筒。
其它参数有:带速均为V=1.0m/s、电机功率分别为P=2.2和3kW。
一、方案设计联接法兰:连接电动机外壳与变速轴承传动圈。
输出法兰:连接变速轴承内齿圈与电动滚筒。
左发兰轴:连接到电动机左端外壳。
右法兰轴:连接到变速轴承中圈右端。
二、变速轴承的选取:(1)电动机的选取根据电机功率要求P=2.2Kw选用电机型号为YGYl00L1- 4,转速n=1 420 r/min。
根据电动机功率要求p=3Kw选用电机型号为YGY110L2-4,转速n=1 420 r/min 。
(2)传动比的计算带速v=1.0m/s ,v=2πnr ,n=v/2πr ,电动滚筒的转速分别为:电动滚筒一:n 2=60.66 r/min电动滚筒二:n 2=38 r/min计算电动滚筒传动比:传动比i = n 1/n 2电动滚筒一:i=1420/60.66 = 23.40电动滚筒二:i=1420/38=37.37选取变速轴承传动比:i 1 =24 ,i 2 =40(3)误差分析:实际滚筒转速(n=n 1/i )电动滚筒一:n=1420/24 = 59.17 r/min电动滚筒二:n=1420/40=35.5 r/min误差分析(10010022⨯-=n n n δ): 电动滚筒一:5.210010066.6017.5966.60=⨯-=δ 电动滚筒二:5.6100100385.3538=⨯-=δ 误差要求不超过10%,所以满足要求。
(4)选择变速轴承根据JB/T6635-1993中华人民共和国机械行业标准—推杆式变速轴承选取变速轴承型号分别为:TB210和TB250。
尺寸如下:TB210,外径D=210mm ,内径d=25mm ,连接中心节圆直径D 1=138mm ,输出转矩:342.7 Nm ;TB250,外径D=250mm ,内径d=30mm ,连接中心节圆直径D 1=160mm ,输出转矩:389.4 Nm ; 电动滚筒的额定输出扭矩:VDP M ⨯=500 T —扭矩(Nm ),D —滚筒直径(m ),P —功率(kW ),V —带速(m/s )计算得:M 1=346.5Nm ;M 2=750Nm电动滚筒必须在输出扭矩范围内使用,即变速轴承的输出转矩必须小于等于电动滚筒的额定转矩。
电动滚筒安全操作规程范文电动滚筒是一种广泛应用于工业生产中的设备,它能够有效地将物料从一个地方传输到另一个地方,提高生产效率。
然而,由于其较高的工作速度和力量,若不按照正确的操作规程进行操作,可能会造成安全事故。
为了确保操作人员和设备的安全,以下是电动滚筒的安全操作规程。
1. 之前操作:在操作前,操作人员必须穿戴符合安全要求的个人防护装备,包括安全鞋、安全帽、护目镜、手套等。
同时,要检查设备的工作状态和运行环境,确保设备无故障且周围环境无任何障碍物。
2. 操作前准备:在操作前,应检查电动滚筒的开关、按钮和线路是否正常。
确认电源已断开,并将锁定开关切换到关闭位置,以确保设备不会突然启动。
同时,要确保电动滚筒上的所有操作杆和按钮都清晰标识,并按照操作说明书上的要求进行设置。
3. 操作规程:3.1 手动控制操作:在手动操作模式下,操作人员必须站在安全的位置上,并使用手柄或按钮来控制电动滚筒的运行。
必须保持双手干燥,以确保握持操作杆时不会滑动。
同时,要严禁将手指、手部或器具伸入滚筒内部,以免发生意外事故。
3.2 远程控制操作:在远程操作模式下,操作人员必须保持视线清晰,并通过监视器或遥控装置来控制电动滚筒的运行。
在操作过程中,要时刻关注运行状态和安全指示灯,以及是否有异常声音或振动等异常情况。
一旦发现异常情况,应立即停止滚筒的运行,并及时向维修人员报告。
4. 操作中注意事项:4.1 工作区域:在操作中,操作人员必须保持工作区域的清洁和整齐,避免杂物或其他障碍物堆积在滚筒周围。
同时,要确保工作区域内没有其他人员进入或待在机械设备附近。
4.2 过载保护:在操作中,要避免将过重或超出设备负荷范围的物料放置在滚筒上运输。
一旦发现滚筒工作不稳定或有异常声音,应立即停止操作,并检查是否存在过载情况。
4.3 清洁和维护:定期进行清洁和维护是确保电动滚筒正常运行的关键。
操作人员应定期清除滚筒上的灰尘和杂物,并对机械结构、导轨和传动装置进行润滑和检查,以确保滚筒的顺畅运行。
产品说明:电动滚筒作为皮带运输机和提升等设备的动力,广泛应用于冶金、矿山、造纸、煤炭、建材、电力、化工、复合肥及筑路机械等行业。
我公司生产的电动滚筒有定轴齿轮、摆线针轮、行星针轮三种传动形式,安装型式有电机内置、外置和移动式,电机内置时有油冷式和油浸式两种形式,由于电动滚筒与一般减速机构相比,具有结构紧凑、重量轻、密封性好、安装方便等优点,深得用户的欢迎。
技术参数电动滚筒的执行标准:JB/T7330-94电动滚筒的表示方法:1、表示方法滚筒型号代号说明:TDY75型油冷式电动滚筒DY1、JYD型移动电动滚筒YZ型摆线针轮电动滚筒YDW型外装式定轴齿轮电动滚筒YZW型外装式摆线针轮电动滚筒YTW/YTH型外装式行星齿轮电动滚筒2、滚筒旋转方向判断:由电源输入端(内装时为接线合端,外装时为电机尾部)观察,滚筒顺时针旋转标注S,逆时针旋转标住N,不带逆时器时不标注。
3、滚筒铸胶种类:分平面胶、菱形胶、人字型胶三种,订货时一般用文字说明。
示例说明:如:电动机功率为30kw,滚筒带速为1.25m/s,带宽800mm,滚筒直径630mm,带逆止器、由电机尾部观察,顺时针旋转的外装式摆线针轮电动滚筒订货代号:YZW-30-1.25-8063-S电动滚筒功率的计算关于输送机械所需要的驱动功率的计算公式,在许多设计手册中都有这样详细介绍,驱动功率通常由三部分组成,即:输送机空运转时所需要的功率;输送机水平运送负荷时所需要的功率和输送机提升负荷时所需要的功率。
对上述这类功率的计算,在各种机械手册中都有推荐公式,但方式不尽相同,计算结果也可能稍有出入。
为了使电动滚筒的设计计算与用户的使用要求统一起来,我们推荐采用下列公式计算电动滚筒所需要的功率:式中:P—电动滚筒的轴功率(KW)C—输送带、轴承等处的阻力系数,数值可从表3中查到f—托辊的阻力系数,f=0.025~0.030L—输送机的电动滚筒与改向滚筒之间中心距的水平投影(m)Gm—输送带、托辊、改向滚筒等旋转零件的重量,数值可从表4中查到(kg/m) V—带速(m/s)Qt—输送量(t/h)H—输送高度(m)B—带宽(mm)中:P—电动滚筒的轴功率(KW)C—输送带、轴承等处的阻力系数,数值可从表3中查到f—托辊的阻力系数,f=0.025~0.030L—输送机的电动滚筒与改向滚筒之间中心距的水平投影(m)Gm—输送带、托辊、改向滚筒等旋转零件的重量,数值可从表4中查到(kg/m) V—带速(m/s)Qt—输送量(t/h)H—输送高度(m)B—带宽(mm)电动滚筒的扭矩可按下列公式计算:电动滚筒选型注意事项1.按照上述公式计算出的电动滚筒功率在下列情况下需要进行修正:(1)电动滚筒每天连续工作超过8小时,电机功率需提高一档;(2)筒体包胶的电动滚筒,电机功率应提高一档;(3)启动频繁的电动滚筒,电机功率应提高一档。
INSPIRED BY EFFICIENCY操作说明书Interroll 电动滚筒DM 系列型号 2.2 (07/2018) zh原操作手册译文制造商Interroll Trommelmotoren GmbHOpelstr. 341836 Hueckelhoven/Baal德国电话: +49 2433 44 610内容我们认真编辑本文件中的内容,尽力确保信息的正确性、时效性和完整性。
但我们不对这些信息提供任何形式的保证。
对于与使用本文件相关的任何形式的损失和后续损失,我们明确不承担任何责任。
我们保留随时变更以文档记录的产品和产品信息的权利。
著作权法/知识产权保护法文字、图片、图表和类似内容及其排列方式受著作权法和其他保护性法规的约束。
禁止以任何形式复制、修改、传输或公布本文件的部分或全部内容。
本文件的作用仅限于提供信息和按规定使用,不包括仿制相关产品的授权。
本文件中包含的所有标识(受保护的商标,比如标志和企业名称)是 Interroll Trommelmotoren GmbH 或者第三方的财产,未经事先书面同意,禁止使用、复制或传播。
型号 2.2 (07/2018) zh原操作手册译文Interroll DM 系列电动滚筒型号 2.2 (07/2018) zh 原操作手册译文3内容目录操作说明书的使用提示 (6)此操作说明书的内容 (6)此操作说明书是产品的一部分 (6)安全 (7)技术发展最新水平 (7)按规定使用 (7)违规使用 (7)人员资质 (8)操作者 (8)维修人员 (8)专业电工 (8)危险 (8)人身伤害 (8)电力 (8)油 (8)旋转零件 (8)高温的电机部件 (8)工作环境 (9)运行故障 (9)维护 (9)不正常的电机起动 (9)与其他设备的接口 (9)一般技术信息 (10)产品说明 (10)选项 (10)DM 系列电动滚筒的尺寸 (10)技术参数 (12)产品识别 (12)恒温保护 (13)标准配置:温度限制器,自动换挡 (13)可选配置:PTC(电阻的正温度系数) (14)DM 系列异步 1 相产品信息 (15)DM 系列异步 1 相铭牌 (15)DM 系列异步 1 相电气参数 (17)DM 0080 系列异步 1 相 (17)DM 0113 系列异步 1 相 (17)DM 系列异步 1 相连接图 (18)电缆连接 (18)接线盒中的连接 (18)DM 系列异步 3 相产品信息 (19)DM 系列异步 3 相铭牌 (19)DM 系列异步 3 相电气参数 (21)DM 0080 系列异步 3 相 (21)DM 0080 异步,部分载荷优化 (22)DM 0113 系列异步 3 相 (23)DM 0113 异步,部分载荷优化 (24)DM 0138 系列异步 3 相 (25)DM 系列异步 3 相连接图 (26)电缆连接 (26)Interroll DM 系列电动滚筒内容目录带插接件的接口 (27)接线盒中的连接 (28)DM 系列异步产品信息 (29)DM 系列异步铭牌 (29)DM 系列异步电气参数 (31)DM 0080 同步 (31)DM 0113 同步 (32)DM 系列异步连接图 (33)电缆连接 (33)带插接件的接口 (33)接线盒中的连接 (34)选项和配件 (35)DM 系列异步 3 相电磁制动器 (35)DM 系列异步 3 相制动整流器 (37)制动整流器 - 连接 (37)制动整流器 - 尺寸 (39)带变频器的异步电动滚筒 (41)与输入频率有关的扭矩 (41)变频器参数 (41)适用于 DM 系列的 BMB-6202 SKF 型编码器 (43)技术参数 (43)连接 (44)最理想的连接方法 (45)适用于 DM 系列的 RM44-RLS 型编码器 (46)技术参数 (46)连接 (47)信号连接 (47)RE-15-1-LTN型分解器 (48)技术参数 (48)连接 (48)阻抗 (49)DM 系列 SKS36/SEK37 Hiperface 型编码器 (50)技术参数 (50)连接 (51)运输和存放 (52)运输 (52)存放 (53)装配和安装 (54)有关安装的警告提示 (54)电动滚筒的安装 (54)电动滚筒的定位 (54)装配传送带 (55)传送带宽度/外壳长度 (55)传送带调整 (55)绷紧传送带 (56)传送带张力 (57)传送带延伸 (57)测量传送带延伸量 (58)计算传送带延伸量 (58)滚筒涂层 (59)链轮 (59)4型号 2.2 (07/2018) zh原操作手册译文Interroll DM 系列电动滚筒内容目录型号 2.2 (07/2018) zh 原操作手册译文5电气安装的警告提示 (60)电动滚筒的电气连接 (60)电动滚筒的连接-电缆选项 (60)电动滚筒的连接 - 带插接件 (60)电动滚筒的连接-接线盒选项 (60)单相电机 (61)外部电机防护 (61)集成恒温保护 (61)变频器 (61)防倒转装置 (61)电磁制动器 (62)调试和运行 (63)首次调试 (63)首次调试之前进行检查 (63)运行 (64)每次调试之前进行检查 (64)出现意外或故障时的应对措施 (64)维护和清洁 (65)维护和清洁的警告提示 (65)维护和清洁的准备工作 (65)维护 (65)检查电动滚筒 (65)在电动滚筒上更换润滑油 (66)清洁 (67)使用高压清洗机清洁电动滚筒 (67)卫生清洁 (68)故障帮助 (69)故障排除 (69)停机和废料处理 (75)停止运行 (75)废料处理 (75)附录 (76)缩写目录 (76)电气参数 (76)连接图 (77)颜色编码 (77)安装声明 (78)Interroll DM 系列电动滚筒操作说明书的使用提示本说明书对以下型号的电动滚筒进行了说明:•DM 系列此操作说明书的内容本操作说明书包含电动滚筒在不同运行阶段的重要提示和信息。
TDY型油冷式电动滚筒是与TD75型皮带输送机配套的目前国内采用最普通的电动滚筒,为满足用户要求,我厂将继续生产TDY型油冷滚筒,滚筒电机由我国专业电动滚筒电机厂配套,性能指标不低于同功率的我国Y系列电机的指标。
滚筒直径D(mm)B A L L1t H K M N P d h dsØ4005008506009409512012590-3402803527 6501000750109012090-34028035Ø50050085060096011510014570-34028035 6206501000750112012090-34028035 8001300950142012090-34028035Ø6306501000750112011512017590-34028035 800130095014301401308040033035 100015001150163014013080400330351200175014001900160180160904403605034Ø80014002000160021501151601801609044036050<<<<返回<<<<返回注:表中⏹带速属标准系列,●属我厂新开发低速非标准系列。
TDY -15 -1.6 -650 -500| | | | || | | | |___筒径 mm | | | || | | |_________带宽 mm | | || | |_____滚筒表面线速度 m/s| || |_________________ 滚筒功率 KW||______________________________代号123YD YZ型油冷(油浸)式电动滚筒一、简介油冷式电动滚筒是胶带输送机的驱动装置,用以拖动胶带使主机运转。
它可以广泛代替目前使用的电动机——减速机所构成的外驱动装置。