公司风险评价准则
- 格式:docx
- 大小:1.40 MB
- 文档页数:10
风险评价准则风险评价准则是指用于评估和管理潜在风险的一套规范和标准。
风险评价是企业或组织在决策过程中必须进行的一项重要工作,它能够帮助企业或组织识别潜在风险,评估风险的可能性和影响程度,并制定相应的风险管理措施。
一、风险评价的目的和意义风险评价的目的是为了帮助企业或组织识别潜在风险,评估风险的可能性和影响程度,从而为决策提供科学依据。
通过风险评价,企业或组织能够及时发现和处理风险,减少损失,提高决策的准确性和可靠性。
风险评价的意义在于:1. 保护企业或组织的利益:通过评估和管理风险,可以有效地保护企业或组织的利益,减少潜在的损失。
2. 优化决策:风险评价能够为决策提供科学依据,帮助企业或组织做出更准确、更可靠的决策。
3. 提高管理效率:风险评价可以帮助企业或组织及时发现和处理风险,提高管理效率。
4. 促进可持续发展:通过评估和管理风险,企业或组织能够更好地应对外部环境的变化,促进可持续发展。
二、风险评价的基本原则风险评价应遵循以下基本原则:1. 科学性:风险评价应基于科学的方法和技术,确保评价结果的准确性和可靠性。
2. 全面性:风险评价应全面考虑各种可能的风险因素,包括内部和外部因素。
3. 综合性:风险评价应综合考虑风险的可能性和影响程度,综合评估风险的整体风险水平。
4. 预防性:风险评价应具有预防性,能够及时发现和处理风险,避免或减少潜在的损失。
5. 可操作性:风险评价应具有可操作性,评价结果能够为决策提供具体的建议和措施。
三、风险评价的步骤和方法风险评价通常包括以下步骤:1. 问题定义:明确评价的目标和范围,确定评价的问题和重点。
2. 数据收集:收集相关的数据和信息,包括内部和外部数据,对数据进行整理和分析。
3. 风险识别:识别可能存在的风险,包括内部和外部风险,将风险进行分类和排序。
4. 风险评估:评估风险的可能性和影响程度,确定风险的等级和优先级。
5. 风险控制:制定相应的风险管理措施,包括风险的预防、减轻和转移。
风险评估方法与准则
资产价值
威胁值
弱点值
风险等级
风险值=资产价值X 弱点严重性X 威胁可能性
常见威胁
高 3 非常容易被利用
a 高 3 发生频率为每半年1次
威胁分类表
常见脆弱性
缺少审核跟踪可能会被以未经授权许可的方式使用软件这一威
脆弱性识别内容表
策略、内部访问控制策略、网络设备安全配置等方面进行
风险评估对象:判定为重要信息资产的信息资产(资产价值2以上)
风险处置对象:判定为中风险以上的风险(风险等级2级以上)
风险评估接受准则:
经过风险处置后判定为风险等级1级(风险值1,2,3,4)的风险为可接受风险。
风险评价准则风险评价准则是指为了评估和管理潜在风险而制定的一系列规则和指导原则。
它的目的是帮助组织识别、分析和评估可能对其目标和利益产生负面影响的风险,并为决策者提供基于风险评估结果的决策依据和风险管理方案。
一、引言风险评价准则是为了帮助组织全面了解和评估潜在风险而制定的一套标准。
本文将介绍风险评价的基本原则、评估方法、评估指标和评估过程,并提供一些案例分析,以帮助读者更好地理解和应用风险评价准则。
二、风险评价的基本原则1. 综合性原则:风险评价应该综合考虑各种可能的风险因素,包括自然灾害、技术故障、人为失误等,并将其对组织目标和利益的潜在影响进行全面评估。
2. 科学性原则:风险评价应该基于科学的方法和数据,以确保评估结果的准确性和可靠性。
3. 公正性原则:风险评价应该公正、客观地对待各种风险因素,不偏袒任何一方,确保评估结果的公正性和可信度。
4. 可操作性原则:风险评价应该提供具体的建议和措施,帮助组织制定和实施风险管理计划。
5. 持续性原则:风险评价应该是一个持续的过程,随着组织的变化和风险环境的演变而不断更新和完善。
三、风险评价的方法风险评价可以采用定性和定量两种方法进行。
1. 定性方法:定性方法主要基于专家判断和经验,通过对风险因素的描述和分析,评估其对组织目标和利益的潜在影响程度。
常用的定性评估方法包括故事线分析、因果图分析和场景分析等。
2. 定量方法:定量方法主要基于数据分析和模型计算,通过对风险因素的量化和建模,评估其对组织目标和利益的潜在影响程度。
常用的定量评估方法包括风险矩阵分析、蒙特卡洛模拟和事件树分析等。
四、风险评价的指标风险评价指标是用来衡量和评估风险的重要指标,常用的风险评价指标包括以下几个方面:1. 风险概率:指风险事件发生的概率,通常用百分比表示。
2. 风险影响:指风险事件对组织目标和利益的潜在影响程度,通常用评估等级或评估值表示。
3. 风险优先级:指根据风险概率和风险影响对风险进行排序的优先级,通常用数字或字母表示。
风险评价准则和取值标准一、目的为确保车间生产活动平稳进行,减少或避免各种不必要的作业风险,根据危险化学品安全生产标准化评审标准及其他相关要求,结合车间生产实际状况,特制定本评价准则,使各系统生产趋于良性循环发展,使员工明白岗位风险及控制措施,提升安全生产意识及知识水平。
二、适用范围本评价准则适用于车间及安全生产、操作与各项检维修活动。
三、评价依据1、国家有关风险管理的法律、法规和标准;2、《危险化学品安全管理条例》;3、公司的管理标准和技术标准;4、公司安全目标中规定的内容;5、本公司和所发生相类似的事故统计资料;四、评价方法针对当前评价方法众多的实际,评价目的和对象的不同,因每种评价方法都有其适用范围和应用条件,在进行风险评价时,应根据安全评价的对象和要达到的评价目的,选择适用的安全评价方法。
评价主要用的方法罗列如下:五、安全评价所适用准则1、安全评价准则公司制定的评价准则包括事件发生的可能性L和事件后果的严重性S,以及与其对应的风险度R。
风险度R=事件发生的可能性L×事件后果的严重性S。
2、安全评价的取值标准根据公司实际经营情况,相关标准罗列如下:2.1事件发生的可能性L值大小判断准则:鉴于事件发生可能性大小与及其发生频率与现有的防范、预防、检测和控制措施息息相关,倘若各项控制措施到位,并处于良好状态,则事件发生的可能性(L)值会大大降低。
如下表所示,等级数值越大,说明事件发生的可能性越大。
2.2根据实际生产经营规模,将事件发生结果的严重性(S)罗列如下:2.3公司内各项活动存在风险等级判定准则及控制措施如下表所示:六、评价与治理1、风险评价的范围:1.1 人——人的不安全操作行为;机——物的不安全状态;环——环境存在的不安全因素;管——规章制度的建立与落实1.2 (1)规划、设计和建设、投产、运行阶段;(2)常规和非常规活动;(3)事故及潜在的紧急情况;(4)所有进入作业场所人员的活动;(5)原材料、产品的运输和使用过程; (6)作业场所的设施、设备、车辆、安全防护用品;(7)丢弃、废弃、拆除与处置;(8)企业周围环境; (9)气候、地震及其他自然灾害。
风险评价准则一、引言风险评价是指对潜在风险进行系统性的识别、分析和评估的过程,以便为决策提供科学依据和参考。
风险评价准则是指在进行风险评价时所需遵循的一系列规范和要求。
本文将详细介绍风险评价准则的内容和要求。
二、风险评价准则的目的风险评价准则的目的是确保风险评价的科学性、客观性和可靠性,为决策提供准确的风险信息。
通过制定统一的准则,可以保证不同风险评价工作的一致性和可比性,提高风险评价结果的可信度和可用性。
三、风险评价准则的内容1. 评价对象的确定:准则要求明确评价对象的范围和边界,包括评价的系统、过程、设备等,以便对相关风险进行全面评估。
2. 风险识别的方法:准则要求使用科学的方法对潜在风险进行识别,包括但不限于文献调研、专家咨询、实地调查等。
3. 风险分析的方法:准则要求使用合适的方法对识别出的风险进行分析,包括但不限于定性分析、定量分析、事件树分析等。
4. 风险评估的指标:准则要求确定适当的评估指标,如风险等级、风险概率、风险影响等,以便对风险进行综合评估。
5. 风险评估的数据来源:准则要求明确风险评估所需数据的来源,包括历史数据、实验数据、模拟数据等,以确保数据的可靠性和可信度。
6. 风险评估的不确定性分析:准则要求对风险评估结果的不确定性进行分析和评估,以提供决策者关于风险的可靠信息。
7. 风险评估报告的编制:准则要求编制符合规范要求的风险评估报告,包括报告的结构、内容、格式等,以便决策者能够理解和使用评估结果。
四、风险评价准则的要求1. 科学性:风险评价准则要求评价方法和过程科学可靠,基于科学理论和实践经验,确保评价结果的可信度和可靠性。
2. 全面性:风险评价准则要求对评价对象的风险进行全面识别和分析,考虑各种可能的风险来源和影响因素。
3. 透明性:风险评价准则要求评价过程和方法公开透明,以便公众和决策者能够理解和参与评价工作。
4. 可操作性:风险评价准则要求评价结果具有可操作性,能够为决策者提供明确的风险管理建议和措施。
公司风险评价准则1目的为加强作业风险和岗位风险控制,便于对风险进行分级管理,特制定本准则。
2适用范围公司内所有作业活动、岗位、部位、装置等的风险评价和风险分级。
3术语3.1风险:风险(R)是发生特定危害事件的可能性(L)及后果严重性(S)的结合。
风险R二可能性LX后果严重性S3.2危害:可能造成人员伤亡、疾病、财产损失、工作环境破坏的根源或状态。
4职责4.1安全生产经理领导风险评价工作,成立评价组织;4.2安环部负责风险评价归口管理;4.3各处室安全管理人员负责所辖处室的风险评价。
5控制程序5.1作业风险等级判定5.1.1风险矩阵法英国石油化工行业最先采用,即辨识出每个作业单元可存在的危害,并判定这种危害可能产生的后果及产生这种后果的可能性,二者相乘,得出所确定危害的风险。
然后进行风险分级,根据不同级别的风险,采取相应的风险控制措施。
风险的数学表达式为:R=L x S o其中:R—代表风险值;L—代表发生伤害的可能性;S—代表发生伤害后果的严重程度。
5.1.2危害发生的可能性L的判定准则:表1:危害发生可能性L判定从人员伤亡情况、财产损失、法律法规符合性、环境破坏和对企业声誉损坏五个方面对后果的严重程度(5)进行评价取值,取五项得分最高的分值作为其最终的S值。
表2:危害后果严重性S判定确定了 S和L值后,根据R=L£计算出风险度R的值。
表3:风险等级R判定根据R的值的大小将风险级别分为以下四级:R = LXS = 17〜25: A级,需要立即暂停作业;R = LXS = 13〜16: B级,需要采取控制措施;R = LXS = 8〜12: C级,需要有限度管控;R = LXS = 1〜7: D级,需要跟踪监控或者风险可容许。
5.2岗位(部位、装置等)风险等级判定5.2.1作业条件风险程度分析(LEC)评价法基本原理是根据风险点辨识确定的危害及影响程度与危害及影响事件发生的可能性乘积确定风险的大小。
风险评价准则1、目的为确保公司生产活动平稳进行,减少或避免各种不必要的作业风险,根据国家危化品安全标准化《规范》及其其他相关内容,结合公司生产实际状况,特制定本评价准则,以期指导公司各系统生产趋于良性循环发展,使全员明晰本岗位影响安全的风险及控制措施,提升安全生产意识及知识水平。
2、适用范围本评价准则适用于公司各部门(车间)及其基层诸项活动的安全生产、操作与各项检维修活动。
3、评价依据a国家有关风险管理的法律、法规和标准;b焦化行业的设计规范和技术标准及GB12710-2008《焦化安全规程》;c公司的管理标准和技术标准;d公司安全目标中规定的内容;e 本公司和国内外所发生相类似的事故统计资料4、评价方法公司针对当前安全评价方法众多的实际,安全评价目的和对象的不同,因每种安全评价方法都有其适用范围和应用条件,在进行安全评价时,应根据安全评价的对象和要达到的评价目的,选择适用的安全评价方法。
安全评价主要用的方法罗列如下:5 安全评价所适用准则5.1安全评价准则公司制定的评价准则包括事件发生的可能性L和事件后果的严重性S,以及与其对应的风险度R。
风险度R=事件发生的可能性L×事件后果的严重性S。
5.2安全评价的取值标准根据公司实际经营情况,相关标准罗列如下:5.2.1事件发生的可能性L值大小判断准则:鉴于事件发生可能性大小与及其发生频率与现有的防范、预防、检测和控制措施息息相关,倘若各项控制措施到位,并处于良好状态,则事件发生的可能性(L)值会大大降低。
如下表所示,等级数值越大,说明事件发生的可能性越大。
6 评价与治理6.1风险评价的范围:人——人的不安全操作行为;机——物的不安全状态;环——环境存在的不安全因素;管——规章制度的建立与落实6.2 评价依据公司目前的实际状况,选择适当的安全评价方法,对作业活动、生产设备设施、工艺过程等方面进行危害识别,进而按照风险评价的准则进行风险评价,划分风险等级,确定风险是否属于可接受风险。
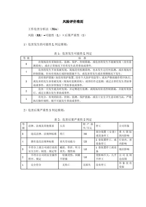
风险评价准则工作危害分析法(JHA)风险(RR)=可能性(L)×后果严重性(S)1)危害发生的可能性L判定准则:表1:危害发生可能性L判定等级标准5在现场没有采取防范、监测、保护、控制措施,或危害的发生不能被发现(没有监测系统),或在正常情况下经常发生此类事故或事件。
4危害的发生不容易被发现,现场没有检测系统,也未发生过任何监测,或在现场有控制措施,但未有效执行或控制措施不当,或危害常发生或在预期情况下发生。
3没有保护措施(如没有保护装置、没有个人防护用品等),或未严格按操作程序执行,或危害的发生容易被发现(现场有监测系统),或曾经作过监测,或过去曾经发生类似事故或事件,或在异常情况下类似事故或事件。
2危害一旦发生能及时发现,并定期进行监测,或现场有防范控制措施,并能有效执行,或过去偶尔发生事故或事件。
1有充分、有效的防范、控制、监测、保护措施,或员工安全卫生意识相当高,严格执行操作规程。
极不可能发生事故或事件。
2)危害后果严重性S判定准则:表2:危害后果严重性S判定等级法律、法规及其他要求人员财产损失/万元停工公司形象5 违反法律、法规和标准死亡>50 部分装置(>2套)或设备停工重大国际国内影响4 潜在违反法规和标准丧失劳动能力>25 2套装置停工、或设备停工行业内、省内影响3 不符合上级公司或行业的安全方针、制度、规定等截肢、骨折、听力丧失、慢性病>101套装置停工或设备地区影响2不符合公司的安全操作程序、规定轻微受伤、间歇不舒服<10受影响不大,几乎不停工公司及周边范围1 完全符合无伤亡无损失没有停工形象没有受损3)风险等级R判定准则及控制措施:表3:风险等级判定准则及控制措施R风险度等级应采取的行动/控制措施实施期限21~25 巨大风险在采取措施降低危害前,不能继续作业,对改进措施进行评估立刻15~16 重大风险采取紧急措施降低风险,建立运行控制程序,定期检查、测量及评估立即或近期整改6~12 中等可考虑建立目标、建立操作规程,加强培训及沟通2年内治理1~5 可接受可考虑建立操作规程、作业指导书但需定期检查或无需采用控制措施,但需保存记录有条件、有经费时治理注:R=L×S—危险性或风险度(危险性分值)L——发生事故的可能性大小(发生事故的频率)S——一旦发生事故会造成的损失后果。
风险评价准则1、目的为加强作业风险和岗位风险控制,便于对风险进行分级管理,制定本准则。
2、适用范围本评价准则适用于公司所有作业活动、岗位、部位、装置等的风险评价和风险分级。
3、术语1.风险:风险(R)是发生特定危害事件的可能性(L)及后果(S)的结合。
风险R=可能性L X后果严重性S2.危害:可能造成人员伤亡、疾病、财产损失、工作环境破坏的根源或状态。
4、评价方法公司针对当前安全评价方法众多的实际,安全评价目的和对象的不同,因每种安全评价方法都有其适用范围和应用条件,在进行安全评价时,应根据安全评价的对象和要达到的评价目的,选择适用的安全评价方法。
公司采用的安全评价主要用的方法罗列如下:5 、安全评价所适用准则5.1安全评价准则公司制定的评价准则包括事件发生的可能性L和事件后果的严重性S,以及与其对应的风险度R。
风险度R=事件发生的可能性L×事件后果的严重性S。
5.2安全评价的取值标准5.2.1事件发生的可能性L值大小判断准则:鉴于事件发生可能性大小与及其发生频率与现有的防范、预防、检测和控制措施息息相关,倘若各项控制措施到位,并处于良好状态,则事件发生的可能性(L)值会大大降低。
如下表所示,等级数值越大,说明事件发生的可能性越大。
事件发生的可能性(L)5.2.2公司根据实际生产经营规模,将事件发生结果的严重性(S)罗列如下:事故后果的严重性(S)判别准则5.2.3公司内各项活动存在风险等级判定准则及控制措施如下表所示:风险等级判定准则及控制措施6 、评价6.1风险评价的范围:1.人——人的不安全操作行为;机——物的不安全状态;环——环境存在的不安全因素;管——规章制度的建立与落实6.2评价的应用1.从作业活动清单中选定一项作业活动,将作业活动分解为若干个相连的工作步骤,识别每个工作步骤的潜在危害,然后通过风险评价,判定风险等级,制定控制措施。
2.作业步骤应按实际作业步骤划分,佩戴防护用品、办理作业票等不必作为作业步骤分析。
公司风险评价准则————————————————————————————————作者:————————————————————————————————日期:风险评价准则1、目的为确保公司生产活动平稳进行,减少或避免各种不必要的作业风险,根据国家及山东省相关标准要求,结合公司生产实际状况,特制定本评价准则,用于指导公司各系统生产趋于良性循环,使全员明晰本岗位影响安全的风险及控制措施,提升安全生产意识及知识水平。
2、适用范围本评价准则适用于公司各部门(车间)及基层安全生产活动、操作与各项检维修活动,和岗位设备设施的日常排查活动。
3、评价依据a化工企业风险分级管控实施指南(试用版)b 生产过程危险和有害因素分类与代码GB/T13861-2009c企业职工伤亡事故分类GB 6441 -86d危险化学品重大危险源辨识GB18218-2009 e安全生产风险分级管控体系通则DB37/T2882-2016f化工企业安全生产风险分级管控体系细则DB37/T2971-2017g 山东省企业风险分级管控和隐患排查治理体系建设验收评定标准(试行)4、评价方法公司针对当前安全评价方法众多的实际,安全评价目的和对象的不同,因每种安全评价方法都有其适用范围和应用条件,在进行安全评价时,应根据安全评价的对象和要达到的评价目的,选择适用的安全评价方法。
安全评价主要用的方法罗列如下:序号风险评价方法和名称英文缩写适用性概括采用情况1安全检查表SCL对各类静态设施罗列所需检查项目及标准的表格形式公司采用2 工作危害分析JHA主要针对工作活动过程的危险有害因素进行风险性评价与辨识公司采用3 故障类型和影响分析F MEA按实际需要将系统进行分割并分析可能发生故障类型,以便采取相识对策,提高系统安全性未采用4 故障树分析F TA 重点对系统的危险性进行识别评价,可作为安全分析、评价、和事故预测未采用5 危险和可操作性研究HAZOP 目的是找出过程中工艺状态的变化(偏差),分析偏差产生的原因、后果及可采取的对策未采用6故障假设分析法WI 对系统工艺过程或操作过程的创造性分析,可通过提问的方式发现可能的事故隐患未采用7 危险指数法RR 通过评价人员对几种工艺现状,及运行的固有属性进行比较计算,确定工艺危险特性重要性大小,并根据评价结果,确定进一步评价的对象未采用8 事件树分析ETA 用来分析普通设备故障或过程波动(初始事件)导致事故发生的可能性未采用9 人员可靠性分析HRA 一般建议将该评价方法与其他安全评价方法结合使用,能识别出具体的、有严重后果的人为失误未采用10定量风险评价方法QRA 该种评价方法能提供足够的信息,为各级管理者提供有利的定量化决策依据未采用11 作业条件危险性评价法LEC主要将作业条件的危险性作为因变量,采取对所评价的对象划分的危险程度等级表,查出危险程度的一种评价方法未采用5 安全评价所适用准则5.1安全评价准则公司制定的评价准则包括事件发生的可能性L和事件后果的严重性S,以及与其对应的风险度R。
风险评价准则一、引言风险评价是指对特定活动、项目或决策的潜在风险进行系统评估和分析的过程。
风险评价准则的制定旨在提供一个统一的标准和方法,以确保风险评价的准确性、可靠性和一致性。
本文将介绍风险评价准则的主要内容和要求。
二、概述1. 目的:风险评价准则的目的是为了帮助决策者和相关利益相关者更好地理解和评估特定活动、项目或决策的风险,并采取相应的控制措施。
2. 适用范围:风险评价准则适用于各类组织和行业,包括但不限于企业、政府机构、非营利组织等。
3. 基本原则:风险评价应基于科学、客观、全面和可靠的方法,充分考虑相关信息和利益相关者的意见。
三、风险评价的步骤1. 确定评价范围:明确评价的目标、对象和边界,确定评价的时间和资源限制。
2. 识别风险:通过收集和分析相关信息,识别与特定活动、项目或决策相关的潜在风险。
3. 评估风险:对已识别的风险进行定性和定量评估,包括风险的概率、影响程度和风险等级的确定。
4. 分析风险:对评估的风险进行进一步分析,确定其成因、传播途径和可能导致的后果。
5. 评估风险的重要性:综合考虑风险的概率、影响程度和风险等级,评估风险的重要性和优先级。
6. 制定控制措施:针对评估结果,制定相应的风险控制措施,包括风险的预防、减轻和应急处理措施。
7. 监测和回顾:建立风险监测和回顾机制,定期评估和更新风险评价结果,确保控制措施的有效性和持续改进。
四、风险评价的要求1. 数据收集和分析:风险评价应基于充分、准确和可靠的数据,采用科学和合理的方法进行分析和处理。
2. 利益相关者参与:风险评价应充分考虑利益相关者的意见和需求,确保评价结果的公正和可信度。
3. 风险沟通和报告:风险评价结果应以清晰、准确和易于理解的方式进行沟通和报告,包括风险的性质、程度和可能的影响。
4. 持续改进:风险评价应作为一个持续改进的过程,及时反馈和纠正评价结果的不足之处,并采取相应的改进措施。
五、风险评价的应用1. 项目决策:风险评价可用于项目决策的支持,帮助决策者更好地理解和评估项目的风险,并制定相应的决策措施。
危害识别及风险评价准则
1、目的
切实有效的进行岗位及环境的风险评价,为风险控制提供可靠的科学依据。
2、适用范围
公司生产、服务、作业等各项活动及岗位、场所的风险评价。
3、评价方法
工作危害分析(JHA)是一种较细致地分析工作过程中存在危害的方法,把一项工作活动分解成几个步骤,识别每一步骤中的危害和可能的事故,设法消除危害。
安全检查表分析(SCL)是基于经验的方法,是分析人员列出一些项目,识别与一般工艺设备和操作有关的已知类型的危害、设计缺陷以及事故隐患。
安全检查表分析可用于对物质、设备或操作规程的分析。
4、评价范围
5 评价范围
5.1确定范围的基本原则:本着实用性、可操作性的基本思路,不扩大,不遗漏,轻重有别,清晰准确,以达到评价的最佳效果。
5.2 基本范围
5.2.1行为评价:违规、习惯、忽视、意识和能力
5.2.2 设备设施评价:状态、系统、可靠性
5.2.3 物料评价:状态、理化性质
5.2.4 作业活动评价:规范性、专业性、工艺等综合评价
5.2.5 场所评价:重点选择
5.2.6 管理评价:法律法规、标准的辨识和执行、制度的健全、完善程度
注:行为评价可体现在作业活动评价之中
5、评价准则
R=S×L
事件发生的可能性(L)
风险评估表。
风险评价准则一、引言风险评价是指对某一特定风险进行系统性的分析、评估和判定的过程。
风险评价准则是指在进行风险评价时所需遵循的一系列规范和标准。
本文将介绍风险评价准则的基本要素、评价方法、评价指标等内容,以期为风险评价工作提供指导和参考。
二、基本要素1. 风险评价目的:明确风险评价的目标和意义,例如为决策提供科学依据、保障公众安全等。
2. 评价对象:确定需要进行风险评价的具体对象,可以是某一产品、工艺、活动等。
3. 评价范围:明确风险评价的边界和范围,包括时间、空间、人群等方面的限定。
4. 评价方法:选择适当的评价方法,如定性评价、定量评价、半定量评价等,根据评价对象和目的来确定。
5. 评价指标:确定用于评价风险的指标体系,包括风险程度、风险概率、风险影响等指标。
6. 数据采集:搜集和整理评价所需的相关数据,可以通过实验、调查、文献研究等方式获得。
7. 不确定性分析:对评价过程中的不确定性进行分析和处理,如灵敏度分析、误差分析等。
三、评价方法1. 定性评价:根据专家经验和知识进行主观判断,将风险分为高、中、低等级。
2. 定量评价:利用数学模型和统计方法对风险进行量化,得出具体的风险值。
3. 半定量评价:综合定性和定量方法,结合专家判断和数学模型,对风险进行评估。
4. 多指标评价:采用多个评价指标对风险进行综合评估,考虑不同指标的权重和相互关系。
5. 事件树分析:通过构建事件树模型,分析风险事件发生的概率和后果,评估风险程度。
6. 故障模式与影响分析:对系统故障模式进行分析,评估故障对系统性能的影响和风险程度。
四、评价指标1. 风险程度:根据风险的可能性和影响程度,将风险分为高、中、低三个等级。
2. 风险概率:表示风险事件发生的概率,可以用百分比或者概率值表示。
3. 风险影响:评估风险事件发生后对人身、财产、环境等方面的影响程度。
4. 风险控制措施:根据评价结果,提出相应的风险控制措施,包括预防措施和应急措施。
公司风险评价准则公司风险评价准则是一个用于系统评估和监测公司面临的各种风险的工具。
它对于公司管理层和股东来说是非常重要的,因为它可以帮助他们识别、评估和管理各种可能对公司业务运作和财务状况造成负面影响的风险。
下面是一些公司风险评价的准则及其相关说明。
1. 确定潜在风险:首先,公司需要识别可能会对业务运作和财务状况产生影响的潜在风险。
这包括内部风险(如管理层能力不足、员工失职等)和外部风险(如市场变化、竞争压力等)。
2. 评估风险的概率和影响:一旦潜在风险被确定,公司需要评估这些风险发生的概率和其对公司的影响程度。
这可以帮助公司确定哪些风险是最紧迫和重要的。
3. 加强内部控制:公司需要建立和实施一套有效的内部控制措施,以帮助减少风险的发生,并在风险发生时能够及时发现和应对。
这包括确保明确的岗位职责、规范的审计程序和完善的报告机制等。
4. 多样化业务和市场:为了降低特定风险对公司的影响,公司可以考虑多元化业务和市场。
这意味着公司不仅在一个行业或市场中运营,而是在多个领域开展业务,以减少对单一市场或行业的依赖。
5. 建立紧急应对措施:公司需要制定紧急应对措施,以应对突发的风险和危机。
这包括建立危机管理团队、规定应急预案和提供培训等。
6. 定期审查和更新:公司风险评价准则需要定期审查和更新,以确保其与公司的实际情况保持一致。
这可以帮助公司识别新的风险,并及时采取相应的措施应对。
通过遵循以上准则,公司可以更好地识别、评估和管理风险。
这有助于提高公司的业务绩效和竞争力,同时减少潜在的财务损失。
7. 建立风险管理框架:公司应建立一个全面的风险管理框架,以确保所有的风险都得到适当的管理和控制。
这包括确定风险的类别和级别,并为每个风险制定相应的管理措施。
8. 培养风险意识:公司需要培养员工对风险的意识,并推广风险管理文化。
这可以通过开展培训和教育活动来实现,使员工能够更好地识别和管理风险。
9. 风险信息共享和沟通:公司需要建立一个有效的风险信息共享和沟通机制,确保各级管理人员和员工都能够及时了解到公司面临的风险和相关的控制措施。
风险评价准则1、目的为确保公司生产活动平稳进行,减少或避免各种不必要的作业风险,根据危险化学品安全生产标准化评审标准及其他相关要求,结合公司生产实际状况,特制定本评价准则,使各系统生产趋于良性循环发展,使员工明白岗位风险及控制措施,提升安全生产意识及知识水平。
2、适用范围本评价准则适用于各部门(车间)及安全生产、操作与各项检维修活动。
3、评价依据a国家有关风险管理的法律、法规和标准;b《危险化学品安全管理条例》;c公司的管理标准和技术标准;d公司安全目标中规定的内容;e 本公司和所发生相类似的事故统计资料4、评价方法针对当前评价方法众多的实际,评价目的和对象的不同,因每种评价方法都有其适用范围和应用条件,在进行风险评价时,应根据安全评价的对象和要达到的评价目的,选择适用的安全评价方法。
评价主要用的方法罗列如下:5 安全评价所适用准则5.1安全评价准则公司制定的评价准则包括事件发生的可能性L和事件后果的严重性S,以及与其对应的风险度R。
风险度R=事件发生的可能性L×事件后果的严重性S。
5.2安全评价的取值标准根据公司实际经营情况,相关标准罗列如下:5.2.1事件发生的可能性L值大小判断准则:鉴于事件发生可能性大小与及其发生频率与现有的防范、预防、检测和控制措施息息相关,倘若各项控制措施到位,并处于良好状态,则事件发生的可能性(L)值会大大降低。
如下表所示,等级数值越大,说明事件发生的可能性越6 评价与治理6.1风险评价的范围:1. 人——人的不安全操作行为;机——物的不安全状态;环——环境存在的不安全因素;管——规章制度的建立与落实2.(1)规划、设计和建设、投产、运行阶段;(2)常规和非常规活动;(3)事故及潜在的紧急情况;(4)所有进入作业场所人员的活动;(5)原材料、产品的运输和使用过程;(6)作业场所的设施、设备、车辆、安全防护用品;(7)丢弃、废弃、拆除与处置;(8)企业周围环境;(9)气候、地震及其他自然灾害。
********有限公司安全生产风险评价准则1.风险定义: 风险是发生特定危害事件的可能性及后果的结合。
2.作业条件危险性分析(LEC)评价准则2.1准则制定依据(1)有关安全法律、法规要求;(2)行业的设计规范、技术标准;(3)安全管理标准、技术标准;(4)合同规定;(5)企业的安全生产方针和目标等。
2.2发生事故的可能性大小(L值)事故发生的可能性大小用概率表示,绝对不可能发生的事故概率为0;必然发生的事故概率为1。
从系统安全角度考虑,绝对不发生事故是不可能的,所以人为将发生事故可能性极小的分类定为0.1,而必然要发生的事故分数定为10,介于这两种情况之间的指定若干中间值。
2.3人体暴露在这种危险环境中的频次程度(E值)人员出现在危险环境中时间越多,危险性越大。
规定连续出现的危险环境的情况为10,而非常罕见地出现在危险环境为0.5,介于两者之间的各种情况规定若干个中间值。
2.4一旦发生事故会造成的后果(C值)事故造成的人身伤害和财产损失变化范围很大,所以规定分数值为1~100。
把需要救护的轻微伤害或较小财产损失的分类规定为1,把造成多人死亡或重大财产损失的可能性分数规定为100,其他情况的数值均在1~100之间。
2.5风险等级判定准则及控制措施(D值)D值越大,说明该系统危险大,需要增加安全措施,或改变发生事故的可能性,或减少人体暴露于危险环境中的频繁程度,或减少事故损失,直至调整到允许范围。
3风险等级对照4以下情形应直接确定为重大风险:(1)违反法律、法规及国家标准中强制性条款的;(2)发生过死亡、重伤、重大财产损失事故,或三次及以上轻伤、一般财产损失事故,且现在发生事故的条件依然存在的;(3)涉及危险化学品重大危险源的;(4)具有中毒、爆炸、火灾等危险的场所,作业人员在10人及以上的;(5)经风险评价确定为最高级别风险的。
建立合用于公司的安全标准化风险评价方法,为风险评价提供指导原则。
公司所有作业活动、岗位、部位、装置等的风险评价和风险分级。
风险:风险(R)是发生特定危害事件的可能性(L)及后果(S)的结合。
风险 R=可能性L×后果严重性 S危害:可能造成人员伤亡、疾病、财产损失、工作环境破坏的根源或者状态。
( 1 )总经理直接负责风险评价工作,生产副总协助风险评价工作,成立评价组织进行风险评价;( 2 )由安全部门负责制定风险评价方法;( 3 )由风险评价使用部门选用适合的评价方法进行风险评价。
(4)职工对作业场所危(wei)险有害因素进行识别,对作业活动及设备设施及危(wei)险工艺进行风险评价。
L 值判定标准(具有下列情形之一就可判定为该级)54面影响1.现场没有采取防范、监测、保护、控制措施5 2.正常情况下时常发生危害3.危害发生时不能被发现(没有监测系统)1.危害的发生不容易被发现,现场没有检测系统,也没做过任何监测;或者现场有控制措4 施,但未有效执行或者控制措施不当;2.或者危害常发生或者在预期情况下发生1.现场没有采取防范措施或者控制措施不当3 2.异常情况下发生过危害3.危害发生时容易被发现1.现场有防范措施并能有效执行2 2.过去偶而发生过危害事故或者事件3.危害发生时能及时发现1.有充分有效的防范、监测、保护、控制措施1 2.极不可能发生危害3.严格执行操作规程重大环境污染公司形象受到重大负 公司停车部份关键装置停车 造成人员伤亡造成人员重伤 >50>253 造成轻伤 >10 降低生产负荷 造成环境污染2 造成人员轻微伤 <10 影响不大,几乎不停车 造成轻微环境污染1 无人员伤亡 无损失 无停车 无污染、无影响巨大风险重大风险中等风险可接受风险可忽略风险作业危害分析将对作业活动的每一步骤进行分析,从而辨识潜在的危 害并制定安全措施。
作业危害分析有助于将认可的职业安全健康原则在特 定作业中贯彻实施。
公司风险评价准则 This manuscript was revised by the office on December 10, 2020.
风险评价准则
1、目的
为确保公司生产活动平稳进行,减少或避免各种不必要的作业风险,根据国家及山东省相关标准要求,结合公司生产实际状况,特制定本评价准则,用于指导公司各系统生产趋于良性循环,使全员明晰本岗位影响安全的风险及控制措施,提升安全生产意识及知识水平。
2、适用范围
本评价准则适用于公司各部门(车间)及基层安全生产活动、操作与各项检维修活动,和岗位设备设施的日常排查活动。
3、评价依据
a 化工企业风险分级管控实施指南
b 生产过程危险和有害因素分类与代码 GB/T13861-2009
c企业职工伤亡事故分类 GB 6441 -86
d危险化学品重大危险源辨识 GB 18218 -2009
e安全生产风险分级管控体系通则 DB37/T2882-2016
f化工企业安全生产风险分级管控体系细则 DB37/T2971-2017
g 山东省企业风险分级管控和隐患排查治理体系建设验收评定标准
4、评价方法
公司针对当前安全评价方法众多的实际,安全评价目的和对象的不同,因每种安全评价方法都有其适用范围和应用条件,在进行安全评价时,应根据安全评价的对象和要达到的评价目的,选择适用的安全评价方法。
安全评价主要用的方法罗列如下:
5 安全评价所适用准则
安全评价准则
公司制定的评价准则包括事件发生的可能性L和事件后果的严重性S,以及与其对应的风险度R。
风险度R=事件发生的可能性L×事件后果的严重性S。
安全评价的取值标准根据公司实际经营情况,相关标准罗列如下:
事件发生的可能性L值大小判断准则:鉴于事件发生可能性大小与及其发生频率与现有的防范、预防、检测和控制措施息息相关,倘若各项控制措施到位,并处于良好状态,则事件发生的可能性(L)值会大大降低。
如下表所示,等级数值越大,说明事件发生的可能性越大。
事件发生的可能性(L)判断准则
公司根据实际生产经营规模,将事件发生结果的严重性(S)罗列如下:
事件后果的严重性(S)判别准则
风险等级(R )判定准则及控制措施
风险矩阵表
后 果
等 级
543
2
1
6 评价与治理
风险评价的范围:
1. 人——人的不安全操作行为;
机——物的不安全状态;
环——环境存在的不安全因素;
管——规章制度的建立与落实
2. --规划、设计和建设、投产、运行阶段;
--常规和非常规活动;
--事故及潜在的紧急情况;
--所有进入作业场所人员的活动;
--原材料、产品的运输和使用过程;
--作业场所的设施、设备、车辆、安全防护用品;
--丢弃、废弃、拆除与处置;
--企业周围环境;
--气候、地震及其他自然灾害。
评价
依据公司目前的实际状况,选择适当的安全评价方法,对作业活动、生产设备设施、工艺过程等方面进行危害识别,进而按照风险评价的准则进行风险评
价,划分风险等级,确定风险是否属于可接受风险。
根据风险值的大小将其分为巨大、重大、较大、一般、低风险,分别确定整改的期限和整改措施。
风险管控措施在制定过程中应考虑可行性、可靠性、先进性、经济合理性,同时从工程技术措施、管理措施、培训教育、个体防护、应急处置等方面识别,并评估现有控制措施的有效性。
现有控制措施不足以控制此项风险,应提出建议或改进的控制措施。
治理
对评价为重大风险以上级别的风险,各车间科室应该根据风险评价的结果,按优先顺序进行控制治理。
并且应对判定为重大风险的进行详细记录,并定期更新,各车间科室应针对具体措施采取严格控制的方式,严格按照“四定”措施,依次采取消除、抑制危害,修订操作规程,保证整改质量和效果。
要求
公司及各车间科室应该将风险评价的结果及所采取的控制措施对岗位人员进行广泛宣传、培训,使其熟悉工作岗位和作业环境中的风险及所应采取的控制措施。
各车间科室应将已确定的控制措施,按照优先顺序,逐项进行落实,把风险控制在可接受的程度
公司及各车间科室应对于常规活动每一年组织一次危害识别和风险评价,对常规活动重新识别评价;对于八大特殊作业活动等危险性较大的活动,在开始之前进行危害识别风险评价,在此基础上编写实施方案,并经有关领导严格审批。
倘若对有发生严重事故可能的作业活动,还应制定应急措施、编写应急预案,并且在活动或施工前进行演练。
评价的应用
风险评价的内容应纳入安全教育培训内容,作为岗位人员应知应会的安全基础知识。
岗位安全生产常规活动评价的内容经公司安委会批准后应在岗位公示,便于岗位人员获知。
对于公司各级安全管理部门查出的安全隐患存在异议的可运用评价方法进行评价验证。
7 工作程序
各部门职责
公司风险分级管控领导小组负责风险评价组织,评价汇总,经公司安全管理委员会批准后颁布实施。
生产车间负责本车间范围内的岗位风险评价。
公司安委会负责审核风险评价的批准实施。
公司安全科负责岗位风险控制的落实督促。
由公司安全生产消防安全领导小组兼任风险评价小组
岗位风险评价实施程序
、风险评价实施程序图例(附图)
风险评价的控制
风险的控制程序按第六条之规定执行。
风险评价实施时间进度
公司双体系建设推进工作按照公司双体系建设推进实施方案按照时间节点完成,企管办、生产部、安全科定期跟踪督导。
8 风险管控措施落实
公司安委会负责对重大风险(2级橙色)以上风险点进行垂直督导,由风险点所在单位负责直接落实各项风险管控措施。
各部室车间负责人负责对较大风险(3级黄色)风险点进行督导,由风险点所在部门班组长组织人员落实风险管控措施。
各岗位安全管理人员对一般风险(4级蓝色)以下风险点进行督导,由所在班组岗位人员落实风险管控措施。
9 奖惩
各部门、各岗位人员风险管控职责已纳入到公司安全生产责任制中,严格按照公司安全生产责任制考核实施细则的要求进行考核奖惩。
10 附则
根据《安全生产风险分级管控体系通则》DB37/T 2882-2016要求,公司风险分级管控领导小组每年组织相关人员重新进行风险评价。
在组织机构发生重大调整、工艺设备发生改造变更、本单位或其他同行业单位发生安全事故及类似安全事故、国家相关法律法规、公司岗位作业规程等发生变更或改动时应重新进行评价。
本准则最终解释权归公司安全科。
本准则自下发之日起执行。
附图:。