三点式正弦波振荡器(高频电子线路实验报告)
- 格式:doc
- 大小:34.00 KB
- 文档页数:3
高频电路原理与分析实验报告组员:学号:班级:电子信息工程实验名称:正弦波振荡器指导教师:一.实验目的1.掌握电容三点式LC振荡电路和晶体振荡器的基本工作原理,熟悉其各元件的功能;2.掌握LC振荡器幅频特性的测量方法;3.熟悉电源电压变化对振荡器振荡幅度和频率的影响;4.了解静态工作点对晶体振荡器工作的影响,感受晶体振荡器频率稳定度高的特点。
二.实验内容V ,1.用示波器观察LC振荡器和晶体振荡器输出波形,测量振荡器输出电压峰-峰值p p并以频率计测量振荡频率;2.测量LC振荡器的幅频特性;3.测量电源电压变化对振荡器的影响;4.观察并测量静态工作点变化对晶体振荡器工作的影响。
三、实验步骤1、实验准备插装好正弦振荡器与晶体管混频模块,接通实验箱电源,此时模块上电源指示灯和运行指示灯闪亮。
用鼠标点击显示屏,选择“实验项目”中的“高频原理实验”,然后再选择“振荡器实验”中的“LC振荡器实验”,显示屏会显示出LC振荡器原理实验图。
说明:电路图中各可调元件的调整,其方法是:用鼠标点击要调整的原件,模块上对应的指示灯点亮,然后滑动鼠标上的滑轮,即可调整该元件的参数。
利用模块上编码器调整与鼠标调整其效果完全相同。
用编码器调整的方法是:按动编码器,选择要调整的元件,模块上对应的指示灯点亮,然后旋转编码器旋钮,即可调整其参数。
我们建议采用鼠标调整,因为长时间采用编码器调整,可能会造成编码器损坏。
本实验箱中,各模块可调元件的调整,其方法与此完全相同,后面不再说明。
2、LC振荡实验(为防止晶体振荡器对LC振荡器的影响,应使晶振停振,即调2W3使晶振停振。
)(1)西勒振荡电路幅频特性测量用铆孔线将2P2与2P4相连,示波器接2TP5,频率计与2P5相连。
开关2K1拨至“p”(往下拨),此时振荡电路为西勒电路。
调整2W4使输出幅度最大。
(用鼠标点击2W4,且滑动鼠标滑轮来调整。
)调整2W2可调整变容管2D2的直流电压,从而改变变容管的电容,达到改变振荡器的振荡频率,变容官上电压最高时,变容管电容最小,此时输出频率最高。
高频电子线路实验随堂实验报告学院计算机与电子信息学院专业班级姓名学号指导教师实验报告评分:_______电容三点式振荡器实验一、实验目的1. 通过实验深入理解电容反馈三点式振荡器的工作原理,熟悉电容反馈三点式振荡器的构成和电路各元件的作用:2. 研究不同静态工作点对振荡器起振、振荡幅度和振荡波形的影响;3. 学习使用示波器和频率计测量高频振荡器振荡频率的方法;4. 观察电源电压和负载变化对振荡幅度和振荡频率及频率稳定性的影响。
二、实验仪器:示波器、频率计、万用表三、仿真图与仿真结果(一)电容三点式振荡器实验(二)石英晶体振荡器实验四、实验内容:1、研究Q对输出的影响答:静态工作点电流不合适时会影响与回路电容有关的反馈系数,则必将影响振荡器起振。
2、正确测量振荡频率并研究外界条件变化对振荡频率得影响答:C1C2改变频率时,反馈系数也改变。
由于极间电容对反馈振荡器的回路电抗均有影响,所以对振荡器频率也会有影响。
而极间电容受环境温度、电源电压等因素的影响较大,所以电容三点式振荡器的频率稳定度不高。
3、测量振荡器的静态工作点:调整图中W,测得Iemin和Iemax(可测量R4两端的电压来计算相应的Ie 值);实验结果:接通电源后,测量R4两端电压为:Uemin=0.403V,Uemax=2.82V,R4=510Ω,故可计算出Iemin=Uemin/R4=7.902e-4A,Iemax=Uemax/R4=55.294e-4.4、测量当工作点在上述范围时的振荡器频率及输出电压。
实验结果:测量上述范围时输出电压U0=0.8mV,振荡器的频率为9.9980.5、研究有无负载对频率的影响:先将K1拨至OFF,测出电路振荡频率,再将五、心得体会:。
三点式正弦波振荡器(高频电子线路实验报告)摘要本实验采用三点式正弦波振荡器电路,通过实验验证了三点式正弦波振荡器的设计和实际应用,其中包括三点式正弦波振荡器的基本原理、电路结构和工作特性等。
实验结果表明,通过合理的电路设计和优化,可以得到高精度、稳定性好的正弦波振荡器,为工程应用提供了重要的参考。
关键词:三点式正弦波振荡器、电路结构、工作特性一、实验目的1.熟悉三点式正弦波振荡器的基本原理和电路结构;3.通过实验验证三点式正弦波振荡器的设计和实际应用。
二、实验原理三点式正弦波振荡器是一种常用的基本电路,它通过正反馈作用在电路中产生自激振荡现象,从而输出对称的正弦波信号。
其基本原理如下:当输出正弦信号幅度变动时,输入放大器的反相输出端和反馈电容之间的电压也会变化,导致反馈放大器的增益也会随之变化,最终导致输出正弦波的幅度稳定在一定的水平上。
同时,在电路中增加合理的RC网络,可以使三点式正弦波振荡器输出的波形更加准确、稳定。
其中,- OA1, OA2分别为运算放大器;- R1, R2, R3分别为电阻,C1, C2分别为电容,L为电感;- 输出信号可以从OA1反相输出端或者OA2非反相输出端输出。
三、实验过程本实验采用EDA软件进行电路仿真和搭建,整个实验过程分为以下几个步骤:1.根据电路原理图,使用EDAW工具将三点式正弦波振荡器的电路搭建出来;2.依据实验材料,按照电路图要求选择合适的R、C、L值;3.将搭建好的电路连接上电源(+12V),开启仿真。
4.在电路仿真过程中,通过示波器观察输出的正弦波形,并分析波形的稳定性和频率响应等特性;5.修改电路参数,观测输出波形的变化情况,并记录相应的数据;四、实验结果通过实验,在合适的电路参数和电源电压下,三点式正弦波振荡器的输出波形为一定幅值的正弦波。
图2 实验得到的三点式正弦波振荡器输出波形五、实验分析通过本实验,我们可以看出三点式正弦波振荡器具有以下特点:1.输出波形准确、稳定。
三点式正弦波振荡器一、实验目的1、 掌握三点式正弦波振荡器电路的基本原理,起振条件,振荡电路设计及电路参数计算。
2、 通过实验掌握晶体管静态工作点、反馈系数大小、负载变化对起振和振荡幅度的影响。
3、 研究外界条件(温度、电源电压、负载变化)对振荡器频率稳定度的影响。
二、实验内容1、 熟悉振荡器模块各元件及其作用。
2、 进行LC 振荡器波段工作研究。
3、 研究LC 振荡器中静态工作点、反馈系数以及负载对振荡器的影响。
4、 测试LC 振荡器的频率稳定度。
三、实验仪器1、模块 3 1块2、频率计模块 1块3、双踪示波器 1台4、万用表 1块四、基本原理实验原理图见下页图1。
将开关S 1的1拨下2拨上, S2全部断开,由晶体管N1和C 3、C 10、C 11、C4、CC1、L1构成电容反馈三点式振荡器的改进型振荡器——西勒振荡器,电容CCI 可用来改变振荡频率。
)14(1210CC C L f +=π振荡器的频率约为4.5MHz (计算振荡频率可调范围) 振荡电路反馈系数F=32.04702202203311≈+=+C C C振荡器输出通过耦合电容C 5(10P )加到由N2组成的射极跟随器的输入端,因C 5容量很小,再加上射随器的输入阻抗很高,可以减小负载对振荡器的影响。
射随器输出信号经N3调谐放大,再经变压器耦合从P1输出。
图1 正弦波振荡器(4.5MHz )五、实验步骤1、根据图1在实验板上找到振荡器各零件的位置并熟悉各元件的作用。
2、研究振荡器静态工作点对振荡幅度的影响。
(1)将开关S1拨为“01”,S2拨为“00”,构成LC 振荡器。
(2)改变上偏置电位器W1,记下N1发射极电流I eo (=11R V e ,R11=1K)(将万用表红表笔接TP2,黑表笔接地测量V e ),并用示波测量对应点TP4的振荡幅度V P-P ,填于表1中,分析输出振荡电压和振荡管静态工作点的关系,测量值记于表2中。
三点式正弦波振荡器(⾼频电⼦线路实验报告)三点式正弦波振荡器⼀、实验⽬的1、掌握三点式正弦波振荡器电路的基本原理,起振条件,振荡电路设计及电路参数计算。
2、通过实验掌握晶体管静态⼯作点、反馈系数⼤⼩、负载变化对起振和振荡幅度的影响。
3、研究外界条件(温度、电源电压、负载变化)对振荡器频率稳定度的影响。
⼆、实验内容1、熟悉振荡器模块各元件及其作⽤。
2、进⾏LC 振荡器波段⼯作研究。
3、研究LC 振荡器中静态⼯作点、反馈系数以及负载对振荡器的影响。
4、测试LC 振荡器的频率稳定度。
三、实验仪器1、模块 3 1块2、频率计模块 1块3、双踪⽰波器 1台4、万⽤表 1块四、基本原理实验原理图见下页图1。
将开关S 1的1拨下2拨上, S2全部断开,由晶体管N1和C 3、C 10、C 11、C4、CC1、L1构成电容反馈三点式振荡器的改进型振荡器——西勒振荡器,电容CCI 可⽤来改变振荡频率。
)14(1210CC C L f +=π振荡器的频率约为4.5MHz (计算振荡频率可调范围)振荡电路反馈系数F=32.04702202203311≈+=+C C C振荡器输出通过耦合电容C 5(10P )加到由N2组成的射极跟随器的输⼊端,因C 5容量很⼩,再加上射随器的输⼊阻抗很⾼,可以减⼩负载对振荡器的影响。
射随器输出信号经N3调谐放⼤,再经变压器耦合从P1输出。
图1 正弦波振荡器(4.5MHz )五、实验步骤1、根据图1在实验板上找到振荡器各零件的位置并熟悉各元件的作⽤。
2、研究振荡器静态⼯作点对振荡幅度的影响。
(1)将开关S1拨为“01”,S2拨为“00”,构成LC 振荡器。
(2)改变上偏置电位器W1,记下N1发射极电流I eo (=11R V e ,R11=1K)(将万⽤表红表笔接TP2,⿊表笔接地测量V e ),并⽤⽰波测量对应点TP4的振荡幅度V P-P ,填于表1中,分析输出振荡电压和振荡管静态⼯作点的关系,测量值记于表2中。
目录摘要 (I)1 绪论 (1)2.1 反馈振荡器的原理 (2)2.1.1 原理分析 (2)2.1.2 平衡条件 (3)2.1.3 起振条件 (3)2.1.4 稳定条件 (4)2.2 电容三点式振荡器 (4)3 设计思路及方案 (6)3.1 总体思路 (6)3.2 设计原理 (6)3.3 单元设计 (7)3.3.1 电容三点式振荡单元 (7)4 电路仿真与实现 (10)4.1 基于NI.Multisim.V10.0.1软件的电路仿真 (10)5 心得体会 (14)《高频电子线路》课程设计说明书摘要在社会信息化程度越来越高的背景下,通讯工具在我们的生活中扮演了越来越重要的角色。
高频信号发生器主要用来向各种电子设备和电路提供高频能量或高频标准信号,以便测试各种电子设备和电路的电气特性。
高频信号发生器主要是产生高频正弦振荡波,故电路主要是由高频振荡电路构成。
振荡器的功能是产生标准的信号源,广泛应用于各类电子设备中。
所以,振荡器是电子技术领域中最基本的电子线路,也是从事电子技术工作人员必须要熟练掌握的基本电路。
本次课设要求制作高频电容三点式正选拨振荡器,采用晶体三极管或集成电路,场效应管构成正弦波振荡器,达到任务书所要求的目标。
并介绍了设计步骤,比较了各种设计方法的优缺点,总结了不同振荡器的性能特征。
使用实验要求的电源和频率计进行验证,实现了设计目标。
关键字:通信高频信号电容正弦波振荡器1 绪论在社会信息化程度越来越高的背景下,通讯工具在我们的生活中扮演了越来越重要的角色。
振荡器简单地说就是一个频率源,一般用在锁相环中能将直流电转换为具有一定频率交流电信号输出的电子电路或装置。
详细说就是一个不需要外信号激励、自身就可以将直流电能转化为交流电能的装置。
一般分为正反馈和负阻型两种。
所谓“振荡”,其涵义就暗指交流,振荡器包含了一个从不振荡到振荡的过程和功能。
能够完成从直流电能到交流电能的转化,这样的装置就可以称为“振荡器”。
Word格式太原理工大学现代科技学院高频电子线路课程实验报告专业班级信息13-1学号 2013101269姓名指导教师孙颖实验名称 正弦波振荡器(LC 振荡器和晶体振荡器) 专业班级 信息13-1 学号 2013100 姓名 0 成绩 实验2 正弦波振荡器(LC 振荡器和晶体振荡器) 2-1 正弦波振荡器的基本工作原理 振荡器是指在没有外加信号作用下的一种自动将直流电源的能量变换为一定的波形的交变振荡能量的装置。
正弦波振荡器在电子领域中有着广泛的应用。
在信息传输系统的各种发射机中,就是把主振器(振荡器)所产生的载波,经过放大、调制而把信息发射出去。
在超外差式的各种接收机中,是由振荡器产生的一个本地振荡信号,送入混频器,才能将高频信号变成中频信号。
振荡器的种类很多。
从所采用的分析方法和振荡器的特性来看,可以把振荡器分为反馈式振荡器和负阻式振荡器两大类。
我们只讨论反馈式振荡器。
根据振荡器所产生的波形,又可以把振荡器氛围正弦波振荡器和非正弦波振荡器。
我们只介绍正弦波振荡器。
常用正弦波振荡器主要是由决定振荡频率的选项网络和维持振荡的正反馈放大器组成,这就是反馈振荡器。
按照选频网络所采用的元件不同,正弦波振荡器可以分为LC 振荡器、RC 振荡器和晶体振荡器等类型。
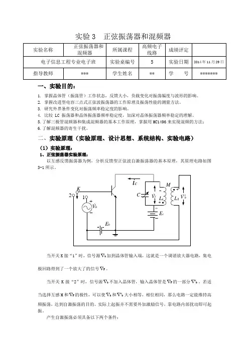
一、反馈型正弦波自激振荡器基本工作原理 以互感反馈振荡器为例,分析反馈型正弦自激振荡器的基本原理,其原理电路如图2-1所示;当开关K 接“1”时,信号源Vb 加到晶体管输入端,这就是一个调谐放大器电路,集电极回路得到了一个放大了的信号Vf 。
……………………………………装………………………………………订…………………………………………线………………………………………当开关K接“2”时,信号源Vb不加入晶体管,输入晶体管是Vf的一部分V’b。
若适当选择互感M和Vf的极性,可以使Vb和V’b大小相等,相位相同,那么电路一定能维持高频振荡,达到自激振荡的目的。
三点式正弦波振荡器实验数据引言三点式正弦波振荡器实验是电子工程学中的一项基础实验,用于研究电路中的振荡现象。
本文将详细介绍该实验的原理、实验装置、实验过程和实验数据分析,并对实验结果进行深入探讨。
一、实验原理正弦波振荡器是一种能够产生稳定频率和振幅的信号源。
它由三个主要部分组成:放大器、反馈网络和频率稳定电路。
1.1 放大器在正弦波振荡器中,放大器起到放大信号的作用。
放大器通常采用共射放大器或共基放大器的形式,工作在其放大区间。
1.2 反馈网络反馈网络是正弦波振荡器中的关键组成部分,它将部分输出信号反馈到放大器的输入端,从而形成正反馈回路,使得系统产生振荡。
1.3 频率稳定电路频率稳定电路用于保持振荡器的输出频率稳定。
最常见的频率稳定电路是RC网络,通过调节电容或电阻的值可以改变振荡器的频率。
二、实验装置本实验使用的实验装置主要包括示波器、信号发生器和三点式正弦波振荡器电路。
2.1 示波器示波器用于显示电路的波形,是本实验中不可缺少的仪器之一。
示波器可以测量电压和时间的关系,并以波形的形式显示出来。
2.2 信号发生器信号发生器用于产生稳定的正弦波信号,作为振荡器电路的输入信号。
信号发生器具有可调节频率和振幅的功能,可以为实验提供所需的输入信号。
2.3 三点式正弦波振荡器电路三点式正弦波振荡器电路是本实验的核心部分。
它由放大器、反馈网络和频率稳定电路组成,可以产生稳定的正弦波信号。
三、实验过程3.1 实验准备首先,将示波器和信号发生器连接起来,并根据实验要求设置信号发生器的输出频率和振幅。
3.2 搭建电路根据实验指导书提供的电路图,搭建三点式正弦波振荡器电路。
确保电路连接正确并牢固。
3.3 调节电路打开示波器和信号发生器,逐步调节电路,使得示波器上显示出稳定的正弦波波形。
根据实验指导书中给出的方法,调节放大器、反馈网络和频率稳定电路的参数。
3.4 记录实验数据在调节电路的过程中,用示波器测量和记录各部分电路的电压和频率值。
《高频电子线路》正弦波振荡器实验报告课程名称:高频电子线路实验类型:验证型实验项目名称:正弦波振荡器一、实验目的和要求通过实验,学习克拉泼振荡器的工作原理、电路组成和调试方法,学习电容三点式振荡器的设计方法,利用Multisim仿真软件进行仿真分析实验。
二、实验内容和原理(一)实验原理1、正弦振荡器的基本原理;2、产生等幅震荡的两个基本条件:相位条件和幅度条件)1 利用正反馈将电源接入瞬间的一个激励不断通过谐振网络滤波放大得到一个只含有一个频率成分的正弦。
2 振幅条件:环路增益在放大倍率为1时的偏导数(对输出电压)小于0.相位条件:谐振频率的信号输出相位为2π整数倍(二)实验内容(1)设计振荡频率为9.5MHz的克拉泼振荡器。
(2)用Multisim进行仿真,用双踪示波器观察振荡器器输出信号波形,并用频率计测量振荡频率,并与理论计算结果进行对比。
(3)改变电阻R3的阻值,用电压表测量振荡管的直流静态工作电压。
三、主要仪器设备计算机、Multisim仿真软件、双踪示波器、频率计、电压表、直流电源。
四、操作方法与实验步骤及实验数据记录和处理1、设计频率为9.5MHz的克拉泼振荡器电路图。
C11000pF R212kΩR12kΩL110mHR4100ΩXSC3ABExt Trig++__+_L23.2uHC41000pFR310kΩKey=A0 %C31000pF C510µFC610µFV112VL322mH C21µFC7100pFXFC1123Q12N29232、用Multisim 进行仿真,用双踪示波器观察振荡器器输出信号波形,并用频率计测量振荡频率,并与理论计算结果进行对比。
(1)仿真波形和频率测量(2)理论分析计算根据电路图提供的振荡回路参数,计算设计电路的振荡频率与实际测试的振荡频率进行对比。
计算频率值02f LCπ==8.897MHz电路测试频率值f = 9.325MHz 00||100%f f f -=⨯=频率稳定度 5.3%对比分析其产生误差的原因:3、改变电阻R3的阻值,用电压表测量振荡管Q1的直流静态工作电压。
太原理工大学现代科技学院高频电子线路课程实验报告专业班级信息13-1学号2013101269姓名指导教师孙颖实验名称 正弦波振荡器(LC 振荡器和晶体振荡器) 专业班级 信息13-1 学号 2013100 姓名 0 成绩 实验2 正弦波振荡器(LC 振荡器和晶体振荡器) 2-1 正弦波振荡器的基本工作原理 振荡器是指在没有外加信号作用下的一种自动将直流电源的能量变换为一定的波形的交变振荡能量的装置。
正弦波振荡器在电子领域中有着广泛的应用。
在信息传输系统的各种发射机中,就是把主振器(振荡器)所产生的载波,经过放大、调制而把信息发射出去。
在超外差式的各种接收机中,是由振荡器产生的一个本地振荡信号,送入混频器,才能将高频信号变成中频信号。
振荡器的种类很多。
从所采用的分析方法和振荡器的特性来看,可以把振荡器分为反馈式振荡器和负阻式振荡器两大类。
我们只讨论反馈式振荡器。
根据振荡器所产生的波形,又可以把振荡器氛围正弦波振荡器和非正弦波振荡器。
我们只介绍正弦波振荡器。
常用正弦波振荡器主要是由决定振荡频率的选项网络和维持振荡的正反馈放大器组成,这就是反馈振荡器。
按照选频网络所采用的元件不同,正弦波振荡器可以分为LC 振荡器、RC 振荡器和晶体振荡器等类型。
一、反馈型正弦波自激振荡器基本工作原理 以互感反馈振荡器为例,分析反馈型正弦自激振荡器的基本原理,其原理电路如图2-1所示;……………………………………装………………………………………订…………………………………………线………………………………………当开关K接“1”时,信号源Vb加到晶体管输入端,这就是一个调谐放大器电路,集电极回路得到了一个放大了的信号Vf。
当开关K接“2”时,信号源Vb不加入晶体管,输入晶体管是Vf的一部分V’b。
若适当选择互感M 和Vf的极性,可以使Vb和V’b大小相等,相位相同,那么电路一定能维持高频振荡,达到自激振荡的目的。
实际上起振并不需要外加激励信号,靠电路内部扰动即可起振。
天津电子信息职业技术学院电子技术系高频电子线路实验通信S15-38张凯实验8-3 LC电容三点式振荡器1.实验目的(1)掌握LC电容三点式振荡器的电路组成与工作原理,掌握其振荡频率f0的计算与测量方法。
(2)了解负载电阻RL的值对频率稳定度f/f0的影响。
(3)掌握反馈系数F=U f/U0=-X2/X1=-C1/C2不同时及静态工作电流I EQ对振荡器起振及输出电压振幅U om的影响。
2.实验仪器及设备双踪示波器、频率针、数字万用表、高频电路试验箱、实验板、连接导线若干3.实验电路4.实验步骤(1)检查静态工作点1)接好12V电源,注意电源极性不能接反。
2)反馈电容C2不接3)设R E=1KΩ,IE=UE/RE。
改变电位器RP,测得晶体管VT得发射极电压UE,UE可连续变化,记下U E得最小值、最大值,计算IE值,同时测得U B、U C的值。
将测得数据填入表8-8分析晶体管是否工作在放大区。
表8-8 静态工作点电压、电流值(2)振荡频率与振荡幅度的测试实验条件:I EQ=2mA、C1=120P F、C2=680P F、R L=110KΩ。
1)改变C T电容,当它分别为50P F、100P F、150P F时,频率计接输出端,测量振荡器的振荡频率。
记录相应的频率f0值,填入表8-9.改变C T电容,当它分别为50P F、100P F、150P F时,用示波器测量相应振荡器输出电压峰峰值Uop-p,将测试的数据填入表8-9表8-9 振荡频率、震荡幅度与CT的关系(3)测试当C1、C2不同时,起振点、振幅与电流I EQ的关系1)取C1=100P F,C2=1200P F,C T=100P F,R L=110KΩ,调节电位器RP使IEQ分别为表8-10所示各值,用示波器测量输出电压峰-峰值U OP-P,并将其填入表8-10中。
表8-10振荡幅度与电流I EQ的关系2)取C1=120P F,C2=680P F,C T=100P F,R L=110KΩ,调节电位器RP使IEQ分别为表8-10所示各值,用示波器测量输出电压峰-峰值U OP-P,并将其填入表8-11中。
学号班级姓名
日期11-30 成绩
实验名称电容三点式
振荡器
实验目的:
1、掌握三点式正弦波振荡器电路的基本原理,起振条件,振荡电路设计及
电路参数计算。
2、通过实验掌握晶体管静态工作点、反馈系数大小、负载变化对起振和振
荡幅度的影响。
3、研究外界条件(温度、电源电压、负载变化)对振荡器频率稳定度的影
响。
实验器材:
1、模块 3 1块
2、频率计模块 1块
3、双踪示波器 1台
4、万用表 1块
实验原理:
实验步骤:
1、插装好lc振荡器模块,接通电源,开始实验。
2、西勒振荡电路幅频特性的测量
3、克拉泼振荡电路幅频特性的测量
将开关3K05拨至左侧,振荡电路转换为克拉泼电路,测振荡频率与输出电压,填入下表,如图所示:
4、波段覆盖系数的测量:
5、测量电源电压变化对振荡器频率的影响
实验感悟:
有了前几次实验的基础,这一次实验进行的很顺利,在这次试验中,我们再次学习了西勒振荡电路和克拉泼电路基本原理和实验数据验证。
通过实验数据分析计算,当EC较大时,克拉泼电路的频率稳定度要略好于西勒振荡电路,但随着EC 的降低,西勒振荡电路渐渐好于克拉泼振荡电路。
目录一课程设计目的 (2)二课程设计题目 (2)三课程设计内容 (2)3.1 仿真设计部分 (2)3.1.1设计方案的选择 (2)3.1.2振荡器的原理概述 (3)3.1.3方案对比与选择 (5)3.1.4电路设计方案 (7)3.1.5元器件的选择 (9)3.1.6电路仿真 (9)3.1.7元器件清单 (12)3.2系统制作和调试 (13)3.2.1系统结构 (13)3.2.2系统制作 (15)3.2.3调试分析 (16)四课后总结和体会 (17)参考文献 (17)一课程设计目的《高频电子线路》课程是电子信息专业继《电路理论》、《电子线路(线性部分)》之后必修的主要技术基础课,同时也是一门工程性和实践性都很强的课程。
课程设计是在课程内容学习结束,学生基本掌握了该课程的基本理论和方法后,通过完成特定电子电路的设计、安装和调试,培养学生灵活运用所学理论知识分析、解决实际问题的能力,具有一定的独立进行资料查阅、电路方案设计及组织实验的能力。
通过设计,进一步培养学生的动手能力。
二课程设计题目1、模块电路设计(采用Multisim软件仿真设计电路)1)采用晶体三极管或集成电路,场效应管构成一个正弦波振荡器;2)额定电源电压5.0V ,电流1~3mA;输出中心频率 6 MHz (具一定的变化范围);2、高频电路制作、调试LC高频振荡器的制作和调试三课程设计内容3.1 仿真设计部分3.1.1设计方案的选择电容反馈式振荡电路的基本电路就是通常所说的三端式(又称三点式)的振荡器,即LC回路的三个端点与晶体管的三个电极分别连接而成的电路,如图2-0所示。
由图可见,除晶体管外还有三个电抗元件X1、X2、X3,它们构成了决定振荡器频率的并联谐振回路,同时构成了正反馈所需的网络,为此根据振荡器组成原则,三端式振荡器有两种基本电路,如图2-0所示。
图2-0中X1和X2为容性,X3为感性,满足三端式振荡器的组成原则,反馈网络是由电容元件完成的,称电容反馈振荡器图2-1 三端式振荡器基本电路电容反馈式振荡电路的设计及原理分析电路由放大电路、选频网络、正反馈网络组成。
三点式正弦波振荡器
一、实验目的
1、 掌握三点式正弦波振荡器电路的基本原理,起振条件,振荡电路设计及电路参数计
算。
2、 通过实验掌握晶体管静态工作点、反馈系数大小、负载变化对起振和振荡幅度的影
响。
3、 研究外界条件(温度、电源电压、负载变化)对振荡器频率稳定度的影响。
二、实验内容
1、 熟悉振荡器模块各元件及其作用。
2、 进行LC 振荡器波段工作研究。
3、 研究LC 振荡器中静态工作点、反馈系数以及负载对振荡器的影响。
4、 测试LC 振荡器的频率稳定度。
三、实验仪器
1、模块 3 1块
2、频率计模块 1块
3、双踪示波器 1台
4、万用表 1块
四、基本原理
实验原理图见下页图1。
将开关S 1的1拨下2拨上, S2全部断开,由晶体管N1和C 3、C 10、C 11、C4、CC1、L1构成电容反馈三点式振荡器的改进型振荡器——西勒振荡器,电容CCI 可用来改变振荡频率。
)
14(121
0CC C L f +=
π
振荡器的频率约为4.5MHz (计算振荡频率可调范围) 振荡电路反馈系数
F=
32.0470
220220
3311≈+=+C C C
振荡器输出通过耦合电容C 5(10P )加到由N2组成的射极跟随器的输入端,因C 5容量很小,再加上射随器的输入阻抗很高,可以减小负载对振荡器的影响。
射随器输出信号经
N3调谐放大,再经变压器耦合从P1输出。
图1 正弦波振荡器(4.5MHz )
五、实验步骤
1、根据图1在实验板上找到振荡器各零件的位置并熟悉各元件的作用。
2、研究振荡器静态工作点对振荡幅度的影响。
(1)将开关S1拨为“01”,S2拨为“00”,构成LC 振荡器。
(2)改变上偏置电位器W1,记下N1发射极电流I eo (=11
R V e ,R11=1K)(将万用表红
表笔接TP2,黑表笔接地测量V e ),并用示波测量对应点TP4的振荡幅度V P-P ,填于表1中,分析输出振荡电压和振荡管静态工作点的关系,测量值记于表2中。
3、测量振荡器输出频率范围
将频率计接于P1处,改变CC1,用示波器从TP8观察波形及输出频率的变化情况,记录最高频率和最低频率填于表3中。
六、实验结果
1、步骤2振荡幅度V P-P 见表1.
表1
2、输出振荡电压和振荡管静态工作点分析测量数据见表2
表2
3、最高频率和最低频率测量结果见表3
表3
4、分析静态工作点、反馈系数F对振荡器起振条件和输出波形振幅的影响,并用所学理论加以分析。
5、计算实验电路的振荡频率fo,并与实测结果比较。
如有侵权请联系告知删除,感谢你们的配合!。