内燃机零部件常用标准号列表
- 格式:xls
- 大小:19.50 KB
- 文档页数:32
《内燃机产品生产许可证换(发)证实施细则》摘要2、产品标准1 柴油机GB9969.1-1998 《工业产品使用说明书总则》(强制性标准)GB9486-1988 《柴油机稳态排气烟度及测定方法》(强制性标准)GB9486-1999 “柴油机稳态排气烟度及测定方法”第1号修改单(强制性标准)GB3847-1999 《压燃式发动机和装用压燃式发动机的车辆排气可见污染物限值及测试方法》(强制性标准)GB14097-1999 《中小功率柴油机噪声限值》(强制性标准)GB17691-2001 《车用压燃式发动机排气污染物限值及测量方法》(强制性标准)JB8890-1999 《往复式内燃机安全要求》(强制性标准)JB8891-1999 《中小功率柴油机排气污染物排放限值》(强制性标准)GB/T 3821-1983 《中小功率内燃机清洁度测定方法》GB/T 1105-1987 《内燃机台架性能试验方法》GB/T 1147-1987 《内燃机通用技术条件》GB/T 14162-1993 《产品质量监督计数抽样程序及抽样表(适用于每百单位产品不合格数为质量指标)》GB/T 6072-2000 《往复式内燃机性能第1~7部分》ISO2288:1997 《农业拖拉机和机械发动机试验规程净功率》JB/T 9774-1999 《中小功率内燃机清洁度限值》JB/T 9773.1-1999 《柴油机台架试验考核方法》JB/T9773.2-1999 《柴油机起动性能试验方法》QC/T 901-1998 《汽车发动机产品质量检验评定方法》JB/T 8895-1999 《中小功率柴油机通用技术条件》QC/T 524-1999 《汽车发动机性能试验方法》备案的现行有效的企业标准(简称企业标准)六、生产必备设备及检测设备1、柴油机。
为了便于内燃机的生产管理和使用,国家标准(GB725-82)《内燃机产品名称和型号编制规则》中对内燃机的名称和型号作了统一规定。
1. 内燃机的名称和型号内燃机名称均按所使用的主要燃料命名,例如汽油机、柴油机、煤气机等。
内燃机型号由阿拉伯数字和汉语拼音字母组成。
内燃机型号由以下四部分组成:首部:为产品系列符号和换代标志符号,由制造厂根据需要自选相应字母表示,但需主管部门核准。
中部:由缸数符号、冲程符号、气缸排列形式符号和缸径符号等组成。
后部:结构特征和用途特征符号,以字母表示。
尾部:区分符号。
同一系列产品因改进等原因需要区分时,由制造厂选用适当符号表示。
2. 内燃机型号的排列顺序及符号所代表的意义内燃机型号的排列顺序及符号所代表的意义规定如下:数字中第一位为发动机缸数,1为1缸,2为2缸,以此类推第二位以后位发动机缸径,单位为毫米,108为108毫米3. 型号编制举例(1) 汽油机1E65F:表示单缸,二行程,缸径65mm,风冷通用型4100Q:表示四缸,四行程,缸径100mm,水冷车用4100Q-4:表示四缸,四行程,缸径100mm,水冷车用,第四种变型产品CA6102:表示六缸,四行程,缸径102mm,水冷通用型,CA表示系列符号8V100:表示八缸,四行程、缸径100mm,V型,水冷通用型TJ376Q:表示三缸,四行程,缸径76mm,水冷车用,TJ表示系列符号CA488:表示四缸,四行程,缸径88mm,水冷通用型,CA表示系列符号(2) 柴油机195:表示单缸,四行程,缸径95mm,水冷通用型165F:表示单缸,四行程,缸径65mm,风冷通用型495Q:表示四缸,四行程,缸径95mm,水冷车用6135Q:表示六缸,四行程,缸径135mm,水冷车用X4105:表示四缸,四行程,缸径105mm,水冷通用型,X表示系列代号。
序号标准代号标准名称备注1GB 14023-2011车辆、船和内燃机 无线电骚扰特性 用于保护车外接收机的限值和测量方法2GB 20800.1-2006爆炸性环境用往复式内燃机防爆技术通则 第1部分:可燃性气体和蒸汽环境用 Ⅱ类内燃机3GB 20800.2-2006爆炸性环境用往复式内燃机防爆技术通则 第2部分:可燃性粉尘环境用Ⅱ类内燃机4GB 20800.3-2008爆炸性环境用往复式内燃机防爆技术通则 第3部分:存在甲烷和(或)可燃性粉尘的地下矿区巷道用I类内燃机5GB/T 1147.1-2017中小功率内燃机 第1部分:通用技术条件6GB/T 1147.2-2017中小功率内燃机 第2部分:试验方法7GB/T 1148-2010内燃机 铝活塞 技术条件8GB/T 1149.10-2013内燃机 活塞环 第10部分:梯形钢环9GB/T 1149.11-2010内燃机 活塞环 第11部分:楔形铸铁环10GB/T 1149.1-2008内燃机 活塞环 第1部分:通用规则11GB/T 1149.12-2013内燃机 活塞环 第12部分:楔形钢环12GB/T 1149.13-2008内燃机 活塞环 第13部分:油环13GB/T 1149.14-2008内燃机 活塞环 第14部分:螺旋撑簧油环14GB/T 1149.15-2017内燃机 活塞环 第15部分:薄型铸铁螺旋撑簧油环15GB/T 1149.16-2015内燃机 活塞环 第16部分:钢带组合油环16GB/T 1149.2-2010内燃机 活塞环 第2部分:术语17GB/T 1149.3-2010内燃机 活塞环 第3部分:材料规范18GB/T 1149.4-2008内燃机 活塞环 第4部分:质量要求19GB/T 1149.5-2008内燃机 活塞环 第5部分:检验方法20GB/T 1149.6-2008内燃机 活塞环 第6部分:铸铁刮环21GB/T 1149.7-2010内燃机 活塞环 第7部分:矩形铸铁环22GB/T 1149.8-2008内燃机 活塞环 第8部分:矩形钢环23GB/T 1149.9-2008内燃机 活塞环 第9部分:梯形铸铁环24GB/T 1150-2010内燃机 湿式铸铁气缸套 技术条件25GB/T 1151-2012内燃机 主轴瓦及连杆轴瓦 技术条件现行152项内燃机国家标准目录(2018版)序号标准代号标准名称备注26GB/T 11700-2009小艇 船用推进往复式内燃机 功率的测定和标定27GB/T 12773-2008内燃机气阀用钢及合金棒材28GB/T 12786-2006自动化内燃机电站通用技术条件29GB/T 14024-1992内燃机电站无线电干扰特性的测量方法及允许值 传导干扰30GB/T 14097-2018往复式内燃机 噪声限值31GB/T 14906-1994内燃机油粘度分类32GB/T 15548-2008往复式内燃机驱动的三相同步发电机通用技术条件33GB/T 17038-1997内燃机车柴油机油34GB/T 17804-2009往复式内燃机 图形符号35GB/T 18074-2000内燃机厂卫生防护距离标准36GB/T 1859.1-2015往复式内燃机 声压法声功率级的测定 第1部分:工程法37GB/T 1859.2-2015往复式内燃机 声压法声功率级的测定 第2部分:简易法38GB/T 1859.3-2015往复式内燃机 声压法声功率级的测定 第3部分:半消声室精密法39GB/T 1859.4-2017往复式内燃机 声压法声功率级的测定 第4部分:使用标准声源简易法40GB/T 18655-2010车辆、船和内燃机 无线电骚扰特性 用于保护车载接收机的限值和测量方法41GB/T 1883.1-2005往复式内燃机 词汇 第1部分:发动机设计和运行术语42GB/T 1883.2-2005往复式内燃机 词汇 第2部分:发动机维修术语43GB/T 18948-2017内燃机冷却系统用橡胶软管和纯胶管 规范44GB/T 20024-2005内燃机用橡胶和塑料燃油软管 可燃性试验方法45GB/T 20064.1-2015往复式内燃机 手柄起动装置 第1部分:安全要求和试验46GB/T 20064.2-2006往复式内燃机 手柄起动装置 第2部分:脱开角试验方法47GB/T 20136-2006内燃机电站通用试验方法48GB/T 20420-2006润滑剂、工业用油和相关产品(L类)-E组(内燃机油)-二冲程汽油发动机油(EGB、EGC和EGD)49GB/T 20651.1-2006往复式内燃机 安全 第1部分:压燃式发动机50GB/T 20651.2-2014往复式内燃机 安全 第2部分:点燃式发动机51GB/T 20787-2006往复式内燃机 中、高速往复式内燃机底脚结构噪声测试规范序号标准代号标准名称备注52GB/T 21404-2008内燃机 发动机功率的确定和测量方法 一般要求53GB/T 21405-2008往复式内燃机 发动机功率的确定和测量方法 排气污染物排放试验的附加要求54GB/T 21406-2008内燃机 发动机的重量(质量)标定55GB/T 21425-2008低噪声内燃机电站噪声指标要求及测量方法56GB/T 21426-2008特殊环境条件 高原对内燃机电站的要求57GB/T 21427-2008特殊环境条件 干热沙漠对内燃机电站系统的技术要求及试验方法58GB/T 21428-2008往复式内燃机驱动的发电机组 安全性59GB/T 23337-2009内燃机 进、排气门 技术条件60GB/T 23338-2009内燃机 增压空气冷却器 技术条件61GB/T 23338-2018内燃机 增压空气冷却器 技术条件62GB/T 23339-2009内燃机 曲轴 技术条件63GB/T 23339-2018内燃机 曲轴 技术条件64GB/T 23340-2009内燃机 连杆 技术条件65GB/T 23340-2018内燃机 连杆 技术条件66GB/T 23342-2009往复式内燃机 回弹式绳索起动装置 基本安全要求67GB/T 23640-2009往复式内燃机(RIC)驱动的交流发电机68GB/T 24140-2009内燃机空气和真空系统用橡胶软管和纯胶管 规范69GB/T 24141.1-2009内燃机燃油管路用橡胶软管和纯胶管 规范 第1部分:柴油燃料70GB/T 24141.2-2009内燃机燃油管路用橡胶软管和纯胶管 规范 第2部分:汽油燃料71GB/T 24748-2009往复式内燃机 飞轮 技术条件72GB/T 25334.1-2010铁道机车车体技术条件 第1部分:内燃机车车体73GB/T 25361.1-2010内燃机 活塞销 第1部分:技术要求74GB/T 25361.2-2010内燃机 活塞销 第2部分:检验规则75GB/T 26116-2010内燃机共轴泵 试验方法76GB/T 2820.10-2002往复式内燃机驱动的交流发电机组 第10部分:噪声的测量(包面法)77GB/T 2820.11-2012往复式内燃机驱动的交流发电机组 第11部分:旋转不间断电源 性能要求和试验方法序号标准代号标准名称备注78GB/T 2820.1-2009往复式内燃机驱动的交流发电机组 第1部分:用途、定额和性能79GB/T 2820.12-2002往复式内燃机驱动的交流发电机组 第12部分:对安全装置的应急供电80GB/T 2820.2-2009往复式内燃机驱动的交流发电机组 第2部分:发动机81GB/T 2820.3-2009往复式内燃机驱动的交流发电机组 第3部分:发电机组用交流发电机82GB/T 2820.4-2009往复式内燃机驱动的交流发电机组 第4部分:控制装置和开关装置83GB/T 2820.5-2009往复式内燃机驱动的交流发电机组 第5部分:发电机组84GB/T 2820.6-2009往复式内燃机驱动的交流发电机组 第6部分:试验方法85GB/T 2820.7-2002往复式内燃机驱动的交流发电机组 第7部分:用于技术条件和设计的技术说明86GB/T 2820.8-2002往复式内燃机驱动的交流发电机组 第8部分:对小功率发电机组的要求和试验87GB/T 2820.9-2002往复式内燃机驱动的交流发电机组 第9部分:机械振动的测量和评价88GB/T 28772-2012内燃机油分类89GB/T 28949-2012内燃机和空气压缩机用进气空气滤清器 性能试验90GB/T 28950.1-2012道路车辆和内燃机 滤清器名词术语 第1部分:滤清器和滤清器部件定义91GB/T 28950.2-2012道路车辆和内燃机 滤清器名词术语 第2部分:滤清器及其部件性能指标定义92GB/T 32222-2015再制造内燃机 通用技术条件93GB/T 3314-2006内燃机车通用技术条件94GB/T 3315-2006内燃机车制成后投入使用前的试验方法95GB/T 3316-1982内燃机车功率确定方法96GB/T 33192-2016内燃机车用柴油机通用技术条件97GB/T 3367.3-2000铁道机车名词术语 内燃机车辅助装置零部件名词98GB/T 3367.4-2000铁道机车名词术语 内燃机车车体和转向架零部件名词99GB/T 3367.6-2000铁道机车名词术语 内燃机车术语100GB/T 33928-2017往复式内燃机 排气消声器测量方法 声压法排气噪声声功率级和插入损失及功率损失比101GB/T 3821-2015中小功率内燃机 清洁度限值和测定方法102GB/T 4556-2001往复式内燃机 防火103GB/T 4672-2003往复式内燃机 手操纵控制机构 标准动作方向序号标准代号标准名称备注104GB/T 4759-2009内燃机排气消声器 测量方法105GB/T 5390-2013林业及园林机械 以内燃机为动力的便携式手持操作机械噪声测定规范 工程法(2级精度)106GB/T 5395-2014林业及园林机械 以内燃机为动力的便携式手持操作机械振动测定规范 手把振动107GB/T 5822.2-2004铁路内燃机车柴油机油 石油醚不溶物测定方法108GB/T 6072.1-2008往复式内燃机 性能 第1部分:功率、燃料消耗和机油消耗的标定及试验方法 通用发动机的附加要求109GB/T 6072.3-2008往复式内燃机 性能 第3部分:试验测量110GB/T 6072.4-2012往复式内燃机 性能 第4部分:调速111GB/T 6072.5-2003往复式内燃机 性能 第5部分: 扭转振动112GB/T 6072.6-2000往复式内燃机 性能 第6部分:超速保护113GB/T 6809.1-2009往复式内燃机 零部件和系统术语 第1部分:固定件及外部罩盖114GB/T 6809.2-2013往复式内燃机 零部件和系统术语 第2部分:气门、凸轮轴传动和驱动机构115GB/T 6809.3-2013往复式内燃机 零部件和系统术语 第3部分:主要运动件116GB/T 6809.4-2007往复式内燃机 零部件和系统术语 第4部分:增压及进排气管系统117GB/T 6809.5-2016往复式内燃机 零部件和系统术语 第5部分:冷却系统118GB/T 6809.6-2009往复式内燃机 零部件和系统术语 第6部分:润滑系统119GB/T 6809.7-2009往复式内燃机 零部件和系统术语 第7部分:调节系统120GB/T 6809.8-2010往复式内燃机 零部件和系统术语 第8部分:起动系统121GB/T 6809.9-2013往复式内燃机 零部件和系统术语 第9部分:监控系统122GB/T 725-2008内燃机产品名称和型号编制规则123GB/T 726-1994往复式内燃机 旋转方向、气缸和气缸盖上气门的标志及直列式内燃机右机、左机和发动机方位的定义124GB/T 7404.2-2013轨道交通车辆用铅酸蓄电池 第2部分:内燃机车用阀控式铅酸蓄电池125GB/T 7631.17-2014润滑剂、工业用油和相关产品(L类)的分类 第17部分:E组(内燃机油)126GB/T 8188-2017往复式内燃机 排放术语和定义127GB/T 8190.10-2010往复式内燃机 排放测量 第10部分:压燃式发动机瞬态工况排气烟度的现场测量用试验循环和测试规程128GB/T 8190.11-2009往复式内燃机 排放测量 第11部分:非道路移动机械用发动机瞬态工况下气体和颗粒排放物的试验台测量129GB/T 8190.1-2010往复式内燃机 排放测量 第1部分:气体和颗粒排放物的试验台测量序号标准代号标准名称备注130GB/T 8190.2-2011往复式内燃机 排放测量 第2部分:气体和颗粒排放物的现场测量131GB/T 8190.3-2003往复式内燃机 排放测量 第3部分: 稳态工况排气烟度的定义和测量方法132GB/T 8190.4-2010往复式内燃机 排放测量 第4部分:不同用途发动机的稳态试验循环133GB/T 8190.5-2011往复式内燃机 排放测量 第5部分:试验燃料134GB/T 8190.6-2006往复式内燃机 排放测量 第6部分:测量结果和试验报告135GB/T 8190.7-2003往复式内燃机 排放测量 第7部分: 发动机系族的确定136GB/T 8190.7-2018往复式内燃机 排放测量 第7部分:发动机系族的确定137GB/T 8190.8-2003往复式内燃机 排放测量 第8部分: 发动机系组的确定138GB/T 8190.9-2017往复式内燃机 排放测量 第9部分:压燃式发动机瞬态工况排气烟度的试验台测量用试验循环和测试规程139GB/T 8243.1-2003内燃机全流式机油滤清器试验方法 第1部分:压差-流量特性140GB/T 8243.12-2007内燃机全流式机油滤清器试验方法 第12部分:采用颗粒计数法测定滤清效率和容灰量141GB/T 8243.13-2015内燃机全流式机油滤清器试验方法 第13部分:复合材料滤清器的静压耐破度试验142GB/T 8243.15-2018内燃机全流式机油滤清器试验方法 第15部分:复合材料滤清器的振动疲劳试验143GB/T 8243.2-2003内燃机全流式机油滤清器试验方法 第2部分: 滤芯旁通阀特性144GB/T 8243.3-2003内燃机全流式机油滤清器试验方法 第3部分: 耐高压差和耐高温特性145GB/T 8243.4-2003内燃机全流式机油滤清器试验方法 第4部分: 原始滤清效率、寿命和累积效率(重量法)146GB/T 8243.5-2006内燃机全流式机油滤清器试验方法 第5部分:冷起动模拟和液压脉冲耐久试验147GB/T 8243.5-2018内燃机全流式机油滤清器试验方法 第5部分:冷起动模拟和液压脉冲耐久试验148GB/T 8243.6-2017内燃机全流式机油滤清器试验方法 第6部分:静压耐破度试验149GB/T 8243.7-2017内燃机全流式机油滤清器试验方法 第7部分:振动疲劳试验150GB/T 8243.9-2012内燃机全流式机油滤清器试验方法 第9部分:进、出口止回阀试验151GB/T 9932-1988内燃机油性能评定法(开特皮勒1H2法) 152GB/T 9933-1988内燃机油性能评定法 (开特皮勒1G2法)。
内燃机车局部件型号及参数机车名称主要总成件型号规格制造厂家1#宝鸡240 柴油机6135AZK-16 169.2kw 上海柴油机股份有限公司空气压缩机3W-0.8/7-A 公称流量:0.8M3/min排气压力0.7Mpa宝鸡工程机械厂第一分厂液传箱YBX240 输入功率215马力,输入转速1800r/min宜春第一机械厂喷油泵BH6B110YS28 6是指6个缸,110是指柱塞直径上海柴油机厂增压器J114C 上海伊铭增压器制造有限公司水泵6135 龙口市泵业配件厂万向轴启动机QD2857 24V 广东井得发电机JFY2201 72A/28V 上海柴油机厂风扇过桥皮带带B950 3根冷却风扇皮带B1600 2根发电机皮带B980 1根发电机过桥皮带B1400 2根机油50Kg液力油90Kg空压机皮带B1753 2根2#常州240 柴油机X6135G-4b 178.2kw 上海柴油机股份有限公司空气压缩机Z-0.6/7 公称流量:0.6M3/min排气压力0.7Mpa无锡恒明气动机电成套有限公司液传箱ZLM50E 单机单向,3工作轮,变钜系数282常林股份有限公司起动机.发电机.喷油泵与1#240通用水泵X6135JCZ 江华机械有限公司冷却风扇皮带C1295 2根机油50Kg液力油50Kg空压机皮带A2240 2根发电机皮带B1000 1根1#石家庄380 柴油机12V135JZ 280kw 上海柴油机股份有限公司空气压缩机W-1.6/10-1 公称流量:1.6M3/min排气压力1.0Mpa长春市空气压缩机厂液传箱SD204Y启动机QD2853H 24V机油60Kg液力油300Kg发电机JFY220172A\28V发电机皮带B1400 1根2#、3#、4#常州380 柴油机12V135JZ 280kw 上海柴油机股份有限公司空气压缩机W-1.6/10C 公称流量:1.6M3/min排气压力1.0Mpa湖南省常德通用压缩机有限公司液传箱机油60Kg 液力油300Kg 启动机QD2853H 24V发电机JFY220172A\28V发电机皮带B1000 1根空压机皮带B1778 3根石家庄800 柴油机Z8V190J 588kw 济南柴油机股份有限公司空气压缩机(双机)W-1.6/10-1 公称流量:1.6M3/min排气压力1.0Mpa长春市空气压缩机厂液传箱形式:多循环园。
内燃机标准目录活塞式内燃机与其他动力设备综合GB/T 725—2008 内燃机产品名称和型号编制规则GB/T 725—1991 GB/T 726—1994往复式内燃机旋转方向、气缸和气缸盖上气门的标志及直列式内燃机右机、左机和发动机方位的定义idt ISO 1204:1990GB/T 726—1986GB/T 3270—1982GB/T 4673—1984GB/T 6929—1986GB/T 1859—2000 往复式内燃机辐射的空气噪声测量工程法及简易法idt ISO 6798:1995GB/T 1859—1989GB/T 8194—1987GB/T 1883.1—2005 往复活塞式内燃机词汇第1部分:发动机设计与运行术语ISO 2710-1:2000,IDT GB/T 1883—1989 GB/T 1883.2—2005 往复活塞式内燃机词汇第2部分:发动机维修术语ISO 2710-2:1999,IDT GB/T 1883—1989 GB/T 3821—2005 中小功率内燃机清洁度测定方法GB/T 3821—1983 GB 4556—2001 往复式内燃机防火idt ISO 6826:1997 GB 4556—1984GB/T 4672—2003 往复式内燃机手操纵控制机构标准动作方向ISO 2261:1994,IDT GB 4672—1984GB/T 6809.1—2009 往复式内燃机零部件和系统术语第1部分:固定件及外部罩盖ISO 7967-1:1987,IDT GB/T 6809.1—2003 GB/T 6809.2—2006 往复式内燃机零部件和系统术语第2部分:气门、凸轮轴传动和驱动机构ISO 7967-1:2005,IDT GB/T 6809.2—1988 GB/T 6809.3—2006 往复式内燃机零部件和系统术语第3部分:主要运动件neq ISO 7967-2:1987 GB/T 724—1965部分GB/T 6809.4—2007 往复式内燃机零部件和系统术语第4部分:增压及进排气管系统neq ISO 7967-4:1983 GB/T 724—1965GB/T 6809.5—2010 往复式内燃机零部件和系统术语第5部分:冷却系统ISO 7967-5:2003,IDT GB/T 6809.5—1999 GB/T 6809.6—2009 往复式内燃机零部件和系统术语第6部分:润滑系统idt ISO 7967-6:1992 GB/T 6809.6—1999 GB/T 6809.7—2009 往复式内燃机零部件和系统术语第7部分:调节系统ISO 7967-7:1998,IDT GB/T 6809.7—2005 GB/T 6809.8—2010 往复式内燃机零部件和系统术语第8部分::起动系统ISO 7967-8:2005,IDT GB/T 6809.8—2000 GB/T 6809.9—2007 往复式内燃机零部件和系统术语第9部分:监控系统GB/T 7184—2008中小功率柴油机振动测量及评级GB/T 10397—2003, GB/T 7184—1987GB/T 8188—2003 内燃机排放术语和定义idt SAE J 1145-1993 GB/T 8188—1987GB/T 8190.1—2010 往复式内燃机排放测量第1部分:气体和颗粒排放物的试验台测量ISO 8178-1:2006,IDT GB/T 8190.1—1999GB/T 8190.2—1999 往复式内燃机排放测量第2部分:气体和颗粒排放物的现场测量idt ISO 8178-2:1996 GB/T 8190~8192—1987GB/T 8190.3—2003 往复式内燃机排放测量第3部分:稳态工况排气烟度的定义和测量方法ISO 8178-3:1994,IDTGB/T 8190.4—2010 往复式内燃机排放测量第4部分:不同用途发动机的试验循环ISO 8178-4:2007,IDT GB/T 8190.4—1999 GB/T 8190.5—2005 往复式内燃机排放测量第5部分:试验燃料ISO 8178-5:1997,IDTGB/T 8190.6—2006 往复式内燃机排放测量第6部分:测量结果和试验报告GB/T 8190.7—2003 往复式内燃机排放测量第7部分:发动机系族的确定ISO 8178-7:1996,IDTGB/T 8190.8—2003 往复式内燃机排放测量第8部分:发动机系组的确定ISO 8178-8:1996,IDTGB/T 8190.9—2010 往复式内燃机排放测量第9部分:压燃式发动机瞬态工况排气烟度的现场测量用试验循环和测试规程ISO 8178-9:2000,IDTGB/T 8190.10—2010 往复式内燃机排放测量第10部分:压燃式发动机瞬态工况排气烟度的现场测量用试验循环和测试规程ISO 8178-10:2002,IDTGB/T 8190.11—2009 往复式内燃机排放测量第11部分:非道路移动机械用发动机瞬态工况下气体和颗粒排放物的试验台测量GB 9486—1988 柴油机稳态排气烟度及测定方法neq ΓOCT 19025:1973GB/T 9487—2008 柴油机自由加速排气烟度的测量方法GB/T 9487-1988 GB/T 10397—2003 中小功率柴油机振动评级ISO 10816-6:1995,IDT GB/T 10397—1989 GB/T 17804—2009 往复式内燃机图形符号ISO 8999:2001,IDT GB/T 17804—2003 GB/T 17805—1999 柴油机进、排气流量的测量idt SAE J244:1992GB/T 20064.1—2006 往复式内燃机手摇起动装置第1部分:安全要求和试验GB/T 20064.2—2006 往复式内燃机手摇起动装置第2部分:脱开角试验方法GB/T 20651.1—2006 往复式内燃机安全第1部分:压燃式发动机JB 8891—1999 中小功率柴油机排气污染物排放限值GBn 267—1987JB/T 9744—2010 内燃机零、部件磁粉检测JB/T 9744—1999JB/T 51127—1999中小功率柴油机产品可靠性考核JB/T 51127.1~51127.3—1994内燃机与附属装置GB/T 727—2003 涡轮增压器产品命名和型号编制方法GB/T 727—1985 GB/T 1147.1—2007 中小功率内燃机第1部分:通用技术条件GB/T 1147—1987 GB/T 1147.2—2007 中小功率内燃机第2部分:试验方法GB/T 3821—1983 中小功率内燃机清洁度测定方法GB/T 6072.1—2008 往复式内燃机性能第1部分:功率、燃料消耗和机油消耗的标定及试验方法通用发动机的附加要求idt ISO 3046-1:1995 GB/T 1105.1~1105.3—1987GB/T 6072.1—2000GB/T 6072.3—2008 往复式内燃机性能第3部分:试验测量ISO 3046-3:2006,IDT GB/T 6072.3—2003 GB/T 6072.4—2000 往复式内燃机性能第4部分:调速idt ISO 3046-4:1997GB/T 6072.5—2003 往复式内燃机性能第5部分:扭转振动ISO 3046-5:2001,IDTGB/T 6072.6—2000 往复式内燃机性能第6部分:超速保护idt ISO 3046-6:1990 GB/T 6072—1985 GB/T 6072.7—2000 往复式内燃机性能第7部分:发动机功率代号idt ISO 3046-7:1995GB/T 8243.1—2003 内燃机全流式机油滤清器试验方法第1部分:压差-流量特性ISO 4548-1:1997,IDT GB/T 8243.1—1987GB/T 8243.2—2003 内燃机全流式机油滤清器试验方法第2部分:滤芯旁通阀特性ISO 4548-2:1997,IDTGB/T 8243.4—1987JB/T 5099—1991GB/T 8243.3—2003 内燃机全流式机油滤清器试验方法第3部分:耐高压差和耐高温特性ISO 4548-3:1997,IDTGB/T 8243.3—1987JB/T 5099—1991GB/T 8243.4—2003 内燃机全流式机油滤清器试验方法第4部分:原始滤清效率、寿命和累积效率(重量法)ISO 4548-4:1997,IDT JB/T 5099—1991 GB/T 8243.5—2006 内燃机全流式机油滤清器试验方法第5部分:冷起动模拟和液压脉冲耐久试验GB/T 8243.6—2006 内燃机全流式机油滤清器试验方法第6部分:静压耐破度试验GB/T 8243.7—2006 内燃机全流式机油滤清器试验方法第7部分:振动疲劳试验GB/T 8243.9—2006 内燃机全流式机油滤清器试验方法第9部分:进、出口止回阀试验GB/T 8243.11—2007 内燃机全流式机油滤清器试验方法第11部分:自净式滤清器GB/T 8243.12—2007 内燃机全流式机油滤清器试验方法第12部分:采用颗粒计数法测定滤清效率和容灰量GB/T 9485—2003 径流式涡轮增压器联接尺寸GB/T 9485—1988 GB/T 10398—1989 小型汽油机振动测试方法GB/T 10399—1989 小型汽油机振动评级eqv ISO 2372:1974GB 14097—1999 中小功率柴油机噪声限值GB 14097—1993 GB 15739—1995 小型汽油机噪声限值GBn 264—1986 GB/T 20787—2006 往复式内燃机中、高速往复式内燃机底脚结构噪声测试规范GB/T 21404—2008 内燃机发动机功率的确定和测量方法一般要求GB/T 21405—2008 往复式内燃机发动机功率的确定和测量方法排气污染物排放试验的附加要求GB/T 21406—2008 内燃机发动机的重量(质量)标定GB/T 23342—2009 往复式内燃机回弹式绳索起动装置基本安全要求GB/T 23341.1—2009 涡轮增压器第1部分:一般技术条件GB/T 23341.2—2009 涡轮增压器第2部分:试验方法JB/T 4198.1—2001 工程机械用柴油机技术条件JB/T 4198.1—1999 JB/T 4198.2—1999 工程机械用柴油机性能试验方法JB/T 3826—1984 JB/T 5135.1—2001 通用小型汽油机台架性能试验方法JB/T 5135.1—1999JB/T 5135.2—2001 通用小型汽油机可靠性、耐久性试验与评定方法JB/T 5135.2—1999 JB/T 5135.3—200l 通用小型汽油机技术条件JB/T 5135—1991 JB/T 5136—1991 工程机械用汽油机技术条件JB/T 5140.1—1999 磁电机技术条件ZB J91 003—1987 JB/T 5144—1991 工程机械用汽油机性能试验方法JB/T 6002—1992 涡轮增压器清洁度限值及测定方法JB/T 7763.1—1995 内燃机起动液及装置技术条件JB/T 7763.2—1995 内燃机起动液及装置试验方法JB/T 8123.1—1999 磁电机用点火器技术条件JB/T 8123.1—1995 JB/T 8123.2—1999 磁电机用点火器试验方法JB/T 8123.2—1995 JB/T 8839.1—1999 内燃机用磁电式压力表技术条件neq DIN 75551-77 NJ 390.1—1986 JB/T 8839.2—1999 内燃机用磁电式压力表试验方法neq DIN 75551-77 NJ 390.2—1986 JB/T 8840.1—1999 内燃机用磁电式温度表技术条件neq DIN 75551-77 NJ 391.1—1986 JB/T 8840.2—1999 内燃机用磁电式温度表试验方法neq DIN 75551-77 NJ 391.2—1986 JB/T 8841.1—1999 内燃机用磁电式电压表技术条件neq DIN 75551-77 NJ 392.1—1986 JB/T 8841.2—1999 内燃机用磁电式电压表试验方法neq DIN 75551-77 NJ 392.2—1986 JB/T 8842.1—1999 内燃机用温度报警器技术条件idt STAS 9292-76 NJ 393.1—1986 JB/T 8842.2—1999 内燃机用温度报警器试验方法neq STAS 9292-76 NJ 393.2—1986 JB/T 8843.1—1999 内燃机用压力报警器技术条件neq DIN 75553-76 NJ 394.1—1986 JB/T 8843.2—1999 内燃机用压力报警器试验方法neq DIN 75553-76 NJ 394.2—1986 JB/T 8844.1—1999 内燃机用真空管报警器技术条件NJ 395.1—1986 JB/T 8844.2—1999 内燃机用真空管报警器试验方法NJ 395.2—1986 JB 8890—1999 往复式内燃机安全要求JB/T 8895—1999 中小功率柴油机通用技术条件JB/T 9752.1—2005 涡轮增压器第1部分:一般技术条件JB/T 9752.1—1999 JB/T 9752.2—2005 涡轮增压器第2部分:试验方法JB/T 9752.2—1999JB/T 9752.3—2004涡轮增压器转子平衡品质及校验方法JIS B0905:1978, NEQ JB/T 9752.3—1999 JB/T 5094—1991JB/T 9759—1999 内燃机发电机组轴系扭转振动的限值及测量方法ZB J91 005—1988 JB/T 9773.1—1999 柴油机台架试验考核方法NJ 289—1983JB/T 9773.2—1999 柴油机起动性能试验方法ZB J90 002—1987 JB/T 9774—2005 中小功率内燃机清洁度限值JB/T 9774—1999 JB/T 9860.1—1999 断电器用钨触点技术条件ZB J94 006—1988 JB/T 9860.2—1999 断电器触点用钨杆技术条件NJ 385—1985JB/T 9864.1—1999 磁电机用断电器技术条件ZB J94 005—1988 JB/T 9864.2—1999 磁电机用断电器试验方法ZB J94 012—1989 JB/T 9865.1—1999 磁电机用点火线圈技术条件ZB J94 011.1—1989 JB/T 9865.2—1999 磁电机用点火线圈试验方法ZB J94 011.2—1989 JB/T 9870—1999 水力测功器ZB J91 009—1989 JB/T 50188—1999 工程机械用柴油机可靠性、耐久性试验方法JBn 3827—1984JB/T 11013—2010 通用小型汽油机用密封垫片技术条件JB/T 11014—2010 通用小型汽油机密封性能技术要求与试验方法机体与运动件GB/T 1148—2010 内燃机铝活塞技术条件GB 1148—1993GB/T 1149.1—2008 内燃机活塞环第1部分:通用规则eqv ISO 6621-4:1988 GB/T 1149—1982 GB/T 1149.1—1994GB/T 1149.2—2010 内燃机活塞环第2部分:术语ISO 6621-1:2007,IDT GB/T 1149.2—1994 GB/T 1149.3—2010 内燃机活塞环第3部分:材料规范ISO 6621-3:2000,IDT GB/T 1149.3—1994GB/T 1149.4—2008 内燃机活塞环第4部分:质量要求eqv ISO 6621-3:1983eqv ISO 6621-5:1988 GB/T 1149—1982 GB/T 1149.4—1994GB/T 1149.5—2008 内燃机活塞环第5部分:检验方法eqv ISO 6625:1986 GB/T 1149.5—1992GB/T 1149.6—2008 内燃机活塞环第6部分:铸铁刮环eqv ISO 6621-2:1984 GB/T 1149—1982 GB/T 1149.6—1994GB/T 1149.7—2010 内燃机活塞环第7部分:矩形铸铁环ISO 6621-1:2003,IDT GB/T 1149.7—1994 GB/T 1149.8—2008 内燃机活塞环第8部分:矩形钢环GB/T 14222-1993 GB/T 1149.9—2008 内燃机活塞环第9部分:梯形铸铁环GB/T 14223-1993 GB/T 1149.11—2010 内燃机活塞环第11部分:楔形铸铁环ISO 6624-2:2003,IDTGB/T 1149.13—2008 内燃机活塞环第13部分:油环GB/T 1149.14—2008 内燃机活塞环第14部分:螺旋撑簧油环GB/T 1150—2010 内燃机湿式铸铁气缸套技术条件GB/T 1150—1993 GB/T 1151—1993 内燃机主轴瓦及连杆轴瓦技术条件neq ISO 3548:1978 GB/T 1151—1982 GB/T 3162—1991 滑动轴承薄壁轴瓦尺寸、结构要素与公差GB/T 7308—1987 滑动轴承薄壁翻边轴瓦尺寸、公差及检验方法GB/T 14910—1994 滑动轴承厚壁多层轴承衬背技术要求GB/T 15371—2008 曲轴轴系扭转振动的测量与评定方法GB/T 23339-2009 内燃机曲轴技术条件GB/T 23340-2009 内燃机连杆技术条件GB/T 24748—2009 往复式内燃机飞轮技术条件GB/T 25361.1—2010 内燃机活塞销第1部分:技术要求ISO 18669-1:2004,IDTGB/T 25361.2—2010 内燃机活塞销第2部分:检验规则ISO 18669-2:2004,IDTGB/T 25362-2010 汽油机电磁阀式喷油器总成技术条件GB/T 25363-2010 汽油机电磁阀式喷油器总成试验方法GB/T 25364.1—2010 涡轮增压器密封环第1部分:技术条件GB/T 25364.2—2010 涡轮增压器密封环第2部分:检验方法GB/T 25365.1—2010 柴油机电控共轨喷油系统总成技术条件第1部分:机械GB/T 25366—2010 柴油机电控共轨喷油系统共轨管总成技术条件GB/T 25367—2010 柴油机电控共轨喷油系统喷油器总成技术条件GB/T 25368—2010 柴油机电控共轨喷油系统高压供油泵总成技术条件JB/T 2330—1993 内燃机高磷铸铁气缸套金相检验JB/T 2330—1978 JB/T 5082.1—2008 内燃机气缸套第1部分:硼铸铁金相检验JB/T 5082-1991JB/T 5082.4—2008 内燃机气缸套第4部分:风冷气缸套技术条件JB/T 6006-1992 JB/T 5082.5—2008 内燃机气缸套第5部分:钢质镀铬气缸套技术条件 JB/T 7295-1994 JB/T 5083—2005 内燃机干式铸铁气缸套技术条件JB/T 5083—1991 JB/T5084—2007 内燃机曲轴止推垫圈技术条件JB/T 5084—1991 JB/T 6016.1—2008 内燃机活塞环金相检验第1部分:单体铸造活塞环GB/T 2805—1981JB/T 6016-1992 JB/T 6016.3—2008 内燃机活塞环金相检验第3部分:球墨铸铁活塞环 JB/T 6724-1993 JB/T 6016.4—2008 内燃机活塞环金相检验第4部分:中高合金铸铁活塞环JB/T 6289—2005 内燃机铸造铝活塞金相检验JB/T 6289—1992 JB/T 6290—2007 内燃机筒体铸造活塞环金相检验JB/T 6290—1992 JB/T 6721—1993 内燃机连杆技术条件NJ 20—1985JB/T 6721.2—2007 内燃机连杆第2部分:磁粉探伤JB/T 6722—1993 JB/T 6727—2000 内燃机曲轴技术条件JB/T 6727—1993 JB/T 6729—2007 内燃机曲轴、凸轮轴磁粉探伤JB/T 6729—1993 JB/T7293—2007 内燃机主轴承盖螺栓与螺母技术条件JB/T 7293—1994 JB/T 7293.2—2010 内燃机螺栓与螺母第2部分:连杆螺栓技术条件JB/T 8416—1996 JB/T 7293.4—2010 内燃机螺栓与螺母第4部分:连杆螺栓磁粉检测JB/T 9743—1999 JB/T 7293.8—2010 内燃机螺栓与螺母第8部分:连杆螺母技术条件JB/T 8417—1996 JB/T 7762—2007 内燃机气缸盖垫片技术条件JB/T 7762—1995 JB/T 8118—1997 内燃机活塞销技术条件JB/T 8118—1995 JB/T 8118.2—1999 内燃机活塞销金相检验NJ 326—1984JB/T 8118.3—1999 内燃机活塞销磁粉探伤技术条件NJ 327—1984JB/T 8415—1996 内燃机正时齿轮技术条件GB/T 3269—1982 JB/T 8578—1997 内燃机凸轮轴楔横轧毛坯技术条件JB/T 8579—1997 内燃机进、排气管技术条件JB/T 8837—2000 内燃机连杆螺栓金相检验JB/T 8837—1999 JB/T 8892—1999 内燃机稀土共晶铝硅合金活塞金相检验JB/T 8894—1999 往复式内燃机飞轮离合器用安装尺寸idt ISO 11055:1996JB/T 9742—1999 内燃机灰铸铁气缸盖和机体铸件技术条件NJ 308—1986JB/T 9743—1999 内燃机连杆螺栓磁粉探伤技术条件NJ 310—1983JB/T 9745—1999 内燃机硼铸铁单体铸造活塞环金相检验NJ 325—1984JB/T 9749—1999 内燃机铸造铜铅合金轴瓦金相检验NJ 355—1985JB/T 9753—1999 内燃机铸铁机体技术条件NJ 424—1986JB/T 9754—1999 内燃机灰铁铸件缺陷焊补技术条件NJ 431—1986JB/T 9760—1999 内燃机整圆主轴承技术条件ZB J92 001—1987 JB/T 9761—1999 内燃机曲轴止推垫片技术条件ZB J92 002—1988 JB/T 9762—1999 内燃机镶耐磨圈铝活塞技术条件ZB J92 003—1987 JB/T 9763—1999 内燃机精密电镀减摩层轴瓦检验规范ZB J92 004—1987 JB/T 9764—1999 内燃机卷制连杆衬套技术条件ZB J92 005—1987 JB/T 9765.1—1999 内燃机气缸盖螺栓技术条件ZB J92 006—1988JB/T 9765.2—1999 内燃机飞轮螺栓技术条件ZB J92 007—1988JB/T 9765.3—1999 内燃机气缸盖螺母及飞轮螺母技术条件ZB J92 009—1989JB/T 9766—1999 内燃机铸铁气缸盖技术条件ZB J92 008—1988JB/T 9767—1999 内燃机钢带组合油环技术条件ZB J92 010—1989JB/T 9768—1999 内燃机气缸套平台珩磨网纹技术规范及检测方ZB J92 011—1989 法JB/T 9770—1999 内燃机机油泵齿轮技术条件JB/T 10406—2004 内燃机激光淬火气缸套技术条件JB/T 10407—2004 内燃机铝活塞奥氏体铸铁镶圈金相检验JB/T 10628—2006 内燃机活塞环矩形钢环JB/T10737—2007 内燃机粉末冶金气门座技术条件进、排气系统GB/T 4759—2009 内燃机排气消声器测量方法GB/T 4759—1995GB/T4760—1995 声学消声器测量方法neq ISO 7325:1991 GB/T 4760—1984GB/T 23337—2009 内燃机进、排气门技术条件JB/T 5080—2008 内燃机铸铁气门导管技术条件NJ 28—1964JB/T 5080—1991 JB/T 5081—1991 中小功率柴油机排气消声器技术条件JB/T 5137—1991 小型汽油机排气消声器技术条件NJ 274—1982JB/T 5141—1991 小型汽油机排气消声器设计参数NJ/Z 2—1982JB/T6004—2007 内燃机油浴及油浸式空气滤清器总成技术条件JB/T 6004—1992JB/T6007—2007 内燃机油浴及油浸式空气滤清器滤芯技术条件JB/T 6007—1992JB/T 6008—2008 内燃机空气、柴油、机油滤清器型号编制规则JB/T 6008—1992JB/T 6012—2005 内燃机进、排气门技术条件JB/T 6012—1992JB/T 6012.2—2008 内燃机进、排气门第2部分:金相检验JB/T 6720-1993JB/T 6012.3—2008 内燃机进、排气门第3部分: 磁粉探伤 JB/T 6719-1993JB/T 6012.4—2008 内燃机进、排气门第4部分:摩擦焊气门超声波JB/T 5093-1991 探伤JB/T 6720—1993 内燃机进、排气门金相检验NJ 354—1985JB/T 6728.1—2008 内燃机凸轮轴第1部分:技术条件NJ 25—1986JB/T 6728—1993JB/T 6728.2—2008 内燃机凸轮轴第2部分:楔横轧毛坯JB/T 8578-1997JB/T7292.1—2007 内燃机衬套连杆衬套技术条件JB/T 7292.1—1994JB/T7292.2—2007 内燃机衬套凸轮轴衬套技术条件JB/T 7292.2—1994JB/T7292.3—2007 内燃机衬套摇臂衬套技术条件JB/T 7292.3—1994JB/T 7294—2008 内燃机气门推杆技术条件JB/T 7294—1994JB/T 9741—1999 内燃机气门挺柱技术条件NJ 26—1986JB/T 9747—2005 内燃机空气滤清器性能试验方法JB/T 9747—1999JB/T 9750.1—1999 内燃机气门摇臂技术条件NJ 406—1986JB/T 9750.2—1999 内燃机气门摇臂轴技术条件NJ 389—1986JB/T 9755—1999 内燃机纸质滤芯空气滤清器总成技术条件NJ 429—1986JB/T 9756—2004 内燃机空气滤清器纸质滤芯技术条件JB/T 9756—1999JB/T 9757—1999 内燃机空气、机油、柴油滤清器纸质滤芯系列尺NJ 434—1986寸JB/T 9769.1—2010 内燃机铸铁气门座第1部分:技术条件JB/T 9769—1999JB/T 9769.2—2010 内燃机铸铁气门座第2部分:金相检验JB/T 8893—1999JB/T 9769—1999 内燃机气门座技术条件ZB J93 002—1987JB/T 9869—1999 工程机械用内燃机排气消声器技术条件ZB J93 001—1987JB/T 11034—2010 内燃机气门弹簧座技术条件JB/T 11035—2010 内燃机气门锁夹技术条件JB/T 11036—2010 内燃机气门锁夹技术条件燃油供给系统GB/T 5264—2010 柴油机喷油泵柱塞偶件技术条件GB/T 5770—1997 柴油机柱塞式喷油泵总成技术条件GB/T 5771—2010 柴油机喷油泵出油阀偶件技术条件GB/T 5772—2010 柴油机喷油泵油嘴偶件技术条件GB/T 10826.1—2007 燃油喷射装置词汇第1部分:喷油泵neq ISO 7876-1:1984 GB/T 10826—1989GB/T 10826.2—2008 燃油喷射装置词汇第2部分:喷油器GB/T 10826.3—2008 燃油喷射装置词汇第3部分:泵喷嘴GB/T 10826.4—2008 燃油喷射装置词汇第4部分:高压油管和管端连接件GB/T 10826.5—2008 燃油喷射装置词汇第5部分:共轨式燃油喷射系统GB/T 14096—2008 喷油泵试验台试验方法ISO 4008-1:1980,NEQ GB/T 14096—1993JB/T 3923—2005 柴油机喷油泵联轴器型式及基本尺寸JB/T 3923—1993JB/T 50063—2000 柴油机喷油泵供油角度自动提前器总成可靠性评JB/T 50063—1993 定方法、试验方法、故障分类及判定规则JB/T 51178—2000 合成式喷油泵总成可靠性考核评定方法、试验方JB/T 51178.1~3—1994 法、故障分类及判定规则JB/T 51179—2000 活塞式输油泵总成可靠性考核评定方法、试验方JB/T 51179—1994 法、故障分类及判定规则JB/T 51180—2000 分列式喷油泵总成可靠性考核评定方法、试验方JB/T 51180.1~.3—1994 法、故障分类及判定规则JB/T 51181—2000 喷油泵出油阀偶件可靠性考核评定方法、台架试验JB/T 51181—1994 方法及失效判定JB/T 51182—2000 喷油泵柱塞偶件可靠性考核评定方法、台架试验方JB/T 51182—1994 法及失效判定JB/T 51183—2000 喷油泵总成可靠性考核评定方法、试验方法、故障JB/T 51183—1994 分类及判定规则JB/T 51183—2000 喷油嘴偶件可靠性考核评定方法、试验方法、故障JB/T 51184—1994 分类及判定规则JB/T 5079—2008 中小功率内燃机燃油箱技术条件JB/T 5079—1991JB/T 5138—1991 小型汽油机用化油器系列型谱JB/T 5139—1991 小型汽油机用磁电机系列型谱JB/T 5140—1991 磁电机术语JB/T 5142—1991 化油器综合流量试验台技术条件JB/T 5143—1991 化油器综合流量试验台试验方法JB/T 5173—2005喷油器总成安装方式及连接尺寸ISO 2697:1999 ,NEQISO 2699:1994 ,NEQJB/T 5173—1991JB/T 5174—2005 喷油嘴偶件型式及连接尺寸ISO 2697:1999, NEQ JB/T 5174—1991 JB/T 5175—1991 柴油机喷油泵、喷油器总成主要零件金相检验JB/T 5176—2005 单柱塞式分配泵总成技术条件JB/T 5176—1991 JB/T 5239—1991 柴油机纸质滤芯柴油滤清器总成技术条件neq ISO 4020:1979 NJ 425—1986 JB/T 5240—1991 柴油机柴油滤清器纸质滤芯技术条件neq ISO 4020:1979 NJ 425—1986 JB/T 5241—1991 旋装式柴油滤清器技术条件neq ISO 4020:1979JB/T 6013—2000 柴油机低压金属油管组件技术条件JB/T 6013—1992JB/T 6014—2000柴油机高压油管组件技术条件JB/T 6011—1992 JB/T 6014—1992JB/T 6015—2000 柴油机低压输油胶管组件技术条件JB/T 6015—1992 JB/T 6020—1992 磁电机用电子点火器型号编制规则JB/T 6021—1992 磁电机型号编制规则ZB J91 002—1987 JB/T 6023—1992 化油器夹紧式出口连接尺寸JB/T 6024—1992 小型汽油机化油器量孔型式及结构尺寸JB/T 6025.1—1992 汽油机用混合气加热器型号编制方法JB/T 6025.2—1992 汽油机用混合气加热器技术条件JB/T 6025.3—1992 汽油机用混合气加热器试验方法JB/T 6026—1992 化油器通道堵头钢球JB/T 6291.1—2004 活塞式输油泵总成技术条件JB/T 6291.1—1992 JB/T 6291.2—2004 活塞式输油泵总成性能试验方法JB/T 6291.2—1992 JB/T 6292—1992 活塞式输油泵安装型式及连接尺寸NJ 353—1985JB/T 6293—1992 手压式喷油器校验器技术条件neq ISO 8984-1:1987JB/T 6295—2005 柱塞式喷油泵安装型式及连接尺寸ISO 7299:1996, NEQ JB/T 6295—1993 JB/T 6730—1993 磁电机点火系统测试方法neq ISO 6518-2:1982JB/T 6731.1—1993 小型汽油机用化油器技术条件NJ 321—1984JB/T 6731.3—1993 小型汽油机用化油器产品名称和型号编制规则NJ 438—1986JB/T 7146.1—1993 化油器阀针型材JB/T 7173.1—2004 柴油机喷油泵柱塞偶件技术条件JB/T 7173.1—1993 JB/T 7173.2—2004 柴油机喷油泵柱塞偶件性能试验方法JB/T 7173.2—1993 JB/T 7174.1—2004 柴油机喷油泵出油阀偶件技术条件JB/T 7174.1—1993 JB/T 7174.2—2004 柴油机喷油泵出油阀偶件性能试验方法JB/T 7174.2—1993 JB/T 7296—2004 柴油机喷油嘴偶件技术条件JB/T 7296—1994 JB/T 7297—2004 柴油机喷油嘴偶件性能试验方法JB/T 7297—1994 JB/T 7298—1994 出油阀偶件主要尺寸和安装尺寸JB/T 7299—1994 柱塞偶件主要尺寸和安装尺寸JB/T 7661—2004 柴油机油泵油嘴产品清洁度限值及测定方法JB/T 7661—1995 JB/T 7761.1—2004 柴油机喷油泵供油角度自动提前器技术条件JB/T 7761.1—1995 JB/T 7761.2—2004 柴油机喷油泵供油角度自动提前器性能试验方法JB/T 7761.2—1995 JB/T 7763.2—1995 内燃机起动液及装置试验方法JB/T 8120.1—2000 压燃式发动机高压油管用钢管第 1 部分:单壁idt ISO 8535-1:1996 JB/T 8120—1995 冷拉无缝钢管技术条件JB/T 8120.2—2000 压燃式发动机高压油管用钢管第 2 部分:复合idt ISO 8535-2:1993式钢管技术条件JB/T 8121—1999 柴油机喷油泵试验台用高压油管组件neq ISO 4093:1986 JB/T 8121—1995 JB/T 8122—1999 柴油机柴油滤清器试验方法JB/T 8122—1995 JB/T 8818—1998 柴油机喷油器总成技术条件GB/T 5769—1986 JB/T 8819—1998 柴油机燃油喷射装置产品型号编制方法GB/T 10177—1988 JB/T 9728—2010 分配式喷油泵总成安装及连接尺寸JB/T 9728—1999JB/T 9729—1999 柴油机喷油泵柱塞偶件、出油阀偶件、喷油嘴偶件径ZB J94 027—1990 部密封值样品技术条件JB/T 9730—1999 柴油机喷油嘴偶件、喷油泵柱塞偶件、喷油泵出油ZB J94 007—1988 阀偶件金相检验JB/T 9731.1—2010 柴油机喷油泵凸轮轴第1部分:技术条件JB/T 9731.1—1999JB/T 9731.2—2010 柴油机喷油泵凸轮轴第2部分:轴端尺寸JB/T 9731.2—1999 JB/T 9732—1999 轴针式标准喷油嘴偶件neq ISO 4010:1998 ZB J94 010—1989 JB/T 9733—1999 标准喷油泵技术条件ZB J94 015—1990 JB/T 9734—1999 喷油泵试验台技术条件neq ISO 4008-1:1980 ZB J94 016—1990 JB/T 9735—1999 喷油泵试验台用标准喷油器总成技术条件neq ISO 7440-1:1991 ZB J94 017—1990 JB/T 9736—1999 喷油嘴偶件、柱塞偶件、出油阀偶件磁粉探伤方法ZB J94 019—1990 JB/T 9751—1999 柴油机液压调速器技术条件NJ 404—1986润滑系统JB/T 5087—1991 内燃机机油滤清器纸质滤芯技术条件neq ISO 4548:1982 NJ 428—1986JB/T 5088.1—2008 内燃机旋装式机油滤清器第1部分:技术条件neq ISO 4548:1982 JB/T 5088—1991JB/T 5088.2—2008 内燃机旋装式机油滤清器第2部分:试验方法JB/T 6725-1993JB/T 5089.1—2010 内燃机纸质滤芯机油滤清器第1部分:总成技术neq ISO 4548:1982 JB/T 5089—1991 条件JB/T 5089.2—2010 内燃机纸质滤芯机油滤清器第2部分:滤芯技术JB/T 5087—1991 条件JB/T 5089.3—2010 内燃机纸质滤芯机油滤清器第3部分:试验方法JB/T 5099—1991JB/T 5090—1991 内燃机机油泵粉末冶金转子技术条件NJ259—1982JB/T 5091—1991 内燃机机油泵粉末冶金齿轮技术条件NJ 260—1982JB/T 5096—1991 内燃机纸质机油滤芯胶接工艺技术条件JB/T 5097—1991 内燃机旋装式机油滤清器系列尺寸neq ISO 6415:1981JB/T 5098—1991 内燃机纸质机油滤芯胶粘剂技术条件JB/T 5099—1991 内燃机纸质滤芯机油滤清器总成试验方法neq ISO 4548:1982JB/T 6019—1992 分流离心式机油滤清器技术条件GB/T 2783—1991 JB/T 6725—1993 内燃机旋装式机油滤清器试验方法neq ISO 4548:1982JB/T 7298—1994 出油阀偶件主要尺寸和安装尺寸JB/T 7907—1999 粉末冶金机油泵齿轮技术条件JB/T 7907—1995 JB/T 7908—1999 内燃机粉末冶金机油泵转子技术条件JB/T 7908—1995 JB/T 8124—1999 内燃机离心式机油滤清器试验方法JB/T 8124—1995 JB/T 8413.1—2010 内燃机机油泵第1部分:总成技术条件JB/T 8413—1996 JB/T 8413.2—2010 内燃机机油泵第2部分:总成试验方法JB/T 8886—1999 JB/T 8413.3—2008 内燃机机油泵第3部分:粉末冶金转子技术条件JB/T 5090-1991JB/T 8413.5—2008 内燃机机油泵第5部分:粉末冶金齿轮技术条件JB/T 5091-1991JB/T 8414—1996 内燃机机油泵传动轴端的型式和尺寸JB/T 8886—1999 内燃机机油泵试验方法NJ 432—1986JB/T 10505—2005 内燃机机油散热器技术条件JB/T 51051—1999 内燃机机油泵产品可靠性考核JB/T 51051—1993 冷却系统与加热装置JB/T 5085—2010 柴油机水冷却器技术条件JB/T 5085—1991 JB/T 5086.1—1999 内燃机水封技术条件JB/T 5086—1991 JB/T 5982.2—1999 内燃机水封试验方法JB/T 5092—1991 JB/T 6003—2004 内燃机板翅式机油冷却器技术条件JB/T 6003—1992 JB/T 6003.2—2010 内燃机机油冷却器第2部分:管壳式机油冷却器JB/T 8125—1999 技术条件JB/T 6003.3—2008 内燃机机油冷却器第3部分:传热性能试验方法JB/T 5095-1991 JB/T 6009—1992 小功率柴油机水箱技术条件JB/T 6723.1—2008 内燃机冷却风扇第1部分:金属冷却风扇技术条JB/T 6723.1—1993 件JB/T 6723.2—1993 JB/T 6723.2—2008 内燃机冷却风扇第2部分:塑料冷却风扇技术条件JB/T 6723.3—2008 内燃机冷却风扇第3部分:冷凝式内燃机冷却风JB/T 6723.3—1999 扇技术条件JB/T 6723.4—1999 JB/T 6723.4—2008 内燃机冷却风扇第4部分:冷凝式内燃机冷却风扇试验方法JB/T 6726.1—1993 内燃机冷凝式散热器技术条件JB/T 6726.2—1993 内燃机冷凝式散热器试验方法JB/T 8126.1—2010 内燃机冷却水泵第1部分:总成技术条件JB/T 8126.1—1999 JB/T 8126.2—2010 内燃机冷却水泵第2部分:总成试验方法JB/T 8126.2—1999 JB/T 8126.6—2010 内燃机冷却水泵第6部分:V带轮技术条件JB/T 6718—1993 JB/T 8127.1—1995 燃油加热器基本参数GB/T 10907—1989 JB/T 8127.2—1995 燃油加热器技术条件GB/T 10908—1989 JB/T 8127.3—1995 燃油加热器试验方法GB/T 10909—1989 JB/T 8577—2005 内燃机水散热器技术条件JB/T 8577—1997 JB/T 8580—1997 柴油机用氮化硅电热塞技术条件JB/T 10408—2004 内燃机换热器可靠性试验方法JB/T 10505—2005 内燃机机油散热器技术条件JB/T 10506—2005 内燃机增压空气冷却器技术条件JB/T 50033—1999 内燃机冷却水泵台架可靠性考核。
4.1.5.14.1.5.24.1.64.1.6.14.1.6.1.14.1.6.1.24.1.6.24.1.6.2.14.1.6.2.2汽油机型号示例1:YF4G12:YF—益方;4—四缸;G—燃料为汽油;直列、四冲程;排量—1.2L;冷却液冷却;基本型。
示例2:YF6GV30TF:YF—益方;6—六缸;G—燃料为汽油;V—V型;四冲程;排量—3L;TF—增压风冷;基本型。
柴油机型号YF4D95FA:YF—益方;4—四缸;D—燃料为柴油;直列、四冲程;95—缸径;F—风冷;A—区分号。
图型号表示方法出厂编号编制总则内燃机出厂编号由阿拉伯数字(以下简称数字)、特殊符号、汉语拼音字母或国际通用的英文缩写字母(以下简称字母)组成。
内燃机的出厂编号应简明。
型号组成内燃机出厂编号依次包括下列二部分,表示方法如图所示。
第一部分:内燃机型号组成。
第二部分:由内燃机生产年号(两位数字,取生产年份的后两位数字)、生产月号(一位字母,字母取生产月份号如图所示对应的字母)、生产序列号(四位数字,数字取内燃机所属当月生产的流水号)、状态变更号(一位字母所用字母中不得使用字母“O”);第二部分前后需加各加一个“★”符号,在没有状态变更号时,此位不打刻也不预留空位,在有变更状态号时,此位需打刻相应的就更状态号。
4.1.74.24.2.1 4.2.24.2.3 4.2.3.1 4.2.3.2 4.2.3.3 4.2.3.4 4.2.3.5 4.2.3.6 4.2.3.7图出厂编号表示方法出厂编号示例YF4G12★13A2014B★:YF4G12—内燃机型号;13—生产年份是13年;A—生产月份是1月;2014—此年此月生产的第2014台;B—状态变更号。
内燃机产品零部件编号规则范围本标准规定了乘用车用系列内燃机总成、零部件、装置图样(以下分别简称总成图、零件图、装置图)等所用编号。
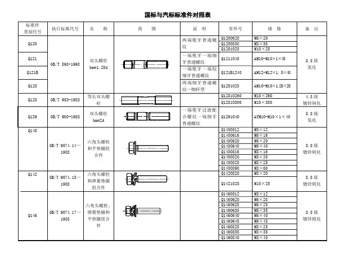
本标准不适用于内燃机用汽车标准件的编号。
规范性引用文件下列标准所包含的条文,通过在本标准中引用而构成为本标准的条文。
序号件号中文名称规格型号英文名称No.Part No.Chinese DescriptionTypeEnglish Description序号件号中文名称规格型号英文名称No.Part No.Chinese DescriptionTypeEnglish Description172130027汽缸体密封垫273010519回油道矩形圈φ14×φ19×2.5327010002汽缸体472130041汽缸头密封纸垫573010459张紧轮615160008正时链条773010518翻口销矩形圈φ9×φ12×1.5872060012定位销φ8×14972060024汽缸通油衬套1073010519回油道密封圈1172040160回油道铁垫圈1273010460导向轮1372040162垫片1472010524导向轮轴销E-1 气缸头部件CYLINDER ASSEMBLY1522010136汽缸头总成1615170033正时从动链轮1772040161铝垫片1872010409螺栓M6×110 1972010487螺栓M5×12 2072130057左小盖纸垫2122120001汽缸头左小盖2272150003O型圈30.8×3.2 2322140001气门盖2472010480连接螺栓2572130061汽缸头盖密封垫2622150052汽缸头盖2772040155铁垫片2872040157铜垫片2972020075盖型螺母M6E-2 配气机构 VALVE MECHANISM序号件号中文名称规格型号英文名称No.Part No.Chinese Description Type English Description 122010136汽缸头组合222020003进气门INLET VALVE322020004排气门EXHAUST VALVE 473130487气门弹簧座圈Seat,Valve Outer Spring 572110025挡油罩Seal,Valve Stem672120001气门内弹簧Outer Spring,Valve 772120007气门外弹簧Inler Spring,Valve822040001气门锁夹Clip,Valve922030001气门弹簧上座Retainer,Valve Spring 1031170008火花塞1122050001气门摇臂1222070001摇臂轴1372010420双头螺栓M6×321472130060汽缸头右盖密封垫1522130028右小盖组件1672010159螺栓M6×201722080002凸轮轴装配组合序号件号中文名称规格型号英文名称No.Part No.Chinese Description Type English Description 172060013定位销φ8×12DOWEL PIN φ8×12272130021右曲轴箱盖密封垫GASKET, CRANKCASE COVER, RH 313010474右曲轴箱盖组合CRANKCASE COVER, RH 424130017离合器分离凸轮524130017O型圈624130017螺母724130017垫片873010517机油尺DIPSTICK973130481高压线夹1072010177螺栓M6×85BOLT1172010176螺栓M6×80BOLT1272010392螺栓M6×65BOLT1372010389螺栓M6×40BOLT1472060013定位销φ8×121514030142左曲轴箱盖L.CRANKCASE COVER1672010393螺栓 M6×70BOLT M6×701772010173螺栓 M6×50BOLT M6×501872010389螺栓 M6×32BOLT M6×32E-3曲轴箱盖 CRANKXASE COVER序号件号中文名称规格型号英文名称No.Part No.Chinese DescriptionTypeEnglish Description124120018离合器组件224020026初级从动齿轮69齿324020002初级主动齿轮17齿424130017初级主动齿衬垫524130017初级主动齿衬套624130017轴用挡圈724130017平垫824130017止退垫片924130017蝶形垫圈1024130017锁紧螺母1124130017离合器端盖纸垫1224130017离合器端盖1324130017凸轮板组合1424130017螺栓M5×12E-4离合器 CLUTCH序号件号中文名称规格型号英文名称No.Part No.Chinese DescriptionTypeEnglish Description120020001机油泵轴套272130063机油泵密封垫320010001机油泵总成472010092螺栓M6×16572010386螺栓M6×22E-5 机油泵 OIL PUMP序号件号中文名称规格型号英文名称No.Part No.Chinese DescriptionTypeEnglish Description131140089磁电机定子组合STATOR 272010769螺栓 M5×16BOLT M5×16331150001磁电机转子组合ROTOR472020024磁电机紧固螺母LOCK NUT (图片和实物有差别)E-6 磁电机 MAGNETO序号件号中文名称规格型号英文名称No.Part No.Chinese DescriptionTypeEnglish Description112010101右曲轴箱组合CRANKCASE, RH 270090011滚针轴承6203Bearing 6203370090015滚动轴承NK1412Bearing NK1412411030001张紧臂组合572010528张紧臂螺钉611030002张紧杆组合772120025张紧杆弹簧872040152铝垫片972010474M14六角螺栓1020040001机油泵轴1111020001机油泵主动链轮1215080001限位块1372010159螺栓M6×201472060012定位销φ8×14DOWEL PIN φ8×141572130002曲轴箱密封垫GASKET, CRANKCASE 1611010096左曲轴箱组合CRANKCASE, LHE-7曲轴箱 CRANKCASE1770090013滚针NK13.5/12 1870090011轴承6203 1972040159铝垫圈12 2072010582放油螺栓2172010470回位弹簧止动螺钉2272010174螺栓M6×60 2373130479箱体废气管夹2472010390螺栓M6×45 2573130480溢流管夹2672010392螺栓M6×65 2711130005档显动触头2872010468内六角螺栓2911130005档位线组合3011130005档位线压板3172010380十字螺栓M6×12 3272060012定位销Φ8×14 3372010442气缸螺栓A M6×196 3472010449气缸螺栓B M6×188序号件号中文名称规格型号英文名称No.Part No.Chinese DescriptionTypeEnglish Description121020002活塞Φ47PISTON Φ39221040002活塞销PISTON PIN372080008活塞销挡圈CIRCLIP, PISTON PIN 421030501活塞环(一)PISTON RING I 521030501活塞环(二)PISTON RING II621030501油环721030501侧环821010001曲柄连杆组合CRANKSHAFT & CONNECTING RODE-8 曲轴 /活塞 /连杆部件CRANKSHAFT & PISTON&CONNECTING RODCOMP序号件号中文名称规格型号英文名称No.Part No.Chinese DescriptionTypeEnglish Description115020002主轴组合MAIN SHAFT ASSY 215030001副轴组合COUNTERSHAFT ASSY315010001启动轴组合415100001启动轴垫片E-9 传动机构 TRANSMISSION序号件号中文名称规格型号英文名称No.Part No.Chinese DescriptionTypeEnglish Description115050002变速鼓组件215070004变档轴总成372120075启动轴回位弹簧415100003启动轴限位块515100016挡圈672120013定位板弹簧Spring 715080001档位定位板组合Limit Block 872030168螺栓M6×22BOLT M6×22915130002操纵臂组合E-10变档凸轮 GEARSHIFT DRUM。
发动机、内燃机标准精选(最新)G725《GB/T725-2008内燃机产品名称和型号编制规则》G727《GB/T727-2003涡轮增压器产品命名和型号编制方法》G1147.1《GB/T1147.1-2007中小功率内燃机第1部分:通用技术条件》G1147.2《GB/T1147.2-2007中小功率内燃机第2部分:试验方法》G1148《GB/T1148-2010内燃机铝活塞技术条件》G1149.1《GB/T1149.1-2008内燃机活塞环:通用规则》G1149.2《GB/T1149.2-2010内燃机活塞环第2部分:术语》G1149.3《GB/T1149.3-2010内燃机活塞环第3部分:材料规范》G1149.4《GB/T1149.4-2008内燃机活塞环:质量要求》G1149.5《GB/T1149.5-2008内燃机活塞环:检验方法》G1149.6《GB/T1149.6-2008内燃机活塞环:铸铁刮环》G1149.7《GB/T1149.7-2010内燃机活塞环第7部分:矩形铸铁环》G1149.8《GB/T1149.8-2008内燃机活塞环:矩形钢环》G1149.9《GB/T1149.9-2008内燃机活塞环:梯形铸铁环》G1149.10《GB/T1149.10-2013内燃机活塞环第10部分:梯形钢环》G1149.11《GB/T1149.11-2010内燃机活塞环第11部分:楔形铸铁环》G1149.12《GB/T1149.12-2013内燃机活塞环第12部分:楔形钢环》G1149.13《GB/T1149.13-2008内燃机活塞环:油环》G1149.14《GB/T1149.14-2008内燃机活塞环:螺旋撑簧油环》G1150《GB/T1150-2010内燃机湿式铸铁气缸套技术条件》G1151《GB/T1151-2012内燃机主轴瓦及连杆轴瓦技术条件》G1859《GB/T1859-2000往复式内燃机辐射的空气噪声测量工程法及简易法》G1883.1《GB/T1883.1-2005往复式内燃机词汇第1部分:发动机设计和运行术语》G1883.2《GB/T1883.2-2005往复式内燃机词汇第2部分:发动机维修术语》G2497《GB/T2497-2008船用柴油机增压空气冷却器》G2820.1《GB/T2820.1-2009往复式内燃机驱动的交流发电机组:用途、定额和性能》G2820.2《GB/T2820.2-2009往复式内燃机驱动的交流发电机组:发动机》G2820.3《GB/T2820.3-2009往复式内燃机驱动的交流发电机组:发电机组用交流发电机》G2820.4《GB/T2820.4-2009往复式内燃机驱动的交流发电机组:控制装置和开关装置》G2820.5《GB/T2820.5-2009往复式内燃机驱动的交流发电机组:发电机组》G2820.6《GB/T2820.6-2009往复式内燃机驱动的交流发电机组:试验方法》G2820.7《GB/T2820.7-2002往复式内燃机驱动的交流发电机组:技术说明》G2820.8《GB/T2820.8-2002往复式内燃机驱动的交流发电机组:小功率发电机组》G2820.9《GB/T2820.9-2002往复式内燃机驱动的交流发电机组:机械振动的测量和评价》G2820.10《GB/T2820.10-2002往复式内燃机驱动的交流发电机组:噪声的测量》G2820.11《GB/T2820.11-2012往复式内燃机驱动的交流发电机组:旋转不间断电源性能要求和试验方法》G2820.12《GB/T2820.12-2002往复式内燃机驱动的交流发电机组:对安全装置的应急用电》G3475《GB/T3475-2008船用柴油机调速系统技术要求和试验方法》G3821《GB/T3821-2005中小功率内燃机清洁度测定方法》G3847《GB3847-2005压燃式发动机和压燃式发动机汽车排气烟度排放限值及测量方法》G4556《GB4556-2001往复式内燃机防火》G4672《GB/T4672-2003往复式内燃机手操纵控制机构标准动作方向》G4759《GB/T4759-2009内燃机排气消声器测量方法》G5264《GB/T5264-2010柴油机喷油泵柱塞偶件技术条件》G5741《GB/T5741-2008船用柴油机排气烟度测量方法》G5770《GB/T5770-2008柴油机柱塞式喷油泵总成技术条件》G5771《GB/T5771-2010柴油机喷油泵出油阀偶件技术条件》G5772《GB/T5772-2010柴油机喷油嘴偶件技术条件》G5923《GB/T5923-2010汽车柴油机燃油滤清器试验方法》G6072.1《GB/T6072.1-2008功率、燃料消耗和机油消耗的标定及试验方法通用发动机的附加要求》G6072.3《GB/T6072.3-2008往复式内燃机性能:试验测量》G6072.4《GB/T6072.4-2012往复式内燃机性能第4部分:调速》G6072.5《GB/T6072.5-2003往复式内燃机性能:扭转振动》G6072.6《GB/T6072.6-2000往复式内燃机性能:超速保护》G6072.7《GB/T6072.7-2000往复式内燃机性能:发动机功率代号》G6791《GB/T6791-2012道路车辆火花塞及其气缸盖安装孔基本特征及尺寸》G6809.1《GB/T6809.1-2009往复式内燃机零部件和系统术语:固定件及外部罩盖》G6809.2《GB/T6809.2-2013往复式内燃机零部件和系统术语第2部分:气门、凸轮轴传动和驱动机构》G6809.3《GB/T6809.3-2013往复式内燃机零部件和系统术语第3部分:主要运动件》G6809.4《GB/T6809.4-2007往复式内燃机零部件和系统术语:增压及进排气管系统》G6809.5《GB/T6809.5-2010往复式内燃机零部件和系统术语第5部分:冷却系统》G6809.6《GB/T6809.6-2009往复式内燃机零部件和系统术语:润滑系统》G6809.7《GB/T6809.7-2009往复式内燃机零部件和系统术语:调节系统》G6809.8《GB/T6809.8-2010往复式内燃机零部件和系统术语:起动系统》G6809.9《GB/T6809.9-2013往复式内燃机零部件和系统术语第9部分:监控系统》G7184《GB/T7184-2008中小功率柴油机振动测量及评级》G8188《GB/T8188-2003内燃机排放术语和定义》3G8190.1《GB/T8190.1-2010往复式内燃机排放测量:气体和颗粒排放物的试验台测量》89.70G8190.2《GB/T8190.2-2011往复式内燃机排放测量第2部分:气体和颗粒排放物的现场测量》G8190.3《GB/T8190.3-2003往复式内燃机排放测量:稳态工况排气烟度的定义和测量方法》G8190.4《GB/T8190.4-2010往复式内燃机排放测量:不同用途发动机的稳态试验循环》G8190.5《GB/T8190.5-2011往复式内燃机排放测量:试验燃料》G8190.6《GB/T8190.6-2006往复式内燃机排放测量:测量结果和试验报告》G8190.7《GB/T8190.7-2003往复式内燃机排放测量:发动机系族的确定》G8190.8《GB/T8190.8-2003往复式内燃机排放测量:发动机系组的确定》G8190.9《GB/T8190.9-2010往复式内燃机排放测量:压燃式发动机瞬态工况排气烟度的试验台测量用试验循环和测试规程》G8190.10《GB/T8190.10-2010往复式内燃机排放测量:压燃式发动机瞬态工况排气烟度的现场测量用试验循环和测试规程》G8190.11《GB/T8190.11-2009往复式内燃机排放测量:非道路移动机械用发动机瞬态工况下气体和颗粒排放物的试验台测量》G8243.1《GB/T8243.1-2003内燃机全流式机油滤清器试验方法:压差-流量特性》G8243.2《GB/T8243.2-2003内燃机全流式机油滤清器试验方法:滤芯旁通阀特性》G8243.3《GB/T8243.3-2003内燃机全流式机油滤清器试验方法:耐高压差和耐高温特性》G8243.5《GB/T8243.5-2006内燃机全流式机油滤清器试验方法:冷起动模拟和液压脉冲耐久试验》G8243.4《GB/T8243.4-2003内燃机全流式机油滤清器试验方法:原始滤清效率、寿命和累积效率》G8243.6《GB/T8243.6-2006内燃机全流式机油滤清器试验方法:静乐耐破度试验》G8243.7《GB/T8243.7-2006内燃机全流式机油滤清器试验方法:振动疲劳试验》G8243.9《GB/T8243.9-2012内燃机全流式机油滤清器试验方法:进、出口止回阀试验》G8243.11《GB/T8243.11-2007内燃机全流式机油滤清器试验方法:自净式滤清器》G8243.12《GB/T8243.12-2007内燃机全流式机油滤清器试验方法:采用颗粒计数法测定滤清效率和容灰量》G8409《GB/T8409-1999汽车发动机旋装式机油滤清器连接尺寸》G8840《GB8840-2009船用柴油机排气烟度限值》G9485《GB/T9485-2003径流式涡轮增压器:联接尺寸》G9487《GB/T9487-2008柴油机自由加速排气烟度的测量方法》G10397《GB/T10397-2003中小功率柴油机:振动评级》G10398《GB/T10398-2008小型汽油机振动评级和测试方法》G10826.1《GB/T10826.1-2007燃油喷射装置词汇第1部分:喷油泵》G10826.2《GB/T10826.2-2008燃油喷射装置词汇第2部分:喷油器》G10826.3《GB/T10826.3-2008燃油喷射装置词汇第3部分:泵喷嘴》G10826.4《GB/T10826.4-2008燃油喷射装置词汇第4部分:高压油管和管端连接件》G10826.5《GB/T10826.5-2008燃油喷射装置词汇第5部分:共轨式燃油喷射系统》G12773《GB/T12773-2008内燃机气阀用钢及合金棒材》G14096《GB/T14096-2008喷油泵试验台试验方法》G14097《GB14097-1999中小功率柴油机噪声限值》G14762《GB14762-2008重型车用汽油发动机与汽车排气污染物排放限值及测量方法(中国III、IV阶段)》G14763《GB14763-2005装用点燃式发动机重型汽车燃油蒸发污染物排放限值》G15097《GB/T15097-2008船用柴油机排气排放污染物测量方法》G15371《GB/T15371-2008曲轴轴系扭转振动的测量与评定方法》G16305《GB/T16305-1996扭转振动减振器》G16570《GB/T16570-1996汽车柴油机架装直列式喷油泵安装尺寸》G17038《GB/T17038-1997内燃机车柴油机油》G17368《GB/T17368-1998在用喷油泵试验台的校验》G17691《GB17691-2005车用压燃式、气体燃料点燃式发动机与汽车排气污染物排放限值及测量方法(中国III、lV、V阶段)》G17692《GB/T17692-1999汽车用发动机净功率测试方法》G17804《GB/T17804-2009往复式内燃机图形符号》G17805《GB/T17805-1999柴油机进排气流量的测量》G18297《GB/T18297-2001汽车发动机性能试验方法》G18948《GB/T18948-2009内燃机冷却系统用橡胶软管和纯胶管规范》G19055《GB/T19055-2003汽车发动机可靠性试验方法》G20064.1《GB/T20064.1-2006往复式内燃机手柄起动装置第1部分:安全要求和试验》G20064.2《GB/T20064.2-2006往复式内燃机手柄起动装置第2部分:脱开角试验办法》G20651.1《GB20651.1-2006往复式内燃机安全第1部分:压燃式发动机》G20651.2《GB20651.2-2014往复式内燃机安全第2部分:点燃式发动机》G20714《GB/T20714-2006火花塞接线端子》G20787《GB/T20787-2006往复式内燃机中、高速往复式内燃机底脚结构噪声测试规范》G20800.1《GB20800.1-2006爆炸性环境用往复式内燃机防爆技术通则:可燃性气体和蒸汽环境用Ⅱ类内燃机》G20800.2《GB20800.2-2006爆炸性环境用往复式内燃机防爆技术通则:可燃性粉尘环境用Ⅱ类内燃机》G20800.3《GB20800.3-2008爆炸性环境用往复式内燃机防爆技术通则:存在甲烷和(或)可燃性粉尘的地下矿区巷道用I类内燃机》G20891《GB20891-2007非道路移动机械用柴油机排气污染物排放限值及测量方法(中国Ⅰ、Ⅱ阶段)》G21404《GB/T21404-2008内燃机发动机功率的确定和测量方法一般要求》G21405《GB/T21405-2008往复式内燃机发动机功率的确定和测量方法排气污染物排放试验的附加要求》G21406《GB/T21406-2008内燃机发动机的重量(质量)标定》G22226《GB/T22226-2008发动机冷却液沸点测定法》G23337《GB/T23337-2009内燃机进、排气门技术条件》G23338《GB/T23338-2009内燃机增压空气冷却器技术条件》G23339《GB/T23339-2009内燃机曲轴技术条件》G23340《GB/T23340-2009内燃机连杆技术条件》G23341.1《GB/T23341.1-2009涡轮增压器第1部分:一般技术条件》G23341.2《GB/T23341.2-2009涡轮增压器第2部分:试验方法》G23342《GB/T23342-2009往复式内燃机回弹式绳索起动装置基本安全要求》G23640《GB/T23640-2009往复式内燃机(RIC)驱动的交流发电机》G24140《GB/T24140-2009内燃机空气和真空系统用橡胶软管和纯胶管规范》G24141.1《GB/T24141.1-2009内燃机燃油管路用橡胶软管和纯胶管规范第1部分:柴油燃料》G24141.2《GB/T24141.2-2009内燃机燃油管路用橡胶软管和纯胶管规范第2部分:汽油燃料》G24554《GB/T24554-2009燃料电池发动机性能试验方法》G24748《GB/T24748-2009往复式内燃机飞轮技术条件》G25361.1《GB/T25361.1-2010内燃机活塞销第1部分:技术要求》G25361.2《GB/T25361.2-2010内燃机活塞销第2部分:检验规则》G25362《GB/T25362-2010汽油机电磁阀式喷油器总成技术条件》G25363《GB/T25363-2010汽油机电磁阀式喷油器总成试验方法》G25364.1《GB/T25364.1-2010涡轮增压器密封环第1部分:技术条件》G25364.2《GB/T25364.2-2010涡轮增压器密封环第2部分:检验方法》G25365.1《GB/T25365.1-2010柴油机电控共轨喷油系统总成技术条件第1部分:机械》G25366《GB/T25366-2010柴油机电控共轨喷油系统共轨管总成技术条件》G25367《GB/T25367-2010柴油机电控共轨喷油系统喷油器总成技术条件》G25368《GB/T25368-2010柴油机电控共轨喷油系统高压供油泵总成技术条件》G26116《GB/T26116-2010内燃机共轴泵试验方法》G26549《GB/T26549-2011涡轮增压器可变喷嘴环通用技术条件》G28239《GB28239-2012非道路用柴油机燃料消耗率和机油消耗率限值及试验方法》G28949《GB/T28949-2012内燃机和空气压缩机用进气空气滤清器性能试验》G28950.1《GB/T28950.1-2012道路车辆和内燃机滤清器名词术语:滤清器和滤清器部件定义》G28950.2《GB/T28950.2-2012道路车辆和内燃机滤清器名词术语:滤清器及其部件性能指标定义》G28953《GB/T28953-2012汽车柴油机旋装式燃油滤清器安装和连接尺寸》G28959《GB/T28959-2012汽车柴油机具有垂直安装面的燃油滤清器滤座安装和连接尺寸》G28960《GB/T28960-2012汽车柴油机具有水平安装面的旋装式燃油滤清器滤座安装和连接尺寸》G28961《GB/T28961-2012汽车柴油机双级燃油滤清器安装和连接尺寸》GJ96A《GJB96A-2001标准试验发动机型式和尺寸》GJ97A《GJB97A-2001标准试验发动机技术要求和数据处理》GJ216K《GJB/Z216-2004K航空涡轮喷气和涡轮风扇发动机通用规范使用指南》GJ224K《GJB/Z224-2005K航空燃气涡轮发动机稳定性设计与评定指南》GJ931A《GJB931A-2005K装甲车辆柴油发动机曲轴用方钢规范》GJ945A《GJB945A-2003航空发动机点火装置触点用Pl-Pt75Ir合金板材规范》GJ1025A《GJB1025A-2005K固体火箭发动机直径系列》GJ2640《GJB2640-1996航空发动机重量平衡与控制要求》GJ2641《GJB2641-1996航空涡轮发动机重量特性与设计数据报告格式要求》GJ2953《GJB2953-1997军用汽车发动机技术要求》GJ3568《GJB3568-1999航空发动机防火安全设计要求》GJ5052《GJB5052-2001舰船柴油机增压器规范》GJ5388《GJB5388-2005装甲车辆柴油机涡轮增压器系列》GJ6227K《GJB6227-2008K装甲车辆柴油机设计准则》H7719《HB7719-2002航空发动机减速器通用规范》H7762《HB7762-2005航空发动机用定向凝固柱晶和单晶高温合金锭规范》H7763《HB7763-2005航空发动机用等轴晶铸造高温合金锭规范》H7781《HB7781-2005航空发动机点火器用贵金属催化网管规范》H7782《HB7782-2005定向凝固叶片中再结晶的检测与评定方法》H7783《HB7783-2005航空涡轮发动机点火系统通用规范》H7806《HB7806-2006发动机数字样机通用要求》WJ1623《WJ1623-2005柴油滤清器试验方法》WJ2663《WJ2663-2005电子束焊活塞顶圈毛坯的超声波检测方法》CB707.1《CB/T707.1-2002船用柴油机喷油泵总成技术条件》CB707.2《CB/T707.2-2002船用柴油机喷油泵出油阀偶件技术条件》CB707.3《CB/T707.3-2002船用柴油机喷油泵柱塞偶件技术条件》CB709.1《CB/T709.1-2004船用柴油机喷油器总成技术条件》CB709.2《CB/T709.2-2004船用柴油机喷油嘴偶件技术条件》QC33《QC/T33-2006汽车发动机硅油风扇离合器试验方法》QC39《QC/T39-1992汽车、摩托车发动机活塞环检测方法》QC275《QC/T275-2008汽车发动机镶耐磨圈活塞金相检验》QC288《QC/T288.1~2-2001汽车发动机冷却水泵》QC289《QC/T289-2001汽车发动机油泵》QC462《QC/T462-2009汽车发动机工作小时表》QC469《QC/T469-2002汽车发动机气门技术条件》QC471《QC/T471-2006汽车柴油机技术条件》QC481《QC/T481-2005汽车发动机曲轴技术条件》QC515《QC/T515-2000汽车发动机用调温器型式与尺寸》QC526《QC/T526-2013汽车发动机定型试验规程》QC544《QC/T544-2000汽车发动机凸轮轴技术条件》QC553《QC/T553-2008汽车、摩托车发动机铸造铝活塞金相检验》QC691《QC/T691-2011车用天然气单燃料发动机技术条件》QC692《QC/T692-2011汽油/天然气两用燃料发动机技术条件》QC693《QC/T693-2011液化石油气发动机技术条件》QC694《QC/T694-2002柴油/压缩天然气双燃料发动机技术条件》QC731《QC/T731-2005汽车用起动机技术条件》QC736《QC/T736-2005轿车发动机钢带组合油环技术条件》QC737《QC/T737-2005轿车发动机铸铁活塞环技术条件》QC747《QC/T747-2006汽车发动机硅油风扇离合器技术条件》QC748《QC/T748-2006汽车发动机气门气门座强化磨损台架试验方法》QC794《QC/T794-2007内燃机工业滤纸》QC812《QC/T812-2009柴油机曲轴箱油气分离器技术条件和试验方法》QC821《QC/T821-2009汽车用发动机冷却水及润滑油温度传感器》QC822《QC/T822-2009汽车用发动机润滑油压力传感器》Q/HB《Q/HBm95-2001汽车或发动机配套产品质量控制要求》J5079《JB/T5079-2008中小功率内燃机燃油箱技术条件》J5080《JB/T5080-2008内燃机铸铁气门导管技术条件》J5081《JB/T5081-2008中小功率柴油机排气消声器》J5082.1《JB/T5082.1-2008内燃机气缸套第1部分:硼铸铁金相检验》J5082.2《JB/T5082.2-2011内燃机气缸套第2部分:高磷铸铁金相检验》J5082.4《JB/T5082.4-2008内燃机气缸套第4部分:风冷气缸套技术条件》J5082.5《JB/T5082.5-2008内燃机气缸套第5部分:钢质镀铬气缸套技术条件》J5082.7《JB/T5082.7-2011内燃机气缸套第7部分:平台珩磨网纹技术规范及检测方法》J5083《JB/T5083-2005内燃机干式铸铁气缸套技术条件》J5084《JB/T5084-2007内燃机曲轴止推垫圈技术条件》J5085《JB/T5085-2010柴油机水冷却器技术条件》J5086《JB/T5086.1~2-1999内燃机水封》J5088.1《JB/T5088.1-2008内燃机旋装式机油滤清器第1部分:技术条件》J5088.2《JB/T5088.2-2008内燃机旋装式机油滤清器第2部分:试验方法》J5089.1《JB/T5089.1-2010内燃机纸质滤芯机油滤清器第1部分:总成技术条件》J5089.2《JB/T5089.2-2010内燃机纸质滤芯机油滤清器第2部分:滤芯技术条件》J5089.3《JB/T5089.3-2010内燃机纸质滤芯机油滤清器第3部分:试验方法》J5135.1《JB/T5135.1-2013通用小型汽油机第1部分:技术条件》J5135.2《JB/T5135.2-2013通用小型汽油机第2部分:台架性能试验方法》J5135.3《JB/T5135.3-2013通用小型汽油机第3部分:可靠性、耐久性试验与评定方法》J5140.1《JB/T5140.1-1999磁电机技术条件》J5173《JB/T5173-2005喷油器总成安装方式及连接尺寸》J5174《JB/T5174-2005喷油嘴偶件型式及连接尺寸》J5175《JB/T5175-2006柴油机喷油泵、喷油器总成主要零件金相检验》J5176《JB/T5176-2005单柱塞式分配泵总成技术条件》J5241《JB/T5241-2006旋装式柴油滤清器技术条件》J5239.1《JB/T5239.1-2008柴油机柴油滤清器第1部分:纸质滤芯总成技术条件》J5239.2《JB/T5239.2-2008柴油机柴油滤清器第2部分:纸质滤芯技术条件》J5239.4《JB/T5239.4-2011柴油机柴油滤清器第4部分:试验方法》J5784《JB/T5784-1991封闭型电热塞试验方法》J6002《JB/T6002-2007涡轮增压器清洁度限值及测定方法》J6003《JB/T6003-2004内燃机板翅式机油冷却器技术条件》J6003.2《JB/T6003.2-2010内燃机机油冷却器第2部分:管壳式机油冷却器技术条件》J6003.3《JB/T6003.3-2008内燃机机油冷却器第3部分:传热性能试验方法》J6004《JB/T6004-2007内燃机油浴及油浸式空气滤清器总成技术条件》J6007《JB/T6007-2007内燃机油浴及油浸式空气滤清器滤芯技术条件》J6008《JB/T6008-2008内燃机空气、柴油、机油滤清器型号编制规则》J6009《JB/T6009-2011小功率柴油机水箱技术条件》J6012《JB/T6012-2005内燃机进、排气门技术条件》J6012.2《JB/T6012.2-2008内燃机进、排气门第2部分:金相检验》J6012.3《JB/T6012.3-2008内燃机进、排气门第3部分:磁粉探伤》J6012.4《JB/T6012.4-2008内燃机进、排气门第4部分:摩擦焊气门超声波探伤》J6013《JB/T6013-2000柴油机低压金属油管组件技术条件》J6014《JB/T6014-2000柴油机高压油管组件技术条件》J6015《JB/T6015-2000柴油机低压输油胶管组件技术条件》J6016.1《JB/T6016.1-2008内燃机活塞环金相检验第1部分:单体铸造活塞环》J6016.3《JB/T6016.3-2008内燃机活塞环金相检验第3部分:球墨铸铁活塞环》J6016.4《JB/T6016.4-2008内燃机活塞环金相检验第4部分:中高合金铸铁活塞环》J6016.5《JB/T6016.5-2011内燃机活塞环金相检验第5部分:硼铸铁单体铸造活塞环》J6019《JB/T6019-2006分流离心式机油滤清器技术条件》J6019.2《JB/T6019.2-2011内燃机离心式机油滤清器第2部分:试验方法》J6289《JB/T6289-2005内燃机铸造铝活塞金相检验》J6290《JB/T6290-2007内燃机筒体铸造活塞环金相检验》J6292《JB/T6292-2006活塞式输油泵安装型式及连接尺寸》J6293《JB/T6293-2006柴油机喷油器试验手压式喷油器校验器》J6295《JB/T6295-2005柱塞式喷油泵安装型式及连接尺寸》J6665《JB/T6665-2007轻小型柴油机-泵直联机组》J6697《JB/T6697-2006机动车及内燃机电气设备基本技术条件》J6698《JB/T6698-2007机动车及内燃机用永磁发电机安装尺寸》J6700《JB/T6700-2007机动车及内燃机用交流发电机安装尺寸》J6706《JB/T6706-2006机动车及内燃机用起动机电磁开关技术条件》J6707《JB/T6707-2006机动车及内燃机用起动机技术条件》J6708《JB/T6708-2007机动车及内燃机用起动机换向器技术条件》J6709《JB/T6709-2006机动车及内燃机用交流发电机电子式电压调节器技术条件》J6710《JB/T6710-2006机动车及内燃机用交流发电机技术条件》J6711《JB/T6711-2007机动车及内燃机用永磁发电机型号编制规则》J6719《JB/T6719-1993内燃机进、排气门磁粉探伤》J6721.2《JB/T6721.2-2007内燃机连杆第2部分:磁粉探伤》J6722《JB/T6722-1993内燃机连杆磁粉探伤》J6723.1《JB/T6723.1-2008内燃机冷却风扇第1部分:金属冷却风扇技术条件》J6723.2《JB/T6723.2-2008内燃机冷却风扇第2部分:塑料冷却风扇技术条件》J6723.3《JB/T6723.3-2008内燃机冷却风扇第3部分:冷凝式内燃机冷却风扇技术条件》J6723.4《JB/T6723.4-2008内燃机冷却风扇第4部分:冷凝式内燃机冷却风扇试验方法》J6727《JB/T6727-2000内燃机曲轴技术条件》J6728.1《JB/T6728.1-2008内燃机凸轮轴第1部分:技术条件》J6728.2《JB/T6728.2-2008内燃机凸轮轴第2部分:楔横轧毛坯》J6729《JB/T6729-2007内燃机曲轴、凸轮轴磁粉探伤》J7173.1《JB/T7173.1-2004柴油机喷油泵柱塞偶件技术条件》J7173.2《JB/T7173.2-2004柴油机喷油泵柱塞偶件性能试验方法》J7174.1《JB/T7174.1-2004柴油机喷油泵出油阀偶件技术条件》J7174.2《JB/T7174.2-2004柴油机喷油泵出油阀偶件性能试验方法》J7292.1《JB/T7292.1-2007内燃机衬套连杆衬套技术条件》J7292.2《JB/T7292.2-2007内燃机衬套凸轮轴衬套技术条件》J7292.3《JB/T7292.3-2007内燃机衬套摇臂衬套技术条件》J7293《JB/T7293-2007内燃机主轴承盖螺栓与螺母技术条件》J7293.2《JB/T7293.2-2010内燃机螺栓与螺母第2部分:连杆螺栓技术条件》J7293.4《JB/T7293.4-2010内燃机螺栓与螺母第4部分:连杆螺栓磁粉检测》J7293.8《JB/T7293.8-2010内燃机螺栓与螺母第8部分:连杆螺母技术条件》J7294《JB/T7294-2008内燃机气门推杆技术条件》J7296《JB/T7296-2004柴油机喷油嘴偶件技术条件》J7297《JB/T7297-2004柴油机喷油嘴偶件性能试验方法》J7298《JB/T7298-2006出油阀偶件主要尺寸和安装尺寸》J7299《JB/T7299-2006柱塞偶件主要尺寸和安装尺寸》J7661《JB/T7661-2004柴油机油泵油嘴产品清洁度限值及测定方法》J7761.1《JB/T7761.1-2004柴油机喷油泵供油角度自动提前器技术条件》J7761.2《JB/T7761.2-2004柴油机喷油泵供油角度自动提前器性能试验方法》J7762《JB/T7762-2007内燃机气缸盖垫片技术条件》J7763.1《JB/T7763.1-1995内燃机起动液及装置技术条件》J7763.2《JB/T7763.2-1995内燃机起动液及装置试验方法》J8118《JB/T8118-1997内燃机活塞销技术条件》J8118.2《JB/T8118.2-2011内燃机活塞销第2部分:金相检验》J8118.3《JB/T8118.3-2011内燃机活塞销第3部分:磁粉检测》J8120.1《JB/T8120.1-2000压燃式发动机:单壁冷拉无缝钢管技术条件》J8120.2《JB/T8120.2-2000压燃式发动机:复合式钢管技术条件》J8121《JB/T8121-2011柴油机喷油泵试验台用高压油管组件》J8123《JB/T8123.1~2-1999磁电机用点火器》J8126.1《JB/T8126.1-2010内燃机冷却水泵第1部分:总成技术条件》J8126.2《JB/T8126.2-2010内燃机冷却水泵第2部分:总成试验方法》J8126.3《JB/T8126.3-2011内燃机冷却水泵第3部分:总成台架可靠性考核》J8126.6《JB/T8126.6-2010内燃机冷却水泵第6部分:V带轮技术条件》J8127《JB/T8127-2011内燃机燃油加热器》J8413.1《JB/T8413.1-2010内燃机机油泵第1部分:总成技术条件》J8413.2《JB/T8413.2-2010内燃机机油泵第2部分:总成试验方法》J8413.3《JB/T8413.3-2008内燃机机油泵第3部分:粉末冶金转子技术条件》J8413.5《JB/T8413.5-2008内燃机机油泵第5部分:粉末冶金齿轮技术条件》J8414《JB/T8414-1996内燃机机油泵传动轴端》J8415《JB/T8415-1996内燃机正时齿轮技术条件》J8416《JB/T8416-1996内燃机连杆螺栓技术条件》J8417《JB/T8417-1996内燃机连杆螺丝技术条件》J8577《JB/T8577-2005内燃机水散热器技术条件》J9747《JB/T9747-2005内燃机空气滤清器性能试验方法》J8578《JB/T8578-1997内燃机凸轮轴楔横轧毛坯技术条件》J8579《JB/T8579-2011内燃机进、排气管技术条件》J8580《JB/T8580-1997柴油机用氮化硅电热塞技术条件》J8613《JB/T8613-1997发动机综合测试台技术条件》J8818《JB/T8818-2008柴油机喷油器总成技术条件》J8819《JB/T8819-2008柴油机燃油喷射装置产品型号编制方法》J8837《JB/T8837-2000内燃机连杆螺栓金相检验》J8890《JB/T8890-1999往复式内燃机安全要求》J8891《JB/T8891-1999中小功率柴油机排气污染物排放限值》J8892《JB/T8892-2011内燃机稀土共晶铝硅合金活塞金相检验》J8894《JB/T8894-1999往复式内燃机飞轮离合器用安装尺寸》J8895《JB/T8895-1999中小功率柴油机通用技术条件》J8899《JB/T8899-1999火花塞电极合金线》J9728《JB/T9728-2010分配式喷油泵总成安装及连接尺寸》J9729《JB/T9729-2011柴油机喷油嘴偶件、柱塞偶件、出油阀偶件径部密封值样品技术条件》J9730《JB/T9730-2011柴油机喷油嘴偶件、柱塞偶件、出油阀偶件金相检验》J9731.1《JB/T9731.1-2010柴油机喷油泵凸轮轴第1部分:技术条件》J9731.2《JB/T9731.2-2010柴油机喷油泵凸轮轴第2部分:轴端尺寸》J9732《JB/T9732-1999轴针式标准喷油泵偶件》J9733《JB/T9733-2013标准喷油泵技术条件》J9734《JB/T9734-2011喷油泵试验台技术条件》J9735《JB/T9735-1999喷油泵试验台用标准喷油泵总成技术条件》J9736《JB/T9736-2013喷油嘴偶件、柱塞偶件、出油阀偶件磁粉探伤方法》J9741.1《JB/T9741.1-2011内燃机气门挺柱技术条件第1部分:机械式挺柱》J9742《JB/T9742-1999内燃机灰铸铁气缸盖和机体铸件技术条件》J9743《JB/T9743-1999内燃机连杆螺栓磁粉探伤技术条件》J9744《JB/T9744-2010内燃机零、部件磁粉检测》J9746.1《JB/T9746.1-1999船用齿轮箱技术条件》J9746.2《JB/T9746.2-1999船用齿轮箱灰铸铁件技术条件》J9747《JB/T9747-1999内燃机空气滤清器试验方法》J9749《JB/T9749-1999内燃机铸造铜铅合金轴瓦金相检验》J9750.1《JB/T9750.1-2011内燃机气门摇臂和摇臂轴技术条件第1部分:气门摇臂》J9750.2《JB/T9750.2-2011内燃机气门摇臂和摇臂轴技术条件第2部分:气门摇臂轴》J9751《JB/T9751-1999柴油机液压调速器技术条件》J9752.1《JB/T9752.1-2005涡轮增压器第1部分:一般技术条件》J9752.2《JB/T9752.2-2005涡轮增压器第2部分:试验方法》J9752.3《JB/T9752.3-2004涡轮增压器转子平衡品质及校验方法》J9753.1《JB/T9753.1-2011内燃机气缸盖与机体第1部分:铸铁机体技术条件》J9753.2《JB/T9753.2-2008内燃机气缸盖与机体第2部分:铸铁气缸盖技术条件》J9753.3《JB/T9753.3-2011内燃机气缸盖与机体第3部分:灰铸铁气缸盖和机体铸件技术条件》J9754《JB/T9754-1999内燃机灰铸铁件缺陷补焊技术条件》J9755.1《JB/T9755.1-2011内燃机空气滤清器第1部分:干式空气滤清器总成技术条件》J9756《JB/T9756-2004内燃机空气滤清器纸质滤芯技术条件》J9757《JB/T9757-2011内燃机空气、机油、柴油滤清器纸质滤芯系列尺寸》J9758《JB/T9758-2004气缸套、活塞环快速模拟磨损试验方法》J9759《JB/T9759-1999内燃机发电机组轴系扭转振动的限值及测量方法》J9760《JB/T9760-2011内燃机整圆主轴承技术条件》J9761《JB/T9761-2008内燃机曲轴止推垫片技术条件》J9762《JB/T9762-2011内燃机镶耐磨圈铝活塞技术条件》J9763《JB/T9763-1999内燃机精密电镀减磨层轴瓦检验规范》J9764《JB/T9764-1999内燃机卷制连杆衬套技术条件》J9765.1《JB/T9765.1-1999内燃机气缸盖螺栓技术条件》J9765.2《JB/T9765.2-1999内燃机飞轮螺栓技术条件》J9765.3《JB/T9765.3-1999内燃机气缸盖螺母及飞轮螺母技术条件》J9766《JB/T9766-1999内燃机铸铁气缸盖技术条件》J9767《JB/T9767-1999内燃机钢带组合油环技术条件》J9769.1《JB/T9769.1-2010内燃机铸铁气门座第1部分:技术条件》J9769.2《JB/T9769.2-2010内燃机铸铁气门座第2部分:金相检验》J9770《JB/T9770-1999内燃机机油泵齿轮技术条件》J9773.1《JB/T9773.1-1999内燃机台架试验考核方法》J9773.2《JB/T9773.2-1999柴油机起动性能试验方法》J9774《JB/T9774-2005中小功率内燃机清洁度限值》J9860.1《JB/T9860.1-1999断电器用钨触点技术条件》J9860.1《JB/T9860.1-1999断电器用钨触点技术条件》J9860.2《JB/T9860.2-1999断电器触点用钨杆技术条件》J9864《JB/T9864.1~2-1999磁电机用断电器》J9865《JB/T9865.1~2-1999磁电机用点火线圈》J9870《JB/T9870-1999水力测功器》J10406《JB/T10406-2004内燃机激光淬火气缸套技术条件》J10407《JB/T10407-2004内燃机铝活塞奥氏体铸铁镶圈金相检验》J10408《JB/T10408-2004内燃机换热器可靠性试验方法》J10505《JB/T10505-2005内燃机机油散热器技术条件》J10506《JB/T10506-2005内燃机增压空气冷却器技术条件》J10591《JB/T10591-2007内燃机气门弹簧技术条件》J10628《JB/T10628-2006内燃机活塞环矩形钢环》J10629《JB/T10629-2006燃气机通用技术条件和试验方法》J10630《JB/T10630-2006通用小型柴油机产品修理、更换、退货工作导则》J10715《JB/T10715-2007柴油机喷油泵端面法兰安装尺寸》J10716《JB/T10716-2007柴油机直列式喷油泵平底托架安装尺寸》J10717《JB/T10717-2007柴油机直列式喷油泵弧形底安装尺寸》J10737《JB/T10737-2007内燃机粉末冶金气门座技术条件》J10957《JB/T10957-2010内燃机用快速接头》J11013《JB/T11013-2010通用小型汽油机用密封垫片技术条件》J11014《JB/T11014-2010通用小型汽油机密封性能技术要求与试验方法》J11034《JB/T11034-2010内燃机气门弹簧座技术条件》J11035《JB/T11035-2010内燃机气门锁夹技术条件》J11036《JB/T11036-2010单缸燃气机技术条件和试验方法》J11082《JB/T11082-2011内燃机零部件表面光整加工技术条件》J11083《JB/T11083-2011内燃机用光整机》J11204《JB/T11204-2011内燃机用硅油风扇离合器技术条件》J11207《JB T11207-2011内燃机铸入式铸铁气缸套技术条件》J11208《JB/T11208-2011内燃机铝活塞用内冷油道盐芯技术条件》J11242《JB/T11242-2011汽车发动机冷却水泵用机械密封》J11411《JB/T11411-2013柴油机电动式输油泵技术条件》J11412《JB/T11412-2013柴油机电控分配泵总成技术条件》J11413《JB/T11413-2013柴油机喷油泵滚轮挺柱部件技术条件》J11414《JB/T11414-2013合成式喷油泵总成可靠性考核评定方法、台架试验方法、故障分类及判定规则》J11415《JB/T11415-2013分列式喷油泵总成可靠性考核评定方法、台架试验方法、故障分类及判定规则》J11416《JB/T11416-2013喷油器总成可靠性考核评定方法、试验方法、故障分类及判定规则》J11323《JB/T11323-2013中小功率柴油机可靠性评定方法》J11480《JB/T11480-2013电涡流测功器》J11481《JB/T11481-2013电力测功器》J11651《JB/T11651-2013通用小型汽油机铝连杆技术条件》。
为了便于内燃机的生产管理和使用,国家标准(GB725-82)《内燃机产品名称和型号编制规则》中对内燃机的名称和型号作了统一规定。
1. 内燃机的名称和型号内燃机名称均按所使用的主要燃料命名,例如汽油机、柴油机、煤气机等。
内燃机型号由阿拉伯数字和汉语拼音字母组成。
内燃机型号由以下四部分组成:首部:为产品系列符号和换代标志符号,由制造厂根据需要自选相应字母表示,但需主管部门核准。
中部:由缸数符号、冲程符号、气缸排列形式符号和缸径符号等组成。
后部:结构特征和用途特征符号,以字母表示。
尾部:区分符号。
同一系列产品因改进等原因需要区分时,由制造厂选用适当符号表示。
2. 内燃机型号的排列顺序及符号所代表的意义内燃机型号的排列顺序及符号所代表的意义规定如下:数字中第一位为发动机缸数,1为1缸,2为2缸,以此类推第二位以后位发动机缸径,单位为毫米,108为108毫米3. 型号编制举例(1) 汽油机1E65F:表示单缸,二行程,缸径65mm,风冷通用型4100Q:表示四缸,四行程,缸径100mm,水冷车用4100Q-4:表示四缸,四行程,缸径100mm,水冷车用,第四种变型产品CA6102:表示六缸,四行程,缸径102mm,水冷通用型,CA表示系列符号8V100:表示八缸,四行程、缸径100mm,V型,水冷通用型TJ376Q:表示三缸,四行程,缸径76mm,水冷车用,TJ表示系列符号CA488:表示四缸,四行程,缸径88mm,水冷通用型,CA表示系列符号(2) 柴油机195:表示单缸,四行程,缸径95mm,水冷通用型165F:表示单缸,四行程,缸径65mm,风冷通用型495Q:表示四缸,四行程,缸径95mm,水冷车用6135Q:表示六缸,四行程,缸径135mm,水冷车用X4105:表示四缸,四行程,缸径105mm,水冷通用型,X表示系列代号残阳渐逝,血红冲天。
半是夕阳余光,半是狰狞血雨。
是的,血,到处都是冷腥的鲜血。