钢筋混凝土防护门、防护密闭门、密闭门安装分项工程质量验收记录表
- 格式:doc
- 大小:43.50 KB
- 文档页数:4
钢筋混凝土防护门、防护密闭门、密闭门安装分项工程质量验收记录表工程名称 结构类型剪力墙部 位 人防墙板 施工单位 项目经理 项目技术负责人分包单位-分包单位 -分包项目经理-负责人保项目质量情况证 1防护门、防护密闭门、密闭(屏蔽)门的型号、规格、抗压 门的型号、规格、抗压强度符合设计 项 强度必须符合设计要求和人防工程防护设备产品质量检 要求和人防工程防护设备产品质目验标准的规定量检验标准的规定2 门扇上下铰页受力均匀,门扇与门框贴合严密,门扇关闭 门扇与门框贴合严密,不漏气后密闭胶条压缩量均匀,严密不漏气3 密封条接头粘结牢固、平整粘结牢固、平整 4 门扇能自由开到终止位置能自由开到终止位置本1 2345678910项目 1启闭√√ 0√ √ 0√优良2零部件 0 0 0 √ 0 0√ 0合格允项 目允许偏差实测偏差值(mm )许(mm ) 12 3 4 5 6 7 89 10 偏 1 门 L ≤2000211.52112311差扇项 2与 2000<L ≤30002.511.4 1.5 3211.2 111.1目3门 3000<L≤50003框4贴 L >50004合检 保证项目 检查 4 项,符合设计要求和施工规范 查 基本项目检查 2 项,其中优良 1 项,优良率 50%结 允许偏差项目 实测 20 点,其中合格 18 点,合格率 90%果检 合 格验 查 收 结 结 论论专业技术负责人:监理工程师:2005 年 月 日2005 年 月 日注:L为门孔长边尺寸(mm)。
( ☞☺) 国家人防质监站监制防护门、防护密闭门、密闭门门框墙制作分项工程质量验收记录表%%( ☞☺)国家人防质监站监制防护门、防护密闭门、密闭门门框墙制作分项工程质量验收记录表☞☺) 国家人防质监站监制防护门、防护密闭门、密闭门门框墙制作分项工程质量验收记录表☞☺)国家人防质监站监制防护门、防护密闭门、密闭门门框墙制作分项工程质量验收记录表☞☺) 国家人防质监站监制防护门、防护密闭门、密闭门门框墙制作分项工程质量验收记录表%☞☺) 国家人防质监站监制防护门、防护密闭门、密闭门门框墙制作分项工程质量验收记录表%☞☺)国家人防质监站监制防护门、防护密闭门、密闭门门框墙制作分项工程质量验收记录表☞☺) 国家人防质监站监制防护门、防护密闭门、密闭门门框墙制作分项工程质量验收记录表%☞☺) 国家人防质监站监制防护门、防护密闭门、密闭门门框墙制作分项工程质量验收记录表☞☺)国家人防质监站监制防护门、防护密闭门、密闭门门框墙制作分项工程质量验收记录表☞☺) 国家人防质监站监制防护门、防护密闭门、密闭门门框墙制作分项工程质量验收记录表☞☺) 国家人防质监站监制防护门、防护密闭门、密闭门门框墙制作分项工程质量验收记录表%☞☺)国家人防质监站监制防护门、防护密闭门、密闭门门框墙制作分项工程质量验收记录表☞☺) 国家人防质监站监制防护门、防护密闭门、密闭门门框墙制作分项工程质量验收记录表☞☺) 国家人防质监站监制防护门、防护密闭门、密闭门门框墙制作分项工程质量验收记录表%☞☺)国家人防质监站监制防护门、防护密闭门、密闭门门框墙制作分项工程质量验收记录表☞☺) 国家人防质监站监制防护门、防护密闭门、密闭门门框墙制作分项工程质量验收记录表☞☺) 国家人防质监站监制防护门、防护密闭门、密闭门门框墙制作分项工程质量验收记录表☞☺) 国家人防质监站监制防护门、防护密闭门、密闭门门框墙制作分项工程质量验收记录表☞☺) 国家人防质监站监制防护门、防护密闭门、密闭门门框墙制作分项工程质量验收记录表☞☺) 国家人防质监站监制防护门、防护密闭门、密闭门门框墙制作分项工程质量验收记录表☞☺) 国家人防质监站监制防护门、防护密闭门、密闭门门框墙制作分项工程质量验收记录表%☞☺)国家人防质监站监制防护门、防护密闭门、密闭门门框墙制作分项工程质量验收记录表☞☺) 国家人防质监站监制防护门、防护密闭门、密闭门门框墙制作分项工程质量验收记录表%☞☺) 国家人防质监站监制防护门、防护密闭门、密闭门门框墙制作分项工程质量验收记录表☞☺) 国家人防质监站监制防护门、防护密闭门、密闭门门框墙制作分项工程质量验收记录表%%☞☺)国家人防质监站监制防护门、防护密闭门、密闭门门框墙制作分项工程质量验收记录表☞☺)国家人防质监站监制防护门、防护密闭门、密闭门门框墙制作分项工程质量验收记录表%☞☺)国家人防质监站监制防护门、防护密闭门、密闭门门框墙制作分项工程质量验收记录表☞☺) 国家人防质监站监制防护门、防护密闭门、密闭门门框墙制作分项工程质量验收记录表%%☞☺)国家人防质监站监制防护门、防护密闭门、密闭门门框墙制作分项工程质量验收记录表。
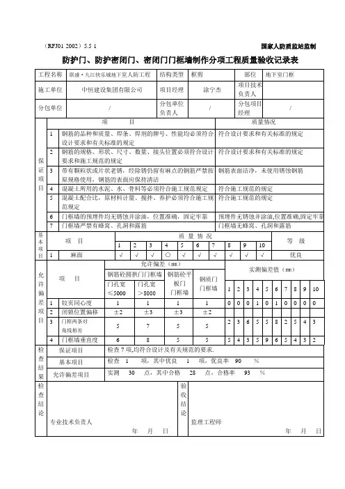
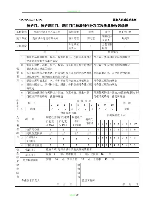
(RFJ01-2002)5.5-1 国家人防质监站监制防护门、防护密闭门、密闭门门框墙制作分项工程质量验收记录表(RFJ01-2002)5.5-1 国家人防质监站监制防护门、防护密闭门、密闭门门框墙制作分项工程质量验收记录表RFJ01-2002)5.5-1 国家人防质监站监制防护门、防护密闭门、密闭门门框墙制作分项工程质量验收记录表RFJ01-2002)5.5-1 国家人防质监站监制防护门、防护密闭门、密闭门门框墙制作分项工程质量验收记录表RFJ01-2002)5.5-1 国家人防质监站监制防护门、防护密闭门、密闭门门框墙制作分项工程质量验收记录表RFJ01-2002)5.5-1 国家人防质监站监制防护门、防护密闭门、密闭门门框墙制作分项工程质量验收记录表RFJ01-2002)5.5-1 国家人防质监站监制防护门、防护密闭门、密闭门门框墙制作分项工程质量验收记录表RFJ01-2002)5.5-1 国家人防质监站监制防护门、防护密闭门、密闭门门框墙制作分项工程质量验收记录表RFJ01-2002)5.5-1国家人防质监站监制防护门、防护密闭门、密闭门门框墙制作分项工程质量验收记录表RFJ01-2002)5.5-1 国家人防质监站监制防护门、防护密闭门、密闭门门框墙制作分项工程质量验收记录表RFJ01-2002)5.5-1 国家人防质监站监制防护门、防护密闭门、密闭门门框墙制作分项工程质量验收记录表RFJ01-2002)5.5-1 国家人防质监站监制防护门、防护密闭门、密闭门门框墙制作分项工程质量验收记录表RFJ01-2002)5.5-1 国家人防质监站监制防护门、防护密闭门、密闭门门框墙制作分项工程质量验收记录表RFJ01-2002)5.5-1 国家人防质监站监制防护门、防护密闭门、密闭门门框墙制作分项工程质量验收记录表RFJ01-2002)5.5-1 国家人防质监站监制防护门、防护密闭门、密闭门门框墙制作分项工程质量验收记录表RFJ01-2002)5.5-1 国家人防质监站监制防护门、防护密闭门、密闭门门框墙制作分项工程质量验收记录表1032 RFJ01-2002)5.5-1 国家人防质监站监制防护门、防护密闭门、密闭门门框墙制作分项工程质量验收记录表RFJ01-2002)5.5-1 国家人防质监站监制防护门、防护密闭门、密闭门门框墙制作分项工程质量验收记录表RFJ01-2002)5.5-1 国家人防质监站监制防护门、防护密闭门、密闭门门框墙制作分项工程质量验收记录表RFJ01-2002)5.5-1 国家人防质监站监制防护门、防护密闭门、密闭门门框墙制作分项工程质量验收记录表RFJ01-2002)5.5-1国家人防质监站监制防护门、防护密闭门、密闭门门框墙制作分项工程质量验收记录表RFJ01-2002)5.5-1 国家人防质监站监制防护门、防护密闭门、密闭门门框墙制作分项工程质量验收记录表RFJ01-2002)5.5-1 国家人防质监站监制防护门、防护密闭门、密闭门门框墙制作分项工程质量验收记录表RFJ01-2002)5.5-1 国家人防质监站监制防护门、防护密闭门、密闭门门框墙制作分项工程质量验收记录表RFJ01-2002)5.5-1 国家人防质监站监制防护门、防护密闭门、密闭门门框墙制作分项工程质量验收记录表RFJ01-2002)5.5-1 国家人防质监站监制防护门、防护密闭门、密闭门门框墙制作分项工程质量验收记录表RFJ01-2002)5.5-1 国家人防质监站监制防护门、防护密闭门、密闭门门框墙制作分项工程质量验收记录表RFJ01-2002)5.5-1国家人防质监站监制防护门、防护密闭门、密闭门门框墙制作分项工程质量验收记录表RFJ01-2002)5.5-1 国家人防质监站监制防护门、防护密闭门、密闭门门框墙制作分项工程质量验收记录表RFJ01-2002)5.5-1 国家人防质监站监制防护门、防护密闭门、密闭门门框墙制作分项工程质量验收记录表RFJ01-2002)5.5-1 国家人防质监站监制防护门、防护密闭门、密闭门门框墙制作分项工程质量验收记录表RFJ01-2002)5.5-1 国家人防质监站监制防护门、防护密闭门、密闭门门框墙制作分项工程质量验收记录表RFJ01-2002)5.5-1国家人防质监站监制防护门、防护密闭门、密闭门门框墙制作分项工程质量验收记录表RFJ01-2002)5.5-1 国家人防质监站监制防护门、防护密闭门、密闭门门框墙制作分项工程质量验收记录表RFJ01-2002)5.5-1 国家人防质监站监制防护门、防护密闭门、密闭门门框墙制作分项工程质量验收记录表RFJ01-2002)5.5-1 国家人防质监站监制防护门、防护密闭门、密闭门门框墙制作分项工程质量验收记录表。
防护门、防护密闭门、密闭门门框墙制作分项工程质量验收记录表防护门、防护密闭门、密闭门门框墙制作分项工程质量验收记录表防护门、防护密闭门、密闭门门框墙制作分项工程质量验收记录表3防护门、防护密闭门、密闭门门框墙制作分项工程质量验收记录表防护门、防护密闭门、密闭门门框墙制作分项工程质量验收记录表5防护门、防护密闭门、密闭门门框墙制作分项工程质量验收记录表防护门、防护密闭门、密闭门门框墙制作分项工程质量验收记录表7防护门、防护密闭门、密闭门门框墙制作分项工程质量验收记录表防护门、防护密闭门、密闭门门框墙制作分项工程质量验收记录表9防护门、防护密闭门、密闭门门框墙制作分项工程质量验收记录表防护门、防护密闭门、密闭门门框墙制作分项工程质量验收记录表11防护门、防护密闭门、密闭门门框墙制作分项工程质量验收记录表防护门、防护密闭门、密闭门门框墙制作分项工程质量验收记录表13防护门、防护密闭门、密闭门门框墙制作分项工程质量验收记录表防护门、防护密闭门、密闭门门框墙制作分项工程质量验收记录表15防护门、防护密闭门、密闭门门框墙制作分项工程质量验收记录表防护门、防护密闭门、密闭门门框墙制作分项工程质量验收记录表17防护门、防护密闭门、密闭门门框墙制作分项工程质量验收记录表防护门、防护密闭门、密闭门门框墙制作分项工程质量验收记录表19防护门、防护密闭门、密闭门门框墙制作分项工程质量验收记录表防护门、防护密闭门、密闭门门框墙制作分项工程质量验收记录表21防护门、防护密闭门、密闭门门框墙制作分项工程质量验收记录表防护门、防护密闭门、密闭门门框墙制作分项工程质量验收记录表23防护门、防护密闭门、密闭门门框墙制作分项工程质量验收记录表RFJ01-2002)5.5-1 国家人防质监站监制防护门、防护密闭门、密闭门门框墙制作分项工程质量验收记录表25RFJ01-2002)5.5-1 国家人防质监站监制防护门、防护密闭门、密闭门门框墙制作分项工程质量验收记录表RFJ01-2002)5.5-1 国家人防质监站监制防护门、防护密闭门、密闭门门框墙制作分项工程质量验收记录表27RFJ01-2002)5.5-1 国家人防质监站监制防护门、防护密闭门、密闭门门框墙制作分项工程质量验收记录表防护门、防护密闭门、密闭门门框墙制作分项工程质量验收记录表29防护门、防护密闭门、密闭门门框墙制作分项工程质量验收记录表防护门、防护密闭门、密闭门门框墙制作分项工程质量验收记录表31防护门、防护密闭门、密闭门门框墙制作分项工程质量验收记录表防护门、防护密闭门、密闭门门框墙制作分项工程质量验收记录表33防护门、防护密闭门、密闭门门框墙制作分项工程质量验收记录表防护门、防护密闭门、密闭门门框墙制作分项工程质量验收记录表35防护门、防护密闭门、密闭门门框墙制作分项工程质量验收记录表防护门、防护密闭门、密闭门门框墙制作分项工程质量验收记录表37防护门、防护密闭门、密闭门门框墙制作分项工程质量验收记录表防护门、防护密闭门、密闭门门框墙制作分项工程质量验收记录表39防护门、防护密闭门、密闭门门框墙制作分项工程质量验收记录表防护门、防护密闭门、密闭门门框墙制作分项工程质量验收记录表41防护门、防护密闭门、密闭门门框墙制作分项工程质量验收记录表防护门、防护密闭门、密闭门门框墙制作分项工程质量验收记录表43防护门、防护密闭门、密闭门门框墙制作分项工程质量验收记录表防护门、防护密闭门、密闭门门框墙制作分项工程质量验收记录表45防护门、防护密闭门、密闭门门框墙制作分项工程质量验收记录表防护门、防护密闭门、密闭门门框墙制作分项工程质量验收记录表47防护门、防护密闭门、密闭门门框墙制作分项工程质量验收记录表防护门、防护密闭门、密闭门门框墙制作分项工程质量验收记录表49防护门、防护密闭门、密闭门门框墙制作分项工程质量验收记录表。
(RFJ01-2002)5.5-1 国家人防质监站监制防护门、防护密闭门、密闭门门框墙制作分项工程质量验收记录表(RFJ01-2002)5.5-1 国家人防质监站监制防护门、防护密闭门、密闭门门框墙制作分项工程质量验收记录表RFJ01-2002)5.5-1 国家人防质监站监制防护门、防护密闭门、密闭门门框墙制作分项工程质量验收记录表RFJ01-2002)5.5-1 国家人防质监站监制防护门、防护密闭门、密闭门门框墙制作分项工程质量验收记录表RFJ01-2002)5.5-1 国家人防质监站监制防护门、防护密闭门、密闭门门框墙制作分项工程质量验收记录表RFJ01-2002)5.5-1 国家人防质监站监制防护门、防护密闭门、密闭门门框墙制作分项工程质量验收记录表RFJ01-2002)5.5-1 国家人防质监站监制防护门、防护密闭门、密闭门门框墙制作分项工程质量验收记录表RFJ01-2002)5.5-1 国家人防质监站监制防护门、防护密闭门、密闭门门框墙制作分项工程质量验收记录表RFJ01-2002)5.5-1国家人防质监站监制防护门、防护密闭门、密闭门门框墙制作分项工程质量验收记录表RFJ01-2002)5.5-1 国家人防质监站监制防护门、防护密闭门、密闭门门框墙制作分项工程质量验收记录表RFJ01-2002)5.5-1 国家人防质监站监制防护门、防护密闭门、密闭门门框墙制作分项工程质量验收记录表RFJ01-2002)5.5-1 国家人防质监站监制防护门、防护密闭门、密闭门门框墙制作分项工程质量验收记录表RFJ01-2002)5.5-1 国家人防质监站监制防护门、防护密闭门、密闭门门框墙制作分项工程质量验收记录表RFJ01-2002)5.5-1 国家人防质监站监制防护门、防护密闭门、密闭门门框墙制作分项工程质量验收记录表RFJ01-2002)5.5-1 国家人防质监站监制防护门、防护密闭门、密闭门门框墙制作分项工程质量验收记录表RFJ01-2002)5.5-1 国家人防质监站监制防护门、防护密闭门、密闭门门框墙制作分项工程质量验收记录表132 RFJ01-2002)5.5-1 国家人防质监站监制防护门、防护密闭门、密闭门门框墙制作分项工程质量验收记录表RFJ01-2002)5.5-1 国家人防质监站监制防护门、防护密闭门、密闭门门框墙制作分项工程质量验收记录表RFJ01-2002)5.5-1 国家人防质监站监制防护门、防护密闭门、密闭门门框墙制作分项工程质量验收记录表RFJ01-2002)5.5-1 国家人防质监站监制防护门、防护密闭门、密闭门门框墙制作分项工程质量验收记录表RFJ01-2002)5.5-1国家人防质监站监制防护门、防护密闭门、密闭门门框墙制作分项工程质量验收记录表RFJ01-2002)5.5-1 国家人防质监站监制防护门、防护密闭门、密闭门门框墙制作分项工程质量验收记录表RFJ01-2002)5.5-1 国家人防质监站监制防护门、防护密闭门、密闭门门框墙制作分项工程质量验收记录表RFJ01-2002)5.5-1 国家人防质监站监制防护门、防护密闭门、密闭门门框墙制作分项工程质量验收记录表RFJ01-2002)5.5-1 国家人防质监站监制防护门、防护密闭门、密闭门门框墙制作分项工程质量验收记录表RFJ01-2002)5.5-1 国家人防质监站监制防护门、防护密闭门、密闭门门框墙制作分项工程质量验收记录表RFJ01-2002)5.5-1 国家人防质监站监制防护门、防护密闭门、密闭门门框墙制作分项工程质量验收记录表RFJ01-2002)5.5-1国家人防质监站监制防护门、防护密闭门、密闭门门框墙制作分项工程质量验收记录表RFJ01-2002)5.5-1 国家人防质监站监制防护门、防护密闭门、密闭门门框墙制作分项工程质量验收记录表RFJ01-2002)5.5-1 国家人防质监站监制防护门、防护密闭门、密闭门门框墙制作分项工程质量验收记录表RFJ01-2002)5.5-1 国家人防质监站监制防护门、防护密闭门、密闭门门框墙制作分项工程质量验收记录表RFJ01-2002)5.5-1 国家人防质监站监制防护门、防护密闭门、密闭门门框墙制作分项工程质量验收记录表RFJ01-2002)5.5-1国家人防质监站监制防护门、防护密闭门、密闭门门框墙制作分项工程质量验收记录表RFJ01-2002)5.5-1 国家人防质监站监制防护门、防护密闭门、密闭门门框墙制作分项工程质量验收记录表RFJ01-2002)5.5-1 国家人防质监站监制防护门、防护密闭门、密闭门门框墙制作分项工程质量验收记录表RFJ01-2002)5.5-1 国家人防质监站监制防护门、防护密闭门、密闭门门框墙制作分项工程质量验收记录表。
防护门、防护密闭门、密闭门门框墙制作分项工程质量验收记录表防护门、防护密闭门、密闭门门框墙制作分项工程质量验收记录表防护门、防护密闭门、密闭门门框墙制作分项工程质量验收记录表防护门、防护密闭门、密闭门门框墙制作分项工程质量验收记录表防护门、防护密闭门、密闭门门框墙制作分项工程质量验收记录表防护门、防护密闭门、密闭门门框墙制作分项工程质量验收记录表防护门、防护密闭门、密闭门门框墙制作分项工程质量验收记录表防护门、防护密闭门、密闭门门框墙制作分项工程质量验收记录表防护门、防护密闭门、密闭门门框墙制作分项工程质量验收记录表防护门、防护密闭门、密闭门门框墙制作分项工程质量验收记录表防护门、防护密闭门、密闭门门框墙制作分项工程质量验收记录表防护门、防护密闭门、密闭门门框墙制作分项工程质量验收记录表防护门、防护密闭门、密闭门门框墙制作分项工程质量验收记录表防护门、防护密闭门、密闭门门框墙制作分项工程质量验收记录表防护门、防护密闭门、密闭门门框墙制作分项工程质量验收记录表防护门、防护密闭门、密闭门门框墙制作分项工程质量验收记录表防护门、防护密闭门、密闭门门框墙制作分项工程质量验收记录表防护门、防护密闭门、密闭门门框墙制作分项工程质量验收记录表防护门、防护密闭门、密闭门门框墙制作分项工程质量验收记录表防护门、防护密闭门、密闭门门框墙制作分项工程质量验收记录表防护门、防护密闭门、密闭门门框墙制作分项工程质量验收记录表防护门、防护密闭门、密闭门门框墙制作分项工程质量验收记录表防护门、防护密闭门、密闭门门框墙制作分项工程质量验收记录表防护门、防护密闭门、密闭门门框墙制作分项工程质量验收记录表RFJ01-2002)5.5-1 国家人防质监站监制防护门、防护密闭门、密闭门门框墙制作分项工程质量验收记录表RFJ01-2002)5.5-1 国家人防质监站监制防护门、防护密闭门、密闭门门框墙制作分项工程质量验收记录表RFJ01-2002)5.5-1 国家人防质监站监制防护门、防护密闭门、密闭门门框墙制作分项工程质量验收记录表RFJ01-2002)5.5-1 国家人防质监站监制防护门、防护密闭门、密闭门门框墙制作分项工程质量验收记录表防护门、防护密闭门、密闭门门框墙制作分项工程质量验收记录表防护门、防护密闭门、密闭门门框墙制作分项工程质量验收记录表防护门、防护密闭门、密闭门门框墙制作分项工程质量验收记录表防护门、防护密闭门、密闭门门框墙制作分项工程质量验收记录表防护门、防护密闭门、密闭门门框墙制作分项工程质量验收记录表防护门、防护密闭门、密闭门门框墙制作分项工程质量验收记录表防护门、防护密闭门、密闭门门框墙制作分项工程质量验收记录表防护门、防护密闭门、密闭门门框墙制作分项工程质量验收记录表防护门、防护密闭门、密闭门门框墙制作分项工程质量验收记录表防护门、防护密闭门、密闭门门框墙制作分项工程质量验收记录表防护门、防护密闭门、密闭门门框墙制作分项工程质量验收记录表防护门、防护密闭门、密闭门门框墙制作分项工程质量验收记录表防护门、防护密闭门、密闭门门框墙制作分项工程质量验收记录表防护门、防护密闭门、密闭门门框墙制作分项工程质量验收记录表防护门、防护密闭门、密闭门门框墙制作分项工程质量验收记录表防护门、防护密闭门、密闭门门框墙制作分项工程质量验收记录表防护门、防护密闭门、密闭门门框墙制作分项工程质量验收记录表防护门、防护密闭门、密闭门门框墙制作分项工程质量验收记录表防护门、防护密闭门、密闭门门框墙制作分项工程质量验收记录表防护门、防护密闭门、密闭门门框墙制作分项工程质量验收记录表防护门、防护密闭门、密闭门门框墙制作分项工程质量验收记录表防护门、防护密闭门、密闭门门框墙制作分项工程质量验收记录表。
(RFJ01-2002)5.5-1 国家人防质监站监制防护门、防护密闭门、密闭门门框墙制作分项工程质量验收记录表(RFJ01-2002)5.5-1 国家人防质监站监制防护门、防护密闭门、密闭门门框墙制作分项工程质量验收记录表RFJ01-2002)5.5-1 国家人防质监站监制防护门、防护密闭门、密闭门门框墙制作分项工程质量验收记录表RFJ01-2002)5.5-1 国家人防质监站监制防护门、防护密闭门、密闭门门框墙制作分项工程质量验收记录表RFJ01-2002)5.5-1 国家人防质监站监制防护门、防护密闭门、密闭门门框墙制作分项工程质量验收记录表RFJ01-2002)5.5-1 国家人防质监站监制防护门、防护密闭门、密闭门门框墙制作分项工程质量验收记录表RFJ01-2002)5.5-1 国家人防质监站监制防护门、防护密闭门、密闭门门框墙制作分项工程质量验收记录表RFJ01-2002)5.5-1 国家人防质监站监制防护门、防护密闭门、密闭门门框墙制作分项工程质量验收记录表RFJ01-2002)5.5-1 国家人防质监站监制防护门、防护密闭门、密闭门门框墙制作分项工程质量验收记录表RFJ01-2002)5.5-1 国家人防质监站监制防护门、防护密闭门、密闭门门框墙制作分项工程质量验收记录表RFJ01-2002)5.5-1 国家人防质监站监制防护门、防护密闭门、密闭门门框墙制作分项工程质量验收记录表RFJ01-2002)5.5-1 国家人防质监站监制防护门、防护密闭门、密闭门门框墙制作分项工程质量验收记录表RFJ01-2002)5.5-1 国家人防质监站监制防护门、防护密闭门、密闭门门框墙制作分项工程质量验收记录表RFJ01-2002)5.5-1 国家人防质监站监制防护门、防护密闭门、密闭门门框墙制作分项工程质量验收记录表RFJ01-2002)5.5-1 国家人防质监站监制防护门、防护密闭门、密闭门门框墙制作分项工程质量验收记录表RFJ01-2002)5.5-1 国家人防质监站监制防护门、防护密闭门、密闭门门框墙制作分项工程质量验收记录表RFJ01-2002)5.5-1 国家人防质监站监制防护门、防护密闭门、密闭门门框墙制作分项工程质量验收记录表RFJ01-2002)5.5-1 国家人防质监站监制防护门、防护密闭门、密闭门门框墙制作分项工程质量验收记录表RFJ01-2002)5.5-1 国家人防质监站监制防护门、防护密闭门、密闭门门框墙制作分项工程质量验收记录表RFJ01-2002)5.5-1 国家人防质监站监制防护门、防护密闭门、密闭门门框墙制作分项工程质量验收记录表RFJ01-2002)5.5-1 国家人防质监站监制防护门、防护密闭门、密闭门门框墙制作分项工程质量验收记录表RFJ01-2002)5.5-1 国家人防质监站监制防护门、防护密闭门、密闭门门框墙制作分项工程质量验收记录表RFJ01-2002)5.5-1 国家人防质监站监制防护门、防护密闭门、密闭门门框墙制作分项工程质量验收记录表RFJ01-2002)5.5-1 国家人防质监站监制防护门、防护密闭门、密闭门门框墙制作分项工程质量验收记录表RFJ01-2002)5.5-1国家人防质监站监制防护门、防护密闭门、密闭门门框墙制作分项工程质量验收记录表RFJ01-2002)5.5-1 国家人防质监站监制防护门、防护密闭门、密闭门门框墙制作分项工程质量验收记录表RFJ01-2002)5.5-1 国家人防质监站监制防护门、防护密闭门、密闭门门框墙制作分项工程质量验收记录表RFJ01-2002)5.5-1 国家人防质监站监制防护门、防护密闭门、密闭门门框墙制作分项工程质量验收记录表RFJ01-2002)5.5-1 国家人防质监站监制防护门、防护密闭门、密闭门门框墙制作分项工程质量验收记录表RFJ01-2002)5.5-1 国家人防质监站监制防护门、防护密闭门、密闭门门框墙制作分项工程质量验收记录表RFJ01-2002)5.5-1 国家人防质监站监制防护门、防护密闭门、密闭门门框墙制作分项工程质量验收记录表RFJ01-2002)5.5-1 国家人防质监站监制防护门、防护密闭门、密闭门门框墙制作分项工程质量验收记录表RFJ01-2002)5.5-1 国家人防质监站监制防护门、防护密闭门、密闭门门框墙制作分项工程质量验收记录表。
钢筋混凝土防护门、防护密闭门、密闭门安装分项工程质量验收记录表ZL3.4
注:L为门孔长边尺寸(mm)
说明
本表适用于钢筋混凝土防护门、防护密闭门、密闭门的安装工程。
检查数量:逐扇检查。
保证项目:
检验方法:1项检查出厂合格证或实验报告,对照设计图纸检查。
2项观察检查和用密闭检测仪或灯光检查。
3、4项观察检查。
基本项目:
记录代号:优良√,合格Ο,不合格×。
1.启闭
合格:门扇启闭比较灵活,闭锁活动比较灵敏,门扇外表面标有闭锁开、关方向。
优良:门扇启闭灵活,闭锁活动灵敏,门扇外表面标有闭锁开、关方向。
检验方法:观察和用手扳动检查。
2.零部件
合格:零部件齐全,不锈蚀,无损坏。
优良:在合格基础上,涂油均匀,防锈层完好。
检验方法:观察检查。
允许偏差项目:
检验方法:1、2、3、4项用靠尺和楔形塞尺检查。
封面
档号
编制单位
编制部门
密级
保管期限
共 1 卷第 1 卷。
(RFJ01-2002)5.5-1 国家人防质监站监制防护门、防护密闭门、密闭门门框墙制作分项工程质量验收记录表(RFJ01-2002)5.5-1 国家人防质监站监制防护门、防护密闭门、密闭门门框墙制作分项工程质量验收记录表RFJ01-2002)5.5-1 国家人防质监站监制防护门、防护密闭门、密闭门门框墙制作分项工程质量验收记录表RFJ01-2002)5.5-1 国家人防质监站监制防护门、防护密闭门、密闭门门框墙制作分项工程质量验收记录表RFJ01-2002)5.5-1 国家人防质监站监制防护门、防护密闭门、密闭门门框墙制作分项工程质量验收记录表RFJ01-2002)5.5-1 国家人防质监站监制防护门、防护密闭门、密闭门门框墙制作分项工程质量验收记录表RFJ01-2002)5.5-1 国家人防质监站监制防护门、防护密闭门、密闭门门框墙制作分项工程质量验收记录表RFJ01-2002)5.5-1 国家人防质监站监制防护门、防护密闭门、密闭门门框墙制作分项工程质量验收记录表RFJ01-2002)5.5-1 国家人防质监站监制防护门、防护密闭门、密闭门门框墙制作分项工程质量验收记录表RFJ01-2002)5.5-1 国家人防质监站监制防护门、防护密闭门、密闭门门框墙制作分项工程质量验收记录表RFJ01-2002)5.5-1 国家人防质监站监制防护门、防护密闭门、密闭门门框墙制作分项工程质量验收记录表RFJ01-2002)5.5-1 国家人防质监站监制防护门、防护密闭门、密闭门门框墙制作分项工程质量验收记录表RFJ01-2002)5.5-1 国家人防质监站监制防护门、防护密闭门、密闭门门框墙制作分项工程质量验收记录表RFJ01-2002)5.5-1 国家人防质监站监制防护门、防护密闭门、密闭门门框墙制作分项工程质量验收记录表RFJ01-2002)5.5-1 国家人防质监站监制防护门、防护密闭门、密闭门门框墙制作分项工程质量验收记录表RFJ01-2002)5.5-1 国家人防质监站监制防护门、防护密闭门、密闭门门框墙制作分项工程质量验收记录表RFJ01-2002)5.5-1 国家人防质监站监制防护门、防护密闭门、密闭门门框墙制作分项工程质量验收记录表RFJ01-2002)5.5-1 国家人防质监站监制防护门、防护密闭门、密闭门门框墙制作分项工程质量验收记录表RFJ01-2002)5.5-1 国家人防质监站监制防护门、防护密闭门、密闭门门框墙制作分项工程质量验收记录表RFJ01-2002)5.5-1 国家人防质监站监制防护门、防护密闭门、密闭门门框墙制作分项工程质量验收记录表RFJ01-2002)5.5-1 国家人防质监站监制防护门、防护密闭门、密闭门门框墙制作分项工程质量验收记录表RFJ01-2002)5.5-1 国家人防质监站监制防护门、防护密闭门、密闭门门框墙制作分项工程质量验收记录表RFJ01-2002)5.5-1 国家人防质监站监制防护门、防护密闭门、密闭门门框墙制作分项工程质量验收记录表RFJ01-2002)5.5-1 国家人防质监站监制防护门、防护密闭门、密闭门门框墙制作分项工程质量验收记录表RFJ01-2002)5.5-1 国家人防质监站监制防护门、防护密闭门、密闭门门框墙制作分项工程质量验收记录表RFJ01-2002)5.5-1 国家人防质监站监制防护门、防护密闭门、密闭门门框墙制作分项工程质量验收记录表RFJ01-2002)5.5-1 国家人防质监站监制防护门、防护密闭门、密闭门门框墙制作分项工程质量验收记录表RFJ01-2002)5.5-1 国家人防质监站监制防护门、防护密闭门、密闭门门框墙制作分项工程质量验收记录表RFJ01-2002)5.5-1 国家人防质监站监制防护门、防护密闭门、密闭门门框墙制作分项工程质量验收记录表RFJ01-2002)5.5-1 国家人防质监站监制防护门、防护密闭门、密闭门门框墙制作分项工程质量验收记录表RFJ01-2002)5.5-1 国家人防质监站监制防护门、防护密闭门、密闭门门框墙制作分项工程质量验收记录表。
钢筋混凝土防护门、防护密闭门、密闭门安装分项工程质量验收记录表ZL3.4
注:L为门孔长边尺寸(mm)
说明
本表适用于钢筋混凝土防护门、防护密闭门、密闭门的安装工程。
检查数量:逐扇检查。
保证项目:
检验方法:1项检查出厂合格证或实验报告,对照设计图纸检查。
2项观察检查和用密闭检测仪或灯光检查。
3、4项观察检查。
基本项目:
记录代号:优良√,合格Ο,不合格×。
1.启闭
合格:门扇启闭比较灵活,闭锁活动比较灵敏,门扇外表面标有闭锁开、关方向。
优良:门扇启闭灵活,闭锁活动灵敏,门扇外表面标有闭锁开、关方向。
检验方法:观察和用手扳动检查。
2.零部件
合格:零部件齐全,不锈蚀,无损坏。
优良:在合格基础上,涂油均匀,防锈层完好。
检验方法:观察检查。
允许偏差项目:
检验方法:1、2、3、4项用靠尺和楔形塞尺检查。
封面
档号
编制单位
编制部门
密级
保管期限
共 1 卷第 1 卷。