NL30阻旋料位开关说明书
- 格式:pdf
- 大小:249.97 KB
- 文档页数:4
华农机械HUANONGSJBY30TMR车使用说明-目录前言 (3)一.机械部分1.技术性能参数 (4)2.结构说明 (4)3.使用和操作 (5)4.维护保养 (5)5. 易损件、外购件 (6)6. 附图 (8)二.液压部分1. 技术规格 (9)2.总体尺寸 (10)3.安装 (10)4.使用 (10)5.具体操作方法 (11)6.维护与保养 (12)7.液压系统主要零部件 (13)8. 易损件明细 (13)三.出厂清单 (13)前言为适应养殖场现代化需求,我公司吸取国外先进技术,研发了SJBY30TMR车,集取各种粗饲料和精饲料以及饲料添加剂,以合理的顺序,投放在TMR车箱体内,通过搅轮和刀片对饲料切碎、揉搓、软化、搓细,经过充分的混合后,获得增加营养指标的全混合日粮。
SJBY30TMR车利用汽车上配备的发动机做动力,采用液压驱动。
便于机械饲喂,提高劳动生产率,降低管理成本,并实现规模化专业化的生产方式,减少饲料浪费,提高饲养科技含量,更利于奶牛场的防疫,降低疾病的发生率。
SJBY30TMR车配备了电子称重系统,计量准确,显示清晰,操作简单。
搅拌好的饲料运送到饲喂场并能发放均匀。
计独特的立式螺旋搅拌系统。
叶片上拥有高强度刀片,能使饲料以更快的速度和最佳的均匀度得以搅拌,以便使您达到最佳的饲喂效果。
独特的结构设计只需较低的动力输出。
泌乳高峰期的奶牛采食高能量浓度的TMR日粮,可以在保证不降低乳脂率的情况下,维持奶牛健康体况,有利于提高奶牛受胎率及繁殖率。
采用TMR后,饲养工不需要将精料、粗料和其他饲料分道发放,只要将料送到即可;采用TMR后管理轻松,降低管理成本。
二、技术参数:2、结构说明SJBY30TMR车主要由汽车底盘、箱体、螺旋搅轮系统、液压驱动系统、称重系统等组成。
2.1箱体箱体系钢制焊接斗型容器,四周板面为向外微凸形(防止板面变形),顶部为开口形式,内周边用耐磨板加强,箱体前后两侧为出料口,配有液压出料门。
接近开关使用说明书感谢您对广东东崎电气有限公司产品的信赖,当您使用我公司产品时请务必参阅本说明,以免因操作失误而造成不必要的损失。
例:TKI-12N4C表示直插式插头连接型,直流电感式接近开关,外形为M12圆柱型,NPN常开,动作距离为4mm,最大输出电流为200mA.二、距离的设定※开关的动作距离请设定在80%检测距离(Sn)内,以免开关工作受温度、电压等影响。
※当检测其它金属时,开关有不同的动作距离。
(图1)※当开关用作测量动作频率或其它高速场合,请将开关的动作距离设定在1/2检测距离(Sn),开关在此位置可获得最大的动作频率。
※电容式接近开关的动作距离设定,请参阅电容式接近开关的使用说明。
(见五)不锈钢铬镍铜铝二、接线图PNP(直流型)三、串联及并联NPN(直流型)直流二线型检测距离交流二线型(图1)电源电源交流串联交流并联若电源电压为220V,且串联数在3个以内,可使用上图的接法,否则请按下图方法通过继电器进行串联。
并联的开关A和B,若检测体接近开关A,开关A动作,负载电流流过开关A,开关A(B)两端电压降为10V,若此时检测体再接近开关B,因开关两端的电压为10V,开关B会因电压不足而不动作,只有当关闭开关A,使A(B)两端的电压升高至使用电压,开关B才动作,开关A关闭与开关B动作的时间间隔约为10mS,因而当需要多个接近开关并联时应注意开关相互之间的影响,一般请按下图通过继电器进行并联。
电源AC 电源※直流电源必须使用绝缘变压器,请勿使用自耦变压器;※电力线、动力线通过开关引线附近时,为防止开关误动作和损坏,请使用金属配管线。
四、注意事项※交流型开关,若电源电压为110V时,串联必须经过继电器使用;※交流型开关必须经过负载接电源,若直接将开关接电源会损坏开关。
电源AC 电源×错误接法√正确接法※接近开关的引线长度请在200米以下,以免电压降过大。
五、电容式接近开关的使用说明※电容式接近开关不仅能检测金属,而且能检测塑料、玻璃、水、油等物质,因各种检测体的导电率和介电常数、吸水率、体积的不同 故相应检测距离也不同,对于接地的金属可获得最大的检测距离。
作为测量仪表,阻旋料位开关的工作原理决定了它的结构特点。
阻旋料位开关的适用范围极其广泛是它的最大特点之一,除此之外,还有性价比高等特点。
阻旋料位开关是指对容器中固体物料高度的变化进行实时检测的仪表,它广泛应用于水泥、医药、饲料、食品、冶金、轻工、建材、环保等行业,实现对料位上下限报警和控制。
计为Spin-11阻旋料位开关采用全新的结构设计,与目前国内同类产品相比较,具有结构合理、性能可靠、性价比高、使用维护方便等诸多优点,是替代进口产品的首选。
由于不同的工业生产过程具有不同的特点,相应地,各种不同型号的阻旋料位开关产品的结构设计和制作工艺也各异。
具体来说,阻旋料位开关的结构设计主要有以下特点和作用:1、针对不同的物料,计为自动化开发有不同结构的阻旋料位开关,为用户提供个性化的测量方案(如结构图一)。
对阻旋料位开关的铝合金外壳、工作电压、最高可达400℃的工作温度、最高可达10bra的压力、不同的连接方式和叶片的几何形状进行个性化的选择,能够满足包括较高要求在内的各种复杂应用场合。
计为阻旋料位开关所有型号的产品均进行了标准化、精细化、功能化的设计,使得计为阻旋料位开关的产品和服务能够满足不断变化的用户需求。
2、双轴承设计,运行平稳,使用寿命更长。
3、抗震性及防松结构设计,有效避免了零部件松动及脱落,采用了优质不锈钢材料,使阻旋料位开关的抗腐蚀性及耐磨性更为优良。
4、采用了精密的机械式检测结构,微型灵敏减速同步进口电机及可靠的微动开关,保证了产品具有较高的灵敏度和可靠性。
5、机械装置与电路实行真正的分离,检测维护方便,在不用拆装检测结构的情况下即可进行维护和更换,设计更为人性化。
6、整机设计了离合器的过载保护装置,有效避免了叶片受过分外力而损坏电机,同时自动保护装置可以使料位器在料仓有料、叶片旋转受阻时,断电不工作,保护电机且有效延长电机的使用寿命,并不受物料形状、比重、介质、粘附性、温度、粉尘浓度等变化的影响。
音叉式物位开关说明书一 外型尺寸图二 操作说明将叉体插入物料10mm 左右,然后长按SET 键,这时红绿灯会来回的切换,直到红灯连续切换2次以上,立即松开SET 键,这时红灯会连续闪烁,然后点按下SET 键后,红绿灯会交替闪烁后,两个灯会同时亮;然后将叉体移开物料,绿灯亮红灯灭(NO 端和COM 端断开,NC 端和COM 端接通),再将叉体放入物料中两个灯同时亮(NO 端和COM 端接通,NC 端和COM 端断开);这时就调整好了。
(注意出厂已经设定好了,客户无需再次设定,除非故障)三 特别说明:1. 此智慧型音叉的自检功能,一方面是为了克服叉体安装于桶壁后出现 吸振现象,另一方面是为了防止杂讯干扰,避免误动作。
2. 产品的出厂设定值是以水的密度(1g/cm ³),作为状态切换的基准,当待测物的密度小于1g/cm ³时,则需要重新自检。
3. 灵敏度出厂设置为最高,适用于待测物料比较稳定的场所。
如果待测物料表面的波动较大,则需要将灵敏度调低,以防止发生误报警的情况。
4. 音叉在安装时,请尽量避开有明显振动的位置,以防止音叉误动作,如 无法避免,请在安装位置处重新自检,或恢复出厂设置。
用生料带密封 用扳手拧紧 匀用手拧四 技术参数供电电压 20…60V DC 20…250VDC 50/60Hz开关时间 当被介质覆盖时约2秒,当无介质时约3秒 环境温度 -40...+70℃ 储藏温度 -40...+85℃ 介质温度 -40 (150)操作压力 -1…+40bar被测物料 粉末和颗粒=10mm ,密度>0.1g/cm 液体,黏度=10000mm2/s,密度>0.7g/cm ³ 连接方式 G1-1/2〞G1〞 电气接口M12×P1.0连接器外壳材质ABS 铝合金叉体材质 Fork material不锈钢S304/不锈钢S316输出方式 Output继电器输出,负数AC250V/4A,DC60V/4A集电极开路(NPN )输出,负数400mA集电极开路(PNP )输出,负数400mA功耗直流供电时3W Max 交流供电时15W Max五 存储槽安装尺寸、实例及注意事项1. 安装时,可将开关以水平向下呈15-20度之夹角安装,以减少物料的冲击和挂料现象的发生。
具有最高安全性,带光学窗口和可选自动旋转监测功能应用Soliswitch FTE20阻旋开关用于固体散料限位检测。
其结构紧凑,坚固耐用,是在固体散料应用场合(例如安装在固料料仓中)进行满仓、空仓或加料状态检测的理想选择。
•满仓传感器•空仓传感器•限位传感器优势•操作安全•自动旋转监测(可选)•光学窗口旋转监测•防爆认证(Ex)ATEX II 1/2DFM DIP/ II, III/1/E-G•在操作过程中亦可设置开关阈值•坚固耐用的塑料外壳,盖板上带玻璃窗口•无需拆卸仪表,通过以下方式即可进行故障检测:•观察测量杆旋转,设备安装后即可见•可以测试开关功能•安装简单:•螺纹盖外壳•预置电缆入口•直推式双层接线端子•固定螺帽•无需使用其他工具,开关随固料重量自动调节•外壳可以360 °旋转,确保后续安装时能调节至最佳安装方位Products Solutions Services技术资料Soliswitch FTE20阻旋限位开关,用于颗粒状固料限位检测TI01047F/28/ZH/08.22-00715768892022-05-31Soliswitch FTE202Endress+Hauser功能与系统设计测量原理阻旋开关主要用于固料料仓中的满仓或加料状态检测。
用作加料开关时,阻旋开关通常安装在料仓底部,或倾斜安装在料仓锥体部分。
用作满仓开关时,阻旋开关安装在仓顶。
同步电机控制减速齿轮,带动传动轴和叶片旋转。
被散料覆盖时,叶片停止运动,外壳内的旋转电机从休止位置切换至开关位置,导致两个开关触点动作;一个触点用于外部料位标识,另一个触点用于切断电机电源。
料位下降至低于叶片位置后,电机返回休止位置。
两个开关触点再次切换至休止位置,叶片继续旋转。
滑动离合器吸收叶片上与旋转方向相同或相反的间歇性载荷。
盖板关闭时,可以从外部观察传动轴的旋转运动。
可选自动旋转监测功能用于驱动单元的堵塞或故障检测。
测量系统整套阻旋限位开关包括带同步电机和滑动离合器的传动轴(可选带延长缆(可截短)的设备型号),以及单极可切换触点。
阻旋料位开关-全球百科
一、概述
嘉可仪表JK系列阻旋料位开关是利用电机带动叶片旋转,当被测介质上升到叶片位置时,叶片受介质阻挡停止转动,从而通过相关控制机构输出开(通)或关(断)的触点信号反应被测介质的位置高度,并切断电机电源使电机停止转动;当介质下降离开叶片时,在弹簧的作用下,叶片恢复原位继续转动探测介质的位置变化。
嘉可仪表JK系列阻旋式料位开关用于检测固态物料(粉装、颗粒)物位高度的现场控制设备,其独特的密封设计、超强的过载保护能力以及简易的安装方式,使其广泛用于饲料、食品、制药、化工、塑料、建筑、肥料等行业。
二、产品特点
密封性好、过载能力强、轻便易安装、输出触点容量大针对不同比重的物料可通过调整弹簧的拉力来实现
三、技术参数
1、供电电源:220VAC/24VDC;
2、触点容量:250VAC/10A;SPDT(单刀双掷);
3、叶片转速:1RPM(转/分);
4、力矩:1.0kg×cm;
5、功率:3W;
6、物料比重:≥0.5g/cm3;
7、工作温度:-10℃-80℃(最高可达400℃);
8、绝缘电阻:≥100MΩ;
9、介电强度:1500V*1min;
10、防护等级:IP65;
11、叶片材质:SUS304。
四、安装
桶内温度超过80℃时,请选用高温系列产品。
接线盒出线口必须朝下,电缆固定螺母必须锁紧。
连续部位为1"螺纹时,可选用镰刀型叶片,以便接锁入管牙内。
侧面安装时,可将控制器以水平呈15℃—20℃之夹角安装,以减少对物料的冲击。
安装必要时可在阻旋料位开关上方仓壁焊接一块钢板,以减少物料产生的冲击。
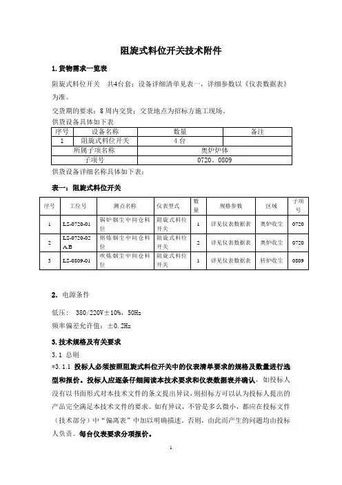
阻旋式料位开关技术附件1.货物需求一览表阻旋式料位开关共4台套;设备详细清单见表一,详细参数以《仪表数据表》为准。
交货期的要求:8周内交货;交货地点为招标方施工现场。
供货设备详细名称具体如下表:表一:阻旋式料位开关2.电源条件低压: 380/220V±10%,50Hz频率偏差允许值:±0.2Hz3.技术规格及有关要求3.1 总则*3.1.1投标人必须按照阻旋式料位开关中的仪表清单要求的规格及数量进行选型和报价。
投标人应逐条仔细阅读本技术要求和仪表数据表并确认,如投标人没有以书面形式对本技术文件的条文提出异议,则招标方可以认为投标人提出的产品完全满足本技术文件的要求。
如有异议,不管是多么微小,都应在投标文件(技术部分)中“偏离表”中加以明确描述。
否则,由此而产生的问题均由投标人负责。
每台仪表要求分项报价。
3.1.2本阻旋式料位开关框架技术招标文件经买卖双方确认修改为技术协议后,作为订货合同的技术附件,与合同正文具有同等的法律效力。
3.1.3投标人所投的产品必须在中国境内有技术服务和维护能力。
投标人有责任免费提供相应的技术服务和工程服务。
*3.1.4如果最终投标技术文件中的条款、技术规格、数字等出现前后不一致或互相矛盾之处,原则上以对招标方有利的条款、技术规格、数字、要求为准。
*3.1.5 本文件与设计院的技术要求相互补充,如果本文件与现行使用的有关标准有明显抵触的条文或与设计院不一致的地方,投标人应按较高的标准执行。
3.1.6投标人对所提供的阻旋式料位开关、附件和附属设备的质量、技术规格、文件图纸资料、技术服务、工程服务、包装运输、开箱检验、安装指导、现场测试、设备运行等各个环节负有完全责任。
投标人在投标技术文件中所提供的产品和配置,应是完整的、无缺项的。
无论何时发现缺项、漏项,投标人都应无偿补足3.1.7本技术文件未提及到的内容,但为了实现阻旋式料位开关功能、技术性能和完整性的目的,而必须配置的附件、软件等,投标人必须向招标方提出建议和说明,并补充所需的附件及相关工作内容,以满足项目要求,如果有遗漏,投标人将无偿提供所需的配件,以满足仪表正常的使用要求。
EWDAR Damped Rotation Level ControllerThere are still more that we can offer to youSincere services to clients:With the increasing competition in the market, instruments that are accurate in measuring and free of maintenance can help to improve the production efficiency of the factories. EWDAR level control system is such a product that can substantially improve the product quality and work efficiency of your company. We are always available to supply standard products or provide tailor-made products in response to your requirement for various application of EWDAR level measuring products in such industries as power, cement, engineering machinery, casting, chemical and food processing etc. In addition to the excellent measuring technology, EWDAR will always provide high-quality services to all clients.1、Applications and characteristics:EWDAR series damped rotation level control system has wide applications in the modern industry production process and warehousing sector for level monitoring or control of the powder and grain substances in the open type vessels. With full new design concept introduced in the product and many years of successful experiences, EWDAR series damped rotation level control system features extreme low failure and unanimous positive comments from the clients of all walks of life. EWDAR series damped rotation type level control system features advanced technology, reasonable structure, reliable performance, easy and convenient use and maintenance as well as high cost performance etc; Compared with similar products in the market, EWDAR level control system has the following unique characteristics:1) All major exposed parts and components use such materials as stainless steel,aluminum alloy or high-grade engineering plastic featuring such outstanding advantages as dust-proof, moisture resistance, corrosion resistance and no pollution to environment. EWDAR may be used in severe working environment in such industries as power, cement, casting, concrete, asphalt mixing equipments, food processing, grain warehousing and industries with high produce of dust etc;2) The output shaft is equipped with overload protection device, which caneffectively avoid damages to the motors and speed reducers due to improper use or abnormal external force;3) In order to make the equipment suitable for different materials with differentspecific gravity and also for purpose of easy installation and adjusting, the equipment is provided sensitive five-gear adjusting device and two installation options as well as many monitoring vane specifications;4) ZXKHB type level control system is equipped with overheat protection device,which can ensure proper and normal working of the level control at temperature of 300℃and below. (This ability is out of reach of some capacitor type, pitchfork type and ultrasonic type level monitors);2、Working principle:The working principle of EWDAR series damped rotation type level controller isdescribed as following: Use of AC micro motor with speed reduction to drive the monitoring vane rotate at slow speed; when the level of the materials rises till the rotation of the vanes is blocked, the testing mechanism will have rotation displacement around the main shaft; this displacement will first put one micro switch in action to send signal that material is fed inside; and then the other micro switch will act to disconnect the power supply to the micro motor to stop the motor; as long as the level in the silo or container remains unchanged, this work status will be always maintained;When the material level decreases till the vanes are tested with no blockage, the testing mechanism will restore to the original state due to pull force of the spring. First one micro switch will act to switch on the power supply to the motor to make the motor run, then the other micro switch will act will send signal that material is in shortage; as long as the rotation of the vanes will not be blocked by the materials, this work status will be always maintained.3、Outline dimensions:1) Outline dimensions ( Figure 1)2) Outline dimensions (Figure 2):4、Main technical specification:5、Type selection of damped rotation type level control system:Thread connectionFlange connectionLength6、Installation guideline:Unit: mmSilo wallTailor-made dimension may be available upon client’s request!。
LF230Actuador rotativo con función de seguridadpara el ajuste de compuertas en serviciostécnicos de edificios• Compuerta de aire de tamaño hastaaprox. 0.8 m²• Par de giro del motor 4 Nm• Tensión nominal AC 230 V• Control Todo-nadaDatos técnicosDatos eléctricos Tensión nominal AC 230 VFrecuencia nominal50/60 HzRango de tensión nominal AC 198...264 VConsumo de energía en funcionamiento 5 WConsumo energía en reposo 3 WConsumo de energía para dimensionado7 VANota de el consumo para dimensionado Imax 150 mA @ 10 msConexión de la alimentación / control Cable 1 m, 2x 0.75 mm²Funcionamiento en paralelo Si (tenga en cuenta los datos defuncionamiento)Datos de funcionamiento Par de giro del motor4 NmPar de giro de la función de seguridad4 NmSentido del movimiento del motor seleccionable según montaje L/RSentido de movimiento de la función deseleccionable según montaje L/RseguridadAccionamiento manual NoÁngulo de giro Máx. 95°Nota de el ángulo de giro Ajustable entre un 37 y un 100% con limitaciónmecánica integradaTiempo de giro del motor75 s / 90°Tiempo de giro con función de seguridad<20 s @ -20...50°C / <60 s @ -30°CNivel de potencia sonora, motor50 dB(A)Interfaz mecánica Accionador del eje, abrazadera universal8...16 mmIndicador de posición MecánicosVida útil Mín. 60 000 posiciones de seguridadDatos de seguridad Clase de protección IEC/EN II, aislamiento reforzadoGrado de protección IEC/EN IP54CEM CE según 2014/30/UEDirectiva de baja tensión CE según 2014/35/UECertificación IEC/EN IEC/EN 60730-1 y IEC/EN 60730-2-14Prueba de higiene De conformidad con VDI 6022 parte 1 / SWKIVA 104-01, limpiable y desinfectable, bajasemisionesTipo de acción Tipo 1.BTensión de resistencia a los impulsos4 kVGrado de polución3LF230Datos de seguridadHumedad ambiente Máx. 95% de RH, sin condensación Temperatura ambiente-30...50°C [-22...122°F]Temperatura de almacenamiento -40...80°C [-40...176°F]Mantenimientosin mantenimiento PesoPeso 1.6 kgDatos técnicos••••••••Notas de seguridadEste dispositivo ha sido diseñado para su uso en sistemas estacionarios de calefacción,ventilación y aire acondicionado y no se debe utilizar fuera del campo específico de aplicación, especialmente en aviones o en cualquier otro tipo de transporte aéreo.Aplicación en exterior: sólo es posible en el caso de que el dispositivo no esté expuestodirectamente a agua (de mar), nieve, hielo, radiación solar o gases nocivos y que se asegure que las condiciones ambientales se mantienen en todo momento dentro de los umbrales de acuerdo con la ficha de datos.Precaución: alimentaciónSólo especialistas autorizados deben realizar la instalación. Durante la instalación, deberán cumplirse todas las regulaciones de instalación legales o institucionales que correspondan.El dispositivo sólo se puede abrir en el centro del fabricante. No contiene piezas que el usuario pueda reemplazar o reparar.No se deben retirar los cables del dispositivo.Para calcular el par de giro necesario, deberán respetarse las especificaciones facilitadas por el fabricante de la compuerta en lo relativo a la sección transversal, el diseño, el lugar de instalación y las condiciones de ventilación.El dispositivo contiene componentes eléctricos y electrónicos y no se puede desechar con los residuos domésticos. Deben tenerse en cuenta todas las normas y requerimientos locales vigentes.Modo de funcionamientoMontaje directo y sencillo Ángulo de giro ajustable Alta fiabilidad funcionalCaracterísticas del productoEl actuador mueve la compuerta hasta la posición de funcionamiento al mismo tiempo que tensa el muelle de retorno. Cuando se interrumpe la alimentación, la energía del muelle vuelve a colocar la compuerta en la posición de seguridad.Montaje directo y sencillo en el eje de la compuerta con una abrazadera universal, suministrada con un dispositivo antirrotación para impedir que el actuador gire.Ángulo de giro ajustable mediante topes mecánicos.El actuador se encuentra protegido contra sobrecargas, no necesita ningún contacto limitador y se detiene automáticamente cuando alcanza el final de carrera.AccesoriosAccesorios eléctricosDescripciónModelo Contacto auxiliar 2x SPDTS2A-F Potenciómetro de realimentación 200 ΩP200A-F Potenciómetro de realimentación 1 kΩP1000A-F Accesorios mecánicosDescripciónModelo Extensión del eje 170 mm ø10 mm para eje de la compuerta ø6...16 mm AV6-20Abrazadera reversible, rango de nuez ø16...20 mmK6-1Rótula Adecuado para palanca de transmisión de compuerta KH8 / KH10KG10A Rótula Adecuado para palanca de transmisión de compuerta KH8KG8Palanca de transmisión Ancho de la ranura 8.2 mm, rango de nuez ø10...18 mmKH8LF230DescripciónModelo Palanca para actuador, rango de nuez ø8...16 mm, Anchura de la ranura 8.2 mmKH-LF Limitador de ángulo de giro, con tope final ZDB-LF Adaptador para ejes cuadrados 8x8 mmZF8-LF Kit de montaje para acoplamiento Para montaje planoZG-LF1Kit de montaje para acoplamiento para instalación lateral Ancho de la ranura 6.2 mmZG-LF3Mecanismo antirrotación 180 mm, Multipack 20 uds.Z-ARS180LAccesoriosColores de los hilos:1 = azul 2 = marrónInstalación eléctricaPrecaución: alimentaciónEs posible realizar una conexión en paralelo de otros actuadores. Respete los datos de funcionamiento.Esquema de conexionado AC 230 V, todo-nadaDimensionesLongitud del ejeMin. 84Min. 20Rango de nuez。
阻旋式料位控制器说明书DLW系列阻旋式料位控制器概述:阻旋式料位控制器之叶片是利用传动轴与离合相接,在未接触物料时,马达保持正常运转,当叶片接触物料时,马达会停止转动,同时输出信号测出料位高度或料仓堵塞。
适用于化学塑料,制药,饲料,水泥,粮食,面粉,电力,化工粉料等工矿。
特性:全封闭性,屋外亦可使用。
独特的油封设计可防止粉尘沿轴渗入。
扭力稳定可靠,且扭力大小可以调整。
轻巧,容易安装。
小型开关系列扭力不适用于小料仓检测小比重物料。
叶片承受过重的负荷,马达回转机构会自动打滑。
不必从料仓上整件拆除,即可轻易的检查维修内部组件。
控制原理及接线图当马达转动时,叶片上没有阻力时表示(C.L)线路接线通。
当马达线路被切断且叶片有阻力时表示(C.L)是断路,(C.H)是通。
当叶片上阻力消失,马达重新转动时表示(C.L)线路接通,又重新开始动作。
外形尺寸图阻旋式料位检测器3EXL-I概述:本机适用于化学塑胶、制药、饲料、水泥、粮食、面粉、电力、化工粉料等工矿。
工作原理:阻旋式料位控制器之叶片是利用传动轴与离合相接,在未接触物料时,马达保持正常运转,当叶片接触物料时,马达会停止转动,机构会同时输出一点信号而测出料位高度或料仓堵塞信号。
结构特点:本机选用铝合金铸造,强度高,重量轻,安装简易。
全封闭性,室内室外都可使用。
独特的油封设计可防止粉尘沿轴渗入。
扭力稳定可靠,且扭力大小可调节。
叶片承受过重负荷时,马达回转机构会自动打滑,确保马达不受损坏。
不必从料仓上整件拆除,即可轻易的检查维修内部零组件。
技术参数:电源:220VAC(A型),110VAC(B型),24VAC(C型)50/60Hz;功率:3W接点容量:SPDT 5A/250V(AC)叶片转速:I.R.P.M绝缘电压:AC 1500V*lminufe测量扭矩:0.5-1.0Kg/cm防护等级:IP66/ADC-12环境温度:标准-20? , 60?;高温+720?测量介质:粉状或颗粒物料输出信号:触点输出;常开+常闭扭力调整:扭力弹簧是用来调整转轴的输出扭力,当被测物比重大时可将弹簧扭过调至强档位置,此时叶片的灵敏度较好;反之,被当被测物比重小时可将弹簧调至愈弱位置,此时叶片的灵敏度较较佳。
LF230-SActuador rotativo con función de seguridadpara el ajuste de compuertas en serviciostécnicos de edificios• Compuerta de aire de tamaño hastaaprox. 0.8 m²• Par de giro del motor 4 Nm• Tensión nominal AC 230 V• Control Todo-nada• Con contacto auxiliar integradoDatos técnicosDatos eléctricos Tensión nominal AC 230 VFrecuencia nominal50/60 HzRango de tensión nominal AC 198...264 VConsumo de energía en funcionamiento 5 WConsumo energía en reposo 3 WConsumo de energía para dimensionado7 VANota de el consumo para dimensionado Imax 150 mA @ 10 msContactos auxiliares1x SPDT, 0...100%1 mA...3 A (0.5 A inductivo), DC 5 V...AC 250 VCapacidad de conmutación de los contactosauxiliaresConexión de la alimentación / control Cable 1 m, 2x 0.75 mm²Contactos auxiliares para conexión Cable 1 m, 3x 0.75 mm²Funcionamiento en paralelo Si (tenga en cuenta los datos defuncionamiento)Datos de funcionamiento Par de giro del motor4 NmPar de giro de la función de seguridad4 NmSentido del movimiento del motor seleccionable según montaje L/Rseleccionable según montaje L/RSentido del movimiento de la función deseguridadAccionamiento manual NoÁngulo de giro Máx. 95°Nota de el ángulo de giro Ajustable entre un 37 y un 100% con limitaciónmecánica integradaTiempo de giro del motor75 s / 90°Tiempo de giro con función de seguridad<20 s @ -20...50°C / <60 s @ -30°CNivel de potencia sonora, motor50 dB(A)Interfaz mecánica Accionador del eje, abrazadera universal8...16 mmIndicador de posición MecánicosVida útil Mín. 60 000 posiciones de seguridadDatos de seguridad Clase de protección IEC/EN II, aislamiento reforzadoClase de protección de los contactos auxiliaresII, aislamiento reforzadoIEC/ENGrado de protección IEC/EN IP54CEM CE según 2014/30/UEDirectiva de baja tensión CE según 2014/35/UELF230-SDatos de seguridadCertificación IEC/EN IEC/EN 60730-1 y IEC/EN 60730-2-14Prueba de higieneDe conformidad con VDI 6022 parte 1 / SWKI VA 104-01, limpiable y desinfectable, bajas emisiones Tipo de acciónTipo 1.B Tensión de resistencia a los impulsos 4 kV Tensión de resistencia a los impulsos, contactos auxiliares 4 kV Grado de polución 3Humedad ambiente Máx. 95% de RH, sin condensación Temperatura ambiente-30...50°C [-22...122°F]Temperatura de almacenamiento -40...80°C [-40...176°F]Mantenimientosin mantenimiento PesoPeso 1.7 kgDatos técnicos••••••••Notas de seguridadEste dispositivo ha sido diseñado para su uso en sistemas estacionarios de calefacción, ventilación y aire acondicionado y no se debe utilizar fuera del campo específico de aplicación, especialmente en aviones o en cualquier otro tipo de transporte aéreo.Aplicación en exterior: sólo es posible en el caso de que el dispositivo no esté expuestodirectamente a agua (de mar), nieve, hielo, radiación solar o gases nocivos y que se asegure que las condiciones ambientales se mantienen en todo momento dentro de los umbrales de acuerdo con la ficha de datos.Precaución: alimentaciónSólo especialistas autorizados deben realizar la instalación. Cualquier regulación legal al respecto debe ser tenida en cuenta durante la instalación.El dispositivo sólo se puede abrir en el centro del fabricante. No contiene piezas que el usuario pueda reemplazar o reparar.No se deben retirar los cables del dispositivo.Para calcular el par de giro necesario, deberán respetarse las especificaciones facilitadas por el fabricante de la compuerta en lo relativo a la sección transversal, el diseño, el lugar de instalación y las condiciones de ventilación.El dispositivo contiene componentes eléctricos y electrónicos y no se puede desechar con los residuos domésticos. Deben tenerse en cuenta todas las normas y requerimientos locales vigentes.Características del productoModo de funcionamientoEl actuador mueve la compuerta hasta la posición de funcionamiento al mismo tiempo que tensa el muelle de retorno. Cuando se interrumpe la alimentación, la energía del muelle vuelve a colocar la compuerta en la posición de seguridad.Montaje directo y sencillo Montaje directo y sencillo en el eje de la compuerta con una abrazadera universal, suministrada con un dispositivo antirrotación para impedir que el actuador gire.Ángulo de giro ajustable Ángulo de giro ajustable mediante topes mecánicos.Alta fiabilidad funcional El actuador se encuentra protegido contra sobrecargas, no necesita ningún contacto limitador y se detiene automáticamente cuando alcanza el final de carrera.Señalización flexibleCon contacto auxiliar ajustable (de 0...100%)Accesorios eléctricos Descripción Modelo Contacto auxiliar 2x SPDT S2A-FPotenciómetro de realimentación 1 kΩP1000A-F Accesorios mecánicos Descripción Modelo Extensión del eje 170 mm ø10 mm para eje de la compuerta ø6...16 mm AV6-20Abrazadera reversible, rango de nuez ø16...20 mm K6-1Rótula Adecuado para palanca de transmisión de compuerta KH8 / KH10KG10ARótula Adecuado para palanca de transmisión de compuerta KH8KG8 Palanca de transmisión Ancho de la ranura 8.2 mm, rango de nuezø10...18 mmKH8Palanca para actuador, rango de nuez ø8...16 mm, Anchura de la ranura8.2 mmKH-LF Limitador de ángulo de giro, con tope final ZDB-LF Adaptador para ejes cuadrados 8x8 mm ZF8-LF Kit de montaje para acoplamiento Para montaje plano ZG-LF1Kit de montaje para acoplamiento para instalación lateral Ancho de la ranura 6.2 mm ZG-LF3Mecanismo antirrotación 180 mm, Multipack 20 uds.Z-ARS180LColores de los hilos:1 = azul2 = marrónS1 = violetaS2 = rojoS3 = blancoInstalación eléctricaPrecaución: alimentaciónEs posible realizar una conexión en paralelo de otros actuadores. Respete los datos defuncionamiento.Esquema de conexionadoAC 230 V, todo-nadaContacto auxiliarLongitud del ejeMin. 84Min. 20 Rango de nuez。
Eaton Filtration, LLC44 Apple Street, Tinton Falls, NJ 07724 Phone: 732-212-4700 Fax: 952-906-3706 E-Mail:******************** Web: /filtration Operating Instructions Model 30R Simplex Basket StrainersIOM 30R 01/061 Read all instructions before installation or operation of equipment. Failure to comply with these instructions could result in bodily injury and/or property damage. Installation Each strainer is shipped completely assembled and ready for installation. Note that the “Inlet ” must be correctly oriented during service. Although all Eaton Strainers are 100% hydrostatically tested at the fac-tory, it is recommended that you inspect all strainer closures prior to putting the strainer into service. Check that all hardware is secure and that the gaskets and/or o-rings seal properly. Operation Be sure the cover and drain are tightly closed. Open the valve on the outlet side of the strainer. Slowly open the valve on the inlet side of the strainer (to prevent damage from water hammer). The strainer is now in service. Basket Cleaning Close the valve on the inlet and outlet side of the strainer and open the drain. To remove the basket from the strainer, loosen the cover clamp T-bolt and remove the cover from the top of the strainer. The basket handle will protrude slightly out of the strainer well. (This unique design offers both a means of removing the basket easily and also allows the basket to be firmly seated around the machined seating surface when closed.) Remove the basket from the well by pulling straight up on the basket handle. Clean the basket by using a brush or by soaking in a solvent or cleaning solution. Avoid striking baskets to loosen their contents. This will dent them out of shape and eventually break the welds. Baskets should be cleaned as soon as possible after removal from the strainer. Otherwise, the contents may harden and become difficult to remove. It is recommended that one spare basket be kept on hand at all times. When changing baskets for cleaning, we suggest that the spare or cleaned basket be installed in the strainer so your start up is not delayed cleaning the used basket. Install the basket in the strainer. Be sure the cover O-ring is on the cover. The basket should be prop-erly centered in the well and firmly seated. Replace the cover. The cover should be centered before the T-bolt is tightened. Tighten only until a seal is made between the cover and the strainer body. The O-ring should be periodically inspected for nicks and tears. A spare O-ring should also be kept on hand. Check the O-ring seating surface, it should be kept free of dirt and grit. The strainer is now ready to be put back in operation. Follow the steps listed above under “Operation”Recommended Spare Parts 1 Eaton Replacement Screen and 1 Eaton Replacement Gasket or O-Ring. Always use genuine Eaton replacement parts for guaranteed fit and performance. When ordering parts specify all nameplate data as well as the description and quantity of the parts. Visit our web site /filtration for more information about Eaton Strainers.44 Apple Street, Tinton Falls NJ 07724 Tel: 732-212-4700 Fax: 952-906-3706E-Mail:***********************:/filtration ©Copyright 2013 Eaton Filtration, All rights reserved. 2Eaton Filtration, LLC Eaton provides the most complete range of standard cast pipeline strainers for coarse filtration available from any manufacturer. These in-clude Simplex, Duplex and Y Type Strainers, in Iron, Bronze, Carbon and Stainless Steel. For ultra-pure applications, strainers of all plastic construction are available. Cast Pipeline Strainers range in size from 1/2” to 36” and larger. When a cast strainer won’t meet the applications requirements because of size, weight or design Eaton offers standard fabricated strainers to meet exact customer requirements. without any trade-offs. When a standard de-sign fabricated strainer will not meet an application’s requirements Eaton’s design team can work with custom-ers to create a unique one that will.Eaton also offers Automatic Self-Cleaning strainers. These are motor-ized strainers designed for the con-tinuous removal of entrained solids from liquids in pipeline systems. The strainer operates un-attended and the system flow never has to be shut down for strainer element cleaning. These strainers are available in both cast and fabricated types. Find out more on the web at: /filtration Eaton’s Gas/Liquid Separators have been the “Industry Standard” for over 100 years. Nobody knows more about gas/liquid separation than us. Eaton Gas/Liquid Separators are used to remove 99% of damage causing moisture and particulate matter from air, gas and steam pipe-lines. They protect valuable system components like air compressors and turbines from damage. Eaton has a wide selection with hun-dreds of different Gas/Liquid Separa-tors. When a standard model isn’t right for an application, Eaton Engi-neers can work with customers to create a custom fabricated model that fits the application requirements exactly. Find out more on the web at: /filtrationWith Eaton Filter Housings you have your choice of high grade investment cast construction or engineered fabri-cated construction in stainless steel or carbon steel. Or, for extremely corrosive or ultra-pure services, you can choose all-plastic construction. You can be sure Eaton Filter Hous-ings will meet specifications because they are all made to ISO 9001:2000 Standards. Eaton has representa-tives in over 40 countries, experi-enced professionals to provide the filtration help you need, when and where you need it. Choosing the correct filter bag is criti-cal to the success of you application. Don’t trust anything less than a filter bag from Eaton. They’re made under ISO 9001:2000 Standards to ensure the consistent, reliable performance that you demand. Eaton Filter Bags fit all Eaton Filter Housings and the housings of most other manufactur-ers as well. Find out more on the web at: /filtration Eaton Filtration warranties its products against defective material and workmanship only. Eaton assumes no responsibility for damage or injury resulting from improper installation, abuse, or misapplication of any product. Eaton assumes no responsibility for damage or injury resulting from chemical incompatibility between its products and the process fluids to which they are subjected. The end user should always test to deter-mine application suitability. Contact your Eaton Representative for complete warranty information.。