高压试验专业标准化作业指导书讲解
- 格式:docx
- 大小:848.28 KB
- 文档页数:110
高压测试作业指导书高压测试作业指导书(第一部分)目录一、前言二、测试目的三、测试范围四、测试方法五、测试步骤六、测试结果分析七、测试结论八、测试注意事项九、测试安全措施十、测试设备和工具十一、测试记录十二、测试报告格式十三、常见问题及解答十四、测试人员职责十五、测试时间安排十六、测试改进措施十七、附件一、前言欢迎使用本测试作业指导书,本指导书为高压测试作业提供详细的步骤和注意事项,旨在帮助测试人员进行高压测试,确保测试的安全、准确和有效。
二、测试目的高压测试主要用于验证电气设备能否在承受额定电压下正常工作,以检测设备的耐电压能力和绝缘性能。
测试目的包括:1. 确定电气设备在额定电压下是否能正常工作;2. 检测设备的绝缘性能,判断绝缘是否合格;3. 发现潜在缺陷,及时采取措施进行修复或更换;4. 提高设备可靠性和安全性。
三、测试范围高压测试适用于各类电气设备,包括但不限于变压器、电动机、开关设备、电力电缆等。
测试范围根据不同设备的要求和标准进行确定。
四、测试方法根据设备的特点和测试要求,高压测试可以采用以下几种方法之一:1. 直流高压测试:指定测试电压,连接带有限流装置的高压电源,将电压施加在设备上的特定部位,观察其工作状态和绝缘情况。
2. 交流高压测试:指定测试电压、频率和工作时间,连接高压电源和设备,将交流电压施加在设备上,观察其工作状态和绝缘情况。
五、测试步骤1. 准备工作:清理测试区域,检查测试设备和工具是否完好,确认测试电源和限流装置的连接是否正确。
2. 连接设备:根据设备接线图,正确连接测试设备和高压电源。
确保接线牢固可靠,避免短路、漏电等情况发生。
3. 调试设备:根据设备的工作要求,将设备调至测试状态,确保电气设备处于正常工作状态。
4. 施加电压:根据测试目的和测试要求,选择合适的电压和工作时间,将电压施加在设备上。
同时,观察设备的工作状态和绝缘情况,记录相关数据。
5. 结束测试:根据测试结果,判断设备是否合格。
高压试验作业指导书高压试验作业指导书一、作业目的帮助学生理解高压试验的概念、方法和设备,掌握高压试验的操作流程和注意事项。
二、作业内容1. 阅读课本关于高压试验的章节,了解高压试验的基本原理和设备。
2. 了解高压试验时需注意的安全事项,如电气设备投入运行前的各项准备工作、操作时的安全防护措施、高压设备的日常维护保养等。
3. 熟悉高压试验仪器的使用方法和操作流程,了解高压试验仪器的种类及其特点,包括交流绝缘电阻测试仪、直流绝缘电阻测试仪、需要增加电容的电气设备介电损耗测试仪等。
4. 独立完成一次高压试验的实验,包括选择测试仪器、准备测试设备、设置测试参数、操作测试仪器、记录测试结果等,同时记录测试时其它注意事项。
5. 组织学生归纳总结高压试验的基本原理、设备和操作流程,提出自己的见解和经验。
三、作业要求1. 认真阅读课本中关于高压试验的内容,准确理解高压试验的基本原理和设备。
2. 关注高压试验时的安全和注意事项,确保自己和他人的安全。
3. 认真实施一次高压试验,熟悉测试仪器的使用方法和操作流程,积累实践经验。
4. 在实验过程中认真记录测试参数和测试结果,注意及时处理测试数据,并记录下测试过程中需要注意的细节和事项。
5. 在实验结束后,及时汇总分析实验数据,并结合自己的经验和理解,归纳总结高压试验的基本原理、设备和操作流程,提出自己的见解和建议。
四、注意事项1. 高压试验涉及到高电压和高电流,操作前必须了解和掌握使用高压试验仪器的基本方法和要点,严格按照操作流程和安全规定,确保自己和他人的人身安全。
2. 在实验前,对测试设备进行全面检查和准备,确保电气设备和高压试验仪器的正常运行,并做好必要的防护措施。
3. 在测试过程中,注意调整测试仪器的测试参数,选择合适的测试方法和测试电压,获取准确的测试数据。
4. 在实验结束后,及时汇总分析实验数据,并对实验流程、测试方法和测试结果进行总结和评价。
5. 操作高压试验设备时要保持集中注意力,避免出现疏漏或错误操作。
220KV变压器高压试验作业指导书
编写:年月日审核:年月日批准:年月日作业负责人:
作业时间:年月日分至年月日分
小浪底水力发电厂发电维护分厂
1 试验前准备
1.1 准备工作安排
1.2 作业人员要求和到位人员监督1.
2.1 人员要求
1.2.2 到位人员监督项目
1.3 工器具、仪器
1.4 危险点分析及防范措施
1.5 安全注意事项
1.6 人员分工:
1.7召开班前会
2 现场试验准备阶段
3、现场试验阶段
4 现场结束阶段
4.1 试验工作结束阶段
4.2试验数据分析
4.2.1 变压器铭牌标识
4.2.2 变压器试验记录表格
5 召开班后会
6 作业指导书执行情况评估
小浪底水力发电厂一次室
2010年月日。
变压器高压试验标准作业指导书一、引言变压器高压试验是对变压器的绝缘性能进行检测的重要环节,用于验证变压器的安全可靠性。
本标准作业指导书旨在规范变压器高压试验的操作流程和要求,确保测试结果的准确性和可靠性。
二、术语和定义1. 变压器:将电能从一电压等级传输到另一电压等级的电气设备。
2. 高压试验:对变压器进行额定电压以上的电气测试。
3. 绝缘电阻:指变压器绝缘部分的电阻值。
4. 绝缘电阻测试仪器:用于测量变压器绝缘电阻的设备。
三、设备和材料1. 变压器高压试验仪器:包括高压发生器、绝缘电阻测试仪器等。
2. 绝缘测试电源:提供高压试验所需的电源。
3. 安全防护设备:包括绝缘手套、绝缘靴、绝缘帽等。
四、测试前准备1. 检查变压器:确保变压器外观无损坏,绝缘部分无渗漏现象。
2. 检查测试仪器:确认测试仪器工作正常,校准日期有效。
3. 准备电源:连接绝缘测试电源,确保电源电压稳定。
4. 安装安全防护设备:佩戴绝缘手套、绝缘靴、绝缘帽等。
五、测试操作流程1. 连接测试仪器:将高压试验仪器与变压器绝缘部分连接,确保连接牢固。
2. 设置测试参数:根据变压器的额定电压和绝缘电阻要求,设置测试仪器的电压和时间参数。
3. 开始测试:启动测试仪器,开始进行高压试验。
4. 监测测试过程:在测试过程中,实时监测测试仪器的显示数值,确保测试过程正常进行。
5. 记录测试结果:记录测试仪器显示的绝缘电阻数值,并记录测试时间。
6. 停止测试:测试时间到达设定值后,停止测试仪器的工作。
7. 断开连接:断开测试仪器与变压器的连接,确保安全。
8. 处理测试结果:根据测试结果判断变压器的绝缘性能是否合格。
六、测试注意事项1. 安全第一:在进行高压试验时,必须佩戴好安全防护设备,确保人身安全。
2. 严格按照操作流程进行:按照标准的操作流程进行测试,确保测试结果准确可靠。
3. 注意测试环境:测试环境应保持干燥、无尘、无其他电气干扰。
4. 防止过压过流:测试时要根据变压器的额定电压设置合适的测试电压,避免过压过流。
高压测试作业指导书1. 简介高压测试是指对电气设备和电力系统的绝缘性能进行测试的一种方法。
通过高压测试可以检测设备或系统中的绝缘故障,并确定其绝缘性能是否符合要求。
本文档将为您提供高压测试作业的指导,包括测试前准备、测试方法、测试注意事项等内容。
2. 测试前准备2.1 设备检查在进行高压测试之前,必须检查测试设备和测试样品是否符合要求。
如果测试设备存在故障或损坏,就不能进行高压测试。
对于测试样品,在进行测试之前应当检查其结构是否完好,是否存在损坏或异物等现象。
2.2 测试环境检查在进行高压测试之前,应当检查测试环境是否符合要求,包括测试场地的清洁度、通风情况、温度和湿度等因素。
如果测试环境不符合要求,就可能影响测试结果,甚至危及测试人员的安全。
2.3 测试人员准备在进行高压测试之前,应当对测试人员进行培训和指导,使其熟悉测试流程和操作步骤。
测试人员在进行测试之前应当穿戴好防护衣物和安全帽,并使用绝缘手套和绝缘鞋。
3. 测试方法3.1 高压测试仪器的选择高压测试仪器是进行高压测试的关键设备,其种类繁多,需要根据测试要求选择相应的设备。
在选择高压测试仪器时,应当考虑测试电压、电流、频率等因素,并保证测试仪器的精度和可靠性。
常用的高压测试仪器包括交流高压测试仪、直流高压测试仪、接地电阻测试仪等。
3.2 测试设备的配置在进行高压测试之前,应当配置好测试设备。
一般包括测试仪器、测试样品、配套绝缘强度测试电缆、绝缘手套、绝缘鞋、安全帽、防护眼罩、防护服等。
3.3 测试过程的控制在进行高压测试时,应当注意测试过程的控制,包括测试时间的控制、测试电压的选择和控制、测试频率的选择和控制等。
测试时应当严格按照测试流程和操作步骤进行,不得有疏漏和违规行为。
3.4 测试结果的评价高压测试结束后,应当对测试结果进行评价。
评价的主要指标包括绝缘强度、接地电阻、泄漏电流等。
根据评价结果可以得出测试样品的绝缘性能是否符合要求。
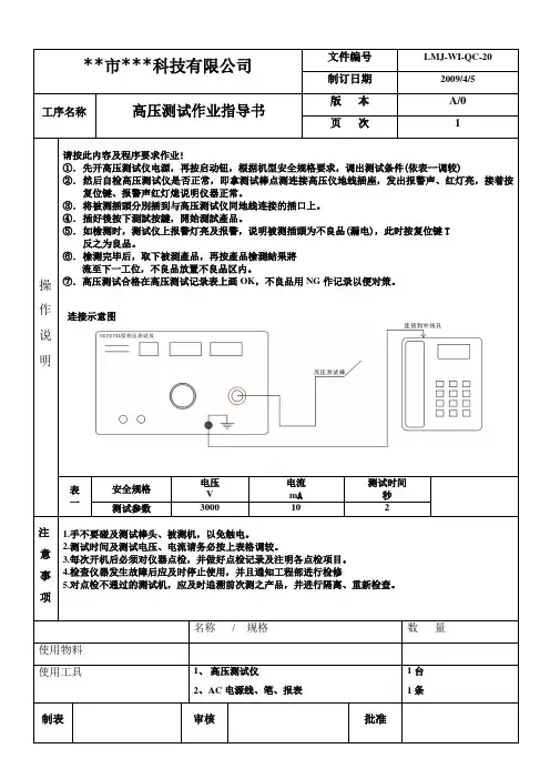
**市***科技有限公司文件编号LMJ-WI-QC-20
制订日期2009/4/5
工序名称高压测试作业指导书版本A/0 页次 1
操作说明请按此内容及程序要求作业!
①.先开高压测试仪电源,再按启动钮,根据机型安全规格要求,调出测试条件(依表一调较)
②.然后自检高压测试仪是否正常,即拿测试棒点测连接高压仪地线插座,发出报警声、红灯亮,接着按
复位键、报警声红灯熄说明仪器正常。
③.将被测插頭分別插到与高压测试仪同地线连接的插口上。
④.插好後按下測試按鍵,開始測試產品。
⑤.如檢测时,测试仪上报警灯亮及报警,说明被测插頭为不良品(漏电),此时按复位键T
反之为良品。
⑥.檢测完毕后,取下被測產品,再按產品檢測結果將
流至下一工位,不良品放置不良品区内。
⑦.高压测试合格在高压测试记录表上画OK,不良品用NG作记录以便对策。
连接示意图
表
一
安全规格
电压
V
电流
m A
测试时间
秒
测试参数3000 10 2
注意事项1.手不要碰及测试棒头、被测机,以免触电。
2.测试时间及测试电压、电流请务必按上表格调较。
3.每次开机后必须对仪器点检,并做好点检记录及注明各点检项目。
4.检查仪器发生故障后应及时停止使用,并且通知工程部进行检修
5.对点检不通过的测试机,应及时追溯前次测之产品,并进行隔离、重新检查。
名称/ 规格数量
使用物料
使用工具1、高压测试仪
2、AC电源线、笔、报表1台1条
制表审核批准。
变压器常规试验作业指导书l范围本作业指导书适用于35 kV及以上的油浸式变压器,规定了变压器交接验收、预防性试验、检修过程中的常规电气试验的引用标准、仪器设备要求、试验人员资质要求和职责、作业程序、试验结果判断方法和试验注意事项等。
变压器试验的主要目的是判定变压器在运输、安装过程中和运行中是否受到损伤或发生变化,以及验证变压器性能是否符合有关标准和技术条件的规定。
因此变压器试验的判断原则是与出厂试验和历史数据比较,有关标准和技术条件的各项条款试验判据也是依据这一原则制定的。
制定本作业指导书的目的是规范试验操作、保证试验结果的准确性,为设备运行、监督、检修提供依据。
2规范性引用文件下列文件中的条款通过本作业指导书的引用而成为本作业指导书的条款。
凡是注日期的引用文件,其随后所有的修改单或修订版均不适用于本作业指导书,然而,鼓励根据本作业指导书达成协议的各方研究是否可使用这些文件的最新版本。
凡不注日期的引用文件,其最新版本适用于本作业指导书。
GB 50150电气装置安装工程电气设备交接试验标准3安全措施a)测量前应断开变压器与引线的连接,并应有明显断开点。
b)变压器试验前应充分放电,防止残余电荷对试验人员的伤害。
c)为保证人身和设备安全,要求必须在试验设备周围设围栏并有专人监护。
负责升压的人要随时注意周围的情况,一旦发现异常应立刻断开电源停止试验,查明原因并排除后方可继续试验。
d)接地线应牢固可靠。
e)注意对试验完毕的变压器绕组必须充分放电。
f)进行直流泄漏电流试验过程中,如发现泄漏电流随时间急剧增长或有异常放电现象时,应立即停止试验,并断开电源,将被测变压器绕组接地,充分放电后,再进行检查。
4试验项目变压器常规试验包括以下试验项目:a)绕组连同套管绝缘电阻、吸收比和极化指数;b)绕组连同套管的直流泄漏电流;c)绕组连同套管的tgd;d)铁芯绝缘电阻;e)绕组连同套管的直流电阻;f)绕组的电压比、极性与接线组别;g)油纸套管试验。
引言概述:正文内容:一、使用准备1.检查仪器1.1 确保高压测试仪的外部没有明显的损坏或异物,如有破损应及时更换或修复。
1.2 检查高压测试仪的电源以及信号线的接头是否稳固,确保良好的连接。
1.3 对于需要电源供应的高压测试仪,检查电源的电压和频率是否符合要求,避免电源不稳定带来的测试误差。
2.检查测试设备2.1 检查待测试设备是否与高压测试仪连接正确,并不存在松动或接触不良的现象。
2.2 对于需要测试的电气设备,确保其处于合适的工作状态,避免因设备问题引起的测试误差。
2.3 检查待测试设备的绝缘等级,确保高压测试仪的测试范围是否满足要求。
二、操作步骤1.连接测试设备1.1 将高压测试仪与待测试设备通过正确的接口或线缆进行连接,确保连接牢固。
1.2 对于需要传输信号的测试设备,将信号线正确连接到高压测试仪的输入接口上。
2.设置仪器参数2.1 根据待测试设备的要求,设置高压测试仪的输出电压、频率等参数。
2.2 对于需要记录测试数据的情况,设置高压测试仪的记录方式和记录时间间隔。
3.执行测试3.1 启动高压测试仪,确保仪器正常运行。
3.2 逐渐增加输出电压,直至达到待测试设备所需的工作电压。
3.3 在设定工作电压下,保持一段时间并观察设备的性能是否正常。
3.4 如果需要进行故障定位,则对不同部位逐一进行高压测试,并记录测试结果。
4.记录数据4.1 在整个测试过程中,及时记录高压测试仪的输出电压、测试时间等参数。
4.2 对于每个测试点,记录测试设备的工作状态和测试结果,以便后续分析和评估。
5.分析和评估5.1 根据测试结果,评估设备的耐压能力是否符合要求。
5.2 如果存在测试结果异常或不满足要求的情况,及时进行故障分析并采取相应措施进行修复。
注意事项:1. 使用高压测试仪时,必须穿戴符合安全要求的绝缘手套和鞋子,确保人员的安全。
2. 高压测试仪具有高电压输出能力,使用时需严格按照操作规程,避免发生人身伤害或设备损坏的危险。
变电站新建工程高压试验作业指导书变电工程项目部批准:审核: 编制:目录第一章高压绝缘部分第二章高压设备特性部分第三章GIS 试验第四章电流互感器局部放电试验第五章变电站接地第一章高压绝缘部分1、绝缘电阻的测量1.1选用的设备:兆欧表(1000V、2500V、5000V)。
1.2测试方法及注意事项:1.2.1断开被试品的电源,拆除或断开对外的一切连线,并将其对地放电,对电容量较大的被试品更应充分放电。
1.2.2用干燥清洁柔软的布擦去被试品表面的污垢,必要时可先用汽油或其它适当的去垢剂洗净套管表面的积污。
1.2.3将兆欧表放稳,驱动兆欧表达额定转速,此时兆欧表的指针应指“∞”,再用导线短接兆欧表的“火线”与“地线”端头,其指针应指零。
然后接至被试品测量。
1.2.4在湿度较大的条件下进行测量时,可在被试品表面加等电位屏蔽。
1.3测试的内容:1.3.1电力变压器的绝缘电阻的测试:1.3.1.1选用直流2500V兆欧表。
(或依据厂家相同等级的兆欧表)测量绕组连同套管的绝缘电阻、吸收比或极化指数应符合下列规定:a、绝缘电阻值不应低于产品出厂试验值的70%。
b、当测量温度与产品出厂试验时的温度不符合时,要换算到同一温度时的数值进行比较。
c、变压器电压等级为35KV及以上,且容量在4000KVA及以上时,应测量吸收比。
吸收比与产品出厂值相比应无明显差别。
35~60KV级变压器吸收比不低于1.2,110~330KV级的变压器在常温下不应小于1.3。
d、变压器电压等级为220KV及以上且容量为120MVA及以上时,宜测量极化指数,测得值与产品出厂值相比,应无明显差别。
当绝缘电阻介质温度为10~30℃范围时,极化指数不低于1.5。
1.3.2互感器绝缘电阻的测试1.3.2.1选用直流2500V兆欧表。
1.3.2.2测量绕组的绝缘电阻,应符合下列规定:a、测量一次绕组对二次绕组及外壳、各二次绕组及其对外壳的绝缘电阻b、低压等级为500KV的电流互感器亦应测量一次绕组间的绝缘电阻,但由于结构原因而无法测量时可不进行。
高压电缆试验作业指导书1. 引言本文档旨在提供高压电缆试验的操作指导,内容包括试验前的准备工作、试验过程中的注意事项以及试验完成后的处理。
通过本文档,操作人员可以正确、安全地进行高压电缆试验,确保试验结果的准确性和可靠性。
在进行高压电缆试验之前,需要完成以下准备工作:2.1 试验设备和工具的准备确认试验所需的设备和工具已准备就绪,包括高压发生器、电缆夹具、连接线缆等。
检查设备的工作状态并确保其安全可靠。
选择一个合适的试验环境,确保试验场所通风良好、无易燃物质,避免试验过程中出现危险情况。
2.3 试验样本准备根据试验要求,准备待测的高压电缆样本。
确保样本的完整性和无损坏情况。
2.4 安全措施在进行高压电缆试验时,必须遵守相关的安全规定和操作规程。
在试验过程中,应佩戴防护用具,确保人员的安全。
同时,应避免试验设备的过载和短路情况,以防止意外事故的发生。
3. 试验过程在进行高压电缆试验时,需要按照以下步骤进行操作:3.1 连接试验设备将高压发生器正确连接到待测电缆的两端,使用合适的连接线缆和电缆夹具进行连接。
确保连接的牢固和正确。
3.2 设置试验参数根据试验要求,设置高压发生器的输出电压和试验时间等参数。
确保参数的准确性和合适性。
3.3 开始试验启动高压发生器,开始对待测电缆进行高压试验。
在试验过程中,实时监测试验参数和待测电缆的情况,记录试验数据。
3.4 停止试验根据试验时间或试验结果判断,合适的时机停止试验。
同时关闭高压发生器并切断待测电缆的连接。
3.5 试验记录和数据处理将试验过程中的数据记录下来,并进行必要的数据处理。
根据试验要求,生成试验报告或其他相关文档。
4. 试验后处理在完成高压电缆试验后,需要进行相应的处理工作:将试验设备进行清理,保持设备的整洁和良好的工作状态。
4.2 数据存档将试验记录和数据进行存档,确保数据的安全和可靠。
根据需要,将试验数据进行备份。
如果在试验过程中发现设备故障或其他问题,需要及时进行处理。
高压电动机试验作业指导书1. 危害辨识1.1 误入其它带电回路而被电击;1.2 误碰周围配电柜断路器控制元件(或分闸机构),引起该回路跳闸;1.3 电缆高压试验时,现场电缆头防护不当(或监护不到位)引起人体电击。
1.4 直流、交流耐压试验时操作失误,导致电机绝缘击穿。
2. 准备阶段2.1 物资:高压验电器一个、安全警示牌2块、遮挡线10米(必要时)。
2.2 工具:高压绝缘电阻表一块、直流耐压设备一套、交流耐压设备一套(必要时)、直流电阻测试仪(或QJ44电桥)一台、电源盘一个、接地线10米、电工工具一套。
2.3 人员:2名(其中至少1名熟练的校验人员)。
2.4 作业前的联系工作:联系总降值班班长,办理《高压设备停电校验操作票》;2.5方案:根据以上内容制定详细的试验方案;2.6 安全学习:根据试验方案,组织参与试验的人员进行安全学习。
3. 实施阶段3.1 验电,确认本电机高配电柜已可靠停电;3.2 拆除避雷器(或过电压吸收器);3.3 拆除电机侧的高压电缆头(电机和电缆需做分体试验时);3.4 按《电机、开关柜试验报告》要求,逐项作以下试验:3.4.1 测电机的三相直流电阻,必要时分相测试;3.4.2 测电机的绝缘电阻(或吸收比),必要时分相测试;3.4.3 测电机的直流泄漏, 必要时分相测试;3.4.4 电机交流耐压试验, 必要时分相测试;3.5 电缆试验:3.5.1 拆除高压柜内的接地线;3.5.2 分别测电缆各相对地及屏蔽层的绝缘电阻(或吸收比);3.5.3 拆除各相电缆的接地线并将其悬空,分别测各根电缆(对多根电缆)屏蔽层对芯线及地的绝缘电阻;3.5.4 分别测电缆各相对地及屏蔽层的直流泄漏;3.6 分析试验结果,若结果合格,则进行以下二项:3.6.1恢复主回路接线;3.6.2通知总降值班班长,本次试验已经完成,本电机可以投入运行。
否则, 进行以下二项:3.6.3通知相关人员进行详细检查、维修;3.6.4重复进行相关项目试验,直至合格(对于以上试验中部分指标不合格、经详细分析为非严重故障的,请示相关领导后,可以适当放宽要求)。
仪器名称Name:仪器编号NO.123451231HV-DC高压测试2测试电流 2.9mA 制作Made by 审核Confirmed by 日期Date 版本Rev 3测试电压2200V 4测试时间3秒5如测量结果显示为红灯亮,需立即隔离此产品,交工程师维修,分析测试完成后,将测试杆移开,取下产品的插头,将检验结果记录于<高压漏电测试记录>中.测试杆的测试头测试时需点在产品的金属表面,如产品表面无金属件,需用锡纸裹住产品,然后测试点点在锡纸上接通高压漏电测试仪的电源,仪器会自检如(图一)作业员必须经过培训合格后才可操作此高压测试仪测试参数异常处理(Abnormity processing )测试员需站在防静电的胶板上,戴上绝缘手套作检测测试参数为默认设置,除工程师外任何人不可擅自调整测试参数.身体的任一位置不可接触检测杆的测试头,高压危险点检发现不合格,需立即停止测量,并需通知品管部的工程师进行检测,如属机器问题,送计量站进行维修与校定,并追溯之前检测之产品,及全部重检仪器规格/型号Spec/Type 附图Attached drawing :操作方法、步骤(Work process )05033101修理后的产品需再次检查确认注意事项(Notice Item )将图一与高压测试仪连接的点检模拟器上三个黑色按扭(分别为;HV,IS,AI),打入Pass方向,拿起测试杆用测试头点击点检模拟器上的两个黄色铜接触点按下测试杆上的测试按钮,测试结果应该为OK。
再将第一个"HV"打至"Fail"(如箭头A所示)点击两个黄色铜接触点测试结果应该为NG.(每次开机前需进行此点检并记录于高压测试仪点检记录表中)点检合格后,将自检模拟器取下。
将需检测产品卡在夹具上,并将产品的插头接到高压漏电测试仪上手握检测杆,用测试头点击产品表面(见注意事项一),按下测试杆上的测试按钮(见B ),绿灯亮即为合格,亮红灯即为不合格3301K Hight Voltage Tester Working Instruction高压测试仪操作指导书目的:规范高压测试仪的操作,确保测试结果的可靠性。
高压测试作业指导书:一、引言高压测试是一种常用的工程测试方法,用于测试电力设备或电路的绝缘性能和耐受能力。
在进行高压测试时,需要特别注意安全规范和操作流程,以确保测试过程的安全有效。
本指导书将从测试前准备、仪器设备选用、操作步骤和测试结果分析等方面,详细介绍高压测试的作业流程及注意事项。
二、测试前准备1. 确定测试对象:根据具体测试的需要,确定要测试的电力设备或电路。
2. 安全评估:进行安全评估,评估测试所涉及的电压、电流和功率等参数,判断其对人身安全和设备安全的风险。
根据评估结果,制定相应的安全防护措施。
3. 选择测试仪器:根据测试对象的特点和测试要求,选择合适的测试仪器。
测试仪器应符合相关国家标准,并具备合格证书。
4. 检查仪器设备:在进行测试前,应检查测试仪器的状态和使用情况,确保仪器正常工作。
如发现异常,应及时进行维修或更换。
5. 安装测试设备:根据测试对象的特点和测试要求,安装好测试设备。
确保测试设备与电源、地线等连接正确,并接地良好。
6. 准备测试记录表:准备好相应的测试记录表,用于记录测试过程和测试结果。
三、操作步骤1. 现场清理:在进行测试前,应对测试现场进行清理,将有可能影响测试的杂物和障碍物清除。
确保测试现场的环境整洁、无尘和通风良好。
2. 连接测试设备:根据测试对象的特点和测试要求,将测试设备与测试对象进行连接。
连接过程中,应注意连接线的长度和绝缘性能,确保连接稳定可靠。
3. 设置测试参数:根据测试要求,设置好测试仪器的参数。
包括测试电压、测试时间、测试方式等。
参数设置应根据具体情况和要求进行,确保测试结果的准确性。
4. 开始测试:确认测试设备和测试对象的连接正确,进行测试前的安全检查。
然后,按照设定的测试参数,启动测试设备进行测试。
测试过程中,应密切观察测试指示器和仪器显示,确保测试过程安全有效。
5. 记录测试数据:在测试过程中,及时记录测试数据,包括测试电压、测试时间、测试结果等。
站 別组装适用产品版本A 文件编号工序名称1、参考标准: 1.必须使用三孔电源插座,接地一定 GB4943规定的Ⅰ类安全标准。
要良好。
2、测试标准: 2.仪器接地一定要和电源地可靠连接。
LED 显示屏在不通电的情况下,交流电源输入端与显示屏金属结构件之间施加1500V 3.操作员应戴绝缘手套,脚下应有绝缘垫。
的高压(交流有效值), 1min 不应发生绝缘击穿。
4.打开仪器电源前要把“电压调节”旋钮3、方法:逆时针旋转到底。
﹙1﹚确定“电压调节”旋钮置:“0”位,然后开启电源开关。
5.在预置各项功能之前,要将仪器处于复﹙2﹚设定漏电流值为100mA.位状态。
﹙3﹚将显示屏交流输入端的火线短接,用耐压仪的黑色探头接在零火线短接处,另一6.不要人为地将输出高压端与机壳或地 高压探头接在显示屏 箱体金属外壳。
线短路。
﹙4﹚将“定时/手动”开关设置在“定时”位置,调节定时拨盘开关设置定时时间。
﹙5﹚按下启动开关,并缓慢调节“电压调节”旋钮使输出电压为1500V ,如果在电压上升过程中漏电流值超过设定值,仪器会自动报警并切断输出电压,说明被测件不合格。
﹙6﹚测试完成后应在产品上贴上合格或不合格标签。
4.高压测试仪点检要求:﹙1﹚高压测试机在每次使用之前要预热十五分钟,开始使用前进行设备功能点检。
﹙2﹚将耐压电压设置为1500V ,漏电流设置为10mA,把高压输出端与接地端中间用一标准电阻(150KΩ)相接,对耐压机进行检查,具体如下:漏电流NO.变 更 内 容1耐压测试仪、绝缘手套23 B-ET1-009报警不符合要求符合要求≤145010mA 报警不报警图一:耐压测试仪不报警10mA ≥1550不符合要求现 象判 定工作点电压值符合要求治/工/夹具生效日期2009-2-23审核制表2009-2-23W-ET0-038注 意 事 项显示屏耐压测试作 业 内 容耐压测试仪工 程 变 更 记 录机器/仪器新制订文件户外显示屏页次1/1制订日期核准。
1、变压器试验;2、电抗器高压试验;3、电流互感器高压试验;4、电压互感器高压试验;5、真空断路器高压试验;6、套管高压试验;7、电力电缆高压试验;8、并联电容器高压试验;9、氧化锌避雷器高压试验;10、SF6断路器高压试验。
高压试验专业标准化作业指导书、八、,刖言供电作为煤矿重要的生产保障单位,肩负着为煤矿供电神圣使命。
近年来,煤矿建设和矿区服务发展对电力的需求越来越高,尤其是确保煤炭持续稳产,给煤矿供电提出了更高的要求。
按照集团总体部署,为进一步强化三基工作,保证电网现场作业安全和工作质量,真正做到“安全第一零事故,质量至上百分百”,公司提出了“四化一成效”工作目标。
为全面做好“生产管理标准化”工作,公司结合生产实际,历经半年,依据国家和电力行业生产技术标准,编写了电网运行、检修和试验专业《标准化作业指导书》,内容涵盖了电网巡视、操作、检修、试验、验收等方面工作,是电网生产管理模式的革新,使电网生产管理更加科学化,同时,也是岗位人员培训的基础工具。
本书为《高压试验专业标准化作业指导书》,在广泛征询了相关基层单位和机关部室意见、建议的基础上,集中了专业技术人员和管理人员的智慧和经验,并得到了公司领导的高度重视和大力支持,具有较强的专业性、指导性和实用性,对提升电网生产技术管理水平具有重要意义。
目录变压器高压试验标准化作业指导书 1 消弧线圈高压试验标准化作业指导书10 电抗器高压试验标准化作业指导书16 电流互感器高压试验标准化作业指导书23 电压互感器高压试验标准化作业指导书30 多油断路器高压试验标准化作业指导书35 真空断路器高压试验标准化作业指导书42 套管高压试验标准化作业指导书50 悬式绝缘子和支柱绝缘子高压试验标准化作业指导书57 电力电缆高压试验标准化作业指导书64 并联电容器高压试验标准化作业指导书68 耦合电容器高压试验标准化作业指导书74 无间隙氧化锌避雷器高压试验标准化作业指导书77 串联间隙氧化锌避雷器高压试验标准化作业指导书82 母线高压试验标准化作业指导书86 接地阻抗高压试验标准化作业指导书92 局部放电试验标准化作业指导书92变压器高压试验标准化作业指导书1范围本作业指导书适用于6kV〜110kV变压器交接及预防性试验。
2规范性引用文件下列文件对于本文件的应用是必不可少的。
凡是注日期的引用文件,仅所注日期的版本适用于本文件。
凡是不注日期的引用文件,其最新版本(包括所有的修改单)适用于本文件。
DL/T474-2006 现场绝缘试验实施导则DL/T596-1996 电力设备预防性试验规程GB50150-2006 电气装置安装工程电气设备交接试验标准3总则3.1 工作负责人的职责3.1.1 负责试验联系工作,确定试验内容和试验时间。
3.1.2 负责填写工作票和办理开工手续。
3.1.3 负责对工作组人员进行安全教育,试验前交待安全注意事项。
3.1.4 负责落实现场的安全措施。
3.1.5 负责现场试验的安全监督和监护。
3.1.6 试验完成后,负责检查现场设备是否恢复完好。
3.1.7 负责办理工作票的终结手续。
3.2 试验人员的职责3.2.1 负责仪器设备的准备。
3.2.2 现场试验接线、现场试验项目的实施、数据记录及分析。
3.2.3 试验结束后负责清理现场。
3.2.4 参与试验报告的编写。
3.3 人员要求3.3.1 参加试验人员应学习和熟悉《电业安全工作规程》,并经考试合格。
3.3.2 单项高电压试验工作人员不得少于4人。
3.3.3 试验人员应掌握高电压试验理论知识,掌握试验技术,能熟练操作仪器,并具有相应的岗位资质。
3.3.4 进入现场应按规定着装,戴好安全帽。
3.4 试验设备资料3.4.1 所用试验设备功能正常,并在校验的有效周期内。
342 试验设备在运输、使用期间保持其完好的准确度及适应性。
3.5.1 试验前工作负责人应认真检查试验接线,确保回路正确。
3.5.2 试验过程中,如试验设备及接线出现问题,应立即暂停试验,待查明原因后,方可重新开始试验。
3.5.3 如果试验数据不合格或异常,应采取更改试验接线、更换试验仪器等方法进行复测和确认。
3.6 数据记录3.6.1 试验记录应包含以下内容:a) 变电站名称;b) 被试设备的名称、型号和运行编号;c) 试验人员名单;d) 试验日期;e) 试验时的环境温度、相对湿度等气象条件;f) 变压器需要记录本体温度;g) 试验仪器、设备的名称、型号和唯一性编号;h) 试验项目名称、标准;i) 试验数据;j) 初步分析结果。
3.6.2 试验记录不得随意涂改,数据记录有错误时应采取杠改的形式,并在旁边写上正确的数据。
3.6.3 记录本应妥善保管,随时备查。
3.7 试验报告3.7.1 试验报告除了包括3.6.1条的全部内容,还应有试验依据和明确的试验结论。
对不合格的数据应有说明,对有疑点的数据或需要复测的数据,应有明确的说明和处理意见。
3.7.2 试验报告格式应统一规范。
3.7.3 试验报告及时上交并存档。
4试验安全工作规定4.1 严格执行《电业安全工作规程》有关规定。
4.2 试验前由试验负责人召集全体试验人员,说明本次试验工作的内容和被试设备名称,交待停电范围和安全注意事项,并作书面记录。
4.3 试验现场应装设围栏和安全警示,并设专人监护。
4.4 进入工作现场应戴安全帽,高空作业应使用安全带,严禁高空抛掷工具。
4.5 试验装置的金属外壳应可靠接地;高压引线应尽量缩短,并采用专用的高压试验线,必要时用绝缘物支持牢固。
4.6 因试验需要断开设备接头时,拆前应做好标记,接后应进行检查。
4.7 在不拆开设备连线进行试验时,应防止试验电压经过设备连线引到其它设备上,造成其它人员触电。
升压前应检查同一连线上的非被试设备上是否有人工作,并有人进行监护。
4.8 试验工作中途停止且工作人员离开现场时,在离开前应断开试验电源,防止他人合闸时试验设备带电。
工作恢复前,重新检查试验接线。
4.9 试验完成后,由工作负责人召集所有试验人员汇报试验中发现的问题,并提交文字材料。
5试验项目明细5.1 预防试验5.2 交接试验6试验程序6.1 绕组绝缘电阻6.1.1 试验接线用软裸铜线将变压器高压绕组ABCO短接后接兆欧表的L端,将变压器中压绕组AmBmCm S接接地,将变压器低压绕组abc短接接地后接兆欧表E端。
6.1.2 注意事项a) 测量大容量变压器的绝缘电阻时,充电电流很大,因而兆欧表开始指示数很小,但这并不表示被试设备绝缘不良,必须经过较长时间,才能得到正确的结果。
试验结束时要先断开L线与被测设备之间的连接,再切断兆欧表电源,并立即对被测设备放电和接地,防止被试设备对兆欧表反充电损坏兆欧表和被测设备所带高电压电人;b) 一般应在干燥、晴天、环境温度不低于 5 C时进行测量。
在阴雨潮湿的天气及环境湿度太大时,不应进行测量;c) 测量绝缘的吸收比时,应避免记录时间带来的误差。
变压器设备绝缘的吸收比,是用兆欧表在加压15s和60s时记录其绝缘电阻值后计算求得;d) 屏蔽环装设位置。
为了避免表面泄漏电流的影响,测量时应在绝缘表面加等电位屏蔽环,且应靠近L 端子装设;e) 兆欧表的L和E端子接线不能对调。
用兆欧表测量电气设备绝缘电阻时,其正确接线方法是L端子接被试品与大地绝缘的导电部分,E端子接被试品的接地端;f) 兆欧表与被试品间的连线不能绞接或拖地,否则会产生测量误差。
6.1.3 操作工艺流程g) 采用2500V及以上兆欧表。
试验前应拆除被试设备电源及一切外连线,并将被试物短接后接地放电;h) 用干燥清洁的柔软布擦去被试物的表面污垢,以消除表面的影响;i) 将兆欧表档位放置电池检测档,检查兆欧表电池是否充足;j) 接线后,将兆欧表档位放置测试档,锁住测试旋钮,校验兆欧表是否指零或无穷大;测量时,须待1min后读取其绝缘电阻值并记录;k) 读数后高压L端子先离开被试设备,方可解除锁定按钮,断开兆欧表高压输出;l) 试验完毕或重复进行试验时,必须将被试物短接后对地充分放电。
测量顺序及部位按照表6-1进行。
6.1.4 试验分析a) 一般情况下,绝缘电阻随温度升高而降低;b) 被试物的表面脏污或受潮会使其表面电阻率大大降低,绝缘电阻将明显下降。
必须设法消除表面泄漏电流的影响,以获得正确的测量结果;c) 剩余电荷的存在会使测量数据虚假地增大或减小,要求在试验前先充分放电;d) 感应电压强烈时可能损坏绝缘电阻表或造成指针乱摆,得不到真实的测量值,必要时应采取电场屏蔽等措施。
6.2 绕组直流电阻测量6.2.1 试验接线绕组直流电阻测量如图6-2图6-2 试验接线6.2.2 注意事项a) 测量前应记录变压器绕组温度和绝缘油温度;b) 测量端子应接触良好,必要时应打磨测点表面;c) 调节无载分接开关时,应来回转动几次触头,使触头接触良好;d) 测量时非被测绕组不宜短路,各绕组间也不能通过接地开关与大地形成短路;e) 当测量线的电流引线和电压引线分开时,应将电流引线夹于被测绕组的外侧,电压引线夹于被测绕组的内侧。
6.2.3 操作工艺流程a) 试验前拆除被试设备电源及一切外连线,并放电;b) 使用感性负载快速测量仪,将测量仪放平稳后,设备接地线要连接牢固,测量仪器线夹四个测量端子与被测电阻正确连接好;c) 接好电源线,选择合适量程;d) 接通电源,调零;e) 按下测量键,屏幕显示测量电阻读数,读数稳定后读取数值并记录;关闭电源后方可取下仪器线夹换相测量或关机f) 测量完毕抬起测量键,按下消弧键消弧。
6.2.4 试验分析a) 直流电阻阻值受温度影响较大,所以必须换算至同一温度,一般以20 C为准。
公式:R20=Rt(T+20)/ (T+t),T 铜=235;b) 分接开关接触不良,造成阻值偏高较为普遍,如开关不清洁电镀脱落、弹簧压力不足,受力不均、以及过电压时触点有积碳等,都将会造成阻值偏高。
这时,应将分接开关盖打开,往返转动几次,一般可消除;c) 测量变压器低压侧电阻时,所有人员应与高压侧保持适当距离。
6.3 铁芯和夹件绝缘电阻测量6.3.1 试验接线拆开铁芯接地端子,将兆欧表L 端接铁芯, E 端接地6.3.2 注意事项a) 试验结束时要先断开L 线与被测设备之间的连接,再切断兆欧表电源,并立即对被测设备放电和接地,防止被试设备对兆欧表反充电损坏兆欧表和被测设备所带高电压电人;b) 一般应在干燥、晴天、环境温度不低于 5 C时进行测量。
在阴雨潮湿的天气及环境湿度太大时,不应进行测量;c) 屏蔽环装设位置。
为了避免表面泄漏电流的影响,测量时应在绝缘表面加等电位屏蔽环,且应靠近L 端子装设;d) 兆欧表的L和E端子接线不能对调。