ERP中销售流程及财务管理应用案例之流程图
- 格式:docx
- 大小:81.36 KB
- 文档页数:20
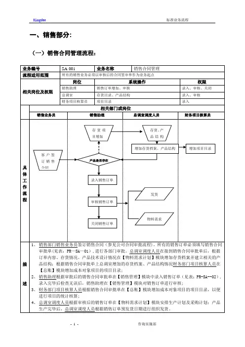
Kingdee一、销售部分:标准业务流程(一) 销售合同管理流程:业务编号 流程适用范围 相关岗位及权限销售业务员SA-001业务名称销售合同管理所有的销售业务必须以审核后的合同签审单作为业务起点岗位系统操作销售助理销售订单增加、审核总调室存货目录、产品结构财务项目核算员 项目目录相关部门或岗位销售助理总调室调度人员权限录入、审核、关闭 录入、审核 录入财务项目核算员客户签订销售具合同体工作流程存货项 目增加产品是否存在录入销售订单审核销售订单存货、产 品结构 增加申 增加存货档请案、产品结构增加项目目录发货关闭销售订单物料需求1、 销售部门销售业务员签订销售合同(参见公司合同审批流程)。
所有的销售订单必须填写销售合同审批单(见表:PR—SA—01),进行各部门审批。
总调室调度人员在接到销售合同审批单后,根据订单内容、存货情况、产品技术设计情况在【物料需求计划】模块增加存货档案并建立相关的产描品结构;根据销售合同审批单上总调室增加的存货档案、产品结构情况财务部门项目核算人员在【总账】模块增加成本对象项目的项目目录;2、 销售助理根据审批后的销售合同审批单在【销售管理】模块中录入销售订单(见表:PR-SA--02),述录入完毕后检查无误后,销售助理在【销售管理】模块对销售订单进行审核;3、 财务部门项目核算人员根据销售合同审批单在【总账】模块增加成本对象项目的项目目录,以便进行项目的统计核算;4、 总调室调度人员根据审核后的销售订单在【物料需求计划】模块安排生产计划及采购计划;产品生产完毕后,总调室调度人员根据销售订单预发货日期进行组织发货。
-1-咨询实施部Kingdee操作要点:标准业务流程1、 销售类型(按照产品项)分为五种: 车体改装销售 机加产品销售 多媒体商品销售 材料销售 系统集成销售重点提示:根据销售统计和核算的需要,在销售订单的表头栏目内必须选择对应的销售类型,从以上 五种分类中进行选择。
销售系统ERP流程图⼀、销售部分:(⼀)销售合同管理流程:1、销售类型(按照产品项)分为五种:车体改装销售机加产品销售多媒体商品销售材料销售系统集成销售重点提⽰:根据销售统计和核算的需要,在销售订单的表头栏⽬内必须选择对应的销售类型,从以上五种分类中进⾏选择。
2、销售业务类型(按照结算情况界定)为三种:◆普通销售业务:⽆论赊销、现销,当⽉完成发货后(含多次发货)当⽉结算完毕(含多次结算)的销售业务,在增加销售订单时选择业务类型为普通销售业务。
具体操作见普通销售业务处理流程◆分期收款业务:当⽉完成发货后(含多次发货),需分次、跨⽉进⾏结算、开发票,分批结转收⼊成本的销售业务,在增加销售订单时选择业务类型为:分期收款。
具体操作见分期收款业务处理流程。
◆直运销售:销售的商品不经过公司库房,直接将商品从供应商处发送到客户⽅的销售业务(例如:商品代购业务),在增加销售订单时选择业务类型为:直运销售。
具体操作见直运销售业务处理流程。
重点提⽰:根据销售统计和核算的需要,在销售订单的表头栏⽬内必须选择对应的业务类型,从以上三种分类中进⾏选择。
因为三种业务的核算处理⽅式不同,所以在增加销售订单时⼀定要区分清楚。
(⼆)普通销售流程:销售发货分三种情况:机加产品发货:由总调室调度⼈员先发组装通知到机加⼯程部,机加⼯程部从仓库领取散件进⾏组装。
组装完成后,凭总调室调度⼈员下达的销售发货通知单由机加⼯程部发货。
总调室调度⼈员在【销售管理】模块根据销售订单⽣成销售发货通知单,进⾏打印,⼀式六联[财务部、总调室、销售部、机加⼯程部、客户(代出门证)],分别由财务部确定是否已经收款;由机加车间⼯程部进⾏发货,实物出库后,机加车间⼯程部在销售发货通知单上进⾏签字确认;销售发货通知单回执给销售部门作为索要⽋款的依据;给客户作为出门依据。
总调室调度⼈员依据经各部门签字确认后回执的销售发货通知单,在【销售管理】模块中对销售发货通知单进⾏审核;车体改装、系统集成设备产品发货:车体改装项⽬、系统集成产品完⼯后,总调室调度⼈员在【销售管理】模块根据销售订单⽣成销售发货通知单,进⾏打印,⼀式五联[财务部、总调室、销售部、客户(代出门证)、⽣产车间],由财务部确定是否已经收款;总调室进⾏通知发货,在销售发货通知单上进⾏签字确认;销售发货通知单回执给销售部门作为索要⽋款的依据;给客户作为出门依据。
一、销售部分:(一)销售合同管理流程:1、销售类型(按照产品项)分为五种:车体改装销售机加产品销售多媒体商品销售材料销售系统集成销售重点提示:根据销售统计和核算的需要,在销售订单的表头栏目内必须选择对应的销售类型,从以上五种分类中进行选择。
2、销售业务类型(按照结算情况界定)为三种:◆普通销售业务:无论赊销、现销,当月完成发货后(含多次发货)当月结算完毕(含多次结算)的销售业务,在增加销售订单时选择业务类型为普通销售业务。
具体操作见普通销售业务处理流程◆分期收款业务:当月完成发货后(含多次发货),需分次、跨月进行结算、开发票,分批结转收入成本的销售业务,在增加销售订单时选择业务类型为:分期收款。
具体操作见分期收款业务处理流程。
◆直运销售:销售的商品不经过公司库房,直接将商品从供应商处发送到客户方的销售业务(例如:商品代购业务),在增加销售订单时选择业务类型为:直运销售。
具体操作见直运销售业务处理流程。
重点提示:根据销售统计和核算的需要,在销售订单的表头栏目内必须选择对应的业务类型,从以上三种分类中进行选择。
因为三种业务的核算处理方式不同,所以在增加销售订单时一定要区分清楚。
(二)普通销售流程:1、 销售发货分三种情况:机加产品发货:由总调室调度人员先发组装通知到机加工程部,机加工程部从仓库领取散件进行组装。
组装完成后,凭总调室调度人员下达的销售发货通知单由机加工程部发货。
总调室调度人员在【销售管理】模块根据销售订单生成销售发货通知单,进行打印,一式六联[财务部、总调室、销发货,实物出库后,机加车间工程部在回执给销售部门作为索要欠款的依据;给客户作为出门依据。
总调室调度人员依据经各部门签字确认后回执的销售发货通知单,在【销售管理】模块中对销售发货通知单进行审核;车体改装、系统集成设备产品发货:车体改装项目、系统集成产品完工后,总调室调度人员在【销售管理】模块根据销售订单生成销售发货通知单,进行打印,一式五联[财务部、总调室、销售部、客户(代出门证)确定是否已经收款;总调室进行通知发货,在销售发货通知单上进行签字确认;回执给销售部门作为索要欠款的依据;给客户作为出门依据。
114-E R P中销售流程及财务管理应用案例之----流程图部分ERP中銷售流程及財務管理應用案例之----流程圖部分ERP中銷售流程及財務管理應用案例之----流程圖部分编号:PR-SA-002操作要点:1、销售发货情况:产品发货:由销售部与客户签定合同,并审查该客户有无资格发货,如有,则将合同执行表移交到配运部,配运部长审核批准交运务主管根据客户的要货情况积极备货,确定发货批次批号在【销售管理】模块中根据销售部传来的合同执行表由销售订单拷贝生成提货单,提货单一式五联,第一联产品配运部主管留存;第二联计划财务部存确认提货;第三联库管员存作配运部提货依据;第四联省级办事处存;第五联客户单位签章后返回计划财务部存;第六联客户单位存。
配运部长依据经各部门签字确认后在提货单,在【销售管理】模块中对销售提货单进行审核。
2、在填制提货单时,需要在销售提货单的表休录入时录入药品批号。
重点提示:1 销售部不进行发票管理和收款结算,所有的发票无论是否收款,都由财务部门直接在【销售管理】模块内进行复核处理,系统将自动转入应收管理模块(挂应收账款),由财务部根据收款情况在应收账款模块依据财务收款流程进行结算处理。
2 对于客户不要发票的销售业务,财务部也需要在【销售管理】模块中做开票处理ERP普通销售业务财务核算处理:业务流程系统操作财务核算处理同步流转单据销售发货销售发票复核借:主营业务成本发票贷:库存商品(1)赊销:销售开票销售发票进行复核借:应收账款---xx客户发票应收账款进行审核贷:主营业务收入---二级科目应交税金---应交增值税---销项(2)现结:销售发票销售发票复核并现结处理借:现金(银行存款)发票应收账款进行审核贷:主营业务收入---二级科目应交税金---应交增值税---销项ERP分期收款销售业务:编号:PR-SA-003ERP操作要点:重点提示:1分期收款业务下销售订单的业务类型必须选择为“分期收款”2对于一次开票,分期收款的业务不适用本范围,而应当采用普通销售流程。
SYSTEM PROCEDUREERP 中销售流程及财务管理应用案例之流程图部分下面开始我们的 ERP 案例学习,这是我在去年实施的一家生物制药公司,公司新成立,下面的一些流 程图和分析文字是我制作的,财务的朋友也可以根据业务流程图对你们的企业内部控制情况做个分析。
更多 的优秀案例在我站点中。
下面的这一小段主要是谈谈:ERP 中销售流程及财务管理应用流程。
下一页,开始我们的学习。
学习中有 ERP 管理咨询方面的任何问题,请 Email: cxw@编号:PR-SA-002业务编SA-002业务名普通销售业务号称流程适用范无论赊销、现销,当月完成发货后(含多次发货)当月结算完毕(含多次结算)的销售业务围相关岗位及岗位系统操作权限权限销售部销售管理模块中录入销售订单、销售开票申请(办事录入、审核、处)复核配运部销售管理模块中录入发货单(确认批号批次)增加、审核库管库存管理模块中生成销售出库单并审核确认增加、审核材料成本存货核算模块中记账、制单记账、制单会计.1应收往来会计相关部门或岗位客户销售部SYSTEM PROCEDURE应收账款模块中结转收入、应收往来核算配运部库管审核、核销、 制单材料成本会计/往来 会计收 货合同具签定,相关体项目及存工货目录已作增加完毕。
流程填写销售 订单审核销售 订单参照销售 订单生成提货 通知单审核 出库参照发 货单生在销 售出库单结转 销售成本生成销售 发票复核现结 催收货款应收 账款收款单制 单.2SYSTEM PROCEDURE1、 销售部与客户签订销售合同,销售部相关人员依据签审完毕的手工的销售合同审批单在【销售管理】模块录入销售订单并审核。
2、 配运部根据库存现有情况,在【销售管理】模块根据销售订单生成销售提货单,并 流 注明提货的批次(见表:PR-SA-03);程3、 财务销售会计根据销售办事处上报的开票申请单和客户开票需求,查询销售提货单审核状态,对已审核的销售提货单在【销售管理】模块中根据销售提货单生成销售开票通知描 单(专用发票或普通发票)(见表:PR-SA-04),进行复核处理;4、 财务往来会计在【应收账款】模块中对销售开票通知单进行审核处理,形成应收账 述款往来;5、 配运部根据【销售管理】模块中审核后的销售提货单传递给配送人员,配运人员同 库管员一同到仓库办理实物出库填制销售出库单,库房记账人员根据将销售出库单(见表:PR-SA-05)(一式三联,库房保管人员、库房留存、材料成本会计)进行打印留存,在【库存管理】模块对销售出库单进行审核,材料成本会计在【存货核算】模块对销售出库单对应发票进行单据记账,系统自动结转销售出库成本,材料成本会计进行制单生成销售成本结转凭证。
一、销售部分:(一)销售合同管理流程:1、销售类型(按照产品项)分为五种:车体改装销售机加产品销售多媒体商品销售材料销售系统集成销售重点提示:根据销售统计和核算的需要,在销售订单的表头栏目内必须选择对应的销售类型,从以上五种分类中进行选择。
2、销售业务类型(按照结算情况界定)为三种:◆普通销售业务:无论赊销、现销,当月完成发货后(含多次发货)当月结算完毕(含多次结算)的销售业务,在增加销售订单时选择业务类型为普通销售业务。
具体操作见普通销售业务处理流程◆分期收款业务:当月完成发货后(含多次发货),需分次、跨月进行结算、开发票,分批结转收入成本的销售业务,在增加销售订单时选择业务类型为:分期收款。
具体操作见分期收款业务处理流程。
◆直运销售:销售的商品不经过公司库房,直接将商品从供应商处发送到客户方的销售业务(例如:商品代购业务),在增加销售订单时选择业务类型为:直运销售。
具体操作见直运销售业务处理流程。
重点提示:根据销售统计和核算的需要,在销售订单的表头栏目内必须选择对应的业务类型,从以上三种分类中进行选择。
因为三种业务的核算处理方式不同,所以在增加销售订单时一定要区分清楚。
(二)普通销售流程:销售发货分三种情况:机加产品发货:由总调室调度人员先发组装通知到机加工程部,机加工程部从仓库领取散件进行组装。
组装完成后,凭总调室调度人员下达的销售发货通知单由机加工程部发货。
总调室调度人员在【销售管理】模块根据销售订单生成销售发货通知单,进行打印,一式六联[财务部、总调室、销售部、机加工程部、客户(代出门证)],分别由财务部确定是否已经收款;由机加车间工程部进行发货,实物出库后,机加车间工程部在销售发货通知单上进行签字确认;销售发货通知单回执给销售部门作为索要欠款的依据;给客户作为出门依据。
总调室调度人员依据经各部门签字确认后回执的销售发货通知单,在【销售管理】模块中对销售发货通知单进行审核;车体改装、系统集成设备产品发货:车体改装项目、系统集成产品完工后,总调室调度人员在【销售管理】模块根据销售订单生成销售发货通知单,进行打印,一式五联[财务部、总调室、销售部、客户(代出门证)、生产车间],由财务部确定是否已经收款;总调室进行通知发货,在销售发货通知单上进行签字确认;销售发货通知单回执给销售部门作为索要欠款的依据;给客户作为出门依据。
一、销售部分:(一)、发出商品销售业务:编号: PR—SA-003 业务编号SA-003 业务名称发出商品销售业务流程适用范围无论赊销、现销,当月完成发货后,以后月份结算的销售业务相关岗位及权限岗位系统操作权限销售助理销售管理模块中录入销售订单录入销售主管销售管理模块中审核销售订单审核销售助理销售管理模块中录入发货单增加、审核保管员库存管理模块中仓库调拨单录入、一审录入、一审发货检验员仓库调拨单二审二审财务开票员以后期间,开据销售发票录入材料成本会计根据销售调拨单生成出库单并钩稽发发票,存货核算模块中记账、制单记账、制单应收往来会计应收账款模块中结转收入、应收往来核算审核、核销、制单相关部门或岗位客户销售部库房记账员材料成本会计/往来会计具体工作流程以后结算钩稽流 程 描 述 1、销售业务员与客户签订销售合同,销售助理依据在【销售管理】模块录入销售订单并销售主管对销售订单进行确认,并在系统中对订单进行审核.2、产品生产完毕完工入库后,销售助理在【销售管理】模块根据销售订单生成销售发货通知单,3、保管员根据【销售管理】模块中审核后的销售发货单通知单生成仓库调拨单并进行审核,产品出门。
4、以后期间结算时,销售助理根据客户开票需求,对已审核的提货存根联及开票通知单,并送财务部门进行开票;5、财务开票员根据销售助理复核后的开票通知单,开具销售发票.6、材料成本会计在【仓库核算】模块根据仓库调拨单生成销售出库单,材料会计对销售发票进行审核处理并钩稽销售出库单,月底根据根据销售出库单生成销售成本结转凭证。
.7、往来会计收款时在【应收管理】模块中填制收款单并根据收款单生成收款凭证.操作要点:重点提示:错误!对于该种业务要增加一个中转仓进行处理,把发出产品的对象(客户)视同于本公司 的仓库。
错误!在发货时,不能做销售出库单,而因做仓库调拨单,在做通知仓库发货之前,必须明确合同签定,或接到订单。
填制发货通知单并审核收货 填写销售订单仓库调拨单审核销售订单开据销售出库单 审核调拨单销售发票应收账款现结审核收款填制收款单销售收入结转 销售成本是否发出商品。
一、销售部分:(一)销售合同管理流程:1、销售类型(按照产品项)分为五种:车体改装销售机加产品销售多媒体商品销售材料销售系统集成销售重点提示:根据销售统计和核算的需要,在销售订单的表头栏目内必须选择对应的销售类型,从以上五种分类中进行选择。
2、销售业务类型(按照结算情况界定)为三种:◆普通销售业务:无论赊销、现销,当月完成发货后(含多次发货)当月结算完毕(含多次结算)的销售业务,在增加销售订单时选择业务类型为普通销售业务。
具体操作见普通销售业务处理流程◆分期收款业务:当月完成发货后(含多次发货),需分次、跨月进行结算、开发票,分批结转收入成本的销售业务,在增加销售订单时选择业务类型为:分期收款。
具体操作见分期收款业务处理流程。
◆直运销售:销售的商品不经过公司库房,直接将商品从供应商处发送到客户方的销售业务(例如:商品代购业务),在增加销售订单时选择业务类型为:直运销售。
具体操作见直运销售业务处理流程。
重点提示:根据销售统计和核算的需要,在销售订单的表头栏目内必须选择对应的业务类型,从以上三种分类中进行选择。
因为三种业务的核算处理方式不同,所以在增加销售订单时一定要区分清楚。
(二)普通销售流程:编号:PR-SA-0021、销售发货分三种情况:机加产品发货:由总调室调度人员先发组装通知到机加工程部,机加工程部从仓库领取散件进行组装。
组装完成后,凭总调室调度人员下达的销售发货通知单由机加工程部发货。
总调室调度人员在【销售管理】模块根据销售订单生成销售发货通知单,进行打印,一式六联[财务部、总调室、销售部、机加工程部、客户(代出门证)],分别由财务部确定是否已经收款;由机加车间工程部进行发货,实物出库后,机加车间工程部在销售发货通知单上进行签字确认;销售发货通知单回执给销售部门作为索要欠款的依据;给客户作为出门依据。
总调室调度人员依据经各部门签字确认后回执的销售发货通知单,在【销售管理】模块中对销售发货通知单进行审核;车体改装、系统集成设备产品发货:车体改装项目、系统集成产品完工后,总调室调度人员在【销售管理】模块根据销售订单生成销售发货通知单,进行打印,一式五联[财务部、总调室、销售部、客户(代出门证)、生产车间],由财务部确定是否已经收款;总调室进行通知发货,在销售发货通知单上进行签字确认;销售发货通知单回执给销售部门作为索要欠款的依据;给客户作为出门依据。
ERP 中銷售流程及財務治理應用案例之(五)流程圖部分 总共(一十五)编号:PR-SA-002业务编号 SA-002业 务 名 一般销售业务称 流程适用范 不管赊销、现销,当月完成发货后(含多次发货)当月结算完毕(含多次结算)的销售业务围相关岗位及 岗位权限销售部 配运部 库管 材料成本会计 应收往来会计客户销售部系统操作权限销售治理模块中录入销售订单、销售开票申请(办事处) 录入、审核、复核销售治理模块中录入发货单(确认批号批次)增加、审核库存治理模块中生成销售出库单并审核确认增加、审核存货核算模块中记账、制单记账、制单应收账款模块中结转收入、应收往来核算审核、核销、制单相关部门或岗位配运部库管材料成本会计/往来会计1/1收 货合同签定, 相关项目 及存货目 录已增加 完毕。
具体工作流程填写销售订单 审核销售订单现结 催收货款参照销售订单 生成提货通知 单审核出库结转销售 成本参照发货单 生在销售出 库单生成销售发票复核应收账款 收款单制单1/11、 销售部与客户签订销售合同,销售部相关人员依据签审完毕的 手工的销售合同审批单在【销售治理】模块录入销售订单并审核。
2、 配运部依照库存现有情况,在【销售治理】模块依照销售订单 生成销售提货单,并注明提货的批次(见表:PR-SA-03);流 3、 财务销售会计依照销售办事处上报的开票申请单和客户开票 需求,查询销售提货单审核状态,对已审核的销售提货单在【销售程 治理】模块中依照销售提货单生成销售开票通知单(专用发票或 一般发票)(见表:PR-SA-04),进行复核处理;描 4、 财务往来会计在【应收账款】模块中对销售开票通知单进行审 核处理,形成应收账款往来;述 5、 配运部依照【销售治理】模块中审核后的销售提货单传递给配 送人员,配运人员同库管员一同到仓库办理实物出库填制销售出 库单,库房记账人员依照将销售出库单(见表:PR-SA-05)(一式 三联,库房保管人员、库房留存、材料成本会计)进行打印留存, 在【库存治理】模块对销售出库单进行审核,材料成本会计在【存 货核算】模块对销售出库单对应发票进行单据记账,系统自动结 转销售出库成本,材料成本会计进行制单生成销售成本结转凭证。
一、销售部分:(一)销售合同管理流程:1、销售类型(按照产品项)分为五种:车体改装销售机加产品销售多媒体商品销售材料销售系统集成销售重点提示:根据销售统计和核算的需要,在销售订单的表头栏目内必须选择对应的销售类型,从以上五种分类中进行选择。
2、销售业务类型(按照结算情况界定)为三种:◆普通销售业务:无论赊销、现销,当月完成发货后(含多次发货)当月结算完毕(含多次结算)的销售业务,在增加销售订单时选择业务类型为普通销售业务。
具体操作见普通销售业务处理流程◆分期收款业务:当月完成发货后(含多次发货),需分次、跨月进行结算、开发票,分批结转收入成本的销售业务,在增加销售订单时选择业务类型为:分期收款。
具体操作见分期收款业务处理流程。
◆直运销售:销售的商品不经过公司库房,直接将商品从供应商处发送到客户方的销售业务(例如:商品代购业务),在增加销售订单时选择业务类型为:直运销售。
具体操作见直运销售业务处理流程。
重点提示:根据销售统计和核算的需要,在销售订单的表头栏目内必须选择对应的业务类型,从以上三种分类中进行选择。
因为三种业务的核算处理方式不同,所以在增加销售订单时一定要区分清楚。
(二)普通销售流程:销售发货分三种情况:机加产品发货:由总调室调度人员先发组装通知到机加工程部,机加工程部从仓库领取散件进行组装。
组装完成后,凭总调室调度人员下达的销售发货通知单由机加工程部发货。
总调室调度人员在【销售管理】模块根据销售订单生成销售发货通知单,进行打印,一式六联[财务部、总调室、销售部、机加工程部、客户(代出门证)],分别由财务部确定是否已经收款;由机加车间工程部进行发货,实物出库后,机加车间工程部在销售发货通知单上进行签字确认;销售发货通知单回执给销售部门作为索要欠款的依据;给客户作为出门依据。
总调室调度人员依据经各部门签字确认后回执的销售发货通知单,在【销售管理】模块中对销售发货通知单进行审核;车体改装、系统集成设备产品发货:车体改装项目、系统集成产品完工后,总调室调度人员在【销售管理】模块根据销售订单生成销售发货通知单,进行打印,一式五联[财务部、总调室、销售部、客户(代出门证)、生产车间],由财务部确定是否已经收款;总调室进行通知发货,在销售发货通知单上进行签字确认;销售发货通知单回执给销售部门作为索要欠款的依据;给客户作为出门依据。
(ERPMRP 管理)标准业 务流程图 ERP标准业务流程一、销售部分:(一) 销售合同管理流程:业务编号 流程适用范围ZML-001业务名称销售订单管理所有的销售业务必须以审核后的销售订单作为业务起点岗位操作相关岗位及权限销售经理 销售副总 财务销售订单整理,填表,备案 销售订单审核并签字 销售订单核算利润相关部门或岗位销售经理销售经理工程部人员权限填销售订单 审核并签字 核算利润财务项目核算员具 体 工 作 流 程1、 销售部门销售业务员签订销售合同(参见公司合同审批流程)。
所有的销售订单必须填写销售合同描审批单(见表:PR-SA-01),进行各部门审批。
总调室调度人员在接到销售合同审批单后,根据订述单内容、存货情况、产品技术设计情况在【物料需求计划】模块增加存货档案并建立相关的产品结构;根据销售合同审批单上总调室增加的存货档案、产品结构情况财务部门项目核算人员在【总账】模块增加成本对象项目的项目目录;2、 销售助理根据审批后的销售合同审批单在【销售管理】模块中录入销售订单(见表:PR-SA--02),录入完毕后检查无误后,销售助理在【销售管理】模块对销售订单进行审核;3、 财务部门项目核算人员根据销售合同审批单在【总账】模块增加成本对象项目的项目目录,以便进行项目的统计核算;4、 总调室调度人员根据审核后的销售订单在【物料需求计划】模块安排生产计划及采购计划;产品操作要点:1、 销售类型(按照产品项)分为五种:车体改装销售 机加产品销售 多媒体商品销售 材料销售 系统集成销售重点提示:根据销售统计和核算的需要,在销售订单的表头栏目内必须选择对应的销售类型, 从以上五种分类中进行选择。
2、 销售业务类型(按照结算情况界定)为三种: 普通销售业务:无论赊销、现销,当月完成发货后(含多次发货)当月结算完毕(含 多次结算)的销售业务,在增加销售订单时选择业务类型为普通销售业务。
具体操作 见普通销售业务处理流程 分期收款业务:当月完成发货后(含多次发货),需分次、跨月进行结算、开发票, 分批结转收入成本的销售业务,在增加销售订单时选择业务类型为:分期收款。
ERP 中销售流程及财务 管理应用案例之流程图Document number:BGCG-0857-BTDO-0089-2022ERP 中销售流程及财务管理应用案例之流程图部分下面开始我们的 ERP 案例学习,这是我在去年实施的一家生物制药公司,公司新成 立,下面的一些流程图和分析文字是我制作的,财务的朋友也可以根据业务流程图对 你们的企业内部控制情况做个分析。
更多的优秀案例在我站点中。
下面的这一小段主 要是谈谈:ERP 中销售流程及财务管理应用流程。
下一页,开始我们的学习。
学习中有 ERP 管理咨询方面的任何问题,请 Email编号:PR-SA-002业务编号 SA-002业务名 普通销售业务称流程适用范 无论赊销、现销,当月完成发货后(含多次发货)当月结算完毕围(含多次结算)的销售业务相关岗位及岗位系统操作权限权限销售部销售管理模块中录入销售订单、销售开 录入、审票申请(办事处)核、复核配运部销售管理模块中录入发货单(确认批号 增加、审核批次)库管库存管理模块中生成销售出库单并审核 增加、审核确认材料成本 存货核算模块中记账、制单记账、制单会计应收往来 应收账款模块中结转收入、应收往来核 审核、核会计算销、制单相关部门或岗位客户收货合同签 具 体 定,相 工 作 关项目 流 程 及存货目录已增加完毕。
销售部配运部填写销售订单 审核销售订单参照销售 订单生成 提货通知 单现 结催收货款库管材料成本会计/ 往来会计审核 出库 参照发 货单生 在销售 出库单结转销 售成本生成销售 发票 复核应收账 款收款单 制单1、销售部与客户签订销售合同,销售部相关人员依据签审完毕的手工的销售 合同审批单在【销售管理】模块录入销售订单并审核。
流 2、配运部根据库存现有情况,在【销售管理】模块根据销售订单生成销售提 货单,并注明提货的批次(见表:PR-SA-03);程 3、财务销售会计根据销售办事处上报的开票申请单和客户开票需求,查询销售描 提货单审核状态,对已审核的销售提货单在【销售管理】模块中根据销售述 提货单生成销售开票通知单(专用发票或普通发票)(见表:PR-SA04),进行复核处理;4、财务往来会计在【应收账款】模块中对销售开票通知单进行审核处理,形 成应收账款往来;5、配运部根据【销售管理】模块中审核后的销售提货单传递给配送人员,配 运人员同库管员一同到仓库办理实物出库填制销售出库单,库房记账人员 根据将销售出库单(见表:PR-SA-05)(一式三联,库房保管人员、库房 留存、材料成本会计)进行打印留存,在【库存管理】模块对销售出库单 进行审核,材料成本会计在【存货核算】模块对销售出库单对应发票进行 单据记账,系统自动结转销售出库成本,材料成本会计进行制单生成销售 成本结转凭证。
操作要点:1、销售发货情况:产品发货:由销售部与客户签定合同,并审查该客户有无资格发货,如有,则将合同 执行表移交到配运部,配运部长审核批准交运务主管根据客户的要货情况积极备货, 确定发货批次批号在【销售管理】模块中根据销售部传来的合同执行表由销售订单拷 贝生成提货单,提货单一式五联,第一联产品配运部主管留存;第二联计划财务部存 确认提货;第三联库管员存作配运部提货依据;第四联省级办事处存;第五联客户单位签章后返回计划财务部存;第六联客户单位存。
配运部长依据经各部门签字确认后 在提货单,在【销售管理】模块中对销售提货单进行审核。
2、在填制提货单时,需要在销售提货单 的表休录入时录入药品批号。
重点提示:○1 销售部不进行发票管理和收款结算,所有的发票无论是否收款,都由财务部门直 接在【销售管理】模块内进行复核处理,系统将自动转入应收管理模块(挂应收账 款),由财务部根据收款情况在应收账款模块依据财务收款流程进行结算处理。
○2 对于客户不要发票的销售业务,财务部也需要在【销售管理】模块中做开票处理ERP 普通销售业务财务核算处理:业务流程 步流转单据系统操作财务核算处理同销售发货 发票销售发票复核借:主营业务成本 贷:库存商品(1)赊销:销售开票 发票销售发票进行复核 应收账款进行审核项借:应收账款---xx 客户贷:主营业务收入---二级科目 应交税金---应交增值税---销(2)现结:销售发票 销售发票复核并现结处理 借:现金(银行存款)发票应收账款进行审核贷:主营业务收入---二级科目应交税金---应交增值税---销项ERP 分期收款销售业务:编号:PR-SA-003业务编号 SA-003业务名称 分期收款销售业务业务流程简 分期收款销售业务管理 述流程适用范 对于当月产品发出或跨月多次发出后,本月不能全部结算,需要跨月分围期进行开票、结转收入成本相关岗位及岗位权限销售部系统操作权限销售订单录入、开票申请通知(省 录入、审核、复级办事处)核配运部发货单录入增加、审核库房、配运部 生成销售出库并审核确认 财务成本核算 记账、制单录入、审核 结转销售成本财务往来计收入账,进行收款结转收入、收款相关部门或岗位客户销售部配运部库管财务收 货具 合同 体 工签 作 流 定, 程相关 项目 及存 货目 录已 增加 完 毕。
填写销售订单 审核销售订单 开票申请参照销售 订单生成 提货单审核销售 出库单销售出 库单发出商 品账结转销 售成本 列收入 账、开 票、收 款结算描 1、销售部与客户签订销售合同,销售部依据签审完毕的销售合同审批单在【销售 述 管理】模块录入销售订单并审核;销售发货和销售开票流程同普通销售业务的流程。
2、财务材料成本会计在【存货核算】模块对分期收款销售发货单进行记账,将发 出的商品核算成本库存商品转到发出商品进行管理。
3、客户根据约定的付款条件进行分期付款。
财务销售会计根据实际的收到款项比 例,在【销售管理】模块分次开具销售发票并进行复核处理,通知财务往来会 计进行审核。
4、财务往来会计根据财务销售会计复核后的销售发票,在【应收账款】模块中对 销售发票进行审核处理,形成销售收入;在【应收账款】模块填制收款单,进 行收款核账,生成冲销往来账款业务。
5、财务材料成本会计在【存货核算】模块根据财务销售会计开具的分期收款销售 发票结转对应的销售成本。
ERP 操作要点:重点提示: ○1 分期收款业务下销售订单的业务类型必须选择为“分期收款” ○2 对于一次开票,分期收款的业务不适用本范围,而应当采用普通销售流程。
○3 分期收款业务下销售开票,必须参照销售发货通知单生成,不允许手工或参照销 售订单生成。
ERP 分期收款销售业务财务核算处理:业务流程 流转单系统操作财务核算处理同步销售发货分期收款发货单在存货核算模块进行收款发货单记账,将库存商品转到发出商品账。
借:发出商品 贷:库存商品分期销售开票销售发票进行复核,收款开票通知单应收账款进行审核。
借:应收账款---xx 客户分期贷:主营业务收入---二级科目 应交税金---应交增值税---销项结转成本在存货核算管理系统根据分期收 款发票进行记账借:主营业务成本---二级科目 贷:发出商品ERP 销售退货业务:业务编号 SA-005业务名称 销售退货业务业务流程简述 销售退货业务处理流程适用范围 销售退货业务处理流程相关岗位及权岗位系统操作限销售办事处 退货申请销售部审查退货申请编号:PR-SA-05权限 手工管理退 货申请销售部配运部 质检部退货单退入审核 检验退回的货物库房 财务成本核 算 财务往来配运部生成销售出库单(红字) 记账、制单进行冲款 相关部门或岗位质检、配运部库房增加、审核 无需计算机 操作 生成、审核 结转退货成 本 往来核销财务具 体退操 作货流 程申销售 退货审红字销退货核售出库成本红字销售请发票货冲销1、(退审货业务需要严格的审批程序,销售办事处提出退货申请,销售部根据退 收入描 查货)申请执行审核,只有审核通过方可响应对方退货要求。
配运部在【销售述 管理】模块参照原销售订单或发货通知单生成销售退货单(见表 PR-SA-06,一式五联,经配运、财务、库房),审批完成后,货物退回公司后入待检库,库管人员在【库存管理】根据销售退货单生成销售出库单(红字),由库管对销售退货单进行审核处理。
质检部检查货物质量并出具处理意见。
2、如果是已开发票的退货,财务销售会计在【销售管理】模块根据销售退货单开具红字开票通知,进行复核处理。
3、财务往来会计在【应收账款】模块冲销客户欠款或付款;材料成本会计在【存货核算】模块核算退货成本。
ERP 操作要点: 1、未开票前退货:填制退货单,【销售管理】—【业务】—【发货】—【销售退货单】销售退货单参照销售发货单生成,参照发货单生成的退货单自动冲减发货单的未开票数量。
开票时参照发货单即可,开票数量为冲减后的数量。
2、开票后退货处理:填制退货单,【销售管理】—【业务】—【发货】—【销售退货单】填制红字发票,【销售管理】—【业务】—【开票】—【红字销售普通发票】参照原有合同录入退货单,根据退货单开具红字销售发票,冲原有应收账款。
对冲应收账款,【应收账款】—【业务】—【日常处理】—【转帐】--【红票对冲】财务往来会计在应收账款进行红蓝票对冲,自动对冲开票后的退货。
3、退货退票退款处理:开票后的退货,参照原有合同进行退货单录入,根据退货单开具红字销售发票。
退款时,可以对红字销售普通发票进行现结处理,也可在应收账款中进行付款处理。
4、返利与换票业务退补业务:只是涉及销售金额的调整,没有销售产品的出入库管理,即在添加销售开票通知单时在表体“退补标志”选择“退补”处理。
标记为“退补”标志的发货、发票记录只会调整金额并不生成销售出库单。
对于返利的业务,可直接根据返利额开具红字发票并标记为“退补”。
对于需要换开的发票,可先开具与原票金额相反的发票将其冲销,并标记为“退补”;然后再开具内容正确的发票,并标记为“退补”。
ERP销售退货业务财务核算处理:业务流程系统操作财务核算处理同步流转单据销售退回红字销售发票进行复核处理借:应收账款---xx客户红字开票通知单应收账款进行审核。
贷:主营业务收入应交税金---应交增值税---销项结转销售在存货核算模块对红字借:商品销售成本退货单退货成本销售发票进行记账贷:库存商品ERP财务核算——应收账款核算流程ERP应付帐款核算流程编号:PR-AP-022采购人员需注意,如果是新的供应商,系统中没有供应商档案的,需及时进行添加。
对不在供应商档案之列的,将不予付款。
ERP财务部门工作流程编号:PR-GL-023具体工作流程审核或成批出纳签记账填制凭证手工审核机制凭证打印并自动转其他系结账打开报重算表生成报收集审核无误的原原始凭证上报相关报表具体描述1.财务部各制单岗位根据收集的原始凭证,按照业务特点有的直接在【总账】模块中制单,有的在各功能模块根据已录入的审核无误的业务单据直接生成凭证。