隧道施工喷射混凝土损耗消耗统计(核算)表
- 格式:xls
- 大小:40.50 KB
- 文档页数:4
隧道施工主要材料消耗量估计
隧道施工消耗的主要材料包括:开挖材料、支护材料、衬砌材料、管线路材料等。
一般根据设计文件、爆破计划、管线路布置图、混凝土配合比以及施工组织计划提供的数据,经计算后可得出设计的材料消耗数量。
但隧道施工中存在因管理不善、工艺不精、意外损失等无法预计的损耗量,使隧道施工主要材料消耗量难以计算准确,常需依据以往的施工经历加以估计。
表1-14、表1-15分别给出双线隧道和辅助坑道每延米开挖材料消耗量,表1-16、表1-17分别给出每公里供气水管路和供电线路的材料数量,仅供参考[1]。
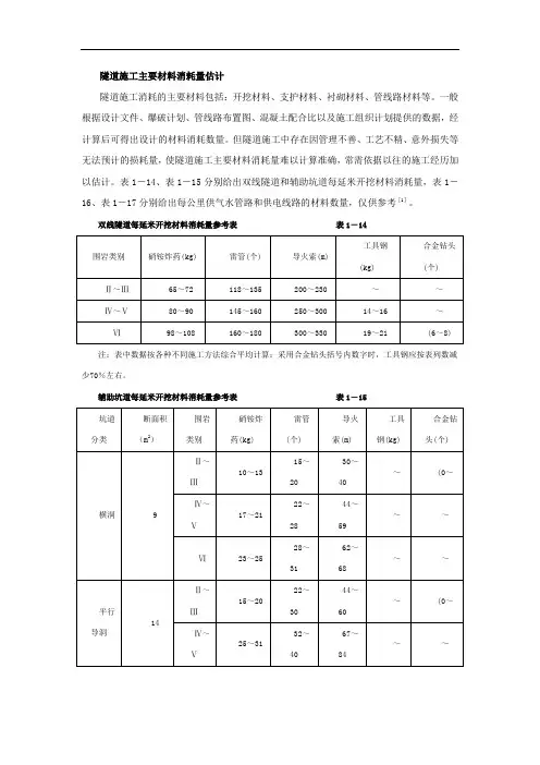
双线隧道每延米开挖材料消耗量参考表表1-14
注:表中数据按各种不同施工方法综合平均计算;采用合金钻头括号内数字时,工具钢应按表列数减少70%左右。
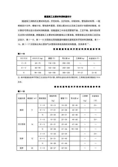
辅助坑道每延米开挖材料消耗量参考表表1-15
注:斜竖井采用电爆,除雷管用电雷管外,还另计电线耗用量;采用合金钻头括号内数值时,工具钢应按表列数减少70%左右。
每公里供气、水管路数量参考表表1-16
每公里供电线路数量参考表表1-17。
混凝土原材料消耗统计表摘要:1.混凝土原材料消耗统计表的概述2.混凝土原材料的种类和作用3.混凝土原材料消耗的统计方法4.混凝土原材料消耗的现状和趋势5.对混凝土原材料消耗的建议和展望正文:一、混凝土原材料消耗统计表的概述混凝土是建筑工程中不可或缺的一种建筑材料,其主要由水泥、砂、石子、水等原材料混合而成。
混凝土原材料消耗统计表是对混凝土生产过程中各种原材料消耗情况进行详细记录和分析的表格,对于优化混凝土生产过程,降低生产成本,提高工程质量具有重要意义。
二、混凝土原材料的种类和作用1.水泥:作为混凝土的主要胶结材料,起着粘结砂、石等骨料的作用。
2.砂:与水泥和水混合后,填充水泥石粒间的空隙,增加混凝土的流动性,同时能提高混凝土的抗压强度。
3.石子:作为混凝土的骨料,承担着支撑混凝土的重量和提高混凝土抗压强度的作用。
4.水:水是混凝土中水泥凝结硬化的必要条件,能使水泥充分水化,提高混凝土的强度和耐久性。
三、混凝土原材料消耗的统计方法统计混凝土原材料消耗,一般采用重量法,即按照各种原材料在混凝土中的比例,结合混凝土的总重量,计算出各种原材料的消耗量。
四、混凝土原材料消耗的现状和趋势随着我国经济的快速发展,基础设施建设不断加大,混凝土原材料的消耗量也在逐年增加。
然而,由于原材料价格波动、生产工艺落后等原因,导致混凝土原材料的消耗存在一定程度的浪费。
未来,随着绿色建筑、节能减排的发展,混凝土原材料的消耗将趋向于合理化、低碳化。
如何提高原材料利用率,降低消耗,将是混凝土行业面临的重要课题。
五、对混凝土原材料消耗的建议和展望1.优化混凝土配合比,降低原材料消耗。
2.推广绿色生产工艺,提高原材料利用率。
3.加强混凝土原材料消耗的统计分析,为政策制定提供数据支持。
4.建立健全原材料循环利用机制,实现可持续发展。
喷射混凝土(湿喷工艺)在山岭隧道损耗量控制刘鹏飞(中交四航局第一工程有限公司 广东广州 510310)摘要:喷射混凝土超耗会对工程建设带来巨大损失,喷射混凝土超耗量对工程效益起着举足轻重的作用,控制好喷射混凝土超耗量是一项非常艰难的任务,也是隧道工程质量通病治理关键点之一。
影响喷射混凝土超耗量的因素有很多,合理控制超耗量是保证工程质量的唯一选择。
在万州北山隧道项目,采用CD法和双侧壁导坑法开挖,针对喷射混凝土损耗控制更为重要。
建设初期,经过不断优化方案,针对不同原材料进行了上百次室内试验和现场试喷,发现影响喷射混凝土超耗量的几个主要原因,通过对喷射混凝土原材料、配合比、机械设备、人为因素等进行控制,可以有效地降低喷射混凝土超耗量。
关键词:喷射混凝土 山岭隧道 损耗量 控制中图分类号:U455文献标识码:A 文章编号:1672-3791(2023)09-0069-04 Control of the Loss of Shotcrete (Wet Shotcreting Technology)in Mountain TunnelsLIU Pengfei(The First Engineering Company of CCCC Fourth Harbor Engineering Co., Ltd., Guangzhou,Guangdong Province, 510310 China)Abstract:The excessive loss of shotcrete will bring huge losses to engineering construction, and the excessive loss of shotcrete plays a decisive role in project benefits. It is a very difficult task to control the excessive loss of shotcrete, and it is also one of the key points for the treatment of common quality problems of tunnel engineering. There are many factors that affect the excessive loss of shotcrete, and reasonable control of the excessive loss is the only option to ensure project quality. In the Beishan Tunnel project in Wanzhou, using the CD method and double-side drift method to dig is more important to control the loss of shotcrete. At the early stage of construction, through con‐tinuous optimization of the scheme, hundreds of indoor tests and on-site shotcreting tests were carried out for dif‐ferent raw materials, and several main reasons affecting the excessive loss of shotcrete were found. The excessive loss of shotcrete can be effectively reduced by controlling raw materials, mix ratio, mechanical equipment and human factors of shotcrete.Key Words: Shotcrete; Mountain tunnel; Loss; Control喷射混凝土(湿喷工艺)在市政工程山岭隧道施工中最常见的施工方法,各类隧道工程建设中都要对喷射混凝土损耗量采取有效方法进行降低并进行严格控制,以确保工程质量或因损耗量过大对工程经济效益造成巨大损失。
隧道施工主要材料消耗量估计
隧道施工消耗的主要材料包括:开挖材料、支护材料、衬砌材料、管线路材料等。
一般
根据设计文件、爆破计划、管线路布置图、混凝土配合比以及施工组织计划提供的数据,经
计算后可得出设计的材料消耗数量。
但隧道施工中存在因管理不善、工艺不精、意外损失等
无法预计的损耗量,使隧道施工主要材料消耗量难以计算准确,常需依据以往的施工经历加以估计。
表1 - 14、表1 一15分别给出双线隧道和辅助坑道每延米开挖材料消耗量,表 1 -
「门
16、表1 - 17分别给出每公里供气水管路和供电线路的材料数量,仅供参考。
双线隧道每延米开挖材料消耗量参考表表1— 14
注:表中数据按各种不同施工方法综合平均计算;采用合金钻头括号内数字时,工具钢应按表列数减少70% 左右。
辅助坑道每延米开挖材料消耗量参考表表1— 15
注:斜竖井采用电爆,除雷管用电雷管外,还另计电线耗用量;采用合金钻头括号内数值时,工具钢应按表列数减少
70 %左右。
每公里供气、水管路数量参考表表1- 16
表1- 17。
四川省桃园(川陕界)至巴中高速公路工程项目中间检验申请批复单承包单位:成都华川公路建设集团有限公司合同号: LJ7 监理单位:四川公路工程咨询监理公司编号:监表8工程项目高家湾隧道工程工程地点及桩号K76+605~ZK76+631.18具体部位1#车通喷射混凝土支护检验内容喷射混凝土强度、喷层厚度、空洞检测要求到现场检验时间年月日时承包人递交时间和签名年月日监理员收到时间和签名年月日监理员意见:签名:年月日专业监理工程师自检质量证明附件签名:年月日1、(钢纤维)喷射混凝土支护现场质量检验表2、隧道洞身喷射混凝土自检表3、混凝土力学性能试验检测报告承包人收到日期和签名年月日四川省桃园(川陕界)至巴中高速公路工程项目(钢纤维)喷射混凝土支护现场质量检验表承包单位:成都华川公路建设集团有限公司合同号: LJ7 监理单位:四川公路工程咨询监理公司编号:隧道检表6 工程名称高家湾隧道工程施工日期桩号及工程部位K76+605~ZK76+631.18 1#车通喷射混凝土支护检验日期基本要求1、材料必须满足规范或设计要求。
2、喷射前要检查开挖断面的质量,处理好超欠挖。
3、喷射前,岩面必须清洁。
4、喷射混凝土支护应与围岩紧密粘接,结合牢固,喷层厚度应符合要求,不能有空洞,喷层内不容许添加片石和木板等杂物,必要时应进行粘结力测试.喷射混凝土严禁挂模喷射.受喷面必须是原岩面。
5、支护前应做好择水措施,对渗漏水孔洞、缝隙应采取引捧、堵水措施,保证喷射混凝土质量。
6、采用钢纤维喷射混凝土时,钢纤维抗拉强度不得低于380MPa,且不得有油渍及明显的锈蚀。
钢纤维直径宜为0.3~0.5mm,长度为20~25mm,且不得大于25mm。
钢纤维含量宜为混合料质量的1%~3%。
检查项目规定值或允许偏差实测值或偏差值检查方法及频率喷射混凝土强度(MPa)在合格标准内按附录E检查喷层厚度(mm) 平均厚度≥设计厚度;检查点的60%≥设计厚度;最小厚度≥0.5设计厚度,且≥50凿孔法或雷达检测仪:每10m检查一个断面,每个断面从拱顶中线起每3m检查1点空洞检测①无空洞,无杂物凿孔或雷达检测仪:每10m 检查一个断面,每个断面从拱顶中线起每3m检查1点质检负责人意见:监理员意见:专业监理工程师:承包单位:成都华川公路建设集团有限公司合同号: LJ7 监理单位:四川公路工程咨询监理公司编号:隧道记录表6合同段桃巴高速公路第7合同段工程名称高家湾隧道工程桩号或部位K76+605~K76+606.5喷射混凝土检查日期锚杆类型Φ22药卷锚杆围岩类别IV级检查孔设计厚度(cm)允许值实测厚度(cm)改正厚度(cm)110平均厚度≥设计厚度,检查点的90%≥设计厚度,最小厚度≥0.5倍设计厚度,且≥50mm22'33'44'砼试件抗压强度5 龄期试验报告单编号强度(MPa) 5'7天6 28天6'平整度(mm) 允许值实测值合格率(%) ±30喷面实际情况检查结果检查质检负责人监理意见承包单位:成都华川公路建设集团有限公司合同号: LJ7 监理单位:四川公路工程咨询监理公司编号:隧道记录表6合同段桃巴高速公路第7合同段工程名称高家湾隧道工程桩号或部位K76+606.5~K76+608喷射混凝土检查日期锚杆类型Φ22药卷锚杆围岩类别IV级检查孔设计厚度(cm)允许值实测厚度(cm)改正厚度(cm)110平均厚度≥设计厚度,检查点的90%≥设计厚度,最小厚度≥0.5倍设计厚度,且≥50mm22'33'44'砼试件抗压强度5 龄期试验报告单编号强度(MPa) 5'7天6 28天6'平整度(mm) 允许值实测值合格率(%) ±30喷面实际情况检查结果检查质检负责人监理意见承包单位:成都华川公路建设集团有限公司合同号: LJ7 监理单位:四川公路工程咨询监理公司编号:隧道记录表6合同段桃巴高速公路第7合同段工程名称高家湾隧道工程桩号或部位K76+608~K76+609.5喷射混凝土检查日期锚杆类型Φ22药卷锚杆围岩类别IV级检查孔设计厚度(cm)允许值实测厚度(cm)改正厚度(cm)110平均厚度≥设计厚度,检查点的90%≥设计厚度,最小厚度≥0.5倍设计厚度,且≥50mm22'33'44'砼试件抗压强度5 龄期试验报告单编号强度(MPa) 5'7天6 28天6'平整度(mm) 允许值实测值合格率(%) ±30喷面实际情况检查结果检查质检负责人监理意见承包单位:成都华川公路建设集团有限公司合同号: LJ7 监理单位:四川公路工程咨询监理公司编号:隧道记录表6合同段桃巴高速公路第7合同段工程名称高家湾隧道工程桩号或部位K76+609.5~K76+611喷射混凝土检查日期锚杆类型Φ22药卷锚杆围岩类别IV级检查孔设计厚度(cm)允许值实测厚度(cm)改正厚度(cm)110平均厚度≥设计厚度,检查点的90%≥设计厚度,最小厚度≥0.5倍设计厚度,且≥50mm22'33'44'砼试件抗压强度5 龄期试验报告单编号强度(MPa) 5'7天6 28天6'平整度(mm) 允许值实测值合格率(%) ±30喷面实际情况检查结果检查质检负责人监理意见承包单位:成都华川公路建设集团有限公司合同号: LJ7 监理单位:四川公路工程咨询监理公司编号:隧道记录表6合同段桃巴高速公路第7合同段工程名称高家湾隧道工程桩号或部位K76+611~K76+612.5喷射混凝土检查日期锚杆类型Φ22药卷锚杆围岩类别IV级检查孔设计厚度(cm)允许值实测厚度(cm)改正厚度(cm)110平均厚度≥设计厚度,检查点的90%≥设计厚度,最小厚度≥0.5倍设计厚度,且≥50mm22'33'44'砼试件抗压强度5 龄期试验报告单编号强度(MPa) 5'7天6 28天6'平整度(mm) 允许值实测值合格率(%) ±30喷面实际情况检查结果检查质检负责人监理意见承包单位:成都华川公路建设集团有限公司合同号: LJ7 监理单位:四川公路工程咨询监理公司编号:隧道记录表6合同段桃巴高速公路第7合同段工程名称高家湾隧道工程桩号或部位K76+612.5~K76+614喷射混凝土检查日期锚杆类型Φ22药卷锚杆围岩类别IV级检查孔设计厚度(cm)允许值实测厚度(cm)改正厚度(cm)110平均厚度≥设计厚度,检查点的90%≥设计厚度,最小厚度≥0.5倍设计厚度,且≥50mm22'33'44'砼试件抗压强度5 龄期试验报告单编号强度(MPa) 5'7天6 28天6'平整度(mm) 允许值实测值合格率(%) ±30喷面实际情况检查结果检查质检负责人监理意见承包单位:成都华川公路建设集团有限公司合同号: LJ7 监理单位:四川公路工程咨询监理公司编号:隧道记录表6合同段桃巴高速公路第7合同段工程名称高家湾隧道工程桩号或部位K76+614~K76+615.5喷射混凝土检查日期锚杆类型Φ22药卷锚杆围岩类别IV级检查孔设计厚度(cm)允许值实测厚度(cm)改正厚度(cm)110平均厚度≥设计厚度,检查点的90%≥设计厚度,最小厚度≥0.5倍设计厚度,且≥50mm22'33'44'砼试件抗压强度5 龄期试验报告单编号强度(MPa) 5'7天6 28天6'平整度(mm) 允许值实测值合格率(%) ±30喷面实际情况检查结果检查质检负责人监理意见承包单位:成都华川公路建设集团有限公司合同号: LJ7 监理单位:四川公路工程咨询监理公司编号:隧道记录表6合同段桃巴高速公路第7合同段工程名称高家湾隧道工程桩号或部位K76+615.5~K76+617喷射混凝土检查日期锚杆类型Φ22药卷锚杆围岩类别IV级检查孔设计厚度(cm)允许值实测厚度(cm)改正厚度(cm)110平均厚度≥设计厚度,检查点的90%≥设计厚度,最小厚度≥0.5倍设计厚度,且≥50mm22'33'44'砼试件抗压强度5 龄期试验报告单编号强度(MPa) 5'7天6 28天6'平整度(mm) 允许值实测值合格率(%) ±30喷面实际情况检查结果检查质检负责人监理意见承包单位:成都华川公路建设集团有限公司合同号: LJ7 监理单位:四川公路工程咨询监理公司编号:隧道记录表6合同段桃巴高速公路第7合同段工程名称高家湾隧道工程桩号或部位K76+617~K76+618.5喷射混凝土检查日期锚杆类型Φ22药卷锚杆围岩类别IV级检查孔设计厚度(cm)允许值实测厚度(cm)改正厚度(cm)110平均厚度≥设计厚度,检查点的90%≥设计厚度,最小厚度≥0.5倍设计厚度,且≥50mm22'33'44'砼试件抗压强度5 龄期试验报告单编号强度(MPa) 5'7天6 28天6'平整度(mm) 允许值实测值合格率(%) ±30喷面实际情况检查结果检查质检负责人监理意见承包单位:成都华川公路建设集团有限公司合同号: LJ7 监理单位:四川公路工程咨询监理公司编号:隧道记录表6合同段桃巴高速公路第7合同段工程名称高家湾隧道工程桩号或部位K76+618.5~K76+620喷射混凝土检查日期锚杆类型Φ22药卷锚杆围岩类别IV级检查孔设计厚度(cm)允许值实测厚度(cm)改正厚度(cm)110平均厚度≥设计厚度,检查点的90%≥设计厚度,最小厚度≥0.5倍设计厚度,且≥50mm22'33'44'砼试件抗压强度5 龄期试验报告单编号强度(MPa) 5'7天6 28天6'平整度(mm) 允许值实测值合格率(%) ±30喷面实际情况检查结果检查质检负责人监理意见承包单位:成都华川公路建设集团有限公司合同号: LJ7 监理单位:四川公路工程咨询监理公司编号:隧道记录表6合同段桃巴高速公路第7合同段工程名称高家湾隧道工程桩号或部位K76+620~K76+621.5喷射混凝土检查日期锚杆类型Φ22药卷锚杆围岩类别IV级检查孔设计厚度(cm)允许值实测厚度(cm)改正厚度(cm)110平均厚度≥设计厚度,检查点的90%≥设计厚度,最小厚度≥0.5倍设计厚度,且≥50mm22'33'44'砼试件抗压强度5 龄期试验报告单编号强度(MPa) 5'7天6 28天6'平整度(mm) 允许值实测值合格率(%) ±30喷面实际情况检查结果检查质检负责人监理意见承包单位:成都华川公路建设集团有限公司合同号: LJ7 监理单位:四川公路工程咨询监理公司编号:隧道记录表6合同段桃巴高速公路第7合同段工程名称高家湾隧道工程桩号或部位K76+621.5~K76+623喷射混凝土检查日期锚杆类型Φ22药卷锚杆围岩类别IV级检查孔设计厚度(cm)允许值实测厚度(cm)改正厚度(cm)110平均厚度≥设计厚度,检查点的90%≥设计厚度,最小厚度≥0.5倍设计厚度,且≥50mm22'33'44'砼试件抗压强度5 龄期试验报告单编号强度(MPa) 5'7天6 28天6'平整度(mm) 允许值实测值合格率(%) ±30喷面实际情况检查结果检查质检负责人监理意见承包单位:成都华川公路建设集团有限公司合同号: LJ7 监理单位:四川公路工程咨询监理公司编号:隧道记录表6合同段桃巴高速公路第7合同段工程名称高家湾隧道工程桩号或部位K76+623~K76+624.76喷射混凝土检查日期锚杆类型Φ22药卷锚杆围岩类别IV级检查孔设计厚度(cm)允许值实测厚度(cm)改正厚度(cm)110平均厚度≥设计厚度,检查点的90%≥设计厚度,最小厚度≥0.5倍设计厚度,且≥50mm22'33'44'砼试件抗压强度5 龄期试验报告单编号强度(MPa) 5'7天6 28天6'平整度(mm) 允许值实测值合格率(%) ±30喷面实际情况检查结果检查质检负责人监理意见四川省桃园(川陕界)至巴中高速公路工程项目(钢纤维)喷射混凝土支护现场质量检验表承包单位:成都华川公路建设集团有限公司合同号: LJ7 监理单位:四川公路工程咨询监理公司编号:隧道检表6 工程名称高家湾隧道工程施工日期桩号及工程部位K76+605~ZK76+631.18 1#车通喷射混凝土支护检验日期基本要求1、材料必须满足规范或设计要求。
隧道施工主要材料消耗量估计
隧道施工消耗的主要材料包括:开挖材料、支护材料、衬砌材料、管线路材料等。
一般根据设计文件、爆破计划、管线路布置图、混凝土配合比以及施工组织计划提供的数据,经计算后可得出设计的材料消耗数量。
但隧道施工中存在因管理不善、工艺不精、意外损失等无法预计的损耗量,使隧道施工主要材料消耗量难以计算准确,常需依据以往的施工经历加以估计。
表1-14、表1-15分别给出双线隧道和辅助坑道每延米开挖材料消耗量,表1-16、表1-17分别给出每公里供气水管路和供电线路的材料数量,仅供参考[1]。
双线隧道每延米开挖材料消耗量参考表表1-14
注:表中数据按各种不同施工方法综合平均计算;采用合金钻头括号内数字时,工具钢应按表列数减少70%左右。
辅助坑道每延米开挖材料消耗量参考表表1-15
注:斜竖井采用电爆,除雷管用电雷管外,还另计电线耗用量;采用合金钻头括号内数值时,工具钢应按表列数减少70%左右。
每公里供气、水管路数量参考表表1-16
每公里供电线路数量参考表表1-17。
混凝土原材料消耗统计表一、混凝土原材料消耗统计背景随着我国基础设施建设的快速发展,混凝土作为建筑业中最常用的建筑材料,其消耗量逐年增长。
为了合理控制混凝土生产成本,提高资源利用率,对混凝土原材料消耗进行统计分析具有重要意义。
本文将围绕混凝土原材料消耗统计展开讨论,分析消耗量、探讨降低消耗的途径,为混凝土生产企业提供参考。
二、混凝土原材料消耗统计方法1.统计指标在进行混凝土原材料消耗统计时,需要关注以下几个指标:(1)总消耗量:指在一定时期内,混凝土生产过程中各种原材料的总消耗量。
(2)单位消耗量:指每生产一定数量的混凝土,所需的原材料消耗量。
(3)人均消耗量:指每位混凝土生产工人每小时生产的混凝土所需的原材料消耗量。
2.数据收集与处理收集混凝土生产过程中各种原材料的消耗数据,包括水泥、砂、石子、水等。
将数据进行整理、核实,确保数据的准确性和完整性。
3.消耗量分析根据收集到的数据,分析各类原材料的消耗量,对比不同时间段、不同生产设备的消耗量,找出消耗量的变化规律。
三、混凝土原材料消耗统计结果1.各类原材料消耗量根据统计数据,得出以下结论:(1)水泥消耗量最大,占总消耗量的比例较高。
(2)砂、石子消耗量相当,分别占总消耗量的较大比例。
(3)水消耗量较小,但仍是混凝土生产过程中不可或缺的原材料。
2.消耗量对比与分析对比不同时间段、不同生产设备的消耗量,分析如下:(1)在生产过程中,水泥、砂、石子的消耗量均呈现出季节性波动。
(2)生产设备的性能对原材料消耗量有一定影响,高性能设备的原材料消耗量较低。
3.影响消耗量的因素影响混凝土原材料消耗量的因素包括:(1)原材料市场价格波动。
(2)生产设备性能和技术水平。
(3)现场管理和操作人员技能。
四、降低消耗量的措施和建议1.优化原材料搭配根据原材料的性能和价格,合理搭配各类原材料,降低成本。
2.提高生产工艺和设备水平选购高性能的生产设备,提高生产工艺,降低原材料消耗。
混凝土原材料消耗报表
混凝土原材料消耗报表是用于记录和统计混凝土生产过程中所使用的各类原材料的消耗情况的报表。
该报表可以包括以下内容:
1. 水泥消耗:记录所使用的水泥的品牌、型号、规格及消耗量。
2. 砂浆消耗:记录所使用的砂浆的种类、配比及消耗量。
3. 粗骨料消耗:记录所使用的粗骨料(如石子、碎石等)的种类、规格及消耗量。
4. 细骨料消耗:记录所使用的细骨料(如河砂、人造砂等)的种类、规格及消耗量。
5. 混凝土添加剂消耗:记录所使用的各类混凝土添加剂(如减水剂、增塑剂等)的种类、规格及消耗量。
6. 混凝土外加剂消耗:记录所使用的混凝土外加剂(如玻璃纤维、钢纤维等)的种类、规格及消耗量。
7. 沙浆、砂浆等辅助材料消耗:记录所使用的辅助材料(如胶凝材料、硬化剂等)的种类、规格及消耗量。
8. 其他原材料消耗:记录其他与混凝土生产相关的原材料的种类、规格及消耗量。
混凝土原材料消耗报表的主要作用是为企业提供混凝土生产过程中原材料的使用情况,以便进行成本分析、生产计划调整等决策。
同时,该报表还可以用于监控原材料的消耗量,及时发现并解决原材料浪费、短缺等问题,提高生产效率和资源利用率。
隧道施工主要材料消耗量估计
隧道施工消耗的主要材料包括:开挖材料、支护材料、衬砌材料、管线路材料等。
一般根据设计文件、爆破计划、管线路布置图、混凝土配合比以及施工组织计划提供的数据,经计算后可得出设计的材料消耗数量。
但隧道施工中存在因管理不善、工艺不精、意外损失等无法预计的损耗量,使隧道施工主要材料消耗量难以计算准确,常需依据以往的施工经历加以估计。
表1-14、表1-15分别给出双线隧道和辅助坑道每延米开挖材料消耗量,表1-16、表1-17分别给出每公里供气水管路和供电线路的材料数量,仅供参考[1]。
双线隧道每延米开挖材料消耗量参考表表1-14
注:表中数据按各种不同施工方法综合平均计算;采用合金钻头括号内数字时,工具钢应按表列数减少70%左右。
辅助坑道每延米开挖材料消耗量参考表表1-15
注:斜竖井采用电爆,除雷管用电雷管外,还另计电线耗用量;采用合金钻头括号内数值时,工具钢应按表列数减少70%左右。
每公里供气、水管路数量参考表表1-16
每公里供电线路数量参考表表1-17。
2.主要材料超运距取定,主要材料的超运距取定见下表。
(二)材料消耗量的确定(3)机械石方定额岩石强度系数(f)综合权数的取定,详见下表。
二、定额编制因素的确定1.墙体厚度及其他砌体综合权数的取定,见下表。
2.砌体灰缝厚度取定见下表。
3.每立方米各种不同厚度砖墙用砖和砂浆的计算公式:砖净用量={1÷[墙厚×(砖长+灰缝)×(砖厚+灰缝)]}×K式中:K=墙厚的砖数×2,墙厚的砖数指1/2,1,1.5,2,2.5,3。
砂浆净用量=1-砖数净用量×每块砖体积(四)模板量计算1.组合式钢模板(1)计算式:组合式钢模板定额摊销量=〔一次使用量×〈1一残值率)/周转次数〕×(1十施工损耗率);一次使用量=混凝土模板接触面积每100㎡一次净用量。
另增加组合式钢模板回库维修量:按项目摊销量×8%计算。
(2)周转次数、施工损耗及残值率取定见下表。
2.木模板(1)计算式:木模板一次使用量=构件每100㎡接触面积一次模板净用量周转用量=一次使用量×〈l十(周转次数-l)×补损率〉/周转次数回收量=一次使用量×(1一补损率)×50%/周转次数摊销量=(周转量一回收量)×(1十施工损耗率)或摊销量=一次使用量×K×(1十施工损耗率)式中:K=〔1十(周转次数一l)×补损率一(1一补损率)×50%〕/周转次数(2)周转次数、损耗率、补损率及K值取定见下表。
3.大钢模板:周转200次,损耗率12.2%(包括大修、经常维护)4.木胶合板模板:模板定额摊销量的计算公式与组合式钢模板相同。
材料周转次数见下表。
1.脚手架材料使用寿命期及残值率见下表。
3.脚手架立杆间距、步高及架高确定见下表。
主要材料损耗率表(二)主要材料损耗率(二)主要材料损耗率主要材料损耗率表(二)主要材料损耗率主要材料损耗率表(二)主要材料损耗率主要材料损耗率表。
混凝土原材料消耗统计表摘要:一、引言二、混凝土原材料概述1.水泥2.砂3.碎石4.水三、混凝土原材料消耗统计表的编制1.数据来源2.统计方法3.表格结构四、混凝土原材料消耗统计表的分析1.我国混凝土原材料消耗总体情况2.各地区混凝土原材料消耗差异3.混凝土原材料消耗与建筑行业发展的关系五、提高混凝土原材料利用率的建议1.优化混凝土配合比2.推广新型混凝土技术3.加强混凝土原材料的回收利用六、结论正文:一、引言随着我国城市化进程的加快,建筑行业的迅速发展,混凝土作为建筑业中最常用的建筑材料,其原材料的消耗量也呈现出持续增长的趋势。
为了更好地了解我国混凝土原材料的消耗情况,本文将对混凝土原材料消耗统计表进行分析和讨论。
二、混凝土原材料概述混凝土是由水泥、砂、碎石和水按一定比例配制而成。
水泥作为胶凝材料,使混凝土具有强度和耐久性;砂和碎石作为骨料,提供混凝土的体积和支撑力;水在混凝土中起到润滑作用,有助于混凝土的拌合和输送。
1.水泥水泥是混凝土中最重要的原材料之一,其质量直接影响到混凝土的强度和耐久性。
我国水泥产量位居世界前列,但仍需不断提高生产技术和质量,降低消耗,减少环境污染。
2.砂砂在混凝土中起到骨料的作用,对混凝土的强度和抗渗性有重要影响。
我国砂资源丰富,但在部分地区已出现供需失衡的现象,需要合理开发和利用。
3.碎石碎石作为混凝土中的粗骨料,对提高混凝土的抗压强度和抗磨损性能具有关键作用。
我国碎石资源分布广泛,但品质差异较大,需要进行合理选材和优化配比。
4.水水在混凝土中占据较大比例,其质量对混凝土的性能也有很大影响。
合理控制水灰比,对提高混凝土的强度和耐久性至关重要。
三、混凝土原材料消耗统计表的编制1.数据来源混凝土原材料消耗统计表的数据主要来源于国家统计局、建设部门等官方渠道,以及相关行业协会和企业。
2.统计方法统计方法主要包括收集和整理相关数据,分析混凝土原材料的消耗总量、增长趋势、地区差异等。
隧道施工喷射混凝土材料损耗专项统计(核算)表
统计核算时间:2017年 8
填表说明:公司名称和项目名称可填简称,道路等级选择:铁路、高速公路和地方道路,施工时间年和月分别填写对应空格,喷射砼工艺选择干喷、潮喷和
湿喷,二衬砼工艺选择模筑台车和支架。
隧道施工喷射混凝土材料损耗专项统计(核算)表
统计核算时间:2017年 8
填表说明:公司名称和项目名称可填简称,道路等级选择:铁路、高速公路和地方道路,施工时间年和月分别填写对应空格,喷射砼工艺选择干喷、潮喷和
湿喷,二衬砼工艺选择模筑台车和支架。