物理实验太阳能电池特性测定原理
- 格式:doc
- 大小:113.50 KB
- 文档页数:4
实验T 太阳能电池特性的测量 (以下是厂家提供的资料)太阳能的利用和太阳能电池特性研究是21世纪新型能源开发的重点课题。
目前硅太阳能电池应用领域除人造卫星和宇宙飞船外,已大量用于民用领域:如太阳能汽车、太阳能游艇、太阳能收音机、太阳能计算机、太阳能乡村电站等。
太阳能是一种清洁、“绿色”能源,因此,世界各国十分重视对太阳能电池的研究和利用。
本实验的目的主要是探讨太阳能电池的基本特性,太阳能电池能够吸收光的能量,并将所吸收的光子能量转换为电能。
【实验目的】1. 在没有光照时,太阳能电池主要结构为一个二极管,测量该二极管在正向偏压时的伏安特性曲线,并求得电压和电流关系的经验公式。
2. 测量太阳能电池在光照时的输出伏安特性,作出伏安特性曲线图,从图中求得它的短路电流(SC I )、开路电压(OC U )、最大输出功率m P 及填充因子FF ,)]U I /(P FF [OC SC m •=。
填充因子是代表太阳能电池性能优劣的一个重要参数。
3. 测量太阳能电池的光照特性:测量短路电流SC I 和相对光强度0J /J 之间关系,画出SC I 与相对光强0J /J 之间的关系图;测量开路电压OC U 和相对光强度0J /J 之间的关系,画出OC U 与相对光强0J /J 之间的关系图。
【实验仪器】FB736型太阳能电池特性实验仪光具座及滑块座、具有引出接线的盒装太阳能电池、数字万用表1只、电阻箱1只、白炽灯光源1只(射灯结构,功率W 40)、光功率计(带V 3直流稳压电源)、导线若干、遮光罩1个、单刀双掷开关1个,实物图如图4所示。
【实验原理】太阳能电池在没有光照时其特性可视为一个二极管,在没有光照时其正向偏压U 与通过电流I 的关系式为: )1e (I I U o -•=β (1)(1)式中,o I 和β是常数。
由半导体理论,二极管主要是由能隙为V C E E -的半导体构成,如图1所示。
C E 为半导体导电带,V E 为半导体价电带。
太阳能电池特性测试实验报告-资料类关键信息项:1、实验目的2、实验设备与材料3、实验原理4、实验步骤5、数据记录与处理6、实验结果与分析7、误差分析8、结论与展望1、实验目的11 了解太阳能电池的工作原理和基本特性。
111 掌握太阳能电池的输出特性和效率的测量方法。
112 研究光照强度、负载电阻等因素对太阳能电池性能的影响。
2、实验设备与材料21 太阳能电池板211 光源模拟器212 数字万用表213 可变电阻箱214 数据采集卡及计算机3、实验原理31 太阳能电池的工作原理基于光伏效应,当光照射到半导体材料上时,光子能量被吸收,产生电子空穴对。
在内建电场的作用下,电子和空穴分别向两端移动,形成光生电动势。
311 太阳能电池的输出特性包括短路电流(Isc)、开路电压(Voc)、最大输出功率(Pm)等。
312 太阳能电池的效率(η)定义为输出电功率与入射光功率之比。
4、实验步骤41 连接实验设备,将太阳能电池板与光源模拟器、数字万用表、可变电阻箱等连接好。
411 调节光源模拟器的光照强度,设置不同的光照条件。
412 改变可变电阻箱的电阻值,测量太阳能电池在不同负载电阻下的输出电压(V)和输出电流(I)。
413 记录数据,包括光照强度、负载电阻、输出电压和输出电流等。
5、数据记录与处理51 将测量得到的数据整理成表格形式,包括光照强度、负载电阻、输出电压、输出电流等。
511 计算太阳能电池的短路电流(Isc)、开路电压(Voc)和最大输出功率(Pm)。
512 根据公式计算太阳能电池的效率(η)。
6、实验结果与分析61 绘制太阳能电池的输出特性曲线,包括输出电压输出电流曲线(VI 曲线)和输出功率输出电压曲线(PV 曲线)。
611 分析光照强度对太阳能电池输出特性的影响,随着光照强度的增加,短路电流和开路电压均增大。
612 研究负载电阻对太阳能电池输出功率的影响,存在一个最佳负载电阻,使得输出功率达到最大值。
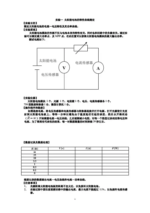
实验一太阳能电池的特性曲线测定
【实验目的】
测定太阳能电池的电流—电压特性及其功率曲线。
【实验原理】
太阳能电池模块的性能不仅与电池本身的特性有关,同时也和回路中的负载有关。
通过实验可以测定最大功率点,及MPP点,在此位置可以获得太阳能电池模块的最大输出功率。
测试电路如下:
【实验仪器】
太阳能电池模块1个,光源1个,电阻箱1个,电压、电流传感器各1个,
750型数据转换器1台,微型计算机1台。
【操作程序和数据】
如图连接电路。
将电压传感器和电流传感器与转换器连接并打开电源。
打开光源使灯光直射到太阳能电池板上。
等待一分钟以避免由于温度起伏引起的误差。
然后从开路状态(R=∞)开始测量电流—电压曲线,之后逐渐减小电阻,对每一个阻值记录相应得电压和
电流。
为了得到有代表性的结果,每一对数据测量的时间持续20秒左右。
【数据记录及数据处理】
根据记录的数据画出电流—电压曲线和电流—功率曲线。
【注意事项】
1.光源距离太阳能电池板的距离不宜太近,以免损坏太阳能电池。
2.实验过程中要注意观察回路中的输出电流,最大电流不能超过1.5A,以免损坏电流传感器。
1。
太阳能电池基本特性的测量一、实验目的:1、在没有光照时,太阳能电池主要结构为一个二极管,测量该二极管在正向偏压时的伏安特性曲线,并求得电压和电流关系的经验公式。
2、测量太阳能电池在光照时的输出伏安特性,作出伏安特性曲线图,从图中求得它的短路电流(SC I )、开路电压(OC U )、最大输出功率m P 及填充因子FF ,)]U I /(P FF [O C SC m ∙=。
3、测量太阳能电池的光照特性:测量短路电流SC I 和相对光强度0T T 之间关系,画出SC I 与相对光强0T T 之间的关系图;测量开路电压OC U 和相对光强度0T T之间的关系,画出OC U 与相对光强0T T之间的关系图。
二、实验原理:1、太阳能电池工作原理:太阳能电池在没有光照时其特性可视为一个二极管,在没有光照时其正向偏压U 与通过电流I 的关系式为:)1e (I I Uo -∙=β (1)(1)式中,o I 和β是常数。
由半导体理论,二极管主要是由能隙为V C E E -的半导体构成,如图1所示。
CE 为半导体导电带,V E 为半导体价电带。
当入射光子能量大于能隙时,光子会被半导体吸收,产生电子和空穴对。
电子和空穴对会分别受到二极管之内电场的影响而产生光电流。
假设太阳能电池的理论模型是由一理想电流源(光照产生光电流的电流源)、一个理想二极管、一个并联电阻sh R 与一个电阻s R 所组成,如图2所示。
图2中,ph I 为太阳能电池在光照时的等效电源输出电流,d I 为光照时通过太阳能电池内部二极管的电流。
由基尔霍夫定律得:0R )I I I (U IR sh d ph s =---+ (2)(2)式中,I 为太阳能电池的输出电流,U 为输出电压。
由(1)式可得,dshph sh s I R U I )R R 1(I --=+(3) 假定∞=sh R 和0R s =,太阳能电池可简化为图3所示电路。
这里,)1e (I I I I I U 0ph d ph --=-=β。
太阳能电池特性研究实验报告太阳能电池特性研究实验报告引言:太阳能作为一种清洁、可再生的能源,近年来备受关注。
太阳能电池作为太阳能利用的核心技术之一,其特性研究对于提高太阳能利用效率具有重要意义。
本实验旨在探究太阳能电池的特性及其对环境因素的响应。
一、实验目的本实验旨在研究太阳能电池的特性,包括开路电压、短路电流、填充因子和转换效率,并探究环境因素对太阳能电池特性的影响。
二、实验原理太阳能电池是利用光生电压效应将太阳能转化为电能的装置。
在太阳能电池中,光线照射到半导体材料上,激发出电子-空穴对,形成光生电流。
通过将正负极连接外部电路,可以将光生电流转化为电能。
三、实验步骤1. 准备实验所需材料和设备,包括太阳能电池、光源、电压表、电流表和电阻箱等。
2. 将太阳能电池置于光源下方,调整光源的强度,使得太阳能电池表面接收到均匀的光照。
3. 使用电压表和电流表分别测量太阳能电池的开路电压和短路电流。
4. 调整电阻箱的阻值,改变电路中的负载,记录太阳能电池的输出电压和输出电流。
5. 根据实验数据计算太阳能电池的填充因子和转换效率。
通过实验测量,得到了太阳能电池在不同光照强度下的开路电压和短路电流。
随着光照强度的增加,太阳能电池的开路电压呈现出先增大后减小的趋势,而短路电流则随光照强度的增加而增加。
这是因为在光照较弱时,太阳能电池中的载流子复合速率较慢,导致开路电压较低。
随着光照强度的增加,载流子的生成速率增加,导致短路电流增加。
然而,当光照强度过高时,太阳能电池中的电子-空穴对的生成速率达到饱和,载流子复合速率也增加,导致开路电压下降。
填充因子是太阳能电池特性的重要参数之一,它反映了太阳能电池的电流输出能力。
通过实验测量的数据,可以计算出太阳能电池的填充因子。
填充因子的大小受到太阳能电池的内部电阻和光照强度的影响。
当太阳能电池的内部电阻较小时,填充因子较大;而当光照强度较小时,填充因子较小。
转换效率是衡量太阳能电池性能的指标之一,它反映了太阳能电池将太阳能转化为电能的能力。
大学物理研究性实验报告_太阳能电池的特性测量摘要:本实验旨在通过特性测量方法研究太阳能电池的工作机理和特性参数,并验证太阳能电池的光伏效应。
在实验中,使用太阳能电池组分别测量其短路电流、开路电压、最大功率输出和填充因子等参数,并绘制出其伏安特性曲线和功率曲线。
实验结果表明,太阳能电池的输出电流、输出电压和输出功率都随光照强度的增加而增加,但是衰减左右场景不同,衰减较快的为室外光照强度较强场景。
太阳能电池的最大功率输出点需根据不同光照强度下自行求解,而填充因子对太阳能电池的输出功率有显著影响。
关键词:太阳能电池;特性测量;伏安特性曲线;功率曲线;光伏效应;填充因子 1. 实验原理太阳能电池是一种将光能直接转换为电能的装置,其工作原理是基于光伏效应。
当光照射在半导体材料上时,会在材料内部产生电子-空穴对,即通过光照,半导体材料内的电子从价带跃升到导带,留下空穴。
由于这些电子和空穴在电场作用下会分别向相反的电极移动,因此在同一方向引出电流,形成光生电动势。
太阳能电池的主要参数包括短路电流$I_{sc}$、开路电压$V_{oc}$、最大功率输出$P_{max}$和填充因子$FF$。
短路电流是在电池组端口短路状态下的输出电流,而开路电压是在电池组端口开路状态下的电压。
最大功率输出是在负载电阻为某一特定值时,电池组所输出的最大功率。
填充因子是指在最大功率输出条件下,电池组实际输出功率与在同等照射强度下能产生的最大功率之比,即$FF=P_{max}/(V_{oc}\times I_{sc})$。
2. 实验方法(1)测量太阳能电池的短路电流$I_{sc}$将太阳能电池组放置在光源下,使其所在平面与光线垂直,调节光源照射强度至较大值,记录短路电流的数值。
此时,太阳能电池组端口暂时不接任何负载电阻。
(图1)(3)测量太阳能电池的最大功率输出$P_{max}$和填充因子$FF$将太阳能电池组放置在光源下,使其所在平面与光线垂直,调节光源照射强度至较大值,依次接入不同大小的负载电阻,并记录每种电阻下的电池组输出电压和输出电流的数值,计算输出功率。
太阳能电池基本特性的测量The Experiment of Measuring The Electronic Properties of SolarCells摘要:这个实验旨在测量太阳能电池的一系列特性,根据太阳能电池的PN结结构,探究无光条件下太阳能电池的正向偏压伏安特性。
同时探究在固定光强下太阳能电池的负载特性。
利用光功率测定仪,定量分析太阳能电池的光照特性。
使用不同滤色片测量对应太阳能电池短路电流,从而推算其禁带宽度。
关键词:太阳能电池,伏安特性,填充因子,禁带宽度Abstract:What I did in this experiment is just to achieve an purpose of investigating into the character of solar cells, during which I measured the volt-ampere characteristics with a no-sight of light by the side of the cell and also the load character with a fixed photo intensity of it. With the help of photometer and color filters, the electric properties of the semiconductor solar cells used in different circumstances of illumination are stepping out little by little. And at the end of the game, the forbidden band width of the semiconductor materials is no more hiding.Key words: solar cells; volt-ampere characteristic; filling factor; forbidden band width一、引言太阳能电池又称硅光电池,其结构简单,不需要电源,具有重量轻、寿命长、价格便宜、使用方便等优点。
【实验原理】太阳能电池能够吸收光的能量,并将所吸收的光子的能量转化为电能。
在没有光照时在没有光照时, , 可将太阳能电池视为一个二极管可将太阳能电池视为一个二极管,,其正向偏压U 与通过的电流I 的关系为÷÷øöççèæ-=10nKT qUe I I (1)其中0I 是二极管的反向饱和电流是二极管的反向饱和电流,,n 是理想二极管参数是理想二极管参数,,理论值为1。
K 是玻尔兹曼常量是玻尔兹曼常量,,q 为电子的电荷量为电子的电荷量,,T 为热力学温度。
(可令nKTq=b )由半导体理论知由半导体理论知,,二极管主要是由如图所示的能隙为V C E E -的半导体所构成。
CE 为半导体导电带,V E为半导体价电带。
当入射光子能量大于能隙时,光子被半导体所吸收,并产生电子收,并产生电子--空穴对。
电子电子--空穴对受到二极管内电场的影响而产生光生电动势,这一现象称为光伏效应。
光电流示意图太阳能电池的基本技术参数除短路电流SCI 和开路电压OCU 外, 还有最大输出功率m axP 和填充因子FF 。
最大输出功率m axP 也就是IU 的最大值。
填充因子FF 定义为OCSC U I PFF max=(2)FF 是代表太阳能电池性能优劣的一个重要参数。
FF 值越大,说明太阳能电池对光的利用率越高。
【实验内容及步骤】1.1.在没有光源(全黑)的条件下,测量太阳能电池正向偏压时的在没有光源(全黑)的条件下,测量太阳能电池正向偏压时的U I -特性(直流偏压从V 0.30-)(1)设计测量电路图,并连接。
图1(2)利用测得的正向偏压时U I -关系数据,画出U I -曲线并求出常数nKTq=b 和0I的值。
2.2.在不加偏压时,在不加偏压时,在不加偏压时,用白色光照射,用白色光照射,测量太阳能电池一些特性。
测量太阳能电池一些特性。
注意此时光源到太阳能电池距注意此时光源到太阳能电池距离保持为cm20(1)设计测量电路图,并连接。
物理实验太阳能电池特性测定原理太阳能电池是一种将太阳光转换为电能的装置,它可以直接将太阳光转换为电能,具有清洁、可再生等优点。
太阳能电池的特性测定是判断太阳能电池输出电压、输出电流、光伏效率、填充因子等参数,这些参数决定了其在不同应用场合中的表现。
以下是太阳能电池特性测定的原理和方法。
1.光伏效应原理当光线照射在太阳能电池的PN结上,光能被吸收并激发带正负电荷的电子,带电的电子在PN结中形成电场,可产生电压和电流。
这种现象就是光伏效应,具有一定的光伏响应度。
2. IV 曲线原理通过测量太阳能电池在不同电压下的输出电流大小,可以绘制出一条 V-I 曲线。
在这条曲线上,太阳能电池的最大功率输出点为最大功率点(MPP),对应的工作电压为最大功率点电压(V_mpp),对应的工作电流为最大功率输出电流(I_mpp)。
从这条 V-I 曲线上还可以计算出填充因子、开路电压、短路电流等参数。
1. 实验装置太阳能电池、V-I 测量仪、多用表、光强计。
2. 实验步骤步骤一:准备实验装置。
将太阳能电池放在太阳下,使其接收到光照。
将 V-I 测量仪和多用表与太阳能电池接好。
步骤二:测量太阳能电池的开路电压和短路电流。
使用多用表测量太阳能电池的开路电压和短路电流,其中,短路电流是指将电路中两端短接后所得到的最大电流值。
步骤三:绘制 V-I 曲线。
使用 V-I 测量仪在太阳能电池的电路中连续测量不同电压下的输出电流大小。
记录数据并绘制 V-I 曲线。
步骤四:计算填充因子、最大功率点电压和最大功率输出电流。
步骤五:计算光伏转换效率。
使用光强计测量所接受的光强度,并使用测量得到的太阳能电池输出电流和光强度计算光伏转换效率。
三、总结太阳能电池的特性测定是重要的实验内容,通过测量各个参数可以确定太阳能电池在不同应用场景下的表现。
在实验中,需要使用多个实验设备,综合运用光学、电学的知识进行测量。
同时,也需要注意实验环境和实验操作的安全。
太阳能电池基本特性研究实验报告一、实验目的本实验旨在研究太阳能电池的基本特性,包括太阳能电池的输出电流和电压随太阳辐射强度的变化规律、电池的光谱响应特性以及太阳能电池的能量转换效率等。
二、实验原理太阳能电池是一种半导体器件,主要由一个p型半导体和一个n型半导体构成,在两种材料的交界面上形成一个PN结。
当太阳辐射射到 PN 结上时,电子受到能量激发而从 P 区向 N 区运动,从而产生电势差,这就是太阳能电池的基本工作原理。
太阳能电池的输出电流和电压随太阳辐射强度的变化规律可以用伏安特性曲线来表示。
光谱响应特性可以通过将太阳能电池暴露在具有不同波长的单色光下,测量电池对不同波长光的响应来研究。
太阳能电池的能量转换效率可以用输出电力与进入电力之比来表示。
三、实验器材太阳能电池、恒流源、数字万用表、单色光源、光谱仪等。
四、实验步骤1. 使用数字万用表测量太阳能电池的开路电压和短路电流,并记录数据。
2. 将太阳能电池暴露在不同太阳辐射强度下,测量太阳能电池的输出电流和电压,并记录数据。
3. 将太阳能电池暴露在不同波长的单色光下,测量太阳能电池的输出电流和电压,并记录数据。
4. 使用光谱仪测量太阳能电池在不同波长光下的光谱响应,并记录数据。
5. 根据实验数据计算太阳能电池的能量转换效率,并进行比较分析。
五、实验结果与分析1. 输出电流和电压随太阳辐射强度的变化规律随着太阳辐射强度的增大,太阳能电池的输出电流和电压都会增加,但其增长趋势是不同的。
当太阳辐射强度较小时,输出电流的增长更加明显,而当太阳辐射强度较大时,输出电压的增长更加明显。
2. 光谱响应特性太阳能电池对不同波长的光的响应是不同的,其响应度最大的波长在可见光区域的绿黄色光波段。
随着波长的偏离,响应度逐渐降低。
3. 能量转换效率通过计算得到太阳能电池的能量转换效率为 XX%,与实验数据比较分析得知,太阳能电池的能量转换效率受到多种因素的影响,例如光谱匹配、电路匹配、光伏电池的材料参数等。
太阳能电池基本特性的测量本文由【】 搜集整理。
免费提供海量教学资料、行业资料、范文模板、应用文书、考试学习和社会经济等word 文档太阳能电池基本特性的测量太阳能的利用和太阳能电池特性研究是21世纪新型能源开发的重点课题。
目前硅太阳能电池应用领域除人造卫星和宇宙飞船外,已应用于许多民用领域,如太阳能汽车、太阳能收音机、太阳能电站,目前太阳能作为一种清洁、绿色的再生能源有着广泛的应用前景。
本实验主要研究太阳能电池的基本特性、吸收光能转变为电能的特性。
一、实验目的:(1)测定太阳能电池在无光照条件下的伏安特性,验证它与二极管具有相同的特性 (2)测定太阳能电池在光照时的输出特性,并求出短路电流、开路电压、最大输出功率及填充因子(3)测定太阳能电池随光照变化的特性。
二、实验仪器:光具座、太阳能电池、数字万用表两块、电阻箱、直流电源、光功率计和探头、开关、电路板、导线 三、实验原理:太阳能电池在没有光照时其特性可视为一个二极管,正向偏压u 与通过电流I 的关系为0(1)u I I e β=-,0I 和β是常数。
根据半导体理论,二极管主要是由能隙为c v E E -的半导体构成,c E 为半导体电带,v E 为半导体价电带。
入射光光子的能量为hv (h 为普朗克常数,v 为光的频率),当光子能量c v hv E E >-时,光子会被半导体吸收,产生电子和空穴对,它们分别受到半导体内电场作用而产生光电流。
太阳能电池在工作时的简化电路如图所示,它可等效为一个电流源与二极管的并联。
由图可知:0(1)uph d ph I I I I I e β=-=--当输出短路时:0u = 短路电流sc ph I I I ==当输出开路时:0I = 代入上式得:(1)0u ph I I e β--= →0(1)oc u sc I I e β=-oc u 为开路电压 四、实验内容和要求:1、在无光照条件下测量太阳能电图一池正向偏压时的I U -特性(1)用盖板盖住太阳能电池,使太阳能电池在无光照条件下工作。
太阳能电池特性的测量实验报告一、实验目的本实验旨在研究太阳能电池的特性,包括开路电压、短路电流、最大功率点以及填充因子等参数,深入了解太阳能电池的工作原理和性能特点,为太阳能电池的应用和优化提供实验依据。
二、实验原理太阳能电池是一种基于半导体pn 结光生伏特效应的能量转换器件。
当太阳光照射到太阳能电池表面时,光子的能量被半导体吸收,产生电子空穴对。
在内建电场的作用下,电子和空穴分别向 n 区和 p 区移动,形成光生电流和光生电压。
1、开路电压(Voc)当太阳能电池处于开路状态时,即外电路电阻无穷大,此时输出的电压即为开路电压。
开路电压与半导体材料的禁带宽度、光照强度和温度等因素有关。
2、短路电流(Isc)当太阳能电池的输出端被短路,即外电路电阻为零,此时流过的电流即为短路电流。
短路电流主要取决于光照强度和电池的面积。
3、最大功率点(Pm)在不同的负载电阻下,太阳能电池的输出功率不同。
当负载电阻与太阳能电池的内阻匹配时,输出功率达到最大值,此时对应的工作点称为最大功率点。
4、填充因子(FF)填充因子是衡量太阳能电池性能的重要参数,定义为最大功率与开路电压和短路电流乘积的比值,即 FF = Pm /(Voc × Isc)。
三、实验仪器与材料1、太阳能电池实验装置包括太阳能电池板、可变电阻箱、数字电压表、数字电流表、光源等。
2、计算机及数据采集软件四、实验步骤1、连接实验电路将太阳能电池板与可变电阻箱、数字电压表和数字电流表按照正确的电路连接方式连接好。
2、测量开路电压在光源关闭的情况下,将可变电阻箱调至无穷大,测量太阳能电池的开路电压 Voc,并记录数据。
3、测量短路电流在光源关闭的情况下,将可变电阻箱调至零,测量太阳能电池的短路电流 Isc,并记录数据。
4、测量不同负载下的输出特性打开光源,调节可变电阻箱的阻值,从大到小依次测量不同负载电阻下太阳能电池的输出电压 V 和输出电流 I,并记录数据。
太阳能电池特性测试实验报告一、1.1 实验目的与意义随着科技的不断发展,太阳能作为一种清洁、可再生的能源越来越受到人们的关注。
为了更好地了解太阳能电池的性能,提高太阳能电池的转换效率,我们进行了一次太阳能电池特性测试实验。
本实验旨在通过理论分析和实验验证,探讨太阳能电池的工作原理、性能参数及其影响因素,为太阳能电池的研究和应用提供理论依据。
二、2.1 实验原理太阳能电池是一种将太阳光能直接转化为电能的装置。
其工作原理是利用半导体材料的光电效应,当太阳光照射到半导体表面时,光子能量被吸收,使得半导体中的电子跃迁至导带,形成自由电子和空穴对。
在P-N结界面,自由电子和空穴相遇时,产生电场,从而产生电流。
太阳能电池的输出电压与太阳辐射强度成正比,输出电流与太阳辐射强度的平方成正比。
三、3.1 实验设备与材料1. 太阳能电池模块:用于接收太阳光并产生电流。
2. 数字万用表:用于测量电流和电压。
3. 短路开关:用于保护电路。
4. 直流电源:用于给太阳能电池模块供电。
5. 光纤激光器:用于产生单色光束。
6. 光谱仪:用于测量光强和光谱。
7. 数据处理软件:用于记录和分析实验数据。
四、3.2 实验步骤与方法1. 将太阳能电池模块安装在光源和数字万用表之间,确保模块表面与光源平行。
2. 用短路开关连接太阳能电池模块的正负极。
3. 用直流电源给太阳能电池模块供电。
4. 用光纤激光器产生单色光束,使其经过一个分束镜后分为两束光线。
5. 其中一束光线经过一个透镜后聚焦在太阳能电池模块上,另一束光线经过一个偏振片后得到一个具有一定相干度的光束。
6. 将光谱仪放置在聚焦后的光线附近,测量光强和光谱分布。
7. 用数据处理软件记录实验数据,并进行分析。
五、实验结果与分析通过本次实验,我们得到了太阳能电池模块的输出电流和电压数据。
我们还观察到了太阳光在经过分束镜、透镜和偏振片后的光谱分布情况。
根据实验数据和光谱分析结果,我们得出了太阳能电池的光电转换效率以及其随太阳辐射强度变化的关系。
太阳能电池的特性测量实验报告
姓名: 学号: 班级:指导教师:
实验日期:
三、实验原理
当光照射在距太阳能电池表面很近的PN结时,只要入射光子的能量大于半导体材料的
禁带宽度,则在p区、n区和结区光子被吸收会产生电子-空穴对。
那些在PN结附近n 区中产生的少数载流子由于存在浓度梯度而要扩散。
只要少数载流子离PN结的距离小于它的扩散长度,总有一定几率的载流子扩散到结界面处。
在p区与n区交界面的两侧即结区,存在空间电荷区,也称为耗尽区。
在耗尽区中,正负电荷间形成电场,电场方向由n 区指向p区,这个电场称为内建电场。
这些扩散到结界面处的少数载流子在内电场的作用下被拉向p区。
同样,在PN结附近p区中产生的少数电子扩散到结界面处,也会被内建电场迅速拉向n区。
结区内产生的电子-空穴对在内电场的作用下分别移向n区和p区。
这导致在n区边界附近有光生电子积累,在p区边界附近有光生空穴积累。
它们产生一个与PN结的内建电场方向相反的光生电场,在PN结上产生一个光生电动势,其方向由p区指向n区。
具体用公式说明:
电流为两个电流之差
称为填充因数。
P为输出功率
五、实验数据及结果
六、实验截图。
太阳能电池特性的测量实验报告.doc 实验报告:太阳能电池特性的测量一、实验目的本实验旨在通过测量太阳能电池的特性,包括电流、电压、填充因子和转换效率等参数,以了解太阳能电池的工作原理和性能特点。
二、实验原理太阳能电池是一种利用光能转换为电能的装置。
其工作原理基于光生伏特效应。
当太阳光照射在太阳能电池表面时,光子与半导体材料相互作用,使电子从价带跃迁到导带,从而产生电流。
太阳能电池的特性受到材料、结构、光照条件等多种因素的影响。
三、实验步骤1.准备实验器材:太阳能电池模块、数字万用表、光源及光强计、恒流电源、负载电阻等。
2.将太阳能电池模块放置在光强计前,调整光强计与太阳能电池模块的相对位置,使光线垂直照射在太阳能电池表面。
3.用数字万用表分别测量太阳能电池的正负极电压和电流。
测量时需要注意万用表的量程选择和极性判断。
4.调整恒流电源的输出电流,使太阳能电池在不同光照强度下工作,重复步骤3的测量。
5.连接负载电阻,测量太阳能电池在不同负载条件下的电压和电流。
6.记录实验数据,绘制电流-电压曲线和填充因子-电压曲线。
7.根据测量结果计算太阳能电池的转换效率。
四、实验结果及数据分析1.实验数据记录:根据实验数据,可以得出以下结论:(1)随着光照强度的增加,太阳能电池的电压和电流也相应增加。
这表明太阳能电池的输出性能受到光照条件的直接影响。
(2)填充因子(FF)是衡量太阳能电池性能的重要参数之一。
FF值越高,说明太阳能电池的电学性能越好。
实验数据显示,随着光照强度的增加,填充因子略有提高,但变化不大。
这说明填充因子主要受到材料和结构等因素的影响,而非单一的光照条件。
(3)转换效率(η)是评价太阳能电池能量转换效率的重要指标。
实验数据显示,随着光照强度的增加,转换效率呈上升趋势。
然而,当光强达到一定值时,由于串联电阻的增加和反偏二极管的影响,转换效率趋于稳定。
这说明在选择太阳能电池材料时,需要综合考虑材料的导电性能、光学性能和稳定性等因素。
实验报告太阳能电池伏安特性的测量【实验目的】1.了解太阳能电池的工作原理及其应用2.测量太阳能电池的伏安特性曲线【实验原理】1.太阳电池的结构以晶体硅太阳电池为例,其结构示意图如图1 所示.晶体硅太阳电池以硅半导体材料制成大面积pn结进行工作.一般采用n+/p 同质结的结构,即在约10cm×10 cm 面积的p 型硅片(厚度约500μm)上用扩散法制作出一层很薄(厚度~0.3 μm)的经过重掺杂的n 型层.然后在n 型层上面制作金属栅线,作为正面接触电极.在整个背面也制作金属膜,作为背面欧姆接触电极.这样就形成了晶体硅太阳电池.为了减少光的反射损失,一般在整个表面上再覆盖一层减反射膜.图一太阳电池结构示意图2.光伏效应图二太阳电池发电原理示意图当光照射在距太阳电池表面很近的p n结时,只要入射光子的能量大于半导体材料的禁带宽度E g,则在p 区、n 区和结区光子被吸收会产生电子–空穴对.那些在结附近n 区中产生的少数载流子由于存在浓度梯度而要扩散.只要少数载流子离pn结的距离小于它的扩散长度,总有一定几率扩散到结界面处.在p 区与n 区交界面的两侧即结区,存在一空间电荷区,也称为耗尽区.在耗尽区中,正负电荷间形成一电场,电场方向由n区指向p区,这个电场称为内建电场.这些扩散到结界面处的少数载流子(空穴)在内建电场的作用下被拉向p 区.同样,如果在结附近p 区中产生的少数载流子(电子)扩散到结界面处,也会被内建电场迅速被拉向n 区.结区内产生的电子–空穴对在内建电场的作用下分别移向n 区和p 区.如果外电路处于开路状态,那么这些光生电子和空穴积累在pn结附近,使p 区获得附加正电荷,n 区获得附加负电荷,这样在pn结上产生一个光生电动势.这一现象称为光伏效应(Photov oltai c Effect, 缩写为PV).3.太阳电池的表征参数太阳电池的工作原理是基于光伏效应.当光照射太阳电池时,将产生一个由n 区到p 区的光生电流I p h.同时,由于pn结二极管的特性,存在正向二极管电流ID,此电流方向从p 区到n 区,与光生电流相反.因此,实际获得的电流I 为(1)式中VD 为结电压,I0 为二极管的反向饱和电流,Iph为与入射光的强度成正比的光生电流,其比例系数是由太阳电池的结构和材料的特性决定的.n 称为理想系数(n 值),是表示pn结特性的参数,通常在1~2 之间.q 为电子电荷,kB为波尔茨曼常数,T 为温度.如果忽略太阳电池的串联电阻Rs,V D 即为太阳电池的端电压V,则(1)式可写为(2)当太阳电池的输出端短路时,V = 0(VD ≈0),由(2)式可得到短路电流即太阳电池的短路电流等于光生电流,与入射光的强度成正比.当太阳电池的输出端开路时,I = 0,由(2)和(3)式可得到开路电压(3)当太阳电池接上负载R时,所得的负载伏–安特性曲线如图2 所示.负载R 可以从零到无穷大.当负载Rm使太阳电池的功率输出为最大时,它对应的最大功率Pm为(4)式中Im和Vm分别为最佳工作电流和最佳工作电压.将Voc与Isc的乘积与最大功率Pm之比定义为填充因子FF,则(5)FF 为太阳电池的重要表征参数,FF 愈大则输出的功率愈高.F F 取决于入射光强、材料的禁带宽度、理想系数、串联电阻和并联电阻等.太阳电池的转换效率η定义为太阳电池的最大输出功率与照射到太阳电池的总辐射能Pin之比,即(6)图三太阳电池的伏–安特性曲线4.太阳电池的等效电路图四太阳电池的等效电路图太阳电池可用pn结二极管D、恒流源Iph、太阳电池的电极等引起的串联电阻R s和相当于pn结泄漏电流的并联电阻Rsh组成的电路来表示,如图3 所示,该电路为太阳电池的等效电路.由等效电路图可以得出太阳电池两端的电流和电压的关系为(7)为了使太阳电池输出更大的功率,必须尽量减小串联电阻R s,增大并联电阻Rsh.【实验数据记录、实验结果计算】◆实验中测得的各个条件下的电流、电压以及对应的功率的表格如下:表11.根据以上数据作出各个条件下太阳能电池的伏安特性曲线2.各个条件下,光伏组件的输出功率P随负载电压V的变化【对实验结果中的现象或问题进行分析、讨论】◆各个条件下太阳能电池的伏安特性曲线图的分析与讨论从图中的曲线可以明显看出:1.光照距离越近,也即是光强越大,电池产生的电动势越大(但不能断定是否有上界);2.研究电动势的大小,两个电池并联,电动势几乎不变,电池串联,电动势大致增大一倍;3.研究电池电阻的大小,在I-V图里,函数线越陡,电阻越小,函数线越平坦,电阻越大。
太阳能电池特性测试实验报告-资料类关键信息项:1、实验目的2、实验设备3、实验原理4、实验步骤5、数据记录与处理6、实验结果7、误差分析8、结论11 实验目的本次实验旨在深入了解太阳能电池的工作特性,包括其输出电压、电流与光照强度、负载电阻等因素之间的关系,从而为太阳能电池的应用和优化提供数据支持。
111 具体目标测量太阳能电池在不同光照条件下的输出特性。
研究太阳能电池的短路电流和开路电压随光照强度的变化规律。
分析太阳能电池的输出功率与负载电阻的关系。
12 实验设备太阳能电池板光源模拟器(可调节光照强度)数字万用表可变电阻箱数据采集系统121 设备参数太阳能电池板的规格和型号:____________________光源模拟器的光照强度调节范围:____________________数字万用表的精度和测量范围:____________________可变电阻箱的阻值范围和调节精度:____________________13 实验原理太阳能电池是基于半导体的光伏效应将光能转化为电能的器件。
当光子入射到半导体材料中,会激发电子从价带跃迁到导带,产生电子空穴对。
在内建电场的作用下,电子和空穴分别向不同方向移动,形成电流和电压。
131 短路电流(Isc)当太阳能电池的输出端短路时,测量得到的电流即为短路电流,它与光照强度成正比。
132 开路电压(Voc)当太阳能电池的输出端开路时,测量得到的电压即为开路电压,它随光照强度的增加而增加,但增加趋势逐渐减缓。
133 输出功率(P)太阳能电池的输出功率等于输出电压(V)与输出电流(I)的乘积,即 P = V × I。
当负载电阻与太阳能电池的内阻匹配时,输出功率达到最大值,称为最大功率点(MPP)。
14 实验步骤141 实验准备检查实验设备是否完好,确保各仪器的连接正确。
将太阳能电池板放置在光源模拟器下方,调整位置使其均匀受光。
142 测量短路电流和开路电压调节光源模拟器的光照强度为最小值,测量太阳能电池的短路电流Isc 和开路电压 Voc ,记录数据。
【实验原理】
太阳能电池能够吸收光的能量,并将所吸收的光子的能量转化为电能。
在没有光照时, 可将太阳能电池视为一个二极管,其正向偏压U 与通过的电流I 的关系为
⎪⎪⎭⎫ ⎝⎛-=10nKT qU
e I I (1)
其中0I 是二极管的反向饱和电流,n 是理想二极管参数,理论值为1。
K 是玻尔兹曼常量,q
为电子的电荷量,T 为热力学温度。
(可令
nKT
q
=
β)
由半导体理论知,二极管主要是由如图所示的能隙为
V C E E -的半导体所构成。
C
E 为半导体导电带,V E
为半导体价电带。
当入射光子能量大于能隙时,光子被半导体所吸收,并产生电子-空穴对。
电子-空穴对受到二极管内电场的影响而产生光生电动势,这一现象称为光伏效应。
光电流示意图
太阳能电池的基本技术参数除短路电流SC I 和开路电压OC U 外, 还有最大输出功率m ax P 和
填充因子FF 。
最大输出功率
m ax P 也就是IU 的最大值。
填充因子FF 定义为
OC SC U I P FF max
=
(2)
FF 是代表太阳能电池性能优劣的一个重要参数。
FF 值越大,说明太阳能电池对光的利用
率越高。
【实验内容及步骤】
1.在没有光源(全黑)的条件下,测量太阳能电池正向偏压时的U I -特性(直流偏压从
V 0.30-)
(1)设计测量电路图,并连接。
图1
(2)利用测得的正向偏压时U I -关系数据,画出U I -曲线并求出常数nKT
q =
β和0I
的值。
2.在不加偏压时,用白色光照射,测量太阳能电池一些特性。
注意此时光源到太阳能电池距
离保持为cm 20
(1)设计测量电路图,并连接。
图2
(2)测量电池在不同负载电阻下,I 对U 变化关系,画出U I -曲线图。
(3)求短路电流SC I 和开路电压OC U。
(4)求太阳能电池的最大输出功率及最大输出功率时负载电阻。
(5)计算填充因子
OC SC U I P FF max
=
3.测量太阳能电池的光电效应与电光性质
在暗箱中(用遮光罩挡光),取离白光源20CM 水平距离光强作为标准光照强度,用光功率
计测量该处的光照强度
0J ;改变太阳能电池到光源的距离,
用光功率计测量该处的光照强度
J ,求光强J 与位置关系。
测量太阳能电池接受到相对光强度0J J 不同值时,相应的SC I 和
OC U 的值。
(1) 设计测量电路图,并连接。
(2) 测量太阳能电池接受到相对光强度0J J 不同值时,相应的SC I 和OC U 的值。
(3) 描绘SC I 和与相对光强
0J J 之间的关系曲线,求SC I 和与相对光强0J J 之间的近
似关系函数。
(4) 描绘OC U
和与相对光强0J J 之间的关系曲线,求OC U 和与相对光强0J J 之间的
近似关系函数。
【数据记录及处理】
2.在不加偏压时,在使用遮光罩条件下,保持白光源到太阳能电池距离20CM,测量太阳能电池的输出电流对太阳能电池的输出电压的关系。
太阳能电池在光照时,测量输出功率与负载电阻的关系。
3.
)
(V
U
)
(A
Iμ)
(mW
P
) )
(mA
I
(P
【注意事项】
1. 连接电路时,保持太阳能电池无光照条件。
2. 避免太阳光照射太阳能电池。
3. 连接电路时,保持电源开关断开。