质量管理部门的职责
- 格式:docx
- 大小:53.76 KB
- 文档页数:12
质量管理部门的职责质量管理部门是企业内部的一个系统,它的职责是确保企业的质量管理体系的有效运转。
质量管理部门主要负责对企业质量管理体系的监督、管理和维护,从而保证企业的质量达到相应的标准。
二、质量管理的职责1.面管理质量质量管理部门负责全面管理企业的质量,使企业的质量管理体系得以正常运行,以满足企业的各项质量标准。
质量管理部门对企业的管理有着至关重要的作用,是企业实施质量管理的重要组成部分。
2.定质量标准质量管理部门负责制定企业内部质量管理的标准,包括内部检查标准、质量认证标准和评价标准等。
这些标准将反映在企业各部门的技术操作手册、行为准则、质量标准等文件中。
这些标准不但要保证企业的质量,还需要保证质量管理体系能够有效地达到预期效果。
3.行质量检查质量管理部门负责实施质量检查,检查企业的产品和服务是否符合标准要求,以及企业的质量管理体系是否能够得到持续发展。
质量检查的目的是保证企业的质量能够满足静态的标准要求,在动态的变化中也能保持高水平,以满足客户的期望。
4.展培训质量管理部门不仅要负责检查和检验,还要负责开展各种培训,确保企业的质量管理人员能够掌握最新的技术、知识、技能,从而提高企业质量管理的水平。
开展培训有助于提高企业的质量水平,增强企业的竞争力,并增强客户对企业服务的满意度。
5.展技术分析质量管理部门需要开展技术分析,研究企业的质量管理体系,了解业务流程中哪些环节可以改进,从而提高企业的质量水平。
技术分析可以帮助企业更好地实施质量管理,从而达到希望的效果,改善企业的表现。
三、结论质量管理部门是企业系统内负责实施质量管理的一个重要组成部分。
质量管理部门的职责包括:全面管理质量;制定质量标准;执行质量检查;开展培训;开展技术分析等。
质量管理部门对企业的质量管理负有重要的责任,要保证其质量能够达到预期的要求,提高企业的竞争力。
质量管理部门的职责
质量管理部门是企业具有重要意义的一部分,它负责监督、识别和改进企业的产品和服务质量,以实现企业的质量目标和长期发展目标。
质量管理部门的一般职责有:确保按照部门质量标准制定不断改进的质量计划;监督生产及服务过程,以确保按部门质量标准完成;确保采用有效技术和系统,以提高企业产品或服务的可靠性和可用性;审查员工工作,以确保部门质量标准在所有部门的改进;收集和整理客户的反馈,以及进行全面的质量审查;收集并评估客户的需求,以确立企业的质量政策;协助和参与管理系统的开发;培训每个人都能达到最佳的质量水平;定期的检查和评估,以确保质量管理系统的有效和可持续性。
质量管理部门在改进管理体系和质量保证方面起着重要作用,它负责审查企业的质量管理控制系统,使它符合公司的战略、目标和要求。
质量管理部门可以依据改进管理体系和质量保证的标准,设计并建立一个可持续的管理系统,用于改善企业的质量标准和保证可持续性。
质量管理部门还可以组织定期的现场审核,以监督企业质量控制系统的执行情况,定期检测和评估企业现有的质量管理系统,以及设计并采用专门的质量管理工具,例如质量管理技术、MOS(管理方式
模型)等。
质量管理部门还负责识别和消除质量问题的根源,改进企业的质量管理系统,促进企业市场营销,提高客户满意度。
此外,质量管理
部门还组织定期的现场审核,以确保所有控制系统和流程都按照标准执行,避免出现质量问题。
综上所述,质量管理部门至关重要,它负责管理企业的质量,确保企业的产品、服务和流程按质量标准执行,以提高企业的效率和发展潜力。
质量管理部门及质量负责人的职责权限质量管理部门的职责:1. 制定和实施公司质量管理体系,确保产品和服务符合质量标准和客户要求。
2. 管理和监督所有质量相关的流程和活动,包括生产过程控制、产品检验和测试等。
3. 确保质量问题的及时识别和解决,包括处理客户投诉、质量事故调查和纠正措施等。
4. 建立和维护供应商质量管理体系,对供应商进行评估和审核,确保供应链的质量可靠性。
5. 开展质量培训和教育,提高员工的质量意识和技能,增强公司的质量文化和质量管理能力。
6. 进行内部审核和管理评审,对质量管理体系的有效性进行评估和改进。
7. 参与产品设计和开发过程,提供质量相关的支持和建议,确保产品的可制造性和可靠性。
8. 进行质量数据分析和统计,为决策提供质量相关的信息和报告。
9. 向高层管理层提供质量报告和建议,参与公司质量目标的制定和评估。
质量负责人的职责和权限:1. 负责质量管理部门的日常运作,包括人员管理、任务分配和工作安排等。
2. 指导和督促员工执行质量管理体系和相关工作流程,确保工作的准确性和高效性。
3. 负责制定和实施公司的质量策略和目标,确保公司的质量管理与发展方向一致。
4. 协调公司内部各部门之间的质量管理工作,促进团队合作和优化资源分配。
5. 担任质量管理体系的管理代表,代表公司向外界证明和宣传质量管理的优势和成果。
6. 参与和主持质量相关的会议和讨论,提供专业的质量知识和经验支持。
7. 负责处理重大质量问题和风险,协调相关部门制定和执行应急措施。
8. 审核和评估各类质量报告和数据,对质量绩效和风险进行监控和分析。
9. 提供关于质量改进和质量控制的建议和决策,确保公司不断提升质量水平和竞争力。
质量管理部门及质量负责人的职责权限(二)1总则1.1为加强企业管理,确保质量方针和目标得到贯彻落实,进一步强化食品生产企业的食品质量安全,根据《产品质量法》、《标准化法》、《计量法》、《食品安全法》等相关法律、法规的规定,特制定本制度。
质量管理部门质量管理是现代企业中至关重要的一项工作。
质量管理部门作为企业质量控制体系的核心部门,负责制定和执行质量管理策略,监督产品和服务的质量标准,并确保企业的产品和服务符合客户的需求和期望。
本文将重点探讨质量管理部门的职责和作用,并提出一些有效的建议来提高质量管理的效果。
一、质量管理部门的职责1. 质量策划和目标设定:质量管理部门应制定质量策划和目标,并与其他部门进行协调和沟通,确保质量目标与企业整体战略一致。
2. 制定质量管理体系:质量管理部门应建立和维护质量管理体系,包括质量政策、程序和指导文件的编制和更新。
3. 质量监督和检查:质量管理部门要负责监督和检查产品和服务的质量,确保符合相关的法律法规和标准要求。
4. 故障分析与解决:质量管理部门要对产品或服务出现的质量问题进行分析和解决,制定改进措施以避免再次发生类似问题。
5. 培训与培养:质量管理部门应与人力资源部门合作,制定培训计划和培养计划,提高员工的质量意识和技能水平。
6. 客户反馈管理:质量管理部门要及时收集、分析和回应客户的反馈,确保客户满意度并持续改进产品和服务的质量。
二、提升质量管理效果的建议1. 强化质量文化:企业应树立全员质量意识,将质量作为企业文化的核心价值观,促使每个员工都以质量为导向,从而提高整体质量水平。
2. 建立绩效评估体系:制定明确的绩效评估指标和激励机制,根据员工在质量管理方面的表现来评价其绩效,并采取相应的奖惩措施。
3. 引入先进的质量管理工具:应用先进的质量管理工具和技术,如六西格玛、质量函数展开等,提高质量管理部门的工作效率和准确性。
4. 加强团队合作:质量管理部门应与其他部门紧密合作,共同解决质量问题,促进内部沟通和协作,实现全面质量管理。
5. 不断改进和创新:质量管理部门要持续关注市场变化和技术进步,学习和引进最新的质量管理理念和方法,不断改进和创新质量管理模式。
三、总结质量管理部门在企业中扮演着重要的角色,其职责涉及质量策划、质量监督、故障分析等多个方面。
质量部门主要职责及岗位职责
质量部门的主要职责是提高产品和服务质量,实现企业的经济效益,
为企业可持续发展奠定基础。
质量管理部门主要职责如下:1、组织和实
施质量管理体系,确保执行质量管理的有效性;2、制定质量管理政策,
并进行有效的执行和实施;3、组织检验计划,建立检验体系,按照质量
标准要求,定期检验产品和服务;4、建立一个质量记录体系,确保质量
记录的准确性;5、采取有效措施,确保产品安全性,确保消费者福祉;6、分析质量事故,查找其产生的原因,采取有效措施,防止事故的发生;7、把握客户的要求,改进产品和服务,满足客户的要求;8、组织意识活动,宣传质量管理,使全体员工都能接受质量管理的理念。
岗位职责:1、负
责质量管理体系的建立与实施,改进管理体系;2、根据公司政策及相关
法规,对质量管理体系进行审核;3、负责安排产品检验,检验结果分析,编制质量报告;4、负责编制质量管理文件,审核质量过程控制等文件;5、监督和检查产品质量,确保质量合格;6、发现不合格的产品,分析原因,给出处理措施。
质量管理部门及质量负责人的职责权限质量管理部门及质量负责人的职责权限质量是企业的生命线,保证产品质量是企业的首要任务。
为此,在许多企业中都设有专门的质量管理部门,并指派了专门的质量负责人来负责企业的质量管理工作。
他们在企业中拥有一系列的职责和权限,下面我们将就此进行详细说明。
一、质量管理部门的职责1. 制定企业质量管理体系标准质量管理部门应制定完善的企业质量管理体系标准,以确保企业产品和服务的质量。
从制定企业质量文化、流程、制度、规范、标准等方面出发,系统化、标准化及优化企业的生产过程,从而达到质量管理的目标。
2. 组织制定质量管理规程质量管理部门应结合实际情况制定企业质量管理规程,包括产品的设计、制造、检验、包装,产品售后服务,质量意识提高等各个方面的规范和流程。
3. 组织实施质量检验质量检验是确保产品质量的重要手段,质量管理部门需要积极组织实施质量检验,包括产品原材料的检验,产品组装、加工、制造的检验以及交付前的质量检验等环节。
争取做到尽早发现问题,及时处理,以保证产品质量。
4. 提前预防质量问题质量管理部门要具备提前预防质量问题的能力,制定详细的生产流程和应急预案,严格执行各项管理制度。
并对制程中可能产生质量问题的环节进行管控,提前发现问题和隐患,及时做出调整和改善。
5. 针对性地提出改进建议质量管理部门需要及时收集质量管理过程中的相关数据和信息,评估企业质量管理的现状和水平,及时提出改进建议,帮助企业不断提高质量管理水平。
6. 编制质量分析报告质量管理部门需要对生产质量问题进行分析、研究、评估,将问题的本质原因及时找出,并对解决方案进行研究和实施。
此外,质量管理部门还需要编制详细的质量分析报告,有助于企业管理层决策。
二、质量管理部门的权限1. 对企业其他部门的质量管理工作指导质量管理部门是企业质量管理的主管部门,因此对其他部门的质量管理工作扮演非常重要的指导作用。
质量管理部门可以根据生产实际情况,对其他部门的质量管理制度进行审核和修改。
质量管理部的个岗位职责大全质量经理:•管理并监督整个质量管理体系;•制定并执行质量管理策略和计划;•确保质量目标的实现;•领导并协调质量团队的工作;•持续改进质量管理体系;•协调内部和外部审核事务;•负责制定、调整和完善质量手册。
质量工程师:•开展产品和流程的质量控制工作;•负责质量问题的分析、解决和跟踪;•设计和实施质量管理方案;•参与质量管理体系的内审;•与客户、供应商沟通并解决质量问题;•协助质量经理执行质量管理策略。
质量主管:•管理和监督质检人员的工作;•制定并执行质检标准和程序;•协调质检过程中的问题解决;•指导和培训质量检验员;•负责检测设备的维护和校准;•编制并汇总质检报告。
质检员:•负责执行产品的质量检测;•检查并测试产品的合格性;•记录和报告检测结果;•参与质量问题的分析和解决;•维护检测设备的正常运行;•配合其他部门进行质检工作。
数据分析师:•收集、整理和分析质量数据;•建立数据模型和指标体系;•进行数据挖掘和预测分析;•提供数据支持给质量管理团队;•参与质量改进项目的数据分析工作;•提出数据驱动的质量管理建议。
质量技术员:•支持质量工程师开展实验和测试工作;•维护和校准实验设备;•参与质量改进项目的实验设计和实施;•协助质量监控和质量问题的调查;•记录实验过程和结果;•提供实验技术支持。
质量管理员:•负责质量文件的管理和归档;•维护质量管理体系的文件和记录;•协助准备内部和外部审核所需的文件和数据;•参与质量体系文件的修订和更新;•管理和维护准确的文件档案。
总结:以上是质量管理部各岗位的职责大全,每个岗位在质量管理体系中扮演着重要的角色,团队协作才能确保产品和服务的质量达到标准。
质量管理部门的工作需要高度的责任感和专业知识,希望每位岗位成员能兢兢业业,共同努力,不断提升质量管理水平。
质量管理工作职责(精选10篇)质量管理工作职责篇11、负责编制生产过程中制程检验作业指导书,并指导检验员操作以及对其进行相应的培训。
2、负责处理生产车间异常质量问题,召集相关事业部负责人进行原因分析,跟进纠正预防措施的效果。
3、负责接收和处理客户投诉,组织对客户投诉的原因分析以改善对策的`结果实施性以及效果验证。
4、应用统计分析方法,负责对现场质量问题进行统计、收集、分析和反馈。
质量管理工作职责篇21、负责首营供货商、客户、产品的审核,质管文件的管理。
2、负责收集、分析药品质量信息,并建立药品质量信息档案3、协助质量负责人做好质量监督、控制工作;4、负责公司证照的更新办理。
5、负责本公司各类报告的归档等;6、完成相关领导交办的其他工作;7、医药相关专业优先先。
质量管理工作职责篇31、品检计划的制定;2、品检体系的设计及表单程序的拟定;3、品质鉴定与制定意见的签署;4、分析研究生产中控制质量的职能;5、保存工序检验的检验,测试报告;6、分析工序检验的每日、每周、每月报告;7、在工序检验中发现的不合格事项得到纠正之前,控制不合格品的转序;8、所属人员工作的督导、评价;9、向总经理提出有关控制质量的多方需求及总体要求;10、制定《质量手册》,使全公司、全体职员共同参与品质管理。
质量管理工作职责篇4职位描述:1、依据iso17025实验室认证认可要求建立并改善实验室质量管理体系文件;2、负责cnas,、cma实验室认可相关文件的准备及实验室资质认可申请、复评审和扩项工作;3、根据质量管理体系的要求,制定年度质量保证及控制计划,并负责按计划实施;4、负责实验室的质量管控,持续维护和改进实验室质量管理体系,监督实验室检测过程中质量体系的符合性;5、定期组织质量管理体系的培训,并负责法规标准查新工作;6、出差巡查监督省外各子公司质量执行情况。
任职要求:1、工科专业,本科以上学历,2年以上实验室工作经验,熟悉实验室操作流程;2、熟悉iso17025实验室质量管理体系,具有iso17025内审员资质;3、有第三方检测行业相关工作经验者优先;4、具备极强的沟通能力和严谨务实的工作态度,原则性强,立场分明;5、熟练的英文听说读写能力。
质量管理部部门职责、岗位职责(优质文档,可直接使用,可编辑,欢迎下载)质量管理部部门职责1、贯彻执行质量环境法律、法规、规程、规范,对项目部质量工作进行监督管理,按相关要求监督完善过程资料。
2、负责项目部质量工作,对管理计划的实施进行监督。
3、负责编制质量管理制度、体系和管理办法,批准后组织考核、评比.4、组织开展质量工作宣传教育和项目级交底工作.5、定期或不定期召开质量工作会议,总结分析质量工作管理情况,促进管理工作的持续改进。
6、对进场原材料管理(检验、储存、标识)进行监控,掌握各种原材料及半成品的质量状态。
7、对工程施工过程的质量进行检查和监督,定期或不定期组织质量大检查,严格控制不合格品的产生,对纠正/预防措施的实施进行监督和验证。
8、监督各工区质量方面资料收集、整理及归档工作,参与竣工资料的编制。
9、对质量方面相关资料按要求及时上传POWER ON系统。
10、及时对上级各单位质量方面的文件进行回复并建立问题库台账。
11、对施工现场进行日常质量巡视,掌握质量动态,制止违章,监督整改。
12、组织或参与质量事故的调查、分析、处理工作,并及时向项目部决策层报告。
13、负责项目部质量管理体系文件和质量记录的管理.14、负责工程质量各级验收制度的建立及贯彻实施,负责工程质量检查及组织各阶段验收工作。
做好分项工程、分部工程、单位工程质量等级评定工作.15、协助上级机关对项目部的内部审核工作,制定项目部内审计划并组织项目部的内审,并形成审核报告.16、负责质量管理信息的收集、统计和分析,及时准确地做好各类质量报表,按要求及时上报。
17、负责对各工区及部室质量目标的考核。
质量管理部人员岗位职责一、质量管理部主任岗位职责:1、全面负责项目部质量监督管理工作;2、负责对项目部各工区及作业班组施工生产进行监督、检查、指导、管理工作;3、贯彻执行国家及上级有关质量管理的方针、政策、法规及指示,负责制定质量管理规章制度和规定。
质量管理部门工作职责【质量管理部门的主要职能】:一、组织公司内部质量管理体系的策划、实施、监督和评审工作。
二、负责产品认证的组织、协调工作。
三、、按照技术文件编制检验标准和检验规范;组织实施对原材料、外协件、外购件、自制件的检验,以及对产品工序、成品的检验,并出具检测报告。
四、组织公司内部对不合格品的评审,针对质量问题组织制订纠正、预防和改进措施,并追踪验证。
五、负责质量记录的统筹管理,定期进行质量分析和考核。
六、负责全公司产品的质量检验工作。
七、负责计量管理工作,完成计量仪器的定期检定并做好检定记录和标识。
八、负责检验测量和试验设备的控制,确保产品质量满足规定的要求。
九、参加对供方的评审,参加用户反馈意见的分析和处理。
十、负责外发合格证(铁科院、四方所)的申领、保管和发放。
十一、完成公司交办的临时任务。
【质量管理部门工作职责】:·第一条参与产品的研究开发及试制。
第二条对产品、原物料、加工品等规格及作业标准,提出改善意见或建议。
第三条制定进料、加工品、成品检验标准确实执行。
第四条制定制程检查标准,并稽核检查站检查人员是否确实实施。
第五条质量异常的妥善处理及鉴定报废品。
第六条检验仪器与量规的管理与校正及库存品的抽验。
第七条原料供应商,外协加工厂商等交货质量实绩的整理与评价。
第八条督导并协助协作厂商改善质量,建立质量管理制度。
第九条制程巡回检验。
第十条制程管理与分析,专案研究并作改善、预防等再发防止措施。
第十一条客户抱怨案件及销货退回的分析、检查与改善措施。
第十二条资料回馈有关单位。
第十三条执行质量管理日常检查工作。
第十四条做好质量保证作业。
第十五条研究制订并执行质量管理教育训练计划。
第十六条制定质量管理规定,推行全面质量管理。
第十七条其他有关质量管理事宜。
质量管理部的任务与职责1. 质量管理部的任务1.1 进行质量控制质量管理部负责制定和实施质量控制策略,以确保产品和服务的质量符合标准和客户的要求。
他们需要建立质量检验和测试流程,并监督生产过程中的关键环节,以及产品交付后的质量跟踪与反馈。
1.2 制定质量标准在质量管理部的指导下,制定适用的质量标准和规范,以保证产品和服务的一致性和可靠性。
他们需要与相关部门进行沟通和协作,确保各个环节的质量要求得到满足。
1.3 提供质量培训和支持质量管理部负责培训和支持公司员工,使其了解质量管理的重要性和操作要求。
他们需要制定培训计划,组织质量培训活动,帮助员工掌握质量相关技能,并提供技术支持和解决质量问题的指导。
1.4 分析和改进质量问题质量管理部需要对产品和服务的质量进行分析和评估,发现潜在的质量问题,并采取相应的纠正措施。
他们要做好质量数据的收集和分析工作,及时反馈问题,并推动质量改进活动的开展。
2. 质量管理部的职责2.1 管理质量体系质量管理部负责制定和管理公司的质量体系,确保其符合相关法规和国际标准。
他们要建立和维护质量管理体系的文件和记录,定期进行质量体系的内部审查和外部认证。
2.2 协调质量问题处理质量管理部需要与其他部门密切合作,协调质量问题的处理和解决。
他们要与生产部门、采购部门和售后服务部门等进行沟通和协调,共同分析和解决质量问题,确保及时有效地处理客户投诉和质量事故。
2.3 监督供应商质量质量管理部负责评估和监督供应商的质量表现,确保所采购的原材料和设备符合要求。
他们要制定供应商评估标准和程序,并定期对供应商进行质量审核和考核,及时发现和解决供应商质量问题。
2.4 与监管机构的合规质量管理部负责与监管机构的沟通和合作,保证公司的操作和产品符合相关法规和标准。
他们要及时了解和应对法规的变化,参与法规的制定和修订,并确保公司的运营和产品开发过程符合法规要求。
以上是质量管理部的任务和职责简要介绍,通过执行这些任务和履行这些职责,质量管理部将对公司的质量管理工作起到重要的支持和指导作用。
质量管理部部门职责1.制定和实施质量管理体系:质量管理部门应根据组织的需求和质量目标,制定质量管理体系的相关政策和程序。
质量管理体系包括质量目标、质量流程和质量文件等,通过规范和标准化的操作,确保产品或服务的质量。
2.管理整个生产过程:质量管理部门应对整个生产过程进行管理,包括从原材料采购、生产制造、产品检验、包装运输等各个环节。
质量管理部门需要确保整个生产过程符合质量管理体系的要求,以提高产品或服务的质量水平。
3.实施质量控制:质量管理部门应负责制定和实施质量控制策略和方法,通过对产品或服务进行检验、测试和评估,确保其符合质量标准和客户要求。
质量管理部门还需要收集和分析质量数据,并及时采取纠正措施,以持续改进质量水平。
4.客户满意度管理:质量管理部门应负责客户满意度的管理工作,包括收集客户反馈、分析客户需求和期望、评估客户满意度等。
通过了解客户需求和改善客户体验,质量管理部门能够提供更好的产品或服务,增加客户忠诚度和口碑。
5.培训和教育:质量管理部门应负责培训和教育员工,提高其质量意识和技术水平。
质量管理部门可以组织内部培训课程,包括质量标准和规范的培训、质量管理体系的认知培训等。
此外,质量管理部门还可以组织外部培训、参加行业研讨会等活动,提升整个组织的质量管理能力。
6.与相关部门的协调合作:质量管理部门需要与其他部门进行协调合作,共同推进质量管理工作。
例如,与研发部门合作,确保产品设计符合质量要求;与供应链部门合作,确保原材料供应商符合质量标准等。
质量管理部门还需要与客户沟通合作,了解其需求并及时解决问题。
7.法规合规:质量管理部门应负责监督和管理相关法规和标准的遵守。
质量管理部门需要了解并遵守相关行业标准和法规,确保产品或服务符合法律法规的要求,同时监督和管理组织内部的质量改进和合规措施。
总之,质量管理部门在组织中扮演着重要的角色,负责制定和实施质量管理体系,管理生产过程,实施质量控制,提高客户满意度,进行员工培训和教育,协调相关部门的工作,确保法规合规。
质量管理部门及质量负责人的职责权限质量管理部门的职责:1. 质量策划和目标设定:质量管理部门负责制定质量策略和目标,确保公司的质量方针与业务战略相一致,并确保制定的目标可以实施和评估。
2. 质量管理体系建立与维护:质量管理部门负责建立和维护质量管理体系,包括质量管理手册、程序文件、记录等,以确保其符合相关质量管理体系标准的要求。
3. 质量控制:质量管理部门负责制定和实施各项质量控制活动,包括产品检验、过程监控、数据分析等,以确保产品和服务的质量符合标准和客户要求。
4. 质量改进:质量管理部门负责制定和实施质量改进计划,通过分析问题原因、采取纠正和预防措施,以提高产品和服务的质量。
5. 质量培训和教育:质量管理部门负责组织和实施质量培训和教育活动,包括制定培训计划、开展培训课程、评估培训效果等,以提升员工的质量意识和能力。
6. 客户满意度调查和管理:质量管理部门负责组织和实施客户满意度调查,收集客户反馈和意见,以改进产品和服务,提高客户满意度。
7. 供应商评价和管理:质量管理部门负责制定供应商评价标准和程序,评估供应商的质量能力和性能,确保选择并保持合格的供应商。
8. 内部审核和管理评审:质量管理部门负责进行内部审核,以评估质量管理体系的有效性和合规性,还负责组织和参与管理评审,以确保质量管理体系的持续改进。
9. 风险管理:质量管理部门负责分析和评估风险,制定相应的风险管理计划,并监测和控制风险的实施。
10. 统计分析和报告:质量管理部门负责收集和分析相关质量数据,制作质量报告,并向高层管理层提供关于质量管理体系和质量绩效的信息。
质量负责人的职责:1. 制定质量管理方针和目标,并确保其贯彻执行。
2. 负责建立和维护质量管理体系,确保其符合相关标准和要求。
3. 确保质量控制活动的有效实施,包括产品检验、过程监控等。
4. 提出质量改进建议,采取纠正和预防措施,提高产品和服务的质量。
5. 组织和进行质量培训和教育,提升员工的质量意识和能力。
质量管理部职责一. 实验室1.遵守公司各项规章制度,履行岗位职责,维护公司利益;2.负责实验室的全面质量管理工作培训:公司培训计划、执行、评估等;3.负责制定本部门的工作指引、作业指导书、操作流程等质量文件;4.负责制定﹑组织﹑实施质量改进计划;5.负责协助处理OEM客户投诉和投诉产品的检测工作;6.负责化工原材料与包装材料等新材料的检验和评审工作;7.负责化工原材料、包装材料的检验仪器日常维护保养工作;8.负责维护、监督质量体系的运行、组织和管理内部质量审核工作;9.负责化工原材料、半成品、新材料的检验分析工作;10.负责协助领导制定本部门的化工原材料检验工作指引、作业指导书、操作流程等质量文件;11.负责协助领导制定化工原材料的检验标准﹑流程,健全检验制度;12.负责协助领导对化工原材料的异常质量问题、跟踪处理工作;13.负责化工原材料的检验仪器日常维护保养工作;14.负责日常化妆品原料、半成品、环境、生产用水的微生物检验分析工作;15.负责对检定菌及培养基的管理、培养基的配制、灭菌、质量检查;16.负责协助领导制定化妆品的检验标准﹑流程,健全检验制度;17.负责微生物实验室的清洁、消毒、灭菌及监测工作;18.负责微生物的检验仪器日常维护保养工作;19.负责参与维护、监督GMP体系的运行、组织和管理内部质量审核工作;20.负责及时上报生产用水、生产环境等的微生物超标/异常情况;21.包装材料等新材料的检验和评审工作;22.负责汇总包装材料、新材料信息登记,及时更新来料履历表、存档各项质检记录及相关资料;23.负责公司ISO 9001/14001管理工作;24.负责主持ISO 9001/14001的内外审核工作;25.负责ISO 9001/14001的实施与运行状况进行监督,为内外审核提供依据;26.负责每年对公司各项体系的内审工作,评价组织各项体系的符合性、有效性、持续性;27.负责汇总成品检验信息登记,及时更新成品履历表、存档各项质检记录及相关资料;28.负责成品的检验分析工作;29.负责对ISO9001、GMP等体系资料的更新分类、保存、归档;30.负责检验报告的扫描、分类保存、归档;31.负责技术部发放的制品标准书的签收和管理;二现场质检:1.遵守公司各项规章制度,履行岗位职责,维护公司利益;2.负责生产现场的报检产品、首件检验、过程检验;3.负责对产品生产的材料的信息进行详细记录,便于产品追溯分析、质量状况跟踪。
质量管理部门的职责
质量管理是企业的重要组成部分,它的职责是确保产品质量达到国家和行业的质量标准,以满足客户的期望。
质量管理部门负责质量控制、保证和监督,以确保产品质量。
首先,质量管理部门负责制定企业的质量控制计划,包括根据客户要求针对特定产品定义质量要求、制定特定程序,用于检查生产过程中的产品,以及使用检测和分析工具来识别和预防质量问题。
另外,质量管理部门还负责不定期地抽样检测产品的质量,以确定产品是否符合适用的规定,并及时处理质量问题及异常。
其次,质量管理部门负责制定企业内部质量管理标准,比如管理流程、质量保证、投诉处理流程、客户服务流程和内部检查流程等,以便在最大程度上实现企业的质量管理目标。
另外,质量管理部门还负责定期进行内部质量检查和质量改进,确保企业有效地实施质量计划。
再者,质量管理部门负责给予业务部门和各用户部门有关产品质量的咨询、技术支持以及质量管理培训,使之能够正确使用产品,避免不良影响。
此外,质量管理部门还负责从业务部门收集及分析客户的建议;收集和统计投诉信息,并及时作出处理;及时处理质量投诉,使之达到客户预期的满意度。
最后,质量管理部门应定期收集和跟踪行业及政府对质量管理的要求,及时修订企业的质量管理计划。
他们还应参与各种行业标准的制定和实施,以确保工厂的质量水平达到行业要求。
总之,质量管理部门的工作十分重要,它负责制定企业的质量控制计划、为业务部门和各用户部门提供咨询、质量管理培训以及检查处理客户的投诉,以保证企业的产品质量,满足客户的期望。
只有所有的质量管理部门能够一致落实各项质量控制计划,并且充分发挥各自的作用,企业才能得以取得质量管理的成功。
质量管理机构部门职责一、项目经理1、全面负责本工程的实施,是工程质量的第一责任人,并完成如下职责:2、组织项目部各级人员严格执行国家、行业、地方的施工规范、质量标准和公司的质量体系文件,确保各级人员都能正确理解和执行公司的质量方针和目标。
3、组织编制工程项目施工组织设计和必要时的施工方案,按规定批准后组织项目部各级人员严格执行。
4、负责配合或组织工程物资分承包方评审和选择,组织地方性、零星物资采购计划的审批及采购验证。
5、负责组织质量控制,根据需要配置充足的资源,确保工程各道工序,各分部(分项)工程和最终产品质量符合合同和质量标准的要求。
6、组织接受和安排技术、质量、安全、工期等交底,签订责任状,按期完成工程计划,并接受和组织监督检查。
7、组织本机构和各班组进行安全教育,提高全员安全意识,杜绝重大伤亡事故的发生。
8、组织各班组按规定对机械设备和计量检测器具加强管理,确保检测数据的准确性和机械设备的使用能力。
9、组织监督检查各施工现场原材料和工序质量检验的状态标识工作。
10、组织全体施工人员积极维护公司的质量信誉和企业形象,确保顾客满意。
11、组织按规定对各类文件和资料的控制,做到收发手续齐全,记录填写清晰,整理保管完整。
二、项目技术负责人1、贯彻执行国家有关技术政策、标准、规范、规程、规定及上级技术管理制度,对项目施工技术工作全面负责。
2、组织技术人员熟悉合同文件,掌握设计意图,参加设计技术交底,主持图纸会审和现场调查、核对。
3、负责审核签发变更设计报告4、领导试验和测量工作,负责施工过程试验、测量等重大技术问题的决策及报告。
5、主持交竣工技术文件资料的编制,参加交竣工验收。
三、施工负责人1、在分管领导的指导下,组织严格执行国家、行业、地方和公司的施工规范、质量标准和质量体系文件。
2、熟悉相关文件,弄懂设计图纸,参加现场调查核对,根据有关要求配合主管领导编制施工组织设计及特殊、重要部位工程施工方案,经按规定批准后组织实施。
质量管理部门的职责(经典版)编制人:__________________审核人:__________________审批人:__________________编制单位:__________________编制时间:____年____月____日序言下载提示:该文档是本店铺精心编制而成的,希望大家下载后,能够帮助大家解决实际问题。
文档下载后可定制修改,请根据实际需要进行调整和使用,谢谢!并且,本店铺为大家提供各种类型的经典范文,如工作总结、工作计划、述职报告、条据书信、合同协议、演讲致辞、心得体会、导游词、教学资料、其他范文等等,想了解不同范文格式和写法,敬请关注!Download tips: This document is carefully compiled by this editor. I hope that after you download it, it can help you solve practical problems. The document can be customized and modified after downloading, please adjust and use it according to actual needs, thank you!In addition, this shop provides you with various types of classic sample essays, such as work summary, work plan, debriefing report, article letter, contract agreement, speech, experience, tour guide, teaching materials, other sample essays, etc. I want to know Please pay attention to the different format and writing styles of sample essays!质量管理部门的职责质量管理部门的职责精选13篇随着社会不断地进步,岗位职责使用的情况越来越多,制定岗位职责可以减少违章行为和违章事故的发生。
那么相关的岗位职责到底是怎么制定的呢?以下是本店铺为大家收集的质量管理部门的职责,欢迎阅读,希望大家能够喜欢。
质量管理部门的职责(篇1)1、开展标准化建设工作。
包括进行案场管理、前期管理、工程管理等具体业务的流程、制度、规章等标准化建设;2、监控物业项目服务品质和服务标准的达标状况,对项目物业品质检查提交报告,指出不足之处,提出改进建议,对重点问题进行分析说明;3、参与重大物业投诉的处理工作;4、组织物业服务满意度调查,监控满意度状况;5、负责监督各项品质问题及时整改;6、定期进行例行品质检查及对服务品质进行考核;7、完成公司交办的其他任务。
质量管理部门的职责(篇2)1.协助总经理制定质量方针、确定质量目标,物业公司品质部工作职责。
协助总经理进行管理评审。
2.协助管理者代表组织编写、修改质量手册、程序文件和作业文件。
协助管理者代表进行内部审核。
3.协助分管领导具体组织对单位和单位负责人进行绩效考核;负责本部门内部员工绩效考核。
4.负责在管理者代表领导下,具体组织开展公司质量工作,对各项目部、专业公司和其他职能部门及质量工作进行指导、检查、考核与督促改进。
5.负责具体组织实施质量管理体系认证、监督审核工作。
6.负责组织对担任内审员进行质量管理知识和技能培训。
协助人力资源部组织实施对中高层管理人员进行与质量管理相关培训。
7.负责对公司管理服务工作不到位、失误引起的投诉的归口管理;负责受理业主(使用者)直接到公司的投诉,交有关部门处理,并负责投诉处理的跟踪及纠正和纠正措施实施效果的验证;协助公司领导处理重大投诉。
8.协助管理者代表就质量管理有关事宜与外部联络。
9.协助公司领导提出公司制度建设规划,并具体组织实施,确保公司制度体系的完整性。
10.及时清理公司制度性文件,建立公司制度性文件清单并实时更新,发公司各项目部、专业公司和其他部门执行。
11.对制度性文件制订修订工作进行归口管理。
对由各单位起草的制度性文件统一进行初步审核,有权将不符合要求的制度性文件报审稿退回起草单位要求其修改重新报审。
12.负责对贯彻质量管理体系文件和其他制度表现优异的典型事例、违反公司质量管理体系文件包括其他制度的案件,进行调查核实,提出调查报告转交人力资源部予以处理。
13.负责公司重点工作督办。
14.完成领导交办的其他任务。
质量管理部门的职责(篇3)一、熟悉了解国家相关的方针政策和行业的管理服务标准,对事物的观察、分析、判断、协调处理具有较强的工作能力。
二、在总经理(分工副总经理)领导下,实施公司品牌的规划、完善、督查管理。
三、协助总经理搞好质量管理体系的建立,每月末定期向总经理报告,提高服务质量所采取的措施及效果。
四、负责制订公司员工行为规范,服务质量的考核,奖惩标准。
随时检查执行情况,及在督查过程中发现的新情况、新问题,供领导决策参考。
五、协同人事行政部共同抓好提高员工整体素质的培训,为行业的发展培养合格员工,提供储备人才。
六、作风民主,坚持原则,办事公道,不循私情,深入基层调查研究,针对服务质量存在的问题,及时反馈,迅速处理,保证管理服务,政令通畅,良性循环。
七、主管员工奖惩工作,受理业主投诉、员工申诉,在查明原因后向总经理提交处理意见报告,做到条条有记载,件件有落实,事事有回复。
八、负责组织管理人员年度述职报告,主持部门领班年度工作总结,对其考核情况及时呈报总经理。
九、有权向公司总经理建议对物业服务中心主任级人员做出调整或辞退处罚,有权对各物业服务中心主任级以下人员予辞退或罚款处理。
负责向公司总经理发现推荐内部管理人员。
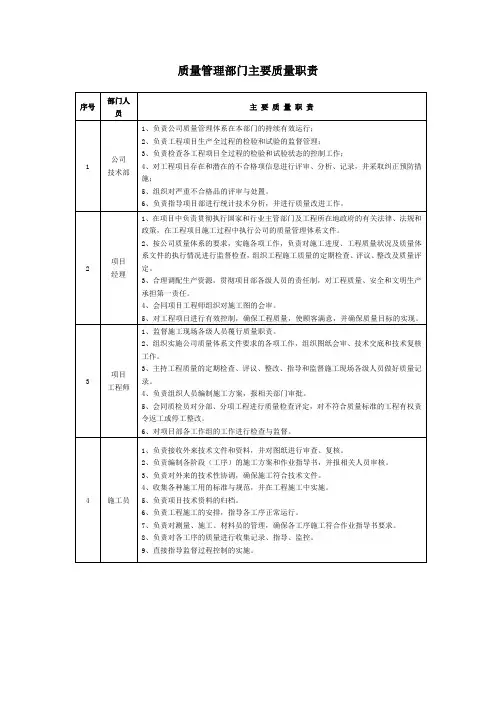
质量管理部门的职责(篇4)1、负责确保质量管理体系在本部门的实施;2、批准发布公司的检验规程等质量管理文件;3、协助管理者代表组织内审活动及对公司质量管理体系文件的修订、签发、回收和复审工作;4、统计技术和数据分析在质量控制上得到应用和控制;5、组织、落实和监督本公司产品生产全过程的质量控制;6、批准一般不合格品的处置;7、负责产品质量否决权和产品放行权;8、负责质量记录的审批和各部门执行情况的监督检查;9、对纠正和预防措施进行跟踪和检查;10、参与质量策划和管理评审;11、负责本部门内各岗位员工的技术培训、工作安排、调度和组织管理;12、负责部门内在制品库、半成品库的管理和控制工作。
质量管理部门的职责(篇5)1.负责制定各部门的安全标准,做好日常监督工作,明确日常检查的次数;2.负责完善和整改工作流程,明确“发单—执行—反馈”各环节的流程及时间节点;3.负责对重大事项的安全指导与管控,针对大型活动及重要事项,提出管控办法并进行全程监督;4.负责制定各部门的品质管理办法,从品质的角度对各部门的工作进行管控;5.负责投诉公司的事件,并及时上报上级领导;6.负责梳理各部门的服务流程并检查其完成情况,并制定管控的办法和定期提交报告;7.完成上级领导安排的其他工作。
质量管理部门的职责(篇6)1、在总经理的直接领导下,按照公司各个时期的中心工作,依据公司发展规划,拟订项目管理目标,对总经理负责,全面实施项目的物业管理工作,提升物业管理服务质量。
2、负责总体协调省内各经销店所在城市市政各部门。
3、根据年度计划,建立健全项目所需的规章制度,业务程序,督导、布置、检查下属工作。
4、负责拟定工程、保安、保洁、客服等运行管理的规章制度、应急预案、工作流程、标准和规范并上报公司批准后实施。
5、负责区域内经销店服务质量的点检工作,全面提升职员的综合素质。
6、对省内经销店的服务标准进行提升培训。
质量管理部门的职责(篇7)1、调查客户满意度及服务质量,反馈调查结果2、处理客户投诉3、处理违反质量管理相关规定的事4、异动客户数据统计、原因调查并汇报5、跟进服务异常情况的处理6、部门领导交办的其他事情要求:1、极强的客户服务意识,丰富的客服经验2、较强的责任心、上进心、学习意愿3、执行力强、耐心、能持续跟踪解决问题4、亲和力强,有团队精神质量管理部门的职责(篇8)1、全面负责药品质量管理工作,独立履行职责,在企业内部对药品质量管理具有裁决权。
2、根据公司的质量方针和目标,编制满足顾客需求,符合相关法律、法规要求的质量管理体系文件,并指导、监督执行。
3、对质量管理体系的运行进行有效监测、分析和改进。
4、负责重大药品质量事故或质量投诉的调查、处理及报告。
当经营管理或质量管理改善时,提出和采取必要的纠正、预防措施。
5、负责公司工作作业流程和管理技术的改进。
6、对质量管理部的工作进行指导和督促。
7、加强对业务经营人员的质量教育,对业务经营关键岗位的人员进行质量意识考核。
8、负责质量管理制度、首营企业、首营品种、上下游客户资质、不合格药品处理记录等有关质量内容的最终审核。
质量管理部门的职责(篇9)1、开展药品质量管理工作,对验收员、养护员的业务进行指导。
2、指导在库药品的仓储管理工作,确保在库药品码放正确,各类标志清楚,并定期检查在库药品的存放条件是否符合要求,指导养护员做好在库药品养护工作。
3、在药品质量管理方面有效行使监督权。
4、定期检查各项质量管理制度执行情况,对存在的问题提出改进措施。
5、在公司各部门的协助下,做好质量培训、教育工作。
6、收集各种药品信息和有关质量的意见和建议,将收集到的意见和建议传递给有关部门,并定期进行统计分析。
7、负责建立药品质量档案和收集质量标准。
8、负责各类质量记录、资料的收集存档工作,保证各项质量记录的完整性、准确性和可追溯性。
9、负责药品质量查询,对顾客反映的质量问题及时查找原因,尽快予以答复解决;协助药品质量事故、质量投诉的调查处理。
10、负责对不合格药品的监督管理,参与不合格药品的报损、销毁工作。
11、负责首营企业、首营品种、首营客户基础数据的录入和修改,资料的及时更新、整理和归档。
12、负责客户所需首营资料的准备,确保发出去的资料完整、及时、效期最新。
质量管理部门的职责(篇10)1、根据车间提交的采购申请单,ERP录入料号,并进行采购及跟催,月末对账;2、每供应商对账,付款申请等采购工作;3、外协日常文职类工作:订单盖章,付款申请单,报销签核,考勤统计,数据录入等;4、前台工作:面试/参观人员通知及接待;5、协调好公司各部门的关系;6、完成部门领导交办的其他工作。
质量管理部门的职责(篇11)1.负责公司产品的检验分析及报告的出具工作;2.负责公司新供应商样品检验及检验报告出具工作;3.负责公司常规物料的非常规定检试验工作;4.负责公司产品的质量检测,发现生产的产品中存在的质量问题,保证合格的产品流到下一个工序,减少客诉,从而满足客户的品质标准。