XX高速XX标段施工组织设计
- 格式:doc
- 大小:1.34 MB
- 文档页数:74
XX高速公路施工组织设计第一章工程概况及工作特点第一节工程概况1、地理位置XX高速公路起点位于延安市宜川县西南柳树村(K33+200),沿川道经程落村、铁龙湾、白家庄、枣湾止于瓦子街(K48+300),线路全长15.1km。
该段概算投资9.23亿元,计划工期18个月。
2、工程范围本标段为XX高速公路第QL2标段。
起讫桩号为:左线K39+685~K42+450,右线K39+670~K42+450,全长2.8km。
3、设计概况本合同段全长为:左线2765m,右线2780m。
其中铁龙湾隧道左线ZK39+685~ZK41+094,长1409m,右线YK39+670~YK41+075,长1405m;路基挖方90126 m3,路基填方122150 m3,涵洞7座,共计70.34米。
桥1座计8米。
3.1 隧道工程隧道设计依据《公路工程技术标准》(JTGB01-2003),为上下行分离式双洞单向行驶隧道,隧道采用1.5%单向坡,超高形式为路面绕路线设计高点旋转。
隧道内设置人行横洞2处,车行横洞1处。
按100Km/h行车速度,设计荷载公路I级。
隧道建筑限界净宽10.75m,净高5m。
其中隧道行车道宽度为2×3.75m,路缘带宽度为0.5m。
人行横洞净宽2.0m,净高2.5m,采用单心圆直墙断面。
车行横洞净宽4.5m,净高5.0m,内轮廓断面为单圆心断面形式。
紧急停车带净宽13.25m,净高5.0m,内轮廓为三圆心断面形式。
根据隧道左、右线工程地质条件及地形条件,结合开挖边坡稳定性及洞口防排水需要,本着“早进晚出”、“少开挖”的原则确定隧道洞门位置。
洞门型式采用端墙式和削竹式。
隧道围岩分为三个级别,各级围岩长度见下表:铁龙湾隧道围岩级别及长度隧道桩号围岩分级及衬砌长度(m)长度名称Ⅳ级Ⅴ级洞口段明洞(m)铁龙湾隧道ZK39+685~ZK41+09494438563171409YK39+670~YK41+07592539570151405隧道衬砌明洞段为钢筋混凝土结构,洞身段衬砌;初期支护采用喷、锚、网、钢拱架支护,二次衬砌采用钢筋混凝土和素混凝土,并视地层、地质条件增加管棚、超前小导管、超前锚杆等预加固措施。
xx高速公路施工组织设计表1.施工组织设计的文字说明1.工程概况1.1设计情况说明XX公路全长156.75公里,是新近规划的国家区域经济干线公路的组成部分,也是该省规划的“米”字形公路骨架中重要的“一撇”,它纵贯中部和西南部地区,是我国西南地区通往中原及沿海地区的一条新的干线公路。
本工程为第三合同段,起点为NO.3合同段的终点K43+090,经疙瘩王西于K43+575上跨京九铁路,设5孔30米分离式立交桥,于K44+252,止于NO.4合同段的起点K44+300,全长1.21公里,主要工程内容包括路基、桥涵、排水、防护。
1.2主要技术标准计算行车速度:120公里/小时路基宽度:28米平曲线一般最小半径:1000米不设超高的最小平曲线半径:5500米最大纵坡,最小纵坡:3%,3‰最短坡长:300米停车视距:210米桥梁设计荷载:汽车—超20级,挂车—120级路面设计标准轴载:BZZ—100路面结构:收费广场为水泥混凝土,余为沥青混凝土桥梁净宽:净—2×12.25米设计洪水频率:1/100地震基本烈度:6度1.3主要工程数量表序号工程名称单位数量备注1拆迁电力电讯线米6302路基填方立方米411936借土3路基挖方立方米36664分离式立交桥米/座157.46/1与铁路交叉5中桥米/座53.04/16涵洞米/道41.37/17通道米/道91.3/28路基基层2×11.75公里 1.01220厘米+38厘米9标志牌块4交管10防撞护栏米3940安全11隔离栅米2300安全12植树棵1550环保13植冬青、栽花株9938环保1.4地形地貌、气象条件及地质特征路线位于淮河冲积平原西侧的沙颖河河谷冲积平原,地势平坦,地形变化不大,地面标高72—75米左右。
地下水位埋深于地表以下5米左右,对构筑物无侵蚀性。
该区为6度地震区。
夏季炎热雨集中,秋季爽湿度大,冬季寒雨雪少。
平均年降水量735.2—811.8毫米,集中在7、8、9三个月。
高速公路项目施工组织设计1. 项目背景高速公路是现代交通系统中非常重要的组成部分,对于国家经济的发展和人民日常生活起着至关重要的作用。
为了提高交通效率和道路安全性,我们拟在某地建设一条高速公路。
2. 施工目标我们的施工目标是按照设计方案,高质量、高效率地完成高速公路的建设。
确保施工过程中的安全性和环保性,同时最大程度地减少对周边环境的影响。
3. 施工组织方案3.1 工程组织结构在施工过程中,我们将建立以下工程组织结构:- 项目经理:负责整个施工过程的管理和协调。
- 施工队伍:包括工程师、技术人员、操作工人等,负责具体施工任务的执行。
- 安全监督员:负责施工现场的安全检查和监督。
- 质量监督员:负责对施工质量进行监督和检查。
3.2 施工流程我们将按照以下流程进行施工:1. 前期准备:包括场地清理、设备购置等准备工作。
2. 地基处理:对道路基底进行处理,确保承载力和稳定性。
3. 桥梁建设:根据设计方案建设桥梁结构。
4. 路面施工:进行路面铺设和沥青混凝土施工。
5. 设备安装:安装交通标志牌、路灯等设备。
6. 环境保护:采取措施保护周边环境,如土地恢复、垃圾处理等。
7. 完工验收:对施工质量进行验收,确保符合相关标准和要求。
4. 施工计划和资源配置4.1 施工时间计划根据项目规模和工期要求,我们将制定详细的施工时间计划,确保按时完成工程。
4.2 人力资源根据工程规模和施工计划,合理配置施工所需的工程师、技术人员和操作工人等。
4.3 物资和设备资源我们将及时采购所需的材料和设备,并合理配置到各个施工阶段。
5. 安全管理措施为了确保施工现场的安全性,我们将采取以下安全管理措施:- 定期组织安全培训,提高员工的安全意识。
- 建立完善的施工现场警示标识。
- 严格执行安全操作规程,防止安全事故的发生。
- 配备必要的安全设施和装备,如安全网、防护栏等。
6. 环境保护措施为了最大程度地减少对周边环境的影响,我们将采取以下环境保护措施:- 控制施工噪音和扬尘污染。
目录第一局部工程概况-----------------------------------------2第二局部编制依据-----------------------------------------7第三局部指导思想和目标-----------------------------------8第四局部施工组织-----------------------------------------10第五局部工期控制-----------------------------------------18第六局部工程施工方案-------------------------------------19第七局部预制场及各类拌合场、站建设-----------------------23 第八局部施工方法及工艺-----------------------------------27第九局部工程质量管理-------------------------------------70第十局部重点过程〔技术难点或特殊过程〕的施工方案---------76 第十一局部工程进度保证措施--------------------------- ---82第十二局部雨季施工---------------------------------------84第十三局部现场管理与文明施工-----------------------------86 第十四局部平安管理---------------------------------------90第十五局部环境、文物及其他设施保护措施-------------------110 第十六局部附图、附表------------------------------------120第一局部工程概况一、工程概况XX至XX高速公路XX至XX段建设工程是2021年-2021年黑龙江省高速公路网的重要组成局部,自西向东贯穿XX地区。
目录第一部分1公路工程施工组织设计1一、编制原则及编制说明2(一)编制原则2(二)编制依据2(三)编制范围3二、工程说明4(一)工程概况4(二)主要技术标准4(三)工程内容及主要工程量41.路基土石方42.路面43.防护及排水5(四)自然条件51.地形、地貌52.不良工程地质及特殊性岩土53.气象54.河流水文6(五)工程地质条件61.地层岩性62.地质构造63.水文地质64.地震7(六)筑路材料、水、电等建设条件71.石料72.中粗砂、天然砂砾73.石灰74.水泥75.钢材、木材76.汽油、柴油87.沥青88.工程用水与用电8三、施工总体规划9(一)安全、质量、环保、工期目标91.安全目标92.质量目标93.环保目标94.工期目标9(二)施工准备情况91.内业准备92.外业准备9(三)临建工程和施工场地布置101.施工便道102.施工临时住房103.施工通讯104.施工场地105.取、弃土场10(四)施工组织机构101.施工单元划分和施工队伍安排112.设备、人员、材料进场方法113.原材料供应计划124.主要施工机械及测试仪器设备配置12四、工期及施工进度计划15(一)施工总工期15(二)分项工程工期及进度安排151.临时工程152.路基工程153.涵洞工程154.防护及排水工程155.桥梁工程156.路面工程157.竣工验收168.本工程拟投入施工队伍16五、主要分项工程项目施工方案17(一)路基工程171.路基填筑施工工艺172.路基施工方案173.路基挖方204.特殊路基处理215.摊铺平整226.路基的压实227.路基整修238.结构物台背回填249.路基防护及排水工程24(二)路面工程281.水泥稳定碎石基层(底基层)施工282.透层和粘层施工303.热融改性沥青碎石封层施工304.沥青下面层的检查与清扫315.试铺路面施工316.沥青路面层施工317.SMA沥青马蹄脂面层施工358.环境保护39(三) 桥梁工程391.钻孔灌注桩施工392.承台施工413.墩身及盖梁施工414.箱梁的预制施工及梁板堆放425.20m箱梁后张法预应力施工方案446.梁的架设467.桥面铺装及护栏施工478.桥面铺装防水层工程49(四) 涵洞工程511.施工顺序512.施工准备513.基坑开挖514.基础处理515.基础施工526.墙身的浇筑527.台帽施工528.盖板施工539.洞口施工及防水层施工5310.涵洞回填53六、确保工程质量和工期的措施55(一)质量保证措施551.组织机构552.保证措施553.建立健全自检制度56(二)工期保证措施57七、文明施工、文物保护保证体系及保证措施58(一)文明施工581.组织机构582.保证措施58(二)文物保护措施59八、冬季和雨季的施工安排60(一)冬季施工安排601.主要注意事项602.冬季施工措施60(二)夏季施工安排及措施61(三)雨季施工安排及措施61九、质量、安全保证体系62(一)质量保证体系621.质量保证组织机构622.质量保证体系62(二)安全保证体系621.安全保证组织机构622.安全保证体系623.安全保证措施62十、工程施工主要环境保护和水土保护措施64(一)环境保护组织机构64(二)环境保护措施641.水土及生态环境的保护措施642.大气环境的保护措施643.降低噪音措施64十一、项目风险预测与防范、事故应急预案66(一)项目风险预测66(二)项目风险防范措施66(三)事故就急预案66十二、其他应说明的事项68(一)资金保证措施68(二)与相关单位的施工配合措施68第二部分69投标报价预算69一、预算编制70(一)编制依据70(二)人工、材料、机械及有关费用的取定70二、预算表格72致谢73参考文献74附录75附图1.施工总平面布置图附图2 施工进度计划图75 附图3.钻孔灌注桩基础施工工艺流程图76附图4.大桥桥墩身施工工艺图77附图5.盖梁浇筑施工工艺流程图78附图6.后张法预应力箱形梁板施工工艺流程图79附图7.路基填筑施工工艺流程图80附图8.土质路堑施工工艺框图81附图9.挡墙工程施工工艺流程图82附图10.浆砌边沟施工工艺流程图83附图11.盖板涵施工工艺流程图84附图12.路面基层施工工艺流程框图85附图13.沥青面层施工工艺流程图86第一部分公路工程施工组织设计一、编制原则及编制说明(一)编制原则1.遵守招标文件各项条款要求,全面响应招标文件,认真贯彻业主或监理工程师的指示、指令和要求。
摘要本公路施工组织设计路段,位于xxx地区。
该施工组织设计是指针对本公路工程项目,在开工前针对工程本身特点和工地具体情况,按照工程的要求,对所需的施工劳动力、施工材料、施工机具和施工临时设施,经过科学计算、精心对比及合理的安排后编制出的一套在时间和空间上进行合理施工的战略部署文件。
主要内容包括编制依据与编制原则、工程概况、施工部署、施工准备工作、主要项目施工方法及措施、各种保证措施、施工工艺框图等主要内容,编制出针对性的施工组织设计,每个分部分项工程的特点、结构特征、施工难易程度、工期和质量要求,编制出切实可行的施工方案,以指导施工并顺利地完成本工程项目的建设,控制工程成本,创建优质工程。
关键词:施工组织设计;工期安排;施工工艺;质量控制措施目录摘要 (I)Abstract ......................................................................................................................... 错误!未定义书签。
第一章总体施工组织设计编制说明.. (1)第二章总体施工组织设计编制依据 (3)第三章工程概况 (3)3.1 工程概况 (3)3.2 工程性质 (3)3.3 主要工程数量 (3)3.4工程技术标准 (3)3.5 工期要求 (4)3.6 工程质量要求 (4)3.7 安全总体目标 (4)第四章施工准备工作总计划 (5)4.1 工程目标 (5)4.2 施工管理机构 (5)4.3 施工总体安排 (7)第五章主要工程项目的施工方案 (9)5.1 路基工程 (9)5.2 路面工程 (15)5.3 桥梁工程 (26)5.4 涵洞工程 (32)5.5 隧道工程 (35)5.6防护工程 (42)第六章施工总进度计划 (47)第七章资源配置计划 (49)7.1 主要劳动力需求计划 (49)7.2 施工机具需求计划 (49)7.3 材料、构件及半成品需求计划 (54)第八章资金供应计划 (57)8.1 需求计划 (57)8.2 资金保证措施 (57)第九章施工总平面图 (59)第十章技术、质量、安全组织及保证措施 (61)10.1 技术保证措施 (61)10.2 质量保证体系 (62)10.3 安全保证体系 (66)第十一章文明施工和环境保护措施 (69)11.1 文明工地创建目标 (69)11.2 文明施工责任制 (69)11.3 文明施工管理网络 (69)11.4 文明施工管理措施及环境保护措施 (69)11.5 环境保护措施 (70)第十二章各项技术经济指标 (73)12.1 施工日期 (73)12.2 工程质量 (73)12.3 劳动生产率 (73)12.4 降低成本 (73)12.5 安全指标 (73)12.6 机械指标 (73)12.7 场容目标 (73)12.8 节约成效 (73)12.9 消防目标 (74)参考文献 (76)附录 (77)第一章总体施工组织设计编制说明施工组织总设计是以整个建设项目或若干个单位工程为编制对象,是对整个工程施工的全盘规划,是指导全局、指导全工地的施工准备和组织施工的综合性文件。
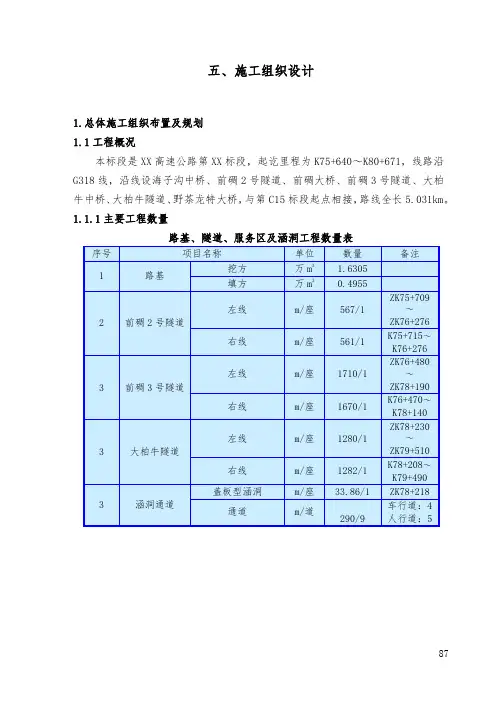
五、施工组织设计1.总体施工组织布置及规划1.1工程概况本标段是XX高速公路第XX标段,起讫里程为K75+640~K80+671,线路沿G318线,沿线设海子沟中桥、前碉2号隧道、前碉大桥、前碉3号隧道、大柏牛中桥、大柏牛隧道、野茶龙特大桥,与第C15标段起点相接,路线全长5.031km。
1.1.1主要工程数量路基、隧道、服务区及涵洞工程数量表桥梁工程数量表1.1.2施工条件1.1.2.1地质、水文、气候及气象条件1)地层处于扬子地台西缘次一级构造单位龙门山、大巴山台缘断褶带之西南端,西临康滇地轴,东接四川台坳,西北侧相邻松潘-甘孜地槽褶皱系。
构造部位处于NE向龙门山断裂带和NW向鲜水河断裂带及SN向安宁河断裂带构成Y 字形构造交汇部位东侧,具体构造部位处于龙门山断裂带西南段内。
2)工作区河流天全河为工作区域水系,由北向南流。
该区域地势由西向东倾斜,西高东低。
整个流域大致呈西南向的扇形。
境内山峦重叠、山势高俊、岭谷相间、平地极少,地形复杂。
流域上游河段河谷狭窄深切,坡陡流急,河道多呈“V”型。
3)本标段位于天全县境内,属中亚热带季风气候为基带的山地气候。
年均气温15.1℃,年均降水量在1660毫米之间,年日照数为964小时,平均蒸发量为922.6mm。
4)本标段内降水量丰沛,雨季达到半年之久,丽日多在200天以上,秋雨多。
主要灾难性天气为低湿、阴雨和洪涝,时有冰雹、大风与旱出现。
1.1.2.2交通、电力及水资源1)本标段交通条件差,各工点施工便道可由G318线引入,以确保施工的顺利进行。
2)管段内有10KV输电线路经过,与当地电力部门洽商解决用电问题;3)管段内水源丰富,施工用水可从前碉沟和天全河取水。
1.1.2.3材料供应桥梁支座、伸缩缝为甲供材料,水泥、钢材等大众材料通过招标方式采购。
1.2工程特点及重难点工程特点:标段内含3座长隧道,1座特大桥,3座大桥,3座中桥。
施工现场有简易乡村机耕道与G318线相连。
×××高速公路施工组织设计方案第一章工程概况编制依据1、江苏省高速公路施工指导意见汇编2、江苏省高速公路工程施工招标文件3、淮安至盐城高速公路施工图设计(#合同)4、《公路工程技术标准》(JTJ001-97)5、《公路路基设计规范》(JTJ013-95)6、《公路路基施工技术规范》(JTJ033-95)7、《公路桥涵施工技术规范》(JTJ041-2000)8、《公路工程质量检验评定标准》(JTJ071-98)二、工程概况(一)工程概况###高速公路是国家重点公路天津至汕尾公路的支线,是江苏省规划的“四纵四横四联”高速公路主骨架中徐州—盐城公路的重要组成部分,它连接了淮安、盐城两个省辖市,直接沟通沂淮江、宁靖盐和连盐通三条纵向高速公路,是横穿苏北腹地的一条重要的东西向交通要道。
淮盐高速公路的建设对于完善路网结构,实现南北交通合理分流;加强苏北省辖市之间的联系,促进区域经济共同发展;加快“海上苏东”战略的实施,推动海洋经济发展,均具有重要的意义。
淮盐高速公路西起淮安市楚州区,与在建的宿淮高速公路相接,经建湖县,东止于盐城市以南,与在建盐通高速公路交叉。
路线全长104.011km。
淮安四合同起点位于楚州区流均镇前哨村以西、西横河以东,起点桩号为K##+###,终点桩号K##+###,全长7.35公里。
(二)自然条件1.地形、地貌本项目区域为苏北平原的一部分,自西向东分属于黄泛冲积平原区、里下河古泻湖平原区和海积平原区,东部濒临黄海地区。
整个区域地势低平,海拔高程从4.0米向2.5米过渡,其中射阳湖荡洼地标高0.5米至1.0米。
本合同内湖荡密布,河道纵横,圩田连片,具有河网平原和河网圩田平原的特点。
本合同段经过地区为里下河古泻湖平原区。
2、气象项目区域气候以苏北灌溉总渠为界,以北属南温带气候。
年平均气温13.6℃~14.7℃之间。
其中最冷月(1月)平均气温0℃~1℃之间,最热月平均气温26.7~27.5℃。
高速公路施工组织设计范例一、总说明(一)编制依据* *高速公路第* 合同段实施性施工组织设计是根据以下有关文件资料和建设单位的要求以及施工实际性情况进行编制的:(略)(二)工程概况(包括工程数量、地形地貌等)略。
(三)工程管理机构设置概况根据本工程颁情况及特点,为确保该工程保质按期完成施工任务,创优质工程做到安全生产、文明施工,此项工程将作为重点工程组织施工和管理,组建强有力的项目经理部,集中精良的机械设备、组织优秀的施工队伍进行该工程施工。
经理部:设经理1人,副经理2人,总工程师1人,经理部下设6个职能部门,即总工办公室(包括中心试验室、测量组、质检组)、工程管理部、经理办公室、合同部、财务部、机料部(扬维修中心、材料供应组、调度室)。
该工程拟划分为九个作业队,分别由5 个路基防护作业队、3个桥涵作业队、1个路面作业队和2个混凝土构件预制场负责施工。
经理部设在K139+250附近、* *大道旁,交通、通讯便利,利于生产管理和与业主联系并在该处设置* *高速公路* 合同段驻地监理工程师办公室。
为本合同工程设立的组织机构框图见1-3-1表表1-3-1(四)工程区段划分(包括桩号、工程数量、施工总平面布置图等):略(五)施工过程中执行现行的施工技术规范及有关规章制度1.* *高速公路项目招标文件2.公路工程施工监理规范3.公路工程技术标准4.公路路基施工技术规范5.公路路面基层施工技术规范6.公路水泥混凝土路面施工及验收规范7.公路桥涵施工技术规范8.公路软土地基路堤设计与施工技术规范9.公路沥青路面施工技术规范10.公路土工试验规程11.公路工程沥青及沥青混合料试验规程12.公路工程水泥混凝土试验规程13.公路工程水泥混凝土试验规程14.公路工程金属试验规程15.公路工程水质分析操作规程16.公路路面基层材料试验规程17.公路工程集料试验规程18.公路工程质量检验评定标准19.道路交通标志和标线(六)主要工程项目形象进度计划本合同段招标文件规定工期20个月,实际按19个月考虑,计划从* * * * 年* 月* 晶开工至* * * *年* 月底全部竣工。
XX X 高速公路施工组织施组设计方案(全套范本全范第 1页目录第一卷高速公路施工组织设计 ..................................................................................................... 6 第一章编制依据 (6)第二章工程概况 (6)第一节工程简介 (6)第二节工程范围及设计构造 (6)一、桥梁设计里程 (7)二、桥梁部分设计概况 (7)三、桥梁主要结构工程量汇总 (7)四、道路、下水道主要工程量汇总 (8)第三节现场及周边建(构物,道路交通及地下管线状况 (8)第四节业主招标的工期要求 ......................................................................................... 8 第三章工程主要施工技术关键 (8)第一节路基和桥台后填筑控制 (9)第二节立交桥梁结构清水砼的施工 ............................................................................. 9 第三节空心板梁板底起拱度质量控制 ......................................................................... 9 第四节现场搅拌砼的质量控制 (9)第五节预应力施工操作控制 .......................................................................................10 第四章施工的总体组织规划 ............................................................................................... 10 第一节施工区域划分和各区域现状 (10)一、章节 126 (10)二、道路下水道部分:....................................................................................... 10 第二节各施工区域的施工流程安排 (11)第三节劳动力资源计划 ...............................................................................................11第四节材料资源投入计划 ...........................................................................................12 第五节主要施工机械、仪器设备的选型 ...................................................................13一、施工机械、仪器设备的选择依据 (13)二、主要设备、器具配备表 (13)第五章各分项工程的施工顺序和主要施工方法 ...............................................................15 第一节各主要分项工程施工工序流程图 ...................................................................15 第二节施工程序网络图 ...............................................................................................16 第三节本工程拟采用的主要施工方法 .......................................................................16一、下部结构 (16)二、上部结构 (17)三、桥面附属系 (17)四、地面道路 (17)五、下水道 (17)第六章施工期间道路交通组织方案 ................................................................................... 18 第一节 ××路的围场及交通组织 . (18)第二节 ××路围场及交通组织 ...................................................................................18 第三节板梁吊装时的交通组织 ...................................................................................18第七章建(构筑物、地下管线的保护措施 (19)第一节组织落实 ...........................................................................................................19第二节措施制订与执行 ...............................................................................................19第八章结构施工支架体系 (21)第九章主要工程项目的施工方案 (21)第一节测量定位放样 ...................................................................................................21一、轴线测设 (21)二、标高测设 (23)三、测量仪器的检测 (23)第二节桩基施工 ...........................................................................................................23一、前期准备 (24)二、 PHC 管桩的予制及运输 (24)三、 PHC 管桩打桩施工 (24)四、水上 PHC 管桩打设 (25)五、质量保证措施和质量检验标准 (26)六、打桩工程安全技术措施 (26)第三节承台(桥台施工 (27)一、施工顺序 (27)二、承台围护 (27)三、承台挖土 (28)四、垫层施工 (28)五、桩顶截凿 (29)六、承台钢筋 (29)七、承台模板 (29)八、承台砼 (30)九、基坑回填 (30)十、质量保证措施质量检验标准 (31)第四节立柱施工 (31)一、施工顺序 (32)二、前期准备 (32)三、模板选型加工 (32)四、立柱定位、高程控制 (32)五、立柱钢筋 (33)六、立柱模安装与拆除 (33)七、立柱砼 (34)八、清水砼施工工艺控制 (34)九、现场搅拌砼质量控制 (35)十、质量保证措施和质量检验标准 (36)十一、立柱施工安全技术要求 (37)第五节盖梁施工 ...........................................................................................................37一、施工顺序 (37)二、支架范围内地基处理 (38)三、盖梁定位 (38)四、盖梁支架 (38)五、盖梁非预应力钢筋制作与绑扎 (39)六、钢筋骨架加工要求 (39)七、盖梁模板 (40)八、盖梁砼 (40)九、盖梁预应力张拉 (40)十、质量保证措施和质量检验标准 (43)十一、盖梁施工安全管理 ................................................................................... 44 第六节板梁、 T 梁施工 (45)一、施工准备 (45)二、板梁工厂加工 (45)三、板梁运输 (49)四、 T 梁加工 (50)五、板梁吊装 (50)六、 T 梁吊装 (51)七、梁部砼构件质量及安装检验标准 (51)八、安全技术措施 (51)第七节防撞墙施工 (52)一、施工顺序 (52)二、前期准备 (53)三、支撑形式 (53)四、钢筋绑扎 (53)五、模板 (53)六、砼浇筑 (54)七、防撞墙砼质量检验标准(允许偏差 (54)八、防撞墙施工安全技术措施 (54)第八节桥面铺装施工 (54)一、前期准备 (54)二、钢筋施工 (55)三、混凝土施工 (55)第九节附属设施的施工安装 .......................................................................................55一、桥面伸缩缝 (55)二、落水管安装 (56)第十节地面道路施工 ...................................................................................................57一、原地面清理和填前碾压 (57)二、填方材料现场压实试验 (57)三、土路堤施工 (57)四、路基施工 (59)五、基层施工 (60)六、沥青砼面层施工 (60)七、侧平石及人行道板铺设 (62)八、挡土墙施工 (62)第十一节排水工程施工 ...............................................................................................62一、沟槽开挖及支护 (63)二、沟槽排水 (63)三、铺设管道 (63)四、管道接口 (64)五、磅水检验 (64)六、管道坞膀 (64)七、沟槽回砂、覆土 (65)第十章冬期、雨季施工措施 (65)第一节冬期施工措施 ...................................................................................................65第二节雨季施工措施 ...................................................................................................66第十一章工程质量管理措施 (68)第一节工程质量目标 ...................................................................................................68第二节工程质量管理组织体系 ...................................................................................68一、质量管理三级监督组织体系 (68)二、施工过程三级质保体系人员责任落实细则 (69)第三节工程项目质量保证体系 ...................................................................................73第四节保证工程质量的监控和程序控制体系 ...........................................................73第五节工程质量保证措施 ...........................................................................................75一、工程质量控制措施 (75)二、工程质量实施措施 (78)第六节严格执行监理程序 ...........................................................................................81第十二章工程工期管理措施 (82)第十三章工程安全管理措施 (83)第一节安全管理目标 ...................................................................................................83第二节安全管理网络图 ...............................................................................................83第三节安全生产保证体系 ...........................................................................................83第四节安全生产管理措施 ...........................................................................................84第十四章文明施工管理措施 (84)第一节文明施工管理目标 ...........................................................................................85第二节文明施工管理网络 ...........................................................................................85第三节现场设施管理 ...................................................................................................85第四节劳务管理 ...........................................................................................................87第五节文明施工与周边居民、工厂、商店等的关系协调 .......................................88第十五章分项工程进度率计划(斜率图 (88)第十六章工程管理曲线 (89)第十七章施工总平面布置 (91)第一节钢筋加工场、材料及模具堆场等生产设施 ...................................................92第二节生产设施场地 ...................................................................................................92第三节接电、接水布置 ...............................................................................................93第四节施工便道 ...........................................................................................................93第五节围场布置 ...........................................................................................................93第六节排水组织 ...........................................................................................................93第七节办公生活设施 ...................................................................................................93第八节 T 梁预制场 (94)第 5页第九节试验养护设施 ...................................................................................................94第十节现场宣传 ...........................................................................................................94第十八章施工工艺框图 (94)第一节路基填筑施工(包括各类特殊路基处理 (94)第二节路面底基层、基层施工 ...................................................................................94第三节路面面层施工 ...................................................................................................96第四节桥梁钻孔桩施工 ...............................................................................................96第五节 ...........................................................................................................................96第六节连续箱梁施工 ...................................................................................................96第七节 ...........................................................................................................................96第十九章分项工程生产率和施工周期表 (96)第二十章施工总体计划表 (97)第二十一章附:施工总进度计划横道图(二级计划及施工总进度计划编制说明 ...98第一节施工总进度计划横道图(二级计划 (见后页 (98)第二节施工总进度计划编制的指导思想及主要分项工程的施工计划 ...................98一、施工总进度计划编制的指导思想 (98)二、主要分项工程的施工计划 (99)第三节计划工期的按排及工程主要节点的完成时间说明 (100)第 6页第一卷高速公路施工组织设计织设第一章编制依据本工程施工组织设计的编制依据为:×××\u39640X速公路工程招标文件×××\u39640X速公路工程招标文件初步设计图纸×××\u39640X速公路工程招标文件补遗书市政工程施工及验收技术规程:第一篇城市道路 (上海市政工程管理局第二篇公第三篇桥路 (上海市政工程管理局梁 (上海市政工程管理局第四篇下水道 (上海市政工程管理局建设部相关行业技术标准第二章工程概况第一节工程简介高速公路段为纵贯上海西部地区主要干线的立交及高架工程,连接虹桥机场延安西路高架、外环线、沪青平公路。
X X高速X X标段施工组织设计X X高速X X标段施工组织设计1、编制依据:1.1、江西鹰瑞高速公路B8标段施工设计图纸。
1.2、济广高速公路江西鹰潭至瑞金段招标文件、济南至广州国家高速公路江西鹰潭至瑞金段建设项目《管理手册》等。
1.3、《公路桥涵施工施工技术规范》、《公路路基施工技术规范》JTG F10-2006、《公路工程技术标准》JTG B01-2003、《公路工程质量检验评定标准》JTG F80/1-2004、《混凝土结构工程施工质量验收规范》GB 50204-2002、《桥涵》施工手册等。
1.4、现场调查、勘察的有关资料整理。
2、工程概况2.1、工程简介鹰潭至瑞金高速公路是国家高速公路规划网中“7918”网中的第四纵-济南至广州高速公路赣中段,路线起点位于江西省鹰潭市余江县洪湖水库黄柏张家,终点位于瑞金市武阳乡,全长308.777km,设计为全封闭、全立交,双向四车道高速公路,设计时速100Km/h,整体式路基宽度26m。
第B8合同段起讫里程为K341+655.425~K351+620,全长9.965Km。
标段起点位于白舍镇大昌下村与B7标的终点相接,经赤岭头村、西山村、上王村、刘家村、戴家村、际下村,至坪上村到达标段终点。
主要工作内容为:路基土石方开挖、填筑及路基附属工程、桥梁、涵洞、既有道路改移等工程,标段内设南丰服务区一处。
2.2、工程特点、难点及重点2.2.1本标段施工管段较长,路基开挖土石方共计237.4万m3,路基填方共计175.8万m3,土石方数量较大,需优化组合熟练的施工队伍,配备充足的土石方施工设备,分多个区段平行施工,确保按期完成。
2.2.2标段内路基工程填挖数量大、高填深挖段落多,部分路段穿越高液限粘土、流状软土、鱼塘等不良地段,地基需进行特别处理。
同时,填方段落需严格按设计要求进行强夯或冲击碾压施工,是路基工程质量控制的关键。
2.2.3本标段桥梁上部采用后张法预应力砼小箱梁、空心板梁,装配式预应力砼空心板梁采用先简支后连续体系,施工工艺要求高,是桥梁施工控制的重点。
第五章主要工程项目的施工方案、施工方法§1、路堑开挖施工1.1、工程概述本合同段,路基采用整体式断面型式,宽度26.0m。
本标段路基土石方开挖量65万m3,多处深挖地段,土质挖方边坡最高为9.69米,石质挖方最大高度43.83m。
大部分土石方作为填方路基的以挖作填土以外,约4万方土石需运至指定弃土场作为弃土方.1.2.施工顺序施工准备→桩位复测、施工测量放线→拆迁、砍树、场地清理→确定开挖方案→截水沟、天沟修筑→土石方分层开挖→路堑路床顶部材料检查(或换填)→开挖路基边沟、排水设施→刮平边坡→边坡防护及砌筑→修筑路拱→碾压、整平路基→路基检测→检查签证.1。
3、施工准备工作1.3.1.路基开工前,在全面熟悉设计文件和设计与交底的基础上,进行现场核对和施工调查,发现问题及时根据有关程序报请监理工程师审核,按照监理工程师和设计单位的意见进行修改。
1。
3.2.根据现场收集到的情况、核实的工程数量,按工期要求、施工难易程度和人员、设备、材料准情况,编制实施性的施工组织设计,并编制路基施工网络计划,报现场监理工程师和业主批准及时提出开报告.1。
3.3.修建生活和工程用房,解决好通讯、电力和水的供应,修建供工程使用的临时便道、便桥,确保施工设备、材料、生活用品的供应;设立必要的安全标志。
1.3。
4.开挖前对沿线土质进行复查和试验,当地质情况与设计不符时,报告监理工程师,并提出修改开挖断面方案报监理工程师审批。
1.3.5.路堑开挖前做好截水沟,并视土质情况作好防渗工作,避免地表水对边坡的冲刷和渗入岩体致使边坡失稳。
1。
3.6.根据施工组织设计成套配齐各种必要的施工机械,并做好保修准备。
1.4、施工测量1。
4。
1.根据图纸和业主提供的测设基准资料和测量标志,在施工范围内全面恢复和固定路线,进行导线、中线、水准点复测,测量与绘制路基横断面。
按照规范要求的精度设置永久性平面和高程控制点,并进行平面控制点和水准点加密,加密点的计算达到精度要求.1。
目录第一部分 (1)公路工程施工组织设计 (1)一、编制原则及编制说明 (2)(一)编制原则 (2)(二)编制依据 (2)(三)编制范围 (3)二、工程说明 (4)(一)工程概况 (4)(二)主要技术标准 (4)(三)工程内容及主要工程量 (4)1.路基土石方 (4)2.路面 (4)3.防护及排水 (5)(四)自然条件 (5)1.地形、地貌 (5)2.不良工程地质及特殊性岩土 (5)3.气象 (5)4.河流水文 (6)(五)工程地质条件 (6)1.地层岩性 (6)2.地质构造 (6)3.水文地质 (6)4.地震 (7)(六)筑路材料、水、电等建设条件 (7)1.石料 (7)2.中粗砂、天然砂砾 (7)3.石灰 (7)4.水泥 (7)5.钢材、木材 (7)6.汽油、柴油 (8)7.沥青 (8)8.工程用水与用电 (8)三、施工总体规划 (9)(一)安全、质量、环保、工期目标 (9)1.安全目标 (9)2.质量目标 (9)3.环保目标 (9)4.工期目标 (9)(二)施工准备情况 (9)1.内业准备 (9)2.外业准备 (9)(三)临建工程和施工场地布置 (10)1.施工便道 (10)2.施工临时住房 (10)3.施工通讯 (10)4.施工场地 (10)5.取、弃土场 (10)(四)施工组织机构 (10)1.施工单元划分和施工队伍安排 (11)2.设备、人员、材料进场方法 (11)3.原材料供应计划 (12)4.主要施工机械及测试仪器设备配置 (12)四、工期及施工进度计划 (15)(一)施工总工期 (15)(二)分项工程工期及进度安排 (15)1.临时工程 (15)2.路基工程 (15)3.涵洞工程 (15)4.防护及排水工程 (15)5.桥梁工程 (15)6.路面工程 (15)7.竣工验收 (16)8.本工程拟投入施工队伍 (16)五、主要分项工程项目施工方案 (17)(一)路基工程 (17)1.路基填筑施工工艺 (17)2.路基施工方案 (17)3.路基挖方 (20)4.特殊路基处理 (21)5.摊铺平整 (22)6.路基的压实 (22)7.路基整修 (23)8.结构物台背回填 (24)9.路基防护及排水工程 (24)(二)路面工程 (29)1.水泥稳定碎石基层(底基层)施工 (29)2.透层和粘层施工 (30)3.热融改性沥青碎石封层施工 (31)4.沥青下面层的检查与清扫 (31)5.试铺路面施工 (31)6.沥青路面层施工 (31)7.SMA沥青马蹄脂面层施工 (35)8.环境保护 (39)(三) 桥梁工程 (39)1.钻孔灌注桩施工 (39)2.承台施工 (41)3.墩身及盖梁施工 (41)4.箱梁的预制施工及梁板堆放 (42)5.20m箱梁后张法预应力施工方案 (44)6.梁的架设 (46)7.桥面铺装及护栏施工 (48)8.桥面铺装防水层工程 (49)(四) 涵洞工程 (51)1.施工顺序 (51)2.施工准备 (51)3.基坑开挖 (51)4.基础处理 (52)5.基础施工 (52)6.墙身的浇筑 (52)7.台帽施工 (53)8.盖板施工 (53)9.洞口施工及防水层施工 (53)10.涵洞回填 (53)六、确保工程质量和工期的措施 (55)(一)质量保证措施 (55)1.组织机构 (55)2.保证措施 (55)3.建立健全自检制度 (56)(二)工期保证措施 (57)七、文明施工、文物保护保证体系及保证措施 (58)(一)文明施工 (58)1.组织机构 (58)2.保证措施 (58)(二)文物保护措施 (59)八、冬季和雨季的施工安排 (60)(一)冬季施工安排 (60)1.主要注意事项 (60)2.冬季施工措施 (60)(二)夏季施工安排及措施 (61)(三)雨季施工安排及措施 (61)九、质量、安全保证体系 (62)(一)质量保证体系 (62)1.质量保证组织机构 (62)2.质量保证体系 (62)(二)安全保证体系 (62)1.安全保证组织机构 (62)2.安全保证体系 (62)3.安全保证措施 (62)十、工程施工主要环境保护和水土保护措施 (64)(一)环境保护组织机构 (64)(二)环境保护措施 (64)1.水土及生态环境的保护措施 (64)2.大气环境的保护措施 (64)3.降低噪音措施 (64)十一、项目风险预测与防范、事故应急预案 (66)(一)项目风险预测 (66)(二)项目风险防范措施 (66)(三)事故就急预案 (66)十二、其他应说明的事项 (68)(一)资金保证措施 (68)(二)与相关单位的施工配合措施 (68)第二部分 (69)投标报价预算 (69)一、预算编制 (70)(一)编制依据 (70)(二)人工、材料、机械及有关费用的取定 (70)二、预算表格 (72)致谢 (73)参考文献 (74)附录 (75)附图1.施工总平面布置图附图2 施工进度计划图 (75)附图3.钻孔灌注桩基础施工工艺流程图 (76)附图4.大桥桥墩身施工工艺图 (77)附图5.盖梁浇筑施工工艺流程图 (78)附图6.后张法预应力箱形梁板施工工艺流程图 (79)附图7.路基填筑施工工艺流程图 (80)附图8.土质路堑施工工艺框图 (81)附图9.挡墙工程施工工艺流程图 (82)附图10.浆砌边沟施工工艺流程图 (83)附图11.盖板涵施工工艺流程图 (84)附图12.路面基层施工工艺流程框图 (85)附图13.沥青面层施工工艺流程图 (86)第一部分公路工程施工组织设计一、编制原则及编制说明(一)编制原则1.遵守招标文件各项条款要求,全面响应招标文件,认真贯彻业主或监理工程师的指示、指令和要求。
某高速公路工程施工组织设计(一)项目名称及规模本建设项目为高速公路,总长185.4km,分为东西段。
东段为已建成的叶集至罗山段半幅高速公路的扩建北半幅工程,长135.9km;西段为罗山至信阳段新建全幅高速公路,长49.5km.(二)N0.6标段工程范围及内容N0.6标段起讫桩号K73+100~K88+620,建设里程15.781km,建址于潢川县境域。
项目内容为路基、路面底基层和基层、结构物、防排水等土建工程。
(三)主要项目及数量:见《主要工程项目及数量表》。
(四)桥涵工程结构特征:见《桥涵工程结构特征表》。
(五)自然条件1、地形及地貌:本标段路线经过地区属平原微丘区,地面高程▽42.0~78.0m,相对高差36m.多辟为旱田、水田,且水塘较多。
2、地质及地震:本标段地表为第四系沉积物的中-低液限粘土,次层局部为中砂、砂砾,下伏泥岩、砂岩,断层不发育,区域稳定性较好;部分路段存在弱膨胀土或膨胀性土。
地震烈度为6度。
本标段有淮河支流水系的多条小河,且沟渠纵横,水量充足。
垄岗地下水不发育,水位埋深6m;谷地及阶地地下水丰富,以孔隙水为主,埋深1~4m,主要补给来源为大气降水。
地表水及地下水水质对混凝土无侵蚀性。
3、气象及气候:路区处于北亚热带向暖温带过渡气候区,四季分明,冷暖适中、雨量充沛。
年均气温15.1℃,1月均温1.9℃,7月均温27.7℃,极端气温40.8℃、-20.5℃。
年均降水量1107mm,多集中于5~8月(占54%)。
多发暴雨,常发生在6~8月,尤以7月最多。
暴雨强度大,易造成洪水灾害。
无霜期218天。
(六)施工条件本标段系已建成的叶集至罗山段高速公路扩建北半幅工程,G106国道及潢江、潢卜公路分别在中部及两端部穿过,并与G312国道在潢川县城相交,沿线乡道村路纵横连通,交通便利。
两端部跨京九、宁西铁路立交桥均已全幅建成,且台后已填土约15m,可接续路基施工。
沿线地方电源大部分可利用,零散小桥涵须自备发电机。
X X高速X X标段施工组织设计1、编制依据:1.1、江西鹰瑞高速公路B8标段施工设计图纸。
1.2、济广高速公路江西鹰潭至瑞金段招标文件、济南至广州国家高速公路江西鹰潭至瑞金段建设项目《管理手册》等。
1.3、《公路桥涵施工施工技术规范》、《公路路基施工技术规范》JTG F10-2006、《公路工程技术标准》JTG B01-2003、《公路工程质量检验评定标准》JTG F80/1-2004、《混凝土结构工程施工质量验收规范》GB 50204-2002、《桥涵》施工手册等。
1.4、现场调查、勘察的有关资料整理。
2、工程概况2.1、工程简介鹰潭至瑞金高速公路是国家高速公路规划网中“7918”网中的第四纵-济南至广州高速公路赣中段,路线起点位于江西省鹰潭市余江县洪湖水库黄柏张家,终点位于瑞金市武阳乡,全长308.777km,设计为全封闭、全立交,双向四车道高速公路,设计时速100Km/h,整体式路基宽度26m。
第B8合同段起讫里程为K341+655.425~K351+620,全长9.965Km。
标段起点位于白舍镇大昌下村与B7标的终点相接,经赤岭头村、西山村、上王村、刘家村、戴家村、际下村,至坪上村到达标段终点。
主要工作内容为:路基土石方开挖、填筑及路基附属工程、桥梁、涵洞、既有道路改移等工程,标段内设南丰服务区一处。
2.2、工程特点、难点及重点2.2.1本标段施工管段较长,路基开挖土石方共计237.4万m3,路基填方共计175.8万m3,土石方数量较大,需优化组合熟练的施工队伍,配备充足的土石方施工设备,分多个区段平行施工,确保按期完成。
2.2.2标段内路基工程填挖数量大、高填深挖段落多,部分路段穿越高液限粘土、流状软土、鱼塘等不良地段,地基需进行特别处理。
同时,填方段落需严格按设计要求进行强夯或冲击碾压施工,是路基工程质量控制的关键。
2.2.3本标段桥梁上部采用后张法预应力砼小箱梁、空心板梁,装配式预应力砼空心板梁采用先简支后连续体系,施工工艺要求高,是桥梁施工控制的重点。
2.2.4沿线村镇密布,植被多、生态良好,施工中做好文明施工及保护环境工作,尽量减少污染和不污染至关重要,维护当地生态平衡是施工中的重点。
2.3、设计标准2.3.1、设计时速:100K m/h2.3.2、路幅宽度:26.0m,双向四车道。
整体式路基宽度26m,其中:单向行车道宽2×3.75m,中间带宽度3.5m(含中央分割带宽2.0m和两侧路缘带宽各0.75m),硬路肩宽3.0m(含路缘带宽0.5m),土路肩宽0.75m。
分离式路基宽度13m,其中:行车道宽度2×3.75m,右侧硬路肩宽3.0m(含右侧路缘带宽0.5m),左侧硬路肩宽1.0m(含路缘带0.5m),土路肩宽0.75m。
2.4、主要工程数量主要工程数量表表12.5.1、气象本地气候温和、雨量充沛、四级分明。
降水一般集中在3~6月份,多以暴雨的形式集中降水,年平均气温18.3℃。
气温蒸发度的变化与地形起伏、植被发育程度关系密切。
一般平原地区气温较高,蒸发度较大,相对湿度达76%~80%。
2.5.2、水文本标段路线属于抚河流域的水文地质亚区,地表水发育,抚河支流盱江及其支流贯穿全段,且山间冲沟、河流发育,一般长年流水,水量较大,K342+700~K342+800段发育一条宽度约100米的河流及K351+410~K351+430处岗间沟谷地发育一条宽度约20米的河流,区内地表水发育。
2.5.3、地质线路位于华南褶皱系武夷山隆起和南城——南丰——广昌断线盆地边缘,地形以花岗岩组成的高岗地及低丘为主。
花岗岩及花岗片麻岩区风化剥蚀严重,地势起伏大,山势陡峭,植被发育。
2.5.4、地形线路大致呈南北走向,地形总体起伏较大,根据沿线的地形地貌和地层岩性情况,该段主要处于白舍剥蚀高岗地区。
由于区内的岗地多被开垦为桔园,植被多不发育,而局部岗地山顶未开垦区则植被十分发育。
区内岗间盆地和洼地发育,多为长条状,且多为水稻田,地势微倾。
3、施工准备工作安排3.1、临时设施3.1.1、根据本工程的实际情况,本标段大部分为土石方工程,均采用机械作业,临建工程主要集中在桥梁预制厂及大、中桥施工现场等。
3.1.2、拌和站根据本标段管段长,运输道路不便等特点,共设置大小三个搅拌站,分别设于K342+900处(赤领头大桥8#台附近)、K346+000段(南丰服务区左侧)、K349+450段(中和分离式立交桥附近)3.1.3、K342+900、K349+450搅拌站内设钢筋加工场地、库房等。
预制梁场设于K346+000附近。
3.2、临时道路1、为了维护当地的交通,经当地政府同意将白舍镇至中和段,部分乡村公路加宽,部分弯道取直,每隔200米设置错车台一个。
2、贯穿整个线路修筑一条运输土方的施工的施工便道,作为场地运输的主要干线。
3、因部分地段处于稻田区,地势低凹,淤泥较深。
为了保证道路能够畅通,所有的淤泥要全部清除,换填砂砾,并且做好排水工作。
3.3、施工用水根据现场的地形条件K342+900搅拌站可直接使用密江水;K346+000搅拌站及梁场,因地下水较丰富,在地势低洼处打机井使用地下水;K349+450搅拌站可直接使用旁边水塘内水。
本地区水质均较好,对砼无腐蚀作用可直接使用。
3.4、供电分别在搅拌站安装560K v A变压器各一台,高压在附近接地方电网。
为了防止因停电而造成停工,在每个搅拌站备200K W发电机组一台。
4、施工方法和工艺技术方案按照“统筹规划、专业分工、平行施工、立体展开”的原则,本标段安排三个项目队分区段组织施工,由项目经理部进行综合协调,各项目队平行施工,队伍部署及任务划分见表2。
施工队伍部署及任务划分(表2)(1)路基工程:安排三个项目队,采用机械化作业、多工作面平行施工。
开工后优先安排软土路基段施工,尽早完工,路堑土方采用挖掘机开挖,自卸汽车运土,石方采用控制爆破、边坡采用预裂光面爆破施工,开挖完并及时防护,填方采用大型振动压路机、冲击式压路机联合分层碾压,试验跟踪检测,填方段落严格按设计要求做好强夯、冲击碾压工作,确保工程质量。
(2)桥梁工程:根据现场的实际情况,水中墩桩基础采用钻孔桩成孔。
陆地上桥墩基础采用人工挖掘成孔。
墩身采用厂制定型钢模立模,一次全高泵送浇筑。
桥梁采用分段集中预制,汽车吊架设。
(3)附属工程:采用机械拌制砂浆,人工挤浆法砌筑。
(4)公路改移:公路改移工程紧前安排施工,并做好临近的村镇保畅工作。
4.2、路基工程施工方案本标段路基土石方数量较大,高填深挖段落多,计划安排三个项目队,分四个区段、按照“重点先行、分段展开、平行施工”的原则组织施工,配备劳力180人,2009年5月31日前完成路基土石方工程施工。
路基施工以软弱地段路基地基处理、深挖路堑、高填路堤、失稳边坡加固段等为重点控制项目,配备成套的大型土石方机械设备,组织机械化施工,以成熟、先进的施工技术,如大型振动压路机、冲击式压路机联合分层碾压、试验跟踪检测等技术优质高效的完成路基工程施工。
土石方填筑地段采用推土机摊铺,平地机整平,重型振动压路机、冲击压路机联合分层碾压,填方路段,严格按设计要求做好冲击碾压及强夯工作,路堑土方采用挖掘机直接开挖,装载机装车,15t自卸车运载。
路堑石方表层采用挖掘机直接开挖,装载机装车,15t自卸车运载,坚硬地段辅以弱松动爆破,边坡光面爆破技术,防护工程紧跟施工。
4.2.1、软土路基处理本标段路基部分路段位于软土、高液限粘土、流状软土地段,共计3100m,桥头采用碎石、石灰复合桩处理,软土路基进场后优先安排施工,以确保路基按期完工。
4.2.1.1软土、高液限粘土、流状软土处理(1)、软土厚度小于2米时,力学性质较好,路基稳定性及施工后沉降均满足要求时仅设置地表砂垫层处理;如路基填高较大,路基稳定性不足但施工后沉降满足要求时,采用地表砂垫层结合土工布或土工格栅加筋进行处理。
(2)、软土厚度2~3米且下有硬壳层的软弱地基,采用在软基上摊铺30~50cm厚的砂垫层,然后视情况在砂垫层上铺土工格栅包裹30cm厚开山石料或碎石土数层的方法处理。
(3)、在软土厚度小于3米且出露面积较小时采用地表换填法进行处理,开挖的淤泥作废方,并视地下水情况采用砂、普通土或开山石碴回填。
(4)、对于常年积水、排水困难的极软塑流塑的地段。
可采用抛石挤淤换填开山石或换填土、换填砂砾。
(5)、对于软土深度大于3米的地段,因受软土物理及力学特性、排水条件等因素影响,根据实际情况将淤泥清除一部分,剩余的进行抛石挤淤换填砂砾。
换填石料时,不能换填膨胀性岩石、易溶性岩石、崩解性岩石和盐花岩石,填筑材料最大粒经应小于20cm,采用大吨位的振动压路机分层碾压,碾压速度2~4km/h、频率30hz,1/4错轮,强震6~8遍。
4.2.2、台后碎石、石灰复合桩施工本标段桥梁台后均采用φ40cm复合桩进行处理,采用LC履带式沉管桩机进行施工。
正式施工前应进行成桩试验,试验桩一般为7~9根,施工顺序从四周边开始向中心进行,相邻两桩必须跳跃间打;主要工艺流程为:(1)场地平整、测量放线、桩机就位,人工合龙活瓣式桩尖,对准地面上放样的桩位;(2)开动振动机把套管沉入土中,如遇到坚硬难沉的土层,可辅助以喷气或射水沉入,把套管沉到设计深度;(3)将料斗插入桩管,向管内灌入一定量的碎石;(4)再将套管提升到一定高度,套管内的碎石被压缩空气从管内压出;(5)继后将套管沉入到规定的深度,并加以振动,使排出的碎石振密;(6)再一次向套管内灌入一定量碎石;(7)把套管提升到规定的高度;(8)重复(5)~(7)工序,直到地面,成桩。
施工中应保证起重设备平稳,导向架与地面垂直,垂直偏角不应大于1.5%,成孔中心与设计桩位偏差不应大于50mm,桩径偏差控制在±20mm以内,桩长偏差不大于100mm;若地表水丰富或较软弱,可先铺一层碎石垫层,有利于排水,同时提高地基强度,便于机械和施工人员行走,振动成桩至地面时应向下复振1m,确保地表不产生缺碎石的凹桩。
4.2.3、强夯及冲击碾压施工为了提高路基压实度及增强路基整体强度、均匀性,加速路基土体固结,最大限度地减少路基施工后自然沉降,最终控制路基总沉降量,同时为了检验路基压实程度,确保路基工程施工质量,进而保证路面质量。
填土高大于6m地段采用冲击碾压或强夯进行处理,是路基工程质量控制的重点,施工工艺详见“重点(关键)和难点工程的施工方案、方法及其措施”。
4.2..4、路堑施工(1)、路堑土方施工土方采用挖掘机按图纸要求自上而下进行,并及时用人工配合挖掘机整刷边坡,靠近基床底层表面及边坡以人工开挖。
(2)、路堑石方施工石质路堑开挖采取控制爆破施工方案。