厂房泄压面积计算小工具
- 格式:pdf
- 大小:340.57 KB
- 文档页数:2
泄压面积计算分析报告书
设计人:
校对人:
审核人:
项目名称:厂房-3消防改造
项目地址:昆山
建设单位:七甲电子(昆山)有限公司
设计单位:苏州市城市建筑设计院有限责任公司
一.该喷漆车间为甲类房间(喷涂油漆),根据建筑防火规范表3.6.3得知其C值为0.11。
二.该甲类房间的长10.8米,宽7米,高 2.8米。
建筑面积92平方米长径计算:
[10.8*(7+2.8)*2]/[7*2.8*4]=2.7<3,所以按照一个计算段即可
三.根据建施图平.立.剖面标高得知该甲类房间高2.8米,
计算段容积为:
V=46*2.8=128.8(m3)
四.根据计算公式A=10CV2/3得知计算段泄压面积至少为:
A=10C V12/3=10*0.11*128.82/3=28(m2)
五.计算段实际泄压面积为:
A实际=8(m2) <28(m2)
六.由以上计算结果可知:该喷漆房间泄压面积不满足规范要求。
建议采用以下方法增加泄压面积:1、重新布置喷漆线(全部靠外墙布置,可在
外墙上设置泄压口)
2、屋顶开洞
3、喷漆间重新分隔,把喷漆室柜子与其它柜
子单独隔开。
尽量的减少喷漆间的面积,
以及高度。
建筑防爆泄压面积公式
建筑防爆泄压面积的计算公式如下:
泄压面积= 建筑面积× 泄压比
其中,建筑面积指的是建筑物的总面积,泄压比是指在发生爆炸或其他危险情况时,需要将建筑内部的压力释放出去,以保证人员和设备的安全。
泄压比的大小取决于建筑物的结构、用途、危险源等因素,通常由相关部门或专业机构进行评估和确定。
例如,如果一座建筑的总面积为1000平方米,泄压比为0.2,则该建筑的防爆泄压面积为:
泄压面积= 1000平方米× 0.2 = 200平方米
防爆泄压面积的计算是建筑设计中的重要环节,必须按照相关规定和标准进行设计和施工,以确保建筑物的安全性能。
莂泄压面积计算爆炸能够在瞬间释放出大量气体和热量,使室内形成很高的压力,为了防止建筑物的承重构件因强大的爆炸力遭到破坏,将一定面积的建筑构、配件做成薄弱泄压设施,其面积称为泄压面积。
根据《建筑设计防火规范》(GB 50016),有爆炸危险的甲、乙类厂房,其泄压面积宜按下式计算,但当厂房的长径比大于3时,宜将该建筑划分为长径比小于等于3的多个计算段,各计算段中的公共截面不得作为泄压面积:芈式中 A—泄压面积(㎡)羅V—厂房的容积(m³);肃C—厂房容积为1000m³时的泄压比(㎡/m³),可按表2-8-1选取。
肂长径比为建筑平面几何外形尺寸中的最长尺寸与其横截面周长的积和4.0倍的该建筑横截面积之比。
建筑高度6m长边100m,短边40m该厂房的泄压面积宜按公式A=10CV2/3计算(式中A:泄压面积,㎡;V:厂房的容积,m³;C:厂房容积为1000m³时的泄压比,薃A=10X0.11X(100X40X6)三分之二次方甲醇的泄压比应为大于等于0.11㎡/m³)。
经计算,该厂房的泄压面积不应小于915.20㎡。
比方上题目中最长尺寸是100截面周长为40+40+6+6=92最长尺寸与其横截面周长的积100X92横截面积40X6=2404.0倍的该建筑横截面积4X2409200/4/240=9.58不能大于3分为四段(当厂房的长径比大于3时,宜将该建筑划分为长径比小于等于3的多个计算段)9.58/4=每段长径比2.396仅供个人用于学习、研究;不得用于商业用途。
For personal use only in study and research; not for commercial use.Nur für den persönlichen für Studien, Forschung, zu kommerziellen Zwecken verwendet werden.Pour l 'étude et la recherche uniquement à des fins personnelles; pas à des fins commerciales.толькодля людей, которые используются для обучения, исследований и не должны использоваться в коммерческих целях.以下无正文。
泄压面积的计算
有爆炸危险的甲、乙类厂房,其泄压面积宜按下式计算,但当厂房的长径比大于3时,宜将该建筑划分为场景比≤3的多个计算段,各计算段中的公共截面不得作为泄压面积:
A=10CV2/3
A--泄压面积
V--厂房的容积
C--泄压比
2
长径比的计算
长径比:建筑平面几何外形尺寸中的最长尺寸与其横截面周长的积和4.0倍的该建筑横截面积之比。
即:
H---- 厂房横截面的长边
W----厂房横截面的短边
下面来看道例题
已知:厂房跨度(w)12.0m,平均高度(H)6.5m
解答:
1)查表3.6.4 可知C=0.110
2)计算厂房的长径比:
36.0×(12.0+6.5)×2/(4×12.0×6.5)=1332/312=4.3>3
3)以上计算结果不满足条文要求,因此将盖厂房分为两段再进行长径比计算(也可视情况分成多个计算段):
18.0×(12.0+6.5)×2/(4×12.0×6.5)=666/312=2.1<3
(满足长径比要求)
4)计算每段厂房的容积:
V=18.0×12.0×6.5=1404(㎡)
5)代入公式A=10CV2/3中
A1=10×0.110×14042/3=1.1×125.4=137.9(㎡) (每段的泄压面积)
6)整个厂房需要泄压面积:
A=A×2=137.9×2=275.8(㎡)。
概况:《建筑设计防火规范》规定区分甲、乙类物质甲类:1 闪点小于28℃的液体2 爆炸下限小于10%的气体3 常温下能自行分解导致迅速自燃的物质和在空气中氧化即导致迅速自燃的物质4 常温下受到水或空气中水蒸汽的作用能产生可燃气体并能燃烧或爆炸的物质;5 遇酸、受热、撞击、摩擦、催化以及遇有机物或硫磺等易燃的无机铂,能引起爆炸的强氧化剂和遇酸、受热、撞击、摩擦、催化以及遇有机物或硫磺等易分解引起燃烧的强氧化剂;6 与氧化剂、有机物接触时能引起燃烧或爆炸的物质;7 受到水或空气中水蒸气的作用能产生爆炸下限小于10%的气体的固体物质乙类:1 闪点大于等于28℃,但小于60℃的液体2 爆炸下限大于等于10% 的气体3 助燃气体和不属于甲类的氧化剂4 不属于甲类的化学易燃危险固体:本此设计所涉及甲醇,乙醚,三甲基亚砜等化学试剂均属于甲类危险品,而碳酸钠,碳酸氢钠,氢氧化钠等固体属于乙类危化品。
在综合考虑我们的加料方式,以及产区通风换气等措施配合,故而,车间类爆炸气体偶尔存在,以及存在时间存在,属于zone1。
为了达到安全以及经济性的协调,故而厂区进行两个防爆等级的设计,甲类危化品的储存以及爆炸性工序的产线均采用甲类防爆,而乙类危化品则储存在乙类防爆间。
1 车间防爆泄压面积的计算新版的《建筑设计防火规范》第3.6章,对有爆炸危险的甲、乙类厂房、仓库的泄压面积提出了新的计算方法,主要是先要计算其长径比,长径比为建筑平面几何外形尺寸中的最长尺寸与其横截面周长的积与4.0倍的该建筑横截面积之比。
如长径比大于3,要将其划分为小于等于3的若干个计算段,最后各段的泄压面积之和为该建筑物的泄压面积。
《建筑设计防火规范》规定,爆炸下限<10%的气体时,以及受到水或空气的中的水蒸气的作用,能产生爆炸下限<10%的气体的固体物质.2 原设计屋面做法为0.5厚彩钢板、50厚纤维保温棉、铝箔+250X250不锈钢丝网、150X60X20X2.5C型钢檩条(檩条间距1300),其屋面自重为18kg/m2<60kg/m2,屋面以及屋顶可以作为泄爆口。
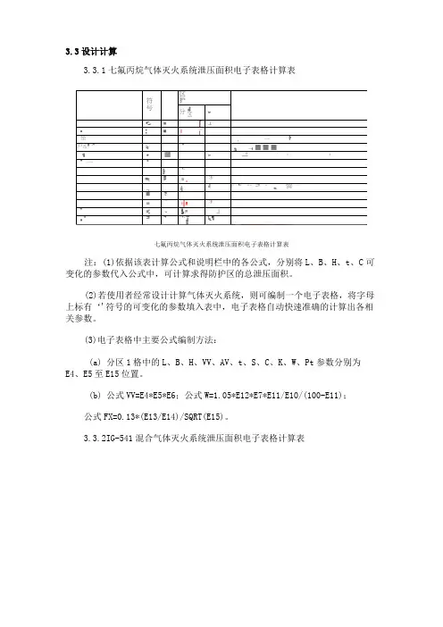
3.3设计计算注:(1)依据该表计算公式和说明栏中的各公式,分别将L 、B 、H 、t 、C 可变化的参数代入公式中,可计算求得防护区的总泄压面积。
(2)若使用者经常设计计算气体灭火系统,则可编制一个电子表格,将字母上标有‘'符号的可变化的参数填入表中,电子表格自动快速准确的计算出各相关参数。
(3)电子表格中主要公式编制方法:(a) 分区1格中的L 、B 、H 、VV 、AV 、t 、S 、C 、K 、W 、Pt 参数分别为E4、E5至E15位置。
(b) 公式VV=E4*E5*E6;公式W=1.05*E12*E7*E11/E10/(100-E11); 公式FX=0.13*(E13/E14)/SQRT(E15)。
3.3.2IG-541混合气体灭火系统泄压面积电子表格计算表符号区护-■区分2L 1■P —— ■J-^^1-••■1— Do』」怪i_K_一-KEt区沪IV-■■■TJTft - * ■a・・*[一--<r rM4£'■A- rpTlr»IL--W一彌S•Tj宀A廿 ■StII icl: >now -Tla!h rfw. —fa ^^1!° -TlT1-■M4 ■-•li 13.3.1七氟丙烷气体灭火系统泄压面积电子表格计算表七氟丙烷气体灭火系统泄压面积电子表格计算表注:(1)防护区内围护结构承受内压为1200Pa 。
注:(1)IG541混合气体灭火系统防护区泄压口总泄压面积计算和电子表格编制方法与七氟丙烷灭火系统相同,这里不再赘述。
(2)IG51混合气体灭火系统灭火药剂剩余量公式为Ws$2.7Vo+Vp,计算过程比较复杂,经大量设计计算,剩余量一般为防护区设计用量的2〜5%之间,则取剩余量K=1.05。
3.4主要气体灭火系统在不同容积下的泄压面积防护区泄压面积参数表气体类型七氟丙烷气体灭火系统 IG541混合气体灭火系统 设计浓度(%) 8 10 37.5 42 喷放时间(S ) 9 9 55 55 药剂剩余量(%)0.05 0.05 0.05 0.05 防护区泄压总面积(m 2) 防护区容积(m 3) 100 0.03 0.04 0.04 0.04 200 0.06 0.08 0.08 0.08 3000.10 0.12 0.12 0.13 400 0.13 0.16 0.15 0.17 500 0.16 0.20 0.19 0.21 600 0.19 0.25 0.23 0.25 7000.22 0.29 0.27 0.29 800 0.26 0.33 0.31 0.33 900 0.29 0.37 0.35 0.38 10000.320.410.380.422)将防护区容积和保护对象的灭火设计浓度带入本表中,便可快捷查得防护区的总泄压面积。
厂房泄压面积的计算实例
摘要:
I.引言
- 介绍厂房泄压面积的概念及重要性
- 说明本文旨在提供厂房泄压面积计算的实例
II.厂房泄压面积计算的实例
- 计算厂房的长径比
- 计算厂房的容积
- 计算厂房的泄压面积
- 说明厂房泄压面积的计算结果
III.总结
- 概括厂房泄压面积计算的关键步骤
- 强调正确计算厂房泄压面积的重要性
正文:
厂房泄压面积的计算是建筑防爆领域中的重要环节。
在有爆炸危险的厂房或厂房内有爆炸危险的部位,应设置泄压设施。
本文旨在提供厂房泄压面积计算的实例,以帮助读者更好地理解泄压面积的计算过程。
首先,我们需要计算厂房的长径比。
长径比是一个固定的经验算法的量,通常用来评估建筑物在爆炸时的压力分布。
厂房的长径比可以通过以下公式计算:
长径比= 建筑平面几何外形尺寸中的最长尺寸/ 建筑横截面周长
接下来,我们需要计算厂房的容积。
厂房的容积可以通过以下公式计算:容积= 建筑平面几何外形尺寸中的最长尺寸× 建筑平面几何外形尺寸中的最短尺寸× 建筑高度
在计算出厂房的长径比和容积之后,我们可以计算厂房的泄压面积。
根据相关规定,厂房的泄压面积应满足以下公式:
泄压面积= 容积的2/3 × 长径比
最后,我们可以根据上述公式计算出厂房的泄压面积。
在实际应用中,厂房泄压面积的计算结果需要根据具体情况进行调整,以确保建筑物在爆炸时的安全性能。
总之,厂房泄压面积的计算是一个重要的建筑防爆环节。
通过掌握厂房泄压面积计算的关键步骤,我们可以更好地确保建筑物的安全性能。
泄压面积的计算概况:《建筑设计防火规范》规定区分甲、乙类物质甲类:1 闪点小于28℃的液体2 爆炸下限小于10%的气体3 常温下能自行分解导致迅速自燃的物质和在空气中氧化即导致迅速自燃的物质4 常温下受到水或空气中水蒸汽的作用能产生可燃气体并能燃烧或爆炸的物质;5 遇酸、受热、撞击、摩擦、催化以及遇有机物或硫磺等易燃的无机铂,能引起爆炸的强氧化剂和遇酸、受热、撞击、摩擦、催化以及遇有机物或硫磺等易分解引起燃烧的强氧化剂;6 与氧化剂、有机物接触时能引起燃烧或爆炸的物质;7 受到水或空气中水蒸气的作用能产生爆炸下限小于10%的气体的固体物质乙类:1 闪点大于等于28℃,但小于60℃的液体2 爆炸下限大于等于10% 的气体3 助燃气体和不属于甲类的氧化剂4 不属于甲类的化学易燃危险固体:本此设计所涉及甲醇,乙醚,三甲基亚砜等化学试剂均属于甲类危险品,而碳酸钠,碳酸氢钠,氢氧化钠等固体属于乙类危化品。
在综合考虑我们的加料方式,以及产区通风换气等措施配合,故而,车间类爆炸气体偶尔存在,以及存在时间存在,属于zone1。
为了达到安全以及经济性的协调,故而厂区进行两个防爆等级的设计,甲类危化品的储存以及爆炸性工序的产线均采用甲类防爆,而乙类危化品则储存在乙类防爆间。
1 车间防爆泄压面积的计算新版的《建筑设计防火规范》第3.6章,对有爆炸危险的甲、乙类厂房、仓库的泄压面积提出了新的计算方法,主要是先要计算其长径比,长径比为建筑平面几何外形尺寸中的最长尺寸与其横截面周长的积与4.0倍的该建筑横截面积之比。
如长径比大于3,要将其划分为小于等于3的若干个计算段,最后各段的泄压面积之和为该建筑物的泄压面积。
《建筑设计防火规范》规定,爆炸下限2 原设计屋面做法为0.5厚彩钢板、50厚纤维保温棉、铝箔+250X250不锈钢丝网、150X60X20X2.5C 型钢檩条(檩条间距1300),其屋面自重为18kg/m2三、计算依据:《建筑设计防火规范(GB50016-2019)》第3.6.3条,公式3.6.3:A=10CV2/3式中A-写压面积(m^2)V-厂房的容积(m^3)C-厂房容积为1000m^3的泄压比四、厂房长径比的计算:(1)拉西地平工序36x(36+12+12+24)/4X(36X6+6x24)=10.64>3 结果不满足规范要求,因此将厂房分为四段进行长径比计算 9x (36+12+12+24/4x(36x6+6x24)=2.625五、拉西地平车间厂房需要的泄压面积:查表3.6.3得C=0.110 车间厂房的容积V=36X6X7+6X24X7=2620(m^3)泄压面积A=10x0.110X26202/3=209.374(m^2)(2)同理,阿奇沙坦的长径比36x(36+12)x2/4x(36x12)=2所需泄压面积A=10x0.110x30242/3=230.028六、实际屋面泄爆口面积计算:1、拉西地平车间实际泄压面积(1)屋面面积S1=36x6+6x24=360(m^2)(2)砼天沟面积S2=(0.6+0.4+0.6)x36=57.6(m^2)(3)钢梁面积S3=(36-0.6-0.4-0.6)x0.25x7=60.2(m^2)(4)实际泄压面积A0=S1-S2-S3=242.2(m^2)2、阿奇沙坦实际泄压面积(1)屋面面积S1=36x6x2=432(m^2)(2)砼天沟面积S2=(0.6+0.6+0.6)x36=64.86(m^2)(3)钢梁面积S3=(36-0.6-0.6-0.6)x0.25x7=59.85(m^2)(4)实际泄压面积A0=S1-S2-S3=307.29(m^2)七、结论:实际泄压面积A0>需要泄压面积A ,满足规范要求。
泄压面积计算方法泄压面积计算方法是一种用于确定压力容器泄压时的泄放面积的方法。
泄压面积是指在压力容器泄放过程中,泄放气体通过泄放装置所占据的面积。
正确计算泄压面积对于保证压力容器的安全运行至关重要。
泄压面积的计算方法可以根据不同的泄放装置和泄放过程进行选择。
下面将介绍几种常见的泄压面积计算方法。
当压力容器的孔口是一个圆形孔口时,可以采用以下公式计算泄压面积:A = π * r^2其中,A表示泄压面积,r表示孔口的半径。
2. 压力容器泄放装置的泄压面积计算方法当压力容器的泄放装置是一个长方形或方形的孔口时,可以采用以下公式计算泄压面积:A = l * w其中,A表示泄压面积,l表示孔口的长度,w表示孔口的宽度。
3. 压力容器泄放装置为多个孔口的泄压面积计算方法当压力容器的泄放装置是多个孔口时,可以将泄压面积计算为各个孔口泄压面积的总和。
4. 压力容器泄放装置为管道的泄压面积计算方法当压力容器的泄放装置是一个管道时,可以根据管道的直径和长度计算泄压面积。
具体的计算方法可以参考相关的标准或规范。
在实际应用中,泄压面积的计算还需要考虑一些其他因素,如泄放装置的形状、泄放速度、气体的性质等。
不同的因素会对泄压面积的计算结果产生影响,因此在进行泄压面积计算时,需要综合考虑各种因素,并根据实际情况进行修正。
泄压面积的计算是压力容器设计和安全评估的重要内容之一。
正确计算泄压面积可以帮助工程师评估压力容器的泄放性能,从而确定是否满足安全要求。
同时,泄压面积的计算结果也可以作为压力容器设计和改进的依据,对于提高压力容器的工作效率和安全性具有重要意义。
泄压面积的计算方法是一种确定压力容器泄放面积的重要方法。
通过选择合适的计算方法,并综合考虑各种因素,可以准确计算泄压面积,保证压力容器的安全运行。
在实际应用中,需要根据具体情况选择适当的计算方法,并进行必要的修正和验证,以确保计算结果的准确性和可靠性。
厂房泄压面积的计算实例摘要:I.引言- 介绍厂房泄压面积的概念及重要性- 说明本文将通过实例介绍厂房泄压面积的计算方法II.厂房泄压面积的计算方法- 计算厂房的长径比- 根据长径比和厂房容积计算泄压面积- 举例说明计算过程III.实际应用与注意事项- 实际工程中如何根据计算结果确定泄压设施的设置- 注意事项,如泄压方向、相邻区域的要求等IV.总结- 回顾厂房泄压面积的计算方法- 强调计算结果在实际工程中的重要性正文:厂房泄压面积的计算实例在工业生产中,厂房的安全问题尤为重要。
其中,泄压面积的合理计算与设置,是确保厂房安全的重要措施之一。
本文将通过一个实例,详细介绍厂房泄压面积的计算方法及注意事项。
一、厂房泄压面积的概念及重要性厂房泄压面积,是指在发生爆炸时,需要通过泄压设施来排放爆炸产生的能量,以保证厂房内外的安全。
合理的泄压面积设置,可以有效地降低爆炸事故的危害,保障人员的生命安全。
二、厂房泄压面积的计算方法1.计算厂房的长径比长径比是厂房平面几何外形尺寸中的最长尺寸与其横截面周长的积和4.0倍的该建筑横截面积之比。
通常,长径比越大,爆炸产生的压力越大,泄压面积也应越大。
2.根据长径比和厂房容积计算泄压面积根据我国相关规定,厂房泄压面积的计算公式为:A = 10CV2/3,其中A 为泄压面积,C为厂房容积为1000m3时的泄压比,V为厂房的容积。
3.举例说明计算过程假设某厂房的长为100米,宽为50米,高为10米,容积为5000立方米。
首先计算长径比:(100×10)/(50×50)=4。
然后计算泄压面积:A =10CV2/3 = 10×0.11×50002/3 = 29200平方米。
三、实际应用与注意事项1.实际工程中如何根据计算结果确定泄压设施的设置在实际工程中,需要根据泄压面积的计算结果,合理设置泄压设施,如泄压阀、泄压孔等。
同时,还需考虑泄压设施的位置、大小、数量等因素,以满足泄压要求。
文章编号:1009 6825(2020)10 0029 02谈在某厂房中运用NFPA68进行泄压面积计算收稿日期:2020 03 08 作者简介:崔 彦(1985 ),女,工程师崔 彦(惠生工程(中国)有限公司,上海 201210)摘 要:介绍了建筑物的防爆泄压设计。
针对某厂房的泄压面积计算,分别运用美国的《爆炸泄压指南》NFPA68和中国的《建筑设计防火规范》,分析和比较了两者不同的计算方法和结果,对于了解不同标准的泄压计算有参考意义。
关键词:泄压面积计算,NFPA68,建规中图分类号:TU201文献标识码:A1 概述近年来,工业建筑尤其是化工行业的厂房存在很多爆炸的风险。
如何避免爆炸和降低爆炸带来的伤害,就是在建筑设计时需要考虑的问题。
最直接的处理方法就是,在爆炸时,当建筑物内压力迅速上升时,利用泄压口将爆炸产生的压力快速释放出去,从而保护人员,生产设备及建筑物的安全。
因此,有爆炸危险的厂房设计中,常常需要面临如何计算建筑泄压面积的问题。
本文是基于笔者在某沙特化工厂区设计中,遇到一个有粉尘爆炸危险的挤压机厂房。
生产物质主要为高密度聚乙烯。
该厂房为矩形,长16.3m。
进深9.45m,高度为15.1m,一共两层。
其中2层楼板局部开敞,因此泄压计算时按照一个完整空间来考虑。
由于这个挤压机厂房是在境外项目,沙特业主方采用的是国际标准,因此项目的泄压面积是按照美国消防协会标准NFPA68—2018爆炸泄压指南(StandardonExplosionProtectionbyDeflagrationVenting)(下文简称NFPA68)来进行计算。
本文以此厂房为例,着重来探讨如何按照NFPA68来计算有爆炸危险厂房的泄压面积,同时对比了相同情况下根据我国规范GB50016—2018建筑设计防火规范(以下简称《建规》)的计算结果,以此来给广大的设计人员提供一个参考。
2 我国《建规》中泄压面积的计算方法国内的常规做法是根据《建规》中3.6.4条给出的推荐公式,来进行计算。