AutoCAD2011室内设计实例第5章 模块化绘图
- 格式:ppt
- 大小:796.50 KB
- 文档页数:26
使用CAD进行模块化设计的步骤模块化设计是一种将复杂系统划分为若干个模块,然后对每个模块进行独立设计和开发的方法。
它能够提高设计效率和质量,同时也方便后续维护和更新。
CAD软件作为一种强大的设计工具,可以辅助实现模块化设计。
下面将介绍使用CAD进行模块化设计的具体步骤。
1. 确定系统结构:首先,需要对要设计的系统进行结构分析,明确系统的功能和组成部分。
根据系统的特性和需求,将系统划分为不同的模块。
每个模块都有自己的功能,且能独立工作。
2. 设计模块界面:根据模块之间的通信需求,设计模块之间的接口和数据传输方式。
确保每个模块的输入和输出都能够满足系统的整体需求。
3. 绘制模块草图:使用CAD软件,在设计的模块界面上绘制对应的草图。
草图可以包括模块的外观、尺寸、功能按钮和显示等。
通过草图可以更直观地理解模块的工作原理和功能。
4. 添加必要的详细设计:在模块的草图上,添加必要的详细设计,如组件的布局、连接方式、材料选择等。
确保每个模块的设计满足系统的性能要求和可靠性要求。
5. 模块测试与优化:设计完成后,进行模块的测试和优化。
利用CAD软件进行模拟测试,验证模块的功能和性能是否达到设计要求。
如果有需要,可以对设计进行调整和优化,提高系统的整体性能和可靠性。
6. 模块集成与总体设计:完成各个模块的设计和测试后,进行模块的集成和总体设计。
根据模块之间的接口和通信需求,将各个模块连接在一起,形成完整的系统。
确保各个模块之间的数据传输和功能协调正常。
7. 系统验证与调试:进行系统的验证和调试。
使用CAD软件进行仿真和模拟测试,验证系统的功能和性能是否达到设计要求。
对于有问题的地方,进行调试和优化,确保系统正常工作。
8. 系统文档和报告编写:完成系统设计和验证后,编写系统文档和报告。
记录系统的设计思路、接口定义和详细设计等内容,供以后的使用和维护参考。
以上就是使用CAD进行模块化设计的基本步骤。
通过CAD软件的辅助,可以更加高效地进行模块化设计,提高设计的效率和质量。
AutoCAD 2011中文版基础培训教程178 (1) 房屋的平面形状、大小及房间的布局。
(2) 墙体、柱及墩的位置和尺寸。
(3) 门、窗及楼梯的位置和类型。
11.2.1 用AutoCAD 绘制平面图的步骤用AutoCAD 绘制平面图的总体思路是先整体、后局部,主要绘制过程如下。
(1) 创建图层,如墙体层、轴线层、柱网层等。
(2) 绘制一个表示作图区域大小的矩形,单击导航栏上的按钮,将该矩形全部显示在绘图窗口中,再用EXPLODE 命令分解矩形,形成作图基准线。
此外,也可利用LIMITS 命令设定绘图区域的大小,然后使用LINE 命令绘制水平及竖直的作图基准线。
(3) 使用OFFSET 和TRIM 命令绘制水平及竖直的定位轴线。
(4) 使用MLINE 命令绘制外墙体,形成平面图的大致形状。
(5) 绘制内墙体。
(6) 使用OFFSET 和TRIM 命令在墙体上绘制门窗洞口。
(7) 绘制门窗、楼梯及其他局部细节。
(8) 插入标准图框,并以绘图比例的倒数缩放图框。
(9) 标注尺寸,尺寸标注总体比例为绘图比例的倒数。
(10) 书写文字,文字字高为图纸上的实际字高与绘图比例倒数的乘积。
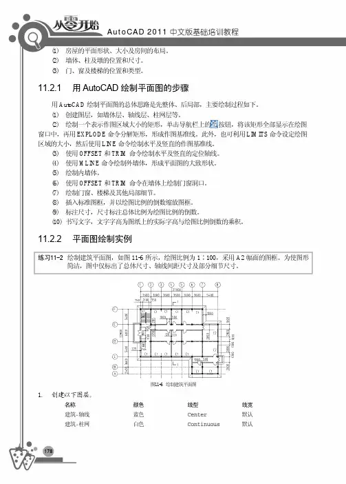
11.2.2 平面图绘制实例 练习11-2 绘制建筑平面图,如图11-6所示,绘图比例为1∶100,采用A2幅面的图框。
为使图形简洁,图中仅标出了总体尺寸、轴线间距尺寸及部分细节尺寸。
1. 创建以下图层。
名称颜色 线型 线宽 建筑-轴线蓝色 Center 默认 建筑-柱网白色 Continuous 默认图11-6 绘制建筑平面图。
项目五编辑图形(下)(一)调整对象的大小或形状(二)绘制圆角和倒角(三)修改对象属性学习要点本项目将继续围绕“修改”面板中的常用编辑命令展开学习,如拉伸、延伸、修剪、缩放、圆角及倒角等。
此外,在完成图形绘制后,还可以通过“特性”选项板来修改其局部细节。
学习目标◆了解拉伸、拉长和延伸命令之间的异同,并掌握其操作方法。
◆能够灵活运用修剪命令对图形对象进行修剪。
◆掌握圆角和倒角命令的操作方法,并能够灵活运用这两个命令修改图形。
◆掌握改变对象属性的各种方法。
(一)调整对象的大小或形状 ①在“常用”选项卡的“修改”面板中单击“拉伸”按钮后采用窗交方式选取要拉伸的对象 1. 拉伸对象②在绘图区任一位置单击以指定拉伸的起点,然后竖直向下移动光标并输入拉伸值 ③拉伸结果1. 拉伸对象注意:使用“拉伸”命令拉伸图形对象时,通过单击选取的对象只能被移动,而对于使用窗交方式选取的图形对象,系统将根据所选对象的特征点(如圆心)是否完全包含在交叉窗口内决定对其进行拉伸或移动操作。
采用窗交方式选取矩形与选取窗口相交,被拉伸;圆完全包含在交叉窗口中,被移动2. 拉长对象利用“拉长”命令(“LENGTHEN”)可以改变直线、非闭合圆弧、多段线和椭圆弧的长度。
执行该命令后,命令行将会给出如下提示信息:选择对象或 [增量(DE)/百分数(P)/全部(T)/动态(DY)]:这些选项的功能如下:增量(DE):通过输入增量值来延长直线的一端,或圆弧的弧长和包含角的大小。
其中,正值表示拉长,负值表示缩短。
百分数(P):通过输入百分比来改变对象的长度,百分比大于 100,将拉长对象,否则将缩短对象。
全部(T):通过指定对象的总长度或总角度来改变图形的尺寸。
动态(DY):在此模式下,可通过拖动鼠标动态地改变对象的长度或角度。
2. 拉长对象①展开“修改”面板后单击“拉长”按钮,输入“DY”并按【Enter】键,然后选择该圆弧②移动光标,待出现图中所示“交点”提示时单击3. 延伸对象②采用窗交方式选取图中所示对象为延伸边界③选取这两个区域对象为延伸对象①在“常用”选项卡的“修改”面板中选择“延伸”命令④延伸结果3. 延伸对象注意:在指定延伸边界和延伸对象时,既可以采用单击方式选取,也可以采用窗选或窗交方式选取。