直流电动机正反转proteus仿真设计-参考模板
- 格式:doc
- 大小:291.00 KB
- 文档页数:32
protues直流变换器cuk电路设计与仿真直流斩波电路(DC Chopper)功能是将直流电变为另一固定电压或调电压的直流电,也称为直接直流一直流变换器(DC/DC Converter)。
直流斩波电路的种类较多,包括6种基本斩波电路:降压斩波电路、升压斩波电路、升降压斩波电路、Cuk斩波电路、Sepic斩波电路和Zeta斩波电路,其中前两种是最基本的电路。
一方面,这两种电路应用最为广泛,另一方面,理解了这两种电路可为理解其他的电路打下基础,因此本文对这两种电路作了着重介绍并利用Matlab/Simulink进行了仿真。
利用不同的基本斩波电路进行组合,可构成复合斩波电路,如电流可逆斩波电路、桥式可逆斩波电路等。
利用相同结构的基本斩波电路进行组合,可构成多相多重斩波电路。
DC Chopper (DC Chopper) function is to change DC to another fixed voltage or adjustable voltage DC, also known as direct DC - DC Converter (DC/DC Converter).The kinds of DC chopper are more, including six basic choppers: Buck Chopper, Boost Chopper, Boost-Buck Chopper, Cuk Chopper, Sepic Chopper and Zeta Chopper, among them the former two are the most basic circuits. On the one hand, the applications of the two circuits are the most widely, on the other hand, understanding the two circuits is the foundationof understanding the other circuits, so this thesis introduces emphatically the two circuits and simulates by Matlab/simulink. On the basis, the rest several circuits are introduced.Using different basic Chopper combination can form composite Chopper, such as Current Reversible Chopper, Bridge Type Reversible Chopper, etc. Using the same structural basic Chopper combination can form multiphase multiple Chopper. The above two kinds of circuits are also introduced and simulated.。
前言 (1)正文 (1)2.1 设计目的和意义 (1)2.1.1 设计目的 (1)2.1.2 设计意义 (1)2.2 设计方法 (1)2.3设计内容 (2)2.3.1 89C51单片机介绍 (2)2.3.2内容概要 (3)2.4电路分析 (3)2.4.1程序流程图 (3)2.4.2元件清单 (4)2.4.3程序电路图 (5)2.4.4程序运行结果 (5)2.4.5 Proteus调试与仿真 (5)结论 (6)总结 (7)参考文献 (8)直流电动机具有良好的起动、制动性能,宜于在大范围内平滑调速,在许多需要调速或快速正反向的电力拖动领域中得到了广泛的应用。
从控制的角度来看,直流调速还是交流拖动系统的基础。
早期直流电动机的控制均以模拟电路为基础,采用运算放大器、非线性集成电路以及少量的数字电路组成,控制系统的硬件部分非常复杂.功能单一,而且系统非常不灵活、调试困难,阻碍了直流电动机控制技术的发展和应用范围的推广。
随着单片机技术的日新月异,使得许多控制功能及算法可以采用软件技术来完成,为直流电动机的控制提供了更大的灵活性,并使系统能达到更高的性能。
采用单片机构成控制系统,可以节约人力资源和降低系统成本,从而有效的提高工作效率。
正文2.1 设计目的和意义2.1.1 设计目的作为理工科的学生应该在学习与动手实践中提高自己的专业技能知识,通过课程设计使我进一步熟悉了单片机的内部结构和工作原理,掌握了单片机应用系统设计的基本方法和步骤;通过利用AT89C52单片机,理解单片机在自动化装置中的作用以及掌握单片机的编程调试方法;通过设计一个简单的实际应用输入控制及显示系统,掌握protues和Wave以及各种仿真软件的使用。
现在的学习都是为以后的发展而做铺垫,通过课程设计提高自己的动手能力。
2.1.2 设计意义加深理解直流电机在单片机上的运用,增进对电路仿真的兴趣。
2.2 设计方法定义输出或输入为直流电能的旋转电机,称为直流电机,它是能实现直流电能和机械能互相转换的电机。
1 引言随着微电子技术的不断发展与进步,微处理器芯片的集成程度越来越高,单片机已可以在一块芯片上同时集成CPU、存储器、定时器/计数电路,这就很容易将计算机技术与测量控制技术结合,组成智能化测量控制系统。
在现代工业中,直流电动机作为电能转换的传动装置,被广泛应用于机械、冶金、石油、化工、国防等工业部门中。
直流电动机是将直流电能转换为机械能的电动机。
因其良好的调速性能而在电力拖动中得到广泛应用。
随着对生产工艺、产品质量的要求不断提高和产量的增长,越来越多的生产机械要求能实现自动调速。
直流调速系统的发展得力于微电子技术、电力电子技术、传感器技术、永磁材料技术、自动控制技术和微机应用技术的最新发展成就。
正是这些技术的进步使直流调速系统发生翻天覆地的变化。
其中电机的控制部分已经由模拟控制逐渐让位于以单片机为主的微处理器控制,形成数字与模拟的混合控制系统和纯数字控制系统,并向全数字控制方向快速发展。
本文设计了用DAC0808设计直流电动机调速器的基本方案,阐述了该调速器系统的基本结构、工作原理、运行特性及其设计方法。
本系统用电压表测量直流电动机的转速,用MCS-51单片机输出数字信号通过DAC0808芯片实现数模转换,从而输出模拟电压来控制调节直流电动机的转速。
本设计主要研究利用单片机及DAC0808实现数模转换调速,直流电机的控制和测量方法,从而对直流电机的调速控制精度、响应速度以及节约能源等都具有重要意义。
2 设计总体方案2.1 设计要求基本要求:使用AT89C51单片机为核心,使用数模转换元件DAC0808对单片机输出的数字信号进行转换,输出模拟信号驱动直流电动机。
具体要求:在设计中,设计8个按键对应直流电动机的8挡不同转速,按下不同按键时,电动机将以不同速度转动,在8个按键中取一个按键为直流电动机转动停止按键。
8挡不同转速的设定由学生自己决定。
仿真:控制程序在Keil软件中编写,编译,整个控制电路在Proteus仿真软件中连接调示。
直流电动机正反转p r o t e u s仿真设计直流电动机正反转Proteus仿真设计引言随着人民生活水平的提高,产品质量、性能、自动化程度等已经是人们选择产品的主要因素。
其中,直流电动机正反转自动控制在生活中起了很大的作用,比如洗衣机的工作、遥控汽车的操作、DVD的应用等等,它在实际生活中给人们需求上提供了很大的方便与乐趣。
不只是生活,它还在工业、农业、交通运输等各方面得到了广泛的应用,实现电动机正反转的控制是很多产品设计的核心问题。
直流电动机显示出交流电动机不能比拟的良好启动性能和调速性能,比较广泛应用于速度调节要求过高,正反转频繁或多元同步协调运转的机械生产。
因此,学会电动机正反转控制的原理是极其重要的。
然而,在本直流电动机正反转仿真设计中,要借助Proteus软件、Keil软件和C语言的辅助进行仿真设计,通过仿真设计,让我们更清楚了解电动机正反转的原理和电路图,增强对直流电动机的认知。
在Proteus绘制好原理图后,调入已编译好的目标代码文件:*.HEX,可以在Proteus的原理图中看到模拟的实物运行状态和过程,Proteus还提供了一个图形显示功能,可以将线路上变化的信号,以图形的方式实时地显示出来,其作用与示波器相似,但功能更多。
这些虚拟仪器仪表具有理想的参数指标,例如极高的输入阻抗、极低的输出阻抗。
这些都尽可能减少了仪器对测量结果的影响。
在本设计中,Proteus软件采用了电容、电阻、晶振、电动机、LED、开关、电动机等多种元件进行绘图,并基于80C51和ULN2003A进行电路图设计,充分展示Proteus软件元件库量大,掌握它的基本绘图操作。
而对于Keil软件,采取创建工程,创建执行文件,利用C语言编写程序,生成hex文件,为Proteus仿真提供驱动控制,实现直流电动机正反转的设计。
在本论文设计中,主要介绍直流电动机正反转原理,Proteus软件功能绘图、仿真调试,以及Keil软件功能、程序编写和仿真程序文件生成。
毕业设计51单片机控制步进电机正反转的工作原理Protues 仿真 DXP[指南]当开关SC接通电源,SB、SA、SD断开时,由于C相绕组的磁力线和1、4号齿之间磁力线的作用,使转子转动,1、4号齿和C相绕组的磁极对齐。
而0、3号齿和A、B相绕组产生错齿,2、5号齿就和A、D相绕组磁极产生错齿。
依次类推,A、B、C、D八拍工作方式的步距角是单四拍与双四拍的一半,因此,八拍工作方式既可以保持较高的转动力ULN2003的驱动直接用单片机系统的5V电压,可能力矩不是很大,大家可自行加大驱动电压到12V。
1.步进电机是将电脉冲信号转变为角位移或线位移的开环控制元件。
在非超载的情况下,电机的转速、停止的位置只取决于脉冲信号的频率和脉冲数,而不受负载变化的影响,即给电机加一个脉冲信号,电机则转过一个步距角。
这一线性关系的存在,加上步进电机只有周期性的误差而无累积误差等特点。
使得在速度、位置等控制领域用步进电机来控制变的非常的简单。
虽然步进电机已被广泛地应用,但步进电机并不能象普通的直流电机,交流电机在常规下使用。
它必须由双环形脉冲信号、功率驱动电路等组成控制系统方可使用。
因此用好步进电机却非易事,它涉及到机械、电机、电子及计算机等许多专业知识。
目前,生产步进电机的厂家的确不少,但具有专业技术人员,能够自行开发,研制的厂家却非常少,大部分的厂家只一、二十人,连最基本的设备都没有。
仅仅处于一种盲目的仿制阶段。
这就给户在产品选型、使用中造成许多麻烦。
签于上述情况,我们决定以广泛的感应子式步进电机为例。
叙述其基本工作原理。
望能对广大用户在选型、使用、及整机改进时有所帮助。
二、感应子式步进电机工作原理(一)反应式步进电机原理由于反应式步进电机工作原理比较简单。
下面先叙述三相反应式步进电机原理。
1、结构: 电机转子均匀分布着很多小齿,定子齿有三个励磁绕阻,其几何轴线依次分别与转子齿轴线错开。
0、1/3て、2/3て,(相邻两转子齿轴线间的距离为齿距以て表示),即A与齿1相对齐,B与齿2向右错开1/3て,C与齿3向右错开2/3て,A'与齿5相对齐,(A'就是A,齿5就是齿1)下面是定转子的展开图:2、旋转: 如A相通电,B,C相不通电时,由于磁场作用,齿1与A对齐,(转子不受任何力以下均同)。
任务书设计题目:基于Proteus的直流电机控制系统的设计1.设计的主要任务及目标本设计是利用Proteus软件与直流电动机,通过合理的设备选型、参数设置和程序设计,完成对直流电动机的正反转控制及直流电机的调速控制,实现控制功能,达到本次设计的目的。
首先应参阅各类相关资料,完成电动机控制回路原理图,然后进行硬件设计及程序编制与调试。
2.设计的基本要求和内容(1)查阅关于直流电机控制的文献资料,并撰写开题报告;(2)熟悉Proteus的开发环境、并完成整体方案的设计;(3)完成直流电机控制回路的硬件、软件设计;(4)编写设计说明书3.主要参考文献[1] 代启化.基于Proteus的电路设计与仿真[J]. 现代电子技术,2006,29(19):84-86[2] 张俊凡.基于直流电机变频调速系统的设计与实现[D]. 学位授予单位:华中科技大学学位名称:硕士学位年度:2009[3] 刘春华,王向周,南顺成,徐冬平.基于PWM控制器的低压直流电机控制系统设计及其应用[C]. 会议名称:第3届制造业自动化与信息化学术交流会日期:20044.进度安排基于Proteus的直流电机控制系统的设计摘要:直流电机作为最常见的一种电机,具有非常优秀的线性机械特性、较宽的调速范围、良好的启动性以及简单的控制电路等优点,在社会的各个领域中都得到了十分广泛的应用。
本文设计了以单片机AT89C51和L298驱动芯片控制直流电机脉宽调制(PWM)调速系统。
主要介绍了直流电机控制系统的基本方案,阐述了该系统的基本结构、工作原理、运行特性及其设计方法。
本系统采用霍尔元器件测量电动机的转速,用单片机软件实现PWM调整电机转速,给出了程序流程图、程序。
硬件电路实现了对电机的预置初值、正反转、急停、加速、减速的控制,以及转速在四位LED上的显示。
关键词:单片机AT89C51,脉宽调制,直流电机Design of the control system of dc motor based on ProteusAbstract:The direct current machine takes the most common one kind of electrical machinery, has the very outstanding linear physical characteristics, the wide governor deflection, the good starting as well as merits and so on simple control circuit, therefore obtained the very widespread application in society’s each domain.This article designs the MCU AT89C51 and L298 drive chip control dc motor pulse width modulation (PWM) control system. Mainly introduces the control system of dc motor, this paper expounds the basic scheme of the system is the basic structure, working principle,operation characteristics and design method. This system USES hall components measured the speed of the motor used in the simulation software , MCU software realization PWM motor speed adjustment, the program flow chart, keilc Proteus procedures. The hardware circuit of the motor, positive &negative initial preset, stop, accelerate, control, and the speed of the slowdown in four led.Key words:Single Chip Microcontroller, AT89C51, Pulse Width Modulation, DC Motor目录1 绪论 (1)1.1研究背景 (1)1.2研究意义 (1)2 系统硬件设计 (3)2.1直流电机的简介 (3)2.1.1直流电机的基本结构 (3)2.1.2直流电机的工作原理 (3)2.1.3直流电机调速原理 (3)2.2系统方案设计 (6)2.2.1直流电机驱动方案 (6)2.2.2PWM方式的选择 (6)2.2.3PWM控制信号的产生方式 (7)2.2.4正反转的设计 (7)2.2.5速度调控的实现 (7)2.3系统原理 (8)2.4系统模块的设计 (9)2.4.1单片机最小系统设计 (9)2.4.2直流电机驱动电路设计 (12)2.4.3转速测量及显示模块设计 (15)3 系统软件设计 (19)3.1主程序 (19)3.2PWM控制程序 (24)3.3正反转控制程序 (25)3.4显示功能的实现 (26)3.5键盘的功能的实现与设计 (28)结论 (30)参考文献 (31)致谢 (32)附录1 系统硬件原理图 (33)附录2 系统程序 (34)1 绪论1.1研究背景1964年U.stemmler和A.Schonung首先提出把PWM技术应用到电机传动中,从此为电机传动的推广应用开辟了新的局面[1]。
基于Proteus的直流电机调速系统设计与仿真作者:王培来源:《环球市场》2017年第22期摘要:本设计以单片机AT89C51为控制系统核心,将控制信号施加在L298芯片上来控制电机运行。
设计是以键盘作为输入,实现对直流电机的启停、加速、减速、正转、反转控制,采用PWM技术控制电动机,以改变占空比来实现对电机速度的精准控制。
文章在程序方面给出了主程序、键盘扫描子程序、PWM信号发生程序、测速度子程序以及显示子程序的流程图。
最后通过Proteus软件对直流电机调速系统进行了仿真与分析,仿真结果表明:本设计实现了对电机启停、加速、减速、正转、反转的有效控制。
关键词:AT89C51;PWM控制;调速;Proteus一、直流电动机调速的硬件设计本设计采用单片机AT89C51来控制输出的数据,将控制信号施加于电机驱动模块的L298芯片上,从而实现控制直流电机。
以键盘作为输入,实现对直流电机的启停、加速、减速、正转、反转控制,设计方案应用PWM技术控制电机,通过改变占空比实现速度的精准控制。
用四位LED显示屏实现电机速度的实时显示。
系统由以下结构组成:单片机、电动机驱动模块、按键模块、显示模块。
主要内容如下:1、电机驱动模块的设计:利用H桥驱动电路可实现电机的正反转,制动的功能,L298是集成有桥式电路的电机专用芯片,在应用领域被广泛使用,而且其性能稳定可靠,故用L298作为电机的驱动芯片。
2、单片机的选型:MCS-51系列单片机有多种型号,其中AT89C51不仅能兼容8051,还有ISP编程和看门狗的功能,本设计选用单片机AT89C51作为控制核心;3、键盘类型的选择:与矩阵式键盘相比独立式键盘结构比较简单,所以本设计采用独立式键盘向单片机输入信号;4、显示模块的设计:LED是单片机系统中最常用的一款输出器件,所以用LED实现对电机转速的实时显示。
二、直流电动机调速的程序设计在进行单片机控制系统的设计时,除了硬件的设计外,大量的工作是根据每个对象的实际需要而进行的程序设计。
电流电机驱动、调速及过流保护实验报告学院:电子信息学院班级:组长:组员:实验课题:直流电机驱动、调速及过流保护目录1、项目描述 (3)2、设计原理 (3)3、设计过程 (4)3.1、硬件设计 (4)3.2、软件设计 (6)4、系统功能调试 (10)4.1、调试软件介绍 (10)4.2、电路运行结果 (11)5、总结 (12)1、项目描述本项目将通过proteus仿真电路模拟电机的驱动,并实现调速和转向控制。
项目将应用一个简单的电路,使用Arduino和L298N IC控制直流电机的速度和方向。
使用PWM信号和L298N(H桥)的组合来控制简单直流电机的功能,即速度和转向控制。
本项目基本完成了驱动,调速及转向控制功能。
2、设计原理 0直流电机是指能将直流电能转换成机械能(直流电动机)或将机械能转换成直流电能(直流发电机)的旋转电机。
它是能实现直流电能和机械能互相转换的电机。
当它作电动机运行时是直流电动机,将电能转换为机械能;作发电机运行时是直流发电机,将机械能转换为电能。
直流电机的工作原理是里边固定有环状永磁体,电流通过转子上的线圈产生安培力,当转子上的线圈与磁场平行时,再继续转受到的磁场方向将改变,因此此时转子末端的电刷跟转换片交替接触,从而线圈上的电流方向也改变,产生的洛伦兹力方向不变,所以电机能保持一个方向转动。
直流发电机的工作原理就是把电枢线圈中感应的交变电动势,靠换向器配合电刷的换向作用,使之从电刷端引出时变为直流电动势的原理。
应电动势的方向按右手定则确定(磁感线指向手心,大拇指指向导体运动方向,其他四指的指向就是导体中感应电动势的方向)。
导体受力的方向用左手定则确定。
这一对电磁力形成了作用于电枢一个力矩,这个力矩在旋转电机里称为电磁转矩,转矩的方向是逆时针方向,企图使电枢逆时针方向转动。
如果此电磁转矩能够克服电枢上的阻转矩(例如由摩擦引起的阻转矩以及其它负载转矩),电枢就能按逆时针方向旋转起来。
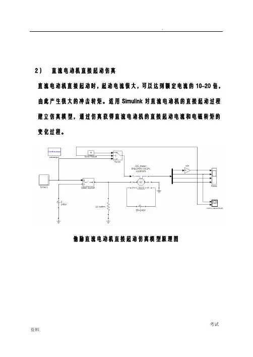
-- .2)直流电动机直接起动仿真直流电动机直接起动时,起动电流很大,可以达到额定电流的10-20倍,由此产生很大的冲击转矩。
适用Simulink对直流电动机的直接起动过程建立仿真模型,通过仿真获得直流电动机的直接起动电流和电磁转矩的变化过程。
他励直流电动机直接起动仿真模型原理图- - 考试直流电动机模块参数设置图直流电源模块参数设置图定时模块参数设置图开关模块参数设置图他励直流电动机直接起动转速—电流关系仿真结果他励直流电动机直接起动仿真结果3)直流电动机电枢串联电阻启动仿真建立他励直流电动机电枢串联三级电阻起动的仿真模型,仿真分析其串联电阻起动过程,获得起动过程的电枢电流.转速和电磁转矩的变化曲线。
他励直流电动机串起电阻启动仿真模型原理图他励直流电动机串起电阻仿真他励直流电动机串起电阻起动的转速—电流关系仿真结果4)直流电动机能耗制动仿真能耗制动时,电枢通过电阻Rb短接,使用Simulink建立直流电动机的能耗制动仿真模型,仿真分析获得转速。
电枢电流和电磁转矩的暂态过程曲线。
他励直流电动机能耗制动仿真模型原理图他励直流电动机能耗制动仿真结果5)直流电动机反接制动仿真直流电动机的反接制动分为电压反向的反接制动和倒拉反接制动。
电压反向反接制动作用用于电动机的快速停机,而倒拉反接制动用于低速下放位能负载。
使用Simulink建立直流电动机的电压反向反接制动的仿真模型,仿真分析获得转速。
电枢电流和电磁转矩的暂态过程曲线。
他励直流电动机电压反向反接制动仿真模型原理图他励直流电动机电压反向反接制动仿真结果6)直流电动机改变电枢电压调速仿真使用Simulink建立直流电动机的改变电枢电压的仿真模型,仿真分析获得转速。
电枢电流和电磁转矩的暂态过程曲线。
他励直流电动机改变电枢电压调速仿真模型原理图他励直流电动机改变电枢电压调速仿真结果他励直流电动机改变励磁电压仿真模型原理图第三章MALTAB基本操作一、目的:1.掌握MATLAB的基本操作、常用命令。
当开关SC接通电源,SB、SA、SD断开时,由于C相绕组的磁力线和1、4号齿之间磁力线的作用,使转子转动,1、4号齿和C相绕组的磁极对齐。
而0、3号齿和A、B相绕组产生错齿,2、5号齿就和A、D相绕组磁极产生错齿。
依次类推,A、B、C、D八拍工作方式的步距角是单四拍与双四拍的一半,因此,八拍工作方式既可以保持较高的转动力ULN2003的驱动直接用单片机系统的5V电压,可能力矩不是很大,大家可自行加大驱动电压到12V。
1.步进电机是将电脉冲信号转变为角位移或线位移的开环控制元件。
在非超载的情况下,电机的转速、停止的位置只取决于脉冲信号的频率和脉冲数,而不受负载变化的影响,即给电机加一个脉冲信号,电机则转过一个步距角。
这一线性关系的存在,加上步进电机只有周期性的误差而无累积误差等特点。
使得在速度、位置等控制领域用步进电机来控制变的非常的简单。
虽然步进电机已被广泛地应用,但步进电机并不能象普通的直流电机,交流电机在常规下使用。
它必须由双环形脉冲信号、功率驱动电路等组成控制系统方可使用。
因此用好步进电机却非易事,它涉及到机械、电机、电子及计算机等许多专业知识。
目前,生产步进电机的厂家的确不少,但具有专业技术人员,能够自行开发,研制的厂家却非常少,大部分的厂家只一、二十人,连最基本的设备都没有。
仅仅处于一种盲目的仿制阶段。
这就给户在产品选型、使用中造成许多麻烦。
签于上述情况,我们决定以广泛的感应子式步进电机为例。
叙述其基本工作原理。
望能对广大用户在选型、使用、及整机改进时有所帮助。
二、感应子式步进电机工作原理(一)反应式步进电机原理由于反应式步进电机工作原理比较简单。
下面先叙述三相反应式步进电机原理。
基于proteus的51单片机仿真直流电机的正反转演示实例1、本例运行时,按下相应的按键,电机即可产生正转、反转、停止的效果。
同时相应的LED指示灯也会点亮。
当P1.0输出低电平时:Q3,Q2截止,Q7,Q1导通,电机左端输出高电平;P1.1输出高电平时:Q8,Q4截止,Q6,Q5导通,电机右端输出低电平,此时,电机正转。
反之,当P1.0输出高电平时:Q3,Q2导通,Q7,Q1截止,电机左端输出低电平;P1.1输出低电平时:Q8,Q4导通,Q6,Q5截止,电机右端输出高电平,此时,电机反转。
当P1.0输出低电平时;P1.1输出同时也输出低电平:电机两端均为高电平,电机停止转动。
2、需要注意的是,本例仅仅只是演示电机的正反转和停止的控制。
在实际应用中,这种电路是不能稳定可靠的工作的。
具体实际应用电路,请参考相关资料。
3、在keil c51中新建工程ex73,编写如下程序代码,编译并生成ex73.hex文件// 直流电机模拟演示#include <reg51.h>#include <intrins.h>sbit K1 = P3^0; //定义3个按键对应的引脚,正转sbit K2 = P3^1; //反转sbit K3 = P3^2; //停止sbit LED1 = P0^0; //定义3个LED对应的引脚sbit LED2 = P0^1; //sbit LED3 = P0^2; ////sbit MA = P1^0; //定义电机的两个引脚sbit MB = P1^1; ////void main(void){LED1 = 1; //开始3个LED全部熄灭LED2 = 1;LED3 = 1;while(1){if(K1 == 0) //判断那个按键按下{while(K1 == 0); //直到按键松开才进入下一步处理 LED1 = 0;LED2 = 1;LED3 = 1;MA = 0; //正转MB = 1;}if(K2 == 0){while(K2 == 0); // LED1 = 1;LED2 = 0;LED3 = 1;MA = 1; // 反转MB = 0;}if(K3 == 0){while(K3 == 0); // LED1 = 1;LED2 = 1;LED3 = 0;MA = 0; //停止MB = 0;}}}4、在proteus中新建仿真文件ex73.dsn,电路原理图如下所示5、将ex73.hex文件载入at89c51中,启动仿真,观察运行结果。
摘要在工业自动控制系统和各种智能产品中常常会用用电动机进行驱动、传动和控制,而现代智能控制系统中,对电机的控制要求越来越精确和迅速,对环境的适应要求越来越高。
本设计以AT89C51单片机为核心,基于Proteus单片机仿真软件,完成了直流电机的转速自动测量及转速调节功能。
在设计中采用PWM技术和PID控制技术对电机进行控制,并且利用数码管设计的人机界面系统显示转速的设定值及实际值,通过应用PID算法对占空比的计算达到精确调速的目的。
还利用了Visual Basic6.0编程软件编写了一个简单的上位机软件,显示实际转速的变化情况,对PID参数的整定提供依据。
关键词:Proteus,AT89C51,PID,PWM调速,Visual Basic 6.0目录第一章绪论 (1)1.1 直流电机闭环调速系统背景 (1)1.2 本设计实现的基本功能 (1)1.3设计目的及意义 (1)第二章总体规划 (2)2.1 直流电机控制原理及特点 (2)2.2 直流电机调速控制方式选择 (2)2.3 PWM脉宽调制方式 (3)2.4 电机实际转速的获取 (3)2.5总体设计框图 (4)2.6 上位机界面设计 (4)第三章硬件设计 (5)3.1 AT89C52芯片介绍 (6)3.2 电机驱动电路设计 (7)3.3 按键模块设计 (7)3.4 数码管显示模块设计 (8)3.5 串口电路设计 (8)第四章软件设计 (9)4.1 主程序 (9)4.2 定时器0中断服务程序 (10)4.3 PID控制输出程序 (10)第五章硬件与软件联合调试5.1 运行时速度设定值与实际值 (12)5.2 运行时直流电机转动情况 (12)5.3 运行时上位机运行情况 (12)参考文献 (13)致谢 (14)附录 (15)第一章绪论1.1直流电机闭环调速系统背景对直流电机转速的控制即可采用开环控制,也可采用闭环控制。
与开环控制相比,速度控制闭环系统的机械特性有以下优越性:闭环系统的机械特性与开环系统机械特性相比,其性能大大提高;理想空载转速相同时,闭环系统的静差率(额定负载时电机转速降落与理想空载转速之比)要小得多;当要求的静差率相同时, 闭环调速系统的调速范围可以大大提高。
一、仿真建模过程
仿真波形如下图:
图1-1 转速的波形,蓝色是PID,红色是Fuzzy SIMULINK仿真图:
图1-2 模型仿真图
仿真计算过程:
某直流电机确知参数:
24od U V =
P=50W
=0.57R
L=0.57mh
n=3000
2GD 0.066=
具体的模型用传递函数表示如下
222
0.0260.570.078530303753750.007259m e GD R T s C ππ
⨯===⨯⨯⨯ 24 3.90.570.007259.min/3000
od d e U I R C v r n --⨯=== 3
10.57100.0010.57
L T s R -⨯=== 传递函数
1:111/1/0.57 1.754410.00110.0011
R F T S S S ===+⨯++ 2:20.5710.07850.1377m R
F T S S S =
==⨯
说明:
图1-3 仿真波形说明1
图1-3红框中的波形下凹是在1S 钟处发生的,原因是我们在1S 钟左右加入了负载,如下图1-4所示。
加入负载的一瞬间电机转速会变慢,然后由于控制算法,转速会自动调节至正
常的速度。
图1-4 仿真波形说明2
二、仿真软件打开步骤
1、设置路径
图1-5 设置路径
2、打开仿真文件件
图1-6 打开Simulink仿真文件
图1-7 将Fuzzy导入matlab变量空间中
3、开始仿真
图1-8 按顺序设置Fuzzy并开始仿真4、仿真效果
图1-9 波形仿真效果图。
直流电动机正反转Proteus仿真设计引言随着人民生活水平的提高,产品质量、性能、自动化程度等已经是人们选择产品的主要因素。
其中,直流电动机正反转自动控制在生活中起了很大的作用,比如洗衣机的工作、遥控汽车的操作、DVD的应用等等,它在实际生活中给人们需求上提供了很大的方便与乐趣。
不只是生活,它还在工业、农业、交通运输等各方面得到了广泛的应用,实现电动机正反转的控制是很多产品设计的核心问题。
直流电动机显示出交流电动机不能比拟的良好启动性能和调速性能,比较广泛应用于速度调节要求过高,正反转频繁或多元同步协调运转的机械生产。
因此,学会电动机正反转控制的原理是极其重要的。
然而,在本直流电动机正反转仿真设计中,要借助Proteus软件、Keil软件和C语言的辅助进行仿真设计,通过仿真设计,让我们更清楚了解电动机正反转的原理和电路图,增强对直流电动机的认知。
在Proteus绘制好原理图后,调入已编译好的目标代码文件:*.HEX,可以在Proteus的原理图中看到模拟的实物运行状态和过程,Proteus还提供了一个图形显示功能,可以将线路上变化的信号,以图形的方式实时地显示出来,其作用与示波器相似,但功能更多。
这些虚拟仪器仪表具有理想的参数指标,例如极高的输入阻抗、极低的输出阻抗。
这些都尽可能减少了仪器对测量结果的影响。
在本设计中,Proteus软件采用了电容、电阻、晶振、电动机、LED、开关、电动机等多种元件进行绘图,并基于80C51和ULN2003A进行电路图设计,充分展示Proteus软件元件库量大,掌握它的基本绘图操作。
而对于Keil软件,采取创建工程,创建执行文件,利用C语言编写程序,生成hex文件,为Proteus 仿真提供驱动控制,实现直流电动机正反转的设计。
在本论文设计中,主要介绍直流电动机正反转原理,Proteus软件功能绘图、仿真调试,以及Keil软件功能、程序编写和仿真程序文件生成。
让大家更清楚了解Proteus软件、Keil软件、C语言在直流电动机正反转仿真设计的应用。
目录第一章、直流电动机正反转原理 (2)第二章、Proteus软件介绍 (3)2.1、基本知识与功能概述 (4)2.2、基本操作概述 (6)2.3、模拟调试 (10)第三章、Keil软件介绍 (11)3.1、基本知识与功能概述 (11)3.2、基本操作概述 (12)第四章、直流电动机正反转Proteus仿真设计过程 (14)4.1、Proteus电路图设计 (15)4.2、Keil程序编写说明 (16)4.3、仿真调试情况记录 (19)第五章、设计总结 (20)附录1 80C51引脚功能介绍 (21)附录2 Proteus操作指令中英文对照表 (23)参考文献 (25)致谢 (26)第一章、直流电动机正反转原理由直流电动机和发电机工作原理示意图可以看到,直流电机的结构应由定子和转子两大部分组成。
直流电机运行时静止不动的部分称为定子,定子的主要作用是产生磁场,由机座、主磁极、换向极、端盖、轴承和电刷装置等组成。
运行时转动的部分称为转子,其主要作用是产生电磁转矩和感应电动势,是直流电机进行能量转换的枢纽,所以通常又称为电枢,由转轴、电枢铁心、电枢绕组、换向器和风扇等组成。
直流电机的结构:电机要实现机电能量变换,电路和磁路之间必须有相对运动。
所以旋转电机具备静止的和旋转的两大部分。
静止和旋转部分之间有一定大小的间隙,称为气隙。
静止的部分称为定子,作用是产生磁场和作为电机的机械支撑。
包括主磁极、换向极、机座、端盖、轴承、电刷装置等。
旋转部分称为转子或电枢,作用是感应电势实现能量转换。
包括电枢铁心,电枢绕组,换向器、轴和风扇等。
定子部分:1、主磁极:也称为主极。
作用是产生气隙磁场。
2、换向极:也称为附加极或间极。
作用是改善换向。
装在主极之间。
3、机座:由铸钢或厚钢板焊成。
是电机的机械支撑。
4、电刷装置:将直流电压、电流引入或引出的装置。
其组数与主极极数相等。
转动部分:(转子部分)1、电枢铁心:主磁路的主要部分及嵌放电枢绕组,由硅钢片迭压而成。
2、电枢绕组:由许多按一定规律联接的线圈组成。
用来感应电势和通过电流,是电路的主要部分。
3、换向器:由许多彼此绝缘的换向片构成。
第二章、Proteus软件介绍PROTEUS是英国Labcenter electronics公司研发的多功能EDA软件,它具有功能很强的ISIS智能原理图输入系统,有非常友好的人机互动窗口界面;有丰富的操作菜单与工具。
在ISIS编辑区中,能方便地完成单片机系统的硬件设计、软件设计、单片机源代码级调试与仿真。
PROTEUS有三十多个元器件库,拥有数千种元器件仿真模型;有形象生动的动态器件库、外设库。
特别是有从8051系列8位单片机直至ARM7 32位单片机的多种单片机类型库。
支持的单片机类型有:68000系列、8051系列、AVR系列、PIC12系列、PIC16系列、PIC18系列、Z80系列、HC11系列以及各种外围芯片。
它们是单片机系统设计与仿真的基础。
PROTEUS有多达十余种的信号激励源,十余种虚拟仪器(如示波器、逻辑分析仪、信号发生器等);可提供软件调试功能,即具有模拟电路仿真、数字电路仿真、单片机及其外围电路组成的系统的仿真、RS232动态仿真、I2C调试器、SPI调试器、键盘和LCD系统仿真的功能;还有用来精确测量与分析的PROTEUS 高级图表仿真(ASF)。
它们构成了单片机系统设计与仿真的完整的虚拟实验室。
PROTEUS同时支持第三方的软件编译和调试环境,如Keil C51 uVision2等软件。
PROTEUS还有使用极方便的印刷电路板高级布线编辑软件(PCB)。
特别指出,PROTEUS库中数千种仿真模型是依据生产企业提供的数据来建模的。
因此,PROTEUS设计与仿真极其接近实际。
目前,PROTEUS已成为流行的单片机系统设计与仿真平台,应用于各种领域。
实践证明:PROTEUS是单片机应用产品研发的灵活、高效、正确的设计与仿真平台,它明显提高了研发效率、缩短了研发周期,节约了研发成本。
2.1、基本知识与功能概述Proteus软件具有其它EDA工具软件(例:multisim)的功能。
这些功能是:(1)原理布图(2)PCB自动或人工布线(3)SPICE电路仿真革命性的特点(1)互动的电路仿真用户甚至可以实时采用诸如RAM,ROM,键盘,马达,LED,LCD,AD/DA,部分SPI器件,部分IIC器件。
(2)仿真处理器及其外围电路可以仿真51系列、AVR、PIC、ARM、等常用主流单片机。
还可以直接在基于原理图的虚拟原型上编程,再配合显示及输出,能看到运行后输入输出的效果。
配合系统配置的虚拟逻辑分析仪、示波器等,Proteus建立了完备的电子设计开发环境。
功能模块(1)智能原理图设计(ISIS)丰富的器件库:超过27000种元器件,可方便地创建新元件;智能的器件搜索:通过模糊搜索可以快速定位所需要的器件;智能化的连线功能:自动连线功能使连接导线简单快捷,大大缩短绘图时间;支持总线结构:使用总线器件和总线布线使电路设计简明清晰;可输出高质量图纸:通过个性化设置,可以生成印刷质量的BMP图纸,可以方便地供WORD、POWERPOINT等多种文档使用。
(2)完善的电路仿真功能(Prospice)ProSPICE混合仿真:基于工业标准SPICE3F5,实现数字/模拟电路的混合仿真;超过27000个仿真器件:可以通过内部原型或使用厂家的SPICE文件自行设计仿真器件,Labcenter也在不断地发布新的仿真器件,还可导入第三方发布的仿真器件;多样的激励源:包括直流、正弦、脉冲、分段线性脉冲、音频(使用wav 文件)、指数信号、单频FM、数字时钟和码流,还支持文件形式的信号输入;丰富的虚拟仪器:13种虚拟仪器,面板操作逼真,如示波器、逻辑分析仪、信号发生器、直流电压/电流表、交流电压/电流表、数字图案发生器、频率计/计数器、逻辑探头、虚拟终端、SPI调试器、I2C调试器等;生动的仿真显示:用色点显示引脚的数字电平,导线以不同颜色表示其对地电压大小,结合动态器件(如电机、显示器件、按钮)的使用可以使仿真更加直观、生动;高级图形仿真功能(ASF):基于图标的分析可以精确分析电路的多项指标,包括工作点、瞬态特性、频率特性、传输特性、噪声、失真、傅立叶频谱分析等,还可以进行一致性分析;(3)独特的单片机协同仿真功能(VSM)支持主流的CPU类型:如ARM7、8051/52、AVR、PIC10/12、PIC16、PIC18、PIC24、dsPIC33、HC11、BasicStamp、8086、MSP430等,CPU类型随着版本升级还在继续增加,如即将支持CORTEX、DSP处理器;支持通用外设模型:如字符LCD模块、图形LCD模块、LED点阵、LED七段显示模块、键盘/按键、直流/步进/伺服电机、RS232虚拟终端、电子温度计等等,其COMPIM(COM口物理接口模型)还可以使仿真电路通过PC机串口和外部电路实现双向异步串行通信;实时仿真:支持UART/USART/EUSARTs仿真、中断仿真、SPI/I2C仿真、MSSP 仿真、PSP仿真、RTC仿真、ADC仿真、CCP/ECCP仿真;编译及调试:支持单片机汇编语言的编辑/编译/源码级仿真,内带8051、AVR、PIC的汇编编译器,也可以与第三方集成编译环境(如IAR、Keil和Hitech)结合,进行高级语言的源码级仿真和调试;(4)实用的PCB设计平台原理图到PCB的快速通道:原理图设计完成后,一键便可进入ARES的PCB 设计环境,实现从概念到产品的完整设计;先进的自动布局/布线功能:支持器件的自动/人工布局;支持无网格自动布线或人工布线;支持引脚交换/门交换功能使PCB设计更为合理;完整的PCB设计功能:最多可设计16个铜箔层,2个丝印层,4个机械层(含板边),灵活的布线策略供用户设置,自动设计规则检查,3D 可视化预览;多种输出格式的支持:可以输出多种格式文件,包括Gerber文件的导入或导出,便利与其它PCB设计工具的互转(如protel)和PCB板的设计和加工。
2.2、基本操作概述Proteus ISIS的工作界面是一种标准的Windows界面,如下图所示,包括:标题栏、主菜单、标准工具栏、绘图工具栏、状态栏、对象选择按钮、预览对象方位控制按钮、仿真进程控制按钮、预览窗口、对象选择器窗口、图形编辑窗口。
2.2.1、图形编辑窗口(1)坐标系统(CO-ORDINATE SYSTEM)(2)点状栅格(The Dot Grid)与捕捉到栅格(Snapping to a Grid):编辑窗口内有点状的栅格,可以通过View菜单的Grid命令在打开和关闭间切换。