金银饰品重量测定允许误差的规定
- 格式:doc
- 大小:30.50 KB
- 文档页数:2
金银饰品产品质量监督抽查实施细则(2022年版)1范围本细则适用于市场监督管理局组织的金银饰品产品质量监督抽查检验(不包含网络电商平台抽样)。
本细则内容包括产品种类、术语和定义、检验依据、抽样要求、检验要求、判定规则、异议处理及附则。
2产品种类2.1金饰品2.2银饰品3术语和定义下列术语和定义适用于本细则。
3.1金饰品金饰品是指以黄金为主要原料制作的金及其合金饰品。
3.2银饰品银饰品是指以白银为主要原料制作的银及其合金饰品。
3.3其他其他术语和定义见相应产品标准规定。
4检验依据GBfT17832-2021银合金首饰银含量的测定嗅化钾容量法(电位滴定法)GBZT38145-2019高含量贵金属合金首饰金、钳、杷含量的测定ICP差减法GB/T38162-2019高含量贵金属合金首饰银含量的测定ICP差减法GBfT40114-2021首饰贵金属含量的测定ICP差减法QB/T1690-2021贵金属饰品质量测量允差的规定现行有效的企业标准、团体标准、地方标准及产品明示质量要求5抽样要求5.1抽样方法以随机抽样的方式在被抽样生产者、销售者的待销产品中抽取。
随机数一般可使用随机数表等方法产生。
抽样基数满足抽样数量即可。
5.2抽样数量根据产品的贵金属材料及含量按照同一生产厂商、同一材质、同一饰品品种、同一批次的饰品进行组批。
每批次产品抽取样品2件,其中1件作为检验样品,1件作为备用样品。
5.3抽样管理抽样时样品由抽样人员和被抽样单位陪同人员用不可擦拭的特殊记号笔签字封样或封样单封样。
封样单封样时,应保证所有可开启部位的贴封(防止样品被调换)。
检测和备用样品应分别封装,并现场在包装上标注“检测样品”和“备用样品检验样品封样后,连同抽样单、通知书等相关文书、证明材料一同由抽样人员负责携带送至承检机构。
备样留存于被抽查企业。
检验样品从抽样开始至交接流程需全程由抽样人员2人看护,保留交接证据,确保样品安全。
交接样品时应当检查、记录样品的外观、状态、封条有无破损及其他可能对检验结果或者综合判定产生影响的情况,并确认样品与抽样文书的记录是否相符,对检验样品核查无误后入库。
贵金属饰品质量测量允差的规定《贵金属饰品质量测量允差的规定》QB/T 1690—20041 范围本标准规定了金、银、铂、钯饰品及材料质量测量允差的要求、试验方法和标志。
本标准适用于以质量结算金、银、铂、钯饰品及材料的贸易。
2 规范性引用文件下列文件中的条款通过本标准的引用而成为本标准的条款。
凡是注日期的引用文件,其随后所有的修订单(不包括勘误的内容)或修订版均不适用于本标准,然而,鼓励根据本标准达成协议的各方研究是否使用这些文件的最新版本。
凡是不注日期的引用文件,其最新版本适用于本标准。
GB/T 8170-1987 数值修约规则3 术语和定义下列术语和定义适用于本标准3.1 贵金属饰品的质量 mass of precious metals adornment指贵金属饰品所标注贵金属材料的重。
3.2 测量允差 permissible errors of determination指每一次测量值所允许的误差极限值。
4 要求4.1 金、铂、钯饰品及材料的测量允差4.1.1 称量值不大于500g,允差?0.01g。
4.1.2 称量值大于500g且不大于2000g,允差?0.1g。
4.2 银饰品及材料的称量值不大于2000g,允差?0.1g。
4.3 金、银、铂、钯材料称量值大于2000g,且不大于20000g,允差?0.2 g。
5 试验方法5.1 测量条件5.1.1 天平放置环境应符合计量要求。
5.1.2 使用时应先作计量性能的检查再按常规进行操作。
5.1.3 使用的天平必须在强制检定周期内。
5.2 试验天平的要求5.2.1 当需要满足4.1.1时应使用最小称量值为1mg或以下的电子天平。
5.2.2 当需要满足4.1.2 、4.2时应使用最小称量值为10mg或以下的电子天平。
5.2.3 当使用机械天平时,其测量精度不应低于所规定的电子天平。
5.2.4 当需要满足4.3时,应使用最大称量值20000g,分度值0.04的5级机械天平。
金银饰品质量检验暂行规定发布部门: 中国人民银行、财政部、国家发展计划委员会、国家经济贸易委员会、国家质量技术监督局发布文号:第一条为加强金银饰品质量管理,提高金银饰品质量,规范金银饰品质量检验服务和检验收费行为,制止各种不合法的强制检验及收费,维护金银饰品生产、经营企业和消费者的合法权益,根据《中华人民共和国质量法》等国家有关法律法规的规定,制定本规定。
第二条金银饰品质量检验主要包括:生产企业在产品出厂前的内部检验,生产者、经营者和消费者的委托检验和县级以上质量技术监督部门及行业主管部门根据有关规定组织的监督抽查。
第三条金银饰品的产品质量由生产企业负责。
生产企业要建立健全内部质量保证体系,生产的金银饰品质量必须符合国家和行业标准。
金银饰品必须经质量检验合格后方可出厂。
第四条生产企业应在每件产品上打印出生产厂家代号、材料名称、含金(银)量等印记(对细小饰品的印记内容可简化),并挂有标明产品名称、生产企业名称、材料名称、贵金属含量和质量等的标识牌。
经营企业不得销售无印记和标识牌的金银饰品。
金银饰品的印记执行相应的国家标准,印记及标识牌的管理规定由国家质量技术监督局会同行业主管部门另行制定。
第五条金银饰品的生产、经营企业和消费者可以委托有资格的质量检验机构对金银饰品质量进行委托检验,委托检验必须坚持自愿原则。
任何部门、单位不得指定委托检验机构。
委托检验收费作为经营性收费管理,具体收费标准由国务院价格主管部门本着收支相抵、略有节余的原则另行制定。
收费收入应依法纳税。
第六条国家质量技术监督局组织对全国范围内生产、经营的金银饰品质量进行监督抽查。
县级以上质量技术监督部门可以组织对本行政区域内生产、经营的金银饰品质量进行监督抽查。
行业主管部门可以对行业范围内生产、经营的金银饰品质量进行监督抽查,但监督抽查计划要报国家质量技术监督局审批,不得进行重复抽查。
监督抽查不得向企业收费,所需经费按国务院有关规定列支。
零售商品称重计量监督管理办法2004年8月10日国家质量监督检验检疫总局国家工商行政管理总局令第66号发布《零售商品称重计量监督管理办法》已经2004年4月30日国家质量监督检验检疫总局局务会议审议通过,并经国家工商行政管理总局2004年7月15日局务会议审议通过,现予公布,自2004年12月1日起施行。
国家质量监督检验检疫总局局长国家工商行政管理总局局长二〇〇四年八月十日第一条为维护社会主义市场经济秩序,制止利用计量手段欺骗消费者的不法行为,保护消费者的合法权益,根据《中华人民共和国计量法》、《中华人民共和国消费者权益保护法》等有关法律法规,制定本办法。
第二条在中华人民共和国境内,从事零售商品的销售以及对其进行计量监督,必须遵守本办法。
本办法所称零售商品,是指以重量结算的食品、金银饰品。
其他以重量结算的商品和以容量、长度、面积等结算的商品,另行规定。
定量包装商品的生产、经销以及对其的计量监督应当遵守《定量包装商品计量监督规定》。
第三条零售商品经销者销售商品时,必须使用合格的计量器具,其最大允许误差应当优于或等于所销售商品的负偏差。
第四条零售商品经销者使用称重计量器具当场称重商品,必须按照称重计量器具的实际示值结算,保证商品量计量合格。
第五条零售商品经销者使用称重计量器具每次当场称重商品,在本办法附表1、附表2称重范围内,经核称商品的实际重量值与结算重量值之差不得超过该表规定的负偏差。
第六条零售商品经销者和计量监督人员可以按照如下方法核称商品:(一)原计量器具核称法:直接核称商品,商品的核称重量值与结算(标称)重量值之差不应超过商品的负偏差,并且称重与核称重量值等量的最大允许误差优于或等于所经销商品的负偏差三分之一的砝码,砝码示值与商品核称重量值之差不应超过商品的负偏差;(二)高准确度称重计量器具核称法:用最大允许误差优于或等于所经销商品的负偏差三分之一的计量器具直接核称商品,商品的实际重量值与结算(标称)重量值之差不应超过商品的负偏差;(三)等准确度称重计量器具核称法:用另一台最大允许误差优于或等于所经销商品的负偏差的计量器具直接核称商品,商品的核称重量值与结算(标称)重量值之差不应超过商品的负偏差的2倍。
国家技术监督局、国内贸易部、国家工商行政管理局关于印发《零售商品称重计量监督规定》的通知文章属性•【制定机关】国家技术监督局(已撤销),国内贸易部(已撤销),国家工商行政管理总局(已撤销)•【公布日期】1993.10.09•【文号】技监局发[1993]26号•【施行日期】1993.10.09•【效力等级】部门规章•【时效性】失效•【主题分类】计量正文*注:本篇法规已被《零售商品称重计量监督管理办法》(发布日期:2004年8月10日实施日期:2004年12月1日)废止国家技术监督局国内贸易部国家工商行政管理局关于印发《零售商品称重计量监督规定》的通知(技监局发〔1993〕26号)各省、自治区、直辖市(计划单列市)技术监督(标准计量、计量)局,商委、商业、粮食厅(局)、供销社、工商行政管理局:《中华人民共和国计量法》(以下简称《计量法》)颁布实施以来,对维护市场秩序,保护消费者的合法权益,起到了重要作用。
近几年,随着我国城乡贸易的迅速发展,商贸活动中缺斤短两,损害消费者利益的现象屡有发生。
据统计,这几年全国各地消费者的计量投诉数量始终占投诉总量的第二位,今年以来,计量投诉数量又有所上升,引起了各级政府的重视。
为深入贯彻实施《计量法》,净化市场环境,切实保护广大消费者的合法权益,我们制定了《零售商品称重计量监督规定》,现予发布。
这一计量监督规定是各级计量行政部门、工商行政管理部门判定经营者、生产者是否短量的依据,也是商品经销者和生产者依法加强自身计量管理的依据。
请你们认真组织贯彻执行。
附件:零售商品称重计量监督规定一九九三年十月九日零售商品称重计量监督规定第一条为维护社会主义市场经济秩序,制止利用计量手段欺骗消费者的不法行为,保护消费者的合法权益,根据《中华人民共和国计量法》和有关法规,制定本规定。
第二条零售商品的销售、生产和计量监督,必须遵守本规定。
本规定所指的零售商品,是指以重量结算的食品、金银饰品。
贵金属饰品产品质量监督抽查实施细则(2024年版)1 抽样方法以随机抽样的方式在被抽样生产者、销售者的待销产品中抽取。
随机数一般可使用随机数表、骰子或扑克牌等方法产生。
抽样基数满足抽样数量即可。
抽取样品应为同一生产者(厂家印记相同)按照同一标准生产的同一商标、同一款式和同一贵金属材料、含量的产品。
抽样数量为1件,采用原样复检,抽样基数应满足抽样要求。
2检验依据表1贵金属饰品执行企业标准、团体标准、地方标准的产品,检验项目参照上述内容执行。
凡是注日期的文件,其随后所有的修改单(不包括勘误的内容)或修订版不适用于本细则。
凡是不注日期的文件,其最新版本适用于本细则。
3 判定规则3.1依据标准GB 11887-2012 首饰贵金属纯度的规定及命名方法及第1号修改单GB/T 18043-2013首饰贵金属含量的测定X射线荧光光谱法GB/T 31912-2015 饰品标识QB/T 1690-2021贵金属饰品质量测量允差的规定现行有效的企业标准、团体标准、地方标准及产品明示质量要求3.2判定原则经检验,检验项目全部合格,判定为被抽查产品所检项目未发现不合格;检验项目中任一项或一项以上不合格,判定为被抽查产品不合格。
若被检产品明示的质量要求高于本细则中检验项目依据的标准要求时,应按被检产品明示的质量要求判定。
若被检产品明示的质量要求低于本细则中检验项目依据的强制性标准要求时,应按照强制性标准要求判定。
若被检产品明示的质量要求低于或包含本细则中检验项目依据的推荐性标准要求时,应以被检产品明示的质量要求判定。
若被检产品明示的质量要求缺少本细则中检验项目依据的强制性标准要求时,应按照强制性标准要求判定。
若被检产品明示的质量要求缺少本细则中检验项目依据的推荐性标准要求时,该项目不参与判定。
4附则本细则代替《市场监督管理局关于发布<产品质量监督抽查实施细则(2023版)>(第一批)的通告》中的《贵金属饰品质量监督抽查实施细则(2023年版)》。
贵金属首饰标准简介国家标准体系分:国家标准行业标准地方标准企业标准标准可分为强制性标准和推荐性标准。
如贵金属首饰的国家强制性标准有GB11887-2002、推荐性标准有GB/T18043-2000等。
贵金属首饰标准及主要内容介绍:GB11887-2002 首饰贵金属纯度的规定及命名方法1 范围本标准规定了首饰中贵金属的纯度范围(不包括焊药成分,但成品含量不得低于规定的纯度范围)、印记、测定方法和贵金属首饰的命名方法。
本标准适用于首饰行业和国内生产及销售的首饰。
2 规范性引用文件下列文件中的条款通过本标准的引用而成为本标准的条款。
凡是注日期的引用文件,其随后所有的修改单(不包括勘误的内容)或修订版均不适用于本标准,然而,鼓励根据本标准达成协议的各方研究是否可使用这些文件的最新版本。
凡是不注日期的引用文件,其最新版本适用于本标准。
GB/T 9288 首饰含金量分析方法(neq ISO 11426:1993)GB/T 11886 首饰含银量化学分析方法GB/T 16552 珠宝玉石名称GB/T 16553 珠宝玉石鉴定GB/T 16554 钻石分级QB/T 1656 铂首饰化学分析方法钯、铑、铂量的测定QB/T 1689 贵金属饰品术语3 术语和定义下列术语和定义适用于本标准。
3.1 纯度贵金属元素的最低含量,以贵金属的含量千分数计量。
4 纯度范围纯度以最低值表示,不得有负公差。
4.1 贵金属及其合金的纯度范围见表1。
表14.2 足金首饰因使用需要,其配件含金量不得低于750‰。
4.3 贵金属及其合金首饰中所含元素不得对人体健康有害。
含镍首饰(包括非贵金属首饰)应符合以下规定。
4.3.1用于耳朵或人体的任何其他部位穿孔,在穿孔伤口愈合过程中摘除或保留的制品,其镍在总体质量中的含量必须小于0.5‰;4.3.2与人体皮肤长期接触的制品如:——耳环;——项链,手镯和手链,脚链,戒指;——手表表壳,表链,表扣;——按扣,搭扣,铆钉,拉链和金属标牌(如果不是钉在衣服上)。
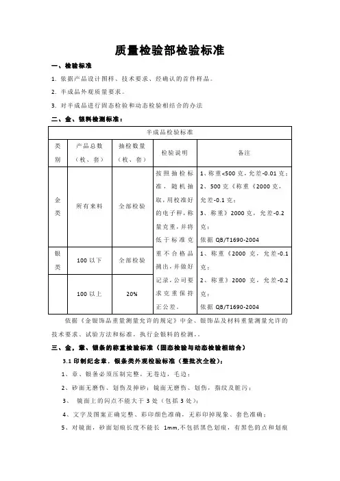
质量检验部检验标准一、检验标准1. 依据产品设计图样、技术要求、经确认的首件样品。
2. 半成品外观质量要求。
3. 对半成品进行固态检验和动态检验相结合的办法二、金、银料检测标准:依据《金银饰品重量测量允许的规定》中金、银饰品及材料重量测量允许的技术要求、试验方法和标准,执行金银料的检测,。
三、金,章、银条的称重检验标准(固态检验与动态检验相结合)3.1印制纪念章.银条类外观检验标准(整批次全检);1、章、银条必须压制完整,无卷边,毛边;2、砂面无磨伤、划伤及掉砂;镜面无磨伤、划伤,指纹及脏污;3、镜面上的闪点不能大于3处(包括3处);4、文字及图案正确完整、彩印颜色准确,无彩印掉现象、套色准确;5、对镜面,砂面划痕长度不能长1mm,不包括黑色划痕,有黑色的点和划痕无论多小都要检出;6 、对于镜面出现污点的,直径大于1mm,检出,对于污点直径小于0.5mm 的必须小于3处,出现污点的但是污点比较集中成片的全部检出;7、对于章,银条出现水印的现象,面积不能超过2mm2 , 否则全部检出。
8、对于章、银条出现指纹的现象,只要出现,全部检出;9 、对于镜面出现起泡的现象,只要出现,全部检出;10、对于章、银条出现氧化现象的,必须全部检出;11、对于章、银条出现霉点的,直径大于 1.5mm,检出,对于污点直径小于0.5mm的必须小于3处,出现霉点的但是霉点比较集必须全部检出;3.2金条,印,章类外观检验标准(整批次全检);1、压制完整,文字及图案正确,无卷边,毛边;2、对于金类产品出现变色,全部检出;3、对于金类产品镜面出现划痕《划痕长度不能长2mm》,及细小划痕堆积和指纹,全部检出;4、对于金类产品出现出现污点的,直径大于1.5mm,检出,对于污点直径小于1mm的必须小于3处,出现污点的但是污点比较集中成片的全部检出;5、镜面上的闪点不能大于2处(包括2处);6、金条类砂面掉砂不能大于3处;7、对于金类产品砂面出现划痕《划痕长度不能长4mm》,全部检出;四、原辅料检验(动态检验)4.1木盒的检验标准1、盒体表面干净,平整,盒体、盒盖各立面应在同一平面,同时盒体打磨到位,无胶痕,无流油现象,表面文字印刷正确;2、盒体必须雕刻完整,无断线、无漏印、漏雕现象图案正确;3、盒体的五金件安装位置必须正确,牢固,紧固件必须紧到位,内置坑位大小合适,配件齐全无缺件现象;4、盒体的划痕的长度不能超过5mm,不能出现黑点等彩色点及彩色的划痕,若出现无论多长,全部检出;5、盒面喷漆均匀有光泽,无堆积,盒叶处坑位大小合适;6、盒子无变形,内置合适且内置丝印清晰无歪斜;7、盒子组装产品盒盖合拢良好,无间隙;4.2皮盒的检验标准1、盒体表面干净,平整,盒体、盒盖各立面应在同一平面;2、表面文字丝印正确,且丝印清晰;3、盒面无明显划痕。
黄金饰品零售行业计量器具选配和使用发布时间:2022-10-26T03:18:59.899Z 来源:《中国科技信息》2022年6月第12期作者:陈晨[导读] 黄金首饰零售企业在销售黄金饰品时一般对其进行称重按照黄金的质量结算价格陈晨如皋市综合检验检测中心江苏如皋 2265000、引言黄金首饰零售企业在销售黄金饰品时一般对其进行称重按照黄金的质量结算价格,此时使用的电子天平就成为了必须强制周期检定的计量器具。
如果商家在配置、使用电子天平时不规范则有可能损害到消费者的切身利益,为了规范黄金零售业电子天平的使用,本文分析了笔者在日常工作中发现的一些问题,希望通过探讨可以解决这些问题。
1、计量规范对于零售商品计量器具配置和允许误差的要求JJF 1647-2017 《零售商品称重计量检验规则》和《零售商品称重计量监督管理办法》中规定,零售商品的称量结果应准确反映商品实际重量值,金银饰品的计量负偏差(零售商品实际重量值与结算重量值之间的负向差值)应符合表1规定的要求,零售商品的结算重量值以称重计量的实际示值为准。
表1 金银饰品的负偏差规定零售商品称重计量必须使用合格的计量器具,应该根据零售商品的价格、称重范围和计量负偏差配备相适应的称重计量器具,其最大允许误差应当优于或等于零售商品的计量负偏差,最大秤量、分度值、准确度等级应符合表2的规定。
表2中的要求为零售商品称重计量器具配备的最低要求。
表2 零售金银饰品称重计量器具的配备要求2、目前黄金饰品零售行业计量器具配置情况笔者在对金店送检天平进行检定时发现不少黄金饰品零售商使用的电子天平还是实际分度值0.01g的电子天平。
这完全不符合JJF 1647-2017 《零售商品称重计量检验规则》中规定。
可能金银饰品的零售商在购买电子天平时,没有分清实际分度值和检定分度值的分别,看到JJF 1647-2017 《零售商品称重计量检验规则》要求配备最大秤量200g分度值10mg,的电子天平,就购买了实际分度值是0.01g的电子天平,实际上这类电子天平是达不到要求的。
国家允许重量偏差标准一、商品净重偏差1.定义:商品净重是指商品本身的实际重量,不包括包装、附件等。
2.允许偏差:根据商品类型和规定,商品净重允许有一定的偏差范围。
一般来说,偏差范围在±3%以内。
3.计算方法:商品净重偏差 = (实际重量 - 标称重量) / 标称重量× 100%。
4.注意事项:在购买商品时,应注意商品的实际重量与标称重量是否相符,避免被误导。
二、商品总重偏差1.定义:商品总重是指商品本身及其包装、附件等的总重量。
2.允许偏差:根据商品类型和规定,商品总重允许有一定的偏差范围。
一般来说,偏差范围在±5%以内。
3.计算方法:商品总重偏差= (实际总重量- 标称总重量) / 标称总重量×100%。
4.注意事项:在购买商品时,应注意商品的实际总重量与标称总重量是否相符,避免被误导。
三、商品包装重量偏差1.定义:商品包装重量是指商品包装的实际重量。
2.允许偏差:根据商品类型和规定,商品包装重量允许有一定的偏差范围。
一般来说,偏差范围在±2%以内。
3.计算方法:商品包装重量偏差= (实际包装重量- 标称包装重量) / 标称包装重量× 100%。
4.注意事项:在购买商品时,应注意商品的实际包装重量与标称包装重量是否相符,避免被误导。
四、商品运输重量偏差1.定义:商品运输重量是指商品在运输过程中产生的实际重量。
2.允许偏差:根据商品类型和规定,商品运输重量允许有一定的偏差范围。
一般来说,偏差范围在±5%以内。
3.计算方法:商品运输重量偏差= (实际运输重量- 标称运输重量) / 标称运输重量× 100%。
4.注意事项:在购买商品时,应注意商品的实际运输重量与标称运输重量是否相符,避免被误导。
同时,在运输过程中应注意保护商品,避免因运输不当导致商品损坏或重量变化。
金银饰品重量测定允许误差的规定金银饰品重量测量允差的规定QB/T 1690—19931主题内容与适用范围本标准规定了金、银饰品及材料重量测量允差的技术要求、试验方法和标准。
本标准适用于以重量结算金、银饰品及材料的贸易,铂饰品及材料亦参照使用。
2术语2.1金、银饰品的重量指金银材料的净重。
3技术要求3.1金饰品及材料的测量允差3.1.1每批或件称量值不大于1000g,允差±0.01g。
3.1.2每批或件称量值大于1000g且不大于5000g,允差±0.025g。
3.1.1每批或件称量值大于5000g且不大于20000g,允差±0.10g。
3.2银饰品及材料的测量允差3.2.1 每批称量允差+0.4g或-0.5g。
3.2.2 每件称量允差+0.04g或-0.05g。
3.2.3 单件重量大于200g时,按批允差规定。
4 试验方法4.1试验条件4.1.1天平放置环境应符合计量要求。
4.1.2使用时应先作计量性能的检查再按常规进行操作。
4.1.3合作的天平必须在强制检定周期内。
4.2试验天平的要求4.2.1用最大称量值1000g,分度值0.002g的5 级机械天平,应符合3.1.1条规定。
4.2.2用最大称量值5000g,分度值0.01g的5 级机械天平,应符合3.1.2条规定。
4.2.3用最大称量值20000g,分度值0.04g的5 级机械天平,应符合3.1.3条规定。
4.2.4用最大称量值50000g,分度值0.25g的6 级机械天平,应符合3.2.1条规定。
4.2.5用最大称量值1000g,分度值0.01g的7 级机械天平,应符合3.2.2条规定。
4.2.6如果采用电子天平,则按电子天平的等级对应机械天平的等级等同使用。
4.3当试验结果有争议时,以国家计量基准器具或者社会公用计量标准器具检定的数据为准。
5 标志5.1金、银饰品及材料均以克(g)为计量单位。
5.2金饰品及材料的重量,在书写时保留二位小数。
银饰的执行标准
一、银含量标准
银饰品的含银量应符合相应的国家或行业标准。
通常,银饰品的含银量在92.5%以上即可称为纯银饰品。
此外,银含量标准还应考虑到饰品的重量和体积,以确保消费者在购买时获得足够的银含量。
二、精确度标准
银饰品的尺寸和形状应符合设计图纸和技术条件的要求。
在制造过程中,应尽量减少误差,保证精确度。
银饰品的重量也应尽量保持一致,以满足消费者对产品质量和美观度的要求。
三、镀层标准
银饰品表面处理的镀层应均匀、光洁、附着力好,不易剥落和龟裂。
镀层的质量和厚度应符合产品技术条件的要求,以确保银饰品的耐腐蚀性和美观度。
四、确认标识标准
银饰品的标识应清晰、准确、易于识别,包括品名、产地地及纯度标记,生产企业代号、注册商标、批次号、质量合格证等。
此外,还应有产品质量检验合格证明,以保证消费者在购买时能够了解产品的真实信息。
总之,银饰的执行标准是保证产品质量和消费者权益的重要手段之一。
通过制定和执行这些标准,可以促进银饰品行业的健康发展,提高消费者对产品的信任度和满意度。
金重误差0.01
金重误差0.01通常指的是在对金属进行称重时允许的误差范围。
这意味着称量结果可以有最大±0.01克的误差。
金重误差是在金属加工、珠宝制作、金融交易等领域中非常重要的因素。
对于小件的金属制品或珠宝首饰来说,误差范围通常较小,0.01克的误差可能是可以接受的。
但对于大件金属制品或贵金属交易等需要更高精度的情况,可能需要更小的误差范围。
要减小金重误差,可以采取以下措施:
1. 使用更精确的称重设备:选择精度更高的电子秤或天平,可以提高称重的准确度。
2. 控制环境条件:确保称量环境的稳定和准确,避免温度、湿度等因素对称重结果造成影响。
3. 校准和校验:定期对称重设备进行校准和校验,以确保其正确和准确。
4. 重复称量:对于较为重要的金属制品,可以进行多次称量并取平均值来减小误差。
金重误差的接受范围可能因不同的行业和具体情况而有所不同。
在进行金属交易或制作珠宝等需要精确度较高的应用中,可能需要更严格的金重误差控制。
在任何情况下,确保称重的准确性和可靠性都是至关重要的。
金银珠宝行业管理规则的交易标准随着人们对金银珠宝的需求不断增加,金银珠宝行业的竞争也日益激烈。
为了维护市场秩序,规范金银珠宝交易,各国纷纷制定了金银珠宝行业管理规则的交易标准。
本文将系统地介绍这些标准,以期帮助读者更好地了解金银珠宝行业的交易标准。
一、金银珠宝的标准化认证在金银珠宝行业,为了确保产品的质量和真实性,各国会对珠宝进行标准化认证。
标准化认证是一种对珠宝产品进行检测、鉴定和评估的过程,以确保其符合国家和国际标准。
这些标准通常包括珠宝的材质成分、鉴定方法、刻印要求等。
二、金银珠宝的重量计量标准金银珠宝的交易标准中,重量计量是非常重要的一项内容。
不同国家对于金银珠宝的重量计量会有所不同,但是最常见的是以克为单位进行计量。
此外,一些国家还要求在珠宝上标注净金含量和净银含量,以方便消费者了解产品的成分。
三、金银珠宝的定价标准金银珠宝的定价标准是金银珠宝交易中一个关键的环节。
一般来说,珠宝行业的标价是以市场的供求情况和贵金属的实时价值来确定的。
此外,一些国家还规定了金银珠宝的税率和关税等相关政策,以维护市场的健康发展。
四、金银珠宝的交易合同在金银珠宝的交易过程中,双方通常会签订一份交易合同。
这份合同是确保交易双方权益的重要文件,其中包含了交易的价格、数量、质量标准以及交付和付款方式等内容。
合同还应包括双方的权利和义务,以及可能涉及的违约责任等条款。
五、金银珠宝的售后服务标准为了提供更好的售后服务,金银珠宝行业也制定了相应的标准。
售后服务主要包括产品维修、退换货、回收等方面的内容,其中维修和退换货的标准需要明确规定。
此外,一些国家还要求珠宝商在售后服务中提供详细的用户使用和保养指南。
六、金银珠宝行业的宣传政策标准为了维护金银珠宝行业的声誉和形象,各国都制定了相应的宣传政策标准。
这些标准主要包括宣传内容的真实性和准确性,禁止虚假夸大宣传和欺诈行为。
一些国家还规定了珠宝广告的宣传方式和渠道,以确保宣传活动的合法性和正当性。
金银首饰店应配备合适的电子天平并正确使用李伟【期刊名称】《上海计量测试》【年(卷),期】2015(000)002【总页数】2页(P48-48,50)【作者】李伟【作者单位】温州市计量技术研究院【正文语种】中文金银首饰店一般都有称量用的电子天平,这类天平属于贸易用计量衡器,是国家强制性检定计量器具的一种,必须定期进行检定。
如果商家用来计量饰品克重的电子天平不准确,或未经检定,或所配备的电子天平无法满足金银珠宝的计量要求,会给消费者的利益带来损失。
为了规范商场、金银首饰店的电子天平的配备和使用,本文分析了在使用中发现的一些问题并提出解决方法,以确保电子天平的准确度,维护广大消费者的利益。
1.1 电子天平使用环境不符合规程要求大多数金银首饰店的电子天平都放在玻璃柜上或者是可以移动的桌子上使用,抗震能力差,不能满足规程中“放置在平整、稳固的平台或平板上”的要求。
一些使用人员操作不规范,在使用天平时没有预热,也没有把天平调整到水平位置,这样对天平的称量准确度都有一定影响。
1.2 电子天平的配备不符合使用要求《零售商品称重计量监督管理办法》(以下简称《管理办法》)中规定“黄金饰品的称重范围每件小于或等于100 g的负偏差不得超过0.01 g”。
在对商场、金银首饰店的电子天平检查中发现,大部分商家配备了实际分度值d = 0.01 g或d=0.001 g的电子天平,有一些配备了d =0.000 1 g级的电子天平。
《管理办法》第三条规定,“零售商品经销商销售商品时,必须使用合格的计量器具,其最大允许误差应当优于或等于所售商品的负偏差”。
实际分度值d =0.000 1 g级的电子天平肯定能符合该条规定,而实际分度值d = 0.01 g 或d = 0.001 g的电子天平,看起来是符合该条规定的,但是实际上,在JJG 1036-2008《电子天平检定规程》中规定,电子天平的最大允许误差是按照检定分度值e来计算的,一般情况下e = 10d。
金银饰品重量测量允差的规定
QB/T 1690—1993
1主题内容与适用范围
本标准规定了金、银饰品及材料重量测量允差的技术要求、试验方法和标准。
本标准适用于以重量结算金、银饰品及材料的贸易,铂饰品及材料亦参照使用。
2术语
2.1金、银饰品的重量
指金银材料的净重。
3技术要求
3.1金饰品及材料的测量允差
3.1.1每批或件称量值不大于1000g,允差±0.01g。
3.1.2每批或件称量值大于1000g且不大于5000g,允差±0.025g。
3.1.1每批或件称量值大于5000g且不大于20000g,允差±0.10g。
3.2银饰品及材料的测量允差
3.2.1 每批称量允差+0.4g或-0.5g。
3.2.2 每件称量允差+0.04g或-0.05g。
3.2.3 单件重量大于200g时,按批允差规定。
4 试验方法
4.1试验条件
4.1.1天平放置环境应符合计量要求。
4.1.2使用时应先作计量性能的检查再按常规进行操作。
4.1.3合作的天平必须在强制检定周期内。
4.2试验天平的要求
4.2.1用最大称量值1000g,分度值0.002g的5 级机械天平,应符合3.1.1条规定。
4.2.2用最大称量值5000g,分度值0.01g的5 级机械天平,应符合3.1.2条规定。
4.2.3用最大称量值20000g,分度值0.04g的5 级机械天平,应符合3.1.3条规定。
4.2.4用最大称量值50000g,分度值0.25g的6 级机械天平,应符合3.2.1条规定。
4.2.5用最大称量值1000g,分度值0.01g的7 级机械天平,应符合3.2.2条规定。
4.2.6如果采用电子天平,则按电子天平的等级对应机械天平的等级等同使用。
4.3当试验结果有争议时,以国家计量基准器具或者社会公用计量标准器具检定的数据为准。
5 标志
5.1金、银饰品及材料均以克(g)为计量单位。
5.2金饰品及材料的重量,在书写时保留二位小数。
5.3银饰品零售的重量,在书写时保留一位小数。
5.4银饰品及材料批量结算重量在书写时保留整数。
5.5零售金、银饰品应在每件产品的标签上注明重量。
5.6批量结算贸易的金、银饰品,应每批附上注明重量的标签。
5.7加工的来料和人民银行配售的材料均应在委托加工单和发票上注明重量。