暖通空调施工设计说明
- 格式:doc
- 大小:104.00 KB
- 文档页数:14
《暖通空调》课程设计说明书上海市某医院楼空调工程设计说明书班级:姓名:学号:指导教师:完成时间:成绩评定:目录一任务和目的 3二工程概况 3三设计概述 3四空调负荷计算 44.1 手算标准示范 44.1.1 上海市室外气象条件 44.1.2. 病房各项相关条件 54.1.3. 冷负荷计算 54.2各层其他其余空调空间的冷负荷 12五、空调风系统 135.1各房间新风量确定 135.2 新风管道选择 145.2.1各新风干管管径选取 155.2.2各房间的新风支管管径选取 165.3新风管阻力计算 165.4新风冷负荷计算 175.6 空调系统方案的确定 195.7 风机盘管选型 195.8气流组织设计 21六、冷水系统 236.1 冷水机组的选型 23七、参考文献 24一任务和目的通过本课程设计使学生在以下几个方面得到初步训练:1、熟悉和掌握空调工程设计计算的基本方法;2、较为合理地确定空调工程的设计方案,了解空调工程设计的主要步骤,较规范地绘制工程图;3、熟悉和学会使用设计规范、设计手册、标准图、以及其它有关的参考资料,合理地选用空调、通风系统的定型产品。
二工程概况该医院楼位于上海市,总共9层,主要房间朝南北向,首层层高为4.4m.其中第九层ICU空调由专业洁净公司设计。
该空调系统主要内容包括:设计方案选择,负荷计算,末端设备的选型,气流组织设计,水系统设计,风系统设计等内容。
三设计概述根据该建筑的建筑面积以及内部结构等因素考虑,该建筑性质为相对单一的办公建筑,从而将整个空调区划分为风机盘管加新风系统。
设计满足舒适性空调要求。
在冷负荷计算的基础上完成新风机组和风机盘管的选型,并通过风量计算、水量估算确定风管路和水管路的规格,并校核最不利环路的阻力和压头用以确定新风机。
四空调负荷计算4.1 手算标准示范典型房间取右上角电梯左边第二个病房(编号为2000)。
4.1.1 上海市室外气象条件4.1.2. 病房各项相关条件(1)层高为4.4m.(2)楼板:由于该办公室上面一层也为同一性质的空调病房,所以楼板的冷负荷忽略不计。
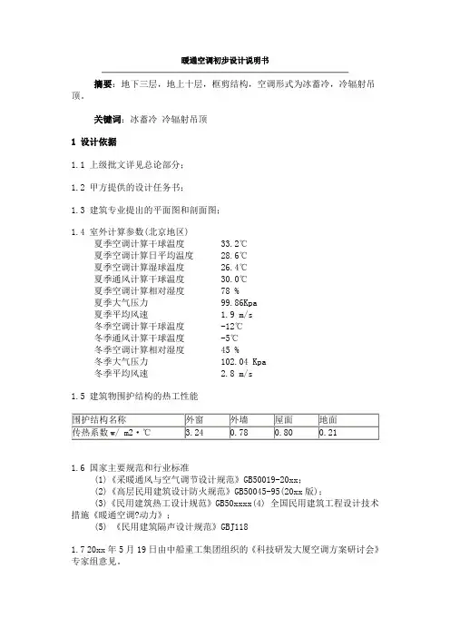
暖通空调初步设计说明书摘要:地下三层,地上十层,框剪结构,空调形式为冰蓄冷,冷辐射吊顶。
关键词:冰蓄冷冷辐射吊顶1 设计依据1.1 上级批文详见总论部分;1.2 甲方提供的设计任务书;1.3 建筑专业提出的平面图和剖面图;1.4 室外计算参数(北京地区)夏季空调计算干球温度33.2℃夏季空调计算日平均温度28.6℃夏季空调计算湿球温度26.4℃夏季通风计算干球温度30.0℃夏季空调计算相对湿度78 %夏季大气压力99.86Kpa夏季平均风速 1.9 m/s冬季空调计算干球温度-12℃冬季通风计算干球温度-5℃冬季空调计算相对湿度45 %冬季大气压力102.04 Kpa冬季平均风速 2.8 m/s1.5 建筑物围护结构的热工性能1.6 国家主要规范和行业标准(1)《采暖通风与空气调节设计规范》GB50019-20xx;(2)《高层民用建筑设计防火规范》GB50045-95(20xx版);(3)《民用建筑热工设计规范》GB50xxxx(4) 全国民用建筑工程设计技术措施《暖通空调?动力》;(5) 《民用建筑隔声设计规范》GBJ1181.7 20xx年5月19日由中船重工集团组织的《科技研发大厦空调方案研讨会》专家组意见。
2 设计范围本工程为船舶科技研发大厦,总建筑面积为33928平方米,预留建筑面积为5494平方米,建筑高度为33.99米。
地下二﹑三层为停车库及设备用房,层高3.6米;地下一层主要为餐厅﹑厨房﹑多功能厅及档案室,层高5米;首层至八层主要为办公及会议室,首层层高为5.0米,其余为3.9米。
设计范围为采暖、通风、空调、防排烟及冷热源设计。
冷冻机房冷却水系统由给排水专业设计。
3 设计原则满足国家及行业有关规范﹑规定的要求,利用国内外先进的空调技术及设备,创建健康舒适的室内空气品质及环境。
4 空调设计4.1 室内设计参数4.2空调冷热负荷估算4.3 空调系统经技术﹑经济综合比较及专家组建议,空调方案确定为:独立新风空调系统,即新风机组加辐射冷吊顶。
暖通空调设计说明书⼟⽊建筑学院课程设计(论⽂)说明书课程名称:《暖通空调2》课程设计设计题⽬:空调通风系统设计专业:建筑环境与设备⼯程班级:2010-1 设计⼈:指导教师:2014年1 ⽉10⽇课程设计任务书专业(⽅向):建筑环境与设备⼯程班级:2010-1学⽣姓名:学号:⼀、课程设计题⽬:空调通风系统设计⼆、原始资料:(1)夏季室外设计参数:空调室外计算温度34.8℃,湿球温度27℃,室外风速2.8m/s;(2)夏季室内设计参数:空调室内计算温度26±2℃,相对湿度60±10℃:(3)设计地区:济南。
三、设计应解决下列要问题:空调通风系统设计:(1)负荷计算;(2)⽅案确定;(3)⽓流组织计算;(4)管道⽔⼒计算;(5)设备及附件选择;(6)保温计算;(7)消声减震处理;(8)施⼯图的绘制。
四、设计图纸:(1)空调风管平⾯布置图1张;(2)空调⽔管平⾯布置图1张;(3)空调⽔管系统布置图1张。
五、命题发出⽇期:2013.12.23 设计应完成⽇期:2014.1.10设计指导⼈(签章):系主任(签章):⽇期:年⽉⽇指导教师对课程设计评语指导教师(签章):系主任(签章):⽇期:年⽉⽇⽬录⽬录 (1)第1章⼯程概况和原始资料 (3)1.1 ⼯程概况 (3)1.2 原始资料 (3)1.2.1 室外⽓象参数 (3)1.2.2 室内设计参数 (3)1.2.3 围护结构参数 (4)第2章负荷计算 (4)2.1 冷负荷理论依据 (4)2.2 冷负荷计算 (7)2.3 热负荷计算 (7)2.4 湿负荷计算 (8)第3章空调⽅案的确定 (8)3.1 空调系统的布置⽅式 (8)3.2 ⽔系统的布置⽅式 (9)第4章房间的空⽓处理⽅案及送风量的确定 (11)4.1 风机盘管加新风系统 (11)4.2 末端设备的选型原则 (12)4.3 新风机组的选择 (14)第5章⽓流组织计算 (14)5.1 概述 (14)5.2 房间⽓流组织⽅式 (14)5.3 ⽓流组织计算和风⼝选择 (15)第6章⽔⼒计算 (18)6.1 通风管道设计和选择 (18)6.2 风管⽔⼒计算 (19)6.3 空调⽔系统的⽔⼒计算 (22)6.4 凝结⽔管配管 (25)第7章通风与防排烟设计 (25)7.1 通风设计 (25)7.2 防排烟设计 (26)第8章保温、消声及减振设计 (26)8.1 管道的保温设计 (26)8.2 噪声影响及采取的措施 (27)8.3 系统减振 (28)总结 (30)参考⽂献 (31)第1章⼯程概况和原始资料1.1⼯程概况济南市某⼚办公楼第⼆层,层⾼3.6m,总建筑⾯积为1225.52 m,包括8个化验室,1个办公室,1个休息室,2个卫⽣间。
暖通空调工程施工方案1、暖通空调系统简介1.1采暖系统本工程在门厅等大空间区域采用低温热水地板辐射采暖系统,其余区域均由空调系统进行供热。
1.2空调系统本工程餐厅等大空间采用集中全空气空调系统,办公及服务区域采用风机盘管加新风空调系统。
1.3通风系统本工程卫生间、设备房等房间设机械排风系统,食堂区域设平时排风系统及事故排风系统。
2、地板辐射施工方法铺设绝热板之前,根据房间形状和面积大小,合理下料裁板;将保温板按先里后外顺序铺设在找平层上,多层绝热层错缝铺设,结合处严密,铺设平整,不应凹凸不平或起包。
集配装置在安装前进行水压试验,在分水器之前的供水连接管道上,顺水流方向安装阀门、过滤器,在集水器之后的回水连接管上,安装泄水管,分、集水器上均设置阀门。
加热管切割使用专用工具,切割后切口平整,埋设于填充层内的加热管不应有接头,管道敷设排列整齐,转弯处弯曲半径一致,用专用固定卡将加热管固定在铺设于绝热层上的网格上。
管道安装完成后,用洁净水对管道进行冲洗;冲洗完成后,在浇筑混凝土填充层之前和浇筑混凝土填充层之后,分别进行水压试验,水压试验分层、分段、分回路进行。
3、支吊架选择与安装支(吊)架安装是风管系统安装的第一道工序。
支(吊)架的形式根据风管安装的部位、风管截面的大小及工程的具体情况选择,符合设计图纸或国家标准图集的要求。
对于相同管径的支、吊、托架等距离排列,但不能将支、吊、托架设置在风口、风阀、检视门及测定孔等部位,否则将影响系统的使用效果,适当错开一定的距离。
支架的固定方式根据实际情况确定,一般常采用埋入墙内、水泥砂浆锚固、在钢筋混凝土内预埋钢板上焊接锚固、膨胀螺栓锚固等。
4、通风系统风管及部件安装4.1风管安装施工现场已满足安装条件时,将预制加工的风管、管件,按照安装的顺序和不同的系统运至施工现场,再将风管和管件按照加工时的编号组对,复核无误后即可进行连接和安装。
风管安装前,检查吊架、托架等固定件的位置是否正确,是否安装牢固。
暖通空调设计说明一.设计依据(1) 采暖通风与空气调节设计规范《GBJ45-87》;(2) 实用供热空调设计手册;(3) 民用建筑采暖通风设计技术措施;(4) 高层民用建筑设计防火规范(GB 50045-95)(5) 办公建筑设计规范《JGJ 67-89》;(6) 业主设计任务书及有关回复意见二.室内外设计参数三. 暖通工种设计范围冷热源系统空调末端系统机械通风系统消防防排烟系统节能措施环保设计四.冷热源系统4-1.冷,热负荷,本工程的空调面积为73000m2,,总冷负荷为12070kw,冷指标0.121kw/m2建筑面积。
考虑到业主要求在公寓楼处设分体空调器,则集中式空调的装机容量为7394kw(即2100RT)。
按业主要求, 冬季办公楼及水晶石部分设热风空调,而公寓楼则采用散热片采暖,经计算,办公楼及水晶石部分的冬季空调热负荷为7016kw,而公寓楼的冬季采暖热负荷为4500kw。
由给排水提供的生活热水需求量为3500kw.4-2.冷,热源设置我们在确定负荷标准、系统划分、空调方式等方面,经过了反复讨论,比较,以选取最佳方案。
该工程地区具有规划的蒸汽管网(压力0.4Mpa),通过与业主协商,选择蒸汽型双效吸收式冷水机组700RT型号3台作为冷源,单台蒸汽消耗量为3.542T/h,凝水回收.公寓楼采用分体空调,室外机设于窗外,由建筑立面统一规划。
热源利用热力管网的蒸汽,为防止蒸汽压力波动对负荷侧的影响,选用半蓄热式换热器通过热交换后提供空调以及采暖的热水,空调与采暖水系统各自独立,蒸汽通过容积式换热器换热后提供生活用热水。
4.2.1空调冷源设备B1F 冷冻机房设置双效吸收式冷水机组3台(700USRT x 3台);配备冷冻泵4台(3用一备),设置闭式膨胀水箱为系统定压和补水。
膨胀水箱的补水为经过自动水处理仪的软化水。
冬季的热水泵为与冷冻泵合用,到供暖季节时,通过阀门切换接入空调热水系统。
4.2.2空调冷却水设备冷冻机 配逆流式低噪音空调型冷却塔12台(标准设计条件下单台冷却量240T/h)设于办公楼西侧,一台冷水机组对应四台冷却塔,另配冷却水泵4台(3用1备);公寓楼与办公楼的热交换间均位于地下一层,但分开设置,以保持独立性及便于系统管路平衡。
暖通设计说明要求1、格式要求2、内容及示例2.1、项目概况项目名称:项目地点:项目规模:项目范围及分期情况:2.2、设计依据、标准1)建设方设计要求及认可方案;2)建设方提供的土建建筑图纸及其他相关资料;3)国家现行有关规范;建筑设计防火规范GB 50016-2014高层民用建筑设计防火规范GB 50045-2015气体灭火系统设计规范GB 50370-2005电子信息系统机房施工及验收规范GB 50462-2008电子信息系统机房设计规范GB50174-2008计算机场地安全要求GB/T9361-88民用建筑供暖通风与空气调节设计规范GB/50736-2012全国民用建筑工程设计技术措施暖通空调·动力(2009年版)通风与空调工程施工质量验收规范GB50243-20022.3、室内外设计参数2.3.1、室外气象参数夏季空调室外干球温度:_℃,夏季平均湿球温度:_℃夏季空调极端湿球温度:_℃冬季空调室外干球温度:_℃,冬季空气相对湿度:_%,完全自然冷却空调干球温度:_℃(干冷器自然冷却时填写)完全自然冷却空调湿球温度:_℃(冷却塔自然冷却时填写)2.3.2、室内空调设计参数2.3.3、主要房间通风换气次数2.4、空调冷热负荷本工程空调总冷负荷为_kW(_RT),其中数据中心总冷负荷为_kW(全年制冷),冬季空调热负荷为_kW。
2.5、空调系统2.5.1、冷源部分空调冷源形式及设备配置冗余情况:冷源形式、配置冗余、设置位置、冷源设备供电情况(单/双路、市电/UPS电);空调水系统的供回水温度:冷冻水、冷却水;自然冷却情况:自然冷却的形式、系统运行模式、自然冷却的切换温度;蓄冷罐设置情况:是否设置、设置位置、蓄冷时间、串/并联;冷却水补水池:是否设置、设置位置、蓄水时间。
2.5.2、末端及管路系统末端空调形式及设备配置冗余情况:末端空调形式、配置冗余、设置位置、供电情况(单/双路、市电/UPS电);末端空调的运行工况:供回水温度、回风/送风温度;管路系统:环形管路、阀门设置情况、系统运行模式(平时双路同时供水or 单路供水)。
设计说明一.工程概况:1.本项目为公共文化核心区东区-博物馆。
2.本建筑本工程是以开敞式展厅为主,局部配有商业和办公,以展示**发展历程。
层高分别为:5.4m(地下一层)、7.2m(地上一层)、7。
2m(地上二层)、7。
2m(地上三层)、4.5m(空调机房层).建筑高度:22。
20 m;总建筑面积12657.71m2,其中地上建筑面积为:11904.43m2,地下一层面积:753.28m2。
3.本建筑为多层公共建筑,建筑工程设计等级为一级,耐火等级均为一级。
4.设计内容:空调、通风、防排烟系统.二.设计依据:1.《采暖通风与空气调节设计规范》(GB 50019-2003)2.《建筑设计防火规范》(GB50016-2006)3.《民用建筑设计通则》(JGJ37-87)4.《公共建筑节能设计标准》(DBJ 14-036-2006)5.《民用建筑热工设计规范》(GB 50176-93)6.《建筑给水聚丙烯PPR管道工程技术规程》(DBJ14-BS11—2001)7.国家和地方相关规定、法规及建设单位提供的设计任务书。
三.通风、防排烟系统1.地下一层至三层的中庭、矿冶发展史展厅、钢铁仿真展厅均设机械排烟系统。
消防时排烟风机启动排烟,地上部分自然补风,平时通风由全空气空调系统承担。
2.地上内走廊可开启外窗面积大于本层防火分区面积的2%。
3.地下配电室,制冷机房设机械通风、排烟系统,排风量按每小时6次换气量计算。
平时排风风机低速通风,消防时排烟风机高速排烟。
消防时补风机连锁启动补风.4.当有火灾发生时,由烟感器的讯号送入消防中心或值班人员启动排烟区域的排烟口,同时联动排烟风机,补风机运转。
当排烟温度达到280℃时,排烟风机入口处常开排烟防火阀易熔丝熔断,发出信号使排烟机停止运转。
补风机入口处设70℃常开防火阀,平时火灾时均开启,当送风温度超过70℃时熔断。
排风机入口处设常开防火阀70℃熔断,火灾时关闭.空调风管连接风井、穿越防火分区处均设常开防火阀70℃熔断,火灾时关闭.5.卫生间内设机械排风,排风量均按每小时10次换气量计算。
【最新资料,WORD文档,可编辑修改】XXX医院新病房大楼暖通空调工程施工组织设计编制说明1.本施工组织设计根据XXXXX工程设计院设计的《XXX医院新病房大楼》暖通空调施工图纸所编制。
2.本施工组织设计,编制过程中严格执行国家现行建筑安装工程施工组织验收规范,建筑安装工程施工工艺标准,国家评定标准。
并积极采用了先进的施工技术和施工工艺。
3.本施工组织设计,根据已批准的本工程施工组织总设计编制。
4.本工程施工组织设计是充分研究工程的客观情况,施工特点、重点、难点编制而成。
目录第一章工程概况 (3)第二章编制依据 (4)第三章主要施工组织设计 (5)第一节施工顺序和流向 (5)第二节分项工程的施工方法 (5)一、镀锌铁皮风管制作 (5)二、镀锌铁皮风管安装 (8)三、通风机安装 (11)四、空调器及风机盘管安装 (13)五、空调水系统管道安装 (14)六、空调水系统设备安装 (18)七、风管、风道及部件保温 (19)八、管道防腐与保温 (21)九、空调制冷系统安装 (22)第四章质量保证措施 (24)第一节本专业的质量控制措施 (24)第二节成品保护措施 (30)第五章安全保证措施 (32)第一章工程概况总体概况建筑设计概况:暖通空调系统概况本工程为XXX医院新病房大楼,总建筑面积平米,高度为米,医院性质为综合医院,规模773床,本系统包括空调、通风、防排烟系统。
第二章编制依据甲乙双方签定的工程承包合同;已批准的本工程施工组织设计;工程设计蓝图、图纸会审纪要及设计变更通知等;现行施工及验收规范:建筑暖通空调工程施工质量验收规范火灾自动报警系统施工及验收规范(GB50166-92)参考资料:建筑施工手册(第四版,中国建筑工业出版社)高层建筑施工手册(第二版,中国建筑工业出版社)第三章主要施工组织设计第一节施工顺序和流向一、施工顺序1、管道部分法兰制作风管制作风管安装漏光检测风管保温主管安装风机盘管吊装支管安装冲洗、试压防腐、保温2、机房部分基础复查制冷机就位安装泵、水处理设备及附属设备安装工艺管道安装水压试验防腐保温调试二、施工流向1、在平面上风管按风向制作安装,水管从立管向四周施工。
暖通设计说明一.工程概况建设地点:陕西省西安市本建筑工程为一类高层住宅。
地下一层为设备用房。
地上一至二层为商业服务网点,三至二十一层为住宅。
总建筑高度为98.82米,总建筑面积为19575.27平方米。
二.设计内容本工程施工图设计内容包括采暖、通风、排烟设计。
三.设计依据民用建筑供暖通风与空气调节设计规范GB50736-2012全国民用建筑工程设计技术措施暖通空调动力2009年版高层民用建筑设计防火规范GB50045-95(2005年版)严寒和寒冷地区居住建筑节能设计标准JGJ26-2010甲方对本工程的有关意见及要求四.采暖室内外设计参数1室外计算参数1夏季:35℃空调室外计算干球温度冬季:﹣5.7℃2空调夏季室外计算湿球温度25.8℃3空调冬季室外计算相对湿度66%4夏季:30.6℃通风室外计算干球温度冬季:﹣0.6℃5夏季:959.80hPa大气压力冬季:979.10hPa6冬季供暖室外计算温度﹣3.4℃2室内设计参数室内采暖设计参数客厅,餐厅,卧室20℃;浴室25℃;厨房16℃。
五.节能设计1围护结构热工计算参数外墙:复合墙体传热系数0.57W/m2.℃外窗:塑钢中空玻璃传热系数0.60W/m2.℃屋面:复合屋面传热系数2.7W/m2.℃楼板:复合楼板传热系数0.5W/m2.℃2本工程对每个供暖房间均进行热负荷计算。
3本工程采暖系统入口设置热计量阀组,阀组置于地下室计量小室内。
于每层管井内设置分户热计量装置及水力平衡装置。
可根据用户实际使用情况计费。
房间温度可以分室调节。
六.采暖系统设计1一至十一层为低区,十二至二十一层为高区,一层二层层高4.00米,三层以上层高4.78米。
各采暖系统总热负荷、总阻力及平均热耗指标见下表:采暖系统编号建筑面积(m2)总热负荷(Kw)采暖热指标(W/m2)系统阻力损失(KPa)低区109677466838高区997070871422热源:本工程采暖热源为地下室换热站。
暖通空调工程施工组织安排及施工方法和程序说明1、通风与空调工程施工工艺2、空调水系统安装1)管道安装:空调用水管采用衬塑钢管沟槽加卡箍方式连接。
2)管道组成件及管道支承件必须具有制造厂的质量证明书,其质量不得低于国家现行标准的规定。
3)阀门应从每批中抽取10%,且不少于1个进行强度试验和严密性试验,当不合格时,应加倍抽查,仍不合格时,该批阀门不得使用,阀门的强度试验压力不得小于公称压力的1.5倍,试验时间不得少于5min ,以壳体填料无渗漏为合格;严密性试验宜以公称压力进行,以阀瓣密封面不漏为合格。
4)DN70(含)以下的管道用砂轮锯切割,DN70以上的管道用等离子切割机切割,切口表面应平整,无裂纹、重皮、毛刺、凹凸、缩口等;切口端面倾斜偏差“△”不应大于管子外径的1%,且不得超过3mm 。
5)穿墙及过楼板的管道,应加套管,套管的尺寸应保证管道的保温层能够穿过套管,管道焊缝不宜置于套管内,穿墙套管的长度不得小于墙厚。
穿楼板套管应高出楼面20mm ,穿过屋面的管道应有防水肩和防雨帽,管道与套管之间的空隙应采用不燃材料填塞。
6)支吊架的焊接应由合格焊工施焊,并不得有漏焊、欠焊或焊接裂纹等缺陷,管道与支架焊接时,管子不得有咬边、烧穿等现象。
7)管架紧固在槽钢或工字钢翼板斜面上时,其螺栓应有相应的斜垫片。
8)管子对口时,应在距接口中心200mm 处测量平直度,当管子公称直径小于100mm 时,允许偏差为1mm ;当管子公称直径大于或等于100mm 时,允许偏差为2mm 。
但全长允许偏差为10mm 。
9)管道连接时,不得用强力对口、加偏垫或加多层垫等方法来消除接口端面的空隙、偏斜、错口或不同心等缺陷。
10)管道安装时,不宜使用临时支吊架,当使用临时支吊架时,不得与正式设备基础检查验收空调机房设备稳装 设备配管 水压试压 管道设备保温设备单机试运系统调试 竣工验收 系统冲洗 外管线安装 空调机组和风机盘管安装 设备碰头支吊架冲突,并应有明显标记,在管道安装完后拆除。
暖通施工说明一、引言暖通施工是指在建筑物中进行供暖、通风和空调系统的安装和调试工作。
本文旨在介绍暖通施工的基本步骤和注意事项,以确保施工质量和工程安全。
二、施工前准备1.设计准备:根据建筑物的结构和使用要求,进行暖通系统的设计,包括供暖设备、通风管道和空调设备的选择和布置。
2.材料采购:根据设计要求,采购所需的暖通设备、管道、阀门等材料,并确保质量符合相关标准。
3.人员组织:组织专业的施工人员,包括暖通工程师、电工和焊接工等,确保施工人员具备相应的技能和经验。
三、施工步骤1.施工布线:根据设计图纸,确定供暖管道和通风管道的布置位置,并进行布线。
在布线过程中,要注意管道的坡度、间距和连接方式,以确保系统的正常运行。
2.设备安装:根据设计要求,安装供暖设备、通风设备和空调设备。
在安装过程中,要注意设备的支撑和固定,以防止设备的晃动和漏水等问题。
3.管道连接:根据设计要求,进行管道的连接和焊接。
在连接过程中,要确保连接处的密封性和牢固性,以避免漏水和气体泄漏。
4.电气布线:根据设计要求,进行电气设备的布线和连接。
在布线过程中,要注意电缆的绝缘和接地,以确保电气设备的安全运行。
5.系统调试:完成设备的安装和连接后,进行系统的调试工作。
包括设备的启动和停止测试、温度和湿度的调节测试等,以确保系统的稳定运行。
四、施工注意事项1.安全第一:施工过程中要严格遵守安全规范,佩戴必要的防护装备,并确保施工现场的安全。
2.质量控制:施工过程中要严格按照设计要求进行施工,确保材料和设备的质量合格,并进行必要的质量检测和验收。
3.施工进度:合理安排施工进度,确保施工的顺利进行,避免影响工程的交付和使用。
4.施工记录:施工过程中要做好施工记录,包括施工图纸、材料清单、施工工艺和施工质量等,以方便后续的维护和管理。
五、施工验收在施工完成后,进行暖通系统的验收工作。
包括设备的运行测试、管道的压力测试、温度和湿度的调节测试等,以确保系统满足设计要求和使用需求。
一、编制依据:1、《天津阳光壹佰国际新城采暖通风工程施工图》.2、土建工程的施工进度计划及整体工程的竣工日期。
3、《通风与空调工程施工质量验收规范》(GB50243-2002)4、《建筑给水排水及采暖工程施工质量验收规范》(GB50242—2002)5、《工艺管道施工及验收规范》(GB235-82)6、《压缩机、风机、泵安装工程施工及验收规范》(GB50275—98)7、《建筑安装分项工程施工工艺规程》(DBJ-01-26-96)二、工程概况:(一)土建概况:本工程位于南开区红旗南路北园,由天津阳光壹佰房地产开发公司投资兴建,设计单位是天津市建筑设计院,监理单位是金屋监理公司,由中铁十八局阳光壹佰项目部负责施工。
1、本工程为一类高层建筑、耐火等级一级、抗震烈度为7度(0。
15g)。
2、主要技术经济指标:(1)总建筑面积为68629.87平方米,其中地上为整个建筑呈“一”形布置。
(2)建筑层数:地上18层,为商品住宅用;地下1层,为换热站和地下车库,13与14号楼之间裙房地上2层,地下1层。
建筑标高59.75m。
(3)本建筑为框架剪力墙结构,地下室包括2个换热站、泵房、配电室、值班室、控制室、卫生间等。
(二)通风工程概况1、辅助用房新风、排风管道制作及安装。
2、通风设备安装。
3、排风、消防排烟共用一套设备,厨房使用单独的排烟设备.三、系统简介(一)通风本工程地下车库设机械通风系统,卫生间采用低噪音管道换气扇通风换气。
新风通过新风竖井分布到各楼层及地下室。
排风由排风机箱及风机引到排风竖井并排出室外.(二)防火及防排烟根据规范要求,地下室设置机械排烟系统,空调、通风管道进出机房处,穿越防火墙、楼板处,均设置防火阀。
消防自动控制系统引入消防控制中心;火灾发生时,制冷、空调、通风系统全部停止供电。
消防排烟系统自动开启。
(五)主要材料空调风管采用铝箔隔热加芯板材料制作;通风和消防排烟管采用镀锌薄钢板制作.空调、采暖水管DN≤50采用焊接钢管;DN200采用无缝钢管;其它采用热镀锌钢管.风管阀门用厚钢板制作;各式风口用铝合金材料制作.保温材料采用PEF管壳或板材。
暖通工程施工方案一、空调风系统安装施工工艺1、风管安装(1)风管的安装作业流程:熟悉现场→了解图纸→吊架预→标明支吊架安装位置→安装支吊架→安装风管→安装收尾、整改问题(2)根据现场安装条件确定风管支吊架形式,标明支吊架安装位置,量取支吊架尺寸。
(3)按相关规范要求,制作风管支吊架,在已确定好的位置安装支吊架。
(4)加工好的管段应存放在地面无水的室内,将管段竖起靠拢摆放,并在外围用绳子围绕固定。
将成型风管运至安装现场,被折叠打包的风管在送达现场后应立即打开。
(5)在风管安装、搬运过程中,做好对成品的保护作业,保证安装后风管完好无损。
准备好接口以便现场组装。
洁净的作业表面管道可使风管的安装节省时间并少麻烦。
仅需的准备作业只是清扫一下地面。
不要将管放在粗糙的作业表面上以免损坏或弄脏其表面。
在吊装之前尽量将风管组装好。
为了保证接缝的紧密,在安装之前最好将管段雄口朝下暂时堆积起来,以利于组装。
此工序最多连接3个管段。
水平组装风管时,各管段往一处倾斜,以便在一侧装订和粘贴胶带。
把胶带粘贴到一段风管上,将此风管作为供悬挂用的十字突出部,用滑轮把各管段拉到一起,然后装订粘贴在一起,完成连接。
在某些情况下,可将梯形吊架的一头固定,这样用最少的人力就可以完成大量的安装作业。
(6)现场组装清洁管段表面→切开接口角→翻开折边→修齐对角→连接,组装的管段数最多为3段。
(7)每日安装作业结束后,对现场进行清理,保证现场清洁。
(8)安装全部完成后,对风管系统进行全部检查,查看风管有无损坏,对损坏风管按要求进行修补,对风管支吊架进行调整,保证支吊架满足相关规范要求。
2、零部件制作和装配(1)系统表面无裂逢和穿孔。
任何表面玻璃纤维的破损都应修补。
(2)因系统有很多地方使用密封材料过多,应注意检查,特别是转弯包扎的地方,以及胶带重叠的区域的检查,以确定制作或修补完好。
(3)系统所有接点紧密,没有凸起,胶带密封的部分安装合格。
(4)所有弯折处无堵塞现象,迂回管制作和安装要正确。
目录目录 (1)1学习、了解、达到设计文件深度的意义 (2)1.1满足行业、规范要求 (2)1.2满足施工图审查的要求 (2)1.3满足合同的约定 (3)1。
4满足设备采购和施工的要求 (3)1.5保证暖通空调系统效果、施工质量、运行和维护的要求 (3)1.6明确设计责任、清晰界定设计责任 (3)2施工图设计文件的内容 (3)2.1民用建筑暖通空调专业施工图设计文件内容 (3)3图纸目录 (4)4图例、符号、缩写 (4)5设计说明的内容、深度 (5)5.1工程概况 (5)5.2设计依据 (5)5.3设计范围或设计内容 (5)5。
4设计计算参数 (5)5。
5冷热负荷和冷热源 (5)5.6暖通空调水系统 (6)5.7空调通风系统 (6)5。
8加压送风及消防排烟系统 (7)5。
9暖通空调自动控制 (7)5。
10节能专篇 (8)5.11环保措施 (8)6施工说明的内容、深度 (8)6.1施工说明的内容 (8)6。
2水管系统的施工说明 (8)6.3风管系统的施工说明 (8)6.4图中尺寸、标高的表示或标注方法 (8)6。
5设备采购要求及注意事项 (8)6.6施工安装要求及注意事项 (9)6.7采用的标准图集、施工及验收依据 (9)7暖通空调主要设备表 (9)8暖通空调施工系统图设计 (10)8。
1散热器供暖热水系统示意图 (10)8.2地板辐射供暖热水系统示意图 (10)8。
3冷热源系统原理示意图 (11)8.4空调水立管系统示意图 (11)8。
5空调水系统原理示意图 (11)8。
6暖通空调设备控制原理要求示意图 (11)8。
7暖通空调系统图的内容及深度 (11)9暖通空调平面施工图设计 (11)9.1建筑底图 (11)9.2暖通空调系统设备管道平面图表示内容 (12)9.3空调通风系统平面图标注 (12)9。
4关于配合室内装修设计的问题 (13)10空调机房详图施工图设计 (13)10.1机房详图的一般要求 (13)10.2平面详图的基本式样和标注 (13)10.3剖面详图的基本式样和标注 (13)11图纸会签注意事项: (14)11。
暖通设计说明一、设计依据(一)中华人民共和国工程建设标准强制性条文-房屋建筑部分(2013年)(二)《建筑设计防火规范》 GB50016-2014(2018版)(三)《建筑防烟排烟系统技术标准》(GB51251-2017)(四)《民用建筑供暖通风与空气调节设计规范》(GB50736-2012)(五)《建筑节能与可再生能源利用通用规范》 GB55015-2021(六)《公共建筑节能设计标准》(GB 50189-2015)(七)《房间空气调节器能效限定值及能效等级》(GB21455-2019)(八)《通风与空调工程施工质量验收规范》 (GB50243-2016)(九)《多联机空调系统工程技术规程》 (JGJ174-2010)(十)《建筑机电工程抗震设计规范》 GB50981-2014(十一)《建筑与市政工程抗震通用规范》 GB55002-2021二、工程概况略三、设计范围空调、通风及防排烟系统设计。
四、室内外主要设计计算参数(一)室外设计参数(福建省宁德市)(二)空调室内设计参数(三)通风设计参数五、空调系统1、冷热源:本项目1#楼培训中心、检修生活服务中心,冷负荷3000kw,冷指标150W/m2,热负荷2600kw,热指标130W/m2;2#楼公众沟通中心,冷负荷450kw,冷指标280W/m2,热负荷380kw,热指标220W/m2;3#楼多功能厅冷负荷200kw,冷指标300W/m2,采用风冷模块冷热水机组,机组放置于室外绿化地带。
4#、5#、6#楼专家楼单栋冷负荷50kw,冷指标180W/m2,热负荷40kw,热指标150W/m2,采用多联机系统,室外机放置于室外绿化地带。
其他室内发热量较大或有室温要求的设备用房及其控制室、电梯机房等另设变制冷剂流量多联分体式空调系统或分体式空调器。
冷源在室外,采用直埋敷设。
管道材质详见第十项,风管材质及保温、防腐。
2、空调水系统:空调冷热水系统采用闭式机械循环,竖向管道采用二管制。
【施工说明中先写以下内容】4. 暖通管线抗震支撑系统4.1 规范依据:《建筑抗震设计规范》(GB 50011-2010)第1.0.2条、第3.7.1条;《建筑机电工程抗震设计规范》(GB 50981-2014)第1.0.4条、5.1.4条。
4.2 具体要求和施工大样详见暖通空调抗震专项设计施工说明。
暖通空调抗震专项设计施工说明一、设计依据1、依据《建筑抗震设计规范》(GB 50011-2010),3.7.1(强条)非结构构件,包括建筑非结构构件和建筑附属机电设备,自身与结构主体的连接应进行抗震设计;2、依据《建筑机电工程抗震设计规范》(GB 50981-2014),1.0.4(强条)抗震设防烈度为6度及6度以上地区的建筑机电工程必须进行抗震设计。
二、专业要求1、设计范围:≥DN65的空调水管或重力超过1.8kN的其它设备,截面面积≥0.38m^U2^U或直径大于0.7m的空调风管,所有防排烟管道、事故通风管道及其设备(强条);2、对于重力小于1.8kN的设备或吊杆长度小于300mm的悬吊管道可不进行抗震设计;3、8度及以上抗震设防建筑,设备与结构的连接应直接锚固于结构主体,否则应设置防滑构件,由设备厂家根据规范要求计算;4、间距要求:刚性管道(金属管道)侧向抗震支吊架间距不得超过12m,纵向抗震支吊架不得超过24m;柔性管道(非金属管道)侧向抗震支吊架间距不得超过6m,纵向不得超过12m。
风管侧向间距不得超过9m,纵向抗震支吊架不得超过18m。
三、设计要求1、抗震支吊架初设间距应满足《建筑机电工程抗震设计规范》(GB 50981-2014)第8.2.3条要求,并满足表8.2.3规定;2、计算:水平地震力综合系数按《建筑机电工程抗震设计规范》(GB 50981-2014)第8.2.4要求计算,当计算结果不足0.5时取0.5,超过0.5按实际计算值;3、抗震节点布置:根据《建筑机电工程抗震设计规范》(GB 50981-2014)第8.3章节要求设置。
暖通空调施工设计说明(一)1.设计依据:1.1《采暖通风与空气调节设计规范》GB50019-20031.2《民用建筑供暖通风与空气调节设计规范》GB50736-20121.3《高层民用建筑设计防火规范》GB50045-95(20051.4《建筑设计防火规范》GB50016-20061.5《汽车库、修车库、停车场设计防火规范》GB50067-971.6《公共建筑节能设计标准》GB50189-20051.7《中华人民共和国工程建设标准强制性条文》20091.8《通风管道技术规程》JGJ141-20041.9《通风与空调工程施工质量验收规范》GB50243-20021.10建筑和有关工种提供的作业图和有关资料1.11建设单位提供的本工程有关资料和设计任务书1.12国家现行的其它规范、标准、规程、规定及图集1.13方案及扩初设计审批意见及甲方内部自审意见1.14《福建省高层建筑防火设计指导意见》1.15《关于明确建筑防火设计审核有关问题的通知(172号文件)》1.16《石狮泰禾广场(二期)消防性能化设计报告(第5版)》1.17《石狮泰禾广场(二期)消防性能化设计评估复核报告(第5版)》1.18闽公消网[2014]142号文件的附件《石狮泰禾广场(二期)建设工程消防设计专家评审会纪要》1.19关于同意石狮泰禾广场(二期)建设工程采用消防性能化设计评估的批复(闽公消网[2014]62号文件)2.工程概况:2.1.工程名称:石狮泰禾广场(二期)2.2工程地点:石狮市宝岛路南侧长福段,南向为市府南路,北临宝岛中路,东西向均为规划路。
2.3建设单位:石狮泰禾广场投资有限公司2.4建筑规模与功能:本工程名称石狮泰禾广场(二期),二期10#楼1~7层为商业综合体,地下一层局部为车库,局部为超市,地下超市与下沉式店面通过下沉式广场或防火隔间相连,地下二层为机动车库及设备间。
本次设计内容为10#上部。
3.设计范围:3.1本设计范围包括10#楼的空调、通风及防排烟(本说明仅适用于10#楼上部通风及防排烟,10#楼上部及地下一层永辉超市空调系统。
地下室通风及防排烟说明详工程编号1311-D2施工图N-01的V2.0版)。
3.2地下一层永辉超市特殊区域如生鲜、熟食、面包房等的通风与排气系统,均由永辉自行设计与安装;本次施工图纸仅按超市提供的职责清单的要求配合预留所需的竖井。
3.3六层、七层影院的中央空调系统,由影院自行负责设计与安装;本次施工图纸仅配合在六层屋面预留空调风冷机组的位置。
3.4影院的特殊通风系统,如放映室设备的通风,由影院根据自身的设备要求,进行设计和安装。
需要本次施工图配合预留的管井和室外通风口的,根据影院方提供的书面技术文件,本专业配合土建按要求预留到位。
3.5因其运营时间的特殊性并方便独立计费,KTV设置独立的中央空调系统,由KTV自行负责设计与安装;本次施工图纸仅配合在六层屋面预留空调风冷机组和室内的空调机房的位置。
4.室内外设计计算参数(厦门地区):4.1室外气象参数:夏季通风室外计算温度31.3%%DC夏季空气调节室外计算(干球)温度33.5%%DC夏季空气调节室外计算湿球温度27.5%%DC夏季平均室外风速3.1m/s夏季大气压力994.5hPa4.2室内设计参数5.空调系统5.1冷热源:5.1.1.根据建设单位要求,本项目一~七层商业部分(不含室外步行街两侧可售商业店面)设置一套夏季中央空调系统(冬季不采暖)。
夏季空调总逐时计算冷量为13440kW,考虑10%的附加冷量,并考虑0.9的同时使用系数,空调总冷负荷为:13305.6kw,冷源由3台水冷离心式冷水机组,单台制冷量3869kW;和一台水冷离心式冷水机组,单台制冷量1934kW提供,夏季空调供回水温度为7/12%%dC。
冷冻机房设于B2层,并靠近商业MALL的负荷中心区域。
5.1.2室外步行街两侧的销售商铺营业时间不同于购物中心,空调系统采用分体空调,每间店铺独立设置,电气专业预留电源插座。
5.1.3消防控制中心、通讯中心、电话电视机房、电梯机房、垃圾间等处设置分体空调,电气专业预留电源插座。
5.1.4应甲方要求,本项目地下一层永辉超市采用独立的水冷中央空调系统,冷冻机房设于B2层。
夏季空调总逐时计算冷量为2109kW,考虑10%的附加冷量,并考虑0.9的同时使用系数,空调总冷负荷为:2088kw,冷源由2台水冷螺杆式冷水机组,单台制冷量1044kW提供,夏季空调供回水温度为7/12%%dC。
5.1.5六、七层影院及KTV分别在屋面预留风冷冷水机组的位置和用电量;系统均由二次业主另行委托设计。
5.2空调水系统:5.2.1各空调冷冻水系统均分别设置独立的高位膨胀水箱定压,膨胀水箱均设于本系统最高处。
冷却水系统详水施。
5.2.2空调冷冻水系统均采用一次泵变水量两管制系统。
末端安装电动两通阀,机房内设压差控制器和电动水量调节阀。
为防止空调冷冻水系统结垢,保证冷水机组高效运行,在水系统环路上设置电子水处理仪。
5.2.3冷冻水系统均为异程布置。
裙房空调系统根据建筑平面功能及区位分为4个供回水环路,在冷冻机房各个环路的主回水管路上设有数字锁定静态平衡阀;每层与冷冻水立管连接的回水干管上均设有数字锁定静态平衡阀。
5.2.4冷冻水管按0.3%%%的坡度坡向立管方向,并在每层水管最高处(以及管道交叉时水管爬高处设)放气阀,系统最低处设放水阀。
5.2.5冷凝水管之水平管段按不小于0.01的坡度坡向排水口;组合式空气处理机组冷凝水管应设100mm高差水封,并就近接至机房内地漏。
冷凝水水平干管始端均设有清扫口,冷凝水立管系统及排放详水施。
5.2.6每台冷冻水泵上设置耗电量计量装置,冷冻机房的主供回水管上设置冷量表,对空调水系统的耗电量及供冷量精确计量。
5.3空调风系统:5.3.1大型主力店(如快时尚、成人游乐等)每个主力店设置独立的全空气系统,过渡季节可采用全新风模式运行以达到节能目的。
落地式组合风柜设于楼层专用空调机房内。
为保证空调区的风量平衡,每间主力店另设空调排风机。
5.3.2小型商业店铺、餐饮均采用风机盘管加新风的空调方式;风机盘管设于吊顶内,新风机组设于专用空调机房内。
餐饮区的新风作为厨房平时通风补风,直接进入餐饮厨房区内后排出室外。
5.3.3中庭及公共走廊按层分区设置全空气空调系统,每层设置4~6个全空气系统。
过渡季节可采用全新风模式运行以达到节能目的。
落地式组合风柜设于楼层专用空调机房内。
为保证中庭空调区的风量平衡,在中庭顶部设置3台排风机。
平时开启一台排风机,过渡季节全新风运行时,根据新风的引入量开启2台或3台排风机。
5.3.4公共卫生间设置风机盘管以提高卫生间舒适度。
5.3.5所有空调风口均配合精装修,采用上送或设侧送风口,集中回风;中庭主送风管设置在临街商铺靠近中庭一侧,并采用沿商铺高位向中庭侧送风的气流组织形式(最终送风形式及风口位置根据精装修设计最后确定),回风集中设置。
5.3.6风机盘管侧送风的除特殊注明外均采用普通型(≥12Pa);其它风机盘管均采用高静压型(≥30Pa)。
每台室内机或风机盘管接管端需留450x450检修口。
6.联锁、节能及自控:6.1根据业主对本工程的使用要求及为更多地节省能源,本设计设有与本工程级别相适应的空调通风自动控制系统。
6.2本工程的空调通风自动控制系统采用直接数字控制系统(DDC系统),由中央计算机等终端设备加上若干现场控制分站和传感器、执行器等组成。
控制系统的软件功能应包括:最优化启停、PID控制、时间通道、设备台数控制、动态图形显示、各控制点状态显示、报警及打印、能耗统计、各分站的联络及通讯功能。
6.3冷热水系统采用冷量优化控制冷水机组的运行台数。
6.4本工程空调水系统采用一次泵变水量系统,通过冷热水供、回水总管之间的电动旁通阀控制冷热水供、回水总管的压差,使系统稳定。
要求电动旁通阀的理想特性为直线型特性,常闭型。
6.5新风机组、空调机组的风机、电动水阀及电动新风阀应进行电气联锁,启动顺序为:水阀——电动新风阀——风机,停车时顺序相反。
6.6新风机组、空调机组控制送风温度:送风温度通过控制冷热水回水电动二通阀来实现,电动二通阀的理想流量特性为等百分比特性,常闭型。
6.7风机盘管的控制由室温调节器加风机三速开关及电动二通阀组成。
电动二通阀采用双位式,常闭型,弹簧复位。
6.8所有设备应能就地启停。
同时,除少数就地使用的风机(或排风扇)、风机盘管及分体空调外,大部分设备也能在自控室通过中央计算机进行远距离启停。
6.9事故通风根据发散物的种类,设置相应的检测报警及控制系统。
在室内、外便于操作的地点分别设置事故通风的手动控制装置,以便一旦发生紧急事故,使其能够立即投入运行。
7.通风系统:7.1通风场所:本工程通风场所包括:地下车库、变电所、水泵房、电梯机房、卫生间及厨房等。
7.2换气次数:地下机动车库:6次/小时;泵房及冷冻机房:8次/小时;电梯机房:15次/小时;公共卫生间、污废水间、洗碗间、发电机房储油间:12次/小时;厨房:40次/小时;厨房事故通风:12次/小时,气体灭火事后通风:12次/小时;垃圾间:20次/小时。
柴油发电机房按厂家提供的技术参数设计送排风系统;其他配电间按10~12次/小时计算通风量。
7.3所有的餐饮均设有通往屋面的排油烟专用竖井和事故通风井,事故通风换气按不小于12次/h。
事故排风机与厨房不工作时的通风共用一台风机,并利用餐厅的新风作为厨房平时及事故排风时的补风,不足补分通过在外墙留有适当的百叶供厨房通风时的进风使用。
厨房的排油烟风机、事故排风机及补风机本次均设计到位,排油烟风管由业主自行接入排油烟罩进行排油烟。
7.4所有的设备用房均按防火分区设置独立的通风系统,通风量按上述换气次数进行设计。
8.防排烟系统:8.1机械加压送风防烟系统:1)不具备自然排烟条件的防烟楼梯间及其前室、消防电梯间前室或合用前室分别设置各自独立的机械加压送风防烟系统。
加压风量根据疏散门洞口风速不小于0.7米/秒的原则计算,并不小于《高规》表3.3-1~4的要求。
2)剪刀楼梯间的加压送风系统各自独立设置,风机及管井均独立设置。
3)地上防烟楼梯间及前室:采用楼梯间送风、前室不送风的形式,风机设于屋面。
地下楼梯间及前室:采用楼梯间送风、前室不送风的形式,加压风机吊装于一层室外区域的楼板下的设备夹层机房内。
地上、地下在同一位置的防烟楼梯间:加压送风系统共用风机及管井。
总的加压送风量按地上部分楼梯间风量的130%计算。
风机设于屋面。
楼梯间内设自垂式百叶风口,火灾发生后,由消控中心或就地开启加压送风机对整个楼梯间送风。
4)消防电梯前室或合用前室在每层设一个常闭型加压送风口。