土工织物铺设单元工程施工质量验收评定表
- 格式:docx
- 大小:13.64 KB
- 文档页数:3
土工布铺设检验批质量验收记录表单 位 工 程 名称舟曲县灾后应急2#弃渣场(虎家崖)工程分 部 工 程 名称库区防渗工程检验日期年 月日分项工程名称、部位0+000—0+100评定日期年 月日项 次项目名称质 量 标 准检 验 结 果评 定检查项目1土工布质量符合设计要求经检查合格证和检验报告,土工布质量符合设计要求合格2平整压实场地基面上无带尖棱硬物,填平坑凹,平整土面,或修好坡面3备 料按工程要求裁剪、拼幅;避免织物被损伤和受脏物污染按工程要求裁剪、拼幅;无损伤和污染现象合格4铺 设符合设计要求铺设平整,坡面上的铺设方向与坡面一致,无石块、土块、水等进入。
合格5回 填回填料不得含有损于织物的物质,其压实符合设计要求回填土料为粘性土,压实符合设计要求合格土工布总测合格点数合格检测项目1搭接宽度75±15点数率合格504896%2土工布锚固符合设计要求总测点数合格点数合格率合格403792.5%检 测 情 况检测总点数 90 个,合格点数 85个,合格率94.4 %施工单位自评意见质量等级监理单位复核意见核定质量等级检查项目均符合质量标准,检测项目总检测点合格率为 94.4 %合格施工单位名称兰州市第一建筑工程公司第四分公司监理单位名称甘肃省建设监理公司第五项目部初检负责人复检负责人终检负责人年 月 日年 月 日年 月日核定人年 月 日土工布铺设检验批质量验收记录表单 位 工 程 名称舟曲县灾后应急2#弃渣场(虎家崖)工程分 部 工 程 名称库区防渗工程检验日期年 月日分项工程名称、部位0+100—0+230评定日期年 月日项 次项目名称质 量 标 准检 验 结 果评 定检查项目1土工布质量符合设计要求经检查合格证和检验报告,土工布质量符合设计要求合格2平整压实场地基面上无带尖棱硬物,填平坑凹,平整土面,或修好坡面3备 料按工程要求裁剪、拼幅;避免织物被损伤和受脏物污染按工程要求裁剪、拼幅;无损伤和污染现象合格4铺 设符合设计要铺设平整,坡面上的铺设方向与坡面一致,无石块、土合格求块、水等进入。
分项工程质量检验评定汇总表单位工程:XXXXX护岸工程2008年11月1日隐蔽/分项工程报验单表A.0.1—7 监A-07本表由承包人填报,一式三份,经监理审批后,业主、监理、承包人各一份。
隐蔽工程验收记录表G.8.2 施工单位:XXXXX有限公司(土工布)质量检验评定表单位工程:XXXXX护岸工程分部工程:堤身分项工程:土工布铺设部位:K1+333.07~K1+633段数量:2008年5月22日隐蔽/分项工程报验单表A.0.1—7 监A-072合格3不合格监理工程师:日期:本表由承包人填报,一式三份,经监理审批后,业主、监理、承包人各一份。
隐蔽工程验收记录表G.8.2 施工单位:XXXXX有限公司(土工布)质量检验评定表单位工程:XXXXX护岸工程分部工程:堤身分项工程:土工布铺设部位:K1+633~K1+933段数量:2008年5月24日隐蔽/分项工程报验单表A.0.1—7 监A-07监理工程师验收意见:经检查质量等级:1优良2合格3不合格监理工程师:日期:本表由承包人填报,一式三份,经监理审批后,业主、监理、承包人各一份。
隐蔽工程验收记录表G.8.2 施工单位:XXXXX有限公司(土工布)质量检验评定表单位工程:XXXXX护岸工程分部工程:堤身分项工程:土工布铺设部位:K1+933~K2+233段数量:2008年5月27日隐蔽/分项工程报验单表A.0.1—7 监A-07按合同文件和规范要求,已完成 K2+233~K2+533段土工布铺设隐蔽/分项工程,并经自检合格,报请查验。
附件:自检资料(隐蔽工程验收记录,分项工程质量检验评定表)承包人:XXXXX有限公司负责人:日期:2008.6.4监理工程师验收意见:经检查质量等级:1优良2合格3不合格监理工程师:日期:本表由承包人填报,一式三份,经监理审批后,业主、监理、承包人各一份。
隐蔽工程验收记录表G.8.2 施工单位:XXXXX有限公司(土工布)质量检验评定表单位工程:XXXXX护岸工程分部工程:堤身分项工程:土工布铺设部位:K2+233~K2+533段数量:2008年6月4日隐蔽/分项工程报验单表A.0.1—7 监A-07本表由承包人填报,一式三份,经监理审批后,业主、监理、承包人各一份。
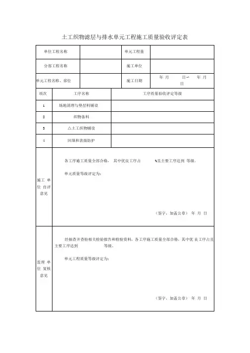
表1.16 土工织物滤层与排水单元工程施工质量验收评定表韩城市澽河下游综合治理单元工程量单位工程名称Ⅱ标及灌溉改造工程橡胶坝及上游第一分部分部工程名称施工单位陕西水利水电工程集团有限公司铺盖年月日~年月单元工程名称、部位施工日期日工序名称项次工序质量验收评定等级场地清理与垫层料铺设1织物备料2△土工织物铺设 3回填和表面防护4各工序施工质量全部合格,其中优良工序占__%,且主要工序达到__等级。
施单元质量等级评定为单自意技术负责人经抽查并查验相关检验报告和检验资料各工序施工质量全部合格其中优良工序且主要工序达到__等级监单单元工程质量等级评定为复意监理工程师:对重要隐蔽单元工程和关键部位单元工程的施工质量验收评定应有设计、建设等单位的表签字,具体要求应满SL17200的规定:本表所填“单元工程量”不作为施工单位工程结算计量的依据表1.16.3 土工织物铺设工序施工质量验收评定表韩城市澽河下游综合治理及灌溉单位工程名称工序名称Ⅱ标改造工程分部工程名称施工单位陕西水利水电工程集团有限公司施工日期年月日~年部位单元工程名称、月日检查(测)记录合格率合格数检验项目质量标准项次要合艺符工织土工物铺设求,平顺、松紧适度、无皱褶, 1 铺设与土面密贴;场地洁净,无污物污染,施工人员佩带满足现场操作要求主控搭接或缝接符合设计要求,项;平地搭缝接宽度不小于10cm 目;不平整场接宽度不小于30cm 不小土极或 2拼接软搭接宽度于地;水下及受水流冲击部位50c应采用缝接,缝接宽度不小25c,且缝成两道锚固型式以及坡面防滑钉设置符合设计要求。
水平铺周边锚1时其周边宜将土工织物延长折,做成压枕的型,且不合格点不集中合格,一般项目逐项检验点的合格率_100主控项目检验布施单工序质量等级评定为自意技术负责人经复核,主控项目检验点100%合格,一般项目逐项检验点的合格率__%,且不合格点不集中分布。
监理工序质量等级评定为:单位复核意见监理工程师:日月年表1.16.3 土工织物铺设工序施工质量验收自检表韩城市澽河下游综合治理及灌单位工程名称工序名称溉改造工程Ⅱ标分部工程名称施工单位陕西水利水电工程集团有限公司单元工程名称、部位施工日期年月日~年月日检查(测)记录项次检验项目设计值质量标准土工织物铺设工艺符合要求,平顺、松紧适度、无皱褶,1铺设与土面密贴;场地洁净,无污物污染,施工人员佩带满足现场操作要求主控项搭接或缝接符合设计要求,;平地10c缝接宽度不小;不平整30c接宽度不小接不2拼;水下及受水流冲击部50c应采用缝接,缝接宽度不小25c,且缝成两道锚固型式以及坡面防滑钉设置符合设计要求。
表73土工织物铺设工序施工质量验收评定表序号施工项目检验项目合格标准验收结果1材料验收1.材料种类、规格齐全齐全无破损、规格符合设计要求符合2.材料标识清晰标识清晰符合3.材料质量合格无明显缺陷,符合相关标准要求符合2土工织物摊铺1.织物卷宽度、长度符合设计要求宽度、长度符合设计要求符合2.摊铺平整、饱满织物表面平整、紧密,无皱褶、浪卷等缺陷符合3.粘贴胶带牢固胶带与织物结合紧密,无脱落现象符合3织物连接1.连接牢固,无脱线连接处结构紧密,无明显脱线现象符合2.连接牢固,无脱落连接处胶带与织物结合紧密,无明显脱落现象符合4墩体固定1.墩体固定牢固,无松动墩体与基础结合紧密,无明显松动现象符合2.墩体高度、位置符合设计要求高度、位置符合设计要求符合5管道穿越1.穿越孔边缘整齐,无裂缝穿越孔边缘整齐,无明显裂缝符合2.管道保护措施到位管道周围织物保护措施到位,无破损现象符合6织物修补金属1.修补牢固,结构紧密修补处与织物结合紧密,无明显脱落现象符合2.修补材料符合要求修补材料牢固,符合相关标准要求符合7翻仓挡土墙(台球座)1.挡土墙稳定挡土墙稳定,无塌方现象符合2.挡土墙高度、厚度符合设计要求高度、厚度符合设计要求符合8交接处施工1.交接处牢固,无缝隙交接处结构牢固,无明显缝隙符合2.交接处材料质量合格交接处材料无明显缺陷,符合相关标准要求符合9现场清理1.现场清理到位土工织物铺设现场整洁,无杂物符合2.废弃材料堆放规范废弃材料堆放整齐,无乱堆现象符合以上是土工织物铺设工序的施工质量验收评定表。
根据表中的检验项目和合格标准,对每个施工项目进行验收,并在验收结果栏中标记“符合”或“不符合”。
只有当所有检验项目均符合合格标准时,整个土工织物铺设工序的施工质量才能被评定为合格。
如果有任何一个检验项目不符合合格标准,则整个土工织物铺设工序的施工质量将被评定为不合格,需要进行重新的施工和验收。
此表的目的是确保土工织物铺设工序的施工质量达到设计要求,以确保土工织物的使用效果和使用寿命,同时也有助于施工方和监理单位在施工过程中进行质量控制和管理,及时发现和解决问题,确保施工质量的稳定和可靠性。
水利水电工程单元工程施工质量验收评定标准--土石方工程(SL631-2012)----------------------------------------------------------------单元工程施工质量验收评定表格(1)市水利水电工程监理2013年6月目录表1.1 土方开挖单元工程施工质量验收评定表 (1)表1.1-1 表土及土质岸坡清理工序施工质量验收评定表 (2)表1.1-2 软基和土质岸坡开挖工序施工质量验收评定表 (3)表1.2 岩石岸坡开挖单元工程施工质量验收评定表 (4)表1.2-1 岩石岸坡开挖工序施工质量验收评定表 (5)表1.3 岩石地基开挖单元工程施工质量验收评定表 (6)表1.3-1 岩石地基开挖工序施工质量验收评定表 (7)表1.3-2 地质缺陷处理工序施工质量验收评定表 (8)表1.4 岩石洞室开挖单元工程施工质量验收评定表 (9)表1.5 土质洞室开挖单元工程施工质量验收评定表 (11)表1.6 土料填筑单元工程施工质量验收评定表 (12)表1.6-1 土料填筑结合面处理工序施工质量验收评定表 (13)表1.6-2 土料填筑卸料及铺填工序施工质量验收评定表 (14)表1.6-3 土料填筑土料压实工序施工质量验收评定表 (15)表1.6-4 土料填筑接缝处理工序施工质量验收评定表 (16)表1.7 砂砾料填筑单元工程施工质量验收评定表 (17)表1.7-1 砂砾料填筑砂砾料铺填工序施工质量验收评定表 (18)表1.7-2 砂砾料填筑砂砾料压实工序施工质量验收评定表 (19)表1.8 堆石料填筑单元工程施工质量验收评定表 (20)表1.8-1 堆石料填筑堆石料铺填工序施工质量验收评定表 (21)表1.8-2 堆石料填筑堆石料压实工序施工质量验收评定表 (22)表1.9 反滤(过渡)料填筑单元工程施工质量验收评定表 (23)表1.9-1 反滤(过渡)料铺填工序施工质量验收评定表 (24)表1.9-2 反滤(过渡)料压实工序施工质量验收评定表 (25)表1.10 垫层单元工程施工质量验收评定表 (26)表1.10-1 垫层料铺填工序施工质量验收评定表 (27)表1.10-2 垫层料压实工序施工质量验收评定表 (28)表1.10-2-1 垫层料压实工序中防护层检验项目检查表 (29)表1.11 排水单元工程施工质量验收评定表 (30)表1.12 干砌石单元工程施工质量验收评定表 (31)表1.13 水泥砂浆砌石体单元工程施工质量验收评定表 (32)表1.13-1 水泥砂浆砌石体层面处理工序施工质量验收评定表 (33)表1.13-2 水泥砂浆砌石体砌筑工序施工质量验收评定表 (34)表1.13-2-1 水泥砂浆砌体表面砌缝宽度检查表 (35)表1.13-2-2 浆砌石坝体外轮廓尺寸偏差检查表 (36)表1.13-2-3 浆砌石墩、墙砌体位置、尺寸偏差检查表 (37)表1.13-2-4 浆砌石溢洪道溢流面砌筑结构尺寸偏差检查表 (38)表1.13-3 水泥砂浆砌石体伸缩缝(填充材料)工序施工质量验收评定表 (39)表1.14 混凝土砌石体单元工程施工质量验收评定表 (40)表1.14-2 混凝土砌石体砌筑工序施工质量验收评定表 (41)表1.14-2-1 细石混凝土砌体表面砌缝宽度检查表 (42)表1.15 水泥砂浆勾缝单元工程施工质量验收评定表 (43)表1.15 土工织物滤层与排水单元工程施工质量验收评定表 (44)表1.15-1 场地清理与垫层料铺设工序施工质量验收评定表 (45)表1.15-2 织物备料工序施工质量验收评定表 (46)表1.15-3 土工织物铺设工序施工质量验收评定表 (47)表1.15-4 回填和表面防护工序施工质量验收评定表 (48)表1.16 土工膜防渗单元工程施工质量验收评定表 (49)表1.16-2 土工膜备料工序施工质量验收评定表 (50)表1.16-3 土工膜铺设工序施工质量验收评定表 (51)表1.16-4 土工膜与刚性建筑物或周边连接处理工序施工质量验收评定表 (52)水利水电工程表1.1 土方开挖单元工程施工质量验收评定表水利水电工程表1.1-1 表土及土质岸坡清理工序施工质量验收评定表水利水电工程表1.1-2 软基和土质岸坡开挖工序施工质量验收评定表水利水电工程表1.2 岩石岸坡开挖单元工程施工质量验收评定表水利水电工程表1.2-1 岩石岸坡开挖工序施工质量验收评定表水利水电工程表1.3 岩石地基开挖单元工程施工质量验收评定表水利水电工程表1.3-1 岩石地基开挖工序施工质量验收评定表表1.3-2 地质缺陷处理工序施工质量验收评定表表1.4 岩石洞室开挖单元工程施工质量验收评定表表1.4(续表)表1.5 土质洞室开挖单元工程施工质量验收评定表表1.6 土料填筑单元工程施工质量验收评定表水利水电工程表1.7 砂砾料填筑单元工程施工质量验收评定表水利水电工程表1.8 堆石料填筑单元工程施工质量验收评定表水利水电工程表1.9 反滤(过渡)料填筑单元工程施工质量验收评定表水利水电工程表1.10 垫层单元工程施工质量验收评定表水利水电工程表1.10-1 垫层料铺填工序施工质量验收评定表表1.10-2 垫层料压实工序施工质量验收评定表表1.10-2-1 垫层料压实工序中防护层检验项目检查表表1.11 排水单元工程施工质量验收评定表表1.12 干砌石单元工程施工质量验收评定表表1.13 水泥砂浆砌石体单元工程施工质量验收评定表水利水电工程表1.13-1 水泥砂浆砌石体层面处理工序施工质量验收评定表水利水电工程表1.13-2-1 水泥砂浆砌体表面砌缝宽度检查表表1.13-2-2 浆砌石坝体外轮廓尺寸偏差检查表表1.13-2-3 浆砌石墩、墙砌体位置、尺寸偏差检查表表1.13-2-4 浆砌石溢洪道溢流面砌筑结构尺寸偏差检查表表1.13-3 水泥砂浆砌石体伸缩缝(填充材料)工序施工质量验收评定表水利水电工程表1.14 混凝土砌石体单元工程施工质量验收评定表表1.14-2 混凝土砌石体砌筑工序施工质量验收评定表表1.14-2-1 细石混凝土砌体表面砌缝宽度检查表表1.15 水泥砂浆勾缝单元工程施工质量验收评定表表1.15 土工织物滤层与排水单元工程施工质量验收评定表表1.15-1 场地清理与垫层料铺设工序施工质量验收评定表。
土工布铺设分项工程质量评定表正式资料doc正式版文档资料可直接使用,可编辑,欢迎下载土工布铺设施工方案5。
1施工准备5。
1.1技术准备1、详细阅读设计文件,准确理解设计采用土工合成材料在地基加固中的作用。
2、详细阅读地质勘察报告,了解原地基土层的工程特性、土质及地下水对拟使用的土工合成材料的腐蚀和施工影响。
3、对拟用的回填土、石作检验,确保符合设计要求。
4、根据设计要求和土工合成材料特性及现场施工条件编制施工方案。
5、对操作人员进行书面技术、安全交底。
5.1。
2材料准备1、根据设计要求及施工现场情况,制定土工合成材料的采购计划;2、选择回填土、石的来源地;3、土工合成材料进场时,应检查产品标签、生产厂家、产品批号、生产日期、有效期限等,并取样送检;4、根据施工方案将土工合成材料提前裁剪拼接成适合的幅片备用;5、准备好土工合成材料的存放地点,防止土工合成材料进场后受阳光直接照射暴晒。
6、土工膜原材料采购及质量检查,采购选用信誉好产品质量稳定的厂家生产的产品,产品进场后,质检人员首先检查出厂合格证和产品外观质量,在确信产品外观质量和产品合格证及相关说明文件一致时,将产品卸入专用库房内,用防水、防晒蓬布覆盖,主要防止太阳暴晒,HDPE土工膜存放在距地面300~500mm 枕木上.5.1。
3 机具准备1、土工合成材料缝合机;2、水准仪、钢尺等测量仪器工具。
5.1.4作业条件1、土工合成材料验收合格;2、回填砂、碎石土试配试验合格,准备的材料可满足连续施工;3、地基执力层经相关单位共同验收符合设计要求;4、对施工操作人员的技术、安全交底已完成;5、工合成材料铺设基层处理(原土压实,无尖锐物)合格。
5。
2。
土工布铺设工艺流程5。
2。
1土工布的铺设工艺流程工布的铺设工艺流程如下图4。
2。
1—1:Array 5.2.2 储存、运输和处理土工布土工布卷在安装展开前要避免受到损坏。
土工布卷应该堆放于经平整不积水的地方,堆高不超过四卷的高度,并能看到卷的识别片。
单位工程名称工序编号
分部工程名称施工单位
单元工程名称、部位施工日期年月日-- 年月日
项次检验项目质量要求检查记录合格数合格率
主控项目1
回填材料质
量
回填材料性能指标符合设计要
求,且不应含有损坏织物的物质2 回填时间
及时,回填覆盖时间超过48h应
采取临时遮阳措施
一
般项目1
回填保护层
厚度及压实度
符合设计要求,厚度允许偏差
0~5cm,压实度符合设计要求
施工单位自评意见
主控项目检验点全部合格,一般项目逐项检验点的合格率均不小于_____ %,且不合格点不集中分布,各项报验资料_____SL 631—2012的要求。
工序质量等级评定为:__________。
(签字,加盖公章)年月日
监理单位复核意见
经复核,主控项目检验点全部合格,一般项目逐项检验点的合格率均不小于_____%,且不合格点不集中分布,各项报验资料_____SL 631—2012的要求。
工序质量等级评定为:__________。
(签字,加盖公章)年月日。