矿井压风系统设备选型及设计
- 格式:doc
- 大小:90.00 KB
- 文档页数:6
矿井通风设备选型设计矿井通风设备选型设计矿井通风是煤矿安全生产的重要保障之一,通风系统的合理选型设计对于提高矿井通风流量、保证矿井空气质量、提高矿井生产效益以及保障矿工生命安全等方面都起到至关重要的作用。
因此,在矿井通风设备选型设计中要考虑多方面因素。
首先,要根据矿井的地质条件、矿井采煤方式、矿井周围环境等因素,合理选择通风设备。
通风设备一般包括风机、射流风机、引风机、排风机、轴流风机、通风机等,不同的设备适合不同的条件和工作要求。
例如,对于水平放矿井,可以采用轴流风机和呼吸机进行通风;对于垂直往下采矿的井,可以选择往下吸风的引风机或者往上排风的排风机;对于特殊环境中的矿井,例如煤矸石井,可以采用喷雾降尘装置来减少矸石粉尘的产生。
因此,在选型的过程中,要结合实际情况进行综合评估,选择最合适的通风设备。
其次,要考虑通风设备的运行方式。
通风设备的运行方式一般有静压通风和动压通风两种。
静压通风主要是通过排风机产生的静态压力来实现通风,适用于各类矿井;动压通风则是通过风机产生的动态压力来保证通风,适用于较小、较短、电动开采的煤矿。
因此,根据矿井的特点和生产要求,选择最合适的通风设备运行方式。
此外,还要考虑通风设备的风量和风压。
风量是通风系统的主要设计参数之一,其大小取决于矿井机械设备的数量、煤层的采矿厚度、生产能力的大小等因素。
通风风量的大小对于矿井通风的效果和煤矿生产的效益都有很大的影响。
风压是指风机所产生的压力大小,在设计通风压力时,要根据煤层厚度、岩石类型、煤矿地质条件、煤层可采高度等因素来计算,以保证通风系统能够正常运行。
最后,矿井通风设备的选型设计还需要根据安全生产的要求来进行考虑。
特别是在煤矿安全生产中,通风系统的作用不仅仅是增加产量,更重要的是保障矿工的安全,防止事故的发生。
因此,在设计通风系统时,要满足国家安全标准和行业规定,对矿井通风系统进行科学的设计,保证矿工的生命和财产安全。
总之,矿井通风设备的选型设计是一个科学、复杂的工作。
压风自救系统第一节概述根据国家安全监管总局、国家煤矿安监局颁发的安监总煤装…2010‟146号、安监总煤装…2011‟33号、安监总煤装…2011‟15号文中建立煤矿井下安全避险“六大系统”的相关规定,在地面压风机房。
按照《煤矿安全规程》要求建立压风系统的基础上,满足灾变期间能够向所有采掘作业地点提供压风供气的要求,设计完善的压风自救系统。
矿井压风自救系统为紧急避险设施供给足量氧气,与矿井安全监测监控、人员定位、供水施救、通信联络及紧急避险等五大系统共同组成井下六大系统,形成井下整体性的安全避险系统。
为确保矿井安全生产,充分保障职工人身安全,压风自救系统在井下灾害防治时起着重要的作用:1、当井下发生煤与瓦斯突出等事故,自救器失效或人员来不及使用自救器;2、采掘工作面突然停风,瓦斯等有毒有害气体浓度升高,导致缺氧,巷道较长,人员不能迅速安全地撤出;3、掘进工作面发生冒顶,且冒顶量大,冒落煤矸石堵塞巷道全断面,风筒被压埋,冒顶区以内无风;4、与自救器配合使用,作用相同,互为补充;5、遇到其他事故或灾害时紧急自救使用。
第二节压风自救系统的设臵及技术要求压风自救系统主要是用于事故时遇险人员避灾自救的设施,该系统主要由压缩空气设备、井下压风管路及固定式永久性自救装备组成。
一、压缩空气设备选型矿井需要使用压缩空气的场所有:a 、井下大巷掘进工作面及顺槽掘进工作面的风动工具;b 、用于井下灾害防治设臵的压风自救系统。
考虑压风管道漏风、由于风动工具磨损耗气量增加及海拔高度影响等因素,经计算,井下最大用风量为13.2m 3/min ;矿井设计生产能力0.9Mt/a ,年工作日按330天计算,井下每天三班生产,一班检修,《劳动配备表》最大班入井人数为80人。
按每人需要风量0.3m 3/min 计,井下灾害防治要求所需压风供气量为:min /94.30q m Q 3n1i j j 1m =∙∙=∑=γα式中:α1——沿管道全长的漏风系数,1.2;γ——海拔高度修正系数,1.01;m j ——井下最大班井下生产工人人数,80人;q j ——每人需要风量,0.3m 3/min 。
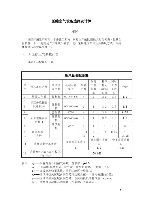
压缩空气设备选择及计算概述按照开拓生产布局,本井施工期内,同时生产的队组最大时为两掘(包括全岩队组一个)。
为满足“三条线”要求,设计采用地面集中压风供风方式,沿副井敷设压风管路至井下。
(一)全矿压气参数计算风动工具配备见下表:表中:a1----沿管路全长的漏气系数,查表取α1=1.2;---- 风动机具磨损后,耗气量‘增加的系数,一般取1.15;a2Y----海拔高度修正系数,黑龙江地区一般取1;N----压风站供风区域内同型号风动机具在一个班内使用的台数;i----压风站供风区域内同型号一台风动机具的耗气量,m3/min;qi----同型号风动机具的同时工作系数,查表确定。
Ki1、供气量 计算矿井总供气量计算见压风设备配备表。
2、估算空压机必须的出口压力P=p hg +∑Δp+0.1 =0.55+0.042+0.1=0.69 Mpa 式中: P ------空压机估算压力,Mpa ;p hg ------ 风动机具的额定压力,Mpa ;∑Δp------输气管路各部分压力损失之和。
包括直线管和各种管件的局部损失。
设计时通常按每公里管道长度取λ=30~40KPa/Km ,并按下式计算:a 3-3-MP 1010L 1000λΔp 042.01200100035∑=××=××=式中: L ----压缩空气站出口至最远的风动工具地点的管道全长(按最远供风距离1.2Km 计),m ;(二)选择空压机型式和台数根据前面计算全矿最大耗气量Q= 19m 3及工作气压,确定选用SA V250系列螺杆式空压机组两台,电机功率为250KW /台, 正常工作时一台工作,一台备用,总排气量保持40m 3/min ,工作电机总功率为150KW 。
SA V250空气压缩机参数如下: 公称容积流量:40m 3/min ; 额定排气压力:0.8MPa ; 电动机功率:250KW ; 电机额定电压:660V ; 冷却方式:风冷;(三)压缩空气管路用《煤矿矿井设计手册》提供的电算图表计算选择压风管路管径。
矿井通风设备选型设计矿井通风方式为并列式,通风方式采用机械抽出式,回采工作面采用“U”型通风,掘进工作面采用FBD№6.3型2×22kW 局部通风机配阻燃、抗静电胶质风筒压入式通风。
一、主要通风机选型计算条件通风容易时期和通风困难时期各有1个回采工作面和3个掘进工作面同时生产,通风容易时期进风量Q 1=76m 3/s ,矿井通风阻力h 阻=425.59Pa ;通风困难时期进风量Q 2=77m 3/s ,矿井通风阻力h 阻=901.88Pa 。
二、主要通风机风量、静压和工作风阻的计算 1、通风容易时期风量、静压计算 1)主要通风机通过风量计算Qm in =Q 1×K =76×1.05=79.8(m 3/s)式中:k ——漏风系数,取1.05。
2)由于高山地区大气压力较低,负压校正按下式计算。
54.328845008.96.137608.96.1376011⨯⨯⨯=⨯⨯=h P h 容=760×13.6×9.8×425.59/88200=488.78Pa式中:h 1容——矿井通风容易时期井巷总阻力(下同) Pa ,h ——主通风机安装点大气压力,取88200pa 进行计算。
3)静压计算计算公式h fs.m in =h r.m in -h n + h d +80式中:h fs.m in ——矿井通风容易时期总静压(下同),Pah r m in ——矿井通风容易时期井巷总阻力(下同),488.78Pa h n ——自然风压(下同),Pa 。
h d ——主要通风机附属装置静压(下同),取200Pa 。
80——为消声器阻力,取80Pa 。
4)自然风压计算矿井最大开采标高+1100m ,最小开采标高+825m ,高差为275m ,开采深度小于400m;进风井标高+1151m ,回风井标高+1184m ,高差为33m,进回风井井口高差小于150m ,不计算自然风压。
第三章矿井通风设备选型设计第一节矿井通风设备选型设计概要一、矿井通风设备选型设计根本原则矿井通风机选型设计的主要任务是合理选择通风机的型式、型号(叶轮直径),确定电动机的容量、型号及传动方式,确定通风机的运转工况点。
矿井通风设备能否连续正常运转,关系着煤矿的安全生产,运转效率的凹凸影响着矿井的电力消耗及生产本钱。
因此,矿井通风机选型设计中的根本原则,就是保证通风机运转的牢靠性及经济技术合理性。
依据这个原则,在矿井通风机选型设计中,应充分考虑以下问题:1保证安全运转矿井通风机的安设地点、配置方式、备用台数,必需符合《煤矿安全规程》规定,优先考虑选择运行牢靠,便于维护检修的产品做为矿井通风机,以保证其能不连续地向井下供给足够数量的颖空气,满足安全、生产的需要.2设备性能符合矿井的需要通常状况,矿井投产初期产量较低,巷道较短,因之需要的风量较小,通风的阻力较小,随着矿井生产的进展,其需要的风量及通风的阻力也将渐渐增加。
为了保证通风机的经济运转,在选型设计时,既要考虑到初期的需要,也要考虑到矿井的进展,使其整个效劳期间风量、负(正)压均能满足矿井通风的需要,在比较高效的工作区运转。
3经济合理选择通风机时,不但要考虑其设备、安装及土建工程费用,而且要考虑其运转、维护费用,要把初期的建设投资和投入使用后的运转、维护费用结合一起进展比照选择,以保证通风机在整个效劳期间的经济合理性。
4噪声符合规定选择通风机时,应使其噪声符合环境保护的规定。
假设达不到规定要求时,应考虑消声措施。
二、矿井通风设备选型设计的根本要求1应满足第一水平各个时期的负压变化,并适当照看下一水平的通风要求,当负压变化较大时,可考虑分期选择电动机,但初装电动机的使用年限不宜少于10 年;2应留有肯定的余量,轴流式通风机在最大设计负压和风量时,轮叶安装角度一般至少比允许围小 50;离心式通风机的设计转速,一般不大于允许最大转速的90%,3通风设备(包括风道,风门)的漏风损失,当风井不作提升用时,按风量的 10~15%计算,当为箕斗井时,按15~20%计算,罐笼井时,按25~30%计算,但罐笼井一般不应作为出风井。
第三篇压缩空气站设备的选型设计第一章概述一、矿山压气设备在煤矿生产中的地位及作用〔自己看书往里填内容〕二、矿山压气设备选型的依据和任务煤矿压气设备选型设计的原则是必需在矿井整个效劳期间内,供给输送距离最远、用风量最多的工作面足够数量和压力的压缩空气,同时要求设备的初期投资和运转期间内运转费用最低。
选型设计的必要资料:〔自己调研后填全〕(1)全矿风动机械及管网配置图,主要包括:机修厂、井口、井底车场及各工作面每班使用风开工具的型号、台数,并列出表格。
(2)各段管路的长度,管网全长,最远采区距离。
对于改扩建矿井,还要了解原设备的状态、型号、机房构造及可利用的状况。
选型设计的主要任务:(1)选择压缩机的型号、台数。
〔2)选择各段输气管道的直径。
(3)计算主要经济技术指标。
〔4)绘制压缩空气站布置图。
《煤炭工业矿井设计标准》规定:选择压缩空气站位置宜靠近用风负荷中心。
压缩空气站的集中或分散、井上或井下设置 ,应依据实际需要通过技术经济比较后确定。
压缩空气站设备选择应符合以下规定:(1)在地面集中设置空气压缩机的数量不宜超过 5 台。
(2)低瓦斯矿井中,送气距离较远时,可在井下主要运输巷道四周颖风流通过处, 设置压缩空气站,但每台空气压缩机的力量不宜大于20m3/min,数量不宜超过3 台。
(3〕压缩空气站内宜设 l 台备用空气压缩机;当分散设置的压缩空气站之间有管道连接时,应统一设置备用空气压缩机。
(4)井下压缩空气站的固定式空气压缩机和储气罐,必需分设在2个硐室内。
其次章空气压缩机的选型一、空气压缩机供气量的计算供气量确实定,应以全矿各班生产中所需耗气量最大班次作为计算依据。
同时考虑到矿井使用风开工具在工作过程中不连续性 ,负荷波动性比较大的因素,要在实践中不断总结阅历,进展负荷分析,了解不同单位使用风开工具的规律性,考虑管路漏气、机具磨损增加的耗气量以及海拔高度对供气量的影响。
因此,矿井空压机必需供给总的供气量为Q =ααγ∑n n q K〔2——1〕1 2 i i ii=1——沿管道全长的漏风系数,应取 1.10~1.20;式中α1α——机械磨损耗气量增加系数,应取 1.10~1.15;1γ——海拔高度修正系数,当海拔高度不大于1000m 时应取l,当海拔高度大于1000m 时,每增高lOOm 系数应增加l%;n——用气量最大班次内,同型号风动机具的台数;iq ——风动机具的耗气量〔表1—1),m3/min:iK——同型号风动机具同时工作系数〔表2—2〕。
永锦公司吕沟煤矿地面压缩空气站设备的选型设计计算一、矿井工作面压风布置图M 1M2M3M 4M8M7M6M5200m1600m200m3700m1550m3400m 1450m800m800m800m800m700m700m700m700mABCDEFGH空气压缩站二、风动工具配置表根据矿井2011年-2013年开掘三年接替及矿井以后的生产布局进行预计,矿井按照八个掘进工作面二个综采工作面进行布置,所需风动工具配置表如下:工作面名称代号风镐喷浆机凿岩机气动锚索钻机气动支腿式帮锚杆钻机岩巷M1 1 1 2 2岩巷M2 1 1 2 2岩巷M3 1 1 2 2岩巷M4 1 1 2 2煤巷M5 1 2煤巷M6 1 2煤巷M7 1 2煤巷M8 1 2采面M93 采面M103合计8 4 8 166 三、空气压缩机站供气量的计算风动工具的耗气量如下:PC5I喷浆机6m3/min,G10风镐1.56 m3/min ,YT28型凿岩机4.92 m3/min,MQTB-80/2.0型气动支腿式帮锚杆钻机耗气量4.5 m3/min,MQT-130/2.8型锚索钻机耗气量5.5 m3/min,考虑风镐于凿岩机不同时使用,按照凿岩机的耗气量计算。
根据公式:Q=α1α2γ∑=ni 1n 1q 1k 1 (公式1)因我矿压风管路全长L>3000M , α1取1.2。
风动机械磨损耗气量增加系数, α2取1.15。
海拔高度修正系数γ取 1.03凿岩机的台数为8台,Ki 取0.75,锚索钻机台数为8台,Ki 取0.75,喷浆机台数为4台,Ki 取0.5,气动支腿式帮锚杆钻,6台。
根据公式1计算空气压缩机的供气能力Q=α1α2γ∑=ni 1n 1q 1k 1=1.2×1.15×1.03×(8×4.92×0.75+4×6×0.5+4×4.5×0.75)=78.2m 3/min根据生产能力核定,每班入井人员400人,上级检查时按450人计算,交接班最多人数为850人,根据规定每人不少于0.1m 3的压风,所以入井人员需要的压风量最高为850×0.1=85m 3。
矿井通风设备选型设计方法主要风机的选择:矿井通风设备是指主要通风机和电动机。
一、矿井通风设备的要求:1、矿井必须装设两套同等能力的主通风设备,其中一套作备用。
2、选择通风设备应满足第一开采水平各个时期工况变化,并使通风设备长期高效率运转。
3、风机能力应留有一定的余量。
4、进、出风井井口的高差在150m以上,或进、出风井井口标高相同,但井深400m以上时,宜计算矿井的自然风压。
二、主要通风机的选择:1、计算通风机风量Qf:式中:Qf—主要通风机的工作风量,m3/s;Qm—矿井需风量,m3/s;k—漏风损失系数,风井不提升用时取1.1;箕斗井兼作回砚用时取1.15;回风回升降人员时取1.2。
2、计算通风机风压:离心式通风机(提供的大多是全压曲线):容易时期:困难时期:轴流式通风机(提供的大多是静压曲线):容易时期:困难时期:Hm-通风系统的总阻力;Hd-通风机附属装置(风硐和扩散器)的阻力;Hvd-扩散器出口动能损失;HN-自然风压,当自然风压与通风机风压作用相同时取“+”;自然风压与通风机负压作用反向时取“-”。
3、初选通风机:根据计算的矿井通风容易时期通风机的Qf、Hsdmin(或Htdmin)和矿井通风困难通风机的Qf、Hsdmax(或Htdmax)在通风机特性曲线上,选出满足矿井通风要求的通风机。
4、求通风机的实际工况点因为根据Qf、Hsdmin(或Htdmin)和Qf、Hsdmax(或Htdmax)确定的工况点,但设计工况点不一定恰好在所选择通风机的特性曲线上,必须根据通风机的工作阻力,确定其实际工况点。
步骤:1)计算通风机的工作风阻用静压特性曲线时:用全压特性曲线时:2)确定通风机的实际工况点在通风机特性曲线上作通风机工作风阻曲线,与风压曲线的交点即为实际工况点。
5、确定通风的型号和转速根据通风机的工况参数(Qf、Hsd、η、N)对初选的通风机进行技术、经济和安全性比较,最后确定通风机的型号和转速。
登封市xx煤业有限责任公司矿井压风系统设计方案为深入贯彻落实《国务院关于进一步加强企业安全生产工作的通知》(国发[2010]23号文)和《国家安全监管总局 国家煤矿安监局关于建设完善煤矿井下安全避险“六大系统”的通知》(安监总煤装[2010]146号文),进一步提高矿井安全防护水平和灾害防范能力,结合我矿实际情况,特意对矿井压风系统进行设计。
1、 基本情况xx煤业有限责任公司开采二1煤层,倾角8°-24°,平均煤厚4.7m,属缓倾斜煤层。
矿井瓦斯等级为低瓦斯矿井,煤尘具有爆炸性。
矿井设计生产能力15万吨/年。
采用立井式开拓,采煤方法为手镐落煤,全部垮落式管理顶板。
目前,井下有1个采煤工作面:为11020采煤工作面。
为了提高我矿安全防护水平,根据国家安监总局有关文件指示精神和通知要求,在我矿井下安装压风自救系统,在井下各采掘工作面、机电硐室及人员密集处安装压风自救装置,为灾害预防和人员自救提供可靠保障。
我矿空气压缩机房位于工业广场北部,距主斜井口约90m,建筑结构形式为两层砖混结构,占地面积300m2,建筑面积600m2。
一楼安装有JG75HA-16型和FHOG-250F型空气压缩机各一台,DN200型主压风管路经主斜井敷设至各用风地点。
2、 压风自救系统设计编制依据1、《煤炭工业矿井设计规范》GB 50215—20052、《煤矿安全规程》2011年版3、《防治煤与瓦斯突出规定》2009年版4、国家安全监管总局国家煤矿安监局关于《建设完善煤矿井下安全设备名称主要参数型号工作压力p g耗气量q i总台数n i同时使用系数k i总系数q i n i k i风镐FG-8.30.4Mpa 1.2m3/min20.85 2.04风 动水 泵FQW15-70/C-K0.4Mpa 1.5m3/min20.5 1.5风钻76550.4Mpa4m3/min114喷浆 机0.4Mpa6m3/min116避险“六大系统”的通知》(监总煤装【2010】146号)5、煤矿井下安全避险“六大系统”建设完善基本要求及检查验收暂行办法。
矿井主要通风机选型设计矿井主要通风机选型设计矿井主要通风机是煤矿生产中的重要固定设备,它担负着向井下输送新鲜空气、排除有害有毒气体、创造良好生产环境,确保矿井安全生产的重任;选型设计当否,对保证矿井正常通风,确保矿井安全生产,具有决定性意义;选型设计的主要任务,就是根据给定的原始资料,在已有的风机系列产品中,选择适合矿井需要的风机类别及型号,以及与之配套的电动机;主通风机功率大,耗能多,除要求其可靠之外,还应有较高的经济性;一、原始资料1.通风系统:中央边界式进风井位于井田中央,出风井位于井田上部边界;2.通风方式:抽出式;3.矿井所需风量Q=89 m3/s ;4.矿井通风阻力h:初期投产时最小负压:h min =2650 Pa;末期达产时最大负压:h mox =3650 Pa;5.沼气等级:低诏气矿井;6.供电电压:6000V.或1140V、660V、380V;7.服务年限:50年;8.进出风井口标高基本相同,自然风压忽略不计;9.风井不作提升之用;二、设计步骤选型设计时,按照如下步骤,进行各方案计算;1.计算通风机必须产生的风量和负压;2.选择通风机的类型和型号;3.求实际工况点及工况参数;4.计算电动机的必须容量并选择电动机;5.计算耗电量;6.筛选并确定方案;三、计算风源必须产生的风量和负压原始资料仅提供矿井通风的风量和负压,并不包括通风设备中风源以外的风道及装置漏风和阻力损失;因此,应求出风源必须产生的风量和负压;1.风源必须产生的风量风源必须产生的风量按下式计算:Q y=KQ=×89=102.35 m3/s式中:Q-矿井所需风量m3/sK-设备漏风系数;风井不作提升用途,K取;2.风源必须产生的负压在通风容易时期:H′=h min+∑'∆h=2800Pa在通风困难时期:H″=h max+∑"∆h=3800Pa式中:h min和h max-通风容易时期和通风困难时期矿井负压Pa;∑'∆h和∑"∆h-通风设备中,除风源以外的风道和辅助装置中风压损失;作为估计,∑'∆h、∑"∆h都取150Pa ;四、选择风机型号及台数根据计算得到的通风机必须产生的风量,以及通风容易时期和通风困难时期的风压,在通风机产品样本中选择合适的通风机;利用风源个别特性进行选型时,仅需根据前面计算的设计工况K′Q y, H′和K″Q y, H″直接在特性曲线中查找即可;查找时,必须遵循以下两条原则:①两个设计工况点K′通风容易时期的工况点和K″通风困难时期的工况点均应落在工业利用区内,即效率≥70%,通风困难时期的最大静压H″y st应小于风源装置最大静压H y st max的90%;②通风困难时期使用的叶片安装角应比叶片的最大安装角小3°~5°;新型矿井优先选择轴流式通风机,并根据以上原则,确定两种风机选择方案:方案一:选用2K60-4-№24轴流通风机2台,1台工作,1台备用,风机转速为750r/min;方案二:选用FBCDZ-8-№26C轴流通风机2台,1台工作,1台备用;风机转速为740r/min四、求实际工况点及工况参数实际工况点为等效网路静压特性曲线与风机装置静压特性曲线的交点;风机装置静压特性曲线是风机厂家提供的特性曲线,是已知曲线;等效网路静压特性曲线是根据矿井的通风参数需要求作的曲线,求作方法如下:1.计算等效网路静压阻力系数RR=.2y st yH Q式中: -矿井负压,在两曲线的交点处,等于风源必须产生的静压Pa ;Q y -网路风量,在两曲线的交点处,等于风源必须产生的风量m 3/s;将通风容易时期和通风困难时期的静压和风量分别代入,即可得出不同时期的等效网路阻力系数R′和R″;R′=2800/²= R″=3800/²= 2.求等效网路静压特性方程 等效网路静压特性方程如下:通风容易时期:h′=R′Q 2Y = Q 2Y Pa ; 通风困难时期:h″=R″Q 2y = 2Y Pa;3.作等效网路静压特性曲线以适当的Q y 值分别代入上二式,将h′=R′Q 2Y 和h″=R″Q 2y 曲线绘于上述两方案的风机特性曲线图上,1M 和2M 分别为通风容易时期和通风困难时期的工况点,求出等效网路静压特性曲线上各坐标的参数,然后求点描迹,即可求出通风容易时期和通风困难时期的等效网路静压特性曲线;工况点曲线图绘制说明:根据公式h′=R′Q 2Y 和h″=R″Q 2y 分别取不同风量作为通风网路特性曲线1h 、2h ;通风容易时期:''2y h R Q =11h -=×40²=12h -=×60²=962Pa 13h -=×80²=1710Pa 14h -=ײ=2800Pa 15h -=×120²=3849Pa 16h -=×140²=5239Pa通风困难时期:''''2y h R Q = 21h -=×40²=580Pa 22h -=×60²=1306Pa 23h -=×80²=2321Pa24h -=ײ=3800Pa25h -=×120²=5223Pa26h -=×140²=7108Pa该两条曲线与风机静压特性曲的交点,即为实际工况点,该点所对应的参数即为实际工况点参数;上述两方案的工况点都位于工业利用区内,选型都是正确的;五、确定调节方法对轴流式通风机,均采用改变叶片安装角度的方法对工况进行调节;初期安装角运行一定时期后,随着井下巷道的延伸,通风阻力会逐渐增大,风量会逐渐减小,当风量减小到不能满足通风要求时,就必须将风机叶片的角度向大一挡的方向调整;FBCDZ 系列,初期安装角若为“0”度,则应调至“+3°”,对2K60系列,初期安装角若为25°,则应调至30°;六、选择电动机在通风容易时期和通风困难时期,电动机必须输出的功率分别为:通风容易时期:N′=cst y st y y H Q ηη''..1000.kW 通风困难时期:N″=cst y st y y H Q ηη"".1000..kW式中:η′和η″-通风容易时期和通风困难时期的风机效率;ηc -电机与风机之间的传动效率;FBCDZ 系列为直接传动,ηc =1; 其余系列均为联轴器传动. ηc =;方案一工况参数表如下:1)s-方案二工况参数表如下:1)s-方案一电机选择:N d=″=×=578kW根据计算选用主通风机配套电机型号为:TB350S2-8,功率为:2×355kW方案二电机选择:N d=″=×=559kW根据计算选用主通风机配套电机型号为:YBFe450M2-8,功率为:2×315kW七.平均年电耗由于通风网路阻力系数随着开采工作的推移而变化,工况点和电耗也随之而变;因此,难以非常精确地计算能耗;对于通风网路阻力系数变化不大,而且中期无需进行调节的通风机,可按下式计算电耗: E=wd N N ηη2"'+﹒r ﹒T kW ﹒h 式中:ηd -电机效率;取.ηw -电网效率;取.r -每天工作小时数;取24. T -每年工作昼夜数;取365方案一平均年电耗:E=wd N N ηη2"'+﹒r ﹒T=4380×367+/× = kW ﹒h方案二平均年电耗:E=wd N N ηη2"'+﹒r ﹒T=4380×345+/× = kW ﹒h八、方案的比较与确定进行方案比较时,可从安全可靠和经济性两方面进行比较,安全可靠的主要指标是角度余量和风压余量,即在通风困难时期使用的叶片安装角度是否满足比最大安装角小3°~5°和使用的风压是否小于最大风压的90%;经济性的主要指标是平均效率,最低效率和平均年电耗;显而易见:在保证安全可靠的前提下,效率越高,年电耗越小,方案就越合理;经过上述两方案的安全可靠性、效率、年平均电耗分析比较后,确定方案二为最佳方案;九、风机及配套电机数量的确定选用FBCDZ-8-№26C轴流通风机2台,1台工作,1台备用;风机转速为740r/min,主通风机配套电机型号为:YBFe450M2-8,功率为:2×315kW;参考资料:1.煤炭工业设备手册上册,中国矿业大学出版社1992;2.采矿设计手册4,矿山机械篇,中国建筑工业出版社,19863.机械设计手册第五册,化学工业出版社,第三版2001,第四版20024.煤矿电工手册第一分册,新版精装5. FBCDZ、2K60系列风机特性曲线图汇编等效网路静压特性曲线图附图如下:方案一:2K60矿用轴流式通风机特性曲线图方案二:FBCDZ-8-№26C轴流式通风机特性曲线图。
一、压风系统概述工作面用风由地面压缩空气站供风。
压缩空气站安装62.5/0.85型螺杆式空压机6台,5台工作1台备用,螺杆式空压机排气量62.5m 3/m Ⅰn ,排气压力0.85MPa ,配用10kV 355kW 同步电动机,副井筒主干管选用D273.1×6.3mm 低压流体焊接钢管,大巷支管路选用D168.3×4.5mm 低压流体焊接管,工作面顺槽选用D108×4mm 钢管。
二、空压机供风量验算 1、用风量计算(1)掘进工作面用风量计算按照矿井接续安排及工作面布置、开采、开拓情况, 安排2个顺槽综掘工作面、 2个开拓普掘工作面,用风设备有喷浆机、锚杆机等,具体参数见掘进工作面风动设备统计表。
掘进工作面风动设备统计表对掘进岩巷工作面,通常凿岩机与风镐不同时作业,故只计算凿岩机风量;对同一岩巷掘进工作面锚喷机与凿岩机不可同时作业,工作面锚喷时一般配备两台风镐,与锚喷机同时作业。
按最大用风量班次计算如下:用风量为:Q 掘=α1×α2×γ×k Ⅰ×m Ⅰ=1.2×1.15×1.0×0.85(4×1.5+2×10+8×3) =58.7m 3/mⅠn 。
式中:a 1-沿管道全长的漏风系数,取1.2;a 2-机械磨损耗气量增加系数,取1.15;n1i q-海拔高度修正系数,取1.0;m Ⅰ-风动工具件数;q Ⅰ-风动工具耗风量m 3/mⅠn ; k Ⅰ-同时系数,取0.85。
(2)井下压风自救用风最大工作人数按80人考虑,按每人每分钟0.3 m 3/min ,并考虑1.2的用气富裕系数,1.2为沿程漏风系数,1.13为海报高度修正系数:Q 人=1.2×1.2×80×0.3×1.13=39.1m 3/min 。
(3) 用风量用风量取掘进工作面和压风自救用风的大值,即58.7m 3/min 。
登封市xx煤业有限责任公司矿井压风系统设计方案为深入贯彻落实《国务院关于进一步加强企业安全生产工作的通知》(国发[2010]23号文)和《国家安全监管总局国家煤矿安监局关于建设完善煤矿井下安全避险“六大系统”的通知》(安监总煤装[2010]146号文),进一步提高矿井安全防护水平和灾害防范能力,结合我矿实际情况,特意对矿井压风系统进行设计。
一、基本情况xx煤业有限责任公司开采二1煤层,倾角8°-24°,平均煤厚4.7m,属缓倾斜煤层。
矿井瓦斯等级为低瓦斯矿井,煤尘具有爆炸性。
矿井设计生产能力15万吨/年。
采用立井式开拓,采煤方法为手镐落煤,全部垮落式管理顶板。
目前,井下有1个采煤工作面:为11020采煤工作面。
为了提高我矿安全防护水平,根据国家安监总局有关文件指示精神和通知要求,在我矿井下安装压风自救系统,在井下各采掘工作面、机电硐室及人员密集处安装压风自救装置,为灾害预防和人员自救提供可靠保障。
我矿空气压缩机房位于工业广场北部,距主斜井口约90m,建筑结构形式为两层砖混结构,占地面积300m2,建筑面积600m2。
一楼安装有JG75HA-16型和FHOG-250F型空气压缩机各一台,DN200型主压风管路经主斜井敷设至各用风地点。
二、压风自救系统设计编制依据1、《煤炭工业矿井设计规范》GB 50215—20052、《煤矿安全规程》2011年版3、《防治煤与瓦斯突出规定》2009年版4、国家安全监管总局国家煤矿安监局关于《建设完善煤矿井下安全避险“六大系统”的通知》(监总煤装【2010】146号)5、煤矿井下安全避险“六大系统”建设完善基本要求及检查验收暂行办法。
7、巷道布置图8、井口及各开采水平标高;9、最远采区距离;10、井下工作人员数量;11、其它相关资料。
三、井下在用风动工具井下在用风动工具一览表表3-1四、设备选型(一)空压机排气量计算1、按最大作业班人员需风量计算矿井生产规模为15万t/a,目前我矿单班下井最多人数为100人。
煤矿风井地面压风系统选型设计编制:审核:机电科:机电副总:主管矿长:总工:机电动力科二零一七年一月一、用风工器具统计根据井下生产系统布置情况,井下主要用风工器具有:风钻、风镐、风动泵、气动道岔、气动阻车器和喷浆机,统计风动工器具现场使用情况如下:1.掘进工作面:1台顶钻+1台帮钻+1台风动泵;2.综采工作面:1台顶钻+1台帮钻+1台风动泵;3.巷修点:2台风镐+1台风钻;综上可知井下风动工器具使用统计如下表:二、压风系统排气量计算1.按最大作业班人员需风量计算煤矿核定产能为600万吨/年,目前单班下井最多人数为700人。
根据井下安全避险六大系统的要求和有关规定:压缩空气的供给量,每人不得小于0.1m3/min 。
故按最大作业班人员需风量计算,空压机排气量如下:Q 排=N ×Q ×R=700×0.1×1.2=84 m 3/min 式中: Q 排——矿井总耗风量,m 3/min ;N ——当班最多人数,取700人; Q ——每人需风量,取0.1m 3/min ; R ——安全系数,取1.2。
2、按井下在用风动工具的型号、台数及压气消耗量计算由风动中器具统计表知,井下在用的风动工具工作时的耗风量为85.56 m 3/min 。
计算空压机必需的排气量:Q a r nkqβ=∑排=1.2×1.1×1.15×69.365 =105.296m 3/min 式中:Q 排——矿井总耗风量,m 3/min ;α——管路漏网系数,取1.2;β——风动机械磨损使耗风量增加的系数,取1.1;γ——高原修正系数,取1.15;n ——同型号风动机具使用数量;k ——同型号风动机具同时使用系数; q ——风动工具耗风量,m 3/min经过以上计算,按最大作业班人员计算的需风量小于按井下同时工作的风动工具计算的空压机需风量,故空压机需风量取最大需风量105.296m 3/min 。
矿井通风设备选型一、通风方式和通风系统(一)通风方式本矿井通风方法为机械抽出式。
矿井采用中央并列式通风。
(二)通风系统进风井为主斜井、副斜井,回风井为回风斜井。
投产期通风系统:主斜井、副斜井进风,回风斜井回风,新鲜风流从主斜井、和副斜井进入,经运输暗斜井、轨道暗斜井、运输大巷、轨道大巷、运输下山、轨道下山、运输石门、采面运输巷至10701采面,乏风经回风斜巷进入回风斜井,然后排至地面。
本矿按煤与瓦斯突出矿井进行设计。
在风井场地设通风机,通风方式为并列式。
选用型高效节能防爆对旋轴流通风机;当矿井初期风量和负压较小时,可调节风机叶片安装角度和采用变频方式改变风机的转速来满足矿井通风要求。
反风方式,采用风机反转反风。
二、回风斜井通风设备选型㈠计依据:容易时期风量:73m³/s;负压:860.6Pa困难时期风量:73m³/s;负压:1174.6Pa回风井的井口海拔标高为+1316m,当地大气密度ρ1=1.03kg/m³。
㈡通风设备选型:根据矿井通风资料,经多方案比较筛选后可供选择的方案列于表7-2-1。
表7-2-1 回风斜井通风机选型比较表由表7-2-2可知GAF型轴流通风机,投资高、占地面积大、土建费用高、土建施工工期长。
而FBCDZ风型风机具有投资低,占地面积小,土建费用低,安装、维护简单等优点。
故推荐方案一。
经技术经济比较,回风井选用风机FBCDZ-8-No21B型,740 r/min,一台工作,一台备用。
配套电机为防爆电动机(660V,132kW,740r/min),每台风机额定风量为48~107m³/s,额定风压为670~2600Pa。
风机特性曲线参见图7-2-2。
根据本矿井前后期负压变化较大的特点,在调整好需要的叶片角度后,通过变频调速达到实际所需风量,可实现风机前后期均处于较佳的工况点运行。
风机订货前应由厂家针对本矿井风量、负压情况对风机选型进行校验,设计出最佳的风机特性曲线。
煤矿通风系统的风机选型与配置【引言】煤矿通风系统在煤矿生产中起着至关重要的作用,它不仅能维持矿井中的良好工作环境,还能有效控制有害气体的扩散,预防火灾与爆炸事故的发生。
而风机作为煤矿通风系统的核心设备之一,其选型与配置对于通风系统的正常运行与安全性至关重要。
本文将重点阐述煤矿通风系统中风机的选型与配置原则,并探讨如何根据具体情况进行选择与布置。
【风机选型】风机的选型是煤矿通风系统设计的基础,合理的选型能够保证系统运行的高效与安全。
风机选型主要考虑以下几个方面:1. 风量需求:根据矿井各工作面的通风需求和煤层气体的产出量确定风机的风量大小。
通常采用矿井风量法或矿井负压力法计算风量需求,确保风机的风量能够满足矿井通风的要求。
2. 风压需求:考虑矿井中存在的摩擦阻力、风道阻力、采空区等因素,确定风机的风压大小。
通过合理的计算和试验,选用能够提供足够风压的风机,以满足煤矿通风系统的运行要求。
3. 能效比:在选型过程中,应考虑风机的能效比。
选择高效的风机可以减少系统的能源消耗,降低运行成本。
通过评估风机的能效比,选择性能优良、效果出众的产品。
4. 适应性:风机的选型还要考虑其适应性。
不同的煤矿通风系统存在着不同的工况环境,如不同的温度、湿度、粉尘浓度等,风机需要具备适应这些环境的能力,以保证煤矿通风系统的可靠运行。
【风机配置】风机在煤矿通风系统中的配置也是至关重要的,合理的配置能够充分发挥风机的性能,并确保整个通风系统的正常工作。
以下是风机配置的几个原则:1. 串联配置:对于通风系统中的长风道,应采用串联的方式进行风机配置。
通过多台风机的串联工作,可以克服单台风机远程输送风量不足的问题,确保风量的充足供应。
同时,串联配置还能提供备份风机,以防止单台风机出现故障时造成通风系统的中断。
2. 并联配置:对于通风系统中的短风道或需要针对某个特定地点进行通风的情况,可以采用并联配置。
通过多台风机的并联工作,可以提供更大的风量和风压,以满足特定地点的通风需求。
矿山压风系统选型计算一、压风机房的位置及管路布置原压风机房的位置不变。
供风主管路由地面机站送出,经回风井→回风井底→轨道上山→至中一采区延伸轨道上山终点,主管路长度:3941米。
中一采区供风分支管路,由中一采区延伸轨道上山中上部→十七区段工作面,分支管路:2275米。
二、用风量统计计算、管网损失计算风动机具统计如下:1、用风量统计:(总用风量57.6M 3/min )2、井下压缩空气耗气量计算:1.05 1.15 1.05 1.05 1.1545.42 1.0557.6q Q Q =⨯⨯=⨯⨯⨯=(M3/min )式中:1.05——漏风系数1.15——动力工具磨损系数 1.05——海拔修正系数 3、管径选择:A 、主干管管径选择20151.7==mm考虑到管路和阀门及弯头的压力损失,主干管选用:Φ159无缝钢管,壁厚:6mm ,内径:147mm 。
干管长度:3941米。
B 、分支管路管径选择107.4d ==mm考虑到管路和阀门及弯头的压力损失,支管选用:Φ108无缝钢管,壁厚:5mm ,内径:98mm 。
支线管长度:2275米。
注:分支管路的耗气量按干管耗气量的一半计算。
4、管路压力损失计算及校验: A 、主干管压力损失:-6 1.85-6 1.85i 5i L 1.153941P=101057.60.11d 0.147Q ⨯∆⨯=⨯⨯=MPa i L —实际干管长度×1.15, m i d —实际干管直径, mi Q —通过干管压缩空气量, m 3/minB 、分支管路压力损失:-6 1.85-6 1.85i 15i L 1.152275P =1010(57.62)0.140.098Q d ⨯∆⨯=⨯⨯÷=MPa C 、校验压力损失:1.01+≥∆-∆-I P P P P (MPa )0.85-0.11-0.14≥0.45+0.1 0.6≥0.55 满足压力损失要求。
p —压风机出口压力 P ∆—干管压力损失1P ∆—支管压力损失 I P —风动工具工作压力三、压风机及管路的选择 1、固定式压风机的选择根据风镐、风动锚杆钻机及凿岩机等设备对风压要求一般都在0.4-0.65MPa 之间,根据用风量统计计算和管网损失计算(阀门、弯头损失忽略不计),压风机的额定排气压力P 应大于或等于0.85MPa ,原压风机型号:MM-250固定式单螺杆式风冷压风机。
压风系统设备选型及设计
一、设计依据
1、我矿地面海拔+1312m,设计年产量60Mt/a,达到设计产量时,共有7个采掘工作面,按照7个采掘头计算,如气动机具配置表1,通过计算选择空压机型号、台数,确定输气管路直径。
表1 .气动机具配置表
2、因本矿井属高瓦斯矿井,除井下风动工具使用压缩空气外,根据《煤矿安全规程》的有关规定,还必须在采掘工作面附近及工作面回风系统中有人作业的地点,设置供给压缩空气设施的避难峒室或压风自救系统。
因此本设计采用地面集中空压机站向井下风动工具和压风自救系统供风。
二、选型计算
1、计算矿井所需的供气量
全矿供气量是变化的,一般以三班中可能出现的最大用气量一班为依据,即最大班次确定为早班,最大同时使用气动机具台数为:风镐2台(耗气量2×1.3=2.6 m³/min),凿岩机4台(4×3=12m³/min),混凝土喷射机2台(2×8=16 m³/min),气动泵4台(4×6=24 m³/min);查《总工程师设计手册》表8-3-25得海拔高修正系数为1.15;由系统布置查得供气管路为1240m,查《总工程师设计手册》表8-3-24,取管路漏气系数a1=1.15;风镐、凿岩机、气动泵磨损后耗气量增加系数为1.13,混凝土喷射机磨损后耗气量增加系数为1.1;查《总工程师设计手册》表8-3-26得,风动设备同时工作系数为0.98.
(1)2台风镐的实际耗气量为:
Q1=a1 a2 y∑n qk
=1.15*1.13*1.15*2*1.3*0.98
=3.80 m³/min
(2)4台凿岩机的实际耗气量为:
Q2=a1 a2 y∑n qk
=1.15*1.13*1.15*4*3*0.98
=17.57m³/min
(3)2台混凝土喷射机的实际耗气量为:
Q3=a1 a2 y∑n qk
=1.15*1.1*1.15*2*8*0.98
=22.81m³/min
(4)4台气动泵的实际耗气量为:
Q4=a1 a2 y∑n qk
=1.15*1.13*1.15*4*6*0.98
=35.14m³/min
总耗气量为:
Q=3.80+17.57+22.81+35.14=79.32m³/min
式中:a1——沿管路全长的漏气系数;
a2——气动机具磨损后,耗气量增加的系数,一般取1.10~1.15;
y——海拔高度修正系数;
n——一天中可能出现的最大用气量时,使用的同型号起动机具的台数;
q——气动机具的耗气量;
k——同型号气动机具的同时工作系数。
2、选择输气管径
本矿井压风管路沿副斜井井筒敷设,管路输送长度1240m,需要输送的自由空气量为79.32m³/min,通过下式计算为:
d=6.5L^0.2Q^0.37
=6.5* 1240^0.279.32^0.37
=6.5*4.15*5.04
=135.95mm
干管选用标准为¢146×4.5mm的无缝钢管。
压风管路以焊接为主,以管接头连接为辅。
井下压风管路一般采用快速接头连接。
至井底±1225m水平后分别沿一采区轨道下山、主井皮下山敷设至各掘进头及各采煤工作面,各段支管径根据相应的输气量及输送距
离通过查表可获得。
其规格分别为:
①地面至井底¢146×4.5mm 的无缝钢管,1240m
②井底至1采区掘进头φ108×6mm ,1300m
③压风自救管路2吋,3000m
3、确定空压机型号和台数
根据以上计算,选择SA250A-10K 型风冷式空压机(排气量:41m ³/min ,额定/最大排气压力:0.8/0.85Mpa )3台,其中两台工作,一台备用。
所选空压机配套使用排气量、额定排气压力,满足要求。
4、估算空压机必须的出口压力
地面空压机房到最远工作面的距离为1240m ,取每公里管长损失为0.03Mpa 。
4种气动机具中,风镐的额定压力最高,为0.63Mpa ,根据下式计算空压机必要的出口压力为:
P=Pe+∑△P+0.1
=0.63+1.240×0.03+0.1
=0.767Mpa
式中:P ——空压机必要的出口压力,Mpa ;
Pe ——所用气动机具中最大的额定工作压力,Mpa ;
∑△P ——矿井达产时,输气管道中最远一路的所有压力损失之和,估算时¢146×4.5无缝钢管取每公里管长损失为0.03Mpa 。
5、计算管路总压力损失为:
△P=1.15×10-12
d 5L Q 1.85 =1.15×10-12
1465124079.321.85
=0.0127Mpa
式中:d——管路的实际直径,m;
L——管路的实际长度,m;
Q——通过该管路的自由空气量,m³/min
计算压力损失小于估计的损失压力1.24×0.03=0.0372Mpa,空压机的额定排气压力能满足要求。
三、压风自救系统
压风自救按MT390-1995《矿井压风自救装置技术条件》的规定,在压力管道供气压力为0.3~0.7Mpa时,每个装置的排气量应在100~150L/min范围内,能够满足正常人吸气60~80L/min的标准要求。
1)压风自救风量和风压要求:
风压不小于0.4MPa,风量不低于
Q=K1K2∑总q自=1.2*1.2*15*0.1=2.16m3/min≥Q源
2)压风自救管选择
压风自救管选用¢50无缝钢管,对破损的压风管必须更换或进行相应的处理,保证不漏气。
3)压风自救站设置
掘进期间:每隔50米安装一组压风自救,个数不少于5个,最后一组压风自救距掌子头25—40米,个数不少于15个,压风自救安装在支护良好且无杂物处,安装高度距离巷道底板1.6—1.8米。
回采期间:
(1)机巷安装一组压风自救,安装位置机巷切眼外100m处,个数25个。
(2)风巷
○1在切眼往外25~40m处安装一组压风自救,个数20个,
○2在回风口以里5m处安装一组压风自救,个数5个。
○3在风巷每组绞车处安装两个压风自救。
4)压风自救管理
施工单位指定专人对压风管路进行检查,确保管路不漏气及压风自救完好,并及时移动压风自救,保证压风自救与掘进工作面保持合适的距离,要对气水分离器进行及时的放水和排油,保证管路的畅通和风流的清洁。
5)在井下硐室、井底车场、采掘工作面及流动人员较多的地段,安装压风自救装置,每个自救装置数量为5~8个/组,每个单体自救耗气量100~150L/min,保证避灾人员足够风量。
四、附属设备
为方便压风设备的检修与维护,空压机房内配备SDQ-3型手动单梁悬挂起重机一台。
五、配电与控制
空压机采用智能控制系统,可根据空气需求量自动调节空压机载荷,节能高效,低维护,并具有完善的故障诊断及保护功能,使空压机运行更加可靠。