钢结构防腐项目报价单(丙烯酸聚氨酯漆)
- 格式:doc
- 大小:26.00 KB
- 文档页数:1
钢结构工程报价单一、引言本报价单旨在向您提供钢结构工程的详细报价,包括材料、人工、运输和安装等所有相关费用。
在制作过程中,我们已充分考虑了所有相关因素,并确保我们的报价合理、透明、准确。
以下是我们的报价清单:二、报价清单1、钢材材料费用:根据工程需求,我们需购买一定数量的钢材,费用为人民币(以下同)300,000元。
2、钢结构设计费用:为确保工程的顺利进行,我们需要专业的设计师进行钢结构设计,费用为50,000元。
3、人工费用:我们的工人和技术人员在进行钢结构工程时将投入大量的时间和精力,人工费用为80,000元。
4、运输费用:我们将根据工程需求,安排适当的运输方式,将钢材和其他必要的材料运至工地,费用为20,000元。
5、安装费用:我们的专业安装队伍将负责钢结构的准确、高效安装,费用为70,000元。
6、其他相关费用:包括许可证、保险、临时设施等费用,共计30,000元。
三、总报价我们的总报价为530,000元。
此报价已充分考虑了所有相关因素,并确保我们的报价合理、透明、准确。
四、支付方式我们将采用以下方式进行支付:预付款30%,即159,000元;进度款40%,即212,000元;验收款30%,即159,000元。
五、售后服务我们将为您提供为期一年的免费保修服务,并为您提供终身维护和技术支持。
在保修期内,如果因我们提供的材料或安装质量问题导致的任何损坏或故障,我们都将为您提供免费的维修或更换服务。
六、总结本报价单为大家提供了钢结构工程的详细报价,包括材料、人工、运输和安装等所有相关费用。
我们希望通过我们的专业能力和优质服务,赢得大家的信任和满意。
如果大家对我们的报价有任何疑问或需要进一步的信息,欢迎随时我们。
钢结构工程预算随着现代建筑技术的不断发展,钢结构工程在现代建筑中扮演着越来越重要的角色。
钢结构工程的预算作为整个工程项目的基础,对于项目的投资决策、设计、施工以及后期的维护都有着重要的影响。
钢结构造价对于钢结构房屋的建造,有和其它建筑相同的建造过程。
也需要进行多种核算,至于怎样把握核算的每一种数据,那可能每一个项目的要求是各不相同的。
下面就看看怎样把握这些数据更为合理了。
01油漆问题按国家标准钢结构面积按58㎡/吨计算;大型钢结构经验计算为25-30㎡/吨。
单位平方米用漆量:1*50μm厚环氧富锌底漆-----约0.25㎏/㎡。
1*100μm厚厚浆环氧云母氧化铁中间漆-----约0.4㎏/㎡;2*40μm厚丙稀酸脂肪族聚氨脂面漆------约0.25㎏/㎡。
1000吨钢结构预算用漆量:厚环氧富锌底漆:1000吨×30㎡/吨×0.25㎏/㎡==7500㎏;厚厚浆环氧云母氧化铁中间漆:1000吨×30㎡/吨×0.4㎏/㎡== 12000㎏;厚丙稀酸脂肪族聚氨脂面漆1000吨×30㎡/吨×0.25㎏/㎡== 7500㎏报价只是一个形式,按吨位报价是目前国标清单采用的方法,这样方便竣工结算,计算表面积也是很简单的事情,一般算量都采用E X C E L,不同板厚的吨位都能列出来,那不同板的表面积也自然出来(不考虑板厚度方向的面积),扣除不刷油漆的部位,这样总表面积就出来了。
我们的一般做法是,计算油漆面积核算油漆成本,报价按吨位报。
若套定额也可以但要注意较薄构件和较厚构件占的比例注意:C型钢按吨位算油漆不合算,主构件可以。
经测算,实际一公斤油漆能喷涂5平米,跟工人的操作方式有关。
02关于损耗问题1.客户报价时一般最多加5%损耗,用X st e el出图,加上有套料软件专人套料,买材料时板材最多取3%,型材就1%,很少出问题。
2.厂房实际料耗完全能控制在3%以下。
3.碰见懂行的报5%,不懂的就报8%4.重钢,结构复杂的用8%5.钢结构施工手册中有明文规定,角钢75*75以下是 2.2%,80*80~100*100是 3.5%,120*120~150*150是 4.3%,180*180~200*200是 4.8%,平均是 3.7%;工字钢14a以下是3.2%,24a以下是4.5%,36a以下是5.3%,60a以下是6%,平均4.75%;槽钢14a以下是3.0%,24a以下是4.2%,36a以下是4.8%,40a以下是5.2%,平均4.3%;钢板按厚度1~5m m是2.0%,6~12m m是4.5%,13~25m m是6.5%,26~60m m是11%,平均6%6.在合同中,一定要明确损耗,防止以后的麻烦。
钢结构防腐常用油漆选用一、防锈油漆的选用(一)油漆经除锈后的钢材表面在检查合格后,应在要求时限内进行涂装。
防锈涂层一般应由底漆、中间漆及面漆组成,选择涂料时应考虑漆与除锈等级的匹配,以及底漆与面漆的匹配组合。
1 .常用油漆常用的防锈底漆、面漆和防腐蚀漆的性能、用途、涂施方法、配套要求、价格等列于下表表3常用防锈底漆表4常用面漆表5常用中间漆2.油漆配套组合钢结构工程屮所用防锈底漆、中间漆与面漆的配套组合参加下表6:表6钢结构用底漆、中间漆与面漆的配套组合另外,《建筑钢结构防腐蚀技术规程》JGJT 251-201仲也有类似的配套组合表格,并较为全面完整,可供参考。
(二)镀锌1. 概述镀锌是指在金属、合金或者其它材料的表面镀一层锌以起美观、防锈等作用的表面处理技术。
可分为热镀锌和冷镀锌两类。
现在主要采用的方法是热镀锌。
2. 分类热镀锌热镀锌也称热浸锌,是将钢铁工件经过除油、除锈,呈现出无污、浸润的表面,立即浸入到预先将锌加热融熔了的镀槽中去,在工件表面形成一层锌镀层的方法。
热镀锌的镀层较厚,一般为30-60微米,镀层防腐能力较高。
适合于户外工作的钢铁制件,如高速公路围栏、电力铁塔、大尺寸紧固件等较为粗糙”的工件的长期防锈。
较早的铁质自来水管也是热镀锌的。
冷镀锌又称电镀锌,是将同样经过了除油、除锈,呈现出无污、浸润的工件挂入专门的电镀槽里的阴极上,阳极用锌。
接通直流电源,阳极上的锌离子向阴极迁移,并在阴极上放电,使工件镀上一层锌层的方法。
冷镀锌工件表面光滑平整,但是因为镀层比较薄,一般在5-30微米以内,所以防腐蚀的时间会比较短。
都用在室内使用制件的防锈,如机壳底、面板,小尺寸紧固件等。
3. 质量特点外观光滑,无锌瘤、毛刺,呈银白色;厚度均为可控,在5-107 ym之内任意选择;无氢脆、无温度危害,可保证材料力学性能不变;可代替部分需热镀锌的工艺;耐腐蚀性好,屮性盐雾试验达240小时。
4. 应用范围主要应用在钢钉、铁钉、紧固件、自来水管接头、脚手架扣件、钢丝绳马钢夹头等。
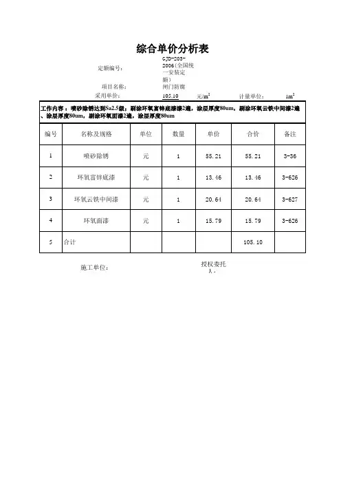
一、工程概况1.鄂尔多斯多晶硅业有限公司年产8000吨高纯度、低能耗多晶硅材料技术改造项目全厂管道内外壁喷砂除锈刷漆,钢结构框架、所有平台栏杆、钢屋架除锈刷漆。
2.油漆材料主要用的油漆品类:(1)环氧富锌底漆、无机富锌底漆,用于管道表面,防止管道、设备表面锈蚀。
(2)各色脂肪族聚氨酯漆,适用于作管道面漆。
(3)环氧云铁中间漆:适用于钢结构中间漆。
(4)丙烯酸聚氨酯漆:适用于钢结构面漆.(5)耐高温有机硅漆:用于高温管道管道表面防锈。
二、编制依据1、GB 50046—2008《工业建筑防腐蚀设计规范》2、HGJ229—91《工业设备、管道防腐蚀工程施工及验收规范》3、GBJ126—1989《工业设备及管道绝热工程施工及验收规范》4、SH/T 3043-2014《石油化工设备管道钢结构表面色和标志规定》5、GB50212—2014《建筑防腐蚀工程施工规范》三、作业前的条件和准备3。
1.1 施工图纸会检完毕,会审中存在的问题已有明确的答复。
3.1。
2 施工方案设计完成(或设计变更核定单内容已经确定)。
3。
1.3 作业指导书编制完成,经专业经理、总工审批。
3.1。
4 施工中所需的各种保温材料、加工件应随施工进度提前到达现场,材料分类码放作好标识 ,且保温材料的技术性能指标现场抽检合格,具备随时使用的条件。
3。
1.5作业前已对参加该项作业的相关人员进行施工技术交底,交底与被交底人员进行了双签字.四.作业程序、方法和内容1。
喷砂除锈的方法:表面预处理是整个防腐过程中的重要环节,保证涂层质量的先决条件,关系到防腐蚀材料能否发挥最大覆盖屏闭作用,关系涂料涂层的整体使用年限。
1.1本工程计划投入2台8m³空压机,施工要符合环保要求,控制粉尘蔓延,操作时应采用妥善的防护措施,工作人员必须全身防护,防止粉尘污染.1。
2 压缩空气应干燥洁净,不得含有水份和油污并经检查合格后方可使用.检查方法如下:将白布置于压缩空气气流中1分钟,其表面用肉眼观察应无油、水等污迹。
铁塔钢结构防腐工程施工方案一、工程概况: 66kV田港线1#-107#铁塔钢结构防腐处理质量保证:按国家颁布的《建筑防腐蚀工程施工及验收规范》(GB 50212━2002)进行检验评定。
安全指标:杜绝重大伤亡和火灾事故。
按《建筑施工安全检查标准》(JGJ59-99)执行。
文明指标:达到“标化工地”要求,让业主满意。
二、涂装目的:线路铁塔钢结构实施防腐防锈保护,以抵抗铁塔常年的氯气,以及水蒸气、冷热变化等湿热大气腐蚀的破坏,遏止钢结构的劣化、腐蚀,延长使用寿命。
三、采用标准及规程:1.《涂装技术术语》(GB8264-1987)2.《大气环境腐蚀性分类》(GB/15957-1995)4.《建筑防腐蚀工程施工及验收规范》(GB50212━2002)5.《建筑施工高处作业安全技术规范》(JGJ80-91)7.《建筑机械使用安全技术规程》(JGJ33-20018.《建筑施工安全检验标准》(JGJ59-99)本项目除应执行以上标准和规范外,相应符合国家现行的有关标准和规范的规定及甲方的实际要求。
四、钢结构涂装配套系统(1)、钢结构涂层性能要求1、高耐水性、抗潮湿;2、耐化学腐蚀,耐氯离子腐蚀;3、涂层平整、具有一定的弹性和韧性,以避免应力开裂;4、具高耐候性及抗沾污性能;5、与原有涂层及后续防火涂层结合良好。
(2)、涂装材料的选[1]、底漆的选A.涂层体系对底漆的要求1、与原有的防腐漆附着良好2、与面涂层配套性良好3、良好的耐水性;B.底漆的采用:丙烯酸聚氨酯底漆。
作为丙烯酸聚氨酯树脂底漆,可用于一系列面漆下层,也可作为隔离涂层用在原有传统涂层上面,从而避免容易发生的溶剂型高性能面漆对原有涂层的“咬底”现象。
该漆也具有良好的耐盐雾性和耐水性。
[2]、面漆的选择A.对面漆的基本要求1、耐候、耐久、防腐2、高耐水性和高耐3、高硬度、高丰满度、良好的漆膜性能;4、高保光保色、5、与底漆及后续防火漆有良好的附着力。
内蒙古兖矿进料栈桥钢结构防腐施工方案一、编制依据:1 甲方施工技术要求2 同类工程施工经验及我公司实力3 《工业建筑防腐蚀设计规范》GB/50046-954 《涂装作业安全规程,涂装前处理工艺安全》GB7692-875 《建筑防腐蚀工程施工及验收规范》GB50212-916 《建筑工程施工质量验收统一标准》GB50300-20017 《防腐蚀涂料的质量要求》GB50121-918 《涂料涂敷技术条件》GB765-86二、施工工艺流程:施工准备→喷砂除锈(达到Sa2.5级标准)→检查合格→涂刷环氧富锌底漆第一道(30μm)→检查合格→涂刷环氧富锌底漆第二道(60μm)→检查合格→涂刷环氧云铁底漆一道(60μm)→检查合格→涂刷丙烯酸聚氨酯面漆第一道(50μm)→检查合格→喷刷丙烯酸聚氨酯面漆第二道(50μm)→检查合格三、材料准备:1 在工程开工前,采购足够的施工用材料。
所采购的主材及辅材,要有合格证书或书面证明,且不能超过质保期。
2 防腐材料应按材质、规格分类存放在通风良好、防潮的仓库内,室内应设置防爆照明,使防腐材料保持干燥。
堆放高度考虑便于计数取用又不至于挤压和损坏材料。
露天堆放仅限于近3天施工需用,但不影响物化性能。
3 施工人员对配备的施工材料办理领用手续,对已领出的材料清册、说明书或材质证明书进行核对,并妥善保管。
四、主要施工方法1.作业条件:1)油漆工施工作业应有特殊工种作业操作证。
2)防腐涂装工程前钢结构工程已检查验收,并符合设计要求。
3)作业场地应有安全防护措施,有防火和通风措施,防止发生火灾和人员中毒事故。
4) 露天防腐施工作业应选择适当的天气,大风、遇雨等均不应作业。
2.基面清理:1)磨料控制:喷砂除锈采用石英砂,要求颗粒坚硬、有棱角、干燥(含水量<2﹪)、无泥土及其他杂质,同时,应该考虑砂料运输条件,单价高低,回收能力等因素;砂料粒径以0.5-1.5mm为宜,筛选前需晒干,存储于棚内、室内,筛孔大小为:粗筛40-48孔/c㎡(粒1.2mm)、细筛372-476孔/c㎡(粒0.3mm)。
丙烯酸漆和聚氨酯漆的区别公司所在地:北京通州区品??牌:紫禁城电话:0,北京紫禁城漆业有限公司联系人:刘倩-zai(联系时,请一定说明是从谷瀑环保网看到的)传真:0地址:北京市通州区区潞城镇侉子店村东丙烯酸漆,聚氨酯漆,丙烯酸聚氨酯漆这几种漆的区别:油漆行业的众多专业术语,对于非业内人士来讲,能叫的上来已经不容易了,大部分人不知道怎么分别这几种油漆,也不清楚自己要的丙烯酸漆还是聚氨酯漆。
下面就丙烯酸漆,聚氨酯漆,丙烯酸聚氨酯漆分别作以下简单介绍。
一、单组份丙烯酸漆单组份丙烯酸漆又叫868丙烯酸漆。
种类:丙烯酸工程面漆、丙烯酸工程底漆、丙烯酸金属漆(闪金、闪银)、丙烯酸实色漆、丙烯酸马路漆、丙烯酸烘干桔形漆。
优缺点:这类油漆施工方便,不需要配套固化剂使用,具有快干的特点,十分钟就可表干。
缺点是耐溶剂性差,不如双组份油漆。
二、双组份丙烯酸漆,也就是丙烯酸聚氨酯漆双组份丙烯酸漆又称为户外聚氨酯漆、828丙烯酸漆等。
特性:有较高的光泽和硬度以及良好的耐候性。
?漆膜光亮、丰满、具有优良的机械性能,三防性能可与多种底漆及中涂漆配套。
缺点是耐水性不如环氧漆好。
耐碱性也比不上环氧漆。
三、聚氨酯漆。
聚氨酯漆也是一种双组份的油漆,除了在耐候性能上和丙烯酸聚氨酯漆有所差别外,漆膜的物理性能,三防性能和丙烯酸聚氨酯漆相差不多。
缺点:户外使用,容易黄变。
北京油漆厂家-北京紫禁城漆业主打以下工业漆产品:1、可喷砂处理至级的钢结构表面(户外使用):无机富锌底漆+环氧云铁漆+丙烯酸漆/氟碳漆环氧富锌底漆+环氧云铁中间漆+丙烯酸聚氨酯漆/脂肪族聚氨酯漆/氟碳漆2、手工除锈、动力除锈的钢结构表面:环氧铁红底漆+云铁中间漆+双组份耐候丙烯酸漆/ 自洁氟碳漆3、水上钢结构设施防腐:环氧铁红底漆+环氧云铁中间漆+氯化橡胶漆/氟碳漆3、水下钢结构设施防腐环氧富锌漆/环氧铁红底漆+环氧云铁中间漆/环氧漆4、户内钢结构油漆:环氧底漆+环氧云铁漆+聚氨酯漆/环氧面漆5、耐高温漆:有机硅耐高温底漆+面漆,6、外墙:墙面封闭底漆+外墙氟碳漆配套体系7、机械设备专用耐油面漆:过氯乙烯漆(各种实色,银色)8、化工防腐漆:高氯化聚乙烯漆(各色、金属色防腐漆,底漆,面漆,中间漆)9、工程机械快干面漆(耐候型快干面漆):快干丙烯酸漆10、管道防腐漆:无机富锌底漆(高温防腐)环氧煤沥青漆(埋地)11、铝合金轻金属:环氧锌黄底漆,PVDF(230℃),中温氟碳漆(180℃)。
钢结构防腐处理方式1、热镀锌防腐法,主要用于受潮严重的户外钢材中,先将钢结构部件浸入融金属槽中,然后对其镀覆,让钢材表面形成一层保护层,具有防腐的效果,2、上漆防腐法,主要用于室内钢材的处理,先将含有纯锌溶剂、改性剂等底漆,涂刷于钢材表面,让其干固,能避免浸蚀物质浸入。
3、电弧喷涂防腐法,主要用于水中和地底下的构造件,先将构件抛光除锈,再打毛,接着点燃电孤熔融金属材料,将它喷漆在事先抛光的构件上,达到抗腐蚀耐磨损的效果。
钢结构为什么要做防腐处理?1.钢材在大气中的腐蚀是电化学腐蚀和化学腐蚀同时作用的结果。
2、要发挥涂料的防腐效果,重要的是漆膜与钢材表面的严密贴敷,若在基底与漆膜之间夹有锈、油脂、污垢及其他异物,不仅会降低防锈效果,反而会加速锈蚀。
因而,进行行钢材的表面处理,防腐C型钢并控制钢材表面的粗糙度,这在涂料涂装前是必不可少的。
3、根据钢材与环境介质的作用原理,腐蚀分为:化学腐蚀和电化学腐蚀。
4、化学腐蚀是指钢材直接与大气或工业废气中的氧气体、碳酸气体、酸气体等发生化学反应而产生腐蚀。
5、钢结构的腐蚀不仅造成经济损失,还直接影响到结构安全,因此,做好钢结构工程的防腐工作具有重要的经济和社会意义。
6、为了减轻或防止钢结构的腐蚀,目前,国内外主要采用涂装方法进行防腐,涂装防护是利用涂料的涂层使钢结构与环境隔离,从而达到防腐的目的,延长钢结构的使用寿命了。
7、钢材表面与外界介质相互作用而引起的破坏称为腐蚀(锈蚀)。
腐蚀不仅使钢材的有效面减小、承载力下降,而且严重影响钢结构的耐久性。
知识拓展钢结构防腐涂料有哪些?钢结构防腐漆主要包括:氟碳面漆、丙烯酸聚氨酯面漆、聚氨酯漆、环氧防腐漆、无机防腐涂料。
1、氟碳面漆氟树脂涂料由于引入的氟元素电负性大,碳氟键能强,具有特别优越的各项性能。
耐候性、耐热性、耐低温性、耐化学药品性,而且具有独特的不粘性和低磨擦性。
2、丙烯酸聚氨酯面漆丙烯酸聚氨酯面漆是一种双组分丙烯酸聚氨酯涂料,装饰性好,耐候性优,优于普通芳香族聚氨酯、橡胶类、乙烯类涂料。
附录A(规范性附录)腐蚀环境分类A.1 大气区大气区腐蚀环境分级见表A.1。
表A.1 大气区腐蚀环境分级腐蚀分级材料损失(第一年暴露后)温性气候下的典型环境(仅作参考)低碳钢锌外部内部质量损失g•m-2厚度损失μm质量损失g•m-2厚度损失μmC2 10~200 1.3~25 0.7~5 0.1~0.7 /钢箱梁封闭环境内表面结构(配置除湿机)C3 中等200~40025~505~150.7~2.1暴露在城市和工业大气,中等二氧化硫污染与低盐度沿海区的钢桥外部结构。
钢箱梁封闭环境内表面结构(未配置除湿机)C4 高400~65050~8015~30 2.1~4.2暴露在工业区和中等盐度的沿海区的钢桥外部结构。
/C5 很高650~150080~20030~60 4.2~8.4暴露在高湿度和恶劣大气的工业区域和高含盐度的沿海区域的钢桥外部结构。
/CX 极端〉1500~5500〉200~700〉60~180〉8.4~25暴露在具有高含盐度的海上区域以及具有极高湿度和侵蚀性大区的热带亚热带工业区域的钢桥外部结构。
/注1:与外部大气相通的内部环境,如风嘴等,其腐蚀环境等同于外部大气腐蚀环境。
注2:未配置除湿机的钢箱梁封闭环境内表面结构所处腐蚀环境相近或低于外部大气腐蚀环境。
A.2 浸水区和埋地区浸水区和埋地区腐蚀环境分级见表A.2表A.2 浸水区和埋地区腐蚀环境分级分类 环境 环境和结构的案例Im1 淡水 内陆淡水河流上的桥梁干湿交替区与水下区钢结构Im2 海水或微咸水 没有阴极保护的海洋环境的桥梁干湿交替区与水下区钢结构Im3 土壤 埋入土壤的桥梁钢结构Im4 海水或微咸水 带有阴极保护的海洋环境的桥梁干湿交替区与水下区钢结构 注:注意腐蚀性类别Im1和Im3,如果采用阴极保护与涂料体系联合防护,要进行相应性能测试。
附录B(资料性附录)防腐涂层体系特殊设计要求B.1 设计要求由水性涂料、石墨烯涂料等环保、高性能涂料,以及环保性低但防腐效果优良的热喷金属涂层等构成的桥梁钢结构防腐涂层体系,其性能应达到5.1.1的要求,并且具有实际桥梁工程应用案例,同时由相关方包括业主、设计单位、涂料供应商以及施工单位组织专家论证会讨论,达成意见一致后方可实施。
钢结构(含除锈、油漆)项目预算价格探讨一、钢结构项目新工艺材料钢结构抛丸除锈工艺是近几年发展起来的新工艺,H型钢构件焊接完成后进入抛丸除锈封闭空间,可以对钢构表面的中锈以下程度构件进行抛丸除锈,抛丸除锈工艺除具有除锈作用本身以外,还可以消除H型钢构件焊接完成以后产生的残余应力,改善钢构件施加荷载后的受力状态。
目前具有一定规模的钢结构企业均具有进行抛丸除锈的车间和设备,与传统的手工除锈、喷沙除锈相比,具有抗腐蚀年限更长、改善构件应力状态的特点,其工序报价通常为260~300 元/t;成品翼缘板:焊接H型钢构件由翼缘板和腹板焊接构成,目前钢材生产企业推出了新品种——成品翼缘板,其规格常见有b=150mm、160mm、180mm、200mm,厚度δ=6~12mm不等;宽度定尺可达到1mm一个规格。
与传统的有普通钢板切割、焊接、抛边构成的H型钢构件相比,材料价格比普通钢板高500~600元/t(现市场价两者接近),而采用成品翼缘板材料损耗率低(普通钢板定额材料损耗率6%),制作过程人工费用底。
定额子目设置滞后于新材料、新工艺的涌现,建议定额管理部门测算、发布成品翼缘板钢构件的消耗水平、编制补充定额子目。
二、钢结构项目定额清单计价目前,钢结构项目在青岛的城阳区、开发区等的工业项目中已广泛采用。
由于钢结构项目的施工工序与普通土建项目有所区别,有其独特的特点和规律。
为便于和市场清单报价项目的对比分析,根据钢结构项目施工工序的特点,以主钢构为例进行对比分析,划分为主钢构制作、除锈、安装、油漆四道工序(即四个清单项目)进行测算。
测算的基础取定为费率比例最低的Ⅲ类工程,非技术措施项目费全不计取,管理费、利润、税金按规定费率计算。
以焊接H型钢柱为例进行测算,钢板材料价取定为4250元/t;钢结构常用的抛丸除锈定额子目缺项,以金属面动力工具除锈代替测算;主钢构油漆按设计通常采用的红丹防锈漆和防火漆各两遍测算;钢结构表面油漆、抛丸除锈表面积按主钢构每吨32m2测算。
我在跨距较大的建筑物中使用钢板内天沟,但其防腐问题始终困扰着我。
曾见过在天沟内表面涂刷了很厚一层油漆(涂料),还有设计在天沟内铺设防水层的方案,请教各位大虾,有没有经济适用的处理办法?我马上就又要用了,急1.我做过一个工程,天沟内刷三道聚氨酯,当然,天沟拼缝内先打胶。
该工程已经二年了,无任何漏水,聚氨酯防水材料为桶装甲乙组分,使用时甲乙组分按1:1比例配合,再加入0.3的二甲苯用于稀释,强制搅拌3-5分钟,配好的料2H内用完。
施工时,先做基层处理,然后用滚刷涂底胶,待手感不沾时可进行下道工序。
在关根部涂附加层,附加层内加玻纤布,正式作坊水层时,用橡胶板刮匀,注意涂刷均匀,不得起泡,并注意成品保护。
注意:防水材料应有合格证,复试报告。
2.我们通常刷环氧树脂,各种色彩的都有,和屋面彩板融为一体防腐效果真的不错,但是刷时的温度必须在零上。
而且不要上底漆,否则影响粘附性。
3.好像环氧涂料耐紫外线能力比较差,会粉化,不宜用于室外,不知青鸟兄遇到这个问题否?4.(可以先用防锈漆刷一道,再用粘上SBS,坡度可用SBS的层数来控制)我觉得楼上的做法不妥,SBS改性沥青卷财需要热溶施工,施工中操作人员往往使用喷灯加热基层与卷材的交界处,进行粘结,其热量足以使防锈漆溶化,也会使钢板变形。
5. 如果造价允许的话,可考虑采用冷喷氟碳柒的方法,采用外国进口锌加涂料也不错6.防腐与防水分开作好一点的防腐可采用富锌环氧底漆。
最好作一下找坡然后是SBS卷材防水。
7.标准做法用镀铝锌钢板做天沟接头处打胶8.如果不采用不锈钢内天沟建议可以喷涂PVDF使用大约25年。
内天沟要求较高后期修补复杂。
钢梁上铺楼承板,再打栓钉,再浇混凝土楼板,这种情况,钢梁上翼缘需不需要刷防锈漆?如果钢梁在车间刷了防锈漆是否影响打栓钉?有相关规范吗?1.关键是看是在室内环境还是在室外环境使用,根据防腐的角度上出发,我建议还是要涂装防腐漆,最少要涂装底漆,因为你铺上钢承板以后(是U型还是另外),不能保证钢梁的上翼沿能够被钢承板全部压住,并密封,有空隙的存在就会产生腐蚀,同时你的镀锌钢承板直接和钢结构表面接触,锌,铁电位不一样,也会产生腐蚀.请问各位行家,新接到一个工程,设计院要求在彩钢板上喷涂防火涂料,这事大家说说怎么弄,规范上有依据吗?1.请问:钢承板上如何做防火处理(因为有镀锌层)是否为组合楼板(钢承板+ 砼),若是就不需要做防火(特殊要求除外)。
钢结构防腐项目报价单(丙烯酸聚氨酯漆)
钢构造防腐项目报价单
项目名称:钢构造防腐项目
询价单位:
项目实行限期【 2017 】年【】月【】日起至【2017】年【】月【】日止,共【14】日
序
服务项目单价数目总价(元)号
1钢构造除锈(单次)------------
2油漆(三次)33 元 / 公斤--------
询价项目内容
3人工费------------
及报价清单
4税率(增值税发票)10%--------
5共计--------40000
用料:鲁南牌丙烯酸聚氨酯漆(33 元 / 公斤)。
总价:肆万元整(包括两个钢构造主体)。
甲方需预支总价的30%作为入场费(12000 元)。
施工结束后甲方查收合格,质
付款要求量达标,甲方需于15 日内支付总价的65%( 26000 元),预留总价的5%( 2000元)作为质保金,施工满一年后所有结清。
报价单位名称(盖印):唐山美博士室内环境治理有限企业
法定代表人或拜托代理人署名:
报价时间:【 2017 】年【 03】月【 25】日。