摇臂钻床电气原理图
- 格式:pdf
- 大小:66.88 KB
- 文档页数:3
123456控制变压器保护QF21照明和指示灯电源主轴箱立柱SB1主电机控制起动停止横臂升降控制上升下降液压泵电机松开夹紧延时分配阀主轴箱立柱SA闭合表35XT1XT2给电延时,延时开启DXT2SB413XT215XT2SQ2SB5KT3E25XT215SQ2KT2G31XT2KT2H37DXT1XT2SB6SQ341XT1XT243断电延时,延时闭合SASB643XT2SB7KT2D49XT1XT253XT2断电延时,延时开启SB2 TC1.8UV~110V241~24VXT1XT2QF3243KM1C11XT2SQ4CSQ17XT2SQ1SB7-60°0°60°39 XT1XT2KT3GABBA17XT2SB521XT2SB427XT2KM2D29KM5DSQ533KT1C45KM4DKT1HSA245XT1XT1XT2KM3D55XT2XT357XT2XT3C2 FR1BXT1PEXBNXT1XT2ELXT5HL1HL2HL3KM1B1.32."4KT1BKM2B2.51."42."5KM3B1.52."5KM4B1.52."6FR2B41.62."5KT2B2.5KT3AYA12.5YA2BA使用说明书第30页1."32."61."41."51."51."62."62."51.31."41."51."51."62."7(3)摇臂升降按上升(或下降)按钮SB4(或SB5),时间继电器KT1吸合,使交流接触器KM4得电吸合,液压泵电机M3旋转,压力油经分配阀进入摇臂松开油腔,推动活塞和菱形块使摇臂松开.同时活塞杆通过弹簧片压限位开关SQ2,使交流接触器KM4失电释放,交流接触器KM2(或KM3)得电吸合,液压泵电机M3停止旋转,升降电机M2旋转,带动摇臂上升(或下降)。
“维修电工”技能考核项目Z3050型摇臂钻床电气控制电路原理与维修主编:童光法重庆市铜梁职业教育中心2013年5月Z2030 摇臂钻床电气原理图QS1KM1KM2KM3KM4KM5YAKT FU11Z3050型摇臂钻床电气控制一、 Z3050型摇臂钻床介绍 (一)作用钻床是一种用途广泛孔加工机床,可用来钻孔、扩孔、绞孔、攻螺纹及修刮端面多种形式的加工。
钻床的结构形式很多,有立式钻床、卧室钻床、深孔钻床等。
摇臂钻床是一种立式钻床,它用于单件或批量生产中带有多孔大型零件的孔加工,是一般机械加工车间常用的机床。
(二)、结构摇臂钻床主要由底座、内外立座、摇臂、主轴箱和工作台组成。
摇臂的一端为套筒,套筒在外立柱上,幵借助丝杆的正、反转可沿外立柱上下移动。
主轴箱安装在摇臂的水平轨上可通过手轮操作使其在水平导轨上沿摇臂移动。
加工时。
根据工件高度的不同,摇臂借助于丝杆可带着主轴箱沿外立柱上下升降。
在升降之前,应自动将摇臂松开,再进行升降,主轴箱摇臂工作台电源开内立柱主轴主轴电动机升降电动机升降丝杆当达到所需的位置时,摇臂自动夹紧在立柱上。
摇臂钻床钻削加工分为工作运动和辅助运动。
工作运动包括:主运动(主轴的旋转运动)和进给运动(主轴轴向运动);辅助运动包括:主轴箱沿摇臂的横向移动,摇臂的回转和升降运动。
钻削加工时,钻头一面旋转一面作纵向进给。
1、采用4台电动机拖动,分别是主轴电动机M1,摇臂升降电动机M2,液压泵电动机(即松紧电机)M3和冷却泵电动机M4。
2、电机运动方式:(1)主轴电动机M1的运动:为了适应多种形式的加工要求,摇臂钻床主轴的旋转及进给运动有较大的调速范围,一般情况下多由机械变速机构实现。
主轴变速机构与进给变速机构均装在主轴箱内。
在加工螺纹时,要求主轴能正反转。
摇臂钻床主轴正反转一般采用机械方法实现。
因此主轴电动机仅需要单向旋转。
主轴操纵机构液压系统:安装在主轴箱内,用以实现主轴正反、停车制动、空挡、预选及变速;(2)升降电机M2运动方式:摇臂升降由单独的一台电动机M2拖动,要求能实现正反转。
Z3050摇臂钻床电气控制电路钻床是一种用途广泛的孔加工机床。
它主要是用钻头钻削精度要求不太高的孔,另外还可用来扩孔、铰孔、镗孔,以及刮平面、攻螺纹等。
钻床的结构形式很多,有立式钻床、卧式钻床、深孔钻床及多轴钻床等。
摇臂钻床是一种立式钻床,它适用于单件或批量生产中带有多孔的大型零件的孔加工。
本节以Z3050型摇臂钻床为例进行分析。
Z3050型摇臂钻床的含义为:一、主要结构及运动形式图7 —9是Z3050摇臂钻床的外形图。
Z3050摇臂钻床主要由底座、内立柱、外立柱、摇臂、主轴箱、工作台等组成。
内立柱固定在底座上,在它外面套着空心的外立柱,外立柱可绕着内立柱回转一周,摇臂一端的套筒部分与外立柱滑动配合,借助于丝杆,摇臂可沿着外立柱上下移动,但两者不能做相对转动,所以摇臂将与外立柱一起相对内立柱回转。
主轴箱是一个复合的部件,它具有主轴及主轴旋转部件和主轴进给的全部变速和操纵机构。
主轴箱可沿着摇臂上的水平导轨做径向移动。
当进行加工时,可利用特殊的夹紧机构将外立柱紧固在内立柱上,摇臂紧固在外立柱上,主轴箱紧固在摇臂导轨上,然后进行钻削加工。
钻削加工时,主运动为主轴的旋转运动;进给运动为主轴的垂直移动;辅助运动为摇臂在外立柱上的升降运动、摇臂与外立柱一起沿内立柱的转动及主轴箱在摇臂上的水平移动。
主釉e e图7 —9 Z3050摇臂钻床结构示意图二、摇臂钻床的电力拖动及控制要求1 .由于摇臂钻床的运动部件较多,为简化传动装置,需使用多台电动机拖动,主轴电动机承担主钻削及进给任务,摇臂升降、夹紧放松和冷却泵各用一台电动机拖动。
2.为了适应多种加工方式的要求,主轴及进给应在较大范围内调速。
但这些调速都是机械调速,用手柄操作变速箱调速,对电动机无任何调速要求。
主轴变速机构与进给变速机构在一个变速箱内,由主轴电动机拖动。
3 .加工螺纹时要求主轴能正反转。
摇臂钻床的正反转一般用机械方法实现,电动机只需单方向旋转。
4 .摇臂升降由单独的一台电动机拖动,要求能实现正反转。
Z3040型摇臂钻床的电气控制线路钻床可进行钻孔、扩孔、铰孔、镗孔及攻丝,因此要求钻床的主运动和进给运动有较宽的调速范围。
钻床的调速一般是通过三相异步电机和变速箱来实现的,也有的是用多速异步电动机拖动以简化变速机构。
Z3040型摇臂钻床适合于在大、中型零件上进行孔加工,其运动形式有:主轴的旋转运动、进给运动、摇臂的升降运动、立柱的夹紧和放松、摇臂的回转和主轴箱的左右移动。
主轴的旋转运动和进给运动由一台异步电动机拖动,摇臂的升降由一台异步电动机拖动,摇臂、立柱和主轴箱的松夹由一台液压泵电动机拖动,摇臂的回转和主轴箱的左右移动通常采纳手动。
此外还有一台冷却泵电动机对刀具和工件进行冷却。
加工螺纹时,主轴需要正反转,该机床采纳机械变换方法来实现,故主电动机只有一个旋转方向。
此外,为保证平安生产,其主轴旋转和摇臂升降不允许同时进行。
Z3040型摇臂钻床的电气掌握线路图如图所示。
一、主电路Z3040型摇臂钻床的主电路、掌握电路和信号电路的电源均采纳自动开关引入,自动开关中的电磁脱扣作为短路爱护取代了熔断器。
主电动机M1的接通和断开由接触器KM1掌握,升降电动机M2的正反转由接触器KM2、KM3掌握,液压泵电动机M3的正反转由接触器KM4、KM5掌握。
M1和M3分别用热继电器FR1和FR2作过载爱护,升降电动机M2和冷却泵电动机M4均为短时工作,未设过载爱护。
二、掌握电路掌握电路扼电源由掌握变压器TC二次侧输出110V供电,中间抽头603对地为信号灯电源6.3V,241号线对地为照明变压器TD二次侧输出36V。
1、主电动机的旋转掌握在主电动机启动前,首先将自动开关Q2、Q3、Q4扳到接通状态,同时将配电盘的门关好并锁上。
然后再将自动开关Q1扳到接通位置,电源指示灯亮。
这时按下总启动按钮SB1,中间继电器KA1通电并自锁,为主电动机与其他电动机的启动做好了预备。
当按下主电动机启动按钮SB2时,接触器KM1线圈通电并自锁,使主电动机M1旋转,同时主电动机旋转的指示灯HL4亮。
Z35型摇臂钻床的电气控制原理与维修姓名:张华三单位:镔鑫特钢有限公司摘要:先合上电源开关QS1,将十字开关SA的手柄扳到左侧位置,SA(2-3)接通,零压继电器KA线圈通电,如果电源电压正常,则KA(2-3)接通自锁,为各台电动机通电作好准备。
1、Z35型摇臂钻床简介Z35型摇臂钻床用来对大型零件进行钻孔、扩孔、锪孔、铰孔和攻螺纹等。
它主要由底座、内立柱、摇臂、主轴箱、工作台和外立柱等部分组成,如图14-7所示。
底座上固定着工作台和钻床的内立柱,在内立柱的外面套着外立柱,外立柱可绕内立柱回转3600。
摇臂的一端套在外立柱上,它们之间为滑动配合,可作上下移动,但是不能转动。
摇臂上有主轴箱,主轴箱可沿摇臂水平移动。
在主轴箱上有主轴和主轴电动机,还有主轴转动的传动机构和主轴纵向进给运动的传动机构。
为了满足多种钻削和攻螺纹的要求,主轴应能正、反转和较大范围的调速。
这些要求都是通过机械方法来实现的。
主轴电动机要同时拖动主轴转动和进给运动,所以功率较大。
摇臂的升降和立柱夹紧、放松都要求电动机能正、反转。
在摇臂升降时,不允许主轴电动机同时转动,所以要求控制线路进行联锁。
在钻削时,主轴箱、摇臂、外立柱均要紧固在位置上,靠机一电结合的方法来实现。
在钻削中钻头和加工件会产生热量,所以需要用冷却泵电动机输送冷却液。
此外还要求控制线路有过载保护、短路保护、限位保护和零压保护等。
2、主要电器设备及主要环节。
Z35型摇臂钻床的电气控制线路如图所示。
电路中有四台鼠笼式异步电动机。
其中M1是冷却泵电动机,功率为0.125KW,由于功率较小,所以采用转换开关QS2直接控制,不设过载保护。
M2是主轴电动机,功率为5.5KW,用热继电器FR作过载保护。
摇臂升降M3电动机和M4立柱夹紧、松开电动机的功率都较小,分别为1.5KW 和0.8KW,具有正、反转控制,因是短期工作制,故不设过载保护。
M2、M3、M4的功率不大,所以采用直接起动。
电子电工经典畅销图书专辑怎样识读电气控制电路图SB2,KM5失电释放,M4失电停转。
(4)冷却泵电动机M1的控制M1由转换开关QS2直接控制。
4.4.3 Z3040型摇臂钻床电气控制电路Z3040型摇臂钻床电气控制电路如图4.4.4所示,其中M1为主轴电动机,M2为摇臂升降电动机,M3为液压泵电动机,M4为冷却泵电动机,QS为总电源控制开关。
其电气元件明细表见表4.4.3。
表4.4.3 Z3040型摇臂钻床主要电气元件明细表符号名称及用途符号名称及用途M1主轴电动机驱动主轴及进给YA 电磁铁主轴箱松紧M2摇臂升降电动机驱动摇臂升降SA1组合开关冷却泵电动机启、停M3 液压泵电动机摇臂、立柱和主轴箱松开、夹紧SA2转换开关照明灯控制M4冷却泵电动机驱动冷却泵FR1热继电器主轴电动机过载保护KM1主轴旋转接触器主轴电动机启、停FR2热继电器液压泵电动机过载保护KM2摇臂上升接触器摇臂升降电动机正转TC 变压器控制电路、指示电路电源KM3摇臂下降接触器摇臂升降电动机反转SB1主轴电动机停止按钮KM4接触器液压泵电动机正转SB2主轴电动机启动按钮KM5接触器液压泵电动机反转SB3摇臂上升按钮KT 时间继电器控制KM5吸合时间SB4摇臂下降按钮SQ1限位开关摇臂升降限位保护SB5立柱、主轴箱松开按钮SQ2限位开关控制摇臂松开SB6立柱、主轴箱夹紧按钮SQ3限位开关控制摇臂夹紧EL 照明灯安全照明SQ4限位开关立柱与主轴箱松紧指示HL1~HL3指示灯工作状态指示QS 断路器总电源的输入【看图思路】(1)电气—机械—液压装置在控制中的相互配合该机床采用先进的液压技术,具有两套液压控制系统:一套是操纵机构液压系统,由主轴电动机拖动齿轮泵输送压力油,通过操纵机构实现主轴正/反转、停车制动、空挡、预选与变速;另一套由液压泵电动机拖动液压泵输送压力油,实现摇臂的夹紧与松开,主轴箱和立柱的夹紧与松开。
①操纵机构液压系统。
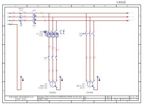
Z3050摇臂钻床电气原理图Z3050摇臂钻床电气原理图1 主电路设计(2,7区)三相电源L1 L2 L3由电源开关QS控制,熔断器FU1实现对全电路的短路保护(1区)。
从2区开始就是主电路。
主电路有4台电动机。
1) M4(2区)是冷却泵电动机,带动冷却泵供给工件冷却液。
由于M4容量较小,因此不需要过载保护,由转换开关QS2直接控制。
M4直接起动,单向旋转。
2) M1(3区) 是主轴电动机,带动主轴的旋转运动和垂直运动,是主运动和进给运动电动机。
它由KM1的主触点控制,其控制线圈在13区。
热继电器FR1做过载保护,其常闭触点在13区。
M1直接起动,单向旋转。
主轴的正反转由液压系统和正反转摩擦离合器来实现,空档,制动及变速也由液压系统来实现。
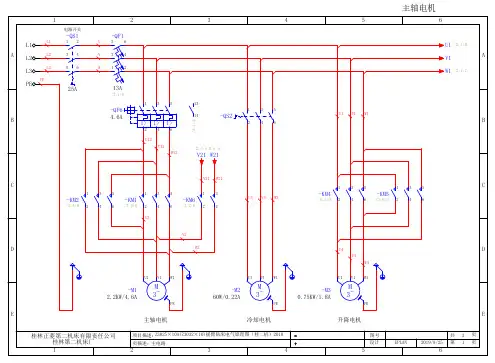
3) M2(4,5区) 是摇臂升降电动机,带动摇臂沿立柱的上下移动。
它由KM2,KM3的主触点控制正反转,其控制线圈分别在15,16区。
电动机M2是短时运行,因此不需要过载保护。
4) M3(6,7区) 是液压泵电动机,带动液压泵送出压力油以实现摇臂的松开,夹紧和主轴箱的松开,夹紧控制。
它由KM4,KM5的主触点控制其正反转,控制线圈分别在17,18区。
热继电器FR2作过载保护。
其常闭触点在17区。
熔断器FU2作摇臂升降电动机M2,液压电动机M3和控制电路的短路保护。
2 控制电路的设计(13,19控制电区)控制电路由控制变压器TC(8区) 将380V交流电源降为127V. 1)主轴电动机M1的控制电路(13区)。
主轴电动机M1的控制电路是典型的电动机单向连续控制电路。
SB1,SB2分别为砂轮电动机M1的停止和启动按钮。
2) 摇臂升降的控制电路(14,19区)。
摇臂升降由摇臂升降电动机M2作动力,按钮SB3,SB4分别为摇臂上升,下降的点动按钮,和KM3,KM2组成接触器按钮双重连锁的正反转点动控制电路(15,16区)。
由于摇臂的升降控制须与夹紧机构液压系统紧密配合:摇臂升降前,先把摇臂松开,再由M2驱动升降;摇臂升降到位后,再重新夹紧。