角度尺寸的极限偏差数值
- 格式:doc
- 大小:214.50 KB
- 文档页数:14
未注公差等级根据国标GB/T 1804-2000<<一般公差未注公差的线性和角度尺寸的公差>> 线性尺寸,我司决定选用等级(m)为未注公差等级的加工尺寸与角度的公差。
对未注公差的检验与控制要求,按GB/T1804-2000。
表1 线性尺寸的极限偏差数值mm1表2 倒圆半径和倒角高度尺寸的极限偏差数值mm2表3给出了角度尺寸的极限偏差数值,其值按角度短边长度确定.对圆锥角按圆锥素线长度确定。
表3 角度尺寸的极限偏差数值3未注尺寸公差按GB/T1804-m线性尺寸的极限偏差数值(GB/T1804-2000)(mm)公差等级基本尺寸分段0.5~3 >3~6 >6~30 >30~120 >120~400 >400~1000 >1000~2000 精密 f ±0.05 ±0.05 ±0.1 ±0.15 ±0.2 ±0.3 ±0.5中等 m ±0.1 ±0.1 ±0.2 ±0.3 ±0.5 ±0.8 ±1.2粗糙 e ±0.2 ±0.3 ±0.5 ±0.8 ±1.2 ±2 ±3最粗 v -- ±0.5 ±1 ±1.5 ±2.5 ±4 ±6倒圆半径和倒角高度尺寸的极限偏差(GB/T1804-2000) mm公差等级基本尺寸分段0.5~3 >3~6 >6~30 >30精密 f ±0.2 ±0.5 ±1 ±24中等 m粗糙 e ±0.4 ±1 ±2 ±4最粗 v角度尺寸的极限偏差数值(GB/T1804-2000)公差等级基本尺寸分段~10 >10~50 >50~120 >120~400 >400精密 f ±1o ±30′±20′±10′±5′中等 m粗糙 e ±1o30′ ±1o ±30′±20′±10′最粗 v ±3o ±2o ±1o ±30′±20′未注形位公差按GB/T1184-K直线度和平面度未注公差值(GB/T1184-1996)(mm)公差等级基本长度范围5≤10>10~30 >30~100 >100~300 >300~1000 >1000~3000H 0.03 0.05 0.1 0.2 0.3 0.4K 0.05 0.1 0.2 0.4 0.6 0.8L 0.1 0.2 0.4 0.8 1.2 1.6垂直度未注公差值(GB/T1184-1996)(mm)公差等级基本长度范围≤100>100~300 >300~1000 >1000~3000H 0.2 0.3 0.4 0.5K 0.4 0.6 0.8 1L 0.4 1 1.5 2对称度未注公差值(GB/T1184-1996)(mm)公差等级基本长度范围≤100>100~300 >300~1000 >1000~3000H 0.56K 0.6 0.8 1L 0.6 1 1.5 2圆跳动的未注公差值(GB/T1184-1996)(mm)公差等级圆跳动公差值H 0.1K 0.2L 0.33.表面粗糙度零件的表面都应该注明粗糙度的等级。
1.线性尺寸的极限偏差数值(GB/T1804-2000)(mm)公差等级基本尺寸分段0.5~3>3~6>6~30>30~120>120~400>400~1000>1000~2000精密f±0.05±0.05±0.1±0.15±0.2±0.3±0.5中等m±0.1±0.1±0.2±0.3±0.5±0.8±1.2粗糙e±0.2±0.3±0.5±0.8±1.2±2±3最粗v--±0.5±1±1.5±2.5±4±62.倒圆半径和倒角高度尺寸的极限偏差(GB/T1804-2000)mm公差等级基本尺寸分段0.5~3>3~6>6~30>30精密f±0.2±0.5±1±2中等m粗糙e±0.4±1±2±4最粗v3.角度尺寸的极限偏差数值(GB/T1804-2000)公差等级基本尺寸分段~10>10~50>50~120>120~400>400精密f±1°±30′±20′±10′±5′中等m粗糙e±1°30′±1°±30′±20′±10′最粗v±3°±2°±1°±30′±20′4.未注形位公差按GB/T1184-K4.1直线度和平面度未注公差值(GB/T1184-1996)(mm)公差等级基本长度范围≤10>10~30>30~100>100~300>300~1000>1000~3000 H0.030.050.10.20.30.4K0.050.10.20.40.60.8L0.10.20.40.8 1.2 1.64.2垂直度未注公差值(GB/T1184-1996)(mm)公差等级基本长度范围≤100>100~300>300~1000>1000~3000 H0.20.30.40.5K0.40.60.81L0.41 1.524.3对称度未注公差值(GB/T1184-1996)(mm)公差等级基本长度范围≤100>100~300>300~1000>1000~3000 H0.5K0.60.81L0.61 1.524.4圆跳动的未注公差值(GB/T1184-1996)(mm)公差等级圆跳动公差值H0.1K0.2L0.33.表面粗糙度零件的表面都应该注明粗糙度的等级。
未注尺寸公差一、未注尺寸公差按 GB/T1804(1)线性尺寸的极限偏差数值(GB/T1804-2000)(mm)(2)倒圆半径和倒角高度尺寸的极限偏差(GB/T1804-2000) mm(3)角度尺寸的极限偏差数值(GB/T1804-2000)二、未注形位公差按 GB/T1184GB/T1184-1996)(mm)三、选用原则(1)机械加工未注尺寸公差一般选用“m”级,未注形位公差一般选用“K”级。
(2)板金加工未注尺寸公差一般选用“c”级,未注形位公差一般选用“L”级。
四、表面粗糙度零件的表面都应该注明粗糙度的等级。
如果较多的表面具有相同的表面粗糙度等级,则要集中在图样右上角标注,并加“其余”字样。
粗糙度等级的选择,一般可以根据对各表面的工作要求和尺寸精度等级来决定,在满足工作要求的条件下,不得随意提高等级。
(1)取样长度和评定长度的选用值(GB/T1031-1995)Ra(μm) Rz(μm) 取样长度 l(mm) 评定长度 l n(mm)>0.003~0.02 >0.025~0.10 0.08 0.4>0.02~0.10 >0.1~0.50 0.25 1.25>0.1~2.0 >0.50~10.0 0.8 4.0>2.0~10.0 >10.0~50 2.5 12.5>10.0~80 >50~320 8.0 40.0(2)轮廓算术平均偏差 Ra 的数值(GB/T1031-1995)(μm)第 1 系列 0.012, 0.025, 0.050, 0.10, 0.20, 0.40, 0.80, 1.60, 3.2, 6.3, 12.5, 25, 50, 100 第 2 系列 0.008, 0.010, 0.016, 0.020, 0.032, 0.040, 0.063, 0.080,0.125, 0.160, 0.25, 0.32, 0.50, 0.63, 1.0, 1.25, 2.0, 2.5, 4.0, 5.0,8.0, 10.0, 16.0, 20, 32, 40, 63, 80 注:尽量选择第 1 系列(3)轮廓最大高度 Rz 的数值(GB/T1031-1995)(μm)第 1 系列 0.025, 0.050, 0.100, 0.20, 0.40, 0.80, 1.60, 3.2, 6.3, 12.5, 25, 50, 100,200,400,800,1600,第2系列 0.032, 0.040, 0.063, 0.080, 0.125, 0.160, 0.25, 0.32, 0.50, 0.63, 1.0, 1.25, 2.0, 2.5, 4.0, 5.0, 8.0, 10.0, 16.0, 20, 32, 40, 63,80,125,160,250,320,500,630注:尽量选择第 1 系列。
2•倒圆半径和倒角高度尺寸的极限偏差( GB/T1804-2000 ) mm4•未注形位公差按 GB/T1184-K4.1直线度和平面度未注公差值( GB/T1184-1996) ( mm)4.2垂直度未注公差值(GB/T1184-1996 ) ( mm)4.3对称度未注公差值(GB/T1184-1996 ) ( mm)4.4圆跳动的未注公差值( GB/T1184-1996 ) ( mm)3•表面粗糙度零件的表面都应该注明粗糙度的等级。
如果较多的表面具有相同的表面粗糙度等级,则要集中在图样右上角标注,并加“其余”字样。
粗糙度等级的选择,一般可以根据对各表面的工作要求和尺寸精度等级来决定,在满足工作要求的条件下,不得随意提高等级。
1)取样长度和评定长度的选用值( GB/T1031-1995 )2)轮廓算术平均偏差 Ra的数值(GB/T1031-1995 )(卩m)第 1 系列第 2 系列0.012, 0.025, 0.050, 0.10, 0.20, 0.40, 0.80, 1.60, 3.2, 6.3, 12.5, 25, 50, 100 0.008, 0.010, 0.016, 0.020, 0.032, 0.040, 0.063, 0.080, 0.125, 0.160, 0.25,0.50, 0.63, 1.0, 1.25, 2.0, 2.5, 4.0, 5.0, 8.0, 10.0, 16.0, 20, 32, 40, 63, 80 注:尽量选择第 1系列3)轮廓最大高度 Rz的数值(GB/T1031-1995 )(卩m)第 1 系列800,1600,第 2 系列0.025, 0.050, 0.100, 0.20, 0.40, 0.80, 1.60, 3.2, 6.3, 12.5, 25, 50, 100 ,200,400,4.0,5.0, 8.0, 10.0, 16.0, 20, 32, 40, 63, 80,125,160,250,320,500,630(注:表格素材和资料部分来自网络,供参考。
自由公差对照表1.线性尺寸的极限偏差数值(GB/T1804-2000)
2.倒圆半径和倒角高度尺寸的极限偏差(GB/T1804-2000)
3.角度尺寸的极限偏差数值(GB/T1804-2000)
4.未注形位公差按GB/T1184-K
4.1直线度和平面度未注公差值(GB/T1184-1996)
4.2垂直度未注公差值(GB/T1184-1996)
4.3对称度未注公差值(GB/T1184-1996)
4.4圆跳动的未注公差值(GB/T1184-1996)
5.表面粗糙度
零件的表面都应该注明粗糙度的等级。
如果较多的表面具有相同的表面粗糙度等级,则要集中在图样右上角标注,并加“其余”字样。
粗糙度等级的选择,一般可以根据对各表面的工作要求和尺寸精度等级来决定,在满足工作要求的条件下,不得随意提高等级。
1)取样长度和评定长度的选用值(GB/T1031-1995)
2)轮廓算术平均偏差Ra的数值(GB/T1031-1995)(μm)
注:尽量选择第1系列
3)轮廓最大高度Rz的数值(GB/T1031-1995)(μm)。
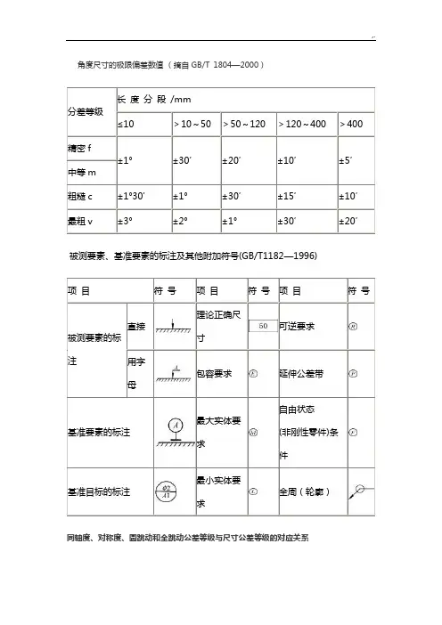
角度尺寸的极限偏差数值(摘自GB/T 1804—2000)被测要素、基准要素的标注及其他附加符号(GB/T1182—1996)理论正确尺寸可逆要求包容要求延伸公差带最大实体要求自由状态(件最小实体要求全周(轮廓)同轴度、对称度、圆跳动和全跳动公差等级与尺寸公差等级的对应关系平行度、垂直度和倾斜度公差等级与尺寸公差等级的对应关系圆度、圆柱度公差值及应用实例(GB/T1184—1996)直线度、平面度公差值及应用举例(GB/T1184—1996)未注形位公差的公差值 (GB/T1184—1996) (mm)注:线轮廓度、面轮廓度、倾斜度与位置度的未注公差值均未作具体规定。
形位公差特征的符号(GB/T1182—1996)无有有无有无有或无无有有线轮廓度有或无有面轮廓度有或无有形位公差的定义(GB/T1182—1996)直线度公差在给定平面内,公差带是距离为公差值t的两平行直线之间的区域被测表面的要素,必须位于平行于图样所示投影面且距离为公差值0.1的两平行直线内在给定方向上公差带是距离为公差值t的两平行平面之间的区域被测圆柱面的任一素线必须位于距离为公差值0.1的两平行平面之内平面度公差公差带是距离为公差值t的两平行平面之间的区域被测表面必须位于距离为公差值0.08的两平行平面内圆度公差公差带是在同一正截面上,半径差为公差值t的两同心圆之间的区域被测圆柱面任一正截面的圆周必须位于半径差为公差值0.03的两同心圆之间被测圆锥面任一正截面上的圆周必须位于半径差为公差值0.1的两同心圆之间差线轮廓度公差公差带是包络一系列直径为公差值t 的圆的两包络线之间的区域,诸圆的圆心位于具有理论正确几何形状的线上d=t无基准要求的线轮廓度公差见图a有基准要求的线轮廓度公差见图b在平行于图样所示投影面的任一截面上,被测轮廓线必须位于包络一系列直径为公差值0.04,且圆心位于具有理论正确几何形状的线上的两包络线之间面轮廓度公差公差带是包络一系列直径为公差值t的球的两包络面之间的区域,诸球的球心应位于具有理论正确几何形状的面上d=t被测轮廓面必须位于包络一系列球的两包络面之间,心位于具有理论正确几何形状的面上的两包络面之间平行度公差公差带是距离为公差值t,且平行于基准线,并位于给定方向上的两平行平面之间的区域被测轴线必须位于距离为公差值0.1,且在给定方向上平行于基准轴线的两平行平面之间被测轴线必须位于距离为公差值给定方向上平行于基准轴线的两个平等平面之间公差带是两对相互垂直的距离为t1和t2,且平行于基准线的两平行平面之间的区域被测轴线必须位于距离分别为公差值0.2和0.1的在给定的互相垂直方向上且平行于基准轴线的两组平行平面之间如在公差值前加注φ,公差带是直径为公差值t,且平行于基准线的圆柱面内的区域被测轴线必须位于直径为公差值0.03且平行于基准轴线的圆柱面内公差带是距离为公差值t,且平行于基准平面的两平行平面之间的区域被测轴线必须位于距离为公差值0.01,且平行于基准表面B(基准平面)的两平行平面之间公差带是距离为公关值t,且平行于基准线的两平行平面之间的区域被测表面必须位于距离为公差值0.1,且平行于基准线C(基准轴线)的两平行平面之间垂直公差公差带是距离为公差值t,且垂直于基准线的两平行平面之间的区域被测轴线必须位于距离为公差值0.06,且垂直于基准线A(基准轴线)的两平行平面之间在给定方向上,公差带是距离为公差值t且垂直于基准面的两平行平面之间的区域在给定方向上被测轴线必须位于距离为公差值0.1,且垂直于基准表面A的两平行平面之间垂直于基准面的两对平行平面之间的区域0.1的互相垂直且垂直于基准平面的两对平行平面之间如公差值前加注φ,则公差带是直径为公差值t,且垂直于基准面的圆柱面内的区域被测轴线必须位于直径为公差值0.01,且垂直于基准面A(基准平面)的圆柱面内公差带是距离为公差值t,且垂直于基准面的两平行平面之间的区域被测面必须位于距离为公差值0.08且垂直于基准平面A的两平行平面之间倾斜度公被测线和基准线在同一平面内,公差带是距离为公差值t,且与基准线成一给定角度的两平行平面之间的区域被测轴线必须位于距离为公差值0.08,且与A—B公共基准线成一理论正确角度的两平行平面之间平行平面之间的区域。
角度尺寸的极限偏差数值(摘自GB/T 1804—2000)
被测要素、基准要素的标注及其他附加符号(GB/T1182—1996)
同轴度、对称度、圆跳动和全跳动公差等级与尺寸公差等级的对应关系
圆度、圆柱度公差值及应用实例(GB/T1184—1996)
直线度、平面度公差值及应用举例(GB/T1184—1996)
未注形位公差的公差值 (GB/T1184—1996) (mm)
注:线轮廓度、面轮廓度、倾斜度与位置度的未注公差值均未作具体规定。
形位公差特征的符号(GB/T1182—1996)
形位公差的定义(GB/T1182—1996)
文档来源为:从网络收集整理.word版本可编辑.欢迎下载支持.
11文档来源为:从网络收集整理.word版本可编辑.。
未注尺寸公差、未注形位公差及表面粗糙度一、未注尺寸公差按GB/T1804(1)线性尺寸的极限偏差数值(GB/T1804-2000)(mm)公差等级尺寸分段0.5~3>3~6>6~30>30~120>120~400>400~1000>1000~2000>2000~4000f(精密级)±0.05±0.05±0.1±0.15±0.2±0.3±0.5-m(中等级)±0.1±0.1±0.2±0.3±0.5±0.8±1.2±2 c(粗糙级)±0.2±0.3±0.5±0.8±1.2±2±3±4 v(最粗级)-±0.5±1.5±1.5±2.5±4±6±8(2)倒圆半径和倒角高度尺寸的极限偏差(GB/T1804-2000)mm公差等级尺寸分段0.5~3>3~6>6~30>30f(精密级)±0.2±0.5±1±2m(中等级)c(粗糙级)±0.4±1±2±4v(最粗级)注:倒圆半径与倒角高度的含义见GB6403.4(零件倒圆与倒角)(3)角度尺寸的极限偏差数值(GB/T1804-2000)公差等级长度mm≤10>10~50>60~120>120~400>400m(中等级)±1°±30'±20'±20'±5' c(粗糙级)±1°30'±1°±30'±30'±10' v(最粗级)±3°±2°±1°±1°±20'二、未注形位公差按GB/T1184(4)直线度和平面度未注公差值(GB/T1184-1996)(mm)公差等级直线度和平面度基本长度的范围~10>10~30>30~100>100~300>300~1000>1000~3000H0.020.050.10.20.30.4 K0.050.10.20.40.60.8 L0.10.20.40.8 1.2 1.6(5)垂直度未注公差值(GB/T1184-1996)(mm)公差等级垂直度公差短边基本长度的范围~100>100~300>300~1000>1000~3000H0.20.30.40.5 K0.40.60.81 L0.511,52(6)对称度未注公差值(GB/T1184-1996)(mm)公差等级对称度公差基本长度的范围~100>100~300>300~1000>1000~3000H0.5K0.60.81 L0.61 1.52(7)圆跳动的未注公差值(GB/T1184-1996)(mm)公差等级圆跳动一般公差值H0.1K0.2L0.5三、选用原则(1)机械加工未注尺寸公差一般选用“m”级,未注形位公差一般选用“K”级。
GB/T1804-2000 一般公差未注的线性和角度尺寸的公差GB/T 6414-1999 一般公差未注的线性和角度尺寸的公差表1 线性尺寸的极限偏差数值大于至123567910—100.090.130.180.360.520.74 1.5210160.10.140.20.380.540.78 1.6 2.216250.110.150.220.420.580.82 1.7 2.425400.120.170.240.460.640.9 1.8 2.640630.130.180.260.50.712 2.8631000.140.20.280.560.78 1.1 2.2 3.21001600.150.220.30.620.88 1.2 2.5 3.6160250—0.240.340.721 1.4 2.84250400——0.40.78 1.1 1.6 3.2 4.4400630———0.9 1.2 1.8 3.656301000———1 1.424610001600——— 1.11.62.2 4.67备注:以上有省略部分不常用的基本尺寸和公差带,详见标准.表1 壁厚允许偏差表2 非壁厚尺寸H 允许偏差外接圆直径H 尺寸公差≤3.000.13A B,C B,C A B,C>3.0~10.00.150.130.210.230.300.35>10.0~15.00.170.130.210.250.360.38>15.0~30.00.210.150.260.300.380.45>30.0~45.00.260.170.510.600.410.90>45.0~60.00.310.17——0.41—>60.0~1000.520.20——0.43—0.21——0.46—0.26——0.48—*表1,表2的公差均为高精级;*表1中所示的A,B,C 对应的尺寸如右图所示3.2≤100*表2中外接圆的直径为挤压筒的直径,可直接从我们型材的截面最大尺寸上判断;1.61.822.22.62.8811.11.21.31.4>6.00~10.00>10.00~15.00>15.00~20.00>20.00~30.00>30.00~40.00高精级GB/T 5237.1-2008 铝型材基材级别公称壁厚≤1.50>1.50~3.00>3.00~6.00铸件尺寸公差CT1)0.230.250.30对应于下列外接圆直径的型材壁厚尺寸允许公差≤100>100~250>250~350A 0.150.150.180.200.200.560.640.720.80.30.320.360.40.440.5基本尺寸40.260.28。
未注尺寸公差一、未注尺寸公差按GB/T1804(1)线性尺寸的极限偏差数值(GB/T1804-2000)(mm)公差等级尺寸分段0.5~3 >3~6 >6~30 >30~120 >120~400 >400~1000 >1000~2000 >2000~4000 f(精密级) ±0.05 ±0.05 ±0.1 ±0.15 ±0.2 ±0.3 ±0.5 -m(中等级) ±0.1 ±0.1 ±0.2 ±0.3 ±0.5 ±0.8 ±1.2 ±2c(粗糙级) ±0.2 ±0.3 ±0.5 ±0.8 ±1.2 ±2 ±3 ±4v(最粗级) - ±0.5 ±1.5 ±1.5 ±2.5 ±4 ±6 ±8 (2)倒圆半径和倒角高度尺寸的极限偏差(GB/T1804-2000)mm公差等级尺寸分段0.5~3 >3~6 >6~30 >30f(精密级)±0.2 ±0.5 ±1 ±2m(中等级)c(粗糙级)±0.4 ±1 ±2 ±4v(最粗级)注:倒圆半径与倒角高度的含义见GB6403.4 (零件倒圆与倒角)(3)角度尺寸的极限偏差数值(GB/T1804-2000)公差等级长度mm≤10>10~50 >60~120 >120~400 >400m(中等级) ±1°±30' ±20' ±20' ±5' c(粗糙级) ±1°30' ±1°±30' ±30' ±10' v(最粗级) ±3°±2°±1°±1°±20'二、未注形位公差按GB/T1184(4)直线度和平面度未注公差值(GB/T1184-1996)(mm)公差等级直线度和平面度基本长度的范围~10 >10~30 >30~100 >100~300 >300~1000 >1000~3000H 0.02 0.05 0.1 0.2 0.3 0.4K 0.05 0.1 0.2 0.4 0.6 0.8 L 0.1 0.2 0.4 0.8 1.2 1.6(5)垂直度未注公差值(GB/T1184-1996)(mm)公差等级垂直度公差短边基本长度的范围~100 >100~300 >300~1000 >1000~3000H 0.2 0.3 0.4 0.5 K 0.4 0.6 0.8 1 L 0.5 1 1,5 2(6)对称度未注公差值(GB/T1184-1996)(mm)公差等级对称度公差基本长度的范围~100 >100~300 >300~1000 >1000~3000H 0.5K 0.6 0.8 1 L 0.6 1 1.5 2(7)圆跳动的未注公差值(GB/T1184-1996)(mm)公差等级圆跳动一般公差值H 0.1K 0.2L 0.5三、选用原则(1)机械加工未注尺寸公差一般选用“m”级,未注形位公差一般选用“K”级。
角度尺寸的极限偏差数值角度尺寸的极限偏差数值 (摘自GB/T 1804—2000)分差等级 长 度 分 段 /mm ≤10 >10~50 >50~120 >120~400 >400 精密f ±1° ±30′ ±20′ ±10′ ±5′ 中等m 粗糙c ±1°30′ ±1° ±30′ ±15′ ±10′ 最粗v±3°±2°±1°±30′±20′被测要素、基准要素的标注及其他附加符号(GB/T1182—1996) 项 目符号项目符号项目符号被测要素的标注 直接理论正确尺寸可逆要求用字母 包容要求延伸公差带 基准要素的标注最大实体要求 自由状态(非刚性零件)条件基准目标的标注最小实体要求全周(轮廓)同轴度、对称度、圆跳动和全跳动公差等级与尺寸公差等级的对应关系 同轴度、对称度、径向圆跳动、径向全跳动公差等级1 2 3 4 5 6 7 8 910 1112尺寸公差等级(I T) 2 3 4567,8 8,9 1011,1212,131415端面圆跳动、斜向圆跳动、端面全跳动公差等级1 23456 7 8 9 10 1112尺寸公差等级(I T) 1 2 34567,8 8,9 1011,1212,1314平行度、垂直度和倾斜度公差等级与尺寸公差等级的对应关系平行度(线对线、面对面)公差等级3 4567 8 9 10 11 12尺寸公差等级3,4 5,67,8,910,11,112,13,114,15,1(IT) 2 4 6垂直度和倾斜度公差等级 3 4 5 67 8 9 10 11 12尺寸公差等级(IT)5 6 7,8 8,9 10 11,12 12,131415圆度、圆柱度公差值及应用实例(GB/T1184—1996)公差等级 主 参 数 d (D )/mm 应 用≤3>3 ~>6 ~>10 >18 >30 >50 >80 >12>18>25>31>406 10 ~18 ~30 ~50 ~80 ~120 0 ~180 0 ~250 0 ~315 5 ~400 0 ~500举 例公 差 值 /mm1 0.2 0.2 0.25 0.250.3 0.4 0.5 0.6 1 1.2 1.6 2 2.5 高精度量仪主轴、高精度机床主轴、滚动轴承滚珠和滚柱等 2 0.3 0.4 0.4 0.5 0.6 0.6 0.81 1.22 2.53 4 精密量仪主轴、外套、阀套;高压油泵柱塞及套;纺锭轴承,高速柴油机进、排气门,精密机床主轴轴颈、针阀圆柱表面、喷油泵柱塞及柱塞套 3 0.5 0.6 0.6 0.81 1 1.2 1.52 3 4 5 6 小工具显微镜套管外圆,高精度外圆磨床、轴承,磨床砂轮主轴套筒、喷油嘴针阀体、高精度微型轴承内、外圈 4 0.81 1 1.2 1.5 1.52 2.5 3.5 4.56 7 8较精密机床主轴、精密机床主轴箱孔;高压阀门活塞,活塞销、阀体孔;小工具显微镜顶针,高压油泵柱塞,较高精度滚动轴承配合的轴、铣床动力头箱体孔等 5 1.2 1.5 1.5 2 2.5 2.53 4 5 7 8 910 一般量仪主轴、测杆外圆,陀螺仪轴颈,一般机床主轴,较精密机床主轴箱孔,柴油机、汽油机活塞、活塞销孔,铣床动力头、轴承箱座孔,高压空气压缩机十字头销、活塞,较低精度滚动轴承配合的轴6 2 22 3 4 4 5 6 8 1111仪表端. 5 .50 2 3 5 盖外圆,一般机床主轴及箱孔,中等压力液压装置工作面(包括泵、压缩机的活塞和汽缸),汽车发动机凸轮轴,纺锭,通用减速器轴轴颈,高速船用发动机曲轴,拖拉机曲轴主轴颈7 3 4 4 5 6 7 8 1121416182大功率低速柴油机曲轴;活塞、活塞销、连杆、汽缸;高速柴油机箱体孔,千斤顶或压力油缸活塞,液压传动系统的分配机构,机车传动轴,水泵及一般减速器轴轴颈8 4 5 6 8 9 111315182232527低速发动机、减速器、大功率曲柄轴轴颈,压气机连杆盖、体;拖拉机缸体、活塞;炼胶机冷铸轴提,印刷机传墨辊;内燃机曲轴,柴油机机体孔,凸轮轴,拖拉机,小型般用柴油机汽缸套9 6 8 9 1113161922252932364空气压缩机缸体,液压传动筒,通用机械杠杆与拉杆同套筒销子,拖拉机活塞环、套筒孔10 10 12 15 18 21 25 30 35 40 46 52 57 63 印染机导布辊、铰车、吊车、想重机滑动轴承轴颈等11 14 18 22 27 33 39 46 54 63 72 81 89 97 12 25 30 36 43 52 62 74 87100 115 130 140 155直线度、平面度公差值及应用举例(GB/T1184—1996)公差等级 主 参 数 L/mm应用举例 ≤10 >10 ~16 >16 ~25 >25 ~40 >40 ~63 >63 ~100 >100 ~160 >160 ~250 >250 ~400 >400 ~630 >630~1 000 >1 000 ~1 600 >1 600 ~2 500 >2 500 ~4 000 >400 ~63>630~100 公 差 值 /mm1 0.2 0.20.3 0.4 0.5 0.6 0.8 1 1.2 1.5 2 2.53 4 5 6 用于精密量具、测量仪器和精度要5求极高的精密机械零件,如高精度量规、样板平尺、工具显微镜等精密测量仪器的导轨面,喷油嘴针阀体端面,油泵柱塞套端面等高精度零件 2 0.4 0.5 0.6 0.8 1 1.2 1.5 2 2.53 4 5 6 810 12 3 0.8 1 1.2 1.5 2 2.5 3 4 5 6 8 10 12 15 20 25用于0级及1级宽平尺的工作面,1级样板平尺的工作面,测量仪器圆弧导轨,测量仪器测杆等4 1.2 1.5 2 2.53 4 5 6 810 12 15 20 25 30 40 用于量具,测量仪器和高精度机床的导轨,如0级平板,测量仪器的V 形导轨,高精度平面磨床的V 形滚动导轨,轴承磨床床身导轨,液压阀芯等 5 2 2.53 4 5 6 810 12 15 20 25 30 40 50 60 用于1级平板,2级宽平尺、平面磨床的纵导轨、垂直导轨、立柱导轨及工作台,液压龙门刨床和六角车床床身的导轨,柴油机进、排气门导杆 6 3 4 5 6 8 10 12 15 20 25 30 40 50 60 8100 用于普通机床导轨面,如普通车床、龙门刨床、滚齿机、自动车床等的床身导轨、立柱导轨、滚齿机、卧式镗床、铣床的工作台及机床主轴箱导轨、柴油机体结合面等7 5 6 810 12 15 20 25 30 40 50 60 80 101215用于2级平板,0.020 0 0 游标卡尺尺身,机床床头箱体,摇臂钻床底座工作台,镗床工作台,液压泵盖等 8 8 10 12 15 20 25 30 40 50 60 80 100 120 150 200 25用于机床传动箱体,挂轮箱体,车床溜板箱体,主轴箱体,柴油机汽缸体,连杆分离面,缸盖结合面,汽车发动机缸盖,曲轴箱体及减速箱体的结合面等9 1122345681112234 用于3级2 5 0 5 0 0 0 0 0 00 20 50 00 50 00 00 平板、机床溜板箱、立钻工作台、螺纹磨床的挂轮架,金相显微镜的载物台,柴油机汽缸体,连杆的分离面、缸盖的结合面,阀片的平面度,空气压缩机的汽缸体,液压管件和法兰的联接面等10 20 25 30 40 50 60 80 100 120 150 200 250 300 400 500 600用于3级平板,自动车床床身底面的平面度,车床挂轮架的平面度,柴没机汽缸体,摩托车的曲轴箱体、汽车变速箱的壳体,汽车发动机缸盖结合面、阀片的平面度,以及辅助机构及手动机械的支承面 11 30 40 50 60 8100 120 150 200 250 300 400 500 600 800 1 000 用于易变形的薄片、薄壳零件、如离合器的摩擦片、汽车发动机缸盖的结合面,手动机12 60 8100 120 150 200 250 300 400 500 600 800 1 01 21 52 000 00 00 00 械支架、机床法兰等未注形位公差的公差值 (GB/T1184—1996) (mm )直线度、平面度 垂 直 度 对 称 度 圆 跳 动 基本长度公差等级 基本长度公差等级 基本长度公差等级 公差等级H K LH K LH K L H K L≤10 0.02 0.05 0.1 ≤100 0.2 0.4 0.6 ≤100 0.5 0.6 0.6 0.1 0.2 0.5 >10~30 0.05 0.1 0.2 >30~100.1 0.2 0.4>10 0~30 0 0.20.40.8>10~300.30.61.>10~300.50.61.>3 00~1 00 0 0.30.61.2>30~1000.40.81.5>30~1000.50.81.5>1 00 0~3 00 0 0.40.81.6>10~3000.51.2.>10~3000.51.2.公差项公差值圆度等于给出的直径公差值,但不能大于径向圆跳动值圆柱度不作规定。
⾓度尺⼨极限偏差数值⾓度尺⼨的极限偏差数值(摘⾃GB/T 1804—2000)被测要素、基准要素的标注及其他附加符号(GB/T1182—1996)理论正确尺⼨可逆要求包容要求延伸公差带最⼤实体要求⾃由状态(件最⼩实体要求全周(轮廓)同轴度、对称度、圆跳动和全跳动公差等级与尺⼨公差等级的对应关系圆度、圆柱度公差值及应⽤实例(GB/T1184—1996)直线度、平⾯度公差值及应⽤举例(GB/T1184—1996)未注形位公差的公差值 (GB/T1184—1996) (mm)注:线轮廓度、⾯轮廓度、倾斜度与位置度的未注公差值均未作具体规定。
形位公差特征的符号(GB/T1182—1996)基准要求基准要求⽆有⽆有有⽆有或⽆⽆有线轮廓度有或⽆有有⾯轮廓度有或⽆有形位公差的定义(GB/T1182—1996)在给定平⾯内,公差带是距离为公差值t的两平⾏直线之间的区域被测表⾯的要素,必须位于平⾏于图样所⽰投影⾯且距离为公差值0.1的两平⾏直线内在给定⽅向上公差带是距离为公差值t的两平⾏平⾯之间的区域被测圆柱⾯的任⼀素线必须位于距离为公差值0.1的两平⾏平⾯之内如在公差值前加注φ,则公差带是直径为t 的圆柱⾯的区域被测圆柱体内的轴线必须位于直径为φ0.0 8的圆柱⾯内公差带是距离为公差值t的两平⾏平⾯之间的区域被测表⾯必须位于距离为公差值0.08的两平⾏平⾯内公差带是在同⼀正截⾯上,半径差为公差值t的两同⼼圆之间的区域被测圆柱⾯任⼀正截⾯的圆周必须位于半径差为公差值0.03的两同⼼圆之间被测圆锥⾯任⼀正截⾯上的圆周必须位于半径差为公差值0.1的两同⼼圆之间公差带是半径差为公差值t的两同轴圆柱⾯之间的区域被测圆柱⾯必须位于半径差为0.1的两同轴圆柱⾯之间d=t⽆基准要求的线轮廓度公差见图a 有基准要求的线轮廓度公差见图b公差带是包络⼀系列直径为公差值t的球的两包络⾯之间的区域,诸球的球⼼应位于具有理论正确⼏何形状的⾯上d=t⽆基准要求的⾯轮廓度公差见图a有基准要求的⾯轮廓度公差见图b 被测轮廓⾯必须位于包络⼀系列球的两包络⾯之间,诸球的直径为公差值0.02,且球⼼位于具有理论正确⼏何形状的⾯上的两包络⾯之间被测轴线必须位于距离为公差值0.2,且在给定⽅向上平⾏于基准轴线的两个平等平⾯之间公差带是两对相互垂直的距离为t1和t2,且平⾏于基准线的两平⾏平⾯之间的区域被测轴线必须位于距离分别为公差值0.2和0.1的在给定的互相垂直⽅向上且平⾏于基准轴线的两组平⾏平⾯之间公差带是距离为公差值t,且平⾏于基准平⾯的两平⾏平⾯之间的区域被测轴线必须位于距离为公差值0.01,且平⾏于基准表⾯B(基准平⾯)的两平⾏平⾯之间公差带是距离为公关值t,且平⾏于基准线的两平⾏平⾯之间的区域被测表⾯必须位于距离为公差值0.1,且平⾏于基准线C(基准轴线)的两平⾏平⾯之间⾯对⾯平⾏度公差公差带是距离为公差值t,且平等于基准⾯的两平⾏平⾯之间的区域被测表⾯必须位于距离为公差值0.01,且平⾏于基准表⾯D(基准平⾯)的两平⾏平⾯之间公差带是距离为公差值t,且垂直于基准线的两平⾏平⾯之间的区域被测轴线必须位于距离为公差值0.06,且垂直于基准线A(基准轴线)的两平⾏平⾯之间线对⾯垂直度公差在给定⽅向上,公差带是距离为公差值t且垂直于基准⾯的两平⾏平⾯之间的区域在给定⽅向上被测轴线必须位于距离为公差值0.1,且垂直于基准表⾯A的两平⾏平⾯之间公差带分别是互相垂直的距离为t1和t2且垂直于基准⾯的两对平⾏平⾯之间的区域被测轴线必须位于距离分别为公差值0.2和0.1的互相垂直且垂直于基准平⾯的两对平⾏平⾯之间值t,且垂直于基准⾯的圆柱⾯内的区域垂直于基准⾯A(基准平⾯)的圆柱⾯内公差带是距离为公差值t,且垂直于基准线的两平⾏平⾯之间的区域被测⾯必须位于距离为公差值0.08,且垂直于基准线A(基准轴线)的两平⾏平⾯之间⾯对⾯垂直度公差公差带是距离为公差值t,且垂直于基准⾯的两平⾏平⾯之间的区域被测⾯必须位于距离为公差值0.08且垂直于基准平⾯A的两平⾏平⾯之间线对线倾斜度公差被测线和基准线在同⼀平⾯内,公差带是距离为公差值t,且与基准线成⼀给定⾓度的两平⾏平⾯之间的区域被测轴线必须位于距离为公差值0.08,且与A—B公共基准线成⼀理论正确⾓度的两平⾏平⾯之间距离为公差值t,且与基准成⼀给定⾓度的两平⾏平⾯之间的区域。