钢结构识图图集图标讲解
- 格式:doc
- 大小:87.00 KB
- 文档页数:7
首先长圆孔并不是椭圆!打个极限的例子长圆孔8*10000!那么边上就是2个直径为8的半圆,中间是长方形的!当钢结构中用到D时,一般表示圆管,外径为8,例如系杆。
当有∮时,表示圆钢(实心)直径为8.1.长圆孔不是椭圆孔。
2.长圆孔25*40 表示宽方向25mm 长方向40mm 加工上往往做成四角有一定弧度的方孔。
3.d=8 代表圆钢直径8mm4.∮8 代表圆孔的孔径是8mm(钢结构部分图纸表示)。
不过有时d也表示孔径,在表示螺栓的时候往往施工图M表示栓径D表示孔径。
在角焊中,a为焊角,z为焊脚,s为熔深a 指的是焊缝的厚度,也就是等腰直角三角形的高,在欧洲标准和国际标准中用的比较多;z 指的是焊缝的截面长度,也就是等腰直角三角形的边,在搭接焊缝中,等于板厚,应用较多;HDL6-12B是H型焊接工字钢吊车梁,6米跨度,有12跨,是跨中的吊车梁。
恩恩~~~6m一跨是对的,但是,我数了不是12跨~~~还有那个就是吊车梁的意思~~~~对于那个12B还是不解~~~?有12跨跨中的吊车梁,B表示跨中吊车梁图集上去查找,这是标准构件。
B代表边跨吊车梁Z代表中跨吊车梁钢结构中LB,CB,CC,AL,GDLM 等这些个符号都表示什么?此为钢吊车梁图上所用到图集应该为05G514-312m实腹式钢吊车梁中级工作制(A4~A5)Q345钢LB 为连接板CB为支座板AL 为边列制动梁CL为中列制动梁GDLM 为钢吊车梁Q345钢。
钢结构中KL和KZ: KL表示框架梁,KZ表示抗风柱。
你可以看看钢结构设计手册中有关构件的一般表示方法。
角钢:俗称角铁,是两边互相垂直成角形的长条钢材,有等边角钢和不等边角钢之分。
(1)等边的角钢:等边角钢的两个边宽相等。
其规格以“边宽×边宽×边厚”的毫米数表示。
如“L30×30×3”即表示边宽为30毫米、边厚为3毫米的等边角钢。
L50*5角钢表示什么意思? L表示角钢,50表示该角钢的宽为50毫米,5表示角钢厚为5毫米。
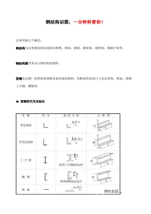
钢结构图,一分钟科普你!先来明确几个概念:钢结构为由型钢连接而成的结构物,例如:钢梁、钢屋架、钢塔架、钢脚手架等。
钢结构图用来表示钢结构的图样。
型钢是由钢厂按照标准规格轧制而成的钢材,其断面形状如尺寸是定型的,例如:角钢、工字钢、槽钢等。
★ 型钢的代号及标注★ 钢结构中型钢的连接方法1、焊接2、铆接3、螺栓连接焊接将被连接的型钢在连接部位加热使其和焊条熔化,凝结后成为不可分割的整体。
1、焊缝类型及其符号(1)坡口焊缝(2)贴角焊缝(3)塞焊缝焊缝的图形符号和辅助符号2、焊缝的标注在钢结构图中,必须把焊缝的位置、形式、尺寸和辅助要求标准清楚。
焊缝的标注方法焊接标注示例焊缝不连续时的画法及标注当焊缝分布不连续时,可见焊缝宜在焊缝处加中实线,不可见焊缝加细栅线铆接用铆钉将两块或两块以上的钢板连接在一起铆接分类1、工厂连接2、现场连接铆钉类型螺栓连接1、焊接和铆接都是不可拆卸的连接,螺栓连接是可拆卸的连接2、连接方法螺栓、孔、电焊铆钉图例钢梁结构图钢梁常用于大、中跨度桥梁中钢梁的种类1、钢板梁2、钢桁梁★ 下承式简支栓焊梁★ 钢梁结构图的内容1、设计轮廓图2、节点图3、杆件图4、零件图★ 设计轮廓图★ 节点图★ 节点构造图★ 拼接板、填板的拼装★ 立体图★ 节点板详图★ 杆件图★ 零件图钢屋架结构图★ 概述1、钢屋架2、钢屋架结构图屋架简图、屋架详图(包括节点图)、杆件详图、连接板详图。
★ 屋架简图1、屋架简图又称屋架示意图、屋架杆件几何尺寸简图。
2、比例:1:100、1:2003、单线条表示,杆件长度直接注在单线条旁边。
★ 屋架详图1、图样:立面图,上弦实形辅助投影,剖面断面图。
2、比例:两种比例:(1)杆件轴线采用较小比例(1:20,1:15)(2)节点板、杆件、断面采用较**例(1:10,1:5)3、图线:(1)可见轮廓线——中实线(2)不可见轮廓线——中虚线★ 杆件拼接★ 支座节点图★ 屋脊节点图。
1、建筑体系1-1、门式刚架体系1-1-1、基本构件图1-1-2、说明力学原理门式刚架结构以柱、梁组成的横向刚架为主受力结构,刚架为平面受力体系。
为保证纵向稳定,设置柱间支撑和屋面支撑。
刚架刚架柱和梁均采用截面H型钢制作,各种荷载通过柱和梁传给基础。
支撑、系杆刚性支撑采用热轧型钢制作,一般为角钢。
柔性支撑为圆钢。
系杆为受压圆钢管,与支撑组成受力封闭体系。
屋面檩条、墙梁一般为C型钢、Z型钢。
承受屋面板和墙面板上传递来的力,并将该力传递给柱和梁。
1-1-3、门式刚架的基本形式a.典型门式刚架6 s# ]8 P, H' }) e5 y! X8 Yb.带吊车的门式刚架2 K5 J% N# x' p: p2 Rc.带局部二层的门式刚架1-1-4、基本节点a.柱脚节点" O; `! ^4 Q# r1 @5 j8 L# n* Xb.梁、柱节点+ @. r: U' X" R) g5 l' @4 I% m! D; ?1 n% R■局部二层节点参照多层框架体系。
1-1-5、刚架衍生形式* t! z- I3 P. F& J! `; T* E: y/ \■吊车和局部二层可在衍生形式刚架中布置。
■山墙刚架其本质也是多连跨刚架,不过中间柱与刚架柱比截面旋转了90度。
1-2、多层框架体系1-2-1、框架图示6 V) u$ B5 o1 v3 J1-2-2、说明力学模型a.纯刚接框架:纵横两个方向均采用刚接的框架。
b.刚接-支撑框架:横向采用刚接,纵向采用铰接,并在纵向设置支撑,以传递水平力。
c.支撑式框架:纵横向均采用铰接,两向均设置支撑传递水平力。
d.有时为保证足够的刚度,在刚接框架中亦设置支撑。
框架柱框架柱可采用H型截面、箱形截面、十字形截面、圆管形截面等。
所有上部结构的力都通过框架柱传递给基础。
框架梁框架梁一般采用H型截面。
楼盖和屋盖上的力通过框架梁传递给框架柱。
1、建筑体系1—1、门式刚架体系1—1—1、基本构件图1-1-2、说明力学原理门式刚架结构以柱、梁组成的横向刚架为主受力结构,刚架为平面受力体系。
为保证纵向稳定,设置柱间支撑和屋面支撑。
刚架刚架柱和梁均采用截面H型钢制作,各种荷载通过柱和梁传给基础。
支撑、系杆刚性支撑采用热轧型钢制作,一般为角钢.柔性支撑为圆钢。
系杆为受压圆钢管,与支撑组成受力封闭体系。
屋面檩条、墙梁一般为C型钢、Z型钢。
承受屋面板和墙面板上传递来的力,并将该力传递给柱和梁.1—1—3、门式刚架的基本形式a.典型门式刚架b。
带吊车的门式刚架c。
带局部二层的门式刚架1-1—4、基本节点a。
柱脚节点b。
梁、柱节点■局部二层节点参照多层框架体系。
1—1—5、刚架衍生形式■吊车和局部二层可在衍生形式刚架中布置。
■山墙刚架其本质也是多连跨刚架,不过中间柱与刚架柱比截面旋转了90度。
1-2、多层框架体系1—2—1、框架图示1—2-2、说明力学模型a。
纯刚接框架:纵横两个方向均采用刚接的框架。
b.刚接—支撑框架:横向采用刚接,纵向采用铰接,并在纵向设置支撑,以传递水平力。
c.支撑式框架:纵横向均采用铰接,两向均设置支撑传递水平力。
d.有时为保证足够的刚度,在刚接框架中亦设置支撑.框架柱框架柱可采用H型截面、箱形截面、十字形截面、圆管形截面等.所有上部结构的力都通过框架柱传递给基础。
框架梁框架梁一般采用H型截面。
楼盖和屋盖上的力通过框架梁传递给框架柱.支撑支撑采用一般采用热轧型钢制作,其功能是传递层间水平力和保证结构的刚度。
1—2-3、基本节点a.柱脚节点■柱脚节点同门式刚架体系。
b.柱、梁节点2、支撑、系杆 2—1、图示柱间柔性支撑柱间刚性支撑2-2、说明■支撑分为柔性支撑和刚性支撑两种.柔性支撑由圆钢制作,安装时必须张紧,主要用于门式刚架结构.刚性支撑由型钢制作,用于多层框架、吊车梁下段支撑等刚度要求高的结构中。
■系杆和支撑联合作用,形成封闭的受力体系.在支撑端头有刚性构件和传递压力的情况下,不需设置系杆。
钢结构识图培训讲义技术部周耀彬 2009-5-24第一章识图基础一、投影及三视图三视图:正视图(上左)、侧视图(上右)、俯视图(下)三视图在使用是不一定完整,可能只出现其中两个。
有剖视符号的情况下,按照符号所示方向看物体,无剖视符号时,一般习惯的看图方向是:侧视图在正视图的右侧时,表示是站在正视图中物体的右侧向左看;侧视图在正视图的左侧时,表示是站在正视图中物体的左侧向右看;俯视图表示从上向下看到的正视图中的物体看图方向的正确至关重要,决定了装配方向的正确与否,由于详图绘制人员的个体差异,选择表达方式上会有所差异,需要在图面上相互印证,如有不一致处及时和制图人员沟通确认。
二、剖面符号和断面符号1.断面符号表示从符号处剖开看到的断面,不表示断面后方的其他东西;2.剖面符号表示从符号处剖开看到的断面及断面后方的其他东西;3.在钢构详图中,断面符号和剖面符号使用上有些随意,是因为功能上比较接近,着重表达的是看物体的方向。
看物的方向是从粗线朝文字的方向看。
粗线表示人的眼睛,文字表示看的朝向。
三、索引符号及节点符号1.不带剖视方向的索引字母a,如果节点详图不在本图中,就写对应的图纸编号,比如“详图-09”或“09”等。
有时也直接索引出来后直接放大,不用到节点符号,如下图:2.带剖视符号的索引与剖(断)面符号类似,看物的方向是从粗线朝细线的方向看。
粗线表示人的眼睛,细线表示看的朝向。
四、对称符号五、焊缝符号*1.焊缝基本符号(常用):表示焊缝横截面形状的符号序号名称示意图符号1 卷边焊缝2 I形焊缝3 V形焊缝4 单边V形焊缝5 带钝边V形焊缝带钝边单边V形焊缝6 角焊缝7 塞焊缝或槽焊缝2.辅助符号:表示焊缝表面形状特征的符号序号名称示意图符号说明1 平面符号焊缝表面齐平(一般通过加工)2 凹面符号焊缝表面凹陷3 凸面符号焊缝表面凸起不需要确切说明焊缝表面形状是,可以不用辅助符号。
3.补充符号:补充说明焊缝的某些特征而采用的符号序号名称示意图符号说明1 带垫板焊缝底部有垫板2 三面围焊表示三面有焊缝3 周围焊环绕工件周围焊缝4 现场焊表示工地现场进行焊接5典型焊缝(余同)表示类似部位采用相同的焊缝典型焊缝的符号在杭萧公司还引申为“两面或三面的半围焊”(即引申为“两面或三面都采用相同的焊缝”之意),4.尾注:是对焊缝的要求进行备注,一般说明质量等级,适用范围、剖口工艺的具体编号等常用的坡口的形状和尺寸可以查看《建筑钢结构焊接技术规程》(JGJ81-2002),下表是根据规程及我司习惯绘制的坡口节点表,可供参考:5.焊缝尺寸的标注:序号名称示意图焊缝尺寸说明1 对接焊缝S:焊缝有效厚度2 卷边焊缝S:焊缝有效厚度3 连续角焊缝K:焊角尺寸S1,l1:标注边的焊角尺寸、长度S2,l2:标注对面的焊角尺寸、长度或4 断续角焊缝l:焊缝长度(不计弧坑)e:焊缝间距n:焊缝段数5交错断续角焊缝l:焊缝长度(不计弧坑)e:焊缝间距n:焊缝段数K:焊角尺寸说明:当无焊缝长度尺寸是表示焊缝是通长连续的;当对接焊缝(含角对接组合焊缝)无有效深度的尺寸标注时,表示全熔透。
钢结构图纸符号代表含义及识图常识GJ 钢架GL 钢架梁或 GJL 钢架梁GZ 钢架柱或 GJZ 钢架柱XG 系杆SC 水平支撑YC 隅撑ZC 柱间支撑LT 檩条TL 托梁QL 墙梁GLT 刚性檩条WLT 屋脊檩条GXG 刚性系杆YXB 压型金属板SQZ 山墙柱XT 斜拉条MZ 门边柱ML 门上梁T 拉条CG 撑杆HJ 桁架FHB 复合板YG :压杆或是圆管(从材料表中分别)XG :系杆LG :拉管QLG :墙拉管QCG :墙撑管GZL 直拉条GXL 斜拉条GJ30-1 跨度为 30m 的门式刚架,编号为 1 号1 。
算量最基本的就是看图纸,土建的人都烦钢构图纸的太乱,其实我也有这种看法,因为平法并没有用在其上面,图样还保留了一前土建制图的原则,所以做为老人看比较习惯( 101 图集出之前的人),后来像我这样人看钢结构图纸真的看不习惯,不过没有办法,还是要习惯的,我们知道麻烦,但任何事情都有规律的,钢结构的详图结点相当的多,但这些变化真的在算的时候影响相当的小,重要是大的方向把握好,钢结构的结点图也是相当科学的,都和科学受力相对应。
有许多是重复或对称等。
认真的看都会看出来。
对于图纸的特点,我会在下面讲2 。
算重量,因为钢结构的算量基本上全是按吨计(板按 M2 )。
钢材+ 钢材就是钢结构。
而钢材多指型钢,对于型钢的分类算量的方法,我也会一一列出。
并做出讲解。
3 。
统计汇总,哈哈,此类应该是不难的,以清单为基本,分类汇总而以了。
识图问路1 。
我对钢结构的认识,应该比大家深一些,因为我毕业的时候就进了一家钢结构公司,工作不到两个月,经常的工作就是画一个图纸的钢构件,把这个钢构件看明白了,画出来,他们叫钢结构深化设计(细化方案)做加工所用,说白了,一张钢板怎么加工这样的东东的。
我讲的图识别,其它就是 03G102 上面的东东,大家有机会可以去下载看一下。
闲言碎语不多讲,说说吧,钢结构图应该怎么看不头痛。
把握好看图不难的原则,其实很简单,比建筑的施工简单多了,因为他每个部分都有详图,哪里不明白了,就看此图有没有什么详图符号,有就找,其实我看明白的地方不是详图的地方,拿出来与原图一对就明白了,是什么柱,是什么梁就明白了许多。
1、建筑体系1-1、门式刚架体系1-1-1、基本构件图1-1-2、说明力学原理门式刚架结构以柱、梁组成的横向刚架为主受力结构,刚架为平面受力体系。
为保证纵向稳定,设置柱间支撑和屋面支撑。
刚架刚架柱和梁均采用截面H型钢制作,各种荷载通过柱和梁传给基础。
支撑、系杆刚性支撑采用热轧型钢制作,一般为角钢。
柔性支撑为圆钢。
系杆为受压圆钢管,与支撑组成受力封闭体系。
屋面檩条、墙梁一般为C型钢、Z型钢。
承受屋面板和墙面板上传递来的力,并将该力传递给柱和梁。
1-1-3、门式刚架的基本形式a.典型门式刚架b.带吊车的门式刚架c.带局部二层的门式刚架1-1-4、基本节点a.柱脚节点b.梁、柱节点■局部二层节点参照多层框架体系。
1-1-5、刚架衍生形式■吊车和局部二层可在衍生形式刚架中布置。
■山墙刚架其本质也是多连跨刚架,不过中间柱与刚架柱比截面旋转了90度。
1-2、多层框架体系1-2-1、框架图示1-2-2、说明力学模型a.纯刚接框架:纵横两个方向均采用刚接的框架。
b.刚接-支撑框架:横向采用刚接,纵向采用铰接,并在纵向设置支撑,以传递水平力。
c.支撑式框架:纵横向均采用铰接,两向均设置支撑传递水平力。
d.有时为保证足够的刚度,在刚接框架中亦设置支撑。
框架柱框架柱可采用H型截面、箱形截面、十字形截面、圆管形截面等。
所有上部结构的力都通过框架柱传递给基础。
框架梁框架梁一般采用H型截面。
楼盖和屋盖上的力通过框架梁传递给框架柱。
支撑支撑采用一般采用热轧型钢制作,其功能是传递层间水平力和保证结构的刚度。
1-2-3、基本节点a.柱脚节点■柱脚节点同门式刚架体系。
b.柱、梁节点?2、支撑、系杆2-1、图示柱间柔性支撑? ???柱间刚性支撑2-2、说明■支撑分为柔性支撑和刚性支撑两种。
柔性支撑由圆钢制作,安装时必须张紧,主要用于门式刚架结构。
刚性支撑由型钢制作,用于多层框架、吊车梁下段支撑等刚度要求高的结构中。
■系杆和支撑联合作用,形成封闭的受力体系。
钢结构识图,一分钟科普你!先来明确几个概念:钢结构为由型钢连接而成的结构物,例如:钢梁、钢屋架、钢塔架、钢脚手架等。
钢结构图用来表示钢结构的图样。
型钢是由钢厂按照标准规格轧制而成的钢材,其断面形状如尺寸是定型的,例如:角钢、工字钢、槽钢等。
★ 型钢的代号及标注?★ 钢结构中型钢的连接方法1、焊接2、铆接3、螺栓连接焊接将被连接的型钢在连接部位加热使其和焊条熔化,凝结后成为不可分割的整体。
1、焊缝类型及其符号(1)坡口焊缝(2)贴角焊缝(3)塞焊缝焊缝的图形符号和辅助符号?2、焊缝的标注在钢结构图中,必须把焊缝的位置、形式、尺寸和辅助要求标准清楚。
? 焊缝的标注方法? 焊接标注示例? 焊缝不连续时的画法及标注当焊缝分布不连续时,可见焊缝宜在焊缝处加中实线,不可见焊缝加细栅线? 铆接用铆钉将两块或两块以上的钢板连接在一起? 铆接分类1、工厂连接2、现场连接铆钉类型?螺栓连接1、焊接和铆接都是不可拆卸的连接,螺栓连接是可拆卸的连接2、连接方法螺栓、孔、电焊铆钉图例? 钢梁结构图钢梁常用于大、中跨度桥梁中钢梁的种类1、钢板梁2、钢桁梁★ 下承式简支栓焊梁? ★ 钢梁结构图的内容1、设计轮廓图2、节点图3、杆件图4、零件图★ 设计轮廓图? ★ 节点图? ★ 节点构造图? ★ 拼接板、填板的拼装?★ 立体图? ★ 节点板详图? ★ 杆件图? ★ 零件图? 钢屋架结构图★ 概述1、钢屋架2、钢屋架结构图屋架简图、屋架详图(包括节点图)、杆件详图、连接板详图。
★ 屋架简图1、屋架简图又称屋架示意图、屋架杆件几何尺寸简图。
2、比例:1:100、1:2003、单线条表示,杆件长度直接注在单线条旁边。
? ★ 屋架详图1、图样:立面图,上弦实形辅助投影,剖面断面图。
2、比例:两种比例:(1)杆件轴线采用较小比例(1:20,1:15)(2)节点板、杆件、断面采用较**例(1:10,1:5)3、图线:(1)可见轮廓线——中实线(2)不可见轮廓线——中虚线★ 杆件拼接?★ 支座节点图? ★屋脊节点图。
施工工艺:9张图看懂钢结构图对于工地上施工员来说,钢结构施工是很常见的工程。
要想做好钢结构工程,熟练识读钢结构施工图是必不可少的。
下面先来了解下一些基本概念:钢结构由型钢连接而成的结构物,例如:钢梁、钢屋架、钢塔架、钢脚手架等。
钢结构图用来表示钢结构的图样。
型钢型钢是由钢厂按照标准规格轧制而成的钢材,其断面形状如尺寸是定型的,例如:角钢、工字钢、槽钢等。
结构施工图看图步骤第一,对于首看结构施工图的人可以买一本11G图集,看一下图集中的各种标注方法说明。
同时找一本施工手册查一查钢筋代号。
或者在看结构施工图时备查。
第二,把建筑施工图中的标准层平面图找出来,看一看建筑平面布局。
第三,看结构施工图中的标准层梁配筋图。
看结施时要对照看一看对应的建筑平面图。
基本上是墙下就有梁,房间分隔处下就有梁。
第四,梁是分框架梁、梁、联系梁的,因此要留意其区别,梁的腰筋有时是要抗扭的,也应特别注意。
梁筋标注一般采用的是原位标注,很容易看懂。
第五,看完标准层梁配筋图后,看墙柱标准层位置图。
注意有些连系梁的配筋是标注在墙柱布置图上的。
并将柱布置图与梁图结合看。
完成这几步后,基本上能清楚标准层的结构了。
在看柱位置图时,可以同时看一看柱子配筋。
第六,看标准层板配筋图。
第七,将梁、柱、板配筋图中的说明看一年,包括图左上的文字说明和施工图中的各种详图(大样图)代码。
结合标识位置看。
第八,结合楼梯看标准层的楼梯配筋和与梁、墙、柱的结合。
第九,回过头去看桩基施工图、承台、地梁图。
第十,看非标准层的结构施工图和地下室的结构施工图。
第十一,看屋面结构施工图。
第十二,看水池、坡道、屋顶楼梯间、电梯间等的结构施工图。
第十三,看结构施工图总说明,了解各种施工要点。
第十四,如有审图意见和图纸会审、设计变更之类,将其对照施工图看,并注写在结构施工图上。
第十五,对照不同楼层的结构施工图找出不同之处。
第十六,将结构施工图带上施工现场,对照看。
第十七,看结构施工图时注意不时翻看建筑的各层平面图。
钢结构识图图集图标讲解资料一、引言在钢结构设计中,绘制清晰的图纸是非常重要的一环。
因此,钢结构识图图集图标讲解资料是任何一位钢结构设计师不可或缺的工具。
本文将为大家介绍钢结构识图图集中常见的图标,并解释其含义和用途。
二、钢结构识图图集中常见的图标1. 弧形标识弧形标识弧形标识弧形标识通常用于表示曲线形构件或梁柱交接处。
常见的弧形标识可以分成两类:内弧形和外弧形。
内弧形用于表示曲线形钢构件的中心线。
而外弧形则用于表示梁柱交接处的填充物耳板。
2. 带箭头标识带箭头标识带箭头标识带箭头标识用于标示桥梁等大跨度构件的支座位置和安装方向。
这种标识的特点是,箭头指向标识的左上角,从而表示构件的安装方向。
3. 双箭头标识双箭头标识双箭头标识双箭头标识用于标示柱子的中心线。
这种标识的箭头相互平行指向两端,从而表示柱子的中心线。
4. 直线标识直线标识直线标识直线标识通常用于标示梁的中心线。
这种标识的特点是直线两端各有一个标记,从而表示直线的中心线。
5. 带圆圈标识带圆圈标识带圆圈标识带圆圈标识常用于标示支撑点的位置,圆圈内部为位置点。
这种标识是基于构件中心线设置,且圆圈的大小会随着构件尺寸的变化而发生改变。
6. 带点标识带点标识带点标识带点标识常用于标示连接板的螺钉布置位置。
这种标识通常出现在连接板内部,圆点表示螺钉位置。
三、结论钢结构识图图集图标是钢结构设计中非常重要的工具,因为它们可以帮助设计师绘制清晰精确的图纸。
通过本文介绍的钢结构识图图集常见的图标,相信大家可以更加熟练地应用这些标识以及准确理解它们背后的含义。
当然,随着技术不断发展,我们也可以期待更多的标识在未来的钢结构识图图集中得到加入。
钢结构识图大全HUA system office room 【HUA16H-TTMS2A-HUAS8Q8-HUAH1688】1、建筑体系1-1、门式刚架体系1-1-1、基本构件图1-1-2、说明力学原理门式刚架结构以柱、梁组成的横向刚架为主受力结构,刚架为平面受力体系。
为保证纵向稳定,设置柱间支撑和屋面支撑。
刚架刚架柱和梁均采用截面H型钢制作,各种荷载通过柱和梁传给基础。
支撑、系杆刚性支撑采用热轧型钢制作,一般为角钢。
柔性支撑为圆钢。
系杆为受压圆钢管,与支撑组成受力封闭体系。
屋面檩条、墙梁一般为C型钢、Z型钢。
承受屋面板和墙面板上传递来的力,并将该力传递给柱和梁。
1-1-3、门式刚架的基本形式a.典型门式刚架b.带吊车的门式刚架c.带局部二层的门式刚架1-1-4、基本节点a.柱脚节点b.梁、柱节点■局部二层节点参照多层框架体系。
1-1-5、刚架衍生形式■吊车和局部二层可在衍生形式刚架中布置。
■山墙刚架其本质也是多连跨刚架,不过中间柱与刚架柱比截面旋转了90度。
1-2、多层框架体系1-2-1、框架图示1-2-2、说明力学模型a.纯刚接框架:纵横两个方向均采用刚接的框架。
b.刚接-支撑框架:横向采用刚接,纵向采用铰接,并在纵向设置支撑,以传递水平力。
c.支撑式框架:纵横向均采用铰接,两向均设置支撑传递水平力。
d.有时为保证足够的刚度,在刚接框架中亦设置支撑。
框架柱框架柱可采用H型截面、箱形截面、十字形截面、圆管形截面等。
所有上部结构的力都通过框架柱传递给基础。
框架梁框架梁一般采用H型截面。
楼盖和屋盖上的力通过框架梁传递给框架柱。
支撑支撑采用一般采用热轧型钢制作,其功能是传递层间水平力和保证结构的刚度。
1-2-3、基本节点a.柱脚节点■柱脚节点同门式刚架体系。
b.柱、梁节点?2、支撑、系杆2-1、图示柱间柔性支撑柱间刚性支撑2-2、说明■支撑分为柔性支撑和刚性支撑两种。
柔性支撑由圆钢制作,安装时必须张紧,主要用于门式刚架结构。
钢结构识图培训讲义第一章识图基础一、投影及三视图三视图:正视图(上左)、侧视图(上右)、俯视图(下)三视图在使用是不一定完整,可能只出现其中两个。
有剖视符号的情况下,按照符号所示方向看物体,无剖视符号时,一般习惯的看图方向是:侧视图在正视图的右侧时,表示是站在正视图中物体的右侧向左看;侧视图在正视图的左侧时,表示是站在正视图中物体的左侧向右看;俯视图表示从上向下看到的正视图中的物体看图方向的正确至关重要,决定了装配方向的正确与否,由于详图绘制人员的个体差异,选择表达方式上会有所差异,需要在图面上相互印证,如有不一致处及时和制图人员沟通确认。
二、剖面符号和断面符号1.断面符号表示从符号处剖开看到的断面,不表示断面后方的其他东西;2.剖面符号表示从符号处剖开看到的断面及断面后方的其他东西;3.在钢构详图中,断面符号和剖面符号使用上有些随意,是因为功能上比较接近,着重表达的是看物体的方向。
看物的方向是从粗线朝文字的方向看。
粗线表示人的眼睛,文字表示看的朝向。
三、索引符号及节点符号1.不带剖视方向的索引字母a,如果节点详图不在本图中,就写对应的图纸编号,比如“详图-09”或“09”等。
有时也直接索引出来后直接放大,不用到节点符号,如下图:2.带剖视符号的索引与剖(断)面符号类似,看物的方向是从粗线朝细线的方向看。
粗线表示人的眼睛,细线表示看的朝向。
四、对称符号五、 焊缝符号*1. 焊缝基本符号(常用):表示焊缝横截面形状的符号2. 辅助符号:表示焊缝表面形状特征的符号3.补充符号:补充说明焊缝的某些特征而采用的符号4.尾注:是对焊缝的要求进行备注,一般说明质量等级,适用范围、剖口工艺的具体编号等常用的坡口的形状和尺寸可以查看《建筑钢结构焊接技术规程》(JGJ81-2002),下表是根据规程及我司习惯绘制的坡口节点表,可供参考:5.焊缝尺寸的标注:说明:当无焊缝长度尺寸是表示焊缝是通长连续的;当对接焊缝(含角对接组合焊缝)无有效深度的尺寸标注时,表示全熔透。
For personal use only in study and research; not for
commercial use
钢结构识图培训讲义
技术部周耀彬 2009-5-24
第一章识图基础
一、投影及三视图
三视图:正视图(上左)、侧视图(上右)、俯视图(下)
三视图在使用是不一定完整,可能只出现其中两个。
有剖视符号的情况下,按照符号所示方向看物体,无剖视符号时,一般习惯的看图方向是:
侧视图在正视图的右侧时,表示是站在正视图中物体的右侧向左看;
侧视图在正视图的左侧时,表示是站在正视图中物体的左侧向右看;
俯视图表示从上向下看到的正视图中的物体
看图方向的正确至关重要,决定了装配方向的正确与否,由于详图绘制人员的个体差异,选择表达方式上会有所差异,需要在图面上相互印证,如有不一致处及时和制图人员沟通确认。
二、剖面符号和断面符号
1.断面符号
表示从符号处剖开看到的断面,不表示断面后方的其他东西;
2.剖面符号
表示从符号处剖开看到的断面及断面后方的其他东西;
3.在钢构详图中,断面符号和剖面符号使用上有些随意,是因为功能上比较接
近,着重表达的是看物体的方向。
看物的方向是从粗线朝文字的方向看。
粗线表示人的眼睛,文字表示看的朝向。
三、索引符号及节点符号
1.不带剖视方向的索引
字母a,如果节点详图不在本图中,就写对应的图纸编号,比如“详图-09”或“09”等。
有时也直接索引出来后直接放大,不用到节点符号,如下图:
2.带剖视符号的索引
与剖(断)面符号类似,看物的方向是从粗线朝细线的方向看。
粗线表示人的眼睛,细线表示看的朝向。
四、对称符号
五、焊缝符号*
1.焊缝基本符号(常用):表示焊缝横截面形状的符号
2.辅助符号:表示焊缝表面形状特征的符号
3.补充符号:补充说明焊缝的某些特征而采用的符号
4.尾注:是对焊缝的要求进行备注,一般说明质量等级,适用范围、剖口工艺
的具体编号等
常用的坡口的形状和尺寸可以查看《建筑钢结构焊接技术规程》(JGJ81-2002),下表是根据规程及我司习惯绘制的坡口节点表,可供参考:5.焊缝尺寸的标注:
说明:当无焊缝长度尺寸是表示焊缝是通长连续的;当对接焊缝(含角对接组合焊缝)无有效深度的尺寸标注时,表示全熔透。
6.焊缝表达举例:
7.其他表达方式:
(1)直接在图上表达坡口形状尺寸的方法:
(2)在国外图纸中的一些表达方式:
另外美国图纸很多仍采用英制单位,在看图确定焊缝尺寸是需要进行换算:
1 英寸(1”)= 25.4mm
1/16”=1.6mm 1/8”=3.2mm 1/4”=6.4mm 1/2”=12.7mm
(3)锅炉钢结构中的一些表达方式:
六、尺寸标注*
1.工作点、组立点、检查点的概念
(1)W.P.(Working Point) 工作点??
??结构设计师最关心的点,构件轴力的交点,一般为构件的中心线的交点。
(2)A.P.(Assembling Point) 组立点
??装配工人最关心的点,零件边与构件边的交点。
特别是板片与构件斜交时,此点尤为重要。
(3)C.P. (Check Point) 检查点
??质检人员最关心的点,一般为螺栓孔的位置。
而w.p.到c.p.之间的尺寸即是?质检人员对构件成品要检查的尺寸,因为此处的制作误差,对构件的安装影响最大。
在实际的详图中,这些点不一定作标记,或统统用W.P.代表,但看图人的心中要作区分,装配的人看A.P.,自检和他检的时量取C.P.
2.主尺寸与分尺寸
主尺寸优先于尺寸,主尺寸是次尺寸的基准;主尺寸需要封闭,次尺寸不需要封闭。
具体来讲,主尺寸是指:柱身的标高、楼面的分界标高、分界标注,构件的外轮廓线;梁的两端连接柱的轴线距离、梁的外轮廓线、两端螺栓孔之间距离、与之连接的次梁中心线等。
次尺寸是指:板厚、牛腿高度、加劲板定位、以楼面引出的螺栓孔定位等标注侧的辅助符号:
标注举例
提示:
a,柱的各种尺寸中以标高、楼层分界线、总外包轮廓尺寸最重要,此处出错的后果最严重,即此处应为设计和制作的基准线(W.P. A.P. C.P.)。
b,牛腿高,加劲板、螺栓孔等次尺寸从基准线引出,无论图面表达是否是封闭尺寸,在制作、检验中都应该从基准线引出。
c,梁的轴线及柱宽等尺寸主要是图纸校对使用,对装配而言,所有具体的二级尺寸和三级尺寸都是和螺栓发生关系的,即螺栓孔才是梁板件装配、检验的基准线(A.P.
C.P.)。
d,小板图、牛腿图中的外轮廓尺寸是封闭尺寸,是指导下料用的,而孔尺寸都是从顶部或装配连接边引出的非封闭尺寸,顶部和装配连接边是A.P C.P.。
e,小板图中的标注方式和构件图上的该板的标注方式不同,是因为小板图是给下料制作用的,而构件图上的标注主要是指导装配和检验的。
f,合理的标注方式对制作是有指导意义的,但由于详图人员并无多少实际制作经验,因此不能过分依赖图纸标注的提醒意义,而作为装配、检验人员如遇到全封闭标注的图纸,要学会甄别其中的基准线。
第二章加工图组成及示例
一、图纸组成及看图要点:
总原则:一是看图要仔细,图纸表达不清或矛盾时,要多问多求证,不能自
己猜;二就是重视“设计总说明”和每张图面右下角的“说明”。
1.图纸目录:检查接收到的图纸是否完整;
2.加工图设计总说明,非常重要,看图要点如下:
(1)钢材、螺栓、冷弯薄壁型钢、栓钉、围护板材的材质(颜色)、厂家等;
(2)油漆种类、漆膜厚度及范围或型钢镀锌的要求,油漆范围必要时要看构件详图;
(3)除锈等级及抗滑移系数;
(4)焊缝的质量等级和范围等要求;
(5)预拼装、起拱、现场吊装吊耳等要求;
(6)制作、检验标准等
3.构件布置图,比较重要:
(1)锚栓布置图:主要关注钢材材质、数量、攻丝长度、焊脚高度等;
(2)梁柱布置图:主要关注构件名称、规格、数量、梁的安装方向(关系到连接板偏向)、轴线距离和楼层标高(可大致判断梁、柱的长度)等;
(3)檩条、墙梁布置图:主要关注构件名称、数量、是否有斜拉条和隅撑(关系到孔的排数)、轴线距离(可推算长度)、是否位于窗上下(关系到有没有贴板)等;
4.构件详图
图面上一般分:索引区、构件图区、大样图区,说明区;
索引区的标示可以方便的在布置图上查找该构件的位置,确定本图的主视图方向;
构件图可以整体反映该构件,如有两个视图进行表达时,一定要找到剖视符号来判断第二个视图的方向,不能只凭三视图的惯例来断定;
“说明”区对“设计总说明”中未提及或特殊的地方进行规定,是必读的。
(1)钢柱、梁详图:
a. 柱截面和总长度、各层标高与布置图对照验证一下;
b. 通过索引图判断钢柱视图方向;
c. 牛腿或连接板数量、方向对照布置图进行验证;
d. 柱的标高尺寸、长度分尺寸和总尺寸是否一致;
e. 通过剖视符号和板件编号找到对应的大样图进行识图;
f. 装配和检验要根据前面讲的标注原则和本构件的特点来判断基准点、线;
g. 每块板件装配前要根据图纸的焊缝标示和工艺进行剖口等处理;
h. 如能按照布置图验证一下与之相接的梁,节点是否一致。
i. 梁与柱内饰,另外注意梁端部是否需要带坡口,梁是否预起拱。
(2)轻钢屋面梁详图:
a. 按照索引图和布置图,核对截面规格;
b. 注意翼缘、腹板的分段位置,尤其是折梁时,是采用插板还是腹板连续;
c. 注意屋面梁放坡坡度,合缝板与谁垂直等问题;
d. 注意系杆连接板、天沟支架连接板、水平支撑孔是否每根梁都有?注意安装的方
向?
(3)吊车梁详图:
a.注意轴线和吊车梁长度的关系,中间跨的吊车梁和边跨吊车梁长度一般是不一样
的。
b. 吊车梁上翼缘是否需要预留固定轨道的螺栓孔?
c. 注意吊车梁上翼缘的隅撑留孔在那一侧?注意下翼缘的垂直支撑留孔在哪一
侧?
d. 吊车梁上翼缘和腹板的T形焊缝是否需要熔透?要对照设计总说明和本图验证;
e. 注意加劲肋厚度以及它与吊车梁的焊缝定义,注意区别普通加劲肋与车档的支承
加劲肋,两者是一般不同的。
(4)支撑详图:
a. 支撑的截面、肢尖朝向;
b. 放样的基准点是否明确;
c. 连接板的尺寸是否“正常”(这里尤为注意,有时候制图人把板的大样拉出来放
大画时,比例忘记调整,会出现尺寸不“正常”,通常是1.5倍或2倍),比较简单的方法是看螺栓孔之间距,如果和放样图中的不一致,就是错的。
二、附图
仅供个人用于学习、研究;不得用于商业用途。
For personal use only in study and research; not for commercial use.
Nur für den persönlichen für Studien, Forschung, zu kommerziellen Zwecken verwendet werden.
Pour l 'étude et la recherche uniquement à des fins personnelles; pas à des fins commerciales.
толькодля людей, которые используются для обучения, исследований и не должны использоваться в коммерческих целях.
以下无正文。