隧道水沟电缆槽施工工艺及质量控制要点25页PPT
- 格式:ppt
- 大小:4.61 MB
- 文档页数:1
一、隧道水沟电缆槽施工1、隧道水沟电缆槽施工前对隧道水沟电缆槽位置内淤泥、杂物进行清理,对边墙水沟电缆槽高度范围进行凿交底项目隧道水沟电缆槽交底人交底日期复核人2013/3/11交底人内谷:6、拆模时,注意成品保护,切勿将电缆槽侧壁损坏7、定期检查卷扬机及钢丝绳的性能,发现问题及时维修或更换,确保安全。
、综合接地系统1、在通号电缆槽外侧壁上部设 1根①16纵向接地钢筋(使用结构钢筋) 开10cm 的间距。
2、两相邻的初支接地连接钢筋或二衬接地连接钢筋应与通号电缆槽外侧壁上部 左右交错连接(严禁两侧同时连接)交底项目隧道水沟电缆槽 交底日期 2013/3/1114801110 980 680 550 130I I I i I线 路 中 线疥_匸fl纟200350 一130<j jI4600理浇沆J 确SC N于小须必为保证净空,半 宽放大2cm120临时水沟r水沟电缆槽模板安装定位示意图复核人,该接地钢筋每100m 断①16纵向接地钢筋内容:3、接地端子设置①、自洞口2米起,信号电缆槽内底部每间隔100米设1个,用于隧道接地系统与贯通地线连接。
②、自洞口2米起,信号电缆槽外侧壁线路侧每间隔50米设1个,用于轨旁设备设施(如轨道板)接地连接。
③、在隧道进、出口两侧墙角、电力电缆槽底、通号电缆槽底、通号电缆槽外侧壁各设1个,便于洞口设备设施接地连接。
内容:\ /injwttze M隧道洞口水沟电缆槽接地端子设置图4、v级围岩综合接地设置v级围岩接地是利用底板的下层结构钢筋作为接地极,每一个接地极需用1根$ 16横向钢筋通过$16连接钢筋与通信信号电缆槽侧墙内的纵向接地钢筋连接。
V级围岩接地设置为隔一模左右交错设置,因此,v级围岩水沟电缆槽初支接地单侧间隔40m有槽道时槽道按照每一个台车位左右交错布置。
由于V级衬砌底板在沟槽身施工完成后才能施工,故在沟槽身施工时需要预留$ 16mm连接钢筋,以便后期与底板横向接地钢筋连接,$ 16mm连接钢筋预留部分露出沟槽侧壁的长度为50cm。
高速公路工程隧道水沟电缆槽施工技术交底在混凝土浇筑前,要确保防排水设施畅通,包括水沟和预留槽。
水沟的施工采用C30模板混凝土浇筑,而预留槽则需要预先埋设管道。
同时,为了保证施工质量,需要在沟槽与二衬侧壁墙之间设置植筋锚固,采用HRB400Φ16钢筋,每根长30cm,纵向间距50cm,深度为10cm,并用锚固剂铆接牢固。
四、施工注意事项1、施工前需要进行充分的准备工作,包括清理基层、测量放线、找平基层等。
2、模板的选择和加固非常重要,需要采用钢制定型模板,并在模板就位后加固钢筋埋入填充面10cm以上。
3、钢筋的施工需要注意保护层厚度,防止出现露筋现象。
4、防排水设施要保持畅通,确保施工质量。
5、施工过程中要注意安全,严格遵守相关规定和操作规程。
五、验收标准1、沟槽和水沟的施工需要符合设计要求,混凝土强度达到C30标准。
2、钢筋的施工需要保证间距、数量和连接牢固。
3、防排水设施需要畅通有效,确保施工质量。
4、模板的选择和加固需要符合要求,保证施工质量。
5、验收过程中需要注意安全,确保施工人员的生命财产安全。
边墙位置二衬预留的盲管需要与侧边水沟连接通,盲管与原预留盲管之间采用直通接头连接。
电缆槽沟底位置还有收水管,也随着仰拱施工时预留的收水管接通。
盲管外并用无纺土工布包裹,靠隧道中心一侧管头高出设计水沟底面10-20cm。
为防止盲管出现“反坡”现象而不排水,要求采用HPB300ф6或者ф8钢筋将盲管固定牢固。
电器预留槽及管道应保持畅通,槽宽大小,槽顶边混凝土中放置钢筋加强,不留缺口。
每一处横通道及隧道入口都有电缆预埋镀锌管道,按照原管道材质,管径型号接通于电缆槽中,且高出槽底3cm,用土工布或者水泥编制袋封堵,以免进杂物。
管内接头处不能有毛刺,管口内边打磨圆顺。
在混凝土浇筑过程中,水沟电筑槽采用C30混凝土灌注,灌注混凝土前检查混凝土的和易性和坍落度。
混凝土按一定厚度、顺序和方向分层浇筑,在下层混凝土初凝前必须完成上层混凝土浇筑。
狮子山隧道水沟、电缆沟施工方案一、工程概况1、工程概况狮子山隧道长隧左线长554m(ZK93+502—ZK94+056)右线539m (K93+498—K94+037),属于中隧道。
其中水沟长度为1093m,电缆沟长度为2186m。
二、施工方案、方法及工艺(一)水沟、电缆沟1、施工方法、工艺(1)、施工放样按设计图纸要求用全站仪每隔10米放出水沟具体位置与标高,并用红油漆在洞身侧壁上精确标示标高与距侧壁点的距离,以便施工中随时检查。
施工时再用广线把各平面位置点连起来,以便模板安装。
在曲线上并适当调整广线以达到圆顺美观效果。
(2)、钢筋加工按照图纸要求结合工程实际钢筋加工分水沟侧壁和水沟盖板。
水沟侧壁(上部30cm预制,施工时用环氧树脂粘合)。
钢筋加工按图纸设计尺寸配料绑扎,水沟盖板采用双面搭接焊,钢筋的制作在专门钢筋加工场地内进行,制作工艺均应符合规范规定。
运输过程中保证钢筋不产生变形,钢筋安装时钢筋与摸板间设置保护层垫块,以保证钢筋的保护层厚度。
钢筋表面应保证清洁,对于已污秽或锈蚀的钢筋采取钢丝刷除锈等措施,以保证钢筋达到使用要求。
钢筋笼主筋间距允许误差±5mm,箍筋间距允许误差±5mm。
采用双面焊不小于5d。
(3)、摸板安装及要求模板使用30cm*150cm的钢模,以符合路面平、纵、横设计的要求。
并便于装拆,能保证横板连接牢固可靠,支立稳固。
每次浇注砼之前,模板表面应彻底清扫干净并在表面涂以脱模剂。
水沟壁模板安装时,应在底部砼打眼用Φ12钢筋固定底部平面位置,上部支撑牢固。
水沟盖板采用8号角钢(盖板厚度为8cm),用Φ12钢筋加工盖板宽度固定卡。
在每两块盖板间均应加设。
(4)、混凝土施工要求①、混凝土拌制与运输混凝土在金华互通拌合站集中拌合,罐车运输。
拌合时应严格按照施工配合比拌合,并有试验人员在现场监督指导,以保证混凝土的质量,混凝土在运输过程中,以2-4r/min慢速进行搅拌。
水沟及电缆槽施工工艺沟槽施工在拱、墙混凝土和仰拱填充施工完成后进行,水沟电缆槽采用C30钢筋混凝土,盖板采用C35钢筋混凝土预制。
为使新旧混凝土结合密贴,对旧混凝土界面进行凿毛处理。
水沟、电缆槽使用自制定型钢模,尺寸准确,棱角分明,线条顺畅,盖板安装平稳。
6.4.2.9隧道各种预留洞及预埋件施工工艺隧道各种预留洞包括用于存放维修工具和其它专业需要的综合洞室、综合洞室底部余长电缆腔、综合洞室内部通信及电力等相关专业设备安装空间、隧道内双侧电缆槽、电力电缆沟及通信、信号电缆沟;预埋件主要包括吸音板、照明和紧急照明等支架的预埋件,施工中应严格根据施工设计文件的尺寸、种类和位置进行预留和安装。
⑴各类洞室的开挖支护:隧道内的各类洞室开挖,在正洞掘进至其位置时一次开挖成形,当施工中发现原定位置地质不良时,施工单位会同设计、监理及业主对现场进行调查研究,确定变更位置。
开挖后,预留洞室锚喷支护紧跟,并对正洞连接处加强支护。
⑵各类洞室防、排水工程施工:①各类洞室与正洞联接处的防、排水工程与正洞一次完成;②与正洞联接的折角处,防水层根据铺设面的形状平顺铺设,不得出现空鼓。
⑶各类预埋管件、预留孔、槽以及各类洞室二次衬砌施工①各类洞室衬砌施工与隧道衬砌同时进行,灌注成一体;②认真检查防、排水工程的质量,只有在防、排水工程符合设计要求时,方可灌注混凝土施工;③衬砌中衬砌边墙内的各类洞室按设计位置进行定位,模板架设时将经过防腐与防锈处理后的预埋管件绑扎牢固,留出各种孔、槽及边墙内的各类洞室位置,并与模板衬砌台车连为一体,确保在灌注混凝土时各类孔、槽及边墙内的各类洞室不产生移位。
⑷在二衬浇筑前,还要注意各种灯具、电缆支架等的预埋件,按设计图纸指定的里程、标高准确无误地预埋。
所有预埋件位置偏差应在允许范围内。
⑸电缆槽、电力电缆沟及通信、信号电缆沟施工电缆槽盖板提前采用洞外预制;沟槽身施工在边拱混凝土完成后现浇。
电缆沟槽采用槽钢和角钢制作支架,模板采用定型钢模。
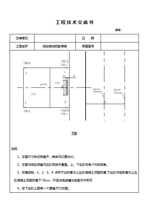
施工技术交底图1:侧沟及电缆槽详图2.2.3.综合接地(1)通信电缆槽侧墙上部Φ16纵向钢筋作为纵向接地钢筋,初期支护、二衬、仰拱、综合洞室引出的接地钢筋要与通信电缆槽侧墙上部Φ16钢筋间采用直径16mm的“L〞形钢筋进展焊接〔见下列图2:L〞形焊接〕,单面焊接不小于16cm〔10倍钢筋直径〕,焊缝应饱满并敲除焊渣,侧墙Φ16纵向接地钢筋每100m断开一次,断开的钢筋端头间距不小于10cm。
图2:“ L〞形焊接2.2.4.接地端子布置从隧道进口端2m处开场,在两侧通信信号电缆槽底部,每间隔100m设置一个接地端子,小于100m的隧道在中部设一处;从隧道进口端2m处开场,在两侧通信信号电缆槽靠线路侧壁上及其靠近侧沟的内壁上,每间隔50m设置一个接地端子,小于50m的隧道在中部设一处;上述所有的接地端子均通过Φ16钢筋与通信电缆槽侧墙上部Φ16纵向钢筋连接,焊接质量同接地钢筋,保证焊接质量。
详见图3:接地端子设置示意图。
图3:接地端子设置示意图图4:A节点详图接地端子位置示意图现场技术人员将隧道需要预埋接地端子的里程及个数在二衬上做好标记,以防漏埋。
2.2.5.排水管及泄水槽中心水沟配筋图 N1钢筋大样图(5).模板安装根据测量放线,放出模板定位安装边线,然后安装模板,模板安装必须垂直,模板与模板之间的缝隙必须控制在2mm以内,模板与模板之间不能有错台。
模板每次安装前必须去除板面混凝土块,涂抹脱模剂。
模板在搬运过程中必须轻拿轻放,防止模板变形,特别是定型钢模板。
(6).混凝土施工中心水沟施工中采用一次立模浇注成型。
由于中心水沟壁厚度仅25cm,必须采用2.5~3cm的小直径专用捣固棒振捣,同时用φ25钢筋人工辅助插捣密实,并用木棒轻轻敲打模板,使附着在模板上的气泡逸出,保证混凝土外观质量平整。
预留填充层必须捣固密实。
三、验收标准(1)沟槽混凝土施工前根底面应凿毛冲洗干净,仓内无杂物和积水。
(2)混凝土的运输、浇筑及间歇全部时间不得超过混凝土的初凝时间。
郑万高铁湖北段ZWZQ-5标编号:SD-ZWZQ-5标隧道水沟电缆槽施工作业指导书单位:中铁十一局集团郑万高铁ZWZQ-5标项目经理部编制:审核:批准:二O一七年二月十日发布二O一七年二月十二日实施水沟电缆槽作业指导书1、适用范围:本作业指导书适用于(DK426+741.721-DK461+845.429)郑万高铁湖北段ZWZQ-5标刘坪隧道、于家沟隧道、高家坪隧道进口正洞、附属洞室、应急通道的侧沟电缆槽施工。
2、作业准备:2.1内业技术准备2.1.1按施工工艺要求设计轨行式液压水沟电缆槽台车。
2.1.2施工前应编制铁路隧道轨行式液压水沟电缆槽台车施工技术交底,并制定相应施工安全保证措施及应急预案。
2.1.3施工前应组织岗前培训和安全教育,使施工管理及作业人员充分掌握各工艺流程的操作和控制要点,澄清有关技术问题,熟悉现场施工技术条件。
2.1.4特殊工种必须持证上岗。
2.2 外业技术准备2.2.1测量设备已进行标定,测量人员熟知放样尺寸数据。
2.2.2轨行式液压水沟电缆槽台车拼装验收合格且性能良好,施工所需的人员、设备满足施工要求。
2.2.3水沟电缆槽台车面板打磨干净,没有混凝土附着物,脱模剂涂刷均匀。
3、技术要求(1)线路侧设置为通信信号电缆槽,边墙侧设置为电力电缆槽。
(2)在侧沟施工时,两侧沟与中心管沟通过Ф100 横向 PVC 导水管连接,横向导水管纵向间距 30m,配合检查井设置。
(3)靠两侧沟槽侧壁位置设置Ф10cm 半圆形排水槽,以排除隧道内道床可能积水。
(4)在靠近线路侧槽壁处结合隧道接地情况设置钢筋,以加强沟槽强度和结构整体性。
通信信号电缆槽内设置分隔钢筋。
(5)单位工程施工前,选取 200m 水沟电缆槽作为首件段进行试验、验收,确定施工工艺参数。
(6)技术参数:侧沟宽电缆沟高 80cm,宽 30cm,电缆沟高30cm,宽 30cm,如图 1 侧沟电缆槽样图所示图 1 侧沟及电缆沟详图(7)隧道水沟电缆槽与二次衬砌混凝土接触面、电缆槽端头必须凿毛。
施工技术交底书加工。
面板钢板厚度5mm,面板横竖肋条采用8mm钢条焊接而成,肋条间距纵向30cm、横向50cm。
固定横梁采用L80×8角钢加工,固定螺栓直径16mm。
此外要求固定横梁螺栓孔为长条形,在标准圆孔处向两边各扩展25mm,以便校准调准模板,U型模板采用斜切口连接以便拆模。
模板长2m,宽度满足沟槽高度,每块模板对应2根固定横梁。
铁路双线隧道边沟电缆槽组合定型模板设计见下图。
2、综合接地及防闪络接地检查及整改在边沟施作前,对原初期支护综合接地及槽道防闪络接地进行进行全面系统的检查,当检查发现漏埋或错埋时,及时按照整改方案(即隧道综合接地漏埋整改处理方案)进行整改,并检查合格后方可进行小边墙的凿毛及下道工序的施工。
3、处理边墙底虚查及杂物、渗漏水,清理泄水孔,并凿毛综合接地系统整改完毕后,对水沟电缆槽以下部分排水系统进行检查,如发现存在倒坡,排水管堵塞应提前整改。
当发现存在倒坡时采用取芯机进行取孔,确保整改接地系统检测,检测合格后方可进行模板的架设。
竖墙配筋图(图一)电缆槽尺寸图(图二)从隧道进口2m处起,两侧每个通信信号电缆槽底部100m设置1个接地端子。
隧道左右两侧的通信信号电缆槽中各设置一根贯通地线,纵向接地钢筋每100m与贯通地线相连,并采取砂防护措施。
两侧通信信号电缆槽靠线路侧侧墙外缘及靠水沟侧内缘每50m设置各1个接地端子。
二衬预留的综合接地钢筋和防闪络钢筋应与上下行通信信号电缆槽侧壁上部的¢16纵向接地钢筋单点连接一次,且不允许二衬预留的接地钢筋的两端同时与通信信号电缆槽侧壁上部的¢16纵向接地钢筋相连。
所有接地钢筋包括综合洞室内接地钢筋与通信信号电缆槽侧墙上部的¢16纵向接地钢筋之间的连接均采用¢16 “L”型焊接,焊缝长度为单面长度不小于200mm,双面长度不小于100mm。
接地端子预埋位置和接地钢筋焊接见图三8、浇注第一层混凝土在浇筑混凝土之前要仔细检查校核模板与预埋管件安装是否正确、加固是否牢固、有无遗漏。
工程概况xxx管段内隧道共计4座,分别是:xxx隧道、xxxx隧道、xxxx隧道、xxxx隧道进口,共计长度2629.27米。
设计隧道两侧均有水沟电缆槽,隧道两侧沟与中心水沟通过φ100PVC排水管连接。
隧道接地端子分别预留于水沟电缆槽内外侧壁与贯通地线及线路接地连接。
二、设计情况设计要求分部管段内线路均采用CRTSⅠ型板式无碴轨道,轨道结构高度为51.5mm。
轨下排水系统采用两侧沟加中心水沟形式。
隧道两侧侧沟与中心沟通过φ100PVC排水管连接,排水管纵向间距10m,施工过程中应采取措施保证排水通畅。
隧道两侧沟槽靠线路侧的φ100半圆排水槽与中心沟通过φ50PVC排水管连接,排水管纵向间距10m,并在半圆排水槽位置设置漏水篦子,以防堵塞,同时施工过程中应采取措施保证排水畅通。
PVC排水管与打孔波纹管根据现场施工情况合理设置,任意两管间最小间距不小于1m,并注意与过轨管线等设置错开。
复合式衬砌轨下断面图如下:三、施工方案及方法水沟电缆槽施工采用单侧施工,每次分段长度控制在40-50米,模板采用组合钢模板拼装成大块,电缆槽采用组合钢模板,并预先加工与大块侧模固定的连接,以便于支立。
施工时采用两步浇注砼的方法。
首先浇注至电缆槽底面,然后浇注剩余部分。
电缆槽盖板、排水沟盖板采用定型模板集中预制。
沟槽分次浇筑示意图如下:3.1施工步骤说明3.1.1测量放线为保证结构尺寸符合设计要求,两侧电缆槽、两侧排水沟与隧道中线的相对尺寸必须按施工图进行,不能随意改变。
靠二衬边墙一侧为电力电缆槽,靠隧中一侧为通信电缆槽。
测量员根据设计图和施工技术交底要求,单侧每10m放样1组(含2个点)定位点,其中1个点放样至二衬边墙上,为水沟电缆槽顶面标高点;另外1个放样至仰拱填充面上,为水沟电缆槽最外侧侧壁水平位置点,施工中要求隧中到沟槽身外侧净空比设计放大5厘米。
采用书面交底和现场技术交底形式将有关资料和测量点位交付现场技术员,领工员及班组长。
隧道电缆槽施工工艺一、工艺概述在本标段隧道施工中,电缆槽施工与隧道左右侧排水沟一起施工。
该工艺适用于本标段隧道所有电缆槽的施工。
二、作业内容1.制作电缆槽挡碴墙钢筋;2.预制电缆槽盖板;3.绑扎电缆槽挡碴墙钢筋;4.预留PVC 引水管;5.预留接地线;6.焊接接地端子;7. 立水沟电缆槽模板;8、施工水沟电缆槽。
三、质量检验标准与检验方法3.1、主控项目3.1.1、电缆槽布置、结构形式、沟底高程、纵向坡度、距线路中心距离应符合设计要求。
检验数量:施工单位、监理单位全部检查。
检验方法:观察、量测。
3.1.2、电缆槽盖板规格和尺寸应符合设计要求。
检验数量:施工单位、监理单位全部检查。
检验方法:尺量。
3.1.3、泄水槽位置、间距应符合设计要求。
检验数量:施工单位、监理单位全部检查。
检验方法:观察、量测。
3.1.4、洞内余长电缆腔设置满足有关专业要求,并满足设计要求。
检验数量:施工单位、监理单位全部检查。
检验方法:测量。
3.2、一般项目3.2.1、电缆槽内应无积水及淤泥堵塞。
泄水孔应通畅。
检验数量:施工单位全部检查。
检验方法:观察。
3.2.2、电缆槽盖板铺设应齐全平稳并符合设计要求。
检验数量:施工单位全部检查。
检验方法:观察。
3.2.3、洞内电缆槽断面尺寸应符合设计要求。
检验数量:施工单位、监理单位全部检查。
检验方法:测量。
四、施工准备4.1、制作电缆槽挡碴墙内钢筋,预制电缆槽盖板。
4.2、清理左右侧水沟电缆槽位置的杂物、淤泥,保证仰拱填充面干净无杂物。
4.3、检查环向的接地钢筋的质量,是否生锈。
五、施工机械及工艺装备隧道水沟电缆槽施工的主要机械见下表:隧道水沟电缆槽施工的主要机械表六、工艺及质量控制流程施工工艺及质量控制流程见下图。
- 2 -水沟电缆槽工艺及质量控制流程图七、工艺步序说明7.1、施工准备清理左右侧水沟电缆槽位置的杂物、淤泥,保证仰拱填充面干净无杂物。
制作电缆槽挡碴墙内钢筋,预制电缆槽盖板。
隧道水沟电缆槽施工方案1、工程概况集义隧道进口位于延安市宜川县集义镇屯里村南侧冲沟沟口处,出口设在韩城市王峰乡坪头村东侧坡体上,起讫里程DK482+698~DIK498+115,全长15417m。
桑树坪隧道位于黄龙山中低山区,梁峁前缘及凿开河河谷阶地,地形起伏较大。
起讫里程DIK498+439~DIK499+000,全长561m,为单洞双线隧道,最大埋深65m。
2、工法特点2.1 设备制作较为复杂,但可操作性强,拆除安装方便易于循环使用。
2.2 巧妙的利用了水沟电缆槽的结构形式,采用台架形式电力系统自动行走,使用整体台架为主构架,台架完全行走在水沟电缆槽以外(靠线路侧)仰拱填充面上,不受任何限制,同时不影响洞内通行。
较传统工艺上,提高了安全性。
2.3 重复使用率高,节约成本,提高了工效,满足进度要求。
传统工艺一般生产双侧1km后,模具均出现变形和损坏等现象,施做双侧12m 需3天以上周期。
而本工法在周转使用上,能做到4km双侧连续施工无变形,且施做双侧12m仅需1天的周期。
2.4 采用移动台架实现了水沟电缆槽混凝土整体浇筑,加强了结构物整体性,提高了混凝土外观质量。
传统工艺必须按单侧两次浇筑,成品易出现涨模、净空小于设计等病害。
2.5节省洞内作业和交通空间,设备配置齐全,易于保证工完料清和标准化文明施工要求。
传统工艺上,因设备占地面积和施工干扰较多,施工过程中的杂物难于清理,不满足标准化作业需求。
3、工艺原理本工法完全突破以往的小块模板组合、助力行走及单边施工的局限性,采用液压系统、电力自动行走轨道系统、整体式模板等原理制作的水沟电缆槽模板。
主要根据隧道净宽度制作台架,采用钢模根据水沟电缆槽尺寸制作整体化模板、配置电机及行走轨道实现台车自动化行走,液压系统实现模板自动升降的原理,实现一次性水沟电缆槽延米施工进度,进而达到简化施工工序,便于施工操作,达到施工效率,节约成本的双赢目的。
水沟电缆槽模架4、施工工艺流程及操作要点本工法的施工工序主要有三步:(1)首先根据测量放样点对即将施工水沟电缆槽的既有混凝土面进行凿毛冲洗,同时安装水沟电缆槽的钢筋;(2)利用电力自动行走系统移动台架就位,利用液压系统升降、调整模板位置,一次性整体浇筑混凝土。