CanonMP259维修手册
- 格式:doc
- 大小:1.15 MB
- 文档页数:16
(1) 打印机设置1) 基本设置基本设置根据用户需要修改或取消工厂设置的某些打印机功能。
a.警告提示页输出禁止禁止输出警告提示页时,设置此程序。
b.打印测试页输出禁止用来禁止打印测试页。
设定此项设置后,就不能再通过用户设置(测试页打印) 打印测试页。
c.A4/信纸类型自动转换需要用信纸进行打印,但没有信纸时此设置允许将打印内容切换到A4纸上进行打印。
*A4纸张缺少时,不允许将打印内容输出到信纸尺寸的纸张上。
d.保持数据删除此程序用来手动删除硬盘上所有数据。
e.内存满时的输出方法打印机数据内存满时,无法再进行更多内容打印。
所以,此时机器打印保存在内存中的数据。
此程序用来设置打印条件,工厂默认设置为“1”。
AR-C260M打印部分13 –92) 接口设置接口设置用来设置数据监视,以及控制数据到机器并行口和网络端口的输出。
a.端口选择方法用来选择机器的并行口和网络端口。
设置项目项目内容工作结束后改变打印完成后,端口选择被设置成自动。
I/O 超时后改变当达到I/O超时设置所设的时间( 以下所列项目) 时,端口选择变成自动选择。
b. 并行口允许设置此程序用来设置从并行口打印的允许/禁止。
c. USB端口允许设置此程序用来设置从USB端口打印的允许/禁止。
d. 网络端口允许设置此程序用来设置从网络端口打印的允许/禁止。
e. I/O 超时时间端口在打印数据接收等待状态时,经过一段时间端口没有收到打印数据后,此程序用来中断端口的连接,同时用来自动选择端口,并启动端口待机状态等待接收下次打印数据进行打印。
I/O 超时项表示打印数据接收等待状态到I/O端口超时之间的时间间隔。
3) 网络设置此设置用来将打印机设置成网络打印机。
网络设置可以设置以下这些项目。
改变设置项目后,终止管理者程序,关闭机器主开关,稍等片刻后重新打开机器主开关,设置被确认。
a.IP地址设置机器在TCP/IP网络协议环境下运行时,可以用此设置来设定机器的IP地址。
先需要:打印机先进入维修状态:
1、先按着停止/重置键,然后按电源键开机(别松开)。
2、等打印机启动,按住电源键不要放手,然后松开停止/重置键。
3、然后再按两下停止/重置键。
同时松开电源健和停止/重置键,启示完毕,打印机显示为”0″。
(如果不是显示为“0”,请关机重新操作。
)
4、电脑提示找到新硬件并提示安装驱动,(驱动不能安装不用管它)。
如果没有找到新硬件,建议重启电脑或更换电脑试试。
(如果电脑找不到新硬件,清零软件是无法使用的)
点“EEPROM”键(如果显示错误比如 002 ,点确定即可)
点“Main”键进行废墨计数器清零(打印机放一张纸,会打印出D=000.0,表示清零成功)关打印机重启,测试打印机(如果不能打印,请看墨水监控是不是缺墨或其它故障)
如果墨合缺墨可按打印机面板上“停止/重置”键5秒恢复
PS:佳能MP259外观时尚小巧分辨率高,耗材也不贵适合家用...可以打印/复印/扫描,不支持网络打印。
喷墨打印机维修手册喷墨打印机是我们日常工作、学习中常见的办公设备之一,它可以轻松地将电子文件转化为可视化的印刷品。
然而,由于长时间的使用或不当操作,喷墨打印机也可能会出现一些故障或问题。
本手册将为您提供一些基本的喷墨打印机维修指南,帮助您解决遇到的常见问题。
第一节:打印质量问题的解决办法1. 打印模糊:- 检查墨盒:确保墨盒中的墨水充足,如果墨水不足应及时更换。
- 清洁喷嘴:选择打印机设置中的“清洁喷嘴”选项,执行清洁程序可以清除堵塞和杂质。
- 调整打印质量:在打印设置中选择更高的打印质量,可以改善模糊问题。
2. 打印漏色:- 检查墨盒:确保墨盒中的所有颜色均有足够的墨水,如有不足应及时更换。
- 清洁喷嘴:选择打印机设置中的“清洁喷嘴”选项,清除堵塞的喷嘴可解决漏色问题。
- 校准打印机:在打印设置中选择“校准打印机”选项,可以提高打印精度和颜色准确度。
第二节:纸张进纸问题的解决办法1. 多张纸同时进纸:- 调整进纸托盘:确保纸张堆放整齐,不要超过进纸托盘负荷限制。
- 调整进纸张力:检查进纸托盘上方的纸张张紧器,调整到适当位置,保持纸张张力均匀。
2. 纸张卡纸现象:- 清理纸张通道:关闭打印机电源,仔细检查纸张通道是否有卡纸,若有卡纸要仔细取出。
- 谨慎选择纸张类型:根据打印机规格要求,选择适合的纸张类型,避免使用过厚或过粗的纸张。
第三节:连接和驱动问题的解决办法1. 无法连接到打印机:- 检查连接线:确保打印机与电脑之间的连接线正常连接且不松动。
- 重新安装驱动程序:如果电脑提示驱动程序有问题,可尝试重新安装最新的打印机驱动程序。
2. 打印机无法响应打印指令:- 重启打印机和电脑:有时候打印机和电脑之间的通信可能出现问题,通过重启可以尝试解决。
- 检查打印队列:检查打印队列中是否有堆积的打印任务,如果有,尝试删除这些任务重新打印。
结语:使用喷墨打印机时,出现故障或问题是不可避免的。
本手册简要介绍了一些常见的打印质量、纸张进纸、连接和驱动问题的解决办法。
佳能MP258清零佳能MP259打印机墨盒计数器清零的问题前段时间买了一款佳能MP259的扫描-复印-彩打一体的打印机,并让商家给我安装了连续供墨系统。
开始几天用的很正常,可是过了几天打印机就提示墨盒没有墨了。
即使我往墨盒了加了墨水也不行,还是提示墨水用完。
后来上网查资料才知道,是墨盒计数器已经到0了,即使墨盒里面有墨,而计数器如果不刷新的话,打印机仍然不能工作。
下载地址于是上网找了一下关于墨盒计数器清零的方法和软件。
下面的两种方法用的比较成功,介绍如下,供大家参考。
第一方法是使用软件进行墨盒计数器清零目前刷新墨盒芯片办法是有很多种,但是首推使用IP1000(或者IP1500)驱动刷新墨盒最为简单(详见PDF文档,清零软件见压缩包):第一步:安装一个IP1000打印机驱动。
网上下载一个佳能IP1000打印机驱动软件,安装过程中电脑会提示你设置打印机端口,由于这个打印机是虚拟的,所以随便选择忽悠一下即可。
安装IP1000驱动中手动选择打印机端口第二步:找到现在使用的打印端口号比如现在使用的打印机是IP1880,那么找到打印机的图标,用鼠标右键点击后出现下拉菜单,选“属性”;在出现属性的画面后点“端口”,从图上就可以看到IP1880在这里的端口是USB018。
找到现在使用的打印机端口第三步:将IP1000打印机端口更改来与现在使用的打印机端口号一致.找到IP1000打印机的图标,用鼠标右键点击后出现下拉菜单,选“属性”;在出现属性的画面后点“端口”,用鼠标在需要的端口号前面点一下就会打上一个" ",我们在这里把它选为USB018。
改IP1000打印机的端口为与现在使用的打印机端口号一致第四步:墨水计数器重置鼠标右键点IP1000图标选打印机“属性”将其打开后,点“维护”,然后点“墨水计数器重置”,在弹出的画面中选“黑色墨水盒”或“彩色墨水盒”,两个墨盒都选也可以。
最后选“执行”,被选中的打印机墨盒就刷新了,已经没有墨水的墨盒又再次显示“墨满”。
佳能810/811 815/816 墨盒抗孔及接管线
拿出墨盒,用透明胶带把出墨口封好
撕走墨盒上的标签纸
在红/黄/蓝的圈上用开孔钻抗大.
( 紫色位置是原来红色孔位,不钻这个孔, 用热熔胶把它封住)
在原红色孔位置下面一点另外钻一个接管线!
装上密封圈(紫色位置原红色孔的位已经用热熔胶封了)
然后用注射针,各色加入约5ml墨水,刚好满出为佳.(新墨盒每色2ml) 第二步外瓶加墨;
先把外墨瓶的管线折叠, 夹住. 然后加墨.
加墨好墨后塞上瓶塞. 做恒压.
把墨瓶向前倒侧, 把空气仓的墨水流回墨仓
(空气仓不能有高于1厘米的墨量) 多做几次,确保墨水都流回墨仓. 然后再立起. 打开空气仓的小塞.
准备一个装墨的
松开夹子
让墨水流出,管线没有空气就可以了
再折叠管线夹回夹子(等最后全装好,再打开)
第三步墨盒注墨;
用注射针各色抽取一些, 加入墨盒对应颜色, 看见溢出即止.
第四步接墨盒;
按照颜色,接进墨盒. 不要错哦
撕掉透明胶,擦一下流出的墨水, 然后装上打印机。
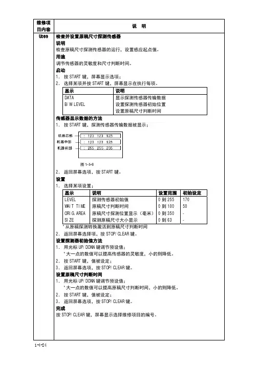
U099检查并设置原稿尺寸探测传感器 说明检查原稿尺寸探测传感器的运行,设置感应起点值。
用途调节传感器的灵敏度和尺寸判断时间。
启动 1. 按START 键,屏幕显示选项; 2. 选择某项并按START 键,屏幕显示在执行每项。
显示 说明DATAB/W LEVEL显示探测传感器传输数据 设置探测传感器初始位置 设置原稿尺寸判断时间传感器显示数据的方法 1. 按START 键,探测传感器传输数据被显示;2. 返回屏幕选项,按START 键。
设置 1. 选择某项设置;显示 说明设置范围初始设定 LEVELWAIT TIME ORIG.AREA SIZE探测传感器初始值 原稿尺寸判断时间原稿尺寸探测位置显示(毫米)探测原稿尺寸大小显示0到255 0到100 0到350 0到63170 50 - -*从原稿探测转换激活到原稿尺寸判断时间 2. 返回屏幕选择项,按STOP/CLEAR 键。
设置探测器初始值方法 1. 用光标UP/DOWN 键调节预设值;*大一点的数值可以提高传感器的灵敏度,小的则降低。
2. 按START 键,值被设定; 3. 返回屏幕选项,按STOP/CLEAR 键。
设置原稿尺寸判断时间 1. 用光标UP/DOWN 键调节预设值;*大一点的数值可以提高原稿尺寸判断时间,小的则降低。
2. 按START 键,值被设定; 3. 返回屏幕选项,按STOP/CLEAR 键。
完成按STOP/CLEAR 键,屏幕显示选择维修项目的编号。
1-4-24U100 检查运行主高压说明执行主充电用途检查主充电开始按START键,屏幕显示可选项显示说明MC ONON TIME (SEC) 打开主充电打开主充电并且开关激光扫描组件方法1.选择某项运行;2.按START键,被选项运行开始;3.停止运行,按STOP/CLEAR键。
完成当主充电停止输出,信息屏显示某一选项时按STOP/CLEAR键,屏幕显示选择维修项目的编号。
佳能PlXMA MP258发光二极管显示屏上显示错误代码•警告指示灯亮起橙色本机出现故障时,警告指示灯亮起橙色,并且发光二极管显示屏上交替显示代码)。
检查发光二极管显示屏上显示的错误代码,并采取适当措施纠正错误。
*根据出现的故障,警告指示灯不亮起。
•电源指示灯和警告指示灯交替闪烁绿色和橙色电源和警告指示灯交替闪烁(如下图所示),并且发光二极管显示屏上交替显示原因及解决方法* E 0 2本机缺纸。
/没有送入纸张。
* E 0 3出纸托盘关闭。
/卡纸。
* E 0 4 Z E 0 5无法识别墨盒(FlNE Cartridge)E和数字(错误P和数字(错• E 0 7墨盒(FINE Cartridge) 未安装在正确的位置。
・E 0 8墨水收集器将满。
• E 0 9 (仅适用于MP270 SerieS)本机未收到来自数码相机的响应。
连接的数码相机或便携式数码摄像机与本机不兼容。
・E 1 3无法检测墨水量。
• E 1 4无法识别墨盒(FINE Cartridge)。
• E 1 5无法识别墨盒(FINE Cartridge)。
• E 1 6墨水已用完。
• E 1 9 (仅适用于MP270 SerieS)通过USB集线器连接兼容PiCtBridge 的设备。
• E 3 0无法正确检测原件的尺寸或者选择自动比例复印时文档太小。
• E 3 1本机未连接到计算机。
・E 5 0扫描打印头对齐页失败。
•P 0 2E 0 2将纸张重新正确地装入后端托盘并按黑白或彩色按钮。
装入纸张注释*装入前请先将纸张的边缘完全对齐。
装入纸张时没有对齐纸张边缘可能会造成卡纸。
・如果纸张卷曲,请持着卷曲的角并轻轻地向反方向弯曲纸张,直至纸张完全平整。
卷曲纸张的详细资料,请参阅"纸张岀现污迹/打印面有划痕"。
2.装入纸张。
(1) 打开靠纸架,将其抬起并向后倾斜。
(2) 轻轻地打开岀纸托盘,并打开岀纸托盘扩展架。
参见[装入纸张]1.准备纸张。
CANON打印机维修资料大全上此程序适用佳能IP系列机型:第一步:关闭打印机电源。
并把电源线从电源插卒拔开。
第二步:按紧打印机的电源键同时插上电源线。
(此时机器电源灯亮)第三步:不松开电源键。
按4下进纸键。
电源灯显示:黄--绿--黄---绿。
第四步:松开电源键。
机器启动后,电源灯熄灭。
第五步:重新开机。
机器开机正常。
连接电脑,装好打印的驱动程序。
第六步:打开维修软件。
点击GeneralTool图标。
出现程序窗口,在usbport项中选择该打印机所对应的USB端口。
在下面的cleaning 和EPROM项前打勾,点击test 1。
打印机电源灯闪动一下。
机器已清零重新开机即可。
如果打印机的废墨盒(即机器底部的海绵)中有大量废墨水,也需要清理,挤出废墨水,用清水洗净晾干后放回,这是为了防止废墨流出来污染环境,与打印机恢复清零无关。
CANON打印机自检方法Canon打印机.两种方法:机器安装就绪后(1)开机时按住电源键等待机器发出声音(1到2声)后放开;(2)先按住进纸键再按电源键开机,3秒后再放开进纸键。
1、BJC265SP、4310、4650:上纸后按POWER键听一声,等待自检;2、BJC2000:此机器为单键操作,上纸后接上电源状态下,按两下键等待3、BJC3000:开机后,按住进纸键,灯闪两次,然后放开进纸键;6000:单键,上纸后按住小键听两声;4、BJC5000、5100、7100:上纸,按POWER键听两声或等听到音乐声后放开(会打出彩色图片);5、BJC5500:上纸后按住POWER键听两声或先按住进纸键的同时再按POWER键开机,3秒后再放开进纸键6、BJC50:上纸,按住POWER键听两声,空走纸一遍,再进纸方可执行打印;7、BJC30、80:方法一:打开电源,上纸后,按住MENU(菜单)键听一声后放手,再按一次。
方法二:关机状态下,按住进纸键开机,听一声后放开,等待自检佳能部分喷墨机维修模式佳能:BJC-2000EEPROM清除1.拆去墨盒,按RESET,插电源线.2.松开RESET键,5秒内再按此键并松开,小车会移到中间.3.按住RESET键多余2秒种,松开.4.根据下表,按住RESET键.5.关机.操作: 设置内容:按住2秒以上EEPROM清除和目标设置(日本以外)按一次目标设置(日本)(EEPROM不清除)按住2次(2次间隔1秒种以内) 目标设置(其他)(EEPROM不清除)佳能BJC2100EEPROM清除1.拆去墨盒,按RESET,插电源线.2.松开RESET键,5秒内再按此键并松开,小车会移到中间.3.按住RESET键多余2秒种,松开.4.根据下表,按住RESET键.5.关机.操作: 设置内容:按住2秒以上EEPROM清除按1次目标设置(日本.BJF210)按2次目标设置(其他.BJC2100)按3次目标设置(SP:BJC2100SP)佳能BJC-80EEPROM清除:1.按住POWER和RESUME键,插电源线,初始化后手松开.2.按住RESUME和CARTRIDGE键,按POWER键,直到听到1长1短的蜂鸣后.3.根据下表,按CARTRIDGE,设置相应的废墨量.4.按RESUM键,设置相应的废墨量.5.用POWER键关机(如果为25%,50%或75%,要用POWER键开机.如果为0%,要用POWER键开机,然后拔掉电源线)按CARTRIDGE次数: 默认设置:7次0%16次25%15次50%14次75%佳能BJC7000/7100维修模式:1.关机.按住RESUME键,字住POWER键开机.2.组住POWER键,在初始化完成前,连续按RESUME键2次3.初始化完成后,根据下表按RESUME键,选择相应的功能.4.按POWER键执行按RESUME键次: ERROR指示灯: 功能:0次不亮退出维修模式1次亮打印最终出厂打印,关机停止2次不亮清除EEPROM数据3次亮清除EEPROM中废墨记数4次不亮打印EEPROM中数据5次亮改变国家标志6次不亮打印普通纸的耐用性图案7次亮打印光面PHOTO纸的耐用性图案8次亮打印LF检测图案9次不亮恢复正常模式佳能S300维修模式1.关机.按住RESUME键,按住POWER键开机,绿灯亮.2.在按住POWER键时,松开RESUME键,然后按RESUME键2次,松开POWER键,(按住PESUME键时指示灯绿/黄闪烁)3.初始化操作时,绿灯闪烁,绿灯亮后,根据下表RESUME键.4.按POWER键,执行.按键次数: 指示灯: 维修模式功能:1次黄灯亮出厂检测打印2次绿灯亮EEPROM信息打印5次黄灯亮目标设置6次绿灯亮PTH值打印目标设置:选择模式设置,按POWER键,根据下表按PESUME键,然后按POWER 键:按键次数: 目标:1次海外(S300)2次日本(BJS300)佳能S100SP维修资料(原创中文正版)重写清零A、不安装墨盒,按RESET键通电源B、释放RESET键,5秒内重按一次C、打开前盖,安装黑色墨盒D、关上前门双击RESET键,打印机此时开始测试打印。
C a n o n M P259维修手册work Information Technology Company.2020YEAR佳能 PIXMA MP258发光二极管显示屏上显示错误代码警告指示灯亮起橙色本机出现故障时,警告指示灯亮起橙色,并且发光二极管显示屏上交替显示E和数字(错误代码)。
检查发光二极管显示屏上显示的错误代码,并采取适当措施纠正错误。
* 根据出现的故障,警告指示灯不亮起。
电源指示灯和警告指示灯交替闪烁绿色和橙色电源和警告指示灯交替闪烁(如下图所示),并且发光二极管显示屏上交替显示P和数字(错误代码)时,可能出现需要维修的故障。
原因及解决方法E 0 2本机缺纸。
/ 没有送入纸张。
E 0 3出纸托盘关闭。
/卡纸。
• E 0 4 / E 0 5无法识别墨盒(FINE Cartridge)。
墨盒(FINE Cartridge)未安装在正确的位置。
• E 0 8墨水收集器将满。
• E 0 9 (仅适用于MP270 series)本机未收到来自数码相机的响应。
连接的数码相机或便携式数码摄像机与本机不兼容。
• E 1 3无法检测墨水量。
• E 1 4无法识别墨盒(FINE Cartridge)。
• E 1 5无法识别墨盒(FINE Cartridge)。
• E 1 6墨水已用完。
• E 1 9 (仅适用于MP270 series)通过USB集线器连接兼容PictBridge的设备。
无法正确检测原件的尺寸或者选择自动比例复印时文档太小。
• E 3 1本机未连接到计算机。
• E 5 0扫描打印头对齐页失败。
•P 0 2•P * *E 0 2将纸张重新正确地装入后端托盘并按黑白或彩色按钮。
装入纸张参见[装入纸张]1. 准备纸张。
对齐纸张的边缘。
如果纸张卷曲,将其平整。
注释•装入前请先将纸张的边缘完全对齐。
装入纸张时没有对齐纸张边缘可能会造成卡纸。
•如果纸张卷曲,请持着卷曲的角并轻轻地向反方向弯曲纸张,直至纸张完全平整。
打印机维修手册一、常见问题及排查方法1. 打印机不能正常启动•排查方法:先检查打印机是否连接电源,确认电源线插头是否插紧;检查电源线是否损坏或是插座是否工作正常;排除电源问题后,检查打印机的控制面板是否显示正常。
2. 打印质量不佳•排查方法:先检查打印机墨盒是否有墨水,如果是彩色打印机,检查彩色墨盒是否已安装正确;清理打印头和喷嘴,确认打印质量问题是否得到解决。
3. 打印速度过慢•排查方法:检查打印机连接的计算机是否有足够的内存和处理器速度;调整打印机设置,降低打印质量以提高速度;清理打印机内部和喷头,确保其工作正常。
二、维护与保养1. 清洁打印机外壳•定期使用干净的软布擦拭打印机外壳,避免灰尘和污垢影响正常工作。
2. 清洁打印头和喷嘴•使用专用清洁液和软布清洁打印头和喷嘴,确保打印质量和速度。
3. 定期更换墨盒•按照打印机说明书的指引,定期更换墨盒,避免造成打印质量下降或者影响打印机寿命。
三、常见故障解决方案1. 打印机报错代码•解决方案:根据打印机说明书,查询相应的报错代码含义,尝试按照说明书指引排除故障。
2. 打印机卡纸•解决方案:小心打开打印机面板,逐一移除卡纸,避免损坏机器内部零件。
3. 打印机不识别墨盒•解决方案:确认墨盒是否正确安装,检查连接点是否有污垢影响导致不识别,清洁后重新安装。
四、维修注意事项1.尽量避免在打印机工作时拔掉电源或者其他接口线。
2.注意使用专用清洁剂和软布,避免损坏打印机表面。
3.在维修或清洁时,务必先断开电源并等待一段时间确保安全。
五、结语打印机维修手册总结了常见问题的排查方法、维护保养建议以及常见故障解决方案,希望能帮助使用者更好地维护和保养打印机。
若遇到更复杂的故障,请及时咨询专业技术人员或售后服务,以免造成不必要的损失。
佳能mp259清零Service Mode Tool Version 1.074软件使用适用于MP259/258/2780/328/276型号注意!出现这种情况不要清零,因为清零软件无法解决墨水量少的情况。
当打印机状态显示为下列页面时,请用软件清零:先从网上下载该软件,然后安装。
方法:首先让打印机进入维修状态。
一、同时按着 停止/重置键,然后按 电源键 开机(别松开)。
二、等打印机启动,按住 电源键 不要放手,然后松开 停止/重置 键。
三、然后再按两下 停止/重置键。
同时松开 电源健和停止/重第二步点这里第三步点这里置键,启示完毕,打印机显示为"0"。
(如果不是显示为“0”,请关机重新操作。
)四、电脑提示找到新硬件并提示安装驱动,不用管它,如果没有找到新硬件,建议重启电脑或更换电脑试试。
(如果电脑找不到新硬件,清零软件是无法使用的),点软件中“EEPROM”键(如果显示错误比如002 ,点确定即可),点软件中“Main”键进行废墨计数器清零(打印机放一张纸,会打印出D=000.0,表示清零成功)。
清零软件显示“A function was finished”。
关打印机重启,测试打印机(如果不能打印,请看墨水监控是不是缺墨或其它故障)。
您可以把墨盒拿出来,然后把标签撕下来,看看贴标签处有没有一个小小的加墨孔,如果没有的话,您可以直接拿个小钻钻个小孔,然后拿个针筒直接加个3-5ML的墨下去,记住加墨前后都要抽空。
要不然打印出来会不正常的。
加完后可以先清洗一下墨盒再打印的。
机器只识别原厂墨水,所以,加过国产墨水后不被识别,不过不影响使用,只有换上原厂墨盒才不提示墨量少.如果加过墨而不打印,可以按住停止/重置按键5秒钟以上再放手,就可以了。
mp259打印机MP259多功能一体机凭借一机多能在市场上大红大紫,而喷墨一体机的优势更是明显,采购价格比激光设备低,还能打印、复印、扫描彩色文档,而且还能输出彩色照片,虽然耗材容量有一定的限制,但是仍得到文印量较少的用户的亲睐。
这样一款产品,延续了佳能FINE 打印头技术,在打印速度和打印精度上达到了平衡,最高4800×1200dp i分辨率,最小墨滴仅2微微升,进一步保证了打印精度。
彩色复印与扫描非常简单,结合简洁易用的控制面板,操作更易上手。
除此之外,100页普通纸和20页照片纸的大容量进制器、自动纸盘打开功能、智能软件等功能与设计将其性能更好的发挥出来。
适用人群:学生、家庭、SOHO办公等控制面板设计在顶部扫描盖板右侧,由于没有ADF自动输稿器,看上去更加简洁。
控制面板上设计有可显示复印页数的单色数字液晶显示功能,结合提示灯,复印和扫描控制超级简单。
如果有人问这样的顶部平面设计的控制面板与流行的前倾式控制面板相比,哪种设计更好?其实不管采用哪种设计,能给用户带来最佳体验的就是最好的,其实,前倾式面板设计适合容纳数量较多的控制按键,而且前倾设计可能会带来机身体积的增大,而对于拥有打印、复印、扫描三合一功能的机型,佳能顶部右侧控制面板设计似乎更合理,首先不会对体积产品任何影响,而且由最少的控制键完成所有功能,操作得到简化。
机扫描平台扫描盖板可以上下伸缩,这是为扫描较厚的书籍或物品而设计的。
进纸器进纸器采用了两节伸缩+折叠设计,能有力的支持100页普通纸,而在不使用时又能完美折叠,防止灰尘进入的同时又能节省空间。
不过,折叠和伸缩关节数量较多,稳定性有待提升。
出纸托盘别看小小的出纸托盘,这里融入了佳能在高端产品中才有的一项设计-自动打开出纸支架,当执行打印任务或者复印任务时,出纸托盘会自动打开,这样的设计将有效避免了因忘记打开纸盘而出现的卡纸现象。
背部特写电源与USB接口佳能腾彩PIXMA MP259电源线与数据线接口设计在机身背部,分布在背部右下角和左下角.扫描平台支架该系列墨盒采用打印头和墨水一体设计,与四色独立墨盒相比,尤其是彩色墨盒,三种颜色只要有一种颜色缺色,就要更换整个墨盒,同时浪费了其余的墨水,不利于后期成本节省,而且打印头与墨盒一体设计能更好的保证打印品质,但同时也增加了耗材的成本。
M P259喷墨打印机操作手册------------------------------------------作者xxxx------------------------------------------日期xxxxMP258/MP259对齐打印头方法解决方法如果规则的线条打印后没有对齐或打印效果不理想,请调整打印头位置。
注释如果剩余墨水量不足,则打印头对齐页将不会正确地打印。
更换墨水不足的墨盒(FINE Cartridge)。
需要准备:一张A4或Letter尺寸的普通纸** 确保使用的纸张两面均洁白干净。
1. 确保电源已开启。
2. 在后端托盘中装入一张A4或Letter尺寸的普通纸。
3. 轻轻地打开出纸托盘,并打开出纸托盘扩展架。
4. 打印打印头对齐页。
(1) 重复按(维护)按钮直至出现u(小写字母“u”)。
(2) 按黑白或彩色按钮。
将打印打印头对齐页。
须知•请勿触摸打印头对齐页上的任何打印部分。
•请注意不要弄脏打印头对齐页。
如果打印头对齐页脏污或皱褶,可能无法正确扫描。
5. 扫描打印头对齐页以调整打印头位置。
(1) 将打印头对齐页装入到稿台玻璃上。
将打印头对齐页的打印面向下装入,并将该页左上角的标记与对准标记对齐。
(2) 轻轻地关闭文档盖板,确保发光二极管显示屏上显示U(大写字母“U”),然后按黑白或彩色按钮。
本机开始扫描打印头对齐页,并且将自动调整打印头位置。
打印头位置调整完成时,发光二极管显示屏返回至复印待机模式。
取出稿台玻璃上的打印头对齐页。
须知•打印头位置调整完成之前,请勿打开文档盖板或移动已装入的打印头对齐页。
•如果调整打印头位置失败,发光二极管显示屏上将出现错误代码。
按停止/重置按钮清除错误,然后确认以下各项。
- 稿台玻璃和打印头对齐页没有污迹。
- 打印头对齐页的打印面向下放置在正确位置。
佳能打印机CANON维修资料大全CANON 清零维修功能错误条件POWER灯ERROR灯ONLINE灯说明RAM错亮灭闪烁蜂鸣5声Rom错亮闪烁闪烁3声原位错亮闪烁灭随着灯闪烁而鸣小车控制错亮灭闪烁随着灯闪烁而鸣缺纸亮亮灭Sw1-11=off,蜂鸣2声Sw1-11=ON,蜂鸣3声卡纸错亮亮灭蜂鸣直到取出卡纸电池电压低闪烁灭灭指示灯每秒闪烁2次电池电压低错闪烁亮灭鸣5次,指示灯每秒闪2次Ni-cd电池错亮闪烁灭蜂鸣5次,powert error灯交替闪烁打印模式:BJ模式和LQ模式.SW11=OFF时,为bj模式,sw11=on时,为lq模式.把打印机设置成lq模式时,在硬件上设置好后,在软件上把打印选择epson打印机,即wps打印时,”打印机类型”中选择epson nec”系列.如”ar-3240”即可.BJC-6200维修功能:Rom错黄绿灯交替闪1次Ram错黄绿灯交替闪2次Eeprom错黄绿灯交替闪3次6800原位错黄绿灯交替闪4次5100温度传感器错黄绿灯交替闪5次5400废墨满错黄绿灯交替闪6次5B00打印头温度过高错黄绿灯交替闪7次5200打印头温度传感器错黄绿灯交替闪8次5200小车错位错黄绿灯交替闪9次5600Asf传感器错黄绿灯交替闪10次5700扫描盒错黄绿灯交替闪11次5210系统恢复错黄绿灯交替闪12次5000EEPROM重置:1. 按RESUME键的同时按下power键不放手2. 双击RESUME键,释放power键,进入维修模式.3. 按RESUME钮选取不同的状态(1次为eeprom测试打印页,2次为eeprom,all clear,3次wasteind clear)4. 通电后,按RESUME钮确认.喷嘴检测:通电后,按resume钮闪2次后松手清洗操作:通电后,按resume 钮闪1次后松手.BJC-6500维修功能:Rom错黄灯闪1次响10声Ram错黄灯闪2次响10声Eeprom错黄灯闪3次响10声6800原位错黄灯闪4次响10声5100温度传感器错黄灯闪5次响10声5400废墨满错黄灯闪6次响10声5b00打印头温度过高错黄灯闪7次响10声5200打印头温度传感器错黄灯闪8次响10声5200小车错位错黄灯闪9次响10声5600Asf传感器错黄灯闪10次响10声5700安装错误墨水传器错不闪无响5910EEPROM重置:1. 按RESUME键的同时按下power键不放手2. 双击RESUME键,释放power键,进入维修模式.3. 按RESUME钮选取不同的状态(1次为eeprom测试打印页,2次为eeprom,all clear,3次wasteind clear)4. 通电后,按RESUME钮确认.喷嘴检测:通电后,按resume钮闪2次后松手清洗操作:通电后,按resume 钮闪1次后松手.BJC-3000Rom错黄1/绿1灯交替闪Ram错黄2/绿1灯交替闪Eeprom错黄3/绿1灯交替闪6800原位错黄4/绿1灯交替闪5100温度传感器错黄5/绿1灯交替闪5400废墨满错黄6/绿1灯交替闪5b00打印头温度过高错黄7/绿1灯交替闪5200打印头温度传感器错黄8/绿1灯交替闪5200小车错位错黄9/绿1灯交替闪5600供纸传感器错黄10/绿1灯交替闪5700EEPROM重置:1. 按RESUME键的同时按下power键不放手2. 双击RESUME键,释放power键,进入维修模式.3. 按RESUME钮选取不同的状态(1次为eeprom测试打印页,2次为eeprom,all clear,3次wasteind clear)4. 通电后,按RESUME钮确认.喷嘴检测:通电后,按resume钮闪2次后松手清洗操作:通电后,按resume 钮闪1次后松手.BJC6000Rom错黄灯闪1次响10声Ram错黄灯闪2次响10声Eeprom错黄灯闪3次响10声6800原位错黄灯闪4次响10声5100温度传感器错黄灯闪5次响10声5400废墨满错黄灯闪6次响10声5b00打印头温度过高错黄灯闪7次响10声5200打印头温度传感器错黄灯闪8次响10声5200小车错位错黄灯闪9次响10声5600墨水传感器错无无5910清洁传感器错无无5c00喷嘴检测:通电后,按resume钮听到达声后松手.清洗操作:通电后,按resume 钮闪1次后松手EEPROM重置:1. 按RESUME键的同时按下power键不放手2. 双击RESUME键,释放power键,进入维修模式.3. 按RESUME钮选取不同的状态(1次为eeprom测试打印页,2次为eeprom,all clear,3次wasteind clear)4. 通电后,按RESUME钮确认.喷嘴检测:通电后,按resume钮闪2次后松手清洗操作:通电后,按resume 钮闪1次后松手.BJC-7000/7100错误条件ERROR灯蜂鸣说明无纸或卡纸错亮2 无法供纸墨水用完错亮3 黑色墨水或优化液用完,更换BC-60墨水用完错亮4 彩色或PHOTO墨水用完,更换相应的墨盒或墨水盒BJ墨盒错亮5 BJ墨盒未安装好废墨告警闪烁6 废墨或废优化液超过打印机容量的95%而告警BJ墨盒过热错闪烁7 打印头温度传感器检测到温度过高打印位置校正错闪烁2 8声原始校正操作时,未检测到原位原始位置错闪烁3 8声未原位校正时,未检测到原位清洁错闪烁4 8声清洁齿轮初始位置未检测到送纸器错闪烁5 8声未检测到取纸辊位置打印机温度错闪烁6 8声小车板上温度传感器测到温度过高废墨满错闪烁7 8声废墨或废优化液超过打印容量的100%EEPROM错闪烁9 8声EEPROM数据异常ROM错闪烁10 8声控制ROM校验异常RAM错闪烁11 8声RAM读/写异常小车马达错闪烁12 8声小车马达驱动器温度异常进纸马达错闪烁13 8声供纸马达驱动器温度异常多方面硬件错闪烁8声其他硬件错(由传感器检测到)EEPROM重置:5. 按RESUME键的同时按下power键不放手6. 双击RESUME键,释放power键,进入维修模式.7. 按RESUME钮选取不同的状态(1次为eeprom测试打印页,2次为eeprom,all clear,3次wasteind clear) 8. 按power确认.喷嘴检测:按resume钮听到3声后松手,测试开始.(bjc-7100)按resume钮听到2声后松手,测试开始.(bjc-7000)清洗操作:开电后,按住resume钮听到1声后松手,清洗开始.BJC-8200 维修功能:小车错黄灯闪2次响10声5100清洁错黄灯闪4次响10声5C00ASF 传感器错黄灯闪5次响10声5700温度传感器错黄灯闪6次响10声5400废墨满错黄灯闪7次响10声5B00打印头温度错黄灯闪8次响10声5200EEPROM 错黄灯闪9次响10声6800ROM 错黄灯闪10次响10声6100其它硬件错黄灯闪11次响10声6300安装错误:墨水低警告无提示,打印头温度错无提示。
佳能MP258/MP259/MP276/MP496/MP558/MP568/MP648废墨清零您的机器出现如图所示,可以使用本软件,注:不能清墨盒!!
让打印机进入维修状态(拍前请试好,如因打印机不能进入维修状态而导至清零软件不能正常使用的,请不要申请退款)
1、先按着停止/重置键,然后按电源键开机(别松开)。
2、等打印机启动,按住电源键不要放手,然后松开停止/重置键。
3、然后再按两下停止/重置键。
同时松开电源健和停止/重置键,启示完毕,打印机显示为"0"。
(如果不是显示为“0”,请关机重新操作。
)
4、电脑提示找到新硬件并提示安装驱动,不用管它,如果没有找到新硬件,建议重启电脑或更换电脑试试。
(如果电脑找不到新硬件,清零软件是无法使用的)
B、软件清零:双击打开清零软件(电脑需XP系统)
1、点“EEPROM”键(如果显示错误比如002 ,点确定即可)注意:请把其它的USB设备都关闭,否则会影响软件的操作
2、点“Main”键进行废墨计数器清零(打印机放一张纸,会打印出D=000.0,表示清零成功)
3、点“Platen”压板墨垫清零(如果出现报错:比如错误代码001,
没关系的,因为压板墨垫属损耗材料,不用理它,只要没真的坏,就不用更换)
4、设定废墨吸收垫计数器的值(0):找到Ink Absorber Counter 项,Absorber 选Main后面的值设0,然后点SET (本步可以不操作)
5、关打印机重启,测试打印机(如果不能打印,请看墨水监控是不是缺墨或其它故障)。
佳能 PIXMA MP258发光二极管显示屏上显示错误代码•警告指示灯亮起橙色本机出现故障时,警告指示灯亮起橙色,并且发光二极管显示屏上交替显示E和数字(错误代码)。
检查发光二极管显示屏上显示的错误代码,并采取适当措施纠正错误。
* 根据出现的故障,警告指示灯不亮起。
•电源指示灯和警告指示灯交替闪烁绿色和橙色电源和警告指示灯交替闪烁(如下图所示),并且发光二极管显示屏上交替显示P和数字(错误代码)时,可能出现需要维修的故障。
原因及解决方法• E 0 2本机缺纸。
/ 没有送入纸张。
• E 0 3出纸托盘关闭。
/卡纸。
• E 0 4 / E 0 5无法识别墨盒(FINE Cartridge)。
• E 0 7墨盒(FINE Cartridge)未安装在正确的位置。
• E 0 8墨水收集器将满。
• E 0 9 (仅适用于MP270 series)本机未收到来自数码相机的响应。
连接的数码相机或便携式数码摄像机与本机不兼容。
• E 1 3无法检测墨水量。
• E 1 4无法识别墨盒(FINE Cartridge)。
• E 1 5无法识别墨盒(FINE Cartridge)。
• E 1 6墨水已用完。
• E 1 9 (仅适用于MP270 series)通过USB集线器连接兼容PictBridge的设备。
• E 3 0无法正确检测原件的尺寸或者选择自动比例复印时文档太小。
• E 3 1本机未连接到计算机。
• E 5 0扫描打印头对齐页失败。
•P 0 2•P * *E 0 2将纸张重新正确地装入后端托盘并按黑白或彩色按钮。
装入纸张参见[装入纸张]1. 准备纸张。
对齐纸张的边缘。
如果纸张卷曲,将其平整。
注释•装入前请先将纸张的边缘完全对齐。
装入纸张时没有对齐纸张边缘可能会造成卡纸。
•如果纸张卷曲,请持着卷曲的角并轻轻地向反方向弯曲纸张,直至纸张完全平整。
有关如何平整卷曲纸张的详细资料,请参阅"纸张出现污迹/打印面有划痕"。
2. 装入纸张。
(1) 打开靠纸架,将其抬起并向后倾斜。
(2) 轻轻地打开出纸托盘,并打开出纸托盘扩展架。
(3) 滑动纸张导片(A)以将其打开,并在后端托盘的中心以打印面朝向自己装入纸张。
须知请务必纵向(B)装入纸张。
横向(C)装入纸张会造成卡纸。
(4) 滑动纸张导片(A)使它们与纸叠两侧对齐。
请勿过于用力滑动纸张导片。
否则,纸张可能无法正确地送入。
注释请勿使装入的纸张超出装入限量标记(D)。
E 0 3如果出纸托盘关闭,请将其打开。
本机恢复打印。
如果打开出纸托盘无法解决问题,或出纸托盘已经打开,则可能已卡纸。
取出卡纸,在打印机中重新正确地装入纸张,然后按黑白或彩色按钮。
卡纸参见[卡纸] 出纸槽或后端托盘中卡纸按照以下步骤取出纸张。
1. 请从后端托盘或出纸槽选择较容易拉出的一端,慢慢地拉出纸张。
注释•如果纸张撕裂并有碎片留在本机内,请关闭本机,打开扫描单元(机盖)并取出纸张。
注意,请勿接触本机内部部件。
取出所有纸张后,关闭扫描单元(机盖),然后重新开启本机。
•如果无法拉出纸张,请关闭本机并重新开启。
纸张可能会自动输出。
2. 重新装入纸张,然后按本机上的停止/重置按钮。
如果在步骤1中关闭本机,队列中所有的打印作业将被取消。
如有必要,请重新打印。
注释•重新装入纸张时,请确认使用正确的纸张并将其正确地装入打印机。
-> "装入纸张"•A5尺寸的纸张适合打印主要由文本构成的文档。
建议不要使用此类纸张打印照片或图形文档,否则打印输出可能会卷曲并造成输出卡纸。
如果无法取出纸张或纸张撕裂在本机内,或取出纸张后继续出现卡纸错误,请与服务中心联系。
在其他情况下请确认以下各项:•检查1:出纸槽周围是否有异物?•检查2:后端托盘中是否有异物?如果后端托盘中存在任何异物,请务必关闭本机,从电源插座中拔出本机插头,然后取出异物。
•检查3:纸张是否卷曲?E 0 4 / E 0 5墨盒(FINE Cartridge)可能没有正确安装,或墨盒(FINE Cartridge)可能与本机不兼容。
打开扫描单元(机盖),并安装合适的墨盒(FINE Cartridge)。
如果故障仍未解除,请与服务中心联系。
E 0 7确保每个墨盒(FINE Cartridge)都安装在正确的位置。
更换墨盒(FINE Cartridge)墨盒(FINE Cartridge)的墨水用完时,请按照以下步骤更换。
处理墨盒(FINE Cartridge)•请勿触摸墨盒(FINE Cartridge)上的电气触点(A)或打印头喷嘴(B)。
如果触摸此区域,本机可能无法正确打印。
•要保持最佳打印质量,推荐使用指定的Canon品牌墨盒(FINE Cartridge)。
不推荐再填充墨水。
•如果取出墨盒(FINE Cartridge),请立即更换。
请勿让本机处于没有墨盒(FINE Cartridge)的状态。
•使用新墨盒(FINE Cartridge)进行更换。
安装已使用的墨盒(FINE Cartridge)可能会造成喷嘴阻塞。
此外,使用这些墨盒,本机将无法正确提示何时更换墨盒。
•一旦安装墨盒(FINE Cartridge)后,请勿将其从本机中取出并裸露放置。
这将造成墨盒(FINE Cartridge)干涸,如果重新装入,本机可能无法正常工作。
要保持最佳打印质量,请在墨盒(FINE Cartridge)开封后六个月内将其用完。
注释•如果墨盒(FINE Cartridge)中墨水用完,可仅使用仍有墨水的彩色墨盒(Color FINE Cartridge)或黑色墨盒(Black FINE Cartridge)打印一段时间。
但是,与同时使用两个墨盒打印时相比,打印质量可能会降低。
为获得最佳质量,建议使用新的墨盒(FINE Cartridge)。
即使仅使用一种墨水打印,请在不取出空墨盒(FINE Cartridge)的情况下进行打印。
如果未安装彩色墨盒(Color FINE Cartridge)或黑色墨盒(Black FINE Cartridge),则会出现错误且本机无法打印。
•即使打印黑白文档或指定黑白打印时,也可能会消耗彩色墨水。
彩色墨水和黑色墨水还消耗于保持本机性能所必须进行的打印头标准清洗和深度清洗。
墨水用完时,请立即更换新墨盒(FINE Cartridge)。
1. 确保电源已开启,并打开出纸托盘。
2. 抬起扫描单元(机盖),然后使用扫描单元支架(C)支撑打开的扫描单元(机盖)。
墨盒(FINE Cartridge)支架移至更换位置。
注意请勿捏着墨盒(FINE Cartridge)支架强行将其停止或移动。
请勿触摸墨盒(FINE Cartridge)支架直至其完全停止。
须知•本机内部可能被墨水弄脏。
请注意,更换墨盒(FINE Cartridge)时不要弄脏双手和衣物。
可以使用棉纸或类似物品轻易地将本机内部的墨水擦拭干净。
•请勿在文档盖板上放置任何物品。
文档盖板打开时物品将会落入后端托盘中并导致本机出现故障。
•打开扫描单元(机盖)时,在文档盖板关闭的状态下将其抬起。
•请勿触摸本机内部的金属部件或其他部件。
•如果扫描单元(机盖)打开,墨盒(FINE Cartridge)支架会移至右侧。
在这种情况下,关闭并重新打开扫描单元(机盖)。
3. 取出空墨盒(FINE Cartridge)。
(1) 捏紧手柄并打开墨盒锁定盖。
(2) 取出墨盒(FINE Cartridge)。
须知•请小心处理墨盒(FINE Cartridge),以免弄脏衣物或周围。
•请根据当地处理耗用品的法律和法规弃置空墨盒(FINE Cartridge)。
4. 准备新墨盒(FINE Cartridge)。
(1) 从包装中取出新墨盒(FINE Cartridge),并轻轻地取下橙色保护胶带(D)。
须知•如果摇晃墨盒(FINE Cartridge),可能造成墨水漏出并弄脏双手和四周。
请小心处理墨盒(FINE Cartridge)。
•请注意,不要让取下的保护胶带上的墨水弄脏双手和四周。
•一旦取下保护胶带后,请勿将其重新粘上。
请根据当地处理耗用品的法律和法规将其弃置。
•请勿触摸墨盒(FINE Cartridge)上的电气触点或打印头喷嘴。
如果触摸此区域,本机可能无法正确打印。
5. 安装墨盒(FINE Cartridge)。
(1) 将新墨盒(FINE Cartridge)安装到墨盒(FINE Cartridge)支架。
彩色墨盒(Color FINE Cartridge)应安装于左侧的插槽中,黑色墨盒(Black FINE Cartridge)应安装于右侧的插槽中。
否则,这些墨水盒可能会损坏打印机:确保将其安装在正确的插槽内。
(2) 关闭墨盒锁定盖将墨盒(FINE Cartridge)锁定到位。
向下按墨盒锁定盖直至锁定到位。
(3) 确认墨盒锁定盖正确关闭。
注释如果墨盒锁定盖未正确关闭,向下按墨盒锁定盖直至锁定到位。
(E) 正确关闭(F) 未正确关闭(墨盒锁定盖倾斜)须知只有同时安装了黑色墨盒(Black FINE Cartridge)和彩色墨盒(Color FINE Cartridge),本机才能打印。
确保安装了两种墨盒(FINE Cartridge)。
6. 稍微抬起扫描单元(机盖),将扫描单元支架放回原位,并轻轻关闭扫描单元(机盖)。
注意将扫描单元支架放回原位时,请务必稳固地拿着扫描单元(机盖),小心不要夹到手指。
参考•如果关闭扫描单元(机盖)后警告指示灯亮起或闪烁橙色,请参阅电发光二极管显示屏上显示错误代码。
•更换墨盒(FINE Cartridge)后开始打印时,本机将自动执行打印头清洗。
打印头清洗完成之前请勿执行任何其他操作。
•如果打印的规则线条没有对齐或打印头位置没有对齐,请调整打印头位置。
参见[更换墨盒(FINE Cartridge) ]E 0 8按本机的黑白或彩色按钮继续打印。
请与服务中心联系。
E 0 9 (仅适用于MP270 series)•检查连接到本机的设备。
仅可以使用兼容PictBridge的设备直接打印照片。
•如果操作时间很长或发送数据时间过长,将出现通讯超时错误。
这样可能会取消打印。
在这种情况下,断开并重新连接USB电缆线。
从兼容PictBridge的设备进行打印时,根据设备的型号或品牌,连接设备至本机前可能必须在设备上选择一种兼容PictBridge的打印模式。
将设备连接到本机后,可能还必须手动开启设备或选择播放模式。
连接设备前,请根据设备的说明手册执行必要的操作。
如果问题仍未解决,检查是否可以打印其他照片。
E 1 3墨水可能已用完。
因为无法正确检测墨水量,剩余墨水量检测功能将被禁用。
如果希望在不使用该功能的情况下继续打印,请按 [Stop/Reset] (停止/重置)按钮至少 5 秒。