模板拆除检验批填写示例
- 格式:doc
- 大小:160.50 KB
- 文档页数:8
模板拆除工程检验批质量验收记录编号:×××表5.7.3单位(子单位) 工程名称全程分部(子分部)工程名称主体结构(砼结构)分项工程名称模板拆除验收部位1-8/A-B 9.00m框架粱、板施工单位×××项目经理×××施工执行标准名称及编号《110kV-1000kV变电(换流)站土建工程施工质量验收及评定规程》(Q/GDW 183—2008)专业工长(施工员)×××分包单位×××分包项目经理×××类别序号检查项目质量标准单位施工单位自检记录监理(建设)单位验收记录主控项目1模板及其支架拆除的顺序及安全措施☆应按施工技术方案执行执行模板拆除方案FA003按措施及技术交底执行2底模及支架拆除时的混凝土强度注)设计有要求时应符合设计要求混凝土强度90%设计无要求时板≤2m ≥50%>2m,≤8m≥75% 76 78 80梁长6m拆除强度满足要求。
>8m ≥100%梁拱壳≤8m ≥75% / / / / / / / / / />8m ≥100%悬臂构件≥100% / / / / / / / / / /3 后浇带模板拆除和支顶按施工技术方案执行/一般项目1 侧模拆除混凝土强度应能保证其表面及棱角不受损伤表面及棱角没受损伤2 模板拆除模板拆除时,不应对楼层形成冲击荷载。
拆除的模板和支架宜分散堆放并及时清运模板拆除时未乱抛、乱放,拆除后的模板有序堆放并及时清运。
做到工完料清注:底模及支架拆除时的混凝土强质量度标准为应达到设计强度标准值的百分率。
施工单位检查结果自检合格班组长:项目专业质量检查员:项目专业技术负责人:年月日监理(建设)单位验收结论合格专业监理工程师:(建设单位项目专业技术负责人) 年月日。
检验批填写范例(参考)目允许偏差(mm)1受力钢筋顺长度方向全长的净尺寸102弯起钢筋的弯折位置203箍筋内净尺寸5施工单位检查评定结果项目专业质量检查员:年月日监理(建设)单位验收结论验收合格。
监理工程师(建设单位项目专业技术负责人):全文结束》》年7月20日钢筋分项工程(钢筋连接、钢筋安装)检验批质量验收记录 TJ4、2、5工程名称检验批部位二层墙柱钢筋连接、安装施工执行标准名称及编号《江苏省建筑安装工程施工技术操作规程》(DGJ32/J30-xx)第四分册混凝土结构工程序号GB50204-2002的规定施工单位检查评定记录监理(建设)单位验收记录主控项目钢筋连接1纵向受力钢筋的连接方式应符合设计要求。
纵向受力钢筋连接方式符合设计要求,墙柱钢筋采用电渣压力焊接,焊接工艺符合验收规程的要求。
钢筋焊接接头试件经第三方检测合格。
受力钢筋安装品种、级别和数量符合设计要求。
验收合格。
2在施工现场、应按国家现行标准《钢筋机构连接通用技术规程》JG107、《钢筋焊接及验收规程》JGJ18的规定抽取钢筋机械连接接头、焊接接头试件作力学性能检验,其质量应符合有关规程的规定。
钢筋安装3钢筋安装时,受力钢筋的品种、级别、规格和数量必须符合设计要求。
一般项目钢筋连接1钢筋的接头宜设置在受力较小处。
同一纵向受力钢筋不宜设置两个或两个以上接头。
接头未端至钢筋弯起点的距离不应小于钢筋直径的10倍。
符合要求2在施工现场,应按国家现行标准《钢筋机械连接通用技术规程调JGJ107《钢筋焊接及验收规程》JGJ18的规定对钢筋机械连接接头、焊接接头的外观进行检查,其质量应符合有关规程的规定。
3当受力钢筋采用机械连接接头或焊接接头时,设置在同一构件内的接头宜相互错开。
4同一构件中相邻纵向受力钢筋的绑扎搭接接头宜相互错开,绑扎搭接接头中钢筋的横向净距不应小于钢筋直径,且不应小于25mm。
5梁、柱类构件的纵向受力钢筋搭接长度范围内的箍筋配置。
模板拆除工程检验批质量验收记录表GB50204-2002(Ⅲ)0106 Array010201 Array01169 / 101171 / 101模板拆除工程检验批质量验收记录表GB50204-2002(Ⅲ)010601020101173 / 101模板拆除工程检验批质量验收记录表GB50204-2002(Ⅲ)0106 Array01020101175 / 101模板拆除工程检验批质量验收记录表GB50204-2002(Ⅲ)0106 Array010201 Array01177 / 101179 / 101模板拆除工程检验批质量验收记录表GB50204-2002(Ⅲ)010601020101181 / 101模板拆除工程检验批质量验收记录表GB50204-2002(Ⅲ)0106 Array010201 Array01183 / 101模板拆除工程检验批质量验收记录表GB50204-2002(Ⅲ)0106 Array010201 Array01185 / 101187 / 101模板拆除工程检验批质量验收记录表GB50204-2002(Ⅲ)010601020101189 / 101模板拆除工程检验批质量验收记录表GB50204-2002(Ⅲ)0106 Array01020101191 / 101模板拆除工程检验批质量验收记录表GB50204-2002(Ⅲ)0106 Array010201 Array01193 / 101195 / 101模板拆除工程检验批质量验收记录表GB50204-2002(Ⅲ)010601020101197 / 101模板拆除工程检验批质量验收记录表GB50204-2002(Ⅲ)0106 Array010201 Array01。
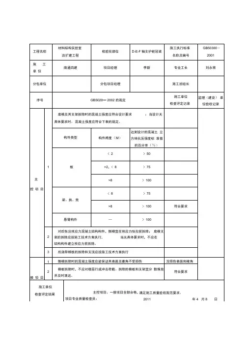
工程名称材料结构实验室改扩建工程检验批部位D-E-F轴支护桩冠梁施工执行标准名称及编号GB50300–2001施工单位南通四建项目经理李新专业工长刘永将分包单位分包项目经理施工班组长序号GB50204—2002的规定施工单位检查评定记录监理(建设)单位验收记录主控项目1底模及其支架拆除时的混凝土强度应符合设计要求;当设计无具体要求时,混凝土强度应符合下表的规定。
构件类型构件跨度(M)达到设计的混凝土立方体抗压强度标准值的百分率(%)板≤2 ≥50>2,≤8 ≥75>8 ≥100梁、拱、壳≤8 ≥75>8 ≥100 符合要求悬臂构件—≥1002对后张法预应力混凝土结构构件,侧模宜在预应力张拉前拆除;底模支架的拆除应按施工技术方案执行,当无具体要求时,不应在结构构件建立预应力前拆除。
3 后浇带模板的拆除和支顶应按施工技术方案执行一般项目1 侧模拆除时的混凝土强度应能保证其表面及菱角不受损伤没损伤表面和棱角2模板拆除时,不应对楼层行成冲击荷载。
拆除的模板和支架宜分散堆放并及时清运。
符合要求施工单位检查评定结果主控项目、一般项目全部合格,满足施工质量验收规范要求。
项目专业质量检查员: 2011 年 4 月 8 日监理(建设)单位验收结论工程名称材料结构实验室改扩建工程检验批部位A-K-J轴支护桩冠梁施工执行标准名称及编号GB50300–2001施工单位南通四建项目经理李新专业工长刘永将分包单位分包项目经理施工班组长序号GB50204—2002的规定施工单位检查评定记录监理(建设)单位验收记录主控项目1底模及其支架拆除时的混凝土强度应符合设计要求;当设计无具体要求时,混凝土强度应符合下表的规定。
构件类型构件跨度(M)达到设计的混凝土立方体抗压强度标准值的百分率(%)板≤2 ≥50>2,≤8 ≥75>8 ≥100梁、拱、壳≤8 ≥75>8 ≥100 符合要求悬臂构件—≥1002对后张法预应力混凝土结构构件,侧模宜在预应力张拉前拆除;底模支架的拆除应按施工技术方案执行,当无具体要求时,不应在结构构件建立预应力前拆除。
3 后浇带模板的拆除和支顶应按施工技术方案执行一般项目1 侧模拆除时的混凝土强度应能保证其表面及菱角不受损伤没损伤表面和棱角2模板拆除时,不应对楼层行成冲击荷载。
拆除的模板和支架宜分散堆放并及时清运。
符合要求施工单位检查评定结果主控项目、一般项目全部合格,满足施工质量验收规范要求。
项目专业质量检查员: 2011 年 4 月 10 日监理(建设)单位验收结论工程名称材料结构实验室改扩建工程检验批部位H-J-K轴支护桩冠梁施工执行标准名称及编号GB50300–2001施工单位南通四建项目经理张宏钧专业工长刘永将分包单位分包项目经理施工班组长序号GB50204—2002的规定施工单位检查评定记录监理(建设)单位验收记录主控项目1底模及其支架拆除时的混凝土强度应符合设计要求;当设计无具体要求时,混凝土强度应符合下表的规定。
构件类型构件跨度(M)达到设计的混凝土立方体抗压强度标准值的百分率(%)板≤2 ≥50>2,≤8 ≥75>8 ≥100梁、拱、壳≤8 ≥75>8 ≥100 符合要求悬臂构件—≥1002对后张法预应力混凝土结构构件,侧模宜在预应力张拉前拆除;底模支架的拆除应按施工技术方案执行,当无具体要求时,不应在结构构件建立预应力前拆除。
3 后浇带模板的拆除和支顶应按施工技术方案执行一般项目1 侧模拆除时的混凝土强度应能保证其表面及菱角不受损伤没损伤表面和棱角2模板拆除时,不应对楼层行成冲击荷载。
拆除的模板和支架宜分散堆放并及时清运。
符合要求施工单位检查评定结果主控项目、一般项目全部合格,满足施工质量验收规范要求。
项目专业质量检查员: 2011 年 4 月 27 日监理(建设)单位验收结论工程名称材料结构实验室改扩建工程检验批部位地下室-3.1米剪力墙施工执行标准名称及编号GB50300–2001施工单位南通四建项目经理张宏钧专业工长刘永将分包单位分包项目经理施工班组长序号GB50204—2002的规定施工单位检查评定记录监理(建设)单位验收记录主控项目1底模及其支架拆除时的混凝土强度应符合设计要求;当设计无具体要求时,混凝土强度应符合下表的规定。
构件类型构件跨度(M)达到设计的混凝土立方体抗压强度标准值的百分率(%) 板≤2 ≥50>2,≤8 ≥75>8 ≥100 梁、拱、壳≤8 ≥75>8 ≥100 悬臂构件—≥1002对后张法预应力混凝土结构构件,侧模宜在预应力张拉前拆除;底模支架的拆除应按施工技术方案执行,当无具体要求时,不应在结构构件建立预应力前拆除。
3 后浇带模板的拆除和支顶应按施工技术方案执行一般项目1 侧模拆除时的混凝土强度应能保证其表面及菱角不受损伤没损伤表面和棱角2模板拆除时,不应对楼层行成冲击荷载。
拆除的模板和支架宜分散堆放并及时清运。
符合要求施工单位检查评定结果主控项目、一般项目全部合格,满足施工质量验收规范要求。
项目专业质量检查员: 2011 年 5 月 29 日监理(建设)单位验收结论工程名称材料结构实验室改扩建工程检验批部位地下室外墙、柱施工执行标准名称及编号GB50300–2001施工单位南通四建项目经理张宏钧专业工长刘永将分包单位分包项目经理施工班组长序号GB50204—2002的规定施工单位检查评定记录监理(建设)单位验收记录主控项目1底模及其支架拆除时的混凝土强度应符合设计要求;当设计无具体要求时,混凝土强度应符合下表的规定。
构件类型构件跨度(M)达到设计的混凝土立方体抗压强度标准值的百分率(%) 板≤2 ≥50>2,≤8 ≥75>8 ≥100 梁、拱、壳≤8 ≥75>8 ≥100 悬臂构件—≥1002对后张法预应力混凝土结构构件,侧模宜在预应力张拉前拆除;底模支架的拆除应按施工技术方案执行,当无具体要求时,不应在结构构件建立预应力前拆除。
3 后浇带模板的拆除和支顶应按施工技术方案执行一般项目1 侧模拆除时的混凝土强度应能保证其表面及菱角不受损伤没损伤表面和棱角2模板拆除时,不应对楼层行成冲击荷载。
拆除的模板和支架宜分散堆放并及时清运。
符合要求施工单位检查评定结果主控项目、一般项目全部合格,满足施工质量验收规范要求。
项目专业质量检查员: 2011 年 7 月 2 日监理(建设)单位验收结论工程名称材料结构实验室改扩建工程检验批部位地下室结构施工执行标准名称及编号GB50300–2001施工单位南通四建项目经理张宏钧专业工长刘永将分包单位分包项目经理施工班组长序号GB50204—2002的规定施工单位检查评定记录监理(建设)单位验收记录主控项目1底模及其支架拆除时的混凝土强度应符合设计要求;当设计无具体要求时,混凝土强度应符合下表的规定。
构件类型构件跨度(M)达到设计的混凝土立方体抗压强度标准值的百分率(%)板≤2 ≥50 符合要求>2,≤8 ≥75 符合要求>8 ≥100 符合要求梁、拱、壳≤8 ≥75 符合要求>8 ≥100 符合要求悬臂构件—≥100 符合要求2对后张法预应力混凝土结构构件,侧模宜在预应力张拉前拆除;底模支架的拆除应按施工技术方案执行,当无具体要求时,不应在结构构件建立预应力前拆除。
3 后浇带模板的拆除和支顶应按施工技术方案执行一般项目1 侧模拆除时的混凝土强度应能保证其表面及菱角不受损伤没损伤表面和棱角2模板拆除时,不应对楼层行成冲击荷载。
拆除的模板和支架宜分散堆放并及时清运。
符合要求施工单位检查评定结果主控项目、一般项目全部合格,满足施工质量验收规范要求。
项目专业质量检查员: 2011 年 7 月 21 日监理(建设)单位验收结论工程名称材料结构实验室改扩建工程检验批部位地下室汽车坡道结构施工执行标准名称及编号GB50300–2001施工单位南通四建项目经理季春华专业工长刘永将分包单位分包项目经理施工班组长序号GB50204—2002的规定施工单位检查评定记录监理(建设)单位验收记录主控项目1底模及其支架拆除时的混凝土强度应符合设计要求;当设计无具体要求时,混凝土强度应符合下表的规定。
构件类型构件跨度(M)达到设计的混凝土立方体抗压强度标准值的百分率(%)板≤2 ≥50>2,≤8 ≥75 符合要求>8 ≥100梁、拱、壳≤8 ≥75 符合要求>8 ≥100 符合要求悬臂构件—≥1002对后张法预应力混凝土结构构件,侧模宜在预应力张拉前拆除;底模支架的拆除应按施工技术方案执行,当无具体要求时,不应在结构构件建立预应力前拆除。
3 后浇带模板的拆除和支顶应按施工技术方案执行一般项目1 侧模拆除时的混凝土强度应能保证其表面及菱角不受损伤没损伤表面和棱角2模板拆除时,不应对楼层行成冲击荷载。
拆除的模板和支架宜分散堆放并及时清运。
符合要求施工单位检查评定结果主控项目、一般项目全部合格,满足施工质量验收规范要求。
项目专业质量检查员: 2012 年 1 月 3 日监理(建设)单位验收结论。