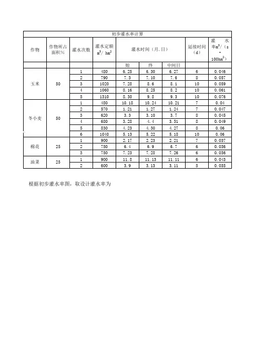
灌水率的计算
- 格式:doc
- 大小:317.00 KB
- 文档页数:49
1、灌溉制度
根据《陕西省行业用水定额》(陕政发[2004]18号)规定,本工程属于关中西部平原区,主要考虑种植面积较大且需要灌溉的作物,主要有小麦、夏玉米、果树及蔬菜等。
按照干旱年考虑,灌溉定额分别为:140m3/亩、130m3/亩、150m3/亩、280m3/亩。
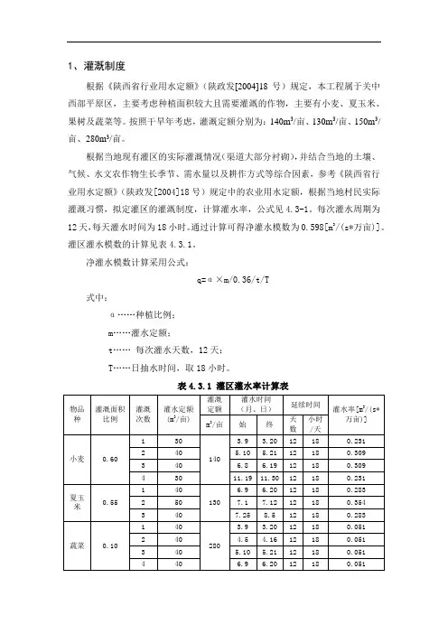
根据当地现有灌区的实际灌溉情况(渠道大部分衬砌),并结合当地的土壤、气候、水文农作物生长季节、需水量以及耕作方式等综合因素,参考《陕西省行业用水定额》(陕政发[2004]18号)规定中的农业用水定额,根据当地村民实际灌溉习惯,拟定灌区的灌溉制度,计算灌水率,公式见4.3-1。
每次灌水周期为12天,每天灌水时间为18小时。
通过计算可得净灌水模数为0.598[m3/(s*万亩)]。
灌区灌水模数的计算见表4.3.1。
净灌水模数计算采用公式:
q=α×m/0.36/t/T
式中:
α……种植比例;
m……灌水定额;
t……每次灌水天数,12天;
T……日抽水时间,取18小时。
表4.3.1 灌区灌水率计算表
图4.3.1 灌溉用水过程线
2灌溉用水量
根据灌区渠系现状并结合当地的土壤、气候、水文、农作物生长季节、需水量以及耕作方式等综合因素,确定渠系水利用系数0.8,田间水利用系数0.9,则灌溉水利用系数为η=0.8×0.9=0.72,故灌区毛灌水率为0.598/0.72=0.831[m3/(s.万亩)]。
作物灌溉制度农作物得灌溉制度:就是指作物播种前(或水稻栽秧前)及全生育期内得灌水次数、每次得灌水日期与灌水定额。
灌水定额就是指一次灌水单位灌溉面积上得灌水量,各次灌水定额之与,叫灌溉定额。
灌水定额与灌溉定额常以m3 /亩或mm表示,它就是灌区规划及管理得重要依据。
充分灌溉条件下得灌溉制度,就是指灌溉供水能够充分满足作物各生育阶段得需水量要求而设计制定得灌溉制度。
⑴ 总结群众丰富灌水经验多年来进行灌水得实践经验就是制定灌溉制度得重要依据。
灌溉制度调查应根据设计要求得干旱年份,调查这些年份得不同生育期得作物田间耗水强度(mm/d)及灌水次数、灌水时间间距、灌水定额及灌溉定额。
根据调查资料,可以分析确定这些年份得灌溉制度、⑵ 根据灌溉试验资料制定灌溉制度我国许多灌区设置了灌溉实验站,试验项目一般包括作物需水量、灌溉制度、灌水技术等、实验站积累得试验资料,就是制定灌溉制度得主要依据。
但就是,在选用试验资料时,必须注意原试验得条件,不能一概照搬。
⑶ 按水量平衡原理分析制定作物灌溉制度这种方法就是根据水稻淹灌水层与旱作物计划湿润层内水量平衡得原理进行灌溉制度得制定。
在实践中一定要参考群众丰富灌水经验与田间试验资料,即这三种方法结合起来所制定得灌溉制度才比较完善。
水稻灌溉制度水稻具有喜水耐水特性,常采用淹灌方式,因此,渗漏损失水量大,灌水次数多,灌溉定额大。
灌溉制度应以满足不同时期稻田淹灌水层得深度要求。
通过水量平衡计算,可以确定所需要得水量。
某时段内水稻灌水定额为:m=H+E-P—H0+C式中m为时段内水稻灌水定额;H0、H分别为时段初与时段末得稻田水层深度;E为时段内田间耗水量(蒸发、蒸腾与渗漏量);P为时段内降雨量;C为时段内排水量。
单位均为mm、水稻灌溉制度,随着水稻品种与栽培季节得不同而异,多采用浅—深-浅得灌水方法,即分蘖与分蘖以前采用浅灌,分蘖后期到乳熟前采用深灌,乳熟以后浅灌,黄熟以后落干(有时也在分蘖末期落干晒田一次)。
作物灌溉制度农作物的灌溉制度:是指作物播种前(或水稻栽秧前)及全生育期内的灌水次数、每次的灌水日期和灌水定额.灌水定额是指一次灌水单位灌溉面积上的灌水量,各次灌水定额之和,叫灌溉定额。
灌水定额和灌溉定额常以m3 /亩或mm表示,它是灌区规划及管理的重要依据。
充分灌溉条件下的灌溉制度,是指灌溉供水能够充分满足作物各生育阶段的需水量要求而设计制定的灌溉制度。
⑴ 总结群众丰富灌水经验多年来进行灌水的实践经验是制定灌溉制度的重要依据。
灌溉制度调查应根据设计要求的干旱年份,调查这些年份的不同生育期的作物田间耗水强度(mm/d)及灌水次数、灌水时间间距、灌水定额及灌溉定额.根据调查资料,可以分析确定这些年份的灌溉制度。
⑵ 根据灌溉试验资料制定灌溉制度我国许多灌区设置了灌溉实验站,试验项目一般包括作物需水量、灌溉制度、灌水技术等。
实验站积累的试验资料,是制定灌溉制度的主要依据。
但是,在选用试验资料时,必须注意原试验的条件,不能一概照搬.⑶ 按水量平衡原理分析制定作物灌溉制度这种方法是根据水稻淹灌水层和旱作物计划湿润层内水量平衡的原理进行灌溉制度的制定。
在实践中一定要参考群众丰富灌水经验和田间试验资料,即这三种方法结合起来所制定的灌溉制度才比较完善。
水稻灌溉制度水稻具有喜水耐水特性,常采用淹灌方式,因此,渗漏损失水量大,灌水次数多,灌溉定额大。
灌溉制度应以满足不同时期稻田淹灌水层的深度要求.通过水量平衡计算,可以确定所需要的水量。
某时段内水稻灌水定额为:m=H+E-P-H0+C式中m为时段内水稻灌水定额;H0、H分别为时段初和时段末的稻田水层深度;E为时段内田间耗水量(蒸发、蒸腾和渗漏量);P为时段内降雨量;C为时段内排水量。
单位均为mm.水稻灌溉制度,随着水稻品种和栽培季节的不同而异,多采用浅-深-浅的灌水方法,即分蘖和分蘖以前采用浅灌,分蘖后期到乳熟前采用深灌,乳熟以后浅灌,黄熟以后落干(有时也在分蘖末期落干晒田一次).灌溉定额南方一般为300~360m3/亩,北方常在500m3/亩以上.旱作物灌溉制度根据旱作物的生理和生态特性,灌溉的作用在于补充土壤水分的不足,要求作物生长阶段土壤计划湿润层内土壤含水量维持在易被作物利用的范围内.其最大允许含水量为田间持水量,而最小允许含水量应保持在田间持水量的50%~60%。
灌水率(灌水模数):灌区单位面积所需灌溉的净流量,m3/(s.万亩)
灌溉设计保证率:是指灌区用水量在多年期间能够得到充分满足的几率,一般以正常供水的年数或供水不破坏的年数占总年数的百分数表示,p=m/(n+1),n灌溉设施供水总年数,m灌溉设施能保证正常供水的年数。
渠道水利用系数:某渠道的净流量与毛流量的比值。
ɳ渠道=Q下/Q上=Q净/Q毛
渠系水利用系数:灌溉渠系的净运量与毛运量的比值,等于各级渠道的渠道水利用系数。
ɳ渠系=ɳ干ɳ支ɳ斗ɳ农,一般为0.75~0.85 田间水利用系数:农渠以下(包括临时毛渠至田间)的水的利用系数。
ɳ田=Q农田净/Q农净,一般为0.95~0.98
灌溉水利用系数:针对整个灌区,指田间所需的净流量与渠首引入流量之比。
ɳ水=Q田净/Q首,一般0.4左右。
作物灌溉制度农作物的灌溉制度:是指作物播种前(或水稻栽秧前)及全生育期内的灌水次数、每次的灌水日期和灌水定额.灌水定额是指一次灌水单位灌溉面积上的灌水量,各次灌水定额之和,叫灌溉定额。
灌水定额和灌溉定额常以m3 /亩或mm表示,它是灌区规划及管理的重要依据。
充分灌溉条件下的灌溉制度,是指灌溉供水能够充分满足作物各生育阶段的需水量要求而设计制定的灌溉制度。
⑴ 总结群众丰富灌水经验多年来进行灌水的实践经验是制定灌溉制度的重要依据。
灌溉制度调查应根据设计要求的干旱年份,调查这些年份的不同生育期的作物田间耗水强度(mm/d)及灌水次数、灌水时间间距、灌水定额及灌溉定额.根据调查资料,可以分析确定这些年份的灌溉制度。
⑵ 根据灌溉试验资料制定灌溉制度我国许多灌区设置了灌溉实验站,试验项目一般包括作物需水量、灌溉制度、灌水技术等。
实验站积累的试验资料,是制定灌溉制度的主要依据。
但是,在选用试验资料时,必须注意原试验的条件,不能一概照搬.⑶ 按水量平衡原理分析制定作物灌溉制度这种方法是根据水稻淹灌水层和旱作物计划湿润层内水量平衡的原理进行灌溉制度的制定。
在实践中一定要参考群众丰富灌水经验和田间试验资料,即这三种方法结合起来所制定的灌溉制度才比较完善。
水稻灌溉制度水稻具有喜水耐水特性,常采用淹灌方式,因此,渗漏损失水量大,灌水次数多,灌溉定额大。
灌溉制度应以满足不同时期稻田淹灌水层的深度要求.通过水量平衡计算,可以确定所需要的水量。
某时段内水稻灌水定额为:m=H+E-P-H0+C式中m为时段内水稻灌水定额;H0、H分别为时段初和时段末的稻田水层深度;E为时段内田间耗水量(蒸发、蒸腾和渗漏量);P为时段内降雨量;C为时段内排水量。
单位均为mm.水稻灌溉制度,随着水稻品种和栽培季节的不同而异,多采用浅-深-浅的灌水方法,即分蘖和分蘖以前采用浅灌,分蘖后期到乳熟前采用深灌,乳熟以后浅灌,黄熟以后落干(有时也在分蘖末期落干晒田一次).灌溉定额南方一般为300~360m3/亩,北方常在500m3/亩以上.旱作物灌溉制度根据旱作物的生理和生态特性,灌溉的作用在于补充土壤水分的不足,要求作物生长阶段土壤计划湿润层内土壤含水量维持在易被作物利用的范围内.其最大允许含水量为田间持水量,而最小允许含水量应保持在田间持水量的50%~60%。
作物灌溉制度农作物的灌溉制度:是指作物播种前(或水稻栽秧前)及全生育期内的灌水次数、每次的灌水日期和灌水定额。
灌水定额是指一次灌水单位灌溉面积上的灌水量,各次灌水定额之和,叫灌溉定额。
灌水定额和灌溉定额常以m3 /亩或mm表示,它是灌区规划及管理的重要依据。
充分灌溉条件下的灌溉制度,是指灌溉供水能够充分满足作物各生育阶段的需水量要求而设计制定的灌溉制度。
⑴ 总结群众丰富灌水经验多年来进行灌水的实践经验是制定灌溉制度的重要依据。
灌溉制度调查应根据设计要求的干旱年份,调查这些年份的不同生育期的作物田间耗水强度(mm/d)及灌水次数、灌水时间间距、灌水定额及灌溉定额。
根据调查资料,可以分析确定这些年份的灌溉制度。
⑵ 根据灌溉试验资料制定灌溉制度我国许多灌区设置了灌溉实验站,试验项目一般包括作物需水量、灌溉制度、灌水技术等。
实验站积累的试验资料,是制定灌溉制度的主要依据。
但是,在选用试验资料时,必须注意原试验的条件,不能一概照搬。
⑶ 按水量平衡原理分析制定作物灌溉制度这种方法是根据水稻淹灌水层和旱作物计划湿润层内水量平衡的原理进行灌溉制度的制定。
在实践中一定要参考群众丰富灌水经验和田间试验资料,即这三种方法结合起来所制定的灌溉制度才比较完善。
水稻灌溉制度水稻具有喜水耐水特性,常采用淹灌方式,因此,渗漏损失水量大,灌水次数多,灌溉定额大。
灌溉制度应以满足不同时期稻田淹灌水层的深度要求。
通过水量平衡计算,可以确定所需要的水量。
某时段内水稻灌水定额为:m=H+E-P-H0+C式中m为时段内水稻灌水定额;H0、H分别为时段初和时段末的稻田水层深度;E为时段内田间耗水量(蒸发、蒸腾和渗漏量);P为时段内降雨量;C为时段内排水量。
单位均为mm。
水稻灌溉制度,随着水稻品种和栽培季节的不同而异,多采用浅-深-浅的灌水方法,即分蘖和分蘖以前采用浅灌,分蘖后期到乳熟前采用深灌,乳熟以后浅灌,黄熟以后落干(有时也在分蘖末期落干晒田一次)。
灌水率名词解释灌水率,是指在一个地区(或县、乡镇)上报的每天死亡人数中实际死亡人数与应报人数之间的比例。
灌水率,通常被视为是死亡率计算的重要依据。
但是这两个指标并不是必然相等的,通常人们会认为灌水率低的话,表明该地区的死亡率低;反之,灌水率高的话,表明该地区的死亡率高。
而在现实工作中,经常有些人将灌水率低,当成了该地区的死亡率低,进而造成了很大的不良影响。
灌水率的定义及特点:灌水率又称为灌水指数,它是指在一个地区(或县、乡镇)上报的每天死亡人数中实际死亡人数与应报人数之间的比例。
它分为年度和日报两种。
其中,日报中的灌水率一般采用前1日24时的死亡人数。
一般来说,灌水率越小,表明死亡率越低;反之,灌水率越大,表明死亡率越高。
灌水率的取值范围可以在0~100%。
日报中的灌水率主要取决于基层卫生行政部门。
若该地区死亡率大于灌水率,则表明死亡率高于灌水率,如果是年度灌水率低于年度死亡率,则表明该地区的死亡率呈下降趋势,死亡率的年度变化曲线较平缓,若日报中的灌水率低于日报中的死亡人数,则表明死亡率出现上升的趋势。
( 1)加强检查监督,坚决防止弄虚作假。
各级卫生行政部门应当定期开展对医疗机构诊断、报告、登记等工作的检查,并将检查结果进行汇总、统计,作为衡量该机构死亡管理工作的重要指标。
( 2)改善医院环境,消除发生医院感染的隐患。
医院要加强病房管理,认真落实隔离消毒措施,最大限度地减少交叉感染的几率,避免医源性感染的发生。
( 3)制订合理的工作制度,严格执行奖惩办法。
一方面,医疗机构应当制定关于工作责任制、差错责任追究制度和奖励制度等,明确规定各个岗位和人员的工作职责,使死亡管理工作做到有章可循、责任到人。
另一方面,医疗机构还应当针对本单位存在的薄弱环节,完善管理措施,实行奖惩制度,以调动广大职工参与死亡管理工作的积极性和自觉性。
第一、要有准确把握上报人数与死亡人数的一致性原则。
即,上报人数与死亡人数一定要保持一致。
渠首引水流量公式
灌水率是指灌区单位面积(例如以万亩计)上所需灌溉的净流量q净,它是根据灌溉制度确定的,利用它可以计算灌区内渠首的引水流量和灌溉渠道的设计流量。
灌水率应分别根据灌区各种作物的每次灌水定额,逐一进行计算,如某灌区的面积为A(亩),种有甲、乙、丙…………等各种作物,面积各为α1A、α2A、α3A……;α1、α2、α3……分别为各种作物种植面积占灌区面积的百分数。
如作物甲的各次灌水定额分别为m1、m2……(m3/亩),要求各次灌水在T1、T2……昼夜内完全,则对于这一作物,各次灌水所要求的灌水率为:
第一次灌水时:q1,净=αm1/(8.64T1)[m3/(s·万亩)]
第二次灌水时:q2,净=αm2/(8.64T2)[m³/(s·万亩)]………………………………
上述灌水率计算公式中,T1和T2均为灌水延续时间,以d计。
对于自流灌区,系每天灌水延续时间一般以24h计;对于抽水灌区,则每天抽灌时间以20~22h 计,式中系数8.64应相应改为7.2~7.92。
灌水模数计算——摘自河海大学编《农田灌溉与排水》P 54单位灌溉面积上所需要的田间净灌水流量叫做"净灌水模数",简称"灌水模数",又叫做"灌水率".值得注意的是:这里所指的灌溉面积不是某次灌水时的实际受水面积,而是指该工程控制范围内的总灌溉面积。
换句话说,就是把实际受水面积上所需要的灌水流量分摊到整个灌溉面积上去。
灌水模数根据灌水定额、作物种植面积和灌水延续时间按下式计算:Tt mq 36.0α=q ——灌水模数[m 3/(s*万亩)];a ——某种作物种植面积占总灌溉面积的百分数;m ——某种作物的灌水定额(m 3/亩);T ——一次灌水的延续时间(d );t ——每天灌水的小时数。
机械提水灌区,考虑到机械的停歇,一般以20~22h 计;自流灌区为了减少水量损失和提高灌水工作效率,一般都是连续灌水,以24h 计。
灌水延续时间与作物种类、灌溉面积、土壤性质及农业技术条件等因素有关,必须因地制宜确定适当的灌水延续时间。
中国万亩以上灌区的灌水延续时间大致如下:水稻——泡田期灌水7~15昼夜;生育期灌水3~5昼夜;(小麦、棉花——略)玉米——拔节抽穗期10~15昼夜,开花期8~13昼夜。
修正灌水模数图时,要以不影响作物需水要求为原则,尽量保持主要作物关键用水时期的各次灌水时间不变,不得不变动时,灌水中间日的前后移动不能超过3d,最好是向前移动。
可调整非关键用水时期的灌水日期和灌水延续时间,使修正后的灌水模数图比较均匀、连续,一般要求最小的灌水模数不小于最大灌水模数的40%。
设计灌水模数的选择:设计灌水模数是推算渠道设计流量的依据,一般是在修正后的灌水模数图上选择最大灌水模数作为设计灌水模数。
据调查统计,万亩以上的水稻灌区的设计灌水模数一般为0.45~0.6m3/(s*万亩),万亩以上的旱田灌区的设计灌水模数一般为0.2~0.35m3/(s*万亩)。
灌溉效率的计算公式
灌溉效率是指灌溉利用的水量与补水的实际量的比率,也是衡量园艺灌溉系统
效率情况的重要指标。
经典的灌溉效率计算公式即:
灌溉效率(I)= 利用量(U)÷补水量(S)×100%
其中,利用量(U)是生产作物所需的水量,补水量(S)是某段时间内灌溉系
统投入的水量。
通过计算可以在很大程度上说明灌溉系统的使用是否有效。
自20世纪以来,随着水资源的日益紧张和人口的快速增加,灌溉效率的计算
及应用愈加重要。
现代的灌溉管理和技术运用各种不同的方法,由此减少农业水源的浪费,提高灌溉效果,达到有效利用资源,节约用水和维持水土平衡的目标。
为了提高灌溉效率,要充分利用农业灌溉技术,采用水资源利用合理的方法,
如农田浇灌方式的科学设计,争取保持整体的高灌溉效果;采用机械技术设备,保障灌溉质量,优化灌溉管理,保障补灌水量;采用智能灌溉系统的应用,通过大数据和互联网技术,有效的监测,管理灌溉系统;采用延时灌溉作物种植方式,尽量减轻灌溉负担,合理分配季节水量,最大限度地提高利用率。
只有减少灌溉水量,实现农田高水质的绿色灌溉,才能节约水资源,实现食安
健康的根本目标。
通过应用灌溉效率公式的计算,到达高效率,合理配置灌溉水量,以及减少流失和浪费的目的,是实现水资源科学合理配置的必由之路。
作物灌溉制度农作物的灌溉制度:是指作物播种前(或水稻栽秧前)及全生育期内的灌水次数、每次的灌水日期和灌水定额。
灌水定额是指一次灌水单位灌溉面积上的灌水量,各次灌水定额之和,叫灌溉定额。
灌水定额和灌溉定额常以m3 /亩或mm表示,它是灌区规划及管理的重要依据。
充分灌溉条件下的灌溉制度,是指灌溉供水能够充分满足作物各生育阶段的需水量要求而设计制定的灌溉制度。
⑴ 总结群众丰富灌水经验多年来进行灌水的实践经验是制定灌溉制度的重要依据。
灌溉制度调查应根据设计要求的干旱年份,调查这些年份的不同生育期的作物田间耗水强度(mm/d)及灌水次数、灌水时间间距、灌水定额及灌溉定额。
根据调查资料,可以分析确定这些年份的灌溉制度。
⑵ 根据灌溉试验资料制定灌溉制度我国许多灌区设置了灌溉实验站,试验项目一般包括作物需水量、灌溉制度、灌水技术等。
实验站积累的试验资料,是制定灌溉制度的主要依据。
但是,在选用试验资料时,必须注意原试验的条件,不能一概照搬。
⑶ 按水量平衡原理分析制定作物灌溉制度这种方法是根据水稻淹灌水层和旱作物计划湿润层内水量平衡的原理进行灌溉制度的制定。
在实践中一定要参考群众丰富灌水经验和田间试验资料,即这三种方法结合起来所制定的灌溉制度才比较完善。
水稻灌溉制度水稻具有喜水耐水特性,常采用淹灌方式,因此,渗漏损失水量大,灌水次数多,灌溉定额大。
灌溉制度应以满足不同时期稻田淹灌水层的深度要求。
通过水量平衡计算,可以确定所需要的水量。
某时段内水稻灌水定额为:m=H+E-P-H0+C式中m为时段内水稻灌水定额;H0、H分别为时段初和时段末的稻田水层深度;E为时段内田间耗水量(蒸发、蒸腾和渗漏量);P为时段内降雨量;C为时段内排水量。
单位均为mm。
水稻灌溉制度,随着水稻品种和栽培季节的不同而异,多采用浅-深-浅的灌水方法,即分蘖和分蘖以前采用浅灌,分蘖后期到乳熟前采用深灌,乳熟以后浅灌,黄熟以后落干(有时也在分蘖末期落干晒田一次)。
灌溉定额南方一般为300~360m3/亩,北方常在500m3/亩以上。
旱作物灌溉制度根据旱作物的生理和生态特性,灌溉的作用在于补充土壤水分的不足,要求作物生长阶段土壤计划湿润层内土壤含水量维持在易被作物利用的范围内。
其最大允许含水量为田间持水量,而最小允许含水量应保持在田间持水量的50%~60%。
旱作物灌溉制度可通过水量平衡计算来确定。
当某一时段内尚未灌水时,时段末土壤储水量为W (m3/亩),则:W=W0+P-E+K式中W0为时段初的土壤储水量;P为时段内的有效降雨量;E为时段内农田耗水量;K为时段内地下水补给量。
单位均为m3/亩。
若计算时段较长,计划湿润层加深,则在水量平衡方程式右端加上因计划湿润层增加而增加的水量WH。
当时段末土壤储水量W 小于或等于土壤允许最小含水量的土壤储水量时,则应进行灌水。
其灌水定额等于土壤允许最大储水量(田间持水量)与时段末土壤储水量W 的差值。
旱作物灌溉制度也可用图解法来确定。
旱作物的灌溉制度随作物种类和地区不同而异。
①北方半干旱地区、中等干旱或干旱年,几种主要农作物灌溉制度如下。
冬小麦灌水4~5次,分别在播种前、分蘖期、返青-拔节期、抽穗期、灌浆期。
如遇后期干旱,在成熟期也可灌水一次。
灌水定额40~50m3/亩。
灌溉定额160~220m3/亩。
②玉米灌水3~4次,分别在拔节期、抽穗期、开花期、乳熟期进行灌溉。
灌水定额约40m3/亩。
灌溉定额120~160m3/亩。
③棉花灌水2~4次,分别在现蕾期、开花期、花铃期、成熟期进行灌溉。
灌水定额约40m3/亩。
灌溉定额80~160m3/亩。
其他灌溉制度:当采用喷灌、滴灌、地下灌溉或进行某些特种灌溉(如施肥灌溉、洗盐灌溉、防冻灌溉、降温灌溉、引洪淤灌等)时,灌溉制度必须按不同要求另行制定。
对干旱缺水地区,可以制定关键时期的灌水、限额灌水或不充分灌水的灌溉制度,以求得单位水量的增产量最高或灌区总产值最高。
展望:为了及时和合理调整灌溉制度,需要加强灌溉预报工作,重点是对降水、作物耗水及土壤水分变化进行预测预报。
同时需要进一步研究主要作物的节水型灌溉制度,以适应日益紧张的农业水资源供需关系和发展灌溉的需要。
2.计算灌溉制度的原理(1)计算各时段灌水上下限及田间持水量(2)推算灌溉制度列表或图解计算时采用旬为时段,电算时可以日为计算时段。
先设无m、无s,计算该时段末含水量W2=W1+WT+P0+K-E如果,则不需灌溉,也无深层渗漏。
如果,则m=Wmax-W2 (实际计算时宜对m取整)灌水后W2'=W2+m如果,则s=W2-W田持排水后 W2'=W田持计算方法(1)列表或图解逐旬计算(2)编写电算程序,利用计算机计算3.列表法计算步骤(1)收集基本资料;(2)计算生育期计划湿润层内含水量;(3)计算各次降雨的入渗雨量及时段入渗雨量;(4)计算因计划湿润层增加而增加的含水量WT;(5)计算各时段地下水补给量;(6)计算各时段田间需水量;(7)逐日计算灌溉制度;(8)校核各生育阶段及全生育期的计算结果。
作物需水量与灌溉制度2.1作物需水量2.1.1农田水分消耗途径农田水分消耗的途径主要有植株蒸腾、棵间蒸发和深层渗漏。
(一)植株蒸腾植株蒸腾是指作物根系从土壤中吸入体内的水分,通过叶片的气孔扩散到大气中去的现象。
试验证明,植株蒸腾要消耗大量水分,作物根系吸入体内的水分有99%以上消耗于蒸腾,只有不足1%的水量留在植物体内,成为植物体的组成部分。
植株蒸腾过程是由液态水变为气态水的过程,在此过程中,需要消耗作物体内的大量热量,从而降低了作物的体温,以免作物在炎热的夏季被太阳光所灼伤。
蒸腾作用还可以增强作物根系从土壤中吸取水分和养分的能力,促进作物体内水分和无机盐的运转。
所以,作物蒸腾是作物的正常活动,这部分水分消耗是必需的和有益的,对作物生长有重要意义。
(二)棵间蒸发棵间蒸发是指植株间土壤或水面的水分蒸发。
棵间蒸发和植株蒸腾都受气象因素的影响,但蒸腾因植株的繁茂而增加,棵间蒸发因植株造成的地面覆盖率加大而减小,所以蒸腾与棵间蒸发二者互为消长。
一般作物生育初期植株小,地面裸露大,以棵间蒸发为主;随着植株增大,叶面覆盖率增大,植株蒸腾逐渐大于棵间蒸发;到作物生育后期,作物生理活动减弱,蒸腾耗水又逐渐减小,棵间蒸发又相对增加。
棵间蒸发虽然能增加近地面的空气湿度,对作物的生长环境产生有利影响,但大部分水分消耗与作物的生长发育没有直接关系。
因此,应采取措施,减少棵间蒸发,如农田覆盖、中耕松土、改进灌水技术等。
(三)深层渗漏深层渗漏是指旱田中由于降雨量或灌溉水量太多,使土壤水分超过了田间持水率,向根系活动层以下的土层产生渗漏的现象。
深层渗漏对旱作物来说是无益的,且会造成水分和养分的流失,合理的灌溉应尽可能地避免深层渗漏。
由于水稻田经常保持一定的水层,所以深层渗漏是不可避免的,适当的渗漏,可以促进土壤通气,改善还原条件,消除有毒物质,有利于作物生长。
但是渗漏量过大,会造成水量和肥料的流失,与开展节水灌溉有一定矛盾。
在上述几项水量消耗中,植株蒸腾和棵间蒸发合称为腾发,两者消耗的水量合称为腾发量(Evapotranspiration),通常又把腾发量称为作物需水量(Water Requirement of Crops)。
腾发量的大小及其变化规律,主要决定于气象条件、作物特性、土壤性质和农业技术措施等。
渗漏量的大小主要与土壤性质、水文地质条件等因素有关,它和腾发量的性质完全不同,一般将蒸发蒸腾量与渗漏量分别进行计算。
旱作物在正常灌溉情况下,不允许发生深层渗漏,因此,旱作物需水量即为腾发量。
对稻田来说适宜的渗漏是有益的,通常把水稻腾发量与稻田渗漏量之和称为水稻的田间耗水量。
就某一地区而言,具体条件下作物获得一定产量时实际所消耗的水量为作物田间耗水量,简称耗水量。
所以需水量是一个理论值,又称为潜在蒸散量(或潜在腾发量),而耗水量是一个实际值,又称为实际蒸散量。
需水量与耗水量的单位一样,常以m3·hm-2或mm水层表示。
2.1.2影响作物需水量的主要因素(一)作物因素作物种类不同其需水量不同,表2-1反映了C3作物与C4作物需水量有很大差异,有研究表明:3C作物的需水量显著高于4C作物,4C作物玉米制造1g干物质约需水349g,而3C作物小麦制造1g干物质需水557g,水稻为682g。
表2-1 不同作物生育盛期平均日需水量和最大日需水量作物种类作物名称生育阶段测定年份平均日需水量(mm)最大日需水量(mm)需水量平均值需水量平均值C4作物玉米抽雄期19824.45.18.18.3 谷子灌浆期19655.7 8.5C3作物小麦灌浆期198210.711.214.917.4大豆开花期196411.214.6棉花结铃期198311.722.6作物需水有如下规律:(1)不同作物的需水量有很大的差异,如就小麦、玉米和水稻而言,水稻的需水量最大,其次是小麦,玉米的需水量最小。
(2)每种作物都有需水高峰期,一般处于作物生长旺盛阶段。
如冬小麦有两个需水高峰期,第一个高峰期在分蘖期,第二个高峰期在开花至乳熟期;大豆的需水高峰期在开花结荚期;谷子的需水高峰期为开花-乳熟期;玉米为抽雄-乳熟期。
(3)作物任何时期缺水,都会对其生长发育产生影响,作物在不同生育时期对缺水的敏感程度不同。
通常把作物整个生育期中对缺水最敏感、缺水对产量影响最大的生育期称为作物需水临界期或需水关键期。
各种作物需水临界期不完全相同,但大多数出现在从营养生长向生殖生长的过渡阶段,例如小麦在拔节抽穗期,棉花在开花结铃期,玉米在抽雄至乳熟期,水稻为孕穗至扬花期等。
(二)气象因素气象因素是影响作物需水量的主要因素,它不仅影响蒸腾速率,也直接影响作物生长发育。
气象因素对作物需水量的影响,往往是几个因素同时作用,因此各个因素的作用,很难一一分开。
表2-2说明,当气温高,日照时数多,相对湿度小时,需水量会增加。
表2-2 冬小麦生长期的气象要素与需水量年份降水量零度以上积温(℃)相对湿度(%)日照时数土壤水分(g )蒸发量(mm)需水量(mm)19 73~1974102.82183.558.61634.617.2~25.71069.1392.7119 74~1975179.42148.766.81434.18.5~36.894.8295.95(三)土壤因素影响作物需水量的土壤因素有土壤质地、颜色、含水量、有机质含量和养分状况等。
砂土持水力弱,蒸发较快,因此,在砂土、砂壤土上的作物需水量就大。
就土壤颜色而言,黑褐色的吸热较多其蒸发就大,而颜色较浅的黄白色反射较强,相对蒸发较少。
当土壤水分多时,蒸发强烈,作物需水量则大;相反,土壤含水量较低时,作物需水量较少。