汽车转向、行驶和制动系统检测诊断与修复工作页
- 格式:doc
- 大小:11.79 MB
- 文档页数:117
汽车检测与维修技术主要课程
汽车检测与维修技术主要课程包括汽车驾驶技术、汽车构造与拆装、发动机系统诊断与修复、汽车传动系统的检查与修复、转向与制动系统检查与修复、汽车底盘控制系统诊断与修复、汽车电控系统诊断与修复、汽车舒适与安全系统诊断与检修、汽车保养及维护、汽车性能检测与评估等。
此外,汽车检测与维修技术专业还涉及一些专业基础课程,如汽车机械识图、汽车机械基础、汽车电工电子技术、汽车概论、汽车计算机基础、客户沟通技巧与投诉处理、汽车专业英语等。
这些课程旨在帮助学生了解汽车的各个部件和系统,掌握汽车检测与维修的基本技能和方法,以及了解汽车行业的发展趋势和新技术应用。
通过学习和实践,学生将具备从事汽车检测与维修工作的基本知识和技能,为未来的职业发展打下坚实的基础。
汽车转向系统诊断与维修1 概述1.1 汽车转向系统概述用来改变或保持汽车行驶或倒退方向的一系列装置称为汽车转向系统(steering system)。
汽车转向系统的功能就是按照驾驶员的意愿控制汽车的行驶方向.汽车转向系统对汽车的行驶安全至关重要,因此汽车转向系统的零件都称为保安件。
汽车转向系统和制动系统都是汽车安全必须要重视的两个系统。
汽车在行驶的过程中,需按驾驶员的意志改变其行驶方向。
就轮式汽车而言,实现汽车转向的方法是, 驾驶员通过一套专设的机构,使汽车转向桥(一般是前桥)上的车轮(转向轮)相对于汽车纵横轴线偏转一定角度。
这一套用来改变或恢复汽车行驶方向的专设机构,即称为汽车转向系统。
汽车转向系统分为两大类:机械转向系统和动力转向系统。
机械转向系统:完全靠驾驶员手力操纵的转向系统。
动力转向系统:借助动力来操纵的转向系统。
动力转向系统又可分为液压动力转向系统和电动助力动力转向系统。
1。
2 转向系简介及工作原理机械转向系以驾驶员的体力作为转向能源,其中所有传力件都是机械的。
机械转向系由转向操纵机构、转向器和转向传动机构三大部分组成。
驾驶员对转向盘施加的转向力矩通过转向轴输入转向器。
从转向盘到转向传动轴这一系列零件即属于转向操纵机构。
作为减速传动装置的转向器中有级减速传动副。
经转向器放大后的力矩和减速后的运动传到转向横拉杆,再传给固定于转向节上的转向节臂,使转向节和它所支承的转向轮偏转,从而改变了汽车的行驶方向。
转向横拉杆和转向节臂属于转向传动机构。
1。
2.1 转向操纵机构转向操纵机构由方向盘、转向轴、转向管柱等组成,它的作用是将驾驶员转动转向盘的操纵力传给转向器。
1。
2。
2 机械转向器机械转向器(也常称为转向机)是完成由旋转运动到直线运动(或近似直线运动)的一组齿轮机构,同时也是转向系中的减速传动装置。
目前较常用的有齿轮齿条式、循环球曲柄指销式、蜗杆曲柄指销式、循环球-齿条齿扇式、蜗杆滚轮式等。
《汽车转向、行驶和制动系统的检测和修复》学习领域课程标准一、学习领域定位《汽车转向、行驶和制动系统的检测和修复》使用于汽车维修生产的中间关键工作环节,是汽车维修人员的典型工作任务,也是其应具备的重要技能,是汽车检测和维修技术专业针对于汽车机电维修工岗位能力进行培养的一门专业技术核心课程,本课程根据汽车运用和维修专业领域技能型紧缺人才培养培训指导方案,结合我国目前汽车维修行业的实际情况,系统地介绍了汽车转向、行驶和制动系统的故障检测和修复技术。
在《汽车拆装和调整》、《汽车零部件识图》、《发动机机械系统维修》等专业课程的基础上,培养学生掌握汽车转向、行驶和制动系统的故障诊断,掌握汽车转向、行驶和制动系统的检修和性能检测等专业能力,同时注重培养学生的社会能力和方法能力。
其后续课程为《汽车综合故障诊断》、《汽车维修质量检验》等专业课程。
二、学习目标《汽车转向、行驶和制动系统的检测和修复》旨在培养学生对汽车转向、行驶和制动系统的常见故障进行诊断分析、检测维修及故障排除的专业能力,同时注重培养学生的社会能力和方法能力,为维修生产实习和就业上岗打下坚实的基础。
本课程的学习目标按专业能力目标、方法能力目标、社会能力目标分别进行描述:(一)专业能力1.能够了解熟悉汽车转向、行驶和制动系统的各种故障现象,以便做出正确的判断;2.能够用资料演示说明如何进行汽车转向、行驶和制动系统的故障检测和修复;3.能够正确使用各种诊断检测仪器和设备;4.能够根据故障现象分析故障原因;5.熟练制定正确的诊断操作流程;6.能够通过仪器和工量具检测和数据分析,确定故障部位和部件;7.熟练完成故障排除的任务;8.能够使用和获取技术资料,遵守服务规范,确保汽车在各种情况下的有效运行;9.能够调查客户需求,完善工作职责;经常做好上下级及客户沟通,重视客户要求;10.能够在工作中自觉提高安全和质量管理意识,遵守劳动保护和环境保护规范;11.能够分析汽车的组成,运用相关知识对零部件的相互关系予以分析并加以描述;12.能够和客户进行良好的沟通,解释工作完成的情况。
汽车检测与维修技术专业核心课程基本要求汽车检测与维修技术专业核心课程主要包括:汽车基本电路和电器元件的检测与修复、汽车发动机机械系统检测与修复、汽油发动机电控系统检测与修复、汽车传动系统检测与修复、汽车行驶、转向和制动系统检测与修复、汽车车身电子控制系统检测与修复、汽车安全与舒适电子控制系统检测与修复、柴油发动机电控系统检测与修复和汽车整车性能检测等课程。
专业核心课程采用基于工作过程的课程方案设计,以行动导向组织教学过程,使学生能够对汽车电器及电子控制系统进行故障诊断,利用检测设备和维修工具对汽车电子控制系统的零部件检测与修复;能够对发动机机械系统进行故障诊断,利用检测设备和维修工具对发动机机械系统零部件检测与修复;能够对汽车传动系统进行故障诊断,利用检测设备和维修工具对汽车传动系统零部件检测与修复;能够对汽车行驶、转向和制动系统进行故障诊断,利用检测设备和维修工具对汽车行驶、转向和制动系统零部件检测与修复;能够对汽车电器及电子控制系统进行故障诊断,利用检测设备和维修工具对汽车车身电子控制系统、汽车安全与舒适电子控制系统的签部件检测与修复;能够对发动机管理系统进行故障诊断,利用检测设备和维修工具对发动机管理系统零部件检测与修复;能够利用检测仪器设备汽车的综合性能及维修质量进行检验;同时注重培养学生的社会能力和方法能力。
通过本专业核心课程的学习,使学生掌握以下专业能力、方法能力和社会能力。
(一)专业能力①能够制定汽车电器系统检测和修复的计划,并实施该计划;能够分析和描述汽车电子控制系统的工作过程,并诊断系统的故障;能够对汽车电子控制系统零部件进行检测,并根据检测结果确定正确的修复措施;能够制定汽车车身电子控制系统检测和修复的计划,并实施该计划;能够分析和描述汽车车调电子控制系统的工作过程,并诊断系统的故障;能够对汽车电子控制系统零部件进行检测,并根据检测结果确定正确的修复措施;能够制定汽车电器系统检测和修复的计划,并实施该计划;能够分析和描述汽车电子控制系统的工作过程,并诊断系统的故障;能够对汽车电子控制系统的部分零部件进行检测,并根据检测结果确定正确的修复措施;②熟练使用通用工具、发动机机械维修专用工具;能够制定汽车发动机机械系统检测和修复的计划,并实施该计划;能够分析和描述汽车发动机机械系统的工作过程、能够对汽车发动机机械部分零部件进行检测;能够使用故障诊断仪、示波器、万用表、试灯、喷油器清洗仪等检修设备;能够制定汽油发动机电控系统检测和修复的计划,并实施该计划;能够分析和描述汽油发动机管理系统的工作过程;能利用专用检测维修工具、设备、仪器进行发动机电控系统诊断;能够制定柴油发动机电控系统检测和修复的计划,并实施该计划;能够分析和描述柴油发动机管理系统的工作过程;③能够制定汽车传动系统检测和修复的计划,并实施该计划;能够分析和描述汽车传动系统的工作过程,并诊断系统的故障;能够对汽车传动系统零部件进行检测,并根据检测结果确定正确的修复措施;能够制定汽车行驶、转向和制动系统检测和修复的计划,并实施该计划;能够分析和描述汽车行驶、转向和制动系统的工作过程,并诊断系统的故障;能够对汽车行驶、转向和制动系统零部件进行检测,并根据检测结果确定正确的修复措施;④能够制定计划,在法律规定的范围内对汽车维修质量进行检查,并按计划实施;填写工作任务单,借助于专用的检测仪器、设备对汽车状况进行评估;制定检测规范、规定检测的必须具备的条件,对汽车的每一部分的系统运行功能进行检测,核查检测程序;⑤能够遵守操作规范,使用相关技术资料;能够用资料说明、核查、评价自身的工作成果;能够按规定使用工具、设备,遵守劳动安全、环保的规章制度;⑥独立或合作形式完成作业内容;能够分析故障原因,做出解释,并提出合理化建议;⑦具有成本意识;工作流程设计和控制;评估工作结果。
汽车运用与维修专业《汽车悬架、转向与制动系统维修》课程标准【课程名称】汽车悬架、转向与制动系统维修【适用专业】中等职业学校汽车运用与维修专业1.课程性质《汽车悬架、转向与制动系统维修》是中等职业学校汽车运用与维修专业的一门专业课程,使学生掌握汽车制动、悬架及转向系统维修必要的知识和基本技能,具有汽车底盘相应故障诊断与排除的能力,培养学生学习掌握相关专业知识的能力,培养学生科学、严谨的精神,为职业岗位提供高等技术应用型专门人才。
2.课程的设计思路该课程着眼于学生的终身学习与可持续性发展,关注学生素质,关注学生职业岗位能力的培养。
该课程是依据“汽车运输类专业工作任务与职业能力分析表”中的汽车运输类专业汽车制动、悬架及转向系统维修常识设置的。
其总体设计思路是,打破以知识传授为主要特征的传统学科课程模式,转变为以工作任务为中心组织课程内容,并让学生在完成具体项目的过程中学会完成相应工作任务,并构建相关理论知识,发展职业能力。
课程内容突出对学生职业能力的训练,理论知识的选取紧紧围绕工作任务的需要来进行,同时又充分考虑了中等职业教育对理论知识学习的需要,并融合了相关职业资格等级标准对知识、技能和态度的要求。
3.课程目标通过任务驱动型的项目教学活动,激发学生对本课程的学习兴趣。
掌握汽车制动、悬架及转向系统维修的内容,培养学生的创新精神、实践技能和创业能力,同时注重培养学生的认真负责的工作态度和一丝不苟的工作作风。
职业能力目标:1)掌握汽车汽车制动、悬架及转向系统作用、分类、结构和工作原理。
2)掌握汽车汽车制动、悬架及转向系统技术状况和故障的诊断与检修,能准确分析故障的原因。
3)掌握汽车汽车制动、悬架及转向系统各零部件常用的检修方法。
4)掌握汽车汽车制动、悬架及转向系统的故障诊断与排除方法。
5)了解常见汽车制动、悬架及转向系统诊断仪器和设备的使用方法。
4.课程内容和要求5.实施建议⑴教材编写1)以“工作任务”为主线设计教材,将本专业知识分解成若干任务进行学习。
学习单元3.4 驻车制动不良的故障诊断与修理学习单元4描述:驻车制动是指通过一个拉丝连着刹车片(一般是后轮),当拉近拉丝的时候,刹车片就夹紧刹车盘,一般用于停车的时候,特别是车停在不是水平的路面上,防止溜车。
也可以使停驶后防止滑溜,坡道起步,行车制动失效后临时使用或配合行车制动器进行紧急制动。
本单元以一辆北京BJ1041 型轿车 ,在行驶中在增减档时 ,传动系统伴随异响发生 ,驾驶感觉有行驶阻力有制动拖滞故障 ,同时伴有驻车制动不良故障现象为学习任务,学习车制动系统的有关理论知识,学习汽车驻车制动不良的故障原因和诊断排除的实践技能,在掌握理论知识和实践技能的基础上进行实际生产中的企业案例分析,并能在相关的实践场所进行实施完成任务,最后对于本单元的学习情况做出有效的学习评估。
3.4.1学习任务一辆北京BJ1041 型车 ,行驶中在增减档时 ,传动系统伴随异响发生 ,驾驶感觉有行驶阻力 有制动拖滞故障 ,同时伴有驻车制动不良故障现象。
经过对制动鼓与制动蹄片进行清洗 ,同时排除变速器输出轴漏油故障 ,重新装配制动器 ,制动拖滞和制动不良故障同时排除。
引出任务:驻车制动不良对于汽车行驶会产生哪些故障现象,会引起哪些故障,如何检测诊断和修理排除?3.4.2理论知识按在汽车上安装位置的不同,驻车制动装置分中央驻车制动装置和车轮驻车制动装置两类。
前者的制动器安装在传动轴上,称为中央制动器,如红旗CA7560、北京BJ2020N 等车型。
后者和行车制动装置共用一套制动器,结构简单紧凑,已在轿车上得到普遍应用。
如奥迪100型轿车、桑塔纳轿车等。
桑塔纳轿车的驻车制动系是机械式的,并且与真空伺服式行车制动系共用后轮制动器,其结构布置见图3-4-1。
施行驻车制动时,驾驶员将驻车制动操纵杆3向上扳起,便通过调整拉杆7、平衡杠杆将驻车制动操纵缆绳拉紧,从而促动两后轮制动器,实行驻车制动。
此时,由于棘爪的单向作用,棘爪5便与棘爪齿板6啮合,操纵杆3不能反转,故整个驻车机械制动杆系能可靠地被锁定在制动位置。
汽车转向悬挂与制动安全性能检测实训报告总结
我们对汽车的转向系统进行了检测。
通过使用专业的检测设备,我们对车辆的方向盘转动情况进行了测试。
结果显示,方向盘转动灵活、无卡滞现象,转向系统的工作状态良好。
此外,我们还对车辆的转向灯进行了检查,发现所有灯光正常亮起,提示其他车辆驾驶员自己的行驶意图。
通过检查车辆的悬挂弹簧、减震器等部件的状态,以及对车辆行驶过程中的颠簸情况进行观察和记录,我们得出结论:该车的悬挂系统工作状态良好,能够有效地缓解路面不平带来的震动和颠簸感。
通过对刹车片、刹车盘等部件的磨损情况进行检查,以及对车辆在急刹车情况下的表现进行观察和测试,我们得出结论:该车的制动系统工作状态良好,能够在紧急情况下迅速停车并保证行车安全。
通过这次汽车转向悬挂与制动安全性能检测实训,我们深入了解了汽车的安全性能方面的相关知识和技术要点。
同时,也认识到了在日常驾驶中应该注意哪些方面来保证自己和他人的行车安全。
例如,要定期检查和维护自己的汽车,遵守交通规则和标志,避免超速行驶等等。
只有这样才能真正做到“安全第一”,为自己和他人的出行保驾护航。
汽车转向系统的故障诊断与维护摘要:汽车转向系统是汽车行驶中的一个重要环节,它的性能对汽车行驶的舒适性、安全性有很大的影响。
随着时间的推移,对转向系统的关注程度日益提高,为了满足用户的需要,对转向系统进行了改进,但当前对转向系统的研究和测试都是基于传统的机械转向系统。
关键字:转向系统;故障;维护;一、引言随着改革开放的深入,中国的汽车产业得到了长足的进步,尤其是近年来,轿车已成了每个家庭不可或缺的交通工具,随着车辆的广泛使用和人们对于驾驶乐趣的关注,对车辆的转向系统提出了更高的要求。
汽车转向系统由最初的安全性最差、操作复杂的机械式,发展为现在应用最多的电动液压助力转向系统,以及今后可能应用的线控助力转向系统,并与互联网技术、自动化技术密切结合。
车辆转向系统性能的优劣,不但与行车舒适性密切相关,而且与行车安全密切相关。
二、汽车转向系统研究意义从第一辆汽车出现到现在,已经过去了将近一个世纪。
然而,相对于其他国家来说,汽车工业的发展还处于起步阶段。
伴随着我国经济的高速发展,汽车工业在全国工业中的地位越来越重要。
尤其是在中高档轿车上,是人们日常生活的主要交通工具,对于安全,舒适,可靠等方面的需求也在不断提高。
汽车转向系统自诞生以来已经有近百年的时间,在这百年间,国内外众多学者对其进行了大量的研究。
杨妙梁及其他学者则认为,电动转向装置的开发目标,在于可以提供不同的动力,以提高车辆的操纵性。
陈奎元他们将转速传感式操纵器分为五种类型,分别是:流量控制器、旁路控制器、阀感可变控制器、油压反馈器、电磁助力器。
国外研究者也提出了一种使用中间闭式转向控制阀和储能装置的 EHPS系统,并对中间闭式转向控制阀进行了深入研究,车辆转向系统性能的优劣,不但直接影响行车舒适性,对车辆行驶安全也有很大的影响。
因此,本文将重点阐述该系统的一些典型故障,以及对车辆转向系统的日常维护与维护。
三、汽车转向系统典型故障车辆转向系统性能的优劣能直接影响到汽车运行的平顺性,并与司机、乘客的生命财产安全密切相关。
《汽车综合故障诊断》课程标准一、学习领域定位在大量调研及企业、专家走访的基础上进行职业岗位分析,对课程进行准确定位。
汽车综合故障诊断应用于汽车维修生产的多个工作环节,是汽车维修人员的典型工作任务,也是其应具备的重要技能,见图1。
《汽车综合故障诊断》是汽车检测与维修技术专业针对于汽车维修工岗位能力进行培养的一门核心专业课程。
本课程根据汽车运用与维修专业领域技能型紧缺人才培养培训指导方案,结合我国目前汽车维修行业的实际情况而设置,其前修课程为《汽车拆装与调整》、《发动机电控系统的诊断与修复》、《汽车传动系统的检测与修复》、《汽车转向、行驶与制动系统的检测与修复》等专业课程,后续课程为《汽车维修质量检验》。
图1汽车检测与维修环节二、学习领域目标《汽车综合故障诊断》旨在培养学生对汽车综合故障的诊断分析、检测及故障排除的专业能力,同时注重培养学生的社会能力和方法能力,为维修生产实习和就业上岗打下坚实的基础。
本课程的学习目标按专业能力目标、方法能力目标、社会能力目标分别进行描述:1.专业能力目标(1)能够正确使用各种诊断检测仪器和设备。
(2)能够根据故障现象分析故障原因。
(3)熟练制定正确的诊断操作流程。
(4)能够通过仪器检测和数据分析,确定故障部位。
(5)熟练完成故障排除的任务。
(6)能够检验汽车修复质量。
2.方法能力目标(1)具有向客户咨询车况的能力。
(2)具有通过查阅各种技术资料、查询车辆技术挡案、初步评定车辆技术状况的能力。
(3)能够从个案中找到共性,寻找规律,积累经验,举一反三。
(4)具有自主学习、自我提高的能力。
(5)具有理论指导实践、理实结合的能力。
(6)熟悉安全生产规范和操作规程。
3.社会能力目标(1)具有与客户交流与协商的能力(2)具有自主学习新技术、新知识的能力。
(3)具有较强的质量意识和客户意识。
(4)具有团队交流和协作能力。
(5)具有严谨的工作作风和良好的职业习惯。
三、学习情境设计1.学习情境设计思想《汽车综合故障诊断》采用以行动为导向、基于工作过程课程开发方法进行设计,整个学习领域由若干个学习情境组成。
浅析汽车转向系统常见故障诊断与维修开题报告一、背景、现状及发展趋势转向系统:用来改变或保持汽车行驶方向的机构称为汽车转向系统(steering system)。
汽车转向系统的功能就是按照驾驶员的意愿控制汽车的行驶方向。
汽车转向系统对汽车的行驶安全至关重要,因此汽车转向系统的零件都称为保安件。
汽车转向系统分为两大类:机械转向系统和动力转向系统。
完全靠驾驶员手力操纵的转向系统称为机械转向系统。
借助动力来操纵的转向系统称为动力转向系统。
动力转向系统又可分为液压动力转向系统和电动助力动力转向系统。
随着产业布局、产品结构的调整,就业结构也将发生变化。
企业对较高层次的第一线应用型人才的需求将明显增加,培养相当数量的具有高等文化水平的职业人才,成为迫切要求。
据统计,目前,我国技术工人中,高级技工占3.5℅,中级工占35℅,初级工占60℅。
而发达国家技术工人中,高级技工占35℅,中级工占50℅,初级工占15℅。
这表明,我们的高级技工在未来5—10年内仍会有大量的人才缺口。
因此熟悉汽车转向系统,熟练掌握现代化汽车转向系统的设计、操作和维护的应用型高级技术人才成为社会较紧缺、企业最需要的人才。
随着汽车工业的迅速发展,转向装置的结构也有很大变化。
现代汽车转向装置的设计趋势主要向适应汽车高速行驶的需要、充分考虑安全性、轻便性、低成本、低油耗、大批量专业化生产发展。
通过本次毕业论文对转向系统进行进一步的了解,并且结合通过实习了解的知识对转向系统的可能出现的问题进行分析和解决方法,从而提高自身对转向系统的深入认识二、设计目的通过本次毕业设计使自己对汽车转向系统在故障诊断和维修方面有更为充分、细致的理解,进一步掌握转向系统的原理、应用和CAD/CAM软件应用。
三、设计工作1、概述2、转向系统现阶段的主要类型3、汽车转向系统可能出现的问题和分析4、汽车转向系统的新发展---整体式、半分置式及联阀式动力转向结构四、时间安排项目时间截点备注论文题目确定2011年2月25日开题报告2011年3月4日论文初稿2011年4月15日论文定稿2011年5月7日论文答辩2011年5月15日二次答辩2011年5月22日目录浅析汽车转向系统常见故障诊断与维修 (2)摘要 (2)绪论 (3)1 概述 (4)1.1 什么是汽车转向系统 (4)1.2 汽车转向系统概述 (4)1.3 转向系统简介及工作原理 (4)2 汽车转向系统的故障诊断 (10)2.1 机械转向系故障诊断 (10)2.2 动力转向系故障诊断 (12)2.3 转向系仪器检测 (14)3对汽车转向系统的故障进行维修 (16)3.1机械转向系的维修 (16)3.2动力转向系的维修 (19)4结论 (22)谢辞 (23)参考文献 (24)英文资料 (25)中文翻译 (30)浅析汽车转向系统常见故障诊断与维修摘要:本文阐述了汽车转向系统各个部分的作用、组成、主要构造、工作原理、及可能出现的故障,同时提出了对出现的故障进行维修的可行方案;采用了理论与实际相结合的方法,对每个问题都有良好的认识,对所学内容进行了良好的总结归纳,以此进一步熟悉掌握汽车转向系统的各方面知识,深化巩固所学知识,做到理论与实际相结合,在理论学习的前提下,用实际更好的理解所学内容。
《汽车悬挂、转向与制动系统维修》课程标准课程代码:2102054课程承担单位(部门):汽车专业部制定人:制定日期:2021年12月审核人:审核日期:2021年12月批准人:批准日期:2021年12月一、适用对象汽车运用与维修专业二年级学生二、适用专业汽车运用与维修专业三、课程性质《汽车悬挂、转向与制动系统维修》是汽车运用与维修专业的一门核心课程。
本课程是依据汽车运用与维修专业人才培养目标和汽车服务相关职业岗位(群)的能力要求而设置的,对本专业所面向的岗位群所需要的知识、技能、和素质目标的达成支撑作用。
前导课程有《汽车底盘构造与拆装》、《汽车维护一(汽车认识)》等,后续课程有《汽车发动机控制系统检修》、《汽车空调系统检修》。
四、课程目标通过汽车悬挂、转向与制动系统检修的学习,能完成悬架与转向系统的维护、车轮的检修与换位、机械转向系统的检查与维修、电控助力转向系统的检查与维修、悬架的检查与维修、四轮定位、制动系统维护、制动器的维护与修理、制动主缸的检查与修理、真空助力装置的检查与修理、驻车制动系统的检查与调整、防抱死制动系统的检测与维修、制动跑偏故障的诊断与排除等工作任务,并进一步使学生学握以下知识能力、专业技能和素养能力。
具体目标如下:总体目标:学生通过学习,能够对汽车悬挂、转向及制动系统的常见故障进行分析、诊断、排除,能规范的更换相关零部件。
1.知识目标:(1)学生能叙述汽车悬挂、转向与制动系统的常见故障。
(2)学生能描述汽车悬挂、转向与制动系统的故障对车辆的影响。
(3)学生能描述悬挂、转向与制动系统的故障诊断方法。
(4)学生能描述规范拆装、更换悬挂、转向与制动系统相关零部件的方法。
(5)学生能描述汽车四轮定位的定义2.技能目标:(1)能根据故障情况独立制定维修计划,并能选择正确检测设备和仪器对悬挂、转向与制动系统进行检测和维修。
(2)能对悬挂、转向与制动系统进行基本维护。
(3)能规范对车轮进行换位作业,并对车轮出现的故障进行检修。
学习单元3.2 制动拖滞故障诊断与修复【情境导入】一辆卡罗拉轿车,客户车辆在保养过程中发现后轮两侧制动片磨损相差较大,一边磨损正常,一边磨损异常(两边制动片的厚度不一致)。
询问客户得知,该制动片刚换不到20000km。
通过细致的检查最终发现制动钳滑销存在变形,更换后故障排除。
【学习目标】1.能通过与客户交流、查阅相关维修技术资料等方式获取车辆信息。
2.能根据制动拖滞现象制定正确的维修计划。
3.能正确选择诊断设备对制动器进行技术性能检测。
4.能正确记录、分析各种检测结果并做出故障判断。
5.能进行制动总泵的检查与拆卸。
6.能够进行制动液品质检测。
7.能够进行摩擦片的检测。
8.能正确记录、分析各种检测结果并做出故障判断。
9.能根据环保要求,正确处理对环境和人体有害的废料和损坏的零部件。
【理论知识】制动拖滞主要是由于刹车片与制动鼓的间隙调整不当,当松开刹车后,刹车片与制动鼓仍有接触造成。
另外,若制动轮缸中的活塞生锈,解除制动后活塞不能立即回位,也可造成制动托滞。
3.2.1制动主缸的结构制动主缸的作用是将踏板力转变成液压力。
有的总泵与储油室铸成一体,也有二者分制而合装在一起或用油管连接(如图3-2-1所示)。
现代汽车的行车制动系都必须采用双回路制动系,因此液压制动系都采用串列双腔式制动主缸。
目前,国内轿车及大多数国外轿车上都采用等径制动主缸,即制动主缸两腔的缸径相同,而某些国外轿车上安装了异径制动主缸,即制动主缸两腔的缸径不相等。
图3-2-1 制动主缸位置结构示意图1-制动液;2-制动主缸;3-前轮制动;4-后轮制动上图所示A为制动踏板,由驾驶员的脚踏力所控制的零件。
该力转换成液压,作用在制动系统上。
制动力的大小取决于驾驶员踩在制动踏板上的力。
在维护保养时必须检查踏板自由行程、高度和踏板的行程余量。
上图所示B为真空制动助力器,是以发动机的进真空作为助力源,在制动的时,也同时控制进入助力器的真空,使膜片移动,并通过联运装置利用膜片上的推杆协助人力去踩动和推动制动踏板。
对汽车行驶系统的故障检测诊断与维修的分析作者:董象胜来源:《科技风》2020年第09期摘要:汽车已经成为民众出行的刚性需求,而只有在汽车形式安全符合规定的基础上,才可降低安全事故的发生几率。
基于对汽车行驶中行驶系统常见故障的分析和研究,本文总结了针对这类常见故障的诊断与维修方法,以确保汽车行驶中故障行驶系统可以保障车辆系统安全运行。
关键词:汽车行驶系统;故障检测;故障维修汽车的行驶系统为最重要的系統,包括车架、方向盘系统、制动系统以及轮胎等,要求所有的构件都要处于最为安全稳定的运行状态下。
此外在汽车行驶系统的运行中,会由于一些客观因素的存在,导致行驶系统可能出现运行故障,引发安全故障和事故。
一、汽车行驶系统的常见故障和诊断方法(一)行进方向跑偏行进方向跑偏故障的表现形式为,车辆操作中不受外力作用的运行状态下,车辆会出现自动转向现象,导致车辆行进中偏离车道,降低行驶的安全性,并且驾驶员要耗费更多的精力应用到偏移量的调整过程。
这一想象的诊断方法为,车辆轮胎的尺寸不同,在两侧轮胎充气度不同时,则会出现跑偏问题。
此外四个轮胎的定位参数不准,后者前轮的轴承调整松紧度不同时,都会导致车辆出现行驶中的跑偏。
具体的检测方法为,首先分析轮胎的充气饱和度,同时观察轮毂型号是否相同,发现尺寸不同时,则可确定车辆存在跑偏问题,其次测量四个轮胎的定位参数,确定参数是否精确。
最后测量轴承的运行状况,包括车轮的外倾角、车轮轴承松紧度等,尤其是对于轴承来说,参数不同时必然会出现跑偏问题。
(二)减震器漏油减震器要发挥应有的减震作用,则要确保整个构件不出现漏油问题,尤其是对对于设备中的各类构件来说,出现漏油问题时,则整个设备基本无法作用。
故障检测中,若确定减震器的外壳温度处于常温状态时,则说明这一减震器中的各类构件基本可以正常作用,但是维修中通常已经确定减震器存在运行故障,所以要在加入润滑剂后落实检查工作。
此外也要分析设备是否存在内部机构卡滞、密封圈的磨损泄露等,并且通过对设备的外表面观察,分析是否存在减震器的漏油故障。
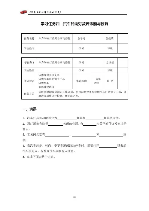
任务工单1任务名称汽车转向、行驶与制动系统故障认识班级学号/姓名客户任务描述汽车行驶时,出现向右侧跑偏;转向沉重、轮胎磨损、制动不良故障,转向行驶制动故障认识任务目的认识汽车转向、行驶与制动系统的常见故障和故障部位,认识常见的诊断设备。
一、资讯1.汽车转向系统的常见故障有定位异常、转向沉重、转向不灵、助力故障。
2.汽车行驶系统的常见故障有车轮摆振、轮胎磨损、悬架异响、胎压异常。
3.汽车制动系统的常见故障有制动不良、制动拖滞、制动异响、驻车故障。
4.汽车转向行驶制动综合故障有汽车跑偏、汽车侧滑、汽车摆振、漏油。
5. 轿车机械转向系主要由转向操纵机构、转向器、转向传动机构组成;液压动力转向系则是增加了一套由转向油泵、转向控制阀、转向动力缸组成的转向助力装置。
汽车转向系的常见故障部位有:转向传动机构各球头铰接、转向拉杆、转向器、转向轮的轮毂轴承;前轮定位及四轮定位;转向助力油泵及驱动、控制阀、管道、调压阀、卸压阀、工作缸、活塞等6. 写出下图液压动力转向系组成的零件名称1转向盘2转向轴管3转向轴4油管5转向油泵6储油罐7球头销8横拉杆9转向器10转向控制阀11直拉杆12转向油缸7. 汽车行驶系主要由车架、车桥、车轮及悬架等组成;汽车行驶系的常见故障部位有:悬架系统中的弹簧、减震器、拉杆及胶套;车桥及车轮部位的轮胎、轮辋、轮毂、轮胎螺栓、轴承;车身车架机构中的变形、断裂;四轮定位参数不准等8. 液压制动系主要由制动主缸、制动轮缸、真空助力器、制动器及液压管路等组成;液压制动系的常见故障部位有:制动液面、制动总泵、助力器、制动分泵、制动管道及车轮制动器等9. 汽车故障是指汽车部分或完全丧失工作能力的现象。
绝大多数汽车故障都是因为汽车零件本身或零件之间配合状态发生了异常变化引起的。
10.汽车故障的变化规律可分为早期故障期、随机故障期、耗损故障期三个阶段。
11.汽车故障诊断是指在不解体(或仅拆下个别小零件)的情况下,确定汽车的技术状况,查明故障部位及故障原因的实用技术。
目录项目1 液压制动系统车轮制动器【教学做一体】 (1)项目2 液压制动系统部件结构分析【教学做一体】 (21)项目3 液压制动系统排气及气压制动系统的结构、调整【实训】 (33)项目4 气压制动系统部件结构分析(1)【教学做一体】 (45)项目5 气压制动系统部件结构分析(2)【教学做一体】 (55)项目6 ABS系统检测【教学做一体】 (59)项目7 转向系统的结构与检修【教学做一体】 (69)项目8 动力转向系统【实训】 (79)项目9 悬架与转向系统的维护【教学做一体】 (83)项目10 轮胎动平衡与四轮定位【实训】 (101)项目11 汽车整车维护【实训】 (115)汽车转向、行驶和制动系统检测诊断与修复工作页 1专业班级 学号 姓名 任课老师 指导教师成绩 (满分100)项目1 液压制动系统车轮制动器【教学做一体】一、实训目的1.掌握鼓式制动器的结构检修内容。
2.熟悉盘式制动器的结构检修内容。
3.掌握制动主缸、分泵的检修及调整。
二、实训设备1.常用汽车维修工具、制动专用工具及工作台。
2.盘式、鼓式制动器,制动蹄片以及驻车制动器。
3.轿车整车。
4.常用汽车维修工具。
5.专用量具、工作台。
三、学习与实施1.检查摩擦衬片1)目视检查摩擦衬片的厚度(1)拆下前车轮(2)通过观察孔,目视检查摩擦衬片的厚度,如图1-1所示。
如果发现摩擦衬片上的沟槽几乎被磨平则需要更换。
是否需要更换。
口是 口否2)拆卸检查摩擦片。
(1)拆下制动钳①如图1-1所示,拆下2颗制动钳安装螺栓。
口 任务完成 ②如图1-2所示,拆下制动钳并固定好。
口 任务完成图1-1目视检查摩擦片的厚度 图1-2拆下安装螺栓为什么要“固定好制动钳”? 在正确的选项前打“√”口 使制动软管不受拉伸口 避免制动钳脱落,造成部件损伤或人员受伤口 方便其他部件的拆卸(2)如图2-3所示,拆下下列零件。
① 拆下2个摩擦衬片。
口 任务完成图1-3 拆卸制动轮缸 图1-4 拆卸摩擦衬片及附件②拆下2个消声片。
口 任务完成③拆下磨损指示板(内侧)。
口 任务完成拆下4个摩擦衬片支承板。
口 任务完成磨损指示板的作用:磨损指示板起到提示报警的作用,当摩擦片磨损到极限位置时,指示板与制动盘的端面发生摩擦,会产生尖锐的声音提示驾驶员及时检查和更换摩擦片,如图1-5所示。
图1-5摩擦片磨损批示板工作示意图有些车型配置了电子磨损传感器报警装置,如图1-6所示,电子磨损报警装置是在摩擦材料内设置磨损传感器,当摩擦片磨损至极限位置时,磨损传感器被磨损,登记表板上的警报灯点亮,提示驾驶员摩擦衬块已磨损到极限值,需要及时更换汽车转向、行驶和制动系统检测诊断与修复工作页 3图1-6电子磨损指示器报警装置(3)检查摩擦衬片的磨损量。
如图1-7所示,使用钢直尺测量制动摩擦衬片的厚度,在表1-1中记录检查结果,确定是否更换摩擦衬片厚度检查记录 表1-1图1-7测量摩擦衬片的厚度① 在测量制动摩擦衬片的厚度时,为什么要在多点位置进行测量?.③选出浮钳盘式制动器的内侧摩擦衬片比外侧的磨损量稍大的原因。
口 内侧摩擦衬片比外侧摩擦衬片先接触制动盘口 内侧摩擦衬片比外侧摩擦衬片作用力大口 外侧摩擦衬片比内侧摩擦衬片耐磨(4)检查摩擦衬片的表面情况。
在表1-2中记录检查结果,确定修理方法。
①如图1-8所示,检查衬片表面是否有裂纹或脱落。
图1-8摩擦衬片的裂纹或脱落摩擦衬片的检查记录表 表1-2② 检查衬片表面是否有较明显沟槽③ 检查衬片表面是否硬化或者有油污。
2 检查盘式制动器轮缸1)目检轮缸防尘罩如图1-9所示,检查制动轮缸防尘罩是否有油污和破损现象。
在表1-3中记录检查结果,并确定修理方法图1-9检查制动轮缸防尘罩选出造成轮缸漏油现象的原因,在正确的选项前打‘√”口 活塞密封圈老化口 轮缸磨损口 活塞磨损(2)选出某一侧轮缸有漏油现象对汽车制动性能的影响,并在正确的选项前打“√”。
口 整车制动效能下降口 该侧车轮制动效能下降口 同轴两侧车轮制动效能不相等2)解体盘式制动器轮缸(1)拆下制动软管接头螺栓,脱开制动器软管。
口 任务完成在拆卸制动软管时如何防止制动液流失?(2)如图1-10所示,拆下滑套。
口 任务完成(3)如图1-11所示,拆下滑套防尘罩和套筒。
口 任务完成汽车转向、行驶和制动系统检测诊断与修复工作页 5图1-10拆下滑套图图1-11拆下滑套防尘罩(4)拆下开口环和活塞尘罩。
如图1-12所示,使用螺丝起子拆下开口环和活塞尘罩。
口任务完成轮缸防尘罩检查记录表表1-3图1-12拆下开口环和活塞尘罩图1-13拆出活塞(5)从轮缸上拆出活塞。
①将一块抹布或木条放在活塞和轮缸之间。
口任务完成②如图1-13所示,用压缩空气从轮缸内推出活塞。
口任务完成图1-14拆出活塞密封圈(6)从轮缸内拆出活塞密封圈。
①如图1-14所示,使用螺丝刀拆出活塞密封圈。
口 任务完成 ②如图1-15所示,密封圈除了有密封作用外还有自动调节制动间隙和使活塞复位的作用。
图1-15活塞密封圈自调间隙示意a)在使用液压力时;b)在不使用液压力时密封圈是橡胶件,如果不正确选用制动液,或者混合使用两种不同制动液,会造成密封圈老化,密封圈老化对轮缸的工作性能有什么影响?在正确的选项前打“√”。
口密封圈密封性下降,容易出现泄漏现象口密封圈弹性下降,活塞回位不足,导致制动拖滞故障口密封圈发胀,活塞卡滞,导致制动跑偏故障3)检查轮缸活塞检查轮缸活塞是否有锈蚀现象。
口 有 口 没有3.检查制动盘1)目视检查制动盘如图1-16所示,目视检查制动盘是否有裂纹。
口 有裂纹 口 无裂纹汽车转向、行驶和制动系统检测诊断与修复工作页7图1-16制动盘的裂纹2)测量制动盘的厚度如图1-17所示,使用千分尺测量制动盘的厚度,在表1-4中记录检查结果制动向助力失厚度测量记录表表1-43)测量制动盘的圆跳动如图1-18所示,使用支架百分表测量制动盘的圆跳动,在表1-5中记录检查结果图1-17测量制动盘的厚度图1-18测量制动向助力失圆跳动制动盘的圆跳动测量记录表表1-5如果制动盘的圆跳动值超过标准值,而制动盘的厚度又有足够的加工余量,可对制动盘的表面进行修整加工,否则要更换。
装配1.盘式制动器轮缸装配制动轮缸一旦分解,重新装复时应更换新的修理包(1)在各零件上徐敷指定润滑脂。
如图1-19所示,在箭头所指的零件上涂敷指定润滑脂。
口 任务完成图1-19涂敷润滑脂在下面选项中选出因没有使用指定润滑脂而产生的不良后果,在正确的选项前打“√”口 橡胶件发胀而损坏口 润滑效果差口 密封性差(2)如图1-20所示,将活塞密封圈和活塞装入轮缸内。
口 任务完成(3)如图1-21所示,将活塞防尘罩和开口环装入轮缸内。
口 任务完成图1-20安装密封圈和活塞 图1-21安装活塞防尘罩(4)安装滑套防尘罩和滑套。
①如图1-22所示,安装2个套筒和4个防尘罩。
口 任务完成 ②如图1-23所示,滑套装入各防尘罩内。
口 任务完成图1-22安装防尘罩图1-23安装滑套2.制动钳安装1)安装制动摩擦衬片如图1-24所示,分别安装下列零件:(1)4个摩擦衬片支承板。
口任务完成(2)摩擦衬垫磨损指示板。
口任务完成(3)2个摩擦衬片。
口任务完成(4)2个消声片。
口任务完成选出摩擦衬片支承板和消声片所起的作用,在正确的选项前打“√”口摩擦衬片支承板只是用来支承摩擦衬片口消声片起到降低制动噪声的作用口摩擦衬片支承板可起到减振的作用图1-24安装摩擦片2)安装制动钳(1)装上制动钳。
口任务完成(2)如图1-25所示,装上并拧紧2个安装螺栓。
口任务完成拧紧扭矩为:N·m(3)如图1-26所示,连接饶性软管。
口任务完成拧紧扭矩为N·m图1-25安装螺栓图1-26连接制动软管3)安装前轮口任务完成(1)加注制动液并排除管路内空气(2)检查制动管路是否有泄漏现象(3)进行制动性能测试。
鼓式制动器拆卸与检查1.拆卸制动鼓(1)拆卸后轮。
口任务完成(2)穿过后挡板土的孔插人螺丝刀将自动调整杆撬高。
口任务完成(3)如图1-27所示,用另一把螺挂刀旋动调整螺栓放松后,制动蹄调整器。
口任务完成(4)拆下制动鼓。
口任务完成选出在拆下制动鼓之前要放松调整器的原因,并在正确的选项前打“√”。
口使制动蹄与制动鼓之间的间隙增大,更容易拆下制动鼓口使制动蹄与制动鼓之间的间隙减小,更容易拆下制动鼓口与制动间隙大小无关2.目视检查鼓式制动器(1)轮缸是否漏油。
口有口没有(2)轮缸防尘罩是否破损。
口有口没有图1-27放松调整器4.制动鼓的内径测量(3)轮缸活塞是否有卡滞现象。
口有口没有(4)制动鼓有没有裂纹或深划槽。
口有口没有(5)摩擦衬片是否有油污。
口有口没有(6)摩擦衬片是否有裂纹。
口有口没有(7)摩擦衬片是否有表面硬化或烧蚀现象。
口有口没有(8)各复位弹簧是否有变形、断裂等现象。
口有口没有选出可能导致摩擦衬片出现表面硬化或烧蚀现象的原因,在正确的选项前打“√”。
口 摩擦衬片表面沾上油污后老化口 连续长时间制动后,温度过高而烧蚀 口 不按规定周期进行维护 口 错误选用制动液 3.制动蹄摩擦片检测如图1-28所示,检测制动蹄摩擦片的厚度,将记录测量结果填于在表1-6中。
制动摩擦片厚度测量记录表 表1-6 如图1-29所示,使用游标卡尺测量制动鼓的内径,将测量结果记录在表1-7中制动鼓内径测量记录表 表1-7图1-28测量制动摩擦片的厚度 图1-29测量制动鼓的内径如果制动鼓的内径超过最大值或出现裂纹时必须更换新的制动鼓。
5.拆卸制动蹄 1)拆下后制动蹄(1)如图1-30所示,使用专用工具SST 09703-30010脱开复位弹簧。
口 任务完成 (2))如图1-31所示,使用专用工具SST 09718--00010拆下后制动蹄压簧、弹簧座和销子。
口 任务完成(3)拆下后制动蹄和制动蹄复位拉簧。
口 任务完成图1-30拆卸复位弹簧图1-31拆卸后制动蹄弹簧座2)拆下前制动蹄(1)如图1-32所示,使用专用工具SST 09718-00010拆下前制动蹄压簧,弹簧座和销子。
口任务完成(2)拆下带调整器的前制动蹄。
口任务完成(3)如图1-33所示,从前制动蹄脱开驻车制动器拉索。
口任务完成图1-32拆下前制动蹄弹簧座图1-33拆卸前制动蹄3)拆下调整器(1)如图1-34所示,拆下调整杆弹簧;口任务完成(2)拆下调整器;口任务完成(3)如图1-35所示,从调整器拆下复位弹簧。
口任务完成图1-34拆卸调整器图1-35拆下调整杆复位弹簧1.制动轮缸修理当制动轮缸有漏油、卡滞等现象时,应拆下轮缸并更换制动轮缸修理包内的配件,或更换轮缸。