IPMP 申请表(填表要求)
- 格式:docx
- 大小:354.52 KB
- 文档页数:18
以下蓝色内容是在PMI网上注册考试时需要填写的内容,您先在word里填好,在网上注册时复制粘贴,减少注册时等待时间,并以此为备份。
蓝色的部分是一个名为李大山的考生的范例,请替换成您对应的信息有#的表单项是在网站上有下拉菜单选项的,可以先写中文或粗填,有*的是网站上的必填项,务必不能空,其它的可以填也可不填粉色字体是解释的部分,请在线注册时不要一起粘过去!!1 基本信息1邮件地址请填写经常收发邮件的2 区号,填写时请去掉第一个0,如北京区号为010,填写时请写10;上海区号为021,填写时请写21。
如果要留移动电话号码,也需要填国家代码和地区代码2职业信息3学历信息4项目时间分解信息说明:1、本科:描述的项目工作起止时间是在申请之日前6年内(既2005年至2011年之间),达到36个月及以上的项目管理工作经验,累计完成4500小时及以上的项目管理工作时间。
所要求的36个月是不重叠的、可累积.2、专科:描述的项目工作起止时间是在申请之日前8年内(既2003年至2011年之间),达到60个月及以上的项目管理工作经验,累计完成7500小时及以上的项目管理工作时间。
所要求的60个月是不重叠的、可累积。
*不重叠的意思是:第二个项目开始的时间最早也得是前面项目结束时间的下一个月*按照项目发生的时间先后顺序填写各项目时间总表说明:这里两个项目共计37个月/ 5300小时已经满足(本科)36个月/ 4500小时,如果没有达到总月数和总小时数要求的请继续写第三个项目,建议项目数最好不超过四个,可以适当延长短期项目的时间。
此表为了方便大家统计数据,实际注册时没有给到表格。
项目总小时数计算方法经历月数*22*8 ,再向下取整。
即月份*法定每月工作天数*每天工作小时数,因不会全部工作时间都在项目上,还有日常工作,所以向下取整.取整数值无限定,根据个人意愿。
月份数计算方法:例:2003.3-2004。
3 经历月份数不是12个月,应为13个月;做这个项目时的组织信息:证明人信息:(该项目的领导/发起人或项目的其他成员,能证明你在该时间内参与了该项目)证明人名字是名在前姓在后,此例为张三(1)项目时间计算建议向下取整时,可以减少小时数多一些,因为不可能所有的工作时间都在做项目。
International Project Manager Professional 国际项目经理资质认证申请表IPMA Level A®级IPMA Level B®级认证的国际特级项目经理Certified Project Director认证的国际高级项目经理Certified Senior Project Manager认证的国际特级项目集群经理Certified Programme Director认证的国际高级项目集群经理Certified Senior Programme Manager认证的国际特级项目组合经理Certified Portfolio Director认证的国际高级项目组合经理Certified Senior Portfolio ManagerIPMA Level C®级IPMA Level D®级认证的国际项目经理Certified Project Manager √认证的国际助理项目经理Certified Project Management Associate申请者编号:申请者姓名:认证考点:填表日期:2019年10月中国优选法统筹法与经济数学研究会项目管理研究委员会国际项目管理专业资质认证中国认证委员会填表说明本申请表的填写内容,要实事求是,逐项认真填写。
表达要明确、严谨,字迹要清晰易辨。
1.表1中学历、学位指获得的最高学历、学位,工作单位、通信地址需详细填写全称。
2.表2填写申请者从事项目管理/项目集群管理/项目组合管理(PP&PM)经历中具有代表性的项目/项目集群/项目组合(PP&P)清单(如有必要表格可以添加),按其结束时间倒序填写。
3.表3填写各级申请者资格要求的年限内所在的工作单位信息,如果在两个以上的单位工作过,则须分别填写表3。
4.表4为申请者以能够充分证明其能力为原则决定从表2中选择的一个或多个项目填写能证明自身申请领域项目管理能力的最具有代表性的PP&P填写项目管理实践摘要报告。
一、报名报考:1、老考生报考只需填写姓名、准考证号码及报考科目(必须填写准考证号码),不需照片及其他证件复印件。
2、新考生报名要求:①身份证复印件——剪成身份证大小,贴在报名表左下角;②学生证或学历证复印件--附于报名表后面;③需2张2寸免冠同版彩色照片。
报名表标注“照片”处粘贴一张,另一张用少量胶水粘贴报名表右上角。
本次报名报考截止时间为9月20日。
二、物流职业经理证书(CPLM)申请:中级证书申请条件:《物流案例与实践》和《物流企业管理》必过,《仓储管理》、《运输管理》、《库存管理》、《采购与供应管理》四过二,总共四门课通过。
1、申请表:信息填写完整;2、照片:请提交二寸免冠红底或蓝底彩色照片两张。
用少量胶水粘贴在申请表右上角(两张照片分开粘贴)。
或者照片背后用铅笔写名字按照规定顺序排好,装入单独的小袋或者纸包中;3、身份证复印件:做成身份证原件大小,粘贴在申请表正面的左下角,在显著位置注明申请CPLM专用;4、办证费用:100元/人。
证书申请截止时间为9月20日。
三、申请人力资源与社会保障部物流经理“岗位能力证书”:1、申请人身份证复印件一份;2、CPLM资格证书复印件一份3、一张2寸蓝底证件照片(背后写好申请人姓名)4、交纳“岗位能力证书”费250元/证证书申请截止时间为9月20日。
四、证书复审:1、填写“CPLM复审注册登记表”2、证书原件3、缴纳证书复审费用,初级证书50元/证;中级证书80元/证;高级证书100元/证。
证书复审资料提交截止时间为9月20日。
五、证书丢失补领办法CPLM证书或“岗位能力证书”丢失者要及时通知北京中交协物流人力资源培训中心,提交遗失声明。
补领的证书颁证日期同原证书,但要注明为补领;证书编号使用原证书编号。
同时缴纳补领证书费用50元。
证书补办资料提交截止时间为9月20日。
六、申请英国皇家物流协会“ILT”证书:1、申请人身份证复印件一份;2、CPLM资格证书复印件一份3、2张2寸蓝底证件照片(背后写好申请人姓名)4、交纳“岗位能力证书”费350元/证证书申请截止时间为9月20日。
仅供参考-4-申请表样板中国目项管理究研员委International Project Management Professional国际项目管理专业资质认证申请表XXXXXX 申请者编号:XXX 申请者姓名:申请级别: C级申请者单位:XXXXX XX认证中心:珠海填表日期: XXXXXXX中国(双法)项目管理研究委员会国际项目管理专业资质认证中国认证委员会填表说明1.本申请书的填写内容,要实事求是,逐项认真填写。
表达要明确、严谨,字迹要清晰易辨。
2.表1中学历、学位指获得的最高学历、学位,工作单位、单位地址、通信地址需详细填写全称。
3.表2填写自己从事项目管理经历中最具有代表性的项目清单,主要填写项目名称,项目投资额,项目负责单位,项目负责人,自己在项目担任的角色和作用。
4.表3填写自己从事项目管理工作经历中最主要的三个项目,要明确说明项目的背景,项目与项目管理的特点,自己承担的角色,所取得的收获与经验。
5.表4填写请参照IPMP自我评估参照标准和“国际项目管理专业资质认证标准”,对每个要素从知识和经验两方面进行自我评估,并请如实填写,以客观的态度对自己的各方面进行评价。
6.表5 C级和D级申请者不需填写。
7.表6由单位填写,主要针对申请者个人项目管理工作能力及本表所填写内容的真实性进行说明。
8.表8由IPMP中国认证委员会办公室根据认证师评估意见整理后填写。
9.D级申请者可只填写表1。
.1.IPMP申请者简历表1姓XXXXXXXX姓性拼420106XXX19X身出民汉证年X外申英A B C 级语本学学专电力系统及自动工学毕毕浙江大X时学开始从事项198所房地产开管理工作时行职高级工程职副总工程工工XX珠XXXX公部单单珠海XXXXX地通珠海XXXXXX地电邮xxxxxx 0756XXX5XXXX传信编家办公xxxxxxxxxxxxxxxx手机电话电话学习经历起止时间学校及攻读学历证明人7年xxx9月~xxx年xxxxx.3.申请者参与项目清单IPMP 2表.4..5..6.IPMP申请者参与项目概况3-1 表.7.定出整个工程的设计进度计划,并分解到各开关站、变电所的每个时间节点,并组织、监督执行。
个人数字证书申请表请如实填写本表,*为必填项,并将以下证明材料提交受理单位审核:
①填写完整的本表(一式两份) (申请人签字)
②法定代表人有效身份证件复印件/填写完整的《授权书》
③经办人身份证原件,复印件1份(加盖公章)
④办理个人数字认证证书要求的其他资料
I. 申请人基本资料
*姓名:*是否为法定代表人:
*身份证件类型:*身份证件号码:
*联系电话:*申请人电子邮箱:
*通信地址:*
II. 所在单位信息
*单位名称:
单位电话:
单位地址:
邮政编码:
III. 申请人声明
IV. 受理审批(受理单位填写)
V. 备注。
国际项目管理专业资质认证(IPMP)常见问题解答一、关于申请1、Q:IPMP是什么?……………………….…………………………………………………………P 22、Q:IPMP适合哪个行业?…………………….……………………………………………………P 23、Q:IPMP适合哪些人报考?………………….……………………………………………………P 24、Q:IPMP申请有哪些程序?…………………….…………………………………………………P 25、Q:IPMP申请资格的审查是如何进行的?………….……………………………………………P 26、Q:申请表中的项目管理工作经验需所有原工作单位证明或其他资信证明吗?………………P 27、Q:申请资格中所要求的工作经验指什么?申请资格对过去的工作职位是否有要求?……..P 38、Q:对IPMP申请者的项目报告有什么要求?……………………………………………………P 39、Q:加入中国项目管理研究委员会与报考IPMP的关系?………………………………………P 310、Q:如果申请的C级认证没有通过,是否能直接降级到D级?………………………………..P 311、Q:申请表如何填写?有什么规范要求吗?………………………………………………………P 3二、关于培训1、Q:IPMP考前培训教材是什么?…………………………………………………………………P 42、Q:如何进行IPMP的复习准备?…………………………………………………………………P 43、Q:关于IPMP考前培训是如何进行的?…………………………………………………………P 44、Q:IPMP考前培训一般在哪里进行?…………………………………………………………….P 45、Q:什么条件才可以报名培训?……………………………………………………………………P 46、Q:通过IPMP考前培训就一定能考取IPMP证书吗?…………………………………………P 47、Q:IPMP的考前培训授课教师是哪些人?是否可以提供培训教师的简介?………………….P 48、Q:IPMP考前培训后是否有结业证书以证明培训经历?…………………………………….…P 49、Q:迈思拓公司是否可以举办企业内训?…………………………….……………………………P 4三、考试和证书1、Q:IPMP如何考试?…………………………………………………………………………….…P 42、Q:IPMP如何计分?………………………….……………………………………..……………..P 53、Q:IPMP证书得到国家认可吗?………………………………………………………….………P 54、Q:IPMP证书国际认可,为什么认证考试全部是中文?…………………………….…………P 55、Q:IPMP认证的难易程度?IPMP的通过率是多少?………………………………….……….P 56、Q:IPMP C级的案例讨论如何进行?…………………………………………………………….P 57、Q:IPMP C级面试都考些什么?……………………………………………………………….…P 58、Q:IPMP证书的有效期有多长时间?有效期满后如何更新?……………………………….…P 69、Q:IPMP认证的试题是哪出的?………………………………………………………………….P 610、Q:IPMP试题由哪里评判?……………………………………………………………………….P 611、Q:考试通过后何时能取得证书?…………………………………………………………………P 612、Q:IPMP认证的考察重点是什么?……………………………………………………………….P 613、Q:IPMP认证工作由谁来主持?主考是谁?………………………………………………….…P 514、Q:已经获得IPMP证书的有多少人?……………………………………………………………P 615、Q:如果在IPMP考试中有一部分考试成绩不通过,怎么办?……………………………….…P 6四、其他1、Q:IPMP与PMP的区别?IPMP的证书是世界承认的,PMP是否也是世界承认的?哪个级别更高?...P 62、Q:IPMP证书在"跳槽"时,会起到什么作用?……………………………………………...…P 73、Q:培训、考试食宿怎么处理?…………………………………………………………………….P 7一、关于申请1、Q:IPMP是什么?A:IPMP是International Project Management Professional 的简称。
申请者IPMP 考点国际项目管理专业资质认证(中国区)首次申请流程_ _ _ _ _ _ _ _ _ _ _ _ _ _ _ _ _ _ _ _ _ _ _ _ _ _ _ _ _ _ _ _ _ _ _ _ _ _ _ _ _ _ _1.填写“IPMP 报名表”;2.交纳报名费200元。
1.收取报名费;2.审查报名表填写的完整性,特别是英文部分;3.寄送“IPMP 申请表和《中国项目管理知识体系和国际项目管理专业资质认证标准》”一书。
1.填写“IPMP 申请表”;2.寄交资料,包括:IPMP 申请表、学历证书和身份证复印件、其他能说明个人专业情况的参考文件资料。
1.收取并审核申请者资料;2.审查申请表填写的完整性,特别是单位盖章一栏;3.审核申请者资格,是否符合报考级别;4.通知申请者参加认证。
1.寄交认证费;2.寄交项目报告(A 、B 级申请者需要);3.寄交3张1寸免冠照片。
1.收取认证费、项目报告及照片;2.按照编号原则对申请者进行编号;3.寄送准考证;4.通知申请者有关考试事宜。
凭准考证和个人有效证件参加考试。
IPMP申请者报名提交材料清单序号提交材料数量1 报名表文档版1份2 申请表电子版和文档版各1份3 1寸彩色照片3张4 身份证复印件电子版和文档版各1份5 学历证书复印件电子版和文档版各1份6 其他证明材料文档版1份认证费用:IPMP A级:认证总费用7200元(其中报名费200元)IPMP B级:认证总费用5200元(其中报名费200元)IPMP C级:认证总费用3200元(其中报名费200元)IPMP D级:认证总费用1200元(其中报名费200元)。
International Project ManagerProfessional国际项目经理资质认证申请表每一位申请者都必须高度重视申请表的填写,如不认真填写会影响认证成绩!申请者编号:暂不填写申请者姓名:张三(与身份证上的姓名保持一致)申请级别:C级申请者单位:单位全称(与单位公章一致)认证考点:按实际认证中心填写填表日期:实际填写时间(例如:2014年6月30日)中国(双法)项目管理研究委员会国际项目管理专业资质认证中国认证委员会填表说明本申请书的填写内容,要实事求是,逐项认真填写。
表达要明确、严谨,字迹要清晰易辨。
1.表1中学历、学位指获得的最高学历、学位,工作单位、单位地址、通信地址需详细填写全称。
2.表2填写自己从事项目管理经历中最具有代表性的项目清单,主要填写项目名称,项目投资额,项目负责单位,项目负责人,自己在项目担任的角色和作用。
3.表3填写自己从事项目管理经历中最具有代表性的项目进行项目管理经验总结,同时该代表性项目将作为B级申请者撰写项目报告的项目背景。
4.表4填写请参照IPMP自我评估参照标准和“国际项目管理专业资质认证标准”,对每个要素从知识和经验两方面进行自我评估,并请如实填写,以客观的态度对自己的各方面进行评价。
5.表6 仅IPMP A级申请者填写。
6.表7由单位填写,主要针对申请者个人项目管理工作能力及本表所填写内容的真实性进行说明。
7.IPMP D级学员可以不填写申请表,报名表可同时作为申请表。
IPMP申请者简历IPMP申请者参与项目清单表2最具有代表性项目的项目管理经验总结表3项目名称:集气站设备检修维护项目项目背景:根据作业区设备运行状况,为确保当地经济具有重要意义……。
项目工作范围:中2站内设备检修。
项目目标:(项目名称、工期、费用等要素)示例:成果目标: 集气站设备检修维护工期目标:项目于2015.8.11开工,于2015.10.18完工,项目建设总工期70天。
《IPMP申请表》填写指南如何填写《IPMP申请表》一、个人基本信息个人信息栏必须完整、清晰。
个人信息除极个别信息实在无法填写之外(家里都用手机,没有家庭电话;确实没有任何可以联系到自己的传真机)都必须填写,不得有任何空缺(很多人都不填“开始从事项目管理工作时间”,如果此条不填写,是无法申报C级以上的IPMP 认证的。
二、学习经历请从大学开始填写,之前的不用填写。
三、从事项目管理工作的工作简介示例:×××年——×××年在××××××公司1、×××××项目本人的角色标的或规模项目是否获奖等2、×××××项目本人的角色标的或规模项目是否获奖等×××年——×××年在××××××公司1、×××××项目本人的角色标的或规模项目是否获奖等2、×××××项目本人的角色标的或规模项目是否获奖等注:因为表-2中所填的6个项目及表3-1,3-2,3-3中介绍的3个项目都要求填写五年以内的,所以这里是您表现您从事过的其他项目经验的地方,故对您提高申请表质量很有效。
四、IPMP申请者参与项目清单1、最好填写满6个项目很多人会问:“我没有做过这么多项目怎么办?”这是一个问题,但不是完全不能解决。
该项目清单的作用是给评估师提供审核申请者的项目管理经验提供必要的依据,如果从事过的项目太少,不能填满6个项目,这至少说明该项目管理者的项目管理经验比较欠缺,势必会影响到评估师对申请者的评价。
当然一些特例除外,比如你做的项目只有一两个,但项目时间跨度超过3年(不是因为管理不善,是项目确实比较复杂,需要这么长的时间来完成)资金过亿,这种情况当然不能说你的项目管理经验欠缺。
International Project ManagerProfessional国际项目经理资质认证申请表每一位申请者都必须高度重视申请表的填写,如不认真填写会影响认证成绩!申请者编号:暂不填写申请者:三(与上的保持一致)申请级别:C级申请者单位:单位全称(与单位公章一致)认证考点:按实际认证中心填写填表日期:实际填写时间(例如:2014年6月30日)中国(双法)项目管理研究委员会国际项目管理专业资质认证中国认证委员会填表说明本申请书的填写容,要实事,逐项认真填写。
表达要明确、严谨,字迹要清晰易辨。
1.表1中学历、学位指获得的最高学历、学位,工作单位、单位地址、通信地址需详细填写全称。
2.表2填写自己从事项目管理经历中最具有代表性的项目清单,主要填写项目名称,项目投资额,项目负责单位,项目负责人,自己在项目担任的角色和作用。
3.表3填写自己从事项目管理经历中最具有代表性的项目进行项目管理经验总结,同时该代表性项目将作为B级申请者撰写项目报告的项目背景。
4.表4填写请参照IPMP自我评估参照标准和“国际项目管理专业资质认证标准”,对每个要素从知识和经验两方面进行自我评估,并请如实填写,以客观的态度对自己的各方面进行评价。
5.表6 仅IPMP A级申请者填写。
6.表7由单位填写,主要针对申请者个人项目管理工作能力及本表所填写容的真实性进行说明。
7.IPMP D级学员可以不填写申请表,报名表可同时作为申请表。
IPMP申请者简历IPMP申请者参与项目清单表2最具有代表性项目的项目管理经验总结表3项目名称:集气站设备检修维护项目项目背景:根据作业区设备运行状况,为确保当地经济具有重要意义……。
项目工作围:中2站设备检修。
项目目标:(项目名称、工期、费用等要素)示例:成果目标: 集气站设备检修维护工期目标:项目于2015.8.11开工,于2015.10.18完工,项目建设总工期70天。
费用目标:预算5万元,合同费用4万元。
青岛建筑行业首次IPMP认证圆满结束
经过深入细致的准备和考前培训,青岛建筑行业首次IPMP国际项目管理资质认证考试在IPMP中国认证委员会的指导下, 由IPMP中国认证委员会首席评估师张玉麟高级工程师和中国项目管理研究会付秘书长鸥立雄博士共同主持,严格按照IPMP认证程序进行。
青岛地区建筑行业41人参加了认证考试,其中C级34人,D级7人。
经过为期三天的激烈角逐,15人通过认证,通过率36.5%,其中C级通过13人, D级通过2人。
从分项成绩看,笔试通过18人, 通过率52%;面试案例研讨通过30人,通过率88%。
现将成绩按总分顺序排列,公布如下:
IPMP申请者综合能力评估总结表(按得分情况排序)
考点:建筑行业(青岛)
第二期IPMP考前培训班将于2002年10月11日举行,欲参加2002年11月份IPMP认证考试的学员请到青岛市建管局执业注册办公室报名。
咨询电话:5063825、5063891 届时第一期认证考试不及格者可免费参加本期培训。
青岛市建设执业注册管理办公室
2002年9月20日。
International Project ManagerProfessional
国际项目经理资质认证
申请表
每一位申请者都必须高度重视申请表的填写,
如不认真填写会影响认证成绩!
申请者编号:暂不填写
申请者姓名:张三(与身份证上的姓名保持一致)
申请级别:C级
申请者单位:单位全称(与单位公章一致)
认证考点:按实际认证中心填写
填表日期:实际填写时间(例如:2014年6月30日)
中国(双法)项目管理研究委员会
国际项目管理专业资质认证中国认证委员会
填表说明
本申请书的填写内容,要实事求是,逐项认真填写。
表达要明确、严谨,字迹要清晰易辨。
1.表1中学历、学位指获得的最高学历、学位,工作单位、单位地址、
通信地址需详细填写全称。
2.表2填写自己从事项目管理经历中最具有代表性的项目清单,主要
填写项目名称,项目投资额,项目负责单位,项目负责人,自己在
项目担任的角色和作用。
3.表3填写自己从事项目管理经历中最具有代表性的项目进行项目管
理经验总结,同时该代表性项目将作为B级申请者撰写项目报告的
项目背景。
4.表4填写请参照IPMP自我评估参照标准和“国际项目管理专业资质
认证标准”,对每个要素从知识和经验两方面进行自我评估,并请如
实填写,以客观的态度对自己的各方面进行评价。
5.表6 仅IPMP A级申请者填写。
6.表7由单位填写,主要针对申请者个人项目管理工作能力及本表所
填写内容的真实性进行说明。
7.IPMP D级学员可以不填写申请表,报名表可同时作为申请表。
IPMP申请者简历
表1
IPMP申请者参与项目清单
表2
最具有代表性项目的项目管理经验总结
表3
本人担任项目经理,主要职责为:
•领导整个项目的实施,确保项目目标的实现;
•定期在项目实施的过程中与支持者进行沟通;
•选择项目组成员,确保成员参与项目工作;
•掌控项目的绩效;
•与成员定期进行沟通;
•组织或亲自培训与指导成员正确适用项目管理工具以及其他技能;
•确保项目工作与日常工作的转化;
•运用良好的领导技能协调团队。
项目工作分解结构:(注意图文并茂,文字描述工作分解的依据、方法和过程等,用树型结构图描述工作分解结构)
示例:
编制依据:
(1)项目目标要求和工作范围;
(2)本项目特点;
(3)合同要求。
编制的方法和步骤:应用头脑风暴法,通过团队讨论确定该项目WBS。
项目进度计划:(注意图文并茂,文字描述进度编制的依据、主要的进度限制条件等,用甘特图或网络图展现进度计划)
示例:
编制依据:
(1)项目目标要求和工作范围;
(2)项目工作分解结构;
(3)本项目特点;
(4)合同工期。
主要时间限制:
(1)合同谈判、队伍选择、检修人员、物质准备:2015.8.11-9.10
(2)关井、氮气置换完成: 2015.9.11-12
(3)主体设备检修完成: 2015.9.13-16
(4)预验收及问题整改投产:2015.9.17-19
(5)项目结算:2015.9.20-10.18
项目最成功的某一项目管理要素及管理思路:(选择您认为本项目管的最好地方或亮点,以文字或图文并茂形式说清是怎么管的)
示例:
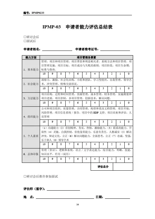
IPMP自我评估表
表4
工作单位简介
表5
IPMP A级项目组合/项目集项目管理报告
撰写背景介绍
表6
单位审查意见
表7。