接触网工技能鉴定实操
- 格式:doc
- 大小:27.00 KB
- 文档页数:2
接触网高级工(技师技能鉴定题库(报部)[五篇]第一篇:接触网高级工(技师技能鉴定题库(报部)接触网高级工(技师)技能鉴定题库一、填空题(每题1空,每题1分)1、运行中,接触线被受电弓顶起的抬升量按计算。
(A、3、X)2、全补偿链形悬挂区段整体吊弦的吊弦长度按确定。
(A、2、Z)3、对接触网零部件的基本要求:。
(B、2、Z)4、并沟线夹、电连接线夹等作为电连接线夹时,连接处导线不得。
(B、3、X)5、隔离开关操作机构距地面高度的施工允许偏差应为。
(B、2、Z)6、隔离开关引线应连接正确牢固,在任何情况下均应满足要求。
(B、3、X)7、隔离开关引线应连接正确牢固,并预留因温度变化引起的。
(B、3、X)8、隔离开关刀闸合闸时,刀闸水平,两刀闸中心线吻合,允许偏差值。
(A、4、X)。
9、隧道内接触线距轨面的最低高度困难情况不应小于mm。
(B、2、Z)10、附加导线紧线时,下锚侧加挂拉力计,张力达到设计额定张力的时,方可正式下锚。
(B、3、Y)11、双线电气化区段,上、下行接触网带电体间距离,困难时不应,且应符合要求。
(B、3、Y)13、中心锚结线夹应牢固可靠,螺栓符合设计要求。
14、附加导线驰度应符合设计要求,其允许偏差为。
(B、3、X)(B、4、Y)(B、2、Z)12、悬式绝缘子串悬挂角度过大,使之瓷裙内有存水可能时,应。
15、软横跨支柱挠度是指支柱受力后的。
(B、3、Z)16、全补偿、半补偿链形悬挂的腕臂安装位置及连接螺栓的应符合设计要求。
(B、3、X)17、软横跨的直吊弦在直线区段应在线路中心,曲线区段与接触线(拉出值)在。
(B、3、Z)18、软横跨调整螺栓螺丝外露长度应为20㎜至螺纹。
(B、2、X)19、软横跨横向承力索至上部固定索最短吊弦处距离为。
(B、2、Z)20、混凝土基础地脚螺栓间距(相距)允许偏差为。
(B、3、X)21、枢纽内直线区段,接触网支柱内缘至邻近线路中心线在轨面高度处的距离,通过超限货物列车的直线或站线必须。
接触网实训作业程序及评价考核标准-检调关节式电分相及地感应器(一)目的对关节式电分相及地感应器的检调工作进行规范,保证安全供电。
(二)适用范围七跨及九跨关节式电分相及地感应器的检调。
(三)所需人员、机具、材料人员:6—8人(不含接地线、防护人员)。
机具:车梯、滑轮、线坠、水平尺、道尺、钢卷尺、接触线校正扳手、测杆、大绳、力矩扳手、豪特拉斯计、温度计。
材料:锚支定滑轮(卡子)、定位线夹、吊弦线夹、¢4.O铁线、长支持器、定位环、夹环、黄油。
资料:接触网平面图、安装曲线图。
(四)工作程序及方法⑴、关节式电分相1、测量、调整内、外转换柱间两支接触线的水平距离和垂直距离。
2、测量、调整转换柱处分段悬式绝缘子串与悬挂点的距离。
检查支柱定位装置转动是否灵活。
3、测量、检查分相内悬挂各部间隙是否在450mm~550mm之间,超过时进行调整。
4、测量、检查分相内中心柱处两定位点是否等高,不符合时进行调整。
5、测量、调整定位点接触线拉出值和跨中接触线偏移值。
6、检查电连接器状态是否符合要求。
7、检查定位器、吊弦偏移方向及角度是否符合技术要求,支持装置受力是否合理,有无烧伤、裂纹等缺陷。
8、检查各部线夹是否端正、螺栓紧固状态是否良好、有无裂纹和烧伤等缺陷。
9、检查补偿装置状态是否符合要求。
10检查有缺陷的,应视具体情况进行处理。
⑵、地感应器:1、检查地感应器是否缺损、破裂、丢失等异常情况,若有应在相邻车站行车室进行登记要求机车手动断电过分相并向上级部门反馈更换。
2、检查地感应器防护罩,如发现防护罩表面吸附了太多的铁屑、矿粉等细小异物时应进行清扫。
3、检查装载地感应器的特种轨枕的完整性,如发现特种轨枕破裂、缺失或移位时应及时向相邻车站行车室进行登记要求机车手动断电过分相并向上级部门反馈处理。
4、检查地感应器设置位置是否符合要求,不符合则向上级部门反馈,在上级部门的协调下配合工务部门重新设置。
5、检测地感应器磁场强度,低于36高斯则建议更换。
接触线恒张力架线方案一、概念采用恒张力架线车组,在一定张力下,利用封闭时间占用线路来展放接触线的方法二、操作技能1、区段检查内容①、承力索已架设完毕;②、承力索中心锚结已安装完毕;③、接触线下锚装置已安装;④、承力索是否需要接地;⑤、放线前检查锚柱斜率,防止放线后锚柱反倾;2、提报施工计划包括里程、日期、占用股道、封闭时间、施工方式3、材料、机械、工具准备①、恒张力放线车、放线滑轮、Φ4.0铁线、液压断线钳、手板葫芦、紧线器、接触线临时终端线夹、温度计、棕绳、安全帽、安全带、脚扣、防护用品、钢丝套、报话机、“S”钩、临时固定抱箍、个人工具。
②、恒张力放线车编组放线车+恒张力放线车+作业车③、确认锚段号、锚段长度符合现场要求4、人员准备放线前进行人员技术培训,明确起锚、落锚、巡线、测量及恒张力放线作业平台上的人员相互间配合。
5、放线程序的编制①、架线程序应满足接触线交叉技术要求,即正线位于侧线下方,重要线路位于次要线路下方,工作支位于非工作支下方;②、要注意从闭口侧向开口侧放线;③、曲线应根据曲内和曲外采取不同的加固方式;④、转换柱应采取加固措施;6、架线过程①、架线准备;②、起锚;③、接触线展放;④、落锚;⑤、结束。
三、施工质量1、技术准备①、按设计要求和《施规》5.7.1—5.7.5及5.8.5条检查材料质量;②、“S”钩长度应事先根据设计标准计算分为两种,靠近悬挂点一种,跨中的为另一种;③、起锚坠砣在支柱上用抱箍或钢丝套进行加固,并提到一定高度;④、设定恒张力架线车的行驶速度为3—5KM/h;⑤、设定恒张力架线车的张力一般为10—12KN,误差控制在0.5KN。
2、安全及注意事项①、线盘在装载过程中应避免磕碰造成线盘或设备损伤;②、在松开U型卡拉出线头时,必须抓紧线头,防止线头松脱或伤人;③、在牵引线头时,确保锁具已可靠锁紧,防止线头松脱;④、临近落锚时,注意观察线盘上剩余接触线的圈数,防止接触线尾端从线盘上脱落;⑤、注意补偿绳不得跳槽,紧线器要安装牢固可靠;⑥、临时固定在支柱上的抱箍和钢丝套在放线过程中不得拆除,以防坠砣在放线过程中上下窜动,当正式落锚后方可拆除;⑦、施工负责人要保证作业人员安全,作业人员均应戴好安全帽,以防工具材料下落伤人;⑧、防护人员应坚守岗位,与驻站防护人员加强联系,在邻线来车前应及时通知作业人员注意安全;⑨、车站放线一定要保证行车安全;⑩、放线完成后清理现场,保证现场整洁。
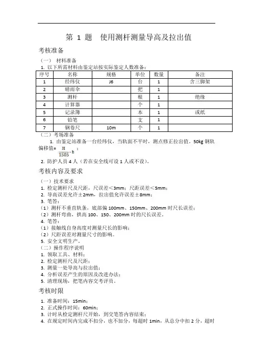
第 1 题使用测杆测量导高及拉出值考核准备(一)材料准备1. 以下所需材料由鉴定站按实际鉴定人数准备:序号名称规格单位数量备注1 经纬仪J6 台 1 含三脚架2 晴雨伞把 13 测杆根 1 绝缘4 计算器个 15 记录簿本 1 或纸6 铅笔支 17 钢卷尺10m 个 1(二)考场准备1. 由鉴定站准备一台经纬仪,当轨面不平时,测点修正拉出值。
50kg钢轨偏移值= ;2. 防护人员4人(若在安全线可设1人或不设)。
考核内容及要求(一)技术要求1. 检定测杆尺及尺距,尺误差<3mm;尺距误差<5mm;2. 导高误差允许±2mm,拉出值允许误差±8mm;3. 笔答:(1)测杆不垂直轨条,底部偏100mm、150mm、200mm时尺长误差;(2)测杆弯曲,拱高100、150、200mm时的尺长误差。
4. 笔答:(1)接触线自身高度对测量尺长的影响;(2)尺距误差对测量尺寸的影响。
5. 安全文明生产。
(二)操作程序说明1. 领取工具、材料;2. 检定测杆尺及尺距;3. 测量一处导高与拉出值;4. 分析误差产生的原因及改进办法;5. 清理现场,把笔内容交考评员。
考核时限1. 准备时间:15min;2. 正式操作时间:60min;3. 计时从检定测杆尺开始,到交笔答内容结束;4. 在规定时间内完成不扣分,也不加分,每超时1min,从总分中扣2分,超时10分钟停止作业。
考核评分1. 考核人员不少于3人,负责考场事务及评分;2. 考评员同时给考生评分,取平均值为该考生的得分;3. 评分法:按单项记分、扣分;4. 采用百分制,100分满分,60分为合格。
第 2 题测设支柱中心桩高程考核准备(一)材料准备1. 场地面积:540m×5m;2. 设置10个基桩,间隔60m,其中第1及第10个基桩为假设水准点,第2至第9个桩为假设1#~8#柱高程中桩。
(四)其他准备1. 辅助人员:3名(撑伞,扶水准尺)。
接触网实训作业程序及评价考核标准-检调及局部更换接触线(一)目的规范接触线的检调工作,掌握局部更换接触线的基本工艺。
(二)适用范围适用于接触线的线面校正、校直、磨耗测量和调整接触线位置、接触线补强等作业。
(三)所需人员,机具,材料1、人员:1人。
机具:作业车、车梯、激光测量仪、测杆、道尺、线坠、钢卷尺、滑轮组、钢丝套子、手锤、校正扳手、温度计、工具包、游标卡尺、手扳葫芦、双钩紧线器、平挫、断线钳、五轮导线校直器、力矩扳手等。
2、材料:定位环、定位线夹、开口销、Φ4.0镀锌铁线、吊弦线夹、吊弦、钢线卡子、接头线夹、黄油、接触导线等。
3、技术资料:接触网平面布置图、接触网装配图、安装曲线图、接触线导线磨耗换算表。
(四)工作程序及方法⑴、校正接触导线线面1、接触线线面不正时,易造成线夹偏斜和打、碰弓,可利用校正扳手整正线面。
2、若一跨距内线面普通偏斜,则需用两个校正扳手从一个定位开始,一步一步校正至另一个定位。
作业时,一个校正扳手卡着导线固定不动,用另推一个校正扳手卡着导线向相反方向轻轻扭动,随后放开扳手,观察导线线面是否平整。
如果不平整,反复校正,直至使线面平整。
3、若一个跨距内只有少数地方线面不正,则可以用3个校正扳手,两个扳手固定两边不动,中间一个校正扳手扭动,直至使线面平整。
注意事项:1、在使用校正扳手时,要2—3人同时校正,每人负责一个校正扳手。
2、校正导线时要轻轻给扳手加力或减力,不可急剧加、减力,避免扳手反弹或脱落。
3、在校正导线时,避免产生新的导线扭面。
⑵、校正接触导线波浪弯当接触导线有波浪弯时,可使用五轮导线校直器校正导线波浪弯。
首先将五轮校直器卡在导线波浪弯平顺的一端,给五轮校直器加力,顺导线方向轻轻推动五轮校直器,直至推到导线平顺的部分为止。
一般均需要反复校直,直至满足技术标准为止。
注意事项:1、在给校直器加力时,要逐步逐次加力,避免加力过大推不动校直器或产生新的波浪弯。
2、在推动校直器时,要保持校直器运行角度一致。
接触网工(高级)操作技能考核准备通知单1.试题名称:工作领导人组织停电检修线岔一、鉴定站准备1.材料准备2.设施准备由鉴定站准备接触网练兵场处3.考场应满足5人考试,考位面积不少于30平方米,考场应提供充足的光线、电源、气源和其他安全设施。
二、考生准备接触网工(高级)操作技能考核准备通知单试题名称:工作领导人组织停电检修线岔一、技术要求按标准化作业规定,组织停电检修线岔。
二、考核要求1.考核内容:工具使用、作业程序、作业质量、安全注意事项。
2.程序、要领符合规程要求。
3.工作量:制定一次线岔停电检修程序。
4.劳动组合:单人单桌,独立完成。
三、考核时限:1.准备10min。
2.正式操作50min。
3.记时从考生准备好开始,到记录完整、收拾劳动保护用品结束。
4.规定时间内完成不加分,也不扣分;每超过1分钟扣2分,超过5分钟停止作业。
四、考核评分1.3名以上考评员;2.按考核评分记录表中规定的评分点各自独立评分,取平均分为评定得分;3.满分为100分,60分为及格。
五、否定项若考生发生下列情况之一,则应及时终止其考试,考生该试题成绩记为零分。
1.损坏设备、仪表等发生重大事故者。
2.在考试过程中因违规操作发生安全事故。
铁道行业职业技能鉴定接触网工(高级)操作技能考核评分记录表准考证号:姓名:性别:单位:试题名称:考核时间:50分钟考评员:总分人:年月日接触网工(高级)操作技能考核准备通知单2.试题名称:检修避雷器装置1.材料准备2.设施准备由鉴定站准备接触网练兵场处3.考场应满足5人考试,考位面积不少于30平方米,考场应提供充足的光线、电源、气源和其他安全设施。
二、考生准备接触网工(高级)操作技能考核准备通知单试题名称:检修避雷器装置一、技术要求按标准化作业规定,检修避雷器装置。
二、考核要求1.考核内容:工具使用、作业程序、作业质量、安全注意事项。
2.程序、要领符合规程要求。
3.工作量:避雷器装置检修。
技能鉴定实操试题1什么是电气化铁道?电气化铁道由哪几部分组成?答:采用电力牵引的铁道称为电气化铁道;电气化铁道由电力机车、牵引变电所、和接触网三大件组成。
2什么是接触网?接触网主要由哪几部分组成?答:接触网架设在铁路线上空向电力机车供给电能的特殊形式的输电线路。
接触网主要由接触悬挂、支持装置、支柱与基础组成。
3接触网支柱按用途可分为哪几种?答:中间柱、锚柱、转换柱、中心柱、定位柱、道岔柱、软横跨柱、硬横跨柱、桥支柱4什么是拉出值?拉出值有什么作用?答:在定位点处接触线偏移受电弓中心的距离称为拉出值,在直线区段也称为“之”字值作用主要是使运行的电力机车受电弓与接触线摩擦均匀5腕臂支柱装配主要有哪几种形式?答:中间柱、转换柱、中心柱、道岔柱、定位柱。
6电连接根据安装位置分为哪几种?答:横向电连接、股道电连接、道岔电连接、锚段关节电连接、隔离开关电连接、避雷器电连接。
7什么是锚段?锚段有哪些作用?答:在区间或站场,根据供电和机械方面的需求,将接触网分成许多机械独立的分段,这种独立的分段称为锚段。
作用:缩小事故范围、缩小停电检修范围、便于加设补偿装置、便于实现电分段。
8什么是软横跨?软横跨由哪几部分组成?答:软横跨是多股道站场的横向支持设备。
软横跨由横向承力索和上、下部固定绳及连接零件组成。
9什么是线岔?其作用是什么?答:线岔是装于道岔的上空,两支接触线相交点的一种装换设备。
作用:保证电力机车受电弓安全平滑、安全地由一股道上空的一条接触线过度到另一条股道上空的接触线,达到完成转换线路的运行目的。
10接触网附加导线有哪几种?答:供电线、捷接线、并联线、加强线、回流线、正馈线、保护线、架空地线。
11什么是锚段关节?锚段关节有哪些作用答:两个相邻锚段的衔接部分称为锚段关节。
作用:绝缘锚段关节不仅进行机械分段,同时进行同相电分段。
非绝缘锚段关节只进行机械分段,不进行电分段。
12补偿器有哪几部分组成?答:补偿滑轮、补偿绳、杵环杆、坠砣杆、坠砣13定位方式有哪些?答:正定位、反定位、软定位、双定位、单拉手定位等几种。
接触网实训作业程序及评论查核标-验准电接地(一)目的1、在接触网停电作业时使用。
2、除去感觉电和防备误送电。
(二)作业条件1、人员:1人。
2、工具:个人工具。
3、资料:探针式验电接地装置(接地线为≥25 平方 mm 裸铜软绞线)。
4、时间:5分钟内达成。
(三)作业程序1、按要求准备工具资料。
2、在接到验电接地的指令后先验电,确认无电后再行接地。
3、采纳防风摆举措,在地线旁立岗。
(四)质量标准1、接地靴固定地点适合。
2、接地靴应紧固。
3、探针应连结靠谱。
4、操作人需站在距接地址1m 以外。
5、验电接地过程中操作人人身不得接触接地线。
6、不得短接钢轨。
7、验电接地过程中接地线应连结牢靠。
8、地线挂好后不得侵入限界,要有防风摆举措。
(五)安全1、防备安全用品应衣着齐备,且为合格用品。
2、按规定衣着劳动保护用品。
3、按规定正确使用工具。
( 六) 评论方法项目标准分评论标准扣分标准存在扣分得问题分工具 1. 个人工具个人工具不齐备每件扣10 分资料102. 探针式验电接地装置探针式验电接地装置选择不正确每(接地线为≥ 25 平方件扣 20分分mm裸铜软绞线)时105分钟内达成每提早1分钟加4分, 每延伸1分钟扣4分 , 超出10分钟算失格间分1、按要求准备工具资料未做到扣 5 分作 2 、在接到指令后先验业10电,确认无电后再行程序不正确扣 10 分程分接地序3、采纳防风摆举措,在地线旁立岗无防风摆举措扣 5 分1、接地靴固定地点适合接地靴固定地点不适合扣5分2、接地靴应紧固接地靴手能推进扣5分3、探针应连结靠谱探针连结不行靠扣5分4、操作人需站在距接地操作人未站在距接地址1 m 以外扣点1 m以外5分质405、验电接地过程中操作验电接地过程中人身接触接地线扣人的人身不得接触接20分量分地线6、不得短接钢轨短接钢轨扣20分7、验电接地过程中接线验电接地过程中接地线零落或连结应连结坚固不良扣30分8、地线挂好后不得侵入地线挂完后侵入限界扣10分限界1、防备安全用品应衣着防备安全用品衣着不齐备或不合格安30齐备,合格优秀每件扣 10 分2、按规定衣着劳动保护未按规定衣着劳动保护用品每件次全分用品扣10分3、按规定正确使用工具不按规定使用工具每次扣10分总分100作业评价岗位评论标准姓名存在问题扣分得分1、发票人经“受权”签发工作票后,未到现场进行实地发检查扣 10 分票2、填写工作票时要笔迹清楚、正确,需填写的内容不得涂改和用铅笔书写, 不然扣 10 分;未在工作票的右上角加人盖相应的图章扣10 分3、工作票填写 1 式 2 份, 1 份自己保留, 1 份交给工作领导人违犯扣10 分4、工作的前一天将工作票交给工作领导人,向其进行技术交底违犯扣10 分。
接触网实训作业程序及评价考核标准-检调支持装置(一)目的规范接触网接触悬挂支柱装置的检修。
(二)适用范围各种类型支持装置的检调和更换。
(三)所需人员、机具、材料人员:1人.工具:作业车、车梯、单滑轮、滑轮组、钢丝套子、大绳、水平尺、钢丝刷、油漆刷、力矩扳手、角度仪等。
材料:腕臂底座、棒式绝缘子、斜腕臂、平腕臂、套管双耳、定位管、定位环、定位器、承力索座等。
资料技术:接触网平面布置图、接触网装配图、安装曲线图。
(四)工作程序在接触网车梯巡检或综合检查中,主要检查以下项目:1、检查支持装置状态,有无斜腕臂和平腕臂偏斜、弯曲变形、锈蚀,检查绝缘子是否赃污、击穿、闪络、破损,检查套管绞环、套管双耳有无裂纹、沙眼等缺陷,检查各连接部件螺栓是否紧固,视情况进行处理和更换。
2、对腕臂锈蚀的,用钢丝刷除锈,进行刷漆防锈处理。
3、检查隧道内埋入杆件有无变形锈蚀松动,周围水泥填充物状态是否良好,并做相应处理。
4、对腕臂锈蚀变形严重,不合格套管绞环、套管双耳、底座,绝缘子有破损,击穿、闪络现象及破损超过300mm2时应进行更换。
(一)更换支持装置1、更换水平拉杆+斜腕臂形式装配第一步:用杉木杆斜顶于悬挂点附近承力索上(杉木杆端头绑牢一铁钩,便于顶承力索用)。
第二步:在与承力索位置水平的支柱上套上钢丝套并装上滑轮(若受力大时用滑轮组),将大绳系牢在承力索和上,再通过滑轮使其受力、卸载。
第三步:拆除钩头铵子上的钩钉并用力撑住杉木杆,将承力索推出。
第四步:根据所需要更换的支持装置,吊下斜腕臂、平腕臂、水平拉杆、套管绞环、承力索座、底座等所需更换的部件。
第五步:吊上所需更换的部件,并进行安装连接。
第六步:检查各部螺栓,连接件连接状况,应良好,并上防腐油。
撤掉杉木杆、铁丝套、大绳、滑轮(滑轮组)。
2、更换平腕臂+斜腕臂形式装配第一步:将承力索从平腕臂上承力索座(或钩头鞍子)中卸掉,将接触导线从定位器上卸掉,使既有支持装配卸载,利用梯车或作业车平台支撑承力索和接触导线。
中职学校接触网实训课程教学方案摘要:结合高速与城轨建设新格局对接触网工的需求新趋势,全面分析了中职学校接触网实训课程教学方案的设计原则、实施要点及注意事项,对实施方法作了初步的探讨。关键词:中职学校接触网实训教学方案设计与实施一高铁与城轨并举的建设新格局对接触网工的高增长需求趋势1 扩内需、保增长,铁路客专和城际高铁形成快速发展新格局2 城市化进程加速为城市轨道交通行业提供了高速发展新机遇3 新的建设格局造就了接触网工需求的高增长趋势客专和城际高铁工程几乎都要电气化,城市轨道交通通常采用电力牵引,更是电气化的重要分支,接触网作为铁路电气化工程外在性标志,自然是主要建设项目。接触网工程人力资源的需求特点为:♦工程建设期,需要的是具备安装能力的施工人员;♦工程建成后的运营期,需要的则是具备设备维管能力的检修人员。量最大、最基层的一线操作层人员都是具备操作能力的初中级技术工人,主要由中职学生构成。随着客专和城铁、城轨的不断发展,直接担负接触网安装与维管任务的操作层人员需求量必将加速上升,故接触网中职学生有着可靠的就业途径和广阔的发展空间。二接触网实训课程在中职学生教学培养中的重要作用1 专业实训在接触网专业中职教育中的重要地位接近于工作实景的实训不仅可以培养学生的动手能力和操作能力,适应未来工作环境,还可以促进学生职业心理的养成,缩短学生从毕业到就业的心理磨合期,使学生毕业后能迅速适应岗位角色的需要,促进学生对新工艺、新技术的掌握,提高学生的顶岗能力。2 接触网专业中职生专业理论课程与实训课程的关系要适应就业形势需求,接触网专业中职毕业生最基本的要求应符合3个原则:♦理论知识够用;♦基础知识管用;♦专业知识适用。因此,本专业理论课主要讲述接触网的组成和供电方式、主要设备和结构、基本设计及平面设计原则、施工验收、运营管理等内容。对近年来接触网高速化后出现的新技术、新结构和新工艺应能及时进行插入式讲解,使学生们了解和掌握接触网技术的发展趋势。三接触网实训课程教学方案的设计思路1 接触网中职教育培养目标的准确定位培养具有良好职业道德和行业规范,掌握必需文化基础知识,达到基本技能熟练、行业工作流程熟悉,能胜任接触网岗位群中一个或多个细分岗位的初、中级应用型技能人才。使大部分学生能够一毕业就顶岗作业,并成为生产骨干。2 接触网实训课程的体系构成接触网专业具备覆盖面广、技能模块划分明显的特点,为达前述培养目标,须确保实训教学与理论教学的有效衔接。为满足模块法教学需要,将接触网实训课程分解如下:1)基础技能模块包包括支柱与基础作业,支撑、定位装置安装检修,接触悬挂安装检修及相应的作业防护等。实训课题按照初级工技能要求设置,并将《接触网》课程中与实习操作技能有关的部分结合讲授,主要包括:接触网用图例,主要设备的构造、作用,重点是施工技术和工艺中的基础部分。2)专业技能模块包包括复杂支柱的装配、软横跨以及各主要设备的安装调整,进行各种接头、回头制作和线条绑扎工作,接触网检查验收工作程序及要求,接触网一般事故处理原则等。在《接触网施工技术与施工组织》、《接触网施工规范》、《接触网施工工艺》、《接触网安全操作规程及事故分析》等理论课后进行。完成学习内容、通过《接触网工国家职业标准》考核,即取得相应等级的从业资格证书。3)岗前技能实训模块包包括填写施工或维修记录,设备调试、检验及电气性能检验,接触线异常磨耗及改善办法,接触网支柱及各部件受力分析等。根据学生就业所在企业的实际需要,灵活而激动地安排岗前实训课程,即:♦施工企业,重点安排填写施工记录、一般设备的安装、调试等;♦设备运管企业,重点安排填写维修记录、一般设备的调试、检验及电气性能的检验、接触线异常磨耗及改善办法、接触网支柱及各部件的受力分析等。四接触网实训课程教学方案实施过程中需重点关注的问题1 接触网实训课程推行模块教学法的条件1)老师资格条件2)设备设施条件3)管理制度条件2 加强接触网实训基地建设的保证措施1)提高对接触网实训基地建设重要性的认识2)高标准、高起点地建设好、使用好学校的接触网实训基地3)建设双师型师资队伍是确保接触网专业实训成功的重要保证3 接触网实训课程教学方案实施期心理素质的正确引导1)接触网野外、高空作业特点是产生不良心理反应的根本原因实际工程中,负责任的接触网工一定要沉、稳、快。稍有慌乱就会造成延误,给铁路运输带来不可估量的经济损失。毕业后将承担的接触网施工与检修作业,具有典型的的高压、高空作业特点,极易导致学生们产生紧张、焦虑、恐惧、不安等不良的心理反应。若心理素质差,反应会较为强烈,重者会出现险情。因此,实训开始就必须高度重视。2)接触网专业实训项目的编排原则依据《接触网工国家职业标准》考核要求,分级设置实训科目;同级科目中,先训练相对较容易的,对较难的可分步骤进行。这样,心理压力小一些,学生容易产生成就感。3)接触网专业实训中出现异常情况时的处理技巧实训中出现的异常情况极易导致学生们产生紧张、畏惧的心理。发生这类状况时,宜暂停练习,先休息、聊天,在谈笑间将紧张的心理松弛下来,再一起分析原因并找出整改方案。这样做,不仅保护了学生的学习积极性,促进了学生对技能的掌握,同时还能教会学生如何面对挫折,是对学生们很好的心理素质锻炼。4 接触网实训过程中学生职业意识的强化培养1)严格遵守实训制度,培养学生责任意识实训时,学生需要知道能做什么、不能做什么而哪些事又必须做,认识到自己所做的每件事对自己、他人、集体所担负的责任。通过制度学习,明确学生实训期间的各项责任。2)多角色互换,培养学生的协作意识合作成功,可使学生的自信得到增强,感受到集体的力量。协作完成任务,可让学生理解人与人之间必须团结协作才能成功,增加个人协作意识就是增加个人和集体成功的法码,只有具有协作意识的人才能获得更多的成功机会。3)鼓励学生多动脑,培养学生独立解决问题的意识接触网作业过程中,多数情况都需要作业人员的现场决断,故要特别注重培养学生独立解决问题能力。对于实训中遇到的困难,需引导学生自己动脑筋、想办法,创造性地解决问题。。
接触网工(初级)实际操作试题(一)单项实作试题1识别接触网常用零部件(一)考试要求正确识别接触网常用零部件。
(二)考试场地:利用现场施工条件或接触网中心料库。
(三)考试形式及时间:现场识别,时间20分钟。
(四)独立完成评分标准接触网工(初级工)实际操作考核评分表监考人员签名:主监考人员签名:2 接触网常用工具识别及使用(一)考试要求正确识别及使用接触网常用工具。
(二)考试场地:利用现场施工条件。
(三)考试形式及时间:现场识别,时间20分钟。
(四)独立完成评分标准接触网工(初级工)实际操作考核评分表监考人员签名:主监考人员签名:3 正确攀爬接触网支柱(H型钢柱或等径圆支柱)(一)考试要求正确攀爬接触网支柱。
(二)考试场地:利用现场施工条件。
(三)考试形式及时间:现场攀爬,时间10分钟。
(四)独立完成评分标准接触网工(初级工)实际操作考核评分表监考人员签名:主监考人员签名:4 使用兆欧表测试绝缘工具的绝缘电阻(一)考试要求正确使用兆欧表测试绝缘工具的绝缘电阻。
(二)考试场地:利用现场施工条件。
(三)考试形式及时间:现场操作,时间15分钟。
(四)独立完成评分标准接触网工(初级工)实际操作考核评分表监考人员签名:主监考人员签名:5 使用接地电阻测试仪测量电阻阻值(一)考试要求正确使用地电阻测试仪测量电阻阻值。
(二)考试场地:利用现场条件。
(三)考试形式及时间:现场操作,时间15分钟。
(四)独立完成评分标准接触网工(初级工)实际操作考核评分表监考人员签名:主监考人员签名:6 验电接地(一)考试要求正确对既有接触网进行验电接地。
(二)考试场地:利用现场条件。
(三)考试形式及时间:现场操作,时间20分钟。
(四)配合人员一名评分标准验电器、绝缘手套、绝缘靴、接地工具、个人小工具等。
接触网工(初级工)实际操作考核评分表监考人员签名:主监考人员签名:7 巡视工作内容(一)考试要求正确表述巡视工作内容。
(二)考试场地:利用现场条件。
目录一、工作票签发人 (2)二、工作票领导人 (3)三、行车防护员 (4)1.现场防护人员 (4)2.驻站联络员 (5)3.驻调度所联络员 (5)四、验电接地人员 (7)1.验电接地操作人 (7)2.验电接地监护人 (8)五、平台操作人 (9)六、作业监护人 (10)七、高空作业人员 (11)八、地面辅助人员 (12)九、巡视人员 (13)十、值班人员 (14)1.工班值班人员 (14)2.车站值守人员 (15)3.工班待班人员 (16)十一、施工安全监督员 (17)一、工作票签发人同一张工作票的签发人和工作领导人必须由两人分别担当。
二、工作票领导人确认作业内容、地点、时间、作业组成员等均符合工作票提出的三、行车防护员1. 现场防护人员及时、准确、清晰地传递行车信息和信号;作业前准备→施工作业四、验电接地人员1.验电接地操作人要服从地线监护人的指挥,对不安全和有疑问的命令,要服从工作领导人的指挥,对不安全和有疑问的命令,五、平台操作人作业平台操作人熟练掌握作业车平台操作及应急处置技能;六、高空作业监护人作业前准备→作业停电撤离现场七、高空作业人员、要服从工作领导人的指挥,遵章守纪。
对不安全和有疑问的命令,八、地面辅助人员要服从工作领导人的指挥,遵章守纪。
对不安全和有疑问的命令,九、巡视人员根据作业内容,进行巡视(步巡、添乘巡视、巡视等);十、值班人员1.工班值班人员随时接听值班室来电,接收传达生产指令和上级文电;随时接听值班室来电,接收传达生产指令和上级文电;十一、施工安全监督员根据施工方案、施工内容及作业范围对施工项目进行安全监控;。
实作项目:1、看接触网平面图2、环节吊弦制作3、中间支柱腕臂予配(正定位)4、使用摇表测试绝缘工具的绝缘电阻5、定位点拉出值测量6、验电接地7、承力索回头制作(楔型线夹)8、铜接触线接续9、测量线岔(单开标准定位)10、检调拉出值11、检调隔离开关12、更换定位器13、更换火花间隙14、电联接器检修15、更换分段绝缘器16、使用红外线测温仪测温17、检调接触网软横跨18、检调补偿装置19、更换接触网棒式绝缘子20、更换水平拉杆悬式绝缘子21、更换接触网下锚绝缘子22、更换接触网下锚补偿绳23、工作领导人组织线岔停电检修24、编制接触网锚段关节检修工艺25、制定接触线断线事故抢修方案26、制定承力索断线事故抢修方案27、制定支柱断杆事故抢修方案一、看接触网平面图二、环节吊弦制作三、中间支柱腕臂予配(正定位)四、使用摇表测试绝缘工具的绝缘电阻六、验电接地七、承力索回头制作(楔型线夹)九、测量线岔(单开标准定位)十、检调拉出值十一、检调隔离开关十二、更换定位器十六、使用红外线测温仪测温十七、检调接触网软横跨十八、检调补偿装置(二)考核内容及评分标准二十二、更换接触网下锚补偿绳二十三、工作领导人组织线岔停电检修1、作业前准备:(共35分)作为工作领导人,必须按照《接触网安全工作规程》和《接触网运行检修规程》组织作业。
(2分)停电作业的程序为:作业前准备(审核、宣读工作票,分工,准备工器具和材料,前往作业地点)—要令、设置防护—验电接地—检修作业—收工—撤除地线—清理作业现场—消令—撤离现场返回工区、收工总结。
(5分)(1)审核工作票:工作领导人当接到工作票后,首先要认真熟悉工作票中的内容,审核工作票中的安全措施、作业地点、时间、作业组成员等是否符合要求,对工作票中的内容有疑义时,要及时向发票人提出,经认真分析,确认正确无误后,方可执行,确保采取的安全措施正确而完备。
(8分)(2)宣读工作票:作业前,工作领导人要组织作业组全体成员集合,宣读工作票的内容并布置安全保护措施。
高铁接触网维修岗位实训教学组织方案教学作业指导书〔平面布置图〕依据?高铁接触网维修岗位培训标准?,D6科目?接触网安装图、示意图、零件图的识别?共16课时,?平面布置图识别?需用4课时在1103对实作班进行讲解和实作练习。
为确保实训平安有序,确保培训质量及效果,供电教研室特制定本实训教学组织实施方案,请供电各岗位培训师认真学习,在实作培训过程中遵照执行。
一、编制依据1 实作教学指导书根本信息岗位高铁接触网维修岗位〔0100〕实作科目名称接触网安装图、示意图、零件图的识别〔平面布置图〕实作指导书编号1.教学目的通过本次培训,使全体学员能够了解接触网平面图的识别方法;掌握各种图标、支柱、重点设备的标识。
2.教学组织实施师资配备在教室授课时,设主讲培训师1名;在计算机室授课时设主讲培训师1名,配合兼平安监督培训师1名。
主要职责:(1)让学员全面了解高铁接触网平面图的识别:①支柱类型;②支柱导高、拉出值;③锚段关节;④锚段长度;⑤跨距、公里标;⑥隔离开关、避雷器、分相、分段绝缘器;2教室:用CAD软件翻开图纸,通过对各种接触网平面图的学习,让学员能够正确的识别各种接触网平面图。
〔3〕提醒配合人员及时做好影像采集工作,注意收集归类存档。
设配合培训师1名主要职责:〔1〕负责课前领取1103电教室门钥匙,协助主讲培训师完成实作培训工作;〔2〕负责组织学员按时进入电教室上课,监督班长做好学员考勤、考核记录;〔3〕负责电脑分配,使每名学员能分到一台具备AutoCAD软件的台式电脑;〔4〕负责宣布并维持电教室上课纪律和考前须知,严禁学员使用电脑打游戏;〔5〕负责指导学员开机、进入AutoCAD软件,对学员课堂学习进行督导;〔6〕负责组织课后关机、将耳麦、电脑、椅子归位,关闭灯、空调和门窗;〔7〕做好授课期间影像资料的采集,并用微信发至“接触网信息平台〞存档。
组长:班长〔1名〕主要职责:〔1〕负责协助配合培训师,落实好培训的所有工作事项;〔2〕负责组织学员列队点名,准时上课并做好考勤和考核工作;〔3〕负责监督巡视学员是否按照主讲教师要求进行电脑操作练习;〔4〕负责组织学员课后关闭电脑、清理卫生,列队走出电教室。
技能鉴定实操试题
1什么是电气化铁道?电气化铁道由哪几部分组成?
答:采用电力牵引的铁道称为电气化铁道;电气化铁道由电力机车、牵引变电所、和接触网三大件组成。
2什么是接触网?接触网主要由哪几部分组成?
答:接触网架设在铁路线上空向电力机车供给电能的特殊形式的输电线路。
接触网主要由接触悬挂、支持装置、支柱与基础组成。
3接触网支柱按用途可分为哪几种?答:中间柱、锚柱、转换柱、中心柱、定位柱、道岔柱、软横跨柱、硬横跨柱、桥支柱4什么是拉出值?拉出值有什么作用?
答:在定位点处接触线偏移受电弓中心的距离称为拉出值,在直线区段也称为“之”字值作用主要是使运行的电力机车受电弓与接触线摩擦均匀5腕臂支柱装配主要有哪几种形式?
答:中间柱、转换柱、中心柱、道岔柱、定位柱。
6电连接根据安装位置分为哪几种?答:横向电连接、股道电连接、道岔电连接、锚段关节电连接、隔离开关电连接、避雷器电连接。
7什么是锚段?锚段有哪些作用?
答:在区间或站场,根据供电和机械方面的需求,将接触网分成许多机械独立的分段,这种独立的分段称为锚段。
作用:缩小事故范围、缩小停电检修范围、便于加设补偿装置、便于实现电分段。
8什么是软横跨?软横跨由哪几部分组成?
答:软横跨是多股道站场的横向支持设备。
软横跨由横向承力索和上、下部固定绳及连接零件组成。
9什么是线岔?其作用是什么?
答:线岔是装于道岔的上空,两支接触线相交点的一种装换设备。
作用:保证电力机车受电弓安全平滑、安全地由一股道上空的一条接触线过度到另一条股道上空的接触线,达到完成转换线路的运行目的。
10接触网附加导线有哪几种?
答:供电线、捷接线、并联线、加强线、回流线、正馈线、保护线、架空地线。
11什么是锚段关节?锚段关节有哪些作用
答:两个相邻锚段的衔接部分称为锚段关节。
作用:绝缘锚段关节不仅进行机械分段,同时进行同相电分段。
非绝缘锚段关节只进行机械分段,不进行电分段。
12补偿器有哪几部分组成?
答:补偿滑轮、补偿绳、杵环杆、坠砣杆、坠砣13定位方式有哪些?
答:正定位、反定位、软定位、双定位、单拉手定位等几种。
14补偿装置的作用是什么?答:当温度变化时,线索受温度的影响而伸长或缩短,在补偿器坠砣的作用下,使线索顺路方向移动,从而自动调整线索的张力,并借以保持线索的驰度满足技术要求,提高了受电弓取流的质量。
15腕臂装置的技术要求有哪些?
答:有足够的机械强度、有一定的导电性能、要有一定的弹性。
16什么叫垂直“天窗”?
答:天窗是指在双线自动闭塞区段对接触网进行检修时,上、下行线路在同时间内全区段同时停电,检修完毕后同时送点工作,在列车运行图中表现为一矩形空白“天窗”,称为矩形“天窗”,也叫垂直“天窗”。
17承力索的作用是什么?对承力索要求是什么?
答:承力索利用吊弦将接触线悬吊起来,在不增加支柱的情况下,使接触线增加了悬挂点,提高了接触线的稳定性,减少了接触线的驰度,通过调节吊弦的长度,使接触线在整个跨距内的导高尽量一致,从而改善接触悬挂的弹性,对承力索的要求是能够承受较大的张力,具有较强的抗腐蚀能力,在温度变化时,驰度变化较小。
18作业车作业时作业人员到达作业现场与开工前应注意哪些事项?
答:到达作业现场后,工作领导人必须和各岗位人员通话,试验防护电话,强调有关安全和作业事项;在开工钱,严谨人员进入作业平台;在开工前,作业组成员在停电侧道下待命。
19作业车作业时人员上、下作业平台应注意哪些事项?
答:(1)作业车移动,作业平台升、降及转动时,严禁人员上、下平台;人员上、下作业平台时,严禁作业车移动及升、降,转动作业平台。
(2)人员上、下作业平台前必须告知平台上负责人,得到允许后方准上、下。
(3)要严格执行呼唤应答制度。
20在沿线步行巡视检查接触网时应注意哪些安全事项?
答:(1)巡视人员要沿着列车开来(迎面)方向行走,一是前方由列车或机车、车辆通过时易发现,二是防止列车掉下货物砸伤人。
(2)禁止走道心。
(3)经过铁路平交道口时,要严格执行“一站、二看、三通过”的规定,冬季巡视时要将防寒安全帽的棉耳打开。